静载试验计算书
- 格式:xls
- 大小:46.00 KB
- 文档页数:16
水平静载报告模板水平静载试验是一种常见的土木工程试验方法,用于评估土地基的承载能力和变形特性。
水平静载报告是对试验结果的系统总结和分析,下面是一个水平静载报告的模板,可供参考。
一、引言水平静载试验是为了评估土壤的承载能力和变形特性,以指导土木工程设计和建设。
本次试验的目的是测试样地的水平静载性能,并据此提供可靠的数据和分析结果。
二、试验概述本次试验选取了样地A、B和C,以评估不同土地基的承载能力。
试验过程中,我们使用了X型测力计进行力的测量,同时使用位移计和测斜仪监测土壤的变形情况。
试验总共进行了X次,每次施加的荷载逐渐增加。
三、试验结果1.承载力在试验过程中,我们测得样地A的承载力为X,样地B的承载力为Y,样地C的承载力为Z。
从结果来看,样地A的承载能力最高,样地C的承载能力最低。
2.变形特性经过试验,在不同荷载下,我们发现样地A的变形最小,样地B次之,样地C变形最大。
这说明样地A的土壤较为坚实,承载能力较强。
四、数据分析1.承载力分析根据试验结果,我们可以分析出样地A的土壤质地较好,含水量适宜,承载能力较高;样地C的土壤质地较差,可能有较多的松散颗粒,承载能力较低。
2.变形特性分析样地A的变形最小,可能是因为其土壤颗粒间的相互作用力较大;样地C的变形最大,可能是因为土壤颗粒间较松散,易发生位移。
五、结论和建议根据试验结果和数据分析,我们得出以下结论和建议:1.样地A的承载能力较高,适合用于承载较大荷载的土木工程项目;2.样地C的承载能力较低,需采取增强措施,以确保工程安全。
六、参考文献在编写报告时,我们参考了以下文献:1.XXX标准规范2.XX年XX期《土木工程研究报告》以上是水平静载报告的模板,希望对你有所帮助。
在实际写作中,请根据具体试验情况和数据结果进行相应的填写和分析,以确保报告的准确性和可靠性。
支架受力荷载计算书
本文档旨在计算支架的受力荷载,使用简化的策略,并避免引入法律复杂性。
请注意,本文档仅供参考,具体项目应根据实际情况进行计算。
支架基本信息
- 支架类型:
- 支架材料:
- 支架尺寸:
- 支架数量:
荷载计算
1. 静态荷载计算
- 自身重量:{自身重量计算公式}
- 外部荷载:{外部荷载计算公式}
- 总静态荷载:{总静态荷载计算公式}
2. 动态荷载计算
- 振动荷载:{振动荷载计算公式}
- 冲击荷载:{冲击荷载计算公式}
- 总动态荷载:{总动态荷载计算公式}
结果与结论
根据上述计算,得出以下结果和结论:
1. 总受力荷载:{总受力荷载},单位:N/kg (牛顿/千克)
2. 最大受力荷载点:{最大受力荷载点},位于支架的{位置}
3. 支架强度:{支架强度评估结果}
4. 其他结论:{其他结论}
请注意,以上结果仅为计算得出的估值,具体情况可能会因实际使用环境、材料等因素而有所变化。
在实际工程中,建议进一步进行精确计算和结构评估。
附注:请确认所引用内容的准确性,并遵循不引用无法证实的内容。
可编辑修改精选全文完整版
静载实验办法
(1)加荷方法采取慢速保持荷载法;(2)加荷采取分级等量进行,每级加载增量为桩基承载力极限值的1/10,首级可加1/5;(3)测读桩顶沉降量的距离时光:每级荷载施加后按第5.15.30.45.60min测读桩顶沉降量,今后每隔30min测读一次;(4)沉降相对稳固尺度:每一小时内的桩顶沉降量不超出0.1mm,并持续消失两次(从分级荷载施加后第30min开端,按1.5h持续三次每30min的沉降不雅测值盘算);(5)加荷终止前提:当消失下列情形之一时即可终止加荷:a.某级荷载感化下,桩顶沉降量大于前一级荷载感化下沉降量的5倍,且桩顶总沉降量超出40mm;b.某级荷载感化下,桩顶沉降量大于前一级荷载感化下沉降量的2倍,且经24h尚未达到相对稳固尺度;c.加载量已达承载力极限值;d.锚桩上拔量已达到许可值;e.Q~s曲线呈缓变型时,可加载至桩顶总沉降量大于60mm~80mm.(6)卸荷:每级卸载量为加载量的2倍,每级卸荷后隔15.15.30min各测读一次残存沉降,即可卸下一级荷载,全体卸完后隔3~4h再测读一次,然后终止实验.以此办法算下来:(每级稳固前提下)加荷约18小时,卸荷7~8小时,合计约25~26小时).。
中铁X局集团XX客运专线XXTJ II标2号制梁场32m箱梁静载试验方案编制:复核:审核:批准:中铁X局集团桥梁制造有限公司长沙制梁分场目录一、静载试验依据 (1)二、试验条件及准备 (1)三、静载试验加力点布置 (1)四、静载试验工装设备体系 (2)1、静载试验台座端部桩基础 (2)2、重力式静载试验台基础设计 (3)3、重力式地锚 (4)4、加力架上横梁 (4)五、静载试验要求及加载程序 (7)六、评定标准 (8)七、静载试验记录和试验报告 (9)八、安全及防护措施 (10)附件:静载试验计算书 (11)一、计算依据 (11)二、试验梁基本数据表 (12)三、设计院提供静载试验参数 (12)四、加载图式 (13)五、计算相关系数α (13) (13)六、未完成应力损失的补偿弯矩s M七、加载设备对跨中产生的弯矩Ms (14)八、计算各级加载对跨中弯矩和荷载值 (15)附图1:静载试验台座基础桩配筋图 (17)附图2:静载试验台座配件加工图 (18)附图3:静载试验台座组装图-1 (19)附图4:静载试验台座组装图-2 (20)附图5:静载试验台座工程数量表 (22)32m简支箱梁静载试验方案一、静载试验依据《预应力混凝土铁路简支梁静载弯曲试验方法及评定标准》(TB/T 2092-2003)。
二、试验条件及准备1、简支梁在梁体终张拉30d以后方可进行静载试验;2、试验台座满足TB/T2092-2003要求;3、试验反力架设计满足要求;4、试验设备满足TB/T2092-2003要求;三、静载试验加力点布置等效集中荷载采用五点加载,跨中设一集中荷载,其余在其左右对称布置,各荷载纵向间距均为4m,各级加载荷载见附件静载试验计算书,加载图示如图1。
图1 加载图式(单位:m)四、静载试验工装设备体系1、静载试验台座端部桩基础采用北侧第二排东方向第一个台座作为试验台座,梁体自重与加载力(110t×10)总和达2000t,每个支点单独承载500t,为满足静载试验要求,对静载试验台座端部桩基进行加深加大,取φ1.5米钻孔桩,桩长25米。
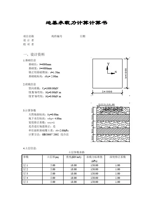
地基承载力计算计算书项目名称_____________构件编号_____________日期_____________设计者_____________校对者_____________一、设计资料1.基础信息基础长:l=4000mm基础宽:b=4000mm修正用基础埋深:d=1.50m基础底标高:dbg=-2.00m2.荷载信息竖向荷载:F k=1000.00kN绕X轴弯矩:M x=0.00kN·m绕Y轴弯矩:M y=0.00kN·mb=40 l=4000xY3.计算参数天然地面标高:bg=0.00m地下水位标高:wbg=-4.00m宽度修正系数:wxz=1是否进行地震修正:是单位面积基础覆土重:rh=2.00kPa计算方法:GB50007-2002--综合法地下水标高-4.00基底标高-2.00地面标高0.00555554.土层信息:土层参数表格二、计算结果1.基础底板反力计算基础自重和基础上的土重为:G k = A×p =16.0×2.0= 32.0kN基础底面平均压力为:1.1当轴心荷载作用时,根据5.2.2-1 :P k = F k+G kA=1000.00+32.0016.00= 64.50 kPa1.2当竖向力N和Mx同时作用时:x方向的偏心距为:e =M kF k+G k=0.001000.00 +32.00= 0.00mx方向的基础底面抵抗矩为:W = lb26=4.00×4.00 26= 10.67m3x方向的基底压力,根据5.2.2-2、5.2.2-3为:P kmax = F k+G kA+M kW= 64.50 +0.0010.67= 64.50 kPaP kmin = F k+G kA-M kW= 64.50 -0.0010.67= 64.50 kPa1.3当竖向力N和My同时作用时:y方向的偏心距为:e =M kF k+G k=0.001000.00 +32.00= 0.00my方向的基础底面抵抗矩为:W = bl26=4.00×4.00 26= 10.67m3y方向的基底压力,根据5.2.2-2、5.2.2-3为:P kmax = F k+G kA+M kW= 64.50 +0.0010.67= 64.50 kPaP kmin = F k+G kA-M kW= 64.50 -0.0010.67= 64.50 kPa2.修正后的地基承载力特征值计算基底标高以上天然土层的加权平均重度,地下水位下取浮重度γm = ∑γi h i∑h i=2.0×18.02.0= 18.00基底以下土层的重度为γ = 18.00b = 4.00f a = f ak + ηbγ (b-3) + ηdγm (d-0.5)= 150.00+1.00×18.00×(4.00-3)+1.00×18.00×(1.50-0.5)= 186.00 kPa调整后的地基抗震承载力计算查“抗震建筑设计规范GB50011-2001”表4.2.3, ζa = 1.30f aE = ζa f a = 1.30×186.00 = 241.80 kPa3.计算结果分析P k=64.50kPa, f aE=186.00kPaP k≤f aE当竖向力N和Mx同时作用时:P kmax=64.50kPa, 1.2f aE=.2×186.00=223.20kPaP kmax≤1.2f aE当竖向力N和My同时作用时:P kmax=64.50kPa, 1.2f aE=1.2×186.00=223.20kPaP kmax≤1.2f aE地基承载力验算满足。
XX项目经理部预制承轨梁静载试验方案编制:_______________________审核:_______________________批准:_______________________编制单位:XX项目经理部编制日期:二〇一九年十月一十九日目录第一章工程概况 (1)1.1工程概况 (1)1.2试验梁梁体结构 (1)1.3试验目的与内容 (3)1.4编制依据 (3)第二章测点布置 (5)2.1应变测点布置 (5)2.2位移测点布置 (6)2.3梁端转角测点布置 (6)2.4温度测点布置 (7)2.5分布式光纤传感 (7)2.6其他智能传感器测点 (8)2.7测点统计 (8)第三章安全防护措施 (9)3.1加强安全培训教育 (9)3.2安全生产技术管理 (9)第四章静力性能测试及梁破坏性试验 (11)4.1准备工作 (11)4.2试验程序及方法 (15)4.3评定标准 (17)4.4静载试验记录和试验报告 (18)4.5收尾工作 (19)4.6分级加载载荷计算 (19)第五章环保措施 (23)5.1环境保护原则和目标 (23)5.2环境保护保证措施 (23)第一章工程概况1.1工程概况1.1.1项目简介简单介绍情况。
1.1.2工程现状XX制梁场已完成合同内承轨梁预制,为满足相关验收要求,通过与业主及地方住建局相关部门沟通,需对一片承轨梁进行破坏性试验。
1.2试验梁梁体结构本次试验梁梁型为标准25m简支箱梁,计算跨度24.2m,单箱单室截面,梁高2.1m,箱梁顶面宽1.3m,底面宽1.4m。
梁端底板及腹板局部向内侧加厚,支座中心至梁端0.37m,箱梁横桥向每线下设一支座。
单片箱梁截面如图1所示。
钢筋布置如图2所示,预应力筋布置如图2-1所示。
(a)跨中一般截面(b) 支点截面图1 单根箱截面图(cm)图2 钢筋布置图图2-1 预应力筋布置图1.3试验目的与内容(1)试验目的:研究一片25m 简支箱梁在弹性阶段和进入塑形阶段后箱梁应力分布状态、跨中挠度和梁端转角随荷载的发展规律;研究箱梁抗弯、抗剪和抗扭性能;研究在破坏阶段箱梁裂缝开展规律,最终获得单片箱梁的抗弯极限承载力,验证梁体合格性。
检测报告工程名称:建设单位名称:工程地址:检测日期检测性质:XX交大工程项目管理XX报告日期:20XX年XX月XX日XXX静载试验检测报告主要检测人:报告编写人:审核人:批准人:声明1、检测报告无检测专用章、检测报告专用章与检测单位公章无效。
2、检测报告无审核、批准人签字无效。
3、复制检测报告未重新签章无效。
4、检测报告涂改、换页、无骑缝章无效。
5、对检测报告若有异议,应于收到报告之日起十五日内向检测单位提出。
6、本检测报告共XX页。
检测单位:XX交大工程项目管理XX单位地址:XX市金牛区交大路203号千佳大厦6楼〔〕:028-xxxxxxxx〔xxxxxxxx〕邮政编码:610031目录一、工程概况二、执行标准与依据三、工程地质概况四、现场检测4.1、试验点位4.2、检测方法4.3、设备列表五、试验资料整理与分析六、检测结论七、附录图表一、工程概况工程概况表表1我公司受XXXX的委托,于20XX年XX月XX日~XX月XX日对XXX工程进行单桩竖向抗压静载试验检测。
检测目的:采用单桩竖向抗压静载试验检测单桩竖向抗压承载力特征值是否满足设计要求。
二、执行标准与依据执行标准:1、《建筑基桩检测技术规X》〔JGJ 106-2014〕;2、《建筑地基基础工程施工质量验收规X》〔GB 50202-2002〕;3、《XX省建筑地基基础检测技术规程》〔DBJ51/T014-2013〕。
试验依据:1、《XXX工程岩土工程勘察报告》;2、委托方提供的设计、施工等相关资料。
三、工程地质概况四、现场检测4.1、试验点位根据相关规X并应委托方要求:抽取总桩数的1%且不少于3根桩进行单桩竖向抗压静载试验检测。
本工程总桩数共XXX根,抽取X根桩进行单桩竖向抗压静载试验,试验点位由甲方、设计与监理等单位共同选定,检测点位平面布置示意图详见附录二。
4.2、检测方法单桩竖向抗压静载试验4.2.1仪器设备与其安装本次单桩竖向抗压静载试验采用压重平台反力装置,配重采用2.5T/个标准砼荷载块;反力横梁由主梁和副梁组成,均采用工字形钢梁;荷载由油压千斤顶施加,荷载大小由准确度为0.4级的油压表 (或压力传感器〕量测;试验点的沉降量由安装在离桩顶平面200mm下的2只精度为0.01mm 的百分表〔或位移传感器〕量测。
施工便道地基承载力验算施工过程中,便道将承受各种类型的施工车辆,按照200t汽车吊作业工况进行地基承载力验算,若200t汽车吊作业工况地基满足要求,则其他条件也满足。
1)56m六节混凝土泵车地基承载力。
泵车自重为43t,混凝土输送管内最大重量2.4t时计算,若此工况地基承载力满足要求,则其余均满足。
泵车支腿均匀受力,反力最大值可按下列公式计算:=a×(P+Q1+Q2)Rmax其中P—泵车自重,Q1—料斗及管内混凝土重量,Q2—垫块重量(100kg/块),a—动载系数,按a=1.1计算,得:=1.1×(43+2.4+0.3)×9.8KN =447.86kNRmax吊车承力面积(每条支腿下铺垫1块垫板,尺寸为2m×2m,厚度为6cm)。
按照全部荷载集中在垫板上考虑,则该工况地基受力面积为:S=2×2×4=16㎡此时吊车起吊对场地的均布荷载为:/S=447.86KN/16㎡=28.0kpa。
P=Rmax考虑泵车作业时导致支腿不均匀承载,取不均匀系数 1.5,支腿最大压力为28Kpa*1.5=42.0kpa;因此要求施工地基承载力不小于42kpa。
2)施工区域地基承载力施工区域地面硬化厚度为20cm厚 C30钢筋混凝土地面,把垫块和轮胎(单个轮胎0.6m×0.3m,共10个轮胎,受力面积为1.8㎡)所压的地面面积理想为条形基础,条形基础宽2.5m,长度7m,埋置深度0.2m,通过本标段岩土工程勘察报告得知地基主要以素填土为主,查岩土工程勘察报告列表,地基土的重度γ=17KN/m3,粘聚力c=10Kpa,内摩擦角φ=12°。
根据太沙基极限承载力公式:Pu=0.5Nγ×γ×b+Nc×c+Nq×γ×dγ—地基土的重度,KN/m3;b—基础的宽度,m;c—地基土的粘聚力,KN/ m3;d—基础的埋深,m。