品种法实训案例
- 格式:doc
- 大小:243.00 KB
- 文档页数:20
成本会计实训专周实训成本计算品种法实训系部:专业:班级:姓名:学号:实训成绩:实训心得或体会:XX职业技术学院管理工程系XX年XX月产品成本核算实验-品种法一、目的:实验成本核算品种法的应用二、资料XX集团下属的XX公司2010年8月生产甲、乙两种产品,本月有关成本计算资料如下:1.月初在产品成本。
甲、乙两种产品的月初在产品成本如下,见表9-1。
表9-1 甲、乙产品月初在产品成本资料表201×年8月单位:元摘要直接材料直接人工制造费用合计甲产品月初在产品成本164 000 32 470 3 675 200 145 乙产品月初在产品成本123 740 16 400 3 350 143 490 2.本月生产数量。
甲产品本月完工500件,月末在产品100件,实际生产工时100 000小时;乙产品本月完工200件,月末在产品40件,实际生产工时50 000小时。
甲、乙两种产品的原材料都在生产开始时一次投入,加工费用发生比较均衡,月末在产品完工程度均为50%。
3.本月发生生产费用如下:(1)本月发出材料汇总表,见表9-2。
表9-2 发出材料汇总表201×年8月单位:元领料部门和用途材料类别合计原材料包装物低值易耗品基本生产车间耗用甲产品耗用800 000 10 000 810 000乙产品耗用600 000 4 000 604 000甲、乙产品共同耗用28 000 28 000车间一般耗用 2 000 100 2 100辅助生产车间耗用供电车间耗用 1 000 1 000供热车间耗用 1 200 1 200厂部管理部门耗用 1 200 400 1 600合计 1 433 400 14 000 500 1 447 900备注:生产甲、乙两种产品共同耗用的材料,按甲、乙两种产品直接耗用原材料的比例进行分配。
(2)本月工资结算汇总表及职工福利费用计算表(简化格式),见表9-3。
表9-3 应付职工薪酬汇总表201×年8月单位:元人员类别应付工资总额应计提福利费合计基本生产车间产品生产工人420 000 58 800 478 800车间管理人员20 000 2 800 22 800辅助生产车间供电车间8 000 1 120 9 120供热车间7 000 980 7 980厂部管理人员40 000 5 600 45 600合计495 000 69 300 564 300(3)本月以现金支付的费用为2 500元,其中基本生产车间负担的办公费250元,市内交通费65元;供电车间负担的市内交通费145元;供热车间负担的外部加工费480元;厂部管理部门负担的办公费1 360元,材料市内运输费200元。
[例4-1]胜利工厂设有一个基本生产车间,大量单步骤生产甲、乙两种产品,采用品种法计算产品成本。
成本项目有“直接材料”、“燃料与动力”、“直接人工”、“制造费用”。
该企业有供电和机修两个辅助生产车间,其制造费用单独核算。
现以该企业2001年2月份的资料为例,说明品种法的成本计算程序和相应的账务处理:1.根据期初余额资料开设成本、费用明细账。
本月初基本生产明细账余额如下:甲产品:原材料5800,燃料与动力620,工资及福利费815,制造费用1265,合计8500元(均为定额成本)。
乙产品:原材料7140,燃料与动力958,工资及福利费918,制造费用5160,合计14166元。
根据上述资料开设基本生产成本明细账,同时开设辅助生产成本明细账和制造费用明细账并设置相关专栏。
具体见表4-11、4-12、4-15、4-16、4-18、4-19、4-20所示。
2.根据各项费用的原始凭证和其他有关资料,编制各种费用分配表,分配各种要素费用,并登记各有关明细账。
(1) 根据2月份银行存款付款凭证编制“货币支出汇总表”(见表4-2),登记各有关明细账(为简化举例,假定货币支出全部用银行存款支付)。
表4-2 货币支出汇总表2001年2月会计分录为:借:辅助生产成本—供电车间15162制造费用—基本车间1065制造费用—供电车间568制造费用—机修车间65管理费用5828应付利息4810贷:银行存款27498(2) 根据领退料凭证和有关的分配标准,编制材料费用分配表如表4-3所示,并登记有关明细账户。
表4-3 材料费用分配表(分配表①)2001年2月会计分录:借:基本生产成本—甲产品16700—乙产品52700辅助生产成本—机修车间218制造费用—基本生产车间5220—供电车间390—机修车间53管理费用1000贷:原材料76281(3) 根据各车间、部门的工资结算单和职工福利费的计提比例,编制工资及福利费分配表如表4-4所示,并登记有关账户。
品种法案例海西集团下属的北方公司20×8年8月生产甲、乙两种产品,本月有关成本计算资料如下:1.月初在产品成本。
甲、乙两种产品的月初在产品成本如下,见表9-1。
表9-1 甲、乙产品月初在产品成本资料表2.本月生产数量。
甲产品本月完工500件,月末在产品100件,实际生产工时100 000小时;乙产品本月完工200件,月末在产品40件,实际生产工时50 000小时。
甲、乙两种产品的原材料都在生产开始时一次投入,加工费用发生比较均衡,月末在产品完工程度均为50%。
3.本月发生生产费用如下:(1)本月发出材料汇总表,见表9-2。
表9-2 发出材料汇总表备注:生产甲、乙两种产品共同耗用的材料,按甲、乙两种产品直接耗用原材料的比例进行分配。
(2)本月工资结算汇总表及职工福利费用计算表(简化格式),见表9-3。
表9-3 工资及福利费汇总表(3)本月以现金支付的费用为2 500元,其中基本生产车间负担的办公费250元,市内交通费65元;供电车间负担的市内交通费145元;机修车间负担的外部加工费480元;厂部管理部门负担的办公费1 360元,材料市内运输费200元。
(4)本月以银行存款支付的费用为14 700元,其中基本生产车间负担的办公费1 000元,水费2 000元,差旅费1 400元,设计制图费2 600元;供电车间负担的水费500元,外部修理费1 800元;机修车间负担的办公费400元;厂部管理部门负担的办公费3 000元,水费1 200元,招待费200元,市话费600元。
(5)本月应计提固定资产折旧费22 000元,其中:基本生产车间折旧10 000元,供电车间折旧2 000元,机修车间折旧4 000元,厂部管理部门折旧6 000元。
(6)本月应负担的财产保险费3 195元,其中供电车间负担800元,机修车间负担600元,基本生产车间负担1 195元,厂部管理部门负担600元。
(7)采用计划成本分配法分配辅助生产费用。
品种法综合案例和实训答案【案例分析】香梅厂设有一个基本生产车间,大量生产甲、乙两种产品,其生产工艺过程属于单步骤生产。
根据生产特点和管理要求,确定采用品种法计算产品成本,设有原材料、燃料和动力、直接人工和制造费用四个成本项目。
该企业另设机修车间和运输部门两个辅助生产单位,为基本生产车间和管理部门提供劳务。
该厂20××年10月有关成本计算资料如下:1. 各种生产费用的分配方法(1)原材料费用按各种产品分配。
本月两种产品定额消耗量分别为:甲产品4500kg,乙产品2500kg。
(2)燃料和动力费用按产品定额消耗量比例分配。
(3)职工薪酬按生产工时比例分配。
(4)辅助生产费用采用直接分配法分配。
(5)制造费用按生产工时比例分配。
(6)月末完工产品和在产品按约当产量比例法分配。
2. 20××年10月产量资料本月入库产品产量如下:甲产品5000kg,乙产品3600kg。
月末在产品产量为:甲产品1600kg,乙产品900kg。
甲产品月末在产品的完工程度为50%,乙产品月末在产品的完工程度为60%,甲产品本月实际生产工时为8800小时,乙产品为8000小时。
3. 月初在产品成本资料表1 月初在产品成本资料单位:元产品名称直接材料燃料和动力直接人工制造费用合计甲产品30810 12370 7556.8 7196 57932.8乙产品24700 4052 6510 2874 381364. 该厂10月份发生的生产费用资料(1)材料费用:根据领退料凭证,汇总本月发出原材料,共计198700元,见表2。
原材料在生产开始时一次投入。
请完成相关计算并编制会计分录。
表2 发料凭证汇总表20××年10月单位:元领料部门和用途主要材料辅料包装物修理用备件合计A材料B材料C材料D材料E材料基本生产车间——甲产品耗用40 000 10000 10000 40000 1000 7000 108000 ——乙产品耗用20000 8000 9000 20000 800 7600 65400 两种产品共同耗用16100 16100 基本车间一般耗用4000 4000 机修车间耗用2000 2000 运输部门耗用2400 2400 厂部管理部门800 800耗用合计60000 18000 19000 60000 1800 31500 8400 198700 表3 原材料费用分配表20××年10月单位:元应借科目直接计入金额分配计入合计定额消耗量分配率分配金额基本生产成本甲产品108000 45002.310350 118350 乙产品65400 2500 5750 71150 小计173400 7000 16100 189500制造费用基本生产车间4000 4000辅助生产成本机修车间2000 2000 运输部门2400 2400管理费用800 800合计182600 16100 198700会计分录:借:基本生产成本—甲产品118350—乙产品71150制造费用—基本生产车间4000辅助生产成本—机修车间2000—运输车间2400管理费用800贷:原材料—A材料60000—B材料18000—C材料19000—D材料60000—E材料1800包装物31500周转材料—修理备用件8400(2)煤气费、电费:月末,根据煤气表、电表和单位煤气价格、单位电价,本月应付外部煤气费14000元,由甲产品和乙产品共同承担;电费29080元,其中甲产品、乙产品生产动力用电24500元,机修车间耗电1300元,运输车间耗电1080元,生产车间照明用电1350元,管理部门照明用电850元。
成本会计实训报告(品种法)3篇相对于成本会计电算化而言,成本会计信息化进一步摆脱了人工会计的束缚,体现出一种纯粹的信息化管理思想,从而包含了更丰富的内涵,并对传统的成本会计理论体系带来深刻的冲击。
本文是成本会计的实训报告(品种法),仅供参考。
成本会计实训报告(品种法)一:一、实训目的:为了让我们更好的了解会计在实际工作中的工作内容,以便于实际与理论相结合,也更能够适应社会的要求,了解成本核算在实际工作的重要性,成本对一个企业来说是至关重要的,也是我们每个人必须要掌握的一门重要的课程,通过综训希望我们都能够对会计有一个更新更深层次的认识,让我们在工作中更具有实际的动手能力,更能懂得会计作账的基本流程。
二、实训内容及其大概过程:实训内容1.各种成本费用的归集与分配。
生产成本的归集与分配是本次实训的重头戏,是中心环节。
成本归集与分配过程实际上就是成本计算过程。
在本次实训中,我们按照成本核算的基本程序,先后对材料费用、职工薪酬、其他费用、辅助生产费用、制造费用、废品损失、完工产品和在产品等七个板块进行了练习。
a、材料费用方面。
用于生产产品的原材料及主要材料,通常是按照产品分别领用的,可根据领料凭证直接计入各种产品成本的“直接成本”项目,但有时一批材料为几种产品共同使用,应根据一定的分配方法分配计入各产品成本。
b、人工费用方面。
应按成本项目进行归集,生产工人的计入生产成本,车间管理人员的计入制造费用,厂部管理部门的计入管理费用等,若生产多种产品,应按一定的方法进行分配后分别计入各成本项目。
c、辅助生产费用。
是为企业的基本生产服务而发生的费用,最终要分摊到各受益单位。
在本次实训中,主要运用交互分配法对供气车间和机修车间发生的生产费用进行分配,这里用的方法相对来说难度比前面的大,不过最重要的是求分配率。
交互分配法分配辅助生产费用要分两次进行:(1)交互分配:以(总费用/总劳务量)作为分配率在辅助生产车间内部进行分配。
品种法练习(三)某企业下设一个基本生产车间和一个辅助生产车间(机修车间)。
基本生产车间生产A、B两种产品,采用品种法计算产品成本。
基本生产成本明细帐设置“直接材料”、“直接人工”和“制造费用”三个成本项目。
辅助生产车间的制造费用不通过“制造费用”科目进行核算。
(1)2011年10月份生产车间发生的经济业务如下:①2日,基本生产车间领用材料80000元,其中直接用于A产品甲材料20000元,直接用于B产品的乙材料50000元,A、B产品共同耗用丙材料500000元(按A、B产品的定额消耗量比例进行分配,A产品的定额消耗量为4000千克,B产品的定额消耗量为6000公斤),基本生产车间管理部门耗用甲材料5000元;辅助生产车间领用乙材料16000元。
②8日,基本生产车间领用低值易耗品1500元,采用一次摊销法进行核算。
③15日,计算工资,其中基本生产车间的工人工资为80000元(按A、B产品耗用的生产工时比例进行分配,A产品的生产工时为6000小时,B产品的生产工时为2000小时),车间管理人员工资4000元;辅助生产车间的工人工资为15000元,辅助车间管理人员的工资为1500元。
④15日,按照工资费用的14%计提职工福利费。
⑤31日,基本生产车间计提固定资产折旧120000元,辅助生产车间计提固定资产折旧40000元。
⑥31日,用银行存款支付基本生产车间发生的其他支出共计10950元;用银行存款支付辅助生产车间发生的其他支出共计900元。
(2)机修车间(辅助生产车间)提劳务9000小时,其中为基本生产车间提供8000小时,为企业管理部门提供1000小时,辅助生产费用按提供的劳务量比例进行分配。
(3)基本生产车间的制造费用按生产工时比例在A、B产品之间进行分配。
(4)A产品完工产品和月末在产品的成本计算采用约当产量比例法计算。
甲产品的原材料在生产开始时一次投入,A产品本月完工产成品1000件,月末在产品400件,完工程度为40%;B产品各月在产品数量变化不大,B产品本月完工100件,B产品完工产品和月末在产品的成本计算采用固定成本计算。
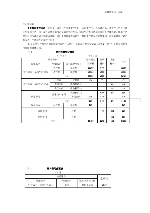
二、实训题企业基本情况介绍:红星工厂设有一个基本生产车间,大量生产甲、乙两种产品,其生产工艺过程属于单步骤生产。
该厂设有供电和供气两个辅助生产车间,辅助生产车间的制造费用不单独核算,辅助生产费用采用按计划成本分配法分配。
该厂单独核算废品损失,根据生产特点和管理要求,采用品种法计算产品成本。
产品成本计算程序如下:根据各项生产费用的原始凭证和其他有关资料,汇编各种费用分配表(见表1-表7),并据以编制费用分配的会计分录。
表1 原材料费用分配表×年5月单位:元应借账户原料及主要材料辅助材料其他材料合计总账账户明细账户成本或费用项目生产成本—基本生产成本甲产品原材料16200 600 16800 乙产品原材料13600 1000 14600 小计29800 1600 31400生产成本—辅助生产成本供电原材料100 32 132 供电车间机物料消耗60 60 供气车间机物料消耗40 40制造费用基本生产车间机物料消耗600 80 680劳动保护200 240 440 小计200 840 80 1120废品损失乙产品原材料380 380 管理费用其他400 200 600销售费用其他300 300 合计30480 2872 680 34032表2 燃料费用分配表×年5月应借账户金额/元总账账户明细账户成本或费用项目生产成本—辅助生产成本供气燃料和动力1050基本生产车间一次领用工具2000元,见表3。
表3 低值易耗品分配表×年5月应借账户金额/元总账账户明细账户制造费用工具费摊销2000表4 工资及福利费分配表×年5月应借账户生产工时工资应付福利费(工资×14%)合计总账账户明细账户生产工人管理人员小计生产成本—基本生产成本甲产品2500乙产品2000小计7200废品损失乙产品500 800生产成本—辅助生产成本供电1000 供气600 小计制造费用基本生产车间1200 管理费用2000销售费用1000 合计表5 折旧费用分配表×年5月项目生产车间行政管理部门销售部门合计基本生产车间供电车间供气车间折旧费4400 250 500 2400 1200 8750表6外购动力费用(电费)分配表×年5月应借账户动力费用分配电费分配总账账户明细账户成本或费用项目生产工时分配金额用电度数分配金额生产成本—基本生产成本甲产品燃料和动力2500乙产品燃料和动力2000小计4500 16200废品损失乙产品燃料和动力500 1800生产成本—辅助生产成本供电燃料和动力1200 供电水电费300 小计1500 供气燃料和动力400 供气水电费200 小计600制造费用基本生产车间水电费1000 管理费用水电费1400销售费用水电费500合计23000 4600根据付款凭证汇总的本月银行存款支出如表7所示表7 其他支出汇总资料×年5月应借账户金额总账账户明细账户成本或费用项目制造费用基本生产车间劳动保护470租赁费2000其他607小计生产成本—辅助生产成本供电劳动保护26其他12小计供气劳动保护50其他44小计合计表8 辅助生产成本明细账名称:供电车间单位:元×年摘要原材料燃料和动力工资及福利费折旧费水电费机物料劳动保护取暖费其他合计月日5 313131313131313131表9辅助生产成本明细账名称:供气车间单位:元×年摘要原材料燃料和动力工资及福利费折旧费水电费机物料劳动保护取暖费其他合计月日5 313131313131313131表10 辅助生产费用分配表×年5月劳务供应劳务耗用供电车间供气车间费用合计数量费用数量费用待分配的数量和费用2000 670 计划单位成本 1.2 4.5生产成本—辅助生产成本供电车间取暖费100 供气车间水电费500小计制造费用基本生产车间取暖费230水电费1500小计管理费用行政管理部门取暖费340水电费小计按计划成本分配金额合计辅助生产实际成本辅助生产成本差异表11 制造费用明细账车间名称:基本生产车间单位:元×年摘要工资福利费折旧费水电费工具费机物料劳动保护取暖费租赁费其他合计月日5 31313131313131313131表12 制造费用分配表车间名称:基本生产车间×年5月应借账户生产工时制造费用总账账户明细账户生产成本—基本生产成本甲产品2500 乙产品2000 小计废品损失乙产品500合计表13 不可修复废品损失计算表(5件)产品名称:乙产品×年5月单位:元项目原材料燃料和动力工资及福利费制造费用合计单件费用定额56 3 16.6 12 87.6 废品定额成本减:回收残值120废品损失表14 废品损失明细账产品名称:乙产品单位:元×年摘要原材料燃料和动力工资及福利费制造费用合计月日5 31 根据原材料费用分配表31 根据工资费用分配表31 根据外购动力费用分配表31 根据制造费用分配表31 可修复废品修复费用小计31 不可修复废品定额成本31减:不可修复废品回收残料价值31不可修复废品损失小计31废品损失合计31根据废品损失分配表表15 废品损失分配表产品名称:乙产品×年5月应借总账账户明细账户成本项目金额生产成本—基本生产成本乙产品废品损失(六)生产费用在完工产品和月末在产品之间的分配1.甲产品费用的分配。
品种法实训某工业企业设有一个基本生产车间,大量生产甲、乙两种产品。
根据该厂产品生产特点和成本管理的要求,采用品种法计算产品生产成本。
该企业还设有配电和机修两个辅助生产车间,辅助生产费用按计划成本分配给各受益部门;产品成本由“直接材料”、“燃料及动力”、“工资及福利费”和“制造费用”等四个项目构成。
甲、乙两种产品原材料均于生产开始时一次投入,月末在产品的完工程度均为50%,生产费用按约当产量法在完工产品和在产品之间进行分配。
甲、乙产品月初在产品和本月生产费用如下:2.本月生产量和生产费用(1)本月投产甲产品1000件,完工800件;本月投产乙产品850件,完工900件。
(2)车间领用材料140100元,其中:甲产品领用50000元,乙产品领用55000元,甲、乙产品共同耗用21000元,基本生产车间一般性消耗4500元,配电车间领用材料3000元,修理车间领用材料6600元。
(产品共同消耗材料按直接领用材料的比例分配)(3)本月基本生产工人工资45000元,车间管理人员工资6000元,配电车间人员工资3000元,修理车间人员工资8000元。
并按工资总额的14%计提福利费。
(生产工人的工资及福利费用按生产工时比例分配,甲产品生产工时8000小时,乙产品生产工时10000小时)(4)基本生产车间计提固定资产折旧费6000元,配电车间折旧费820元,修理车间折旧费600元,行政管理部门折旧费2000元。
(5)以银行存款支付外购电费23200元,其中产品生产用电45000度,修理车间用电5000度,行政管理部门用电8000度。
(生产用电按产品生产工时比例分配)(6)以银行存款支付办公费及其他费用共8000元。
其中基本生产车间660元,配电车间260元,修理车间250元,行政管理部门6830元。
(7)配电车间每度电计划成本0.12元,本月产品生产用电45000度,修理车间用电5000度,行政管理部门用电8000度;修理车间计划成本为每小时9元,本月基本生产车间接受修理服务1400小时,配电车间接受修理服务200小时,管理部门接受修理服务400小时。
成本会计实训案例——品种法成本会计实训——品种法【资料】新大工厂只生产A产品和B产品,2002年9月发生与生产成本有关的资料如下:1、本月发生要素费用业务如下:(1)为产品生产领用如下材料:生产A产品领用原材料8500元,生产B产品领用原材料4000元,生产车间耗用原材料2000元。
(2)A产品生产工人工资为6000元,B产品生产工人工资为4000元,车间管理人员工资为2000元,行政管理部门人员工资为3000元。
同时按工资总额的14%计提职工福利费。
(3)以银行存款支付各项办公用品费用3000元、支付外购动力费用4000元,其中A产品耗用2000元,B产品耗用1000元,行政管理部门耗用1000元。
(4)本月计提固定资产折旧4000元,其中生产用固定资产折旧3000元,非生产用固定资产折旧1000元。
2、将制造费用结转生产成本,按生产工人工资比例分配。
3、计算完工产品成本及在产品成本。
按约当产品法分配,A产品本月完工800件;在产品200件;B产品本月完工650件;在产品400件;A产品及B产品的投料程度、完工程度均按50%计算。
【对生产费用的归集、分配及账务处理】1、对四种要素费用进行分配(分配表见案例篇),并编制会计分录如下:1)耗用材料分配的会计分录: (借:基本生产成本——A产品(直接材料费用)8500——B(直接材料费用) 4000制造费用——材料费用 2000贷:原材料——×材料 14500h同时登记有关账簿。
(2)分配工资及应付福利费的会计分录:借:基本生产成本——A产品(直接人工费用)6000 ——B产品(直接人工费用)4000制造费用——车间管理人员工资2000管理费用——行政管理人员工资3000贷:应付工资150000借:基本生产成本——A产品(直接人工费用)840 ——B产品(直接人工费用)560制造费用——车间管理人员工资280管理费用——行政管理人员工资420贷:应付福利费2100同时登记有关账簿。
品种法应用案例在农业领域,品种法是一项重要的法律制度,旨在保护新的植物品种的知识产权。
品种法的应用案例既丰富又多样,从粮食作物到花卉植物,每一种作物都以其独特的方式受益于品种法的保护。
本文将探讨一些品种法应用案例,以展示品种法对农业领域的重要性。
首先,我们来看一个关于粮食作物的案例。
在某个国家的农业领域,通过品种改良培育出一种具有耐旱、抗病性强的新型小麦品种。
该品种耐旱能力强,即使在干旱条件下,仍能保持一定的产量。
而其抗病性强保证了农作物不易受到病毒、细菌等病害的侵袭。
由于小麦是该国的主要粮食作物之一,这个新品种的出现对当地的农民和农业经济都有重要意义。
品种法的应用使其培育者对该新品种享有独家权益,并能够收取相应的酬劳。
这种保护措施鼓励农业科研机构和农业企业进行更多的品种改良研究,以提高作物的产量和质量。
此外,它还能够防止其他人未经授权使用该品种进行商业性种植,从而保护了培育者的利益。
除了粮食作物,花卉植物也是品种法应用的一个典型案例。
假设在某个国家的一个花卉研究机构,研究人员培育出一种美丽的新品种玫瑰花。
这种玫瑰花具有更加鲜艳的颜色、更大的花朵和更长的开花期。
通过品种法的保护,该研究机构能够独家拥有这个新品种,并在市场上以更高的价格销售。
品种法的应用也为花卉种植者提供了更多的选择和机会。
他们可以根据市场的需求选择适合自己的花卉品种进行种植,并享受到其带来的经济利益。
花卉品种的多样性也丰富了市场供应,满足了人们对美丽花卉的需求。
品种法的应用在花卉产业中起到了促进创新和保护权益的重要作用。
除了粮食作物和花卉植物,品种法的应用还可以扩展到其他农作物和林木植物。
例如,在蔬菜领域,品种法的保护鼓励研究机构和农业企业培育更多具有高产量和抗病性的新品种。
这些新品种能够满足人们对蔬菜的需求,提供更加丰富的营养,同时也带来经济效益。
在林业领域,品种法的应用可以促进木材和造林业的发展。
通过品种改良,培育出适应性更强、生长更快的树木品种,可以提高木材产量和质量,满足人们对木材的需求。
实训项目:品种法的应用(一)资料:某企业设有一个基本生产车间和供电、供气两大辅助生产车间,大量生产甲乙两种产品,根据生产特点和管理要求,采用品种法计算产品成本。
有关2010年9月份的成本计算资料如下:1、月初在产品成本甲产品月初在产品成本为40008元,其中,直接材料20400元,直接人工12320元,制造费用7288元;乙产品没有月初在产品。
2、本月生产数量基本生产车间甲产品本月实际生产工时为40500小时,本月完工产品800件,月末在产品400件,原材料系生产开始时一次投入,加工程度为50%。
乙产品本月实际生产工时为27000小时,本月完工500件,月末没有在产品。
供电车间本月供电306000度,其中,供气车间30000度,基本生产车间产品生产200000度,基本生产车间一般消耗10000度,厂部管理部门消耗66000度。
供气车间本月供应水蒸气14500立方米,其中,供电车间1000立方米,基本生产车间10000立方米,厂部管理部门3500立方米。
3、本月发生的生产费用(1)本月“发出材料汇总表”见表1-1表1-1 发出材料汇总表(2)本月“应付职工薪酬汇总表”件表1-2。
表1-2 应付职工薪酬汇总表(3)本月应提折旧费49000元,其中,基本生产车间30000元,供电车间6000元,供气车间5000元,厂部管理部门8000元。
(4)本月应摊销长期待摊费用(修理费)5000元,其中,基本生产车间2000元,供电车间1200元,供气车间800元,厂部管理部门1000元。
(5)本月以现金支付的费用为6000元,其中,基本生产车间办公费1400元,公司供电车间办公费400元,供气车间办公费200元,修理费800元,厂部管理部门3200元。
(6)本月以银行存款支付的费用为:基本生产车间水费2000元、办公费1000元,供电车间外购动力和水费40000元,供气车间水费20000元、办公费800元、修理费1200元,厂部管理部门2400元。
.品种法实验1.资料:某企业设有一个基本生产车间和两个辅助生产车间(机修车间、运输部门),基本生产车间生产甲、乙两种产品。
该企业是大量大批生产的企业,因半成品不对外销售,所以,管理上不要求计算半成品成本。
因此,采用品种法计算产品成本。
该企业实行一级成本核算,为了归集生产费用计算产品成本,设置了甲、乙两种产品的“基本生产成本明细账”和辅助生产车间的“辅助生产成本明细账”。
“基本生产成本明细账”设置“直接材料”、“直接人工”和“制造费用”三个成本项目。
辅助生产车间的制造费用不通过“制造费用”科目核算,发生时直接归集在“辅助生产成本”账户中。
(1)2009年10月生产车间发生的经济业务如下:①基本生产车间领用材料100000元,其中,直接用于甲产品的A材料20000元;直接用于乙产品的B材料30000元;甲、乙产品共同耗用的C材料40000元(按甲、乙产品的定额消耗量比例进行分配。
甲产品的定额消耗量为8000公斤,乙产品的定额消耗量为2000公斤),车间的机物料消耗性材料10000元;机修车间领用材料8000元;运输部门领用材料4000元;共计112000元。
②基本生产车间的工人工资40000元(按甲、乙产品耗用的生产工时比例进行分配,甲产品的生产工时为6000小时,乙产品的生产工时为2000小时),管理人员工资8000元;机修车间的工人工资12000元,管理人员工资3000元;运输部门的工人工资10000元,管理人员工资2000元;共计75000元。
③按职工工资总额的14%计提职工福利费。
④基本生产车间月初、月末在用固定资产原值200000元;机修产车间月初、月末在用固定资产原值均为80000元;运输部门月初、月末在用固定资产原值均为1000000元;按月折旧率1%计提折旧。
⑤基本生产车间发生其他货币支出9080元,其中:办公费2000元,差旅费3000元,运输费4080元;机修车间发生其他货币支出6100元,其中:办公费1000元,差旅费2000元,运输费3100元。
成本会计实务--品种法核算实训资料生产概况:天华制笔工业有限公司是生产笔类文具产品的小型工业企业。
该公司主要生产圆珠笔和碳素笔两种产品,采用品种法计算产品成本。
公司设有一个生产车间。
原材料均为生产开始时一次性投入。
低值易耗品和保险费摊销期均在一年以上。
由于企业的月末在产品所占投产比例较小(合计%)且在产品的完工程度均较高,产品的单位成本又低,核算平均完工程度程序繁琐,所以我们对月末在产品成本采用“在产品按完工产品计算法”计算分配。
成本管理过程:1.产品研发。
根据客户对产品提出的个性化要求,确定碳素笔和圆珠笔的BOM;综合研发、财务、技术等部门,根据市场预期售价、预期目标利润、税金考虑管理费用的分摊,制定目标成本并按照成本要素进行分解(具体数据计算略)。
2.试生产。
技术工程部门人员制定产品的生产工艺流程,测试和制定工时定额和材料消耗定额等,对形成产品质量缺陷的因素进行分析并解决,对影响产品成本的因素进行记录和测试。
3.正式投产。
生产部门根据物料清单,按定额领用材料。
财务部门根据材料核算、职工薪酬核算、固定资产核算、其他各项费用账户等数据,以及生产部门提供的工时统计数据,结合定额材料,对各项成本费用项目进行归集和分配,产生各项费用分配表,生成产品成本计算单,并进行成本分析与反馈:将料、工、费的实际值与目标值进行比较,找出产生差异的原因,并追溯到相应的成本行为,纠正不利偏差,为管理和决策提供依据。
相关数据资料如下:1.该公司本月产量资料见表4-2-1-1表4-2-1-1 2012年5月单位:盒该公司产品圆珠笔、碳素笔的单支成本较小,产品以100支封盒,为了简化核算同时提高产品成本核算精度,我们将以盒(100支)作为产品基本单位来核算。
2.该公司月初在产品成本见表4-2-1-2表4-2-1-2 2012年5月单位:元3.该公司本月发生生产费用见表4-2-1-3~表4-2-1-7.圆珠笔的累计生产工时为2000小时,碳素笔的累计生产工时为4000小时。