常见钢材规格表
- 格式:doc
- 大小:256.50 KB
- 文档页数:4
各种钢材规格型号表一、概述钢材作为建筑、制造和工业领域最常用的材料之一,在各种工程中扮演着重要的角色。
钢材的规格和型号表是一份详细记录了不同种类钢材及其规格、型号、化学成分和特性等信息的文档。
本文将介绍常见钢材的规格和型号表,以供参考。
二、常见钢材规格型号表1.碳结钢:碳结钢是最常见的钢材之一,具有良好的可塑性和可焊性。
以下是一份常见碳结钢规格型号表的示例:型号化学成分力学性能用途----------------------------------Q235 C:0.14-0.22 σs:235MPa 一般结构件Q345 C:0.12-0.20 σs:345MPa 重载结构件Q195 C:0.06-0.12 σs:195MPa 一般结构件2.合金钢:合金钢是通过添加各种合金元素来增强钢材的硬度、强度和耐磨性等性能。
以下是一份常见合金钢规格型号表的示例:型号化学成分强度用途-------------------------------------42CrMo C:0.38-0.45 σs:1080MPa 断裂机械零件20CrMo C:0.17-0.24 σs:885MPa 大型机械零件40Cr C:0.37-0.44 σs:980MPa 轴承钢3.不锈钢:不锈钢具有抗腐蚀性能,适用于化工、医疗和食品加工等领域。
以下是一份常见不锈钢规格型号表的示例:型号化学成分抗拉强度用途---------------------------------------304 Cr:18-20% σs:515MPa 化工设备316 Cr:16-18% σs:590MPa 医疗器械201 Cr:13-15% σs:394MPa 厨具4.耐磨钢:耐磨钢用于制造耐磨物料的机械零件,能够在恶劣条件下长时间使用。
以下是一份常见耐磨钢规格型号表的示例:型号化学成分硬度用途-------------------------------------------------NM360 C:0.27-0.35 HBW:360-430 煤矿矿石输送机NM400 C:0.30-0.40 HBW:370-430 挖掘机耙齿5.特种钢:特种钢是一类具有特殊用途的钢材,常用于航空、航天、核能和军工等领域。
常用钢管规格型号一览表在各类工程建设、工业生产以及日常生活中,钢管是一种被广泛应用的材料。
了解常用钢管的规格型号,对于正确选材、施工以及保障工程质量都具有重要意义。
下面为您详细列出一些常见的钢管规格型号。
一、无缝钢管无缝钢管是一种具有中空截面、周边没有接缝的长条钢材。
1、结构用无缝钢管(GB/T8162-2018)外径:10mm 426mm壁厚:1mm 50mm常用规格如:外径 25mm,壁厚 3mm;外径 57mm,壁厚 4mm 等。
2、流体输送用无缝钢管(GB/T8163-2018)外径:8mm 630mm壁厚:1mm 70mm例如:外径 89mm,壁厚 5mm;外径 325mm,壁厚 8mm 等。
3、低中压锅炉用无缝钢管(GB3087-2008)外径:10mm 530mm壁厚:2mm 50mm常见的有:外径 159mm,壁厚 6mm;外径 219mm,壁厚 8mm 等。
4、高压锅炉用无缝钢管(GB5310-2017)外径:16mm 820mm壁厚:2mm 100mm比如:外径 273mm,壁厚 10mm;外径 508mm,壁厚 16mm 等。
二、焊接钢管焊接钢管是指用钢带或钢板弯曲变形为圆形、方形等形状后再焊接成的、表面有接缝的钢管。
1、直缝电焊钢管(GB/T13793-2016)外径:10mm 1420mm壁厚:05mm 16mm像外径 48mm,壁厚 3mm;外径 114mm,壁厚 4mm 等是较为常用的规格。
2、螺旋缝埋弧焊钢管(SY/T5037-2018)外径:219mm 2220mm壁厚:5mm 25mm常见规格有:外径 630mm,壁厚 8mm;外径 820mm,壁厚 10mm 等。
3、螺旋缝高频焊钢管(SY/T5038-2012)外径:159mm 2190mm壁厚:4mm 16mm例如外径 325mm,壁厚 6mm;外径 529mm,壁厚 8mm 等。
三、不锈钢钢管不锈钢钢管具有良好的耐腐蚀性能,常用于化工、食品、医疗等领域。
钢材种类和型号标准表钢材是建筑、制造和其他行业中重要的基础材料之一。
不同型号的钢材具有不同的用途和特性,因此了解和选择适合自己需求的钢材是非常重要的。
本文将为您介绍国标钢材型号大全及规格表,帮助您更好地了解钢材并做出正确的选择。
一、国标钢材型号大全国标钢材型号非常丰富,按照材质和用途可以分为结构钢、钢板、钢管、钢线、钢筋等。
其中,常见的钢材型号包括Q235、Q345、20#、45#、16Mn等。
这些钢材型号可以通过查阅国家有关标准以及相关材料手册进行了解。
二、国标钢材规格表国标钢材规格表包括了钢材的尺寸、厚度、宽度和长度等信息。
以下是部分常见国标钢材的规格表:1. 结构钢:C型钢、H型钢、角钢等。
它们的规格通常用尺寸表示,如C型钢的尺寸为80×40×15×2.5,表示其的高度为80毫米,底宽为40毫米,腰厚为15毫米,腰边厚度为2.5毫米。
2. 钢板:常见的钢板规格包括厚度、宽度和长度。
例如,钢板规格为6×1500×6000,表示其厚度为6毫米,宽度为1500毫米,长度为6000毫米。
3. 钢管:钢管的规格通常用外径和壁厚表示。
例如,一个钢管规格为Φ108×4,表示其外径为108毫米,壁厚为4毫米。
4. 钢线:钢线的规格一般用直径表示。
例如,一根钢线的规格为Φ8,表示其直径为8毫米。
5. 钢筋:钢筋的规格一般用直径表示。
例如,一根钢筋的规格为HRB400 Φ25,表示其直径为25毫米,强度为HRB400级别。
三、正确选择国标钢材的重要性了解和选择合适的钢材对于工程质量和生产效率至关重要。
不同型号和规格的钢材具有不同的力学性能、耐腐蚀性和耐磨性等特性,因此在选择钢材时需要根据实际需求考虑这些因素。
此外,正确选择钢材还涉及到成本和可持续发展的考虑。
一些钢材具有更高的强度,但价格较高,而另一些钢材则比较经济实惠。
在选择钢材时需要综合考虑成本和性能因素,以满足不同项目的需求。
H型钢规格表大全以下是H型钢规格表大全:H型钢是一种常见的结构钢,具有较高的强度和刚度,广泛应用于建筑、桥梁、船舶、机械设备等领域。
H型钢具有优秀的抗压性能和良好的焊接性能,因此在许多工程中被广泛使用。
下面是H型钢的规格表大全,供参考:型号规格(mm) 理论重量(kg/m)H100x100 148x100x6x9 20.9H125x125 194x150x6x9 29.7H150x75 150x75x5x7 14.0H150x150 150x150x7x10 31.9H175x175 175x175x7.5x11 40.4H200x100 200x100x5.5x8 21.7H200x150 200x150x6x9 31.5H250x125 248x124x5x8 25.8H250x175 250x175x7x11 44.1H300x150 300x150x6.5x9 36.7H300x200 300x200x8x12 57.3注意:以上仅列举了部分常见的H型钢规格,实际应用中还有更多其他规格。
H型钢的规格表对于设计人员和工程师来说非常重要,因为他们需要根据工程的要求选择合适的H型钢进行设计和建造。
H型钢的规格表中包含了各种型号的钢材尺寸和重量,这些数据能够帮助工程师进行结构计算和材料选型,确保工程的安全和稳定性。
在使用H型钢的过程中,需要注意以下几点:1. 选择合适的规格:根据工程需要和结构要求,选择合适的H型钢规格。
规格的选择应考虑到承载力、刚度、抗震性能等因素。
2. 注意材质质量:H型钢的质量直接影响工程的安全性和稳定性,应选择质量可靠的厂家和供应商,确保材质符合相关标准。
3. 正确使用焊接技术:在H型钢的连接和安装过程中,需要使用适当的焊接技术,确保焊缝的质量和强度。
4. 定期检查和维护:工程竣工后,应定期检查和维护H型钢结构,确保其正常运行和使用寿命。
总结:H型钢规格表是工程设计和建造过程中的重要参考资料,它提供了各种规格的H型钢的尺寸和重量信息,帮助工程师进行结构计算和材料选型。
《【常用钢板厚度规格大全】常见钢板厚度规格表》摘要:Φ3ΦΦ5Φ6Φ7Φ8Φ9Φ95Φ0Φ7Φ59Φ9ΦΦ5Φ38Φ38Φ6Φ508Φ635Φ76Φ889Φ06Φ08Φ3Φ7Φ33ΦΦ59Φ68Φ9Φ73Φ33 85厚0~80;,7×70×0×5×558×589×90×0×5×530×3038×3835×3538×380×050×5060×6070×7076×765×95厚0~80,厚板按用途又分造船钢板、桥梁钢板、锅炉钢板、高压容器钢板、花纹钢板、汽车钢板、装甲钢板和复合钢板等厚钢板厚\5\6\8\0\\\6\0\5\30\0\50,0以宽0000以上宽般000、500长~;薄钢板厚宽500~500长5~;薄板宽500~500毫米;厚宽600~3000毫米薄板按钢种分有普通钢、优质钢、合金钢、弹簧钢、不锈钢、工具钢、耐热钢、轴承钢、硅钢和工业纯铁薄板等;按专业用途分有油桶用板、搪瓷用板、防弹用板等;按表面涂镀层分有镀锌薄板、镀锡薄板、镀铅薄板、塑复合钢板等扁钢厚~60宽~00长3~9扩展钢板(包括带钢)分类、按厚分类()薄板厚不3(电工钢板除外)()板厚0(3)厚板厚060()特厚板,厚60、按生产方法分类()热轧钢板()冷轧钢板3、按表面特征分类()镀锌板(热镀锌板、电镀锌板)()镀锡板(3)复合钢板()彩色涂层钢板、按用途分类()桥梁钢板()锅炉钢板(3)造船钢板()装甲钢板(5)汽车钢板(6)屋面钢板(7)结构钢板(8)电工钢板(硅钢片)(9)弹簧钢板(0)耐热钢板()合金钢板()其他二随着工业技术不断发展人们对钢材也提出了更高要钢板是钢材四品种(板、管、型、丝)也是种常用建筑材发达国钢板产量占钢材生产总量5随着工业技术不断发展人们对钢材也提出了更高要钢板是钢材四品种(板、管、型、丝)也是种常用建筑材发达国钢板产量占钢材生产总量50%以上而我国如今钢板产量也与日俱增起俩了下钢板规格尺寸及表示方法等方面相关容吧钢板是种宽厚比和表面积都很扁平钢材钢板按厚分薄板和厚板两规格薄钢板是用热轧或冷轧方法生产厚0钢板薄钢板宽50000根据不用途薄钢板采用不材质钢坯轧制而成通常采用材质有普碳钢、优碳钢、合金结构钢、碳素工具钢、不锈钢、弹簧钢和电工用硅钢等它们主要用汽车工业、航空工业、搪瓷工业、电气工业、机械工业等部门薄钢板除轧制直接交货外还有酸洗、镀锌和镀锡等种类钢板规格尺寸表不锈钢板规格尺寸表不锈钢板般是不锈钢板和耐酸钢板总称不锈钢板是指耐气、蒸汽和水等弱介质腐蚀钢板而耐酸钢板则是指耐酸、碱、盐等化学浸蚀性介质腐蚀钢板不锈钢板表面光洁有较高塑性、韧性和机械强耐酸、碱性气体、溶液和其他介质腐蚀它是种不容易生锈合金钢但不是绝对不生锈()不锈钢圆管规格表Φ3ΦΦ5Φ6Φ7Φ8Φ9Φ95Φ0Φ7Φ59Φ9ΦΦ5Φ38Φ38Φ6Φ508Φ635Φ76Φ889Φ06Φ08Φ3Φ7Φ33ΦΦ59Φ68Φ9Φ73Φ3385厚0~80;()不锈钢方管规格表、不锈钢扁钢规格表7×70×0×5×558×589×90×0×5×530×3038×3835×3538×380×050×5060×6070×7076×765×95厚0~80(3)不锈钢矩形管规格表0×00×50×300×00×500×600×700×800×900×00×357×53×55×55×305×355×05×505×605×655×705×805×905×006×30×300×00×500×600×700×800×900×005×05×505×605×705×805×905×05×530×030×5030×6030×7030×8030×9030×0030×000×500×600×700×80厚0~0花纹钢板规格尺寸表花纹钢板也称纹钢板是其表面具有菱形或突棱钢板钢板上花纹主要起防滑和装饰作用可用做可用作地板、楼梯踏板、厂房扶梯等钢板规格表示方法以上关钢板规格尺寸及表示方法容就介绍到这儿了如想了更多装修建材知识请继续关齐装修! 相关肇庆业主分享订钢板防盗门钢密各种钢材密螺纹规格表螺纹规格全链条规格及尺寸全三钢板是钢材四品种(板、管、型、丝)发达国钢板产量占钢材生产总量50%以上随着我国国民济发展钢板生产量逐渐增长钢板是种宽厚比和表面积都很扁平钢材钢板按厚分薄板和厚板两规格薄钢板是用热轧或冷轧方法生产厚0钢板薄钢板宽50000根据不用途薄钢板采用不材质钢坯轧制而成通常采用材质有普碳钢、优碳钢、合金结构钢、碳素工具钢、不锈钢、弹簧钢和电工用硅钢等它们主要用汽车工业、航空工业、搪瓷工业、电气工业、机械工业等部门薄钢板除轧制直接交货外还有酸洗、镀锌和镀锡等种类厚钢板是厚以上钢板统称实际工作常将厚0钢板称板厚>0至60钢板称厚板厚>60钢板则专门特厚板轧机上轧制故称特厚板厚钢板宽从0630厚板按用途又分造船钢板、桥梁钢板、锅炉钢板、高压容器钢板、花纹钢板、汽车钢板、装甲钢板和复合钢板等钢板分支是钢带钢带实际上是很长薄板宽比较常成卷供应也称带钢钢带常多机架连续式轧机上生产切成定尺长就是钢带因生产率比单张机制高、、厚板普通、厚钢板、普碳钢沸腾钢板(GB3788)普碳钢沸腾钢板顾名思义是由普通碳素结构钢沸腾钢热轧制成钢板沸腾钢是种脱氧不完全钢材钢液含氧量较高当钢水入钢锭模碳氧反应产生量气体造成钢液呈沸腾状态而得名沸腾钢含碳量低且由不用硅铁脱氧故钢含硅量常<007%沸腾钢外层是沸腾状态下结晶所以表层纯净、致密表面质量加工性能良沸腾钢没有集缩孔用脱氧剂少钢材成低沸腾钢心部杂质多偏析较严重力学性能不匀钢气体含量较多韧性低、冷脆和效敏感性较焊接性能较差故不适用制造承受冲击截荷低温下工作焊接结构件和其他重要结构件()主要用途沸腾钢板量用制造各种冲压件、建筑及工程结构和些不太重要机器结构和零件()材质牌、化学成分和力学性能合GB70079(88)(普通碳素结构钢技术条件)沸腾钢规定参(型钢)等部分(3)钢板规格尺寸热轧厚钢板厚500()生产单位普碳沸腾钢板由鞍钢、武钢、马钢、太钢、重庆钢厂、邯郸钢铁总厂、新余钢厂、柳州钢厂、安阳钢钢公司、营口板厂和天津钢厂等生产、普碳钢镇静钢板(GB3788)普碳镇静钢钢板是由普通碳素结构钢镇静钢坯热轧制成钢板镇静钢是脱氧完全钢钢液锭前用锰铁、硅铁和铝等进行充分脱氧钢液钢锭模较平静不产生沸腾状态故得名镇静钢镇静钢优是化学成分匀所以各部分机械性能也匀焊接性能和塑性良、抗腐蚀性较强但表面质量较差有集缩孔成也较高()主要用途普通镇静钢板主要用生产低温下承受冲击构件、焊接结构及其他要较高强结构件()材质牌、化学成分和力学性能合GB70079(88)(普通碳素结构钢技术条件)镇静钢规定参型钢等部分(3)钢板规格尺寸热轧厚板厚500()生产单位普碳镇静钢板由鞍钢、武钢、舞阳钢铁公司、马钢、太钢、重庆钢厂、邯郸钢铁总厂、新余钢厂、柳州钢厂、安阳钢铁公司、天津钢厂、营口板厂、上钢、三厂、韶关钢铁厂和济南钢铁厂等生产3、低合金结构钢钢板(GB3788)低合金结构钢板是由低合金结构钢热轧制成低合金钢板都是镇静钢和半镇静钢钢板其优是强较高、性能较越、能节省量钢材、减轻结构重量等。
常见碳钢钢板尺寸规格表碳钢钢板是一种常见的金属材料,具有广泛的应用领域。
了解常见碳钢钢板的尺寸规格对于使用和选择合适的钢板非常重要。
本文将介绍常见碳钢钢板的尺寸规格,帮助读者了解钢板的大小范围和使用场景。
一、常见碳钢钢板的尺寸分类常见碳钢钢板尺寸规格多样,根据其厚度、宽度和长度的不同,可以将其分为以下几类:1. 薄板:常见的薄板厚度范围通常在0.2mm至4.0mm之间。
薄板宽度一般为1000mm至2000mm,长度根据需要定制,常见的长度为2000mm至6000mm。
2. 中厚板:中厚碳钢钢板的厚度范围为4.0mm至20.0mm。
宽度通常为1500mm至2500mm,长度也根据需要定制,常见的长度为3000mm至12000mm。
3. 厚板:厚碳钢钢板的厚度范围一般为20.0mm至200.0mm。
宽度和长度通常为1500mm至3000mm和3000mm至12000mm。
二、常见碳钢钢板的标准规格除了按照尺寸进行分类外,常见的碳钢钢板还有一些标准规格,以满足不同行业的需求。
以下是几个常见的碳钢钢板标准规格:1. GB/T 700-2006《碳素结构钢》:该标准规定了多种碳素结构钢的化学成分和力学性能要求。
常见的标准规格有Q235A、Q235B、Q235C、Q235D等。
2. ASTM A36/A36M-08《标准规范针对碳结构钢》:该规范适用于碳素结构钢,规定了其化学成分和力学性能。
常见的标准规格为ASTM A36。
3. JIS G3101-2004《一般结构用热轧卷板和钢材》:该标准适用于一般结构用的热轧碳素结构钢。
常见的标准规格有SS400、SS490、SS540等。
三、常见碳钢钢板的应用领域碳钢钢板由于其良好的可塑性、焊接性和机械性能,在许多领域得到广泛应用。
以下是几个常见的碳钢钢板的应用领域:1. 建筑领域:碳钢钢板常用于建筑结构的制造,如梁、柱和桥梁等。
其高强度和耐久性使其成为承重结构的理想材料。
槽钢规格尺寸表槽钢是一种常见的钢材,在建筑、制造业和其他领域有着广泛的应用。
槽钢的规格尺寸是选择合适的型号和尺寸进行设计和使用的基础。
本文将为您提供一份详细的槽钢规格尺寸表,以便您更好地了解和选择。
槽钢的规格尺寸通常包括槽钢的型号、高度、腰厚、腿宽和腿厚等方面的数据。
不同的型号和尺寸适用于不同的用途和工程需求。
以下是一份常见槽钢规格尺寸表,供参考:1. 型号:5#槽钢- 高度:50mm- 腰厚:5mm- 腿宽:40mm- 腿厚:5mm2. 型号:6.3#槽钢- 高度:63mm- 腰厚:6.5mm- 腿宽:40mm- 腿厚:6.5mm3. 型号:8#槽钢- 腰厚:7mm - 腿宽:43mm - 腿厚:7mm 4. 型号:10#槽钢 - 高度:100mm - 腰厚:8mm - 腿宽:46mm - 腿厚:8mm 5. 型号:12#槽钢 - 高度:120mm - 腰厚:8.5mm - 腿宽:49mm - 腿厚:8.5mm 6. 型号:14#槽钢 - 高度:140mm - 腰厚:9mm- 腿厚:9mm7. 型号:16#槽钢- 高度:160mm- 腰厚:10mm- 腿宽:56mm- 腿厚:10mm8. 型号:18#槽钢- 高度:180mm- 腰厚:11mm- 腿宽:58mm- 腿厚:11mm以上是一些常见的槽钢规格尺寸,供您参考。
需要注意的是,不同生产厂家的产品规格可能会略有差异,您在选择槽钢时,可以根据具体需求和工程要求与厂家进行沟通和确认。
槽钢的规格尺寸不仅对于设计和使用有重要意义,也对于质量控制和施工安全具有重要影响。
在购买和使用槽钢时,您应该注意以下几点:1. 规格匹配:选择合适的槽钢规格,符合设计和使用要求。
2. 材质检验:确保槽钢的材质符合国家标准和相关要求。
3. 表面检查:检查槽钢表面是否有明显的缺陷、划痕或腐蚀现象。
4. 尺寸测量:测量槽钢的尺寸,确保符合规格要求。
总结:槽钢规格尺寸表是选择和使用槽钢的重要参考依据。
钢材尺寸规格清单
1. 引言
该文档为钢材尺寸规格清单,旨在提供有关常用钢材规格及其尺寸的信息。
清单中包含了一系列常见的钢材种类,以及它们的长度、宽度和厚度等尺寸参数。
2. 钢材类型
以下是常见的钢材种类及其尺寸规格:
1. 冷轧钢板
- 尺寸: 长度范围为1000mm至6000mm,宽度范围为500mm 至2500mm,厚度范围为0.5mm至6.0mm。
2. 热轧钢板
- 尺寸: 长度范围为1000mm至8000mm,宽度范围为500mm 至2500mm,厚度范围为1.2mm至25.0mm。
3. 热轧薄板
- 尺寸: 长度范围为1000mm至8000mm,宽度范围为500mm 至2500mm,厚度范围为1.2mm至6.0mm。
4. 热轧中厚板
- 尺寸: 长度范围为1000mm至8000mm,宽度范围为500mm 至2500mm,厚度范围为6.0mm至25.0mm。
5. 冷拔钢管
- 尺寸: 外径范围为6mm至89mm,壁厚范围为0.5mm至10.0mm,长度范围为1000mm至mm。
6. 热轧无缝钢管
- 尺寸: 外径范围为21.3mm至914mm,壁厚范围为2.1mm至60.0mm,长度范围为3000mm至mm。
请注意,以上尺寸规格仅供参考,实际尺寸可能因供应商和具体产品而有所不同。
建议在购买钢材时与供应商确认尺寸规格。
3. 总结
本文档提供了钢材尺寸规格清单,包括冷轧钢板、热轧钢板、热轧薄板、热轧中厚板、冷拔钢管和热轧无缝钢管的尺寸范围。
这些信息将有助于购买和使用钢材时确定合适的规格。
请注意,实际尺寸应与供应商确认为准。
常见C型钢规格表C型钢,又称槽钢、U型钢、开口钢,是一种具有半开口或开口结构的钢材,其截面为C形。
C型钢主要用于建筑工程和制造业,比如制造车辆、桥梁和经济型钢结构。
下面是一些常见的C型钢规格表:1. GB/T 706-2008GB/T 706-2008是国家标准中对C型钢规格的定义和分类,其中C型钢分为10种规格,具体规格如下:型号 d(mm) b(mm)h(mm) r(mm) S(mm)C5 50 38 5 7 4.5C6 60 40 5 7 5.5C7 70 41 5 7 6C8 80 435.5 7 6C9 90 44 6 8 6.5C10 100 48 6 8 7C12 120 536.5 8 7C14 140 586.5 97.5C16 160 636.5 9 8C18 180 68 7 10 8.5其中,d表示钢横截面上的直径,b表示下宽度,h表示高度,r表示圆弧半径,S表示钢材厚度。
此外,C型钢还按照厚度分为CZ型和CX型,其中CZ型厚度相对较大,用于承受大荷载,CX型较薄,可以用于轻型结构。
2. JIS G3101日本标准中对C型钢的规格如下:型号 d(mm) b(mm) h(mm) t1(mm) t2(mm)SS400 50-100 75-175 7-10 4 7其中,t1表示钢横截面上较厚的地方的宽度,t2表示较薄的地方的宽度。
此外,JIS标准中还规定了C型钢的化学成分、弯曲性能等指标。
3. ASTM A36美国标准中对C型钢的规格如下:型号 d(mm) b(mm)h(mm) t1(mm) t2(mm)kg/mC3 x 4.1 76.2 50.83.1754.826 6.35C4 x 5.4 101.6 63.5 3.175 5.715 7.11 6.2C5 x 6.7 127 76.2 4 6.604 8.26 8.58C6 x 8.2 152.4 88.9 4.191 7.438 9.81 10.6C7 x 9.8 177.8 101.64.445 8.31 11.1 14.5C8 x 11.5 203.2 114.34.76 9.525 12.7 18C9 x 13.4 228.6 1275.08 10.16 14.3 23.4C10 x 15.3 254 139.75.56 11.176 15.9 29.6C12 x 20 304.8 165.15.56 13.49 19.1 43.6C15 x 33.9 381 177.87.94 17.464 22.2其中,kg/m表示每米长度的重量。
槽钢规格表大全(Word)槽钢规格表大全槽钢是一种常见的钢材形状,具有结构性能好、强度高、耐磨、耐腐蚀等优点,广泛应用于建筑、机械制造、电力设备、船舶及汽车等领域。
以下是常见的槽钢规格表,仅供参考。
一、普通槽钢规格表1. 常规槽钢规格:5#、6.3#、8#、10#、12.5#、16#、20#、25#、32#、40#2. 材料:Q235B、Q345B、SS400、A36、A572Gr50、S235jr、S355jr等3. 技术标准:GB/T 700、GB/T1591、GB/T699、ASTMA36、ASTM A572、JIS G3101、JIS G3192等4. 长度:普通长度一般为6米到12米,定制长度也可以生产二、轻型槽钢规格表1. 轻型槽钢规格:6#、8#、10#、12#、14#、16#、18#、20#、22#、24#2. 材料:Q195、Q215、Q235等3. 技术标准:GB/T 707-19884. 长度:一般为6米到12米,定制长度也可以生产三、小口径槽钢规格表1. 小口径槽钢规格:6镑、8镑、10镑、12镑、14镑、16镑、18镑、20镑、22镑、25镑、28镑、32镑、36镑、40镑2. 材料:20MnSi、20MnV、25MnV等3. 技术标准:YB/T5047-20004. 长度:一般为6米到12米,定制长度也可以生产四、冷板槽钢规格表1. 冷板槽钢规格:5#、6.3#、8#、10#、12.5#、16#、20#、25#2. 材料:Q235B、Q345B、SS400、A36等3. 技术标准:GB/T232-20104. 长度:一般为6米到12米,定制长度也可以生产五、挤压槽钢规格表1. 挤压槽钢规格:50*25*3.0、50*25*3.5、50*25*4.0、63*40*4.0、63*40*4.5、63*40*5.0、75*45*4.0、75*45*4.5、75*45*5.0、80*50*4.0、80*50*4.5、80*50*5.0、100*50*4.0、100*50*4.5、100*50*5.0、120*60*5.0、120*60*6.0、120*60*8.0、140*70*6.0、140*70*8.0、160*80*6.0、160*80*8.0、180*90*6.0、180*90*8.0、200*100*8.0、200*100*10.02. 材料:Q195、Q235、Q345等3. 技术标准:GB/T3094-2000、GB/T6728-20024. 长度:一般为6米到12米,定制长度也可以生产六、不等边角槽钢规格表1. 不等边角槽钢规格:10*25*3.0、14*38*3.5、14*38*4.0、16*38*3.5、16*38*4.0、18*43*3.5、18*43*4.0、20*43*3.5、20*43*4.0、20*50*3.5、20*50*4.0、25*50*3.5、25*50*4.0、25*60*3.5、25*60*4.0、30*65*4.0、30*65*5.0、32*82*3.8、32*82*4.2、38*100*4.0、38*100*5.0、45*75*5.0、45*100*4.52. 材料:Q195、Q235、Q345等3. 技术标准:GB/T3094-20004. 长度:一般为6米到12米,定制长度也可以生产七、准轻型槽钢规格表1. 准轻型槽钢规格:10A、12A、14A、16A、18A、20A、22A、25A、28A、32A、36A2. 材料:Q195、Q215、Q235等3. 技术标准:GB/T 6728-20024. 长度:一般为6米到12米,定制长度也可以生产八、H型槽钢规格表1. H型槽钢规格:100*100*6*8、125*125*6.5*9、150*150*7*10、175*175*7.5*11、200*200*8*12、250*250*9*14、300*300*10*15、350*350*12*19、400*400*13*21、450*450*15*24、500*500*17*252. 材料:Q235B、Q345B、SS400、A36、A572Gr50、S235jr、S355jr等3. 技术标准:GB/T 11263-2017、EN10034、ASTMA6/A6M、JIS G3192、KS D3502等4. 长度:一般为6米到12米,定制长度也可以生产以上是常见的槽钢规格表,由于不同生产厂家和客户需求的不同,也会存在其他规格的槽钢。
产品材质:1:200系列(铬-镍-锰奥氏体不锈钢)主要有:201、2022:300系列(铬-镍奥氏体不锈钢)主要有:301、302、303、303CU、304、304L、304F、304H、310、310S、314、314L、316、316L/321不锈钢板面宽度:1000mm、1220mm、1250mm、1500mm、1800mm、2000mm不锈钢板厚度:0.1、0.2/0.3/0.5/0.6/0.7/0.8/0.9/1.0/1.5、2.0/2.5/3.0/4.0/5.0/6.0/8.0/9/10/12/16/18/20/22/25/30mm不锈钢板理论重量计算公式:长*宽*厚度*密度=重量/公斤不锈钢管计算公式:直径-壁厚*壁厚*0.02491=1米重量/公斤不锈钢板厚度标准@不锈钢板标准厚度冷轧部:不锈钢板冷轧2B(卷板、卷带、平板)特色板:3. 5mm—6mm 304/2B,316L/2B 厚度:冷扎2B(0.1—6.0mm);表面:2B光面、BA;8K镜面;拉丝、磨砂;雪花砂;不锈钢无指纹板;装饰面板:彩色板、镀钛板、蚀刻板、油抛发纹板(HL、NO.4)、3D立体板、喷砂板、压纹板热轧部:不锈钢板热轧No.1(卷板、平板)厚度:工业No.1( 3-159mm ) 表面:8K镜面;拉丝、磨砂;雪花砂;不锈钢无指纹板;特别加工:可按客户指定开不定尺寸不锈钢管材质:201不锈钢管202不锈钢管301不锈钢板管304不锈钢管321不锈钢板管316不锈钢板管310S管不锈钢管材系统:(不锈钢管、不锈钢无缝管、不锈钢装饰管、不锈钢有缝管、不锈钢卫生管、不锈钢精密管、不锈钢毛细管)不锈钢板厚度标准@不锈钢板标准厚度表面有:工业面、普通抛光面、镜面、拉丝面、、、、、①不锈钢管圆管规格表:不锈钢板厚度标准@不锈钢板标准厚度Φ3Φ4Φ5Φ6Φ7Φ8Φ9Φ9.5Φ10Φ12.7Φ15.9Φ19.1Φ22.2Φ25.4Φ31.8Φ38.1Φ42.16Φ50.8Φ63.5Φ76.2Φ88.9Φ101.6Φ108Φ11 4.3Φ127Φ133Φ141Φ159Φ168Φ219Φ273Φ323.85,厚度:0.1~8.0mm;不锈钢方管规格表、不锈钢扁通规格规格表:7×7 10×10 12×12 15×15 15.8×15.8 19×19 20×20 22×22 25×25 30×30 31.8×31.8 35×35 38×38 40×40 50×50 60×60 70×70 76×76 80×80 90×90 100×100 120×120 125×125 150×150 厚度:0.4~8.0mm不锈钢矩形管规格表、不锈钢扁管规格规格表:10×20 10×25 10×30 10×40 10×50 10×60 10×70 10×80 10×90 10×100 11×35 12.7×25.4 13×25 15×25 15×30 15×35 15×40 15×50 15×60 15×65 15×70 15×80 15×90 15×100 16×32 20×30 20×40 20×50 20×60 20×70 20×80 20×90 20×100 20×120 20×125 20×150 20×200 25×40 25×50 25×60 25×70 25×80 25×90 25×100 25×120 25×125 25×150 25×200 30×40 30×50 30×60 30×70 30×80 30×90 30×100 30×120 30×125 30×150 30×200 40×50 40×60 40×70 40×80 40×90 40×100 40×12040×125 40×150 40×200 45×60 45×75 45×95 50×60 50×75 50.8×76.2 50×100 50×120 50×125 50×150 50×200 60×70 60×80 60×90 60×100 60×120 60×125 60×140 60×150 60×200 70×80 70×90 70×100 70×110 70×120 70×125 70×130 70×140 70×150 70×180 70×200 75×100 75×125 75×150 75×175 80×90 80×100 80×120 80×125 80×140 80×150 80×160 80×200 90×100 90×110 120×140 120×180 120×200 125×150 125×175 125×200 130×170 150×200,100×140 100×150 100×200 110×130 110×150 120 厚度:0.4~10m不锈钢板 2Cr13 0.4~3*1000/1219 吨商议太钢不锈钢板厚度标准@不锈钢板标准厚度不锈钢板 2Cr13 4,5,6,8,10,12,14~20*1250/1800 吨商议太钢不锈钢板 430 0.4~3*1000/1219 吨商议张浦/太钢/南非不锈钢板 201 0.4~3*1000/1219 吨商议联众/印度不锈钢板 201 4,5,6,8,10,12*1500 吨商议联众/印度不锈钢板 202 3,4,5,6,8,10*1500 吨商议日本/联众不锈钢板 304 0.4~3*1000/1219 吨商议张浦/太钢/宝新不锈钢板 304 4,5,6,8,10,14 ~ 80*1500/1800 吨商议张浦/太钢/宝新不锈钢板 321 0.4~3*1000/1219 吨商议张浦/太钢/克虏伯不锈钢板 321 4,5,6,8,10,14 ~ 80*1500/1800 吨商议张浦/太钢/克虏伯不锈钢板 316L 4,5,6,8,10,12,14 ~ 80*1500 吨商议北美/南非不锈钢板 309S 1~3*1000/1219 吨商议瑞典/南非不锈钢板 309S 4,5,6,8,10,12,14 ~ 20*1500 吨商议瑞典/南非不锈钢板 310S 1~3*1000/1219 吨商议北美/西班牙不锈钢板 310S 4,5,6,8,10,12,14 ~ 20*1500 吨商议北美/西班牙不锈钢管 304 ф 6~ф 426×1~50 不锈钢管 321 ф 6~ф 426×1~50不锈钢管 301 ф 6~ф 426×1~50 不锈钢管 303 ф 6~ф 426×1~50m不锈钢常识:不锈钢板表面光洁,有较高的塑性、韧性和机械强度,耐酸、碱性气体、溶液和其他介质的腐蚀。
钢材规格符号理论重量表截面面积周长mm 精确周长mm 物资名称序号材料规格理重(kg/m,kg/m2)/cm21 HW100x100x6x8 16.9 21.58 600 586.24 H型钢2 HW125x125x6.5x9 23.6 30 750 736.24 H型钢3 HW150x150x7x10 31.1 39.64 900 886.24 H型钢4 HW175x175x7.5x11 40.4 51.42 1050 1027.64 H型钢5 HW200x200x8x12 49.9 63.53 1200 1177.64 H型钢6 HW200x204x12x12 56.2 71.53 1216 1193.64 H型钢7 HW244x252x11x11 63.8 81.31 1496 1473.64 H型钢8 HW250x250x9x14 71.8 91.43 1500 1477.64 H型钢9 HW250x255x14x14 81.6 103.9 1520 1497.64 H型钢10 HW294x302x12x12 83.5 106.3 1796 1773.64 H型钢11 HW300x300x10x15 93 118.5 1800 1777.64 H型钢12 HW300x305x15x15 105 133.5 1820 1797.64 H型钢13 HW338x351x13x13 105 133.3 2080 2057.64 H型钢14 HW344x348x10x16 113 144 2080 2057.64 H型钢15 HW344x354x16x16 129 164.7 2104 2081.64 H型钢16 HW350x350x12x19 135 171.9 2100 2077.64 H型钢17 HW350x357x19x19 154 196.4 2128 2105.64 H型钢18 HW388x402x15x15 140 178.5 2384 2346.16 H型钢19 HW394x398x11x18 147 186.8 2380 2342.16 H型钢20 HW394x405x18x18 168 214.4 2408 2370.16 H型钢21 HW400x400x13x21 172 218.7 2400 2362.16 H型钢22 HW400x408x21x21 197 250.7 2432 2394.16 H型钢23 HW414x405x18x28 232 295.4 2448 2410.16 H型钢24 HW428x407x20x35 283 360.7 2484 2446.16 H型钢25 HW458x417x30x50 415 528.6 2584 2546.16 H型钢26 HW498x432x45x70 604 770.1 2724 2686.16 H型钢27 HW492x465x15x20 202 258 2844 2806.16 H型钢28 HW502x465x15x25 239 304.5 2864 2826.16 H型钢29 HW502x470x20x25 259 329.6 2884 2846.16 H型钢30 HM148x100x6x9 20.7 26.34 696 682.24 H型钢31 HM194x150x6x9 29.9 38.1 988 974.24 H型钢32 HM244x175x7x11 43.6 55.49 1188 1165.64 H型钢33 HM294x200x8x12 55.8 71.05 1388 1365.64 H型钢34 HM298x201x9x14 64.4 82.03 1400 1377.64 H型钢35 HM340x250x9x14 78.1 99.53 1680 1657.64 H型钢36 HM390x300x10x16 105 133.3 1980 1957.64 H型钢37 HM440x300x11x18 121 153.9 2080 2057.64 H型钢38 HM482x300x11x15 111 141.2 2164 2141.64 H型钢39 HM488x300x11x18 125 159.2 2176 2153.64 H型钢40 HM544x300x11x15 116 148 2288 2265.64 H型钢41 HM550x300x11x18 130 166 **** ****.64 H型钢42 HM582x300x12x17 133 169.2 2364 2341.64 H型钢43 HM588x300x12x20 147 187.2 2376 2353.64 H型钢44 HM594x302x14x23 170 217.1 2396 2373.64 H型钢45 HN100x50x5x7 9.3 11.84 400 386.24 H型钢46 HN125x60x6x8 13.1 16.68 490 476.24 H型钢47 HN150x75x5x7 14 17.84 600 586.24 H型钢48 HN175x90x5x8 18 22.89 710 696.24 H型钢49 HN198x99x4.5x7 17.8 22.68 792 778.24 H型钢50 HN200x100x5.5x8 20.9 26.66 800 786.24 H型钢51 HN248x124x5x8 25.1 31.98 992 978.24 H型钢52 HN250x125x6x9 29 36.96 1000 986.24 H型钢53 HN298x149x5.5x8 32 40.8 1192 1169.64 H型钢54 HN300x150x6.5x9 36.7 46.78 1200 1177.64 H型钢55 HN346x174x6x9 41.2 52.45 1388 1365.64 H型钢56 HN350x175x7x11 49.4 62.91 1400 1377.64 H型钢57 HN400x150x8x13 55.2 70.37 1400 1377.64 H型钢58 HN396x199x7x11 56.1 71.41 1588 1565.64 H型钢59 HN400x200x8x13 66 83.37 1600 1577.64 H型钢60 HN446x150x7x12 52.6 66.99 1492 1469.64 H型钢61 HN450x151x8x14 60.8 77.49 1504 1481.64 H型钢62 HN446x199x8x12 65.1 82.97 1688 1665.64 H型钢63 HN450x200x9x14 74.9 95.43 1700 1677.64 H型钢64 HN470x150x7x13 56.2 71.53 1540 1517.64 H型钢65 HN475x151.5x8.5x15.5 67.6 86.15 1556 1533.64 H型钢66 HN482x153.5x10.5x19 83.5 106.4 1578 1555.64 H型钢67 HN492x150x7x12 55.1 70.21 1584 1561.64 H型钢68 HN500x152x9x16 72.4 92.21 1608 1585.64 H型钢69 HN504x153x10x18 81.1 103.3 1620 1597.64 H型钢70 HN496x199x9x14 77.9 99.29 1788 1765.64 H型钢71 HN500x200x10x16 88.1 112.3 1800 1777.64 H型钢72 HN506x201x11x19 102 129.3 1816 1793.64 H型钢73 HN546x199x9x14 81.5 103.8 1888 1865.64 H型钢74 HN550x200x10x16 92 117.3 1900 1877.64 H型钢75 HN596x199x10x15 92.4 117.8 1988 1965.64 H型钢76 HN600x200x11x17 103 131.7 2000 1977.64 H型钢77 HN606x201x12x20 118 149.8 2016 1993.64 H型钢78 HN625x198.5x13.5x17.5 118 150.6 2044 2021.64 H型钢79 HN630x200x15x20 133 170 2060 2037.64 H型钢80 HN638x202x17x24 156 198.7 2084 2061.64 H型钢81 HN646x299x10x15 120 152.8 2488 2465.64 H型钢82 HN650x300x11x17 134 171.2 2500 2477.64 H型钢83 HN656x301x12x20 154 195.8 2516 2493.64 H型钢84 HN692x300x13x20 163 207.5 2584 2553.04 H型钢85 HN700x300x13x24 182 231.5 2600 2569.04 H型钢86 HN734x299x12x16 143 182.7 2664 2633.04 H型钢87 HN742x300x13x20 168 214 2684 2653.04 H型钢88 HN750x300x13x24 187 238 2700 2669.04 H型钢89 HN758x303x16x28 224 284.8 2728 2697.04 H型钢90 HN792x300x14x22 188 239.5 2784 2753.04 H型钢91 HN800x300x14x26 207 263.5 2800 2769.04 H型钢92 HN834x298x14x19 179 227.5 2860 2829.04 H型钢93 HN842x299x15x23 204 259.7 2880 2849.04 H型钢94 HN850x300x16x27 229 292.1 2900 2869.04 H型钢95 HN858x301x17x31 255 324.7 2920 2889.04 H型钢96 HN890x299x15x23 210 266.9 2976 2945.04 H型钢97 HN900x300x16x28 240 305.8 3000 2969.04 H型钢98 HN912x302x18x34 283 360.1 3032 3001.04 H型钢99 HN970x297x16x21 217 276 3128 3097.04 H型钢100 HN980x298x17x26 248 315.5 3152 3121.04 H型钢101 HN990x298x17x31 271 345.3 3172 3141.04 H型钢102 HN1000x300x19x36 310 395.1 3200 3169.04 H型钢103 HN1008x302x21x40 345 439.3 3224 3193.04 H型钢104 HT95x48x3.2x4.5 5.98 7.62 382 368.24 H型钢105 HT97x49x4x5.5 7.36 9.37 390 376.24 H型钢106 HT96x99x4.5x6 12.7 16.2 588 574.24 H型钢107 HT118x58x3.2x4.5 7.26 9.25 468 454.24 H型钢108 HT120x59x4x5.5 8.94 11.39 476 462.24 H型钢109 HT119x123x4.5x6 15.8 20.12 730 716.24 H型钢110 HT145x73x3.2x4.5 9 11.47 582 568.24 H型钢111 HT147x74x4x5.5 11.1 14.12 590 576.24 H型钢112 HT139x97x3.2x4.5 10.6 13.43 666 652.24 H型钢113 HT142x99x4.5x6 14.3 18.27 680 666.24 H型钢114 HT144x148x5x7 21.8 27.76 880 866.24 H型钢115 HT147x149x6x8.5 26.4 33.67 890 876.24 H型钢116 HT168x88x3.2x4.5 10.6 13.55 688 674.24 H型钢117 HT171x89x4x6 13.8 17.58 698 684.24 H型钢118 HT167x173x5x7 26.2 33.32 1026 1003.64 H型钢119 HT172x175x6.5x9.5 35 44.64 1044 1021.64 H型钢120 HT193x98x3.2x4.5 12 15.25 778 764.24 H型钢121 HT196x99x4x6 15.5 19.78 788 774.24 H型钢122 HT188x149x4.5x6 20.7 26.34 972 958.24 H型钢123 HT192x198x6x8 34.3 43.69 1176 1153.64 H型钢124 HT244x124x4.5x6 20.3 25.86 984 970.24 H型钢125 HT238x173x4.5x8 30.7 39.12 1168 1145.64 H型钢126 HT294x148x4.5x6 25 31.9 1180 1157.64 H型钢127 HT286x198x6x8 38.7 49.33 1364 1341.64 H型钢128 HT340x173x4.5x6 29 36.97 1372 1349.64 H型钢129 HT390x148x6x8 37.3 47.57 1372 1349.64 H型钢130 HT390x198x6x8 43.6 55.57 1572 1549.64 H型钢131 TW50x100x6x8 8.47 10.79 500 486.24 T 型钢132 TW62.5x125x6.5x9 11.8 15 625 611.24 T 型钢133 TW75x150x7x10 15.6 19.82 750 736.24 T 型钢134 TW87.5x175x7.5x11 20.2 25.71 875 852.64 T 型钢135 TW100x200x8x12 24.9 31.76 1000 977.64 T 型钢136 TW100x204x12x12 28.1 35.76 1016 993.64 T 型钢137 TW125x250x9x14 35.9 45.71 1250 1227.64 T 型钢138 TW125x255x14x14 40.8 51.96 1270 1247.64 T 型钢139 TW147x302x12x12 41.7 53.16 1502 1479.64 T 型钢140 TW150x300x10x15 46.5 59.22 1500 1477.64 T 型钢141 TW150x305x15x15 52.4 66.72 1520 1497.64 T 型钢142 TW172x348x10x16 56.5 72 1736 1713.64 T 型钢143 TW175x350x12x19 67.5 85.94 1750 1727.64 T 型钢144 TW194x402x15x15 70 89.22 1996 1958.16 T 型钢145 TW197x398x11x18 73.3 93.4 1986 1948.16 T 型钢146 TW200x400x13x21 85.8 109.3 2000 1962.16 T 型钢147 TW200x408x21x21 98.4 125.3 2032 1994.16 T 型钢148 TW207x405x18x28 116 147.7 2034 1996.16 T 型钢149 TW214x407x20x35 142 180.3 2056 2018.16 T 型钢150 TM74x100x6x9 10.3 13.17 548 534.24 T 型钢151 TM97x150x6x9 15 19.05 794 780.24 T 型钢152 TM122x175x7x11 21.8 27.74 944 921.64 T 型钢153 TM147x200x8x12 27.9 35.52 1094 1071.64 T 型钢154 TM149x201x9x14 32.2 41.01 1102 1079.64 T 型钢155 TM170x250x9x14 39.1 49.76 1340 1317.64 T 型钢156 TM195x300x10x16 52.3 66.62 1590 1567.64 T 型钢157 TM220x300x11x18 60.4 76.94 1640 1617.64 T 型钢158 TM241x300x11x15 55.4 70.58 1682 1659.64 T 型钢159 TM244x300x11x18 62.5 79.58 1688 1665.64 T 型钢160 TM272x300x11x15 58.1 73.99 1744 1721.64 T 型钢161 TM275x300x11x18 65.2 82.99 1750 1727.64 T 型钢162 TM291x300x12x17 66.4 84.6 1782 1759.64 T 型钢163 TM294x300x12x20 73.5 93.6 1788 1765.64 T 型钢164 TM297x302x14x23 85.2 108.5 1802 1779.64 T 型钢165 TN50x50x5x7 4.65 5.92 300 286.24 T 型钢166 TN62.5x60x6x8 6.55 8.34 365 351.24 T 型钢167 TN75x75x5x7 7 8.92 450 436.24 T 型钢168 TN85.5x89x4x6 6.9 8.79 527 513.24 T 型钢169 TN87.5x90x5x8 8.98 11.44 535 521.24 T 型钢170 TN99x99x4.5x7 8.9 11.34 594 580.24 T 型钢171 TN100x100x5.5x8 10.5 13.33 600 586.24 T 型钢172 TN124x124x5x8 12.6 15.99 744 730.24 T 型钢173 TN125x125x6x9 14.5 18.48 750 736.24 T 型钢174 TN149x149x5.5x8 16 20.4 894 871.64 T 型钢175 TN150x150x6.5x9 18.4 23.39 900 877.64 T 型钢176 TN173x174x6x9 20.6 26.22 1042 1019.64 T 型钢177 TN175x175x7x11 24.7 31.45 1050 1027.64 T 型钢178 TN198x199x7x11 28 35.7 1192 1169.64 T 型钢179 TN200x200x8x13 32.7 41.68 1200 1177.64 T 型钢180 TN223x150x7x12 26.3 33.49 1046 1023.64 T 型钢181 TN225x151x8x14 30.4 38.74 1054 1031.64 T 型钢182 TN223x199x8x12 32.6 41.48 1242 1219.64 T 型钢183 TN225x200x9x14 37.5 47.71 1250 1227.64 T 型钢184 TN235x150x7x13 28.1 35.76 1070 1047.64 T 型钢185 TN237.5x151.5x8.5x15.5 33.8 43.07 1081 1058.64 T 型钢186 TN241x153.5x10.5x19 41.8 53.2 1096 1073.64 T 型钢187 TN246x150x7x12 27.6 35.1 1092 1069.64 T 型钢188 TN250x152x9x16 36.2 46.1 1108 1085.64 T 型钢189 TN252x153x10x18 40.6 51.66 1116 1093.64 T 型钢190 TN248x199x9x14 39 49.64 1292 1269.64 T 型钢191 TN250x200x10x16 44.1 56.12 1300 1277.64 T 型钢192 TN253x201x11x19 50.8 64.65 1310 1287.64 T 型钢193 TN273x199x9x14 40.7 51.89 1342 1319.64 T 型钢194 TN275x200x10x16 46 58.62 1350 1327.64 T 型钢195 TN298x199x10x15 46.2 58.87 1392 1369.64 T 型钢196 TN300x200x11x17 51.7 65.85 1400 1377.64 T 型钢197 TN303x201x12x20 58.8 74.88 1410 1387.64 T 型钢198 TN312.5x198.5x13.5x17.5 59.1 75.28 1419 1396.64 T 型钢199 TN315x200x15x20 66.7 84.97 1430 1407.64 T 型钢200 TN319x202x17x24 78 99.35 1446 1423.64 T 型钢201 TN323x299x10x15 59.9 76.26 1842 1821.36 T 型钢202 TN325x300x11x17 67.2 85.6 1850 1827.64 T 型钢203 TN328x301x12x20 76.8 97.88 1860 1837.64 T 型钢204 TN346x300x13x20 80.9 103.1 1892 1869.64 T 型钢205 TN350x300x13x24 90.4 115.1 1900 1877.64 T 型钢206 TN396x300x14x22 94 119.8 1992 1961.04 T 型钢207 TN400x300x14x26 103 131.8 2000 1969.04 T 型钢208 TN445x299x15x23 105 133.5 2086 2055.04 T 型钢209 TN450x300x16x28 120 152.9 2100 2069.04 T 型钢210 TN456x302x18x34 141 180 **** ****.04 T 型钢211 Z140x50x20x3 6.01 Z 型钢212 Z160x50x20x2.5 5.87 Z 型钢213 Z180x60x20x2.5 6.289 Z 型钢214 Z180x60x20x3 7.454 Z 型钢215 Z200x60x20x2.5 6.681 Z 型钢216 Z200x60x20x3 7.925 Z 型钢217 -25x3 0.59 56 扁钢218 -25x4 0.78 58 扁钢219 -25x5 0.98 60 扁钢220 -25x6 1.18 62 扁钢221 -25x7 1.37 64 扁钢222 -25x8 1.57 66 扁钢223 -25x9 1.77 68 扁钢224 -25x10 1.96 70 扁钢225 -25x11 2.16 72 扁钢226 -25x12 2.36 74 扁钢227 -25x14 2.75 78 扁钢228 -25x16 3.14 82 扁钢229 -28x3 0.66 62 扁钢230 -28x4 0.88 64 扁钢231 -28x5 1.1 66 扁钢233 -28x7 1.54 70 扁钢234 -28x8 1.76 72 扁钢235 -28x9 1.98 74 扁钢236 -28x10 2.2 76 扁钢237 -28x11 2.42 78 扁钢238 -28x12 2.64 80 扁钢239 -28x14 3.08 84 扁钢240 -28x16 3.53 88 扁钢241 -30x3 0.71 66 扁钢242 -30x4 0.94 68 扁钢243 -30x5 1.18 70 扁钢244 -30x6 1.41 72 扁钢245 -30x7 1.65 74 扁钢246 -30x8 1.88 76 扁钢247 -30x9 2.12 78 扁钢248 -30x10 2.36 80 扁钢249 -30x11 2.59 82 扁钢250 -30x12 2.83 84 扁钢251 -30x14 3.3 88 扁钢252 -30x16 3.77 92 扁钢253 -30x18 4.24 96 扁钢254 -30x20 4.71 100 扁钢255 -32x3 0.75 70 扁钢256 -32x4 1 72 扁钢257 -32x5 1.26 74 扁钢258 -32x6 1.51 76 扁钢259 -32x7 1.76 78 扁钢260 -32x8 2.01 80 扁钢261 -32x9 2.26 82 扁钢262 -32x10 2.55 84 扁钢263 -32x11 2.76 86 扁钢264 -32x12 3.01 88 扁钢265 -32x14 3.52 92 扁钢266 -32x16 4.02 96 扁钢267 -32x18 4.52 100 扁钢268 -32x20 5.02 104 扁钢269 -35x3 0.82 76 扁钢270 -35x4 1.1 78 扁钢272 -35x6 1.65 82 扁钢273 -35x7 1.92 84 扁钢274 -35x8 2.2 86 扁钢275 -35x9 2.47 88 扁钢276 -35x10 2.75 90 扁钢277 -35x11 3.02 92 扁钢278 -35x12 3.3 94 扁钢279 -35x14 3.85 98 扁钢280 -35x16 4.4 102 扁钢281 -35x18 4.95 106 扁钢282 -35x20 5.5 110 扁钢283 -35x22 6.04 114 扁钢284 -35x25 6.87 120 扁钢285 -35x28 7.69 126 扁钢286 -40x3 0.94 86 扁钢287 -40x4 1.26 88 扁钢288 -40x5 1.57 90 扁钢289 -40x6 1.88 92 扁钢290 -40x7 2.2 94 扁钢291 -40x8 2.51 96 扁钢292 -40x9 2.83 98 扁钢293 -40x10 3.14 100 扁钢294 -40x11 3.45 102 扁钢295 -40x12 3.77 104 扁钢296 -40x14 4.4 108 扁钢297 -40x16 5.02 112 扁钢298 -40x18 5.65 116 扁钢299 -40x20 6.28 120 扁钢300 -40x22 6.91 124 扁钢301 -40x25 7.85 130 扁钢302 -40x28 8.79 136 扁钢303 -45x3 1.06 96 扁钢304 -45x4 1.41 98 扁钢305 -45x5 1.77 100 扁钢306 -45x6 2.12 102 扁钢307 -45x7 2.47 104 扁钢308 -45x8 2.83 106 扁钢309 -45x9 3.18 108 扁钢311 -45x11 3.89 112 扁钢312 -45x12 4.24 114 扁钢313 -45x14 4.95 118 扁钢314 -45x16 5.65 122 扁钢315 -45x18 6.36 126 扁钢316 -45x20 7.07 130 扁钢317 -45x22 7.77 134 扁钢318 -45x25 8.83 140 扁钢319 -45x28 9.89 146 扁钢320 -45x30 10.6 150 扁钢321 -45x32 11.3 154 扁钢322 -45x36 12.72 162 扁钢323 -50x3 1.18 106 扁钢324 -50x4 1.57 108 扁钢325 -50x5 1.96 110 扁钢326 -50x6 2.36 112 扁钢327 -50x7 2.75 114 扁钢328 -50x8 3.14 116 扁钢329 -50x9 3.53 118 扁钢330 -50x10 3.93 120 扁钢331 -50x11 4.32 122 扁钢332 -50x12 4.71 124 扁钢333 -50x14 5.5 128 扁钢334 -50x16 6.28 132 扁钢335 -50x18 7.06 136 扁钢336 -50x20 7.85 140 扁钢337 -50x22 8.64 144 扁钢338 -50x25 9.81 150 扁钢339 -50x28 10.99 156 扁钢340 -50x30 11.78 160 扁钢341 -50x32 12.56 164 扁钢342 -50x36 14.13 172 扁钢343 -55x4 1.73 118 扁钢344 -55x5 2.16 120 扁钢345 -55x6 2.59 122 扁钢346 -55x7 3.02 124 扁钢347 -55x8 3.45 126 扁钢348 -55x9 3.89 128 扁钢350 -55x11 4.75 132 扁钢351 -55x12 5.18 134 扁钢352 -55x14 6.04 138 扁钢353 -55x16 6.91 142 扁钢354 -55x18 7.77 146 扁钢355 -55x20 8.64 150 扁钢356 -55x22 9.5 154 扁钢357 -55x25 10.79 160 扁钢358 -55x28 12.09 166 扁钢359 -55x30 12.95 170 扁钢360 -55x32 13.82 174 扁钢361 -55x36 15.54 182 扁钢362 -60x4 1.88 128 扁钢363 -60x5 2.36 130 扁钢364 -60x6 2.83 132 扁钢365 -60x7 3.3 134 扁钢366 -60x8 3.77 136 扁钢367 -60x9 4.24 138 扁钢368 -60x10 4.71 140 扁钢369 -60x11 5.18 142 扁钢370 -60x12 5.65 144 扁钢371 -60x14 6.59 148 扁钢372 -60x16 7.54 152 扁钢373 -60x18 8.48 156 扁钢374 -60x20 9.42 160 扁钢375 -60x22 10.36 164 扁钢376 -60x25 11.78 170 扁钢377 -60x28 13.19 176 扁钢378 -60x30 14.13 180 扁钢379 -60x32 15.07 184 扁钢380 -60x36 16.96 192 扁钢381 -60x40 18.84 200 扁钢382 -65x4 2.04 138 扁钢383 -65x5 2.55 140 扁钢384 -65x6 3.06 142 扁钢385 -65x7 3.57 144 扁钢386 -65x8 4.08 146 扁钢387 -65x9 4.59 148 扁钢388 -65x10 5.1 150 扁钢389 -65x11 5.61 152 扁钢390 -65x12 6.12 154 扁钢391 -65x14 7.14 158 扁钢392 -65x16 8.16 162 扁钢393 -65x18 9.18 166 扁钢394 -65x20 10.2 170 扁钢395 -65x22 11.23 174 扁钢396 -65x25 12.76 180 扁钢397 -65x28 14.29 186 扁钢398 -65x30 15.31 190 扁钢399 -65x32 16.33 194 扁钢400 -65x36 18.37 202 扁钢401 -65x40 20.41 210 扁钢402 -70x4 2.2 148 扁钢403 -70x5 2.75 150 扁钢404 -70x6 3.3 152 扁钢405 -70x7 3.85 154 扁钢406 -70x8 4.4 156 扁钢407 -70x9 4.95 158 扁钢408 -70x10 5.5 160 扁钢409 -70x11 6.04 162 扁钢410 -70x12 6.59 164 扁钢411 -70x14 7.69 168 扁钢412 -70x16 8.79 172 扁钢413 -70x18 9.89 176 扁钢414 -70x20 10.99 180 扁钢415 -70x22 12.09 184 扁钢416 -70x25 13.74 190 扁钢417 -70x28 15.39 196 扁钢418 -70x30 16.49 200 扁钢419 -70x32 17.58 204 扁钢420 -70x36 19.78 212 扁钢421 -70x40 21.98 220 扁钢422 -75x4 2.36 158 扁钢423 -75x5 2.94 160 扁钢424 -75x6 3.53 162 扁钢425 -75x7 4.12 164 扁钢426 -75x8 4.71 166 扁钢428 -75x10 5.89 170 扁钢429 -75x11 6.48 172 扁钢430 -75x12 7.07 174 扁钢431 -75x14 8.24 178 扁钢432 -75x16 9.42 182 扁钢433 -75x18 10.6 186 扁钢434 -75x20 11.78 190 扁钢435 -75x22 12.95 194 扁钢436 -75x25 14.72 200 扁钢437 -75x28 16.48 206 扁钢438 -75x30 17.66 210 扁钢439 -75x32 18.84 214 扁钢440 -75x36 21.2 222 扁钢441 -75x40 23.56 230 扁钢442 -80x4 2.51 168 扁钢443 -80x5 3.14 170 扁钢444 -80x6 3.77 172 扁钢445 -80x7 4.4 174 扁钢446 -80x8 5.02 176 扁钢447 -80x9 5.65 178 扁钢448 -80x10 6.28 180 扁钢449 -80x11 6.91 182 扁钢450 -80x12 7.54 184 扁钢451 -80x14 8.79 188 扁钢452 -80x16 10.05 192 扁钢453 -80x18 11.3 196 扁钢454 -80x20 12.56 200 扁钢455 -80x22 13.82 204 扁钢456 -80x25 15.7 210 扁钢457 -80x28 17.58 216 扁钢458 -80x30 18.84 220 扁钢459 -80x32 20.1 224 扁钢460 -80x36 22.61 232 扁钢461 -80x40 25.12 240 扁钢462 -85x5 3.34 180 扁钢463 -85x6 4 182 扁钢464 -85x7 4.67 184 扁钢465 -85x8 5.34 186 扁钢467 -85x10 6.67 190 扁钢468 -85x11 7.34 192 扁钢469 -85x12 8.01 194 扁钢470 -85x14 9.34 198 扁钢471 -85x16 10.68 202 扁钢472 -85x18 12.01 206 扁钢473 -85x20 13.34 210 扁钢474 -85x22 14.68 214 扁钢475 -85x25 16.68 220 扁钢476 -85x28 18.68 226 扁钢477 -85x30 20.02 230 扁钢478 -85x32 21.35 234 扁钢479 -85x36 24.02 242 扁钢480 -85x40 26.69 250 扁钢481 -90x5 3.53 190 扁钢482 -90x6 4.24 192 扁钢483 -90x7 4.95 194 扁钢484 -90x8 5.65 196 扁钢485 -90x9 6.36 198 扁钢486 -90x10 7.07 200 扁钢487 -90x11 7.77 202 扁钢488 -90x12 8.48 204 扁钢489 -90x14 9.89 208 扁钢490 -90x16 11.3 212 扁钢491 -90x18 12.72 216 扁钢492 -90x20 14.13 220 扁钢493 -90x22 15.54 224 扁钢494 -90x25 17.66 230 扁钢495 -90x28 19.78 236 扁钢496 -90x30 21.2 240 扁钢497 -90x32 22.61 244 扁钢498 -90x36 25.43 252 扁钢499 -90x40 28.26 260 扁钢500 -95x5 3.73 200 扁钢501 -95x6 4.47 202 扁钢502 -95x7 5.22 204 扁钢503 -95x8 5.97 206 扁钢504 -95x9 6.71 208 扁钢505 -95x10 7.46 210 扁钢506 -95x11 8.2 212 扁钢507 -95x12 8.95 214 扁钢508 -95x14 10.44 218 扁钢509 -95x16 11.93 222 扁钢510 -95x18 13.42 226 扁钢511 -95x20 14.92 230 扁钢512 -95x22 16.41 234 扁钢513 -95x25 18.64 240 扁钢514 -95x28 20.88 246 扁钢515 -95x30 22.37 250 扁钢516 -95x32 23.86 254 扁钢517 -95x36 26.85 262 扁钢518 -95x40 29.83 270 扁钢519 -100x3 2.36 206 扁钢520 -100x4 3.14 208 扁钢521 -100x5 3.92 210 扁钢522 -100x6 4.71 212 扁钢523 -100x7 5.5 214 扁钢524 -100x8 6.28 216 扁钢525 -100x9 7.06 218 扁钢526 -100x10 7.85 220 扁钢527 -100x11 8.64 222 扁钢528 -100x12 9.42 224 扁钢529 -100x14 10.99 228 扁钢530 -100x16 12.56 232 扁钢531 -100x18 14.13 236 扁钢532 -100x20 15.7 240 扁钢533 -100x22 17.27 244 扁钢534 -100x25 19.62 250 扁钢535 -100x28 21.98 256 扁钢536 -100x30 23.55 260 扁钢537 -100x32 25.12 264 扁钢538 -100x36 28.26 272 扁钢539 -100x40 31.4 280 扁钢540 -105x5 4.12 220 扁钢541 -105x6 4.95 222 扁钢542 -105x7 5.77 224 扁钢543 -105x8 6.59 226 扁钢544 -105x9 7.42 228 扁钢545 -105x10 8.24 230 扁钢546 -105x11 9.07 232 扁钢547 -105x12 9.89 234 扁钢548 -105x14 11.54 238 扁钢549 -105x16 13.19 242 扁钢550 -105x18 14.84 246 扁钢551 -105x20 16.48 250 扁钢552 -105x22 18.13 254 扁钢553 -105x25 20.61 260 扁钢554 -105x28 23.08 266 扁钢555 -105x30 24.73 270 扁钢556 -105x32 26.38 274 扁钢557 -105x36 29.67 282 扁钢558 -105x40 32.97 290 扁钢559 -110x8 6.91 扁钢560 L25x16x3 0.912 82 不等边角钢561 L25x16x4 1.176 82 不等边角钢562 L32x20x3 1.171 104 不等边角钢563 L32x20x4 1.522 104 不等边角钢564 L40x25x3 1.484 130 不等边角钢565 L40x25x4 1.936 130 不等边角钢566 L45x28x3 1.678 146 不等边角钢567 L45x28x4 2.203 146 不等边角钢568 L50x32x3 1.908 164 不等边角钢569 L50x32x4 2.494 164 不等边角钢570 L56x36x3 2.153 184 不等边角钢571 L56x36x4 2.818 184 不等边角钢572 L56x36x5 3.466 184 不等边角钢573 L63x40x4 3.185 206 不等边角钢574 L63x40x5 3.92 206 不等边角钢575 L63x40x6 4.638 206 不等边角钢576 L63x40x7 5.339 206 不等边角钢577 L70x45x4 3.57 230 不等边角钢578 L70x45x5 4.403 230 不等边角钢579 L70x45x6 5.218 230 不等边角钢580 L70x45x7 6.011 230 不等边角钢581 L75x50x5 4.808 250 不等边角钢582 L75x50x6 5.699 250 不等边角钢583 L75x50x8 7.431 250 不等边角钢584 L75x50x10 9.098 250 不等边角钢585 L80x50x5 5.005 260 不等边角钢586 L80x50x6 5.935 260 不等边角钢587 L80x50x7 6.848 260 不等边角钢588 L80x50x8 7.745 260 不等边角钢589 L90x56x5 5.661 292 不等边角钢590 L90x56x6 6.717 292 不等边角钢591 L90x56x7 7.756 292 不等边角钢592 L90x56x8 8.779 292 不等边角钢593 L100x63x6 7.55 326 不等边角钢594 L100x63x7 8.722 326 不等边角钢595 L100x63x8 9.878 326 不等边角钢596 L100x63x10 12.142 326 不等边角钢597 L100x80x6 8.35 360 不等边角钢598 L100x80x7 9.656 360 不等边角钢599 L100x80x8 10.946 360 不等边角钢600 L100x80x10 13.476 360 不等边角钢601 L110x70x6 8.35 360 不等边角钢602 L110x70x7 9.656 360 不等边角钢603 L110x70x8 10.946 360 不等边角钢604 L110x70x10 13.476 360 不等边角钢605 L125x80x7 11.066 410 不等边角钢606 L125x80x8 12.551 410 不等边角钢607 L125x80x10 15.474 410 不等边角钢608 L125x80x12 18.33 410 不等边角钢609 L140x90x8 14.16 460 不等边角钢610 L140x90x10 17.475 460 不等边角钢611 L140x90x12 20.724 460 不等边角钢612 L140x90x14 23.908 460 不等边角钢613 L160x100x10 19.872 520 不等边角钢614 L160x100x12 23.592 520 不等边角钢615 L160x100x14 27.247 520 不等边角钢616 L160x100x16 30.835 520 不等边角钢617 L180x110x10 22.273 580 不等边角钢618 L180x110x12 26.464 580 不等边角钢619 L180x110x14 30.589 580 不等边角钢620 L180x110x16 34.649 580 不等边角钢621 L200x125x12 29.761 650 不等边角钢622 L200x125x14 34.436 650 不等边角钢623 L200x125x16 39.045 650 不等边角钢624 L200x125x18 43.588 650 不等边角钢625 C5 5.438 248 槽钢626 C6.3 6.634 286 槽钢627 C6.5 6.709 290 槽钢628 C8 8.045 332 槽钢629 C10 10.007 392 槽钢630 C12 12.059 452 槽钢631 C12.6 12.318 464 槽钢632 C14a 14.535 512 槽钢633 C14b 16.733 520 槽钢634 C16a 17.24 572 槽钢635 C16b 19.752 580 槽钢636 C18a 20.174 632 槽钢637 C18b 23 640 槽钢638 C20a 22.637 692 槽钢639 C20b 25.777 700 槽钢640 C22a 24.999 740 槽钢641 C22b 28.453 756 槽钢642 C24a 26.86 792 槽钢643 C24b 30.628 800 槽钢644 C24c 34.396 808 槽钢645 C25a 27.41 812 槽钢646 C25b 31.335 820 槽钢647 C25c 35.26 828 槽钢648 C27a 30.838 868 槽钢649 C27b 35.823 876 槽钢650 C27c 39.316 884 槽钢651 C28a 31.427 888 槽钢652 C28b 35.823 896 槽钢653 C28c 40.219 904 槽钢654 C30a 34.463 940 槽钢655 C30b 39.173 948 槽钢656 C30c 43.883 956 槽钢657 C32a 38.083 992 槽钢658 C32b 43.107 1000 槽钢659 C32c 48.131 1008 槽钢660 C36a 47.814 1104 槽钢661 C36b 53.466 1112 槽钢662 C36c 59.118 1120 槽钢663 C40a 58.928 1200 槽钢664 C40b 65.204 1208 槽钢665 C40c 71.488 1216 槽钢666 L20x3 0.889 80 等边角钢667 L20x4 1.145 80 等边角钢668 L25x3 1.124 100 等边角钢669 L25x4 1.459 100 等边角钢670 L30x3 1.373 120 等边角钢671 L30x4 1.786 120 等边角钢672 L36x3 1.656 144 等边角钢673 L36x4 2.163 144 等边角钢674 L36x5 2.654 144 等边角钢675 L40x3 1.852 160 等边角钢676 L40x4 2.422 160 等边角钢677 L40x5 2.976 160 等边角钢678 L45x3 2.088 180 等边角钢679 L45x4 2.736 180 等边角钢680 L45x5 3.369 180 等边角钢681 L45x6 3.985 180 等边角钢682 L50x3 2.332 200 等边角钢683 L50x4 3.059 200 等边角钢684 L50x5 3.77 200 等边角钢685 L50x6 4.465 200 等边角钢686 L56x3 2.624 224 等边角钢687 L56x4 3.446 224 等边角钢688 L56x5 4.251 224 等边角钢689 L56x8 6.568 224 等边角钢690 L63x4 3.907 252 等边角钢691 L63x5 4.822 252 等边角钢692 L63x6 5.721 252 等边角钢693 L63x8 7.469 252 等边角钢694 L63x10 9.151 252 等边角钢695 L70x4 4.372 280 等边角钢696 L70x5 5.397 280 等边角钢697 L70x6 6.406 280 等边角钢698 L70x7 7.398 280 等边角钢699 L70x8 8.373 280 等边角钢700 L75x5 5.818 300 等边角钢701 L75x6 6.905 300 等边角钢702 L75x7 7.976 300 等边角钢703 L75x8 9.03 300 等边角钢704 L75x10 11.089 300 等边角钢705 L80x5 6.211 320 等边角钢706 L80x6 7.376 9.4 320 等边角钢707 L80x7 8.525 320 等边角钢708 L80x8 9.658 320 等边角钢709 L80x10 11.874 320 等边角钢710 L90x6 8.35 360 等边角钢711 L90x7 9.656 360 等边角钢712 L90x8 10.946 360 等边角钢713 L90x10 13.476 360 等边角钢714 L90x12 15.94 360 等边角钢715 L100x6 9.366 400 等边角钢716 L100x7 10.83 400 等边角钢717 L100x8 12.276 400 等边角钢718 L100x10 15.12 400 等边角钢719 L100x12 17.898 400 等边角钢720 L100x14 20.611 400 等边角钢721 L100x16 23.257 400 等边角钢722 L110x7 11.928 440 等边角钢723 L110x8 13.532 440 等边角钢724 L110x10 16.69 440 等边角钢725 L110x12 19.782 440 等边角钢726 L110x14 22.809 440 等边角钢727 L125x8 15.504 500 等边角钢728 L125x10 19.133 500 等边角钢729 L125x12 22.696 500 等边角钢730 L125x14 26.193 500 等边角钢731 L140x10 21.488 560 等边角钢732 L140x12 25.522 560 等边角钢733 L140x14 29.49 560 等边角钢734 L140x16 33.393 560 等边角钢735 L160x10 24.729 640 等边角钢736 L160x12 29.391 640 等边角钢737 L160x14 33.987 640 等边角钢738 L160x16 38.518 640 等边角钢739 L180x12 33.159 720 等边角钢740 L180x14 38.383 720 等边角钢741 L180x16 43.542 720 等边角钢742 L180x18 48.634 720 等边角钢743 L200x14 42.894 800 等边角钢744 L200x16 48.68 800 等边角钢745 L200x18 54.401 800 等边角钢746 L200x20 60.056 800 等边角钢747 L200x24 71.168 800 等边角钢748 []5.5x5.5 0.237 22 方钢749 []6x6 0.283 24 方钢750 []6.5x6.5 0.332 26 方钢751 []7x7 0.385 28 方钢752 []8x8 0.502 32 方钢753 []9x9 0.636 36 方钢754 []10x10 0.785 40 方钢755 []11x11 0.95 44 方钢756 []12x12 1.13 48 方钢757 []13x13 1.33 52 方钢758 []14x14 1.54 56 方钢759 []15x15 1.77 60 方钢760 []16x16 2.01 64 方钢761 []17x17 2.27 68 方钢762 []18x18 2.54 72 方钢763 []19x19 2.83 76 方钢764 []20x20 3.14 80 方钢765 []21x21 3.46 84 方钢766 []22x22 3.8 88 方钢767 []23x23 4.15 92 方钢768 []24x24 4.52 96 方钢769 []25x25 4.91 100 方钢770 []26x26 5.31 104 方钢771 []27x27 5.72 108 方钢772 []28x28 6.15 112 方钢773 []29x29 6.6 116 方钢774 []30x30 7.07 120 方钢775 []31x31 7.54 124 方钢776 []32x32 8.04 128 方钢777 []33x33 8.55 132 方钢778 []34x34 9.07 136 方钢779 []35x35 9.62 140 方钢780 []36x36 10.2 144 方钢781 []38x38 11.3 152 方钢782 []40x40 12.6 160 方钢783 []42x42 13.8 168 方钢784 []45x45 15.9 180 方钢785 []48x48 18.1 192 方钢786 []50x50 19.6 200 方钢787 []53x53 22.1 212 方钢788 []55x55 23.7 220 方钢789 []56x56 24.6 224 方钢790 []58x58 26.4 232 方钢791 []60x60 28.3 240 方钢792 []63x63 31.2 252 方钢793 []65x65 33.2 260 方钢794 []68x68 36.3 272 方钢795 []70x70 38.5 280 方钢796 []75x75 44.2 300 方钢797 []80x80 50.2 320 方钢798 []85x85 56.7 340 方钢799 []90x90 63.6 360 方钢800 []95x95 70.8 380 方钢801 []100x100 78.5 400 方钢802 []105x105 86.5 420 方钢803 []110x110 95 440 方钢804 []115x115 103.8 460 方钢805 []120x120 113 480 方钢806 []125x125 122.7 500 方钢807 []130x130 132.7 520 方钢808 []140x140 153.9 560 方钢809 []150x150 176.6 600 方钢810 []160x160 201 640 方钢811 []170x170 226.9 680 方钢812 []180x180 254.3 720 方钢813 []190x190 283.4 760 方钢814 []200x200 314 800 方钢815 []80x80x2 5.024 320 方管816 []80x80x2.5 6.28 320 方管817 []80x80x3 7.253 320 方管818 []80x80x4 9.546 320 方管819 []40x40x2 2.512 160 方管820 []40x40x2.5 3.14 160 方管821 []40x40x3 3.768 160 方管822 []40x40x4 4.522 160 方管823 []80x40x2 3.768 320 方管824 []80x40x2.5 4.71 320 方管825 []80x40x3 5.652 320 方管826 []120x120x3 11.021 480 方管827 []120x120x4 14.57 480 方管828 []140x140x3 12.905 560 方管829 []140x140x4 17.082 560 方管830 []200x100x6 27.13 800 方管831 []150x150x5 22.77 29 600 方管832 []200x200x4 24.62 31.36 800 方管833 []200x200x4.5 27.62 35.19 800 方管834 0.2mm 1.57 钢板835 0.25mm 1.963 钢板836 0.3mm 2.355 钢板837 0.35mm 2.748 钢板838 0.4mm 3.14 钢板839 0.45mm 3.533 钢板840 0.5mm 3.925 钢板841 0.55mm 4.318 钢板842 0.6mm 4.71 钢板843 0.7mm 5.495 钢板844 0.75mm 5.888 钢板845 0.8mm 6.28 钢板846 0.9mm 7.065 钢板847 1mm 7.85 钢板848 1.1mm 8.635 钢板849 1.2mm 9.42 钢板850 1.3mm 10.21 钢板851 1.4mm 10.99 钢板852 1.5mm 11.78 钢板853 1.6mm 12.56 钢板854 1.7mm 13.35 钢板855 1.8mm 14.13 钢板857 2mm 15.7 钢板858 2.2mm 17.27 钢板859 2.5mm 19.63 钢板860 2.8mm 21.98 钢板861 3mm 23.55 钢板862 3.2mm 25.12 钢板863 3.5mm 27.48 钢板864 3.8mm 29.83 钢板865 3.9mm 30.62 钢板866 4mm 31.4 钢板867 4.2mm 32.97 钢板868 4.5mm 35.33 钢板869 4.8mm 37.68 钢板870 5mm 39.25 钢板871 5.5mm 43.18 钢板872 6mm 47.1 钢板873 6.5mm 51.03 钢板874 7mm 54.95 钢板875 8mm 62.8 钢板876 9mm 70.65 钢板877 10mm 78.5 钢板878 11mm 86.35 钢板879 12mm 94.2 钢板880 13mm 102.05 钢板881 14mm 109.9 钢板882 15mm 117.75 钢板883 16mm 125.6 钢板884 17mm 133.45 钢板885 18mm 141.3 钢板886 19mm 149.15 钢板887 20mm 157 钢板888 21mm 164.85 钢板889 22mm 172.7 钢板890 24mm 188.4 钢板891 25mm 196.25 钢板892 26mm 204.1 钢板893 28mm 219.8 钢板894 30mm 235.5 钢板896 34mm 266.9 钢板897 35mm 274.75 钢板898 36mm 282.6 钢板899 38mm 298.3 钢板900 40mm 314 钢板901 42mm 329.7 钢板902 45mm 353.25 钢板903 48mm 376.8 钢板904 50mm 392.5 钢板905 52mm 408.2 钢板906 55mm 431.75 钢板907 60mm 471 钢板908 65mm 510.25 钢板909 70mm 549.5 钢板910 75mm 588.75 钢板911 80mm 628 钢板912 85mm 667.25 钢板913 90mm 706.5 钢板914 95mm 745.75 钢板915 100mm 785 钢板916 105mm 824.25 钢板917 110mm 863.5 钢板918 120mm 942 钢板919 125mm 981.25 钢板920 130mm 1020.5 钢板921 140mm 1099 钢板922 150mm 1177.5 钢板923 160mm 1256 钢板924 165mm 1295.25 钢板925 170mm 1334.5 钢板926 180mm 1413 钢板927 185mm 1452.25 钢板928 190mm 1491.5 钢板929 195mm 1530.75 钢板930 200mm 1570 钢板931 5kg/m 5.45 钢轨932 9kg/m 8.94 钢轨933 12kg/m 12.2 钢轨934 15kg/m 15.2 钢轨935 22kg/m 22.3 钢轨936 30kg/m 30.1 钢轨937 38kg/m 38.73 钢轨938 43kg/m 44.65 钢轨939 50kg/m 51.51 钢轨940 60kg/m 60.64 钢轨941 BH400x160x8x10 48.98 62.4 1440 高频焊942 BH450x160x8x10 52.12 66.4 1540 高频焊943 BH400x150x6x8 36.93 47.04 1400 高频焊944 BH400x200x6x8 43.21 55.04 1600 高频焊945 BH400x150x4.5x8 32.4 41.28 1400 高频焊946 BH400x160x8x10 48.98 62.4 1440 高频焊947 BH400x150x6x8 36.93 47.04 1400 高频焊948 BH400x200x6x8 43.21 55.04 1600 高频焊949 BH435x160x8x16 65.5 83.44 1510 高频焊950 BH400x160x8x16 63.3 80.64 1440 高频焊951 BH435x160x8x10 51.18 65.2 1510 高频焊952 G203/30/100 21.5 格栅板953 G203/30/50 24.8 格栅板954 G203/40/100 17.4 格栅板955 G203/40/50 20.7 格栅板956 G205/30/100 33.6 格栅板957 G205/30/50 36.9 格栅板958 G253/30/100 26 格栅板959 G253/30/50 29.3 格栅板960 G253/40/100 21 格栅板961 G253/40/50 24.3 格栅板962 G255/30/100 41.1 格栅板963 G255/30/50 44.4 格栅板964 G255/40/100 32.7 格栅板965 G255/40/50 36 格栅板966 G323/30/100 32.3 格栅板967 G323/30/50 35.7 格栅板968 G323/40/100 25.9 格栅板969 G323/40/50 29.2 格栅板970 G325/30/100 51.7 格栅板971 G325/30/50 55 格栅板972 G325/40/100 40.9 格栅板973 G325/40/50 44.3 格栅板974 G385/30/100 60.8 格栅板975 G385/30/50 64.1 格栅板976 G385/40/100 48 格栅板977 G385/40/50 51.3 格栅板978 G403/30/100 39.6 格栅板979 G403/30/50 42.9 格栅板980 G403/40/100 31.5 格栅板981 G403/40/50 34.9 格栅板982 G405/30/100 63.8 格栅板983 G405/30/50 67.1 格栅板984 G405/40/100 50.4 格栅板985 G405/40/50 53.7 格栅板986 G505/30/100 78.9 格栅板987 G505/30/50 82.2 格栅板988 G505/40/100 62.1 格栅板989 G505/40/50 65.4 格栅板990 G655/30/100 101.6 格栅板991 G655/30/50 104.9 格栅板992 G655/40/100 79.8 格栅板993 G655/40/50 83.1 格栅板994 I10 11.261 14.3 472 工字钢995 I12 13.987 17.818 536 工字钢996 I12.6 14.223 18.118 548 工字钢997 I14 16.89 600 工字钢998 I16 20.513 672 工字钢999 I18 24.143 736 工字钢1000 I20a 27.929 800 工字钢1001 I20b 31.069 808 工字钢1002 I22a 33.07 880 工字钢1003 I22b 36.524 888 工字钢1004 I24a 37.477 944 工字钢1005 I24b 41.245 952 工字钢1006 I25a 38.105 964 工字钢1007 I25b 42.03 972 工字钢1008 I27a 42.825 1028 工字钢1009 I27b 47.084 1036 工字钢1010 I28a 43.492 1048 工字钢1011 I28b 47.888 1056 工字钢。
规格理重规格理重规格理重规格理重25*3 1.124 100*6 9.366 25*16*3 0.912 100*63*6 7.55 25*4 1.459 100*7 10.83 32*20*4 1.522 100*63*7 8.722 30*3 1.373 100*8 12.276 32*20*4 1.522 100*63*8 9.87830*4 1.786 100*10 15.12 40*25*3 1.484 100*63*10 12.142 40*3 1.852 100*12 17.898 40*25*4 1.936 100*80*6 8.3540*4 2.422 100*14 20.611 45*28*3 1.687 100*80*7 9.656 40*5 2.976 100*16 23.257 45*28*4 2.203 100*80*8 10.946 50*3 2.332 110*7 11.928 50*32*3 1.908 100*80*10 13.476 50*4 3.059 110*8 13.532 50*32*4 2.494 110*70*6 8.3550*5 3.77 110*10 16.69 56*36*3 2.153 110*70*7 9.65 50*6 4.465 110*12 19.782 56*36*4 2.818 110*70*8 10.946 60*5 4.57 110*14 22.809 56*36*5 3.466 110*70*10 13.476 60*6 5.42 125*8 15.504 63*40*4 3.185 125*80*7 11.066 63*4 3.907 125*10 19.133 63*40*5 3.92 125*80*8 12.551 63*5 4.822 125*12 22.696 63*40*6 4.638 125*80*10 15.474 63*6 5.721 125*14 26.193 63*40*7 5.339 125*80*12 18.33 63*8 7.469 140*10 25.522 70*45*5 4.403 140*90*10 17.475 70*6 6.406 140*14 29.49 70*45*6 5.218 140*90*12 20.724 70*7 7.398 140*16 33.393 70*45*7 6.011 140*90*14 23.908 70*8 8.373 160*10 24.729 70*50*5 4.808 160*100*10 19.872 75*5 5.818 160*12 29.391 70*50*6 5.699 160*100*12 23.59275*6 6.905 160*14 33.987 75*50*8 7.431 160*100*14 27.247 75*7 7.976 160*16 38.518 75*50*10 9.098 160*100*16 30.835 75*8 9.03 180*12 33.159 80*50*5 5.005 180*110*10 22.273 75*10 11.089 180*14 38.383 80*50*6 5.935 180*110*12 26.464 80*6 7.376 180*16 43.542 80*50*7 6.848 180*110*14 30.589 80*8 9.658 180*18 48.634 80*50*8 7.745 180*110*16 34.649 80*10 11.874 200*14 42.894 90*56*5 5.661 200*125*12 34.436 90*6 8.35 200*16 48.68 90*56*6 6.717 200*125*14 39.045 90*8 10.946 200*18 54.401 90*56*7 7.756 200*125*16 39.045 90*10 13.476 200*20 60.056 90*56*8 8.3779 200*125*18 43.588 90*12 15.94 200*24 71.168不锈钢管规格表一览Ф6x1 Ф34x2-8 Ф70x3-10 Ф152x3-20Ф8x1-2 Ф36x2-8 Ф73x3-10 Ф159x3-25Ф10x1-2 Ф38x2-8 Ф76x2-16 Ф168x3-30Ф12x1-3 Ф40x2-8 Ф80x2-16 Ф180x3-30Ф14x1-4 Ф42x2-8 Ф83x2-16 Ф219x4-35Ф16x1-4 Ф45x2-8 Ф89x2-16 Ф245x5-35Ф18x1-4 Ф48x2-8 Ф95x2.5-16 Ф273x5-40Ф20x1-5 Ф50x2-8 Ф102x2.5-18 Ф325x5-40 Ф22x1-5 Ф51x2-8 108x2.5-18 Ф355x7-40Ф25x1.5-5 Ф57x2-10 Ф114x2.5-18 Ф377x8-45 Ф27x2-5 Ф60x2-10 Ф120x3-18 Ф426x8-50 Ф28x2-5 Ф63x2-10 Ф127x3-18 Ф456x8-50 Ф30x2-8 Ф65x3-10 Ф133x3-18 Ф530x8-50Ф32x2-8 Ф68x3-10 Ф140x3-20 Ф630x10-40 不锈钢管规格产品名称规格、型号标准名称标准号不锈钢管Φ6~630x 1~50mm 流体输送用不锈钢管 GB/T14976-2002不锈钢管Φ6~630x 1~50mm 结构用无缝不锈钢管 GB/T14975-2002不锈钢管Φ6~630x 1~50mm 锅炉、热交换器用不锈钢管 GB13296-91不锈钢焊管Φ219~1200x 3~20mm 流体输送用不锈钢管 GB12770-2002钢管种类钢管尺寸(毫米)精度普通级高级冷拔外径6-10 流体输送用不锈钢管Ф355x7-40>10-30 结构用无缝不锈钢管Ф377x8-45>30-50 锅炉、热交换器用不锈钢管Ф426x8-50>50 流体输送用不锈钢管Ф456x8-50(轧)管壁厚0.5-1.0 ±0.15毫米Ф530x8-50>1.0-3.0 ±14%±12%>3.0 ±12% -10%-10% +10%h型钢规格表一览类别型号(高度×宽度) 截面尺寸/nma 截面面积/cm2 理论质量/(kg/m)H×B t1 t2 rHW 100×100 100×100 6 8 10 21.9 17.2125×125 125×125 6.5 9 10 30.31 23.8150×150 150×150 7 10 13 40.55 31.9175×175 175×175 7.5 11 13 51.43 40.3200×200 200×200 8 12 16 64.28 50.5#200×204 12 12 16 72.28 56.7250×250 250×250 9 14 16 92.18 72.4250×255 14 14 16 104.7 82.2300×300 #294×302 12 12 20 108.3 85.O300×305 15 15 20 135.4 106350×350 #344×348 10 16 20 146 115 350×350 12 19 20 173.9 137400x400 #388×402 15 15 24 179.2 141 #394×398 11 18 24 187.6 147400×400 13 21 24 219.5 172#400×408 21 21 24 251.5 197#414×405 18 28 24 296.2 233#428×407 20 35 24 361.4 284*458×417 30 50 24 529.3 415*498×432 45 70 24 770.8 605HM 150×100 148×100 6 9 13 27.25 21.4 200×150 194×150 6 9 16 39.76 31.2 250×175 244×175 7 11 16 56.24 44.1 300×200 294×200 8 12 20 73.03 57.3 350×250 340×250 9 14 20 101.5 79.7 400×300 390×300 1O 16 25 136.7 107 450×300 440×300 11 18 24 157.4 124 500×300 482×300 11 15 28 146.4 115 488×300 n 18 28 164.4 129600×300 582×300 12 17 28 174.5 137#594×302 14 23 28 222.4 175HN 100×50 100×50 5 7 1O 12.16 9.54 125×60 125×60 6 8 1O 17.01 13.3150×75 150×75 5 7 10 18.16 14.3175×90 175×90 5 8 10 23.21 18.2200×100 198×99 4.5 7 13 23.59 18.5 200×100 5.5 8 13 27.57 21.7250×125 248×124 5 8 13 32.89 25.8 250×125 6 9 13 37.87 29.7300×150 298×149 5.5 8 16 41.55 32.6 300×150 6.5 9 16 47.53 37.3350×175 346×174 6 9 16 53.19 41.8 350×175 7 11 16 63.66 50#400×150 #400×150 8 13 16 71.12 55.8 400×200 396×199 7 1 16 72.16 56.7 400×200 8 13 16 84.12 66#450×150 #450×150 9 14 20 83.41 65.5 450×200 446×199 8 12 20 84.95 66.7 450×200 9 14 20 97.41 76.5#500×150 #500×150****2098.2377.1 500×200 496×199****0101.379.5500×200 #506×201 11 19 20 131.3 103 600×200 596×199 10 15 24 121.2 95.1 600×200 1 17 24 135.2 106#606×201 12 20 24 153.3 120700×300 #692×300 13 20 28 211.5 166 700×300 13 24 28 235.5 185*800×300 *792×300 14 22 28 243.4 191 *800×300 14 26 28 267.4 210*900×300 *890×299 15 23 28 270.9 213 *900×300 16 28 28 309.8 243*912×302 18 34 28 364 286。
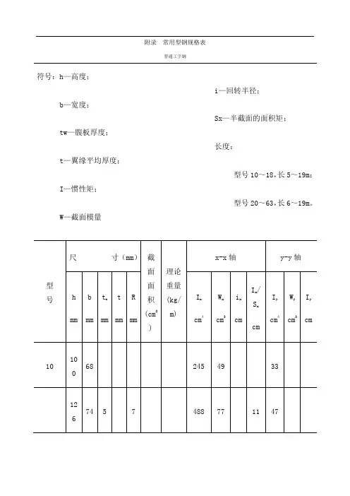
附录常用型钢规格表普通工字钢符号: h—高度;i —回转半径;b—宽度;Sx—半截面的面积矩;tw—腹板厚度;长度:t —翼缘平均厚度;型号 10~18,长 5~19m;I —惯性矩;型号 20~63,长 6~19m。
W—截面模量尺寸( mm)截面面积理论重量x-x 轴y-y 轴型号h b t w t R I x W x i x I x/S x I y W y I y2(kg/m)mm mm mm mm mm (cm ) cm4 cm3 cm cm cm4 cm 3 cm 10 100 68 4.5 7.6 6.5 14.3 11.2 245 49 4.14 8.69 33 9.6 1.51 12.6 126 74 5 8.4 7 18.1 14.2 488 77 5.19 11 47 12.7 1.61 14 140 80 5.5 9.1 7.5 21.5 16.9 712 102 5.75 12.2 64 16.1 1.73 16 160 88 6 9.9 8 26.1 20.5 1127 141 6.57 13.9 93 21.1 1.89 18 180 94 6.5 10.7 8.5 30.7 24.1 1699 185 7.37 15.4 123 26.2 2.0020 a200100 711.4 935.5 27.9 2369 237 8.16 17.4 158 31.6 2.11b 102 9 39.5 31.1 2502 250 7.95 17.1 169 33.1 2.0722 a220110 7.512.3 9.542.1 33 3406 310 8.99 19.2 226 41.1 2.32b 112 9.5 46.5 36.5 3583 326 8.78 18.9 240 42.9 2.2725 a250116 813 1048.5 38.1 5017 401 10.2 21.7 280 48.4 2.4b 118 10 53.5 42 5278 422 9.93 21.4 297 50.4 2.3628 a280122 8.513.7 10.555.4 43.5 7115 508 11.3 24.3 344 56.4 2.49b 124 10.5 61 47.9 7481 534 11.1 24 364 58.7 2.44 a 130 9.5 67.1 52.7 11080 692 12.8 27.7 459 70.6 2.6232 b 320 132 11.5 15 11.5 73.5 57.7 11626 727 12.6 27.3 484 73.3 2.57c 134 13.5 79.9 62.7 12173 761 12.3 26.9 510 76.1 2.53a 136 10 76.4 60 15796 878 14.4 31 555 81.6 2.6936 b 360 138 12 15.8 12 83.6 65.6 16574 921 14.1 30.6 584 84.6 2.64c 140 14 90.8 71.3 17351 964 13.8 30.2 614 87.7 2.6a 142 10.5 86.1 67.6 21714 1086 15.9 34.4 660 92.9 2.7740 b 400 144 12.5 16.5 12.5 94.1 73.8 22781 1139 15.6 33.9 693 96.2 2.71c 146 14.5 102 80.1 23847 1192 15.3 33.5 727 99.7 2.67a 150 11.5 102 80.4 32241 1433 17.7 38.5 855 114 2.8945 b 450 152 13.5 18 13.5 111 87.4 33759 1500 17.4 38.1 895 118 2.84c 154 15.5 120 94.5 35278 1568 17.1 37.6 938 122 2.79a 158 12 119 93.6 46472 1859 19.7 42.9 1122 142 3.0750 b 500 160 14 20 14 129 101 48556 1942 19.4 42.3 1171 146 3.01c 162 16 139 109 50639 2026 19.1 41.9 1224 151 2.96a 166 12.5 135 106 65576 2342 22 47.9 1366 165 3.1856 b 560 168 14.5 21 14.5 147 115 68503 2447 21.6 47.3 1424 170 3.12c 170 16.5 158 124 71430 2551 21.3 46.8 1485 175 3.07a 176 13 155 122 94004 2984 24.7 53.8 1702 194 3.3263 b 630 178 15 22 15 167 131 98171 3117 24.2 53.2 1771 199 3.25c 780 17 180 141 102339 3249 23.9 52.6 1842 205 3.2H 型钢符号: h—高度;b—宽度;t1 —腹板厚度;i —回转半径;t2 —翼缘厚度;Sx—半截面的面积矩。
(四)热轧扁钢规格、重量表[冶标(GB)704-65] 宽度(mm)
厚 度
4 5 6 7 8 9 10 11 12 14 16 18 20 22 25 28 30 重 量 (kg/m) 12 0.38 0.47 0.57 0.66 0.75 14 0.44 0.55 0.66 0.77 0.88 16 0.50 0.63 0.75 0.88 1.00 1.15 1.26 18 0.57 0.71 0.85 0.99 1.13 1.27 1.41 20 0.63 0.79 0.94 1.10 1.26 1.41 1.57 1.73 1.88 22 0.69 0.86 1.04 1.21 1.38 1.55 1.73 1.90 2.07 25 0.79 0.98 1.18 1.37 1.57 1.77 1.96 2.16 2.36 2.75 3.14 28 0.88 1.10 1.32 1.54 1.76 1.98 2.20 2.42 2.64 3.08 3.53 30 0.94 1.18 1.41 1.65 1.88 2.12 2.36 2.59 2.83 3.36 3.77 4.24 4.71 32 1.01 1.25 1.50 1.76 2.01 2.26 2.54 2.76 3.01 3.51 4.02 4.52 5.02 (35) 1.10 1.37 1.65 1.92 2.20 2.75 3.30 3.95 36 1.13 1.41 1.69 1.97 2.26 2.51 2.82 3.11 3.39 3.95 4.52 5.09 5.65 40 1.26 1.57 1.88 2.20 2.51 2.83 3.14 3.45 3.77 4.40 5.02 5.65 6.28 6.91 7.85 8.79 45 1.41 1.77 2.12 2.47 2.83 3.18 3.53 3.89 2.24 4.95 5.65 6.36 7.07 7.77 8.83 9.89 10.60 50 1.57 1.96 2.36 2.75 3.14 3.53 3.93 4.32 4.71 5.50 6.28 7.07 7.85 8.64 9.81 10.99 11.78 (55) 1.73 2.16 2.59 3.02 3.45 4.32 5.19 6.05 56 1.76 2.20 2.64 3.08 3.52 3.95 4.39 4.83 5.27 6.15 7.30 7.91 8.79 9.67 10.99 12.31 13.19 60 1.88 2.36 2.83 3.30 3.77 4.24 4.71 5.18 5.65 6.59 7.54 8.48 9.42 10.36 11.78 13.19 14.13 63 1.98 2.47 2.97 3.46 3.95 4.45 4.94 5.44 5.93 6.92 7.91 8.90 9.69 10.88 12.36 13.85 14.34 65 2.04 2.55 3.06 3.57 4.08 4.59 5.10 5.61 6.12 7.14 8.16 9.19 10.21 11.23 12.76 14.29 15.31 70 2.20 2.75 3.30 3.85 4.40 4.95 5.50 6.04 6.59 7.69 8.79 8.89 10.99 12.09 13.74 15.39 16.49 75 2.36 2.94 3.53 4.12 4.71 5.30 5.89 6.48 7.07 8.24 9.42 10.60 11.78 12.95 14.72 16.49 17.66 80 2.51 3.14 3.77 4.40 5.02 5.65 6.28 6.91 7.54 8.79 10.05 11.30 12.56 13.82 15.70 17.58 18.84 85 2.67 3.34 4.00 4.67 5.34 6.01 6.67 7.34 8.01 9.34 10.68 12.01 13.35 14.68 16.68 18.68 20.02 90 2.83 3.53 4.24 4.95 5.56 6.36 7.07 7.77 8.48 9.89 11.30 12.72 14.13 15.54 17.65 19.78 21.20 95 2.98 3.73 4.47 5.22 5.97 6.71 7.46 8.20 8.95 10.44 11.93 13.42 14.92 16.41 18.84 20.88 22.37 100 3.14 3.93 4.71 5.50 6.28 7.07 7.85 8.64 9.42 10.99 12.56 14.13 15.70 17.27 19.63 21.98 23.55 105 3.30 4.12 4.95 5.77 6.59 7.42 8.24 9.07 9.89 11.54 13.19 14.84 16.49 18.18 20.61 23.08 24.73 110 3.45 4.32 5.18 6.04 6.91 7.77 8.64 9.50 10.36 12.09 13.82 15.54 17.27 19.00 21.59 24.18 25.91 120 3.77 4.71 5.65 6.59 7.54 8.48 9.42 10.36 11.30 13.19 15.07 16.96 18.84 20.72 23.55 26.38 28.26 125 3.93 4.91 5.89 6.67 7.85 8.83 9.81 10.76 11.78 13.74 15.70 17.66 19.63 21.50 24.53 27.48 29.44 130 4.08 5.10 6.12 7.14 8.16 9.18 10.21 11.23 12.25 14.29 16.33 18.87 20.41 22.45 25.51 28.57 30.62 140 4.40 5.50 6.59 7.69 8.79 9.89 10.99 12.09 13.19 15.39 17.58 19.78 21.98 24.18 27.48 30.77 32.97 150 4.71 5.89 7.07 8.24 9.42 10.60 11.78 12.95 14.13 16.49 18.84 21.20 23.55 25.91 29.44 32.97 35.33 160 5.02 6.28 7.54 8.79 10.05 11.30 12.56 13.82 15.07 17.58 20.10 22.61 25.12 27.63 31.40 35.17 37.63 170 5.34 6.67 8.01 9.34 10.68 12.01 13.35 14.68 16.01 18.68 21.35 24.02 26.09 29.36 33.36 37.37 40.04 180 5.65 7.07 8.48 9.89 11.30 12.72 14.13 15.54 16.96 19.78 22.61 25.43 28.26 31.09 35.33 39.56 42.39 190 5.97 7.46 8.95 10.44 11.93 13.42 14.92 16.41 17.90 20.88 23.86 26.85 29.83 32.81 37.29 41.76 44.75 200 6.28 7.85 9.42 10.99 12.56 14.13 15.70 17.27 18.84 21.98 25.12 28.26 31.40 34.54 39.25 43.96 47.10 注 扁钢按其表列重量不同分为三组: 第一组 每m小于19kg,通常长(非定尺)3~9m。 第二组 每m小于19~60kg,通常长(非定尺)3~7m。 第三组 每m大于60kg,通常长(非定尺)3~5m。 括号内型号为非标准产品,通常长度2~6m。
角钢规格型号表 百纳网 2008年10月23日 访问次数 27069 规格 宽度(毫米) 厚度(毫米) 根重(千克) 包装(根) 件重(千克)
2.5# 25 3 6.7 368 2480 25 4 8.8 288 2520
3# 30 3 8.2 368 3030 30 4 10.7 288 3100
3.6# 36 3 9.9 307 3000 36 4 13 232 3010 36 5 15.9 188 2990
4# 40 3 11.1 232 2580 40 4 14.5 186 2700 40 5 17.9 166 2970
5# 50 3 14 186 2600 50 4 18.4 166 3050 50 5 22.6 132 2990 50 6 26.8 112 3000
6.3# 63 4 23.4 188 4400 63 5 28.9 156 4520 63 6 34.3 132 4530 63 8 44.8 104 4660 63 10 54.9 86 4720 镀锌钢管常用规格 公称口径 外径 壁厚 镀锌管壁黑铁管增加的重量系数 MM MM MM 普通钢管 加厚钢管 6 10.0 2 1.064 1.059 8 13.5 2.75 1.056 1.046 10 17.0 3.50 1.056 1.046 15 21.3 3.15 1.047 1.039 20 26.8 3.40 1.046 1.039 25 33.5 4.25 1.039 1.032 32 42.3 5.15 1.039 1.032 40 48.0 4.00 1.036 1.030 50 60.0 5.00 1.036 1.028 65 75.5 5.25 1.034 1.028 80 88.5 4.25 1.032 1.027 100 114.0 7.00 1.032 1.026 125 140.0 7.50 1.028 1.023 150 165.0 7.50 1.028 1.023 说明:W=C*[0.02466*(D-S)*S] W--镀锌管每米重量:kg/m C--镀锌管比黑铁管增加的重量系数 D--黑铁管的外径 S--黑铁管的壁厚