数控铣工中级练习图
- 格式:doc
- 大小:575.00 KB
- 文档页数:20
第一章草图绘制练习[练习题1-2]根据下图,绘制圆周阵列草图。
第二章曲面绘制练习[练习题2]根据下图,绘制曲面练习。
第三章中级数控铣工实训题一考核要求:1.以中小批量生产条件编程;2。
加工面Ra3.2;3.编写完整的加工程序;4、加工完毕,清理干净机床,机床未清理干净,扣10分;5、若打刀,每打1次,扣5分,扣完为止;第二章中级数控铣工实训题二考核要求:1.以中小批量生产条件编程;2。
加工面Ra3.2;3.编写完整的加工程序;4、加工完毕,清理干净机床,机床未清理干净,扣10分;5、若打刀,每打1次,扣10分,扣完为止;第二章中级数控铣工实训题三考核要求:1.以中小批量生产条件编程;2。
加工面Ra3.2;3.编写完整的加工程序;4、加工完毕,清理干净机床,机床未清理干净,扣10分;5、若打刀,每打1次,扣10分,扣完为止;第二章中级数控铣工实训题四考核要求:1.以中小批量生产条件编程;2。
加工面Ra3.2;3.编写完整的加工程序;4、加工完毕,清理干净机床,机床未清理干净,扣10分;5、若打刀,每打1次,扣10分,扣完为止;第二章中级数控铣工实训题五考核要求:1.以中小批量生产条件编程;2。
加工面Ra3.2;3.编写完整的加工程序;4、加工完毕,清理干净机床,机床未清理干净,扣10分;5、若打刀,每打1次,扣10分,扣完为止;第二章中级数控铣工实训题六考核要求:1.以中小批量生产条件编程;2。
加工面Ra3.2;3.编写完整的加工程序;4、加工完毕,清理干净机床,机床未清理干净,扣10分;5、若打刀,每打1次,扣10分,扣完为止;第三章中级数控铣工考核模拟试题(仿真题)试题编号:gdsx060701考核要求:1.以中小批量生产条件编程;2。
填写工艺、刀具卡片;3.编写完整的加工程序;4、加工完毕,清理干净机床,机床未清理干净,扣10分;5、若打刀,每打1次,扣10分,扣完为止;第三章中级数控铣工考核模拟试题(仿真题)考核要求:1.以中小批量生产条件编程;2。
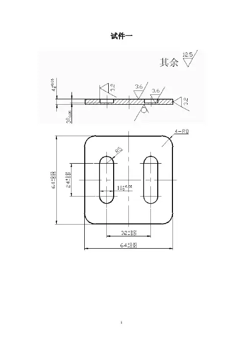
试件一坐标系建在工件中心O1234 O1235N10 G54G40G80G90G17G49; N10 G0X40Y0;N20 G0Z100; N20 G01Z-4F50;N30 M03S600M08; N30 G41Y8D01F120;N40 X40Y0; N40 G03X32Y0R8;N50 Z2; N50 G01Y-24;N60 M98P1235; N60 G02X24Y-32R8;N70 M05; N70 G01X-24;N80 M00; N80 G02X-32Y-24R8;N90 M03S800; N90 G01Y24;N100 G55; N100 G02X-24Y32R8;N110 M98P1236; N110 G01X24;N120 G51.1X0I-1000; N120 G02X32Y24R8;N130 M98P1236; N130 G01Y0;N140 G50.1X0I1000; N140 G03X40Y-8R8;N150 G0Z100; N150 G01G40Y0;N160 Y200; N160 Z200;N170 M30; N170 M99O1236N10 G0X16Y12N20 G01Z0F50N30 Y-12Z-3N40 G41D02X11F120N50 G3X21R5N60 G01Y12N70 G3X11R5N80 Y-12N90 G40X16N100 Z2N110 M99试件二坐标系建在R18圆弧中心O1234N10 G54G40G80G90G17G49 N20 G0Z100N30 M03S600M08N40 X0Y-50N50 Z2N60 M98P1235N70 M05N80 M00N90 M03S800N100 G55N110 G0X25Y20N120 Z2N130 M98P1236N140 G51.1Y0J-1000N150 M98P1236N160 G50.1Y0J1000N170 G0Z100N180 Y200N190 M30O1236N10 G0X25Y20 N20 G1Z-6F50N30 G41D01X18Y19F120 N40 G3X25Y12R7 N50 J8N60 X32Y19R7 N70 G1G40X25Y20 N80 Z2 N90 M99O1235 N10 G0X0Y-50 N20 G1Z-6F50 N30 G41D1X12F120 N40 Y-30 N50 G3X0Y-18R12 N60 G2Y18R18 N70 G3X12Y30R12 N80 Y40 N90 X44 N100 G2X50Y34R6 N110 G1Y15 N120 G3Y-15R25 N130 G1Y-34 N140 G2X44Y-40R6 N150 G1X20 N160 G40X0Y-50 N170 Z150 N180 M99试件三技术要求: 1.工件底面可与毛坯相连接。
数控铣工(中级)技能鉴定操作考核试题姓名: 单位: 准考证号: 考件号:一、 考试图样:其余A(-13.686 15)B (-17.458 12.333) C(-22.333 7.458) D(-25 3.686)二、考核内容:1. 编写图示零件的加工工艺及数控加工程序。
2. 完成图示零件的粗加工和精加工。
三、考核时限:1. 编写图示零件的加工工艺及数控加工程序时间: ---- 50 分钟。
2. 完成图示零件的粗加工和精加工时间: -----------90 分钟。
四、评分标准: (共 80 分)C B AD序号项目1选择量具2选择刀具3加工工艺4评分标准配分 得分量具选择合理,能使用量具正2 确测量工件刀具选择合理,符合加工要求 2 写出合理的加工工艺过程 5 515考评员签字文明生产5消考试资格总分开始时间: 结束时间: 考试日期:写出走刀路线及建立不写出走刀路线 扣 2 分工件坐标系建立工件坐标系扣 2 分5 程序号 无程序号扣 1 分1 6程序内容 每错一个程序段扣 1 分出现危险程序段扣 5 分 25 7 4-0.05 超差 0.01 扣 1 分 5 8 5-0.05超差 0.01 扣 1 分 5 9 粗糙度 Ra3.2 未达到该等级全扣 510粗糙度 Ra1.6 未达到该等级全扣 5 11 50±0.03 超差 0.01 扣 1 分 5 12 30±0.03 超差 0.01 扣 1 分 10 13 孔φ10H7 超差 0.01 扣 1 分 10 14 孔φ16 超差 0.01 扣 1 分 10 违反操作规程全扣, 严重者取毛坯图技术要求:1.工件材料为铝合金2.未注明粗糙度为 Ra3.2数控铣工(中级)技能鉴定操作考核试题姓名: 单位:准考证号:考件号:一、考试图样:其余A(-11.257 11.655) B(4.599 15.540) C(-9.114 5.540) D(7.448 7.943)二、考核内容:1. 编写图示零件的加工工艺及数控加工程序。
数控铣工中级练习图
考件编号:姓名:准考证号:单位:
考件编号:姓名:准考证号:单位:
数控加工中心中级操作技能考核试卷
考件编号:姓名:准考证号:单位:
数控加工中心中级操作技能考核试卷
考件编号:姓名:准考证号:单位:
数控加工中心中级操作技能考核试卷
考件编号:姓名:准考证号:单位:
数控加工中心中级操作技能考核试卷
考件编号:姓名:准考证号:单位:
数控加工中心中级操作技能考核试卷
考件编号:姓名:准考证号:单位:
职业技能鉴定模拟试卷
数控加工中心中级操作技能考核试卷
考件编号:姓名:准考证号:单位:
数控加工中心中级操作技能考核试卷
考件编号:姓名:准考证号:单位:
数控加工中心中级操作技能考核试卷
考件编号:姓名:准考证号:单位:
数控铣工中级操作技能考核试卷
考件编号:姓名:准考证号:单位:
数控铣工中级操作技能考核试卷
考件编号:姓名:准考证号:单位:
数控铣工中级操作技能考核试卷
其余
考件编号:姓名:准考证号:单位:
数控铣工中级操作技能考核试卷
考件编号:姓名:准考证号:单位:
数控铣工中级操作技能考核试卷
考件编号:姓名:准考证号:单位:
数控铣工中级操作技能考核试卷
考件编号:姓名:准考证号:单位:
数控铣工中级操作技能考核试卷
考件编号:姓名:准考证号:单位:
数控铣工中级操作技能考核试卷
考件编号:姓名:准考证号:单位:
数控铣工中级操作技能考核试卷
考件编号:姓名:准考证号:单位:
数控铣工中级操作技能考核试卷
考件编号:姓名:准考证号:单位:。
数控加工中心中级操作技能考核试卷
考件编号:姓名:准考证号:单位:
考件编号:姓名:准考证号:单位:
考件编号:姓名:准考证号:单位:
考件编号:姓名:准考证号:单位:
数控加工中心中级操作技能考核试卷
考件编号:姓名:准考证号:单位:
考件编号:姓名:准考证号:单位:
数控加工中心中级操作技能考核试卷
考件编号:姓名:准考证号:单位:
考件编号:姓名:准考证号:单位:
考件编号:姓名:准考证号:单位:
考件编号:姓名:准考证号:单位:
考件编号:姓名:准考证号:单位:
考件编号:姓名:准考证号:单位:
考件编号:姓名:准考证号:单位:
考件编号:姓名:准考证号:单位:
考件编号:姓名:准考证号:单位:
考件编号:姓名:准考证号:单位:
考件编号:姓名:准考证号:单位:
考件编号:姓名:准考证号:单位:
考件编号:姓名:准考证号:单位:。
考件编号::准考证号:单位:
考件编号::准考证号:单位:
考件编号::准考证号:单位:
考件编号::准考证号:单位:
考件编号::准考证号:单位:
考件编号::准考证号:单位:
数控加工中心中级操作技能考核试卷考件编号::准考证号:单位:
职业技能鉴定模拟试卷
数控加工中心中级操作技能考核试卷考件编号::准考证号:单位:
数控加工中心中级操作技能考核试卷考件编号::准考证号:单位:
数控加工中心中级操作技能考核试卷考件编号::准考证号:单位:
数控铣工中级操作技能考核试卷
考件编号::准考证号:单位:
数控铣工中级操作技能考核试卷
考件编号::准考证号:单位:
数控铣工中级操作技能考核试卷
考件编号::准考证号:单位:
. . . .
其余
数控铣工中级操作技能考核试卷
考件编号::准考证号:单位:
数控铣工中级操作技能考核试卷考件编号::准考证号:单位:
数控铣工中级操作技能考核试卷考件编号::准考证号:单位:
数控铣工中级操作技能考核试卷考件编号::准考证号:单位:
数控铣工中级操作技能考核试卷考件编号::准考证号:单位:
数控铣工中级操作技能考核试卷考件编号::准考证号:单位:
数控铣工中级操作技能考核试卷考件编号::准考证号:单位:。