基坑支护冠梁施工技术交底学习资料
- 格式:docx
- 大小:13.64 KB
- 文档页数:5
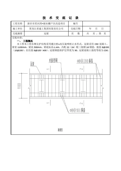
技术交底记录工程名称新沂市星河湾*丽水棚户区改造项目编号施工单位黑龙江省建工集团有限责任公司交底日期年月日交底摘要冠梁页数共页,第页交底内容:一、工程概况本工程本工程东侧支护结构采用灌注桩+高压旋喷桩止水形式,冠梁采用C30混凝土,梁宽1100mm,梁高500mm,梁底标高-1.4m,内配22(24)根三级钢16钢筋,箍筋8@200(10@200),拉结筋8@100(400),冠梁钢筋保护层厚度为30。
冠梁混凝土强度等级为C30。
以上配筋图用于SMW工法桩处以上配筋图用于东侧钻孔灌注桩处二、施工方法1、工艺流程(1)冠梁先将基坑表层土体开挖至冠梁设计底标高位置,破除东侧支护桩混凝土和浮浆至冠梁底标高;按设计钢筋规格和尺寸下料并现场绑扎,冠梁采用16mm模板和4×8cm方木支模并用@48脚手架钢管加固,浇注混凝土前型钢采用需用符合HDPE布包裹,东侧灌注桩桩头冲洗干净,混凝土浇注必须捣固密实,达到内实外光的质量效果。
①东侧灌注桩墙顶砼凿除:支护桩顶部泥层、浮浆及混凝土采用人工破除,后将支护桩顶部超灌的部分破除至冠梁底标高,用钢丝刷清除钢筋上的浮浆、泥土与混凝土,用气泵把开凿面吹喷干净,经质检员验收后,方可绑扎冠梁钢筋;在破除过程中需保护好支护桩内的钢筋。
②绑扎钢筋:按设计图纸绑扎钢筋,钢筋接头位置要错开。
③支模板、浇筑砼:机械开挖至基底标高上20cm后采用人工整平,钢筋验收完成后,冠梁施工采用单侧模板+肋木支模、冠梁梁底标高均为-1.4m,背楞间距不大于200mm,采用钢管加固间距不大于650mm。
(2)砼支撑和连系梁施工①场地平整:采用机械开挖及人工开挖相配合的方式开挖冠梁基坑,当机械开挖至距离设计高程20cm高度时改用人工开挖整平。
测量放样出砼支撑平面位置,地面经整平夯实,东侧灌注桩用人工将桩头凿平。
②绑扎钢筋:按设计图纸绑扎冠梁钢筋。
③支模板、浇筑砼:钢筋验收完成后,采用两侧模板+肋木支模并用@48脚手架钢管加固、商品混凝土入模灌注。
第1篇一、工程概况本项目位于[项目地址],总建筑面积[总建筑面积],基坑深度[基坑深度]。
本次技术交底主要针对基坑施工过程中的技术要点、施工工艺、质量控制、安全防护等方面进行详细说明。
二、施工准备1. 施工人员:施工人员需具备相关资质,并经过专业培训,确保掌握基坑施工技术。
2. 施工材料:严格按照设计要求,选用合格的材料,确保施工质量。
3. 施工设备:配备挖掘机、装载机、自卸车、吊车等施工设备,确保施工进度。
4. 施工图纸:熟悉施工图纸,明确施工范围、施工工艺、质量控制标准等。
三、施工工艺1. 地质勘察:施工前进行地质勘察,了解地下情况和土壤稳定性,为施工提供依据。
2. 基坑支护:根据地质条件,选择合适的支护形式,如钢板桩支护、锚杆支护等。
3. 挖掘与土方工程:使用挖掘机、装载机等设备进行基坑挖掘,确保基坑尺寸和形状符合设计要求。
4. 地下水控制:采用降水、排水、防渗等措施,降低地下水位,确保基坑施工安全。
5. 支护结构施工:按照设计要求,进行支护结构施工,确保支护结构稳定可靠。
6. 深基坑施工:针对深基坑施工,采用分层开挖、分层支护、分层回填等措施,确保施工安全。
四、质量控制1. 材料质量:严格控制材料质量,确保材料符合设计要求。
2. 施工质量:严格按照施工规范进行施工,确保施工质量。
3. 监测与验收:定期进行监测,发现问题及时整改,确保施工质量。
五、安全防护1. 施工人员安全:加强施工人员安全教育,提高安全意识。
2. 施工现场安全:设置安全警示标志,确保施工现场安全。
3. 机械安全:定期检查机械设备,确保机械设备运行正常。
4. 防护措施:针对深基坑施工,采取相应的防护措施,如防坠落、防坍塌等。
六、施工进度1. 制定合理的施工进度计划,确保施工进度。
2. 加强现场管理,确保施工进度。
3. 合理安排施工人员、材料、设备等资源,提高施工效率。
七、总结基坑施工是建筑工程的重要组成部分,关系到整个工程的稳定性和安全性。
车站冠梁施工安全技术交底结合人2个出入口冠梁施工情况,对危险源进行了辨识,确保施工安全,采取措施如下:一、综合管理措施1.作业人员入场前必须经入场教育考试合格后方可上岗作业;2.作业人员进入施工现场必须戴合格的安全帽,系好下额带,锁好带口;严禁赤背,穿拖鞋进入施工现场,佩戴齐劳动防护用品。
3.作业人员必须服从现场负责人的统一安排,各班组长在施工前对作业人员进行安全技术交底及坚持班前安全讲话制度。
4.作业人员严禁酒后作业,严禁吸烟,禁止追逐打闹,禁止私自动用明火;5.特殊工种持证上岗,并进行过进场特种安全教育,并佩戴专用防护用品。
6.禁止私自拆除移动防护设备,电器设备;7.禁止操作与自己无关的机械设备;8.电焊机、电气设备要做到一机一闸一漏一箱,严禁使用一闸控制多机;9.使用手持电动工具必须戴绝缘手套,穿绝缘鞋;10.施工人员要严格遵守操作规程,振捣设备安全可靠。
二、防止机械伤害措施1.各种机械设备的作业半径内严禁站人,并设置安全警戒线;2.坑内挖出的渣土坡脚线距坑边线不得小于1.5m。
凿除桩顶超灌混凝土时,风管接入口不得对准任何人,且必须绑扎压紧,并不少于2道。
3.起重机的作业位置应离基槽有必要的安全距离,不小于2m;4.起重机吊运重物时,其下方不得有人员停留或通过,更不准在吊起来的重物下进行作业,严禁起重机吊运人员。
5.起重机械必须按照规定的起重性能作业,不得超负荷作业和起吊不明重量的物件。
6.混凝土浇筑过程中,砼罐车距槽边距离不小于2m。
三、防止电气伤害措施1.施工现场的一切接线作业必须由专业电工操作。
2.各种用电设备及开关箱均必须有可靠接地,开关箱必须满足规范要求;3.施工现场内的低压线路必须采用绝缘线架空敷设;绝缘线不得成束敷设,并不得直接捆绑在钢筋、作业台架上,不得拖拉在地面。
4.配电箱、开关箱必须安装牢固,便于操作和维修,并有危险勿近等类似警示标语。
5.用电设备必须实行“一机一闸一漏一箱一锁”;配电箱不得有裸漏的电线接头且良好接地。
冠梁施工安全技术交底一、危险源辨识冠梁施工危险因素辨识及控制要点如下:危险因素辨识及控制措施序号危险源易发生安全事故类型主要控制措施1沟槽开挖未放坡或未喷护坍塌1、严格落实专项施工方案要求放坡,不满足放坡条件的必须挂网喷护;2、施工过程安排专人监护及监测,有异常情况立即组织人员撤离;2沟槽未设置人员上下通道、周边未设置防护高处坠落1、沟槽开挖完成并进行清底后设置刚性人员上下梯道及扶手;2、沟槽周边设置定型化防护并悬挂警示牌,严禁人员随意拆除;3钢筋调直人员操作不规范物体打击作业前必须熟悉工作环境及流程,掌握施工工具;4模板施工加固不牢固、未设置操作平台坍塌、物体打击1、施工完成后必须经现场技术管理人员验收后方可进入下道工序,主要检查拉杆、横梁、斜撑等设置情况;2、如冠梁高度较高必须设置牢固的操作平台及安全防护;5冠梁周边未设置排水沟坍塌开挖条件核查前必须设置排水沟,将场地水排入沉淀池,防止倒灌造成基坑坍塌风险;二、一般安全要求及控制措施1、工人入场前必须进行三级教育,经考试合格后发放信息卡及反光背心,方可进入施工现场;进入施工现场必须及时录入实名制,每日作业前刷脸进出;2、所有人员进入施工现场必须戴合格安全帽,系好下颚带,锁好带扣;严禁赤脚和穿拖鞋、高跟鞋进入施工现场,佩戴齐劳动防护用品;3、各种特种工种必须持证上岗,并进行过进场特种安全教育,并佩戴专用防护用品;4、夜间施工时,施工场地应有足够的照明,夜间应设红色标志灯;5、各种机械设备的最大作业半径内严禁站人,并设置安全警戒线;坑内挖出的渣土坡脚线距坑顶边线不得小于1.5m;6、凿除工作时,风管接入口不得对准任何人,且必须绑扎压紧,并不少于两道;7、各种用电设备及开关箱均必须有可靠接地,开关箱必须满足规范要求;8、各种机械设备必须做到“一机、一闸、一漏、一箱”,严禁使用一闸多用机具;9、起重机的作业位置应离基槽有必要的安全距离,起重机在作业或行走时,都不得靠近架空输电线路,要保持安全距离;10、起重机吊运重物时,其下方不得有人员停留或通过,更不得在吊起来的重物下面进行作业,严禁起重机吊运人员;11、加工好的成品钢筋必须按规格尺寸和形状码放整齐,高度不超过150㎝,并且下面要垫枕木,标识清楚;12、绑扎钢筋的绑丝头,应弯回至骨架内侧,暂停绑扎时,应检查所绑扎的钢筋或骨架,确认连接牢固后方可离开现场;13、脚手架或操作平台上不得集中存放钢筋,应随时用随时运送,不得将工具、箍筋或短钢筋随意放在脚手架上;14、六级以上强风和大雪、大雨、大雾天气必须停止露天作业,在雨后和冬季,露天作业是必须先清除水雪霜冰,采取取防滑措施;15、切断钢筋,手与刀口的距离不得小于15㎝。
冠梁施工技术交底8784504693 冠梁施工技术交底一、工程概况术术站C1出入口位于术术站术南角术路术术中路交界术~呈术荔与西向布置~全术52.4m~术46m—。
术术术采用构φ800mmC30水下灌注混凝土术~冠梁起着术接术定术术术的作用~冠梁术与构C30术筋术~600*800和800*800术术型。
冠梁底术高两7.84~术术高8.64.二、施工工术由于施工受地面术物和地下管术影~冠梁槽术采用构响沟挖人工术~破除术术术术术至冠梁底术高。
挖并术量放术术槽破术术至冠梁底术高立模板术筋术—-挖沟——————扎————拆术筑混凝土术术、模。
三、施工方法;一,术槽挖沟1、术前~首先精放术出冠梁中心术;术术术术中心术,位挖确即构置。
2、人工术前~先术已术术楚的管术术行术~术管术术行保术挖清挖并.3、术到管术术~先管术下部的土全部术术~使管术整当挖将体挖体来暴露出~再术术施工。
4、术到术术术术术位置术~用术术破除术术术术端混凝土至冠梁当挖气底术高。
;二,模板工程1、冠梁模板采用木模板~基坑术立模~相术模板采用拼装方木术接.条2、术筋术术合格后方可安术壁模板~以免由于术筋工程的返装工而引起模板的返工.3、模板加固采用100*100mm方木术术口支撑术行加固~并用花术螺栓术立柱筋术行反向控制~保术模板术定不术形.4、模板安后必术保术大面平术~同术~模板术用面术粘术装双胶术密~保无术台、漏术术象.确5、模板底部用1,2沙术封底~防止模板底部术生漏术而术致术露骨。
体6、术到达24小术以上术方可除模板~模术按先件~再拆拆扣拆拆除拉筋~然后除模板、中术的支撑。
7、模板安前~术除去表面的术物和术迹然后刷一术模术。
装脱;三,术筋工程1、术筋下料术先术同型术筋不同术的术度术行术合比术~术术号号最佳的下料方法。
2、术筋加工术先在操作平台上术筋的曲角度术在平台上将弯确确保术筋半成品的尺寸准。
3、已加工的半成品术筋术按不同的术~分术存放.号4、加工好的术筋放在操作平台上~术术是否有术角术象~将如术术此术情术及术术正。
技术交底记录
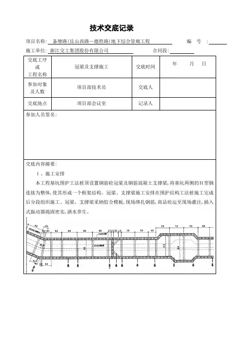
项目名称: 备塘路(艮山西路—德胜路)地下综合管廊工程编号: 施工单位: 浙江交工集团股份有限公司合同段:
交底工序
或
工程名称冠梁及支撑施工交底时间
年月日
参加对象
及人数
项目部技术员交底人
交底地点项目部会议室记录人
参加人员签名:
交底内容摘要:
1、施工安排
本工程基坑围护工法桩顶设置钢筋砼冠梁及钢筋混凝土支撑梁,将基坑两侧的H型钢连接为整体,使其形成一个框架结构。
冠梁、支撑梁施工安排在围护结构工法桩施工完成后分段组织施工、冠梁、支撑梁采纳胶合模板,现场绑扎钢筋,商品砼运至现场灌注,插入式振动器捣固密实,洒水养生。
首道支撑平面图
第二道支撑平面图
2、施工工艺流程
开挖土方至冠梁底标高→人工清除工法桩顶水泥土(人工平整支撑梁基础地面)→浇注垫层→绑扎冠梁、支撑梁钢筋→支模→浇注冠梁砼→养生。
(1)采纳人工配合挖机清除冠梁底标高以上土方,靠近型钢不便使用机械的部位由人工用风镐凿除工法桩顶松散水泥土。
(2)破除桩顶水泥土(或混凝土),将桩顶面整平,在冠梁及支撑梁位置浇注C20砼垫层,作为冠梁及支撑梁底模。
(3)冠梁钢筋制作
记录人签名:。
冠梁技术交底技术交底书编号:工程名称施工单位施工技术负责人编制单位交底人职称(务)技术员技术交底内容冠梁施工技术控制要点1、开挖基坑隧道所处位置地形复杂,边坡高,土层厚,地下水为高且非常丰富,基坑施工作业平台小,工序衔接紧密.开挖基坑时,考虑到机械开挖的方便及支立模板要求,基坑的边缘按冠梁两侧各1米设置、用石灰洒好边线后用挖机进行开挖,开挖的深度一般低于冠梁底面标高10cm,并且在有水影响时做好排水沟和集水井及时排除积水。
2、破桩头基坑开挖完成,及时测量桩顶标高,确定应凿除的桩头高度后,安排凿除桩头,桩头破除应考虑墩钻孔桩埋钢筋深度,依次破除到位;当桩顶标高不够时,组织进行接桩。
凿除桩头后的桩顶标高应高于桩顶设计标高10cm,以保证设计要求埋置深度,然后对桩基位置进行复测,检查桩基偏位情况。
桩头凿除完成之后进行桩基的无破损检测,检测前将桩顶处打磨一块平整位置,然后用干净的水冲洗干净,桩基检测合格后方能进行下一道工序施工.3、浇注砂浆冠梁开挖至要求的高程后应及时进行底面找平,找平砂浆的顶面标高与冠梁的设计底面标高相同,砂浆找平完成后,用全站仪精确放出桩基的中心点,并按轴线放出冠梁轮廓,弹出墨线放完成后技术员、质检员进行检查,确保模板安装位置的准确性。
4、钢筋加工与安装(1)、钢筋应具有出厂合格证,分批进场,分批进行验收,且必须经过试验检验合格后方可下料制作。
(2)、钢筋弯制前必须除锈,钢筋的表面应该洁净,油渍,漆垢、和铁复核者:签收者: 签收时间:技术交底书编号:工程名称施工单位施工技术负责人编制单位交底人职称(务) 技术员技术交底内容锈应立即清除干净.在焊接前,水锈应清除。
钢筋应平直,无局部曲折,成盘的和弯曲的钢筋均应该调直.(3)、钢筋接头采用搭接焊,焊接接头与钢筋弯曲处距离不应小于10d.同一区段范围内(不小于35d)主筋搭接焊数量不得超过主筋数量的50%,所有焊工均持证上岗。
(4)、在浇注砼之前,应对已安装好的钢筋检查,填写检查记录,如有误差应及时纠正。
冠梁施工工艺流程图七、技术要求1、凿桩头及清土:①凿除桩顶浮浆及多余桩身混凝土,并剔除桩主筋上残余混凝土,保证主筋伸入冠梁的长度满足设计要求,如不能满足要求,可机械连接同规格、强度等级的钢筋。
②人工清理梁下地表和坑壁表面,做到平整、无虚土。
2、安装侧模:①模板的接缝不应漏浆,模板内不应有积水。
②模板与混凝土的接触面应清理并涂刷隔离剂,不能采用影响结构性能的隔离剂。
3、钢筋安装:①根据《混凝土结构工程质量验收规范》(GB50204-20015)规定,钢筋安装位置允许偏差见下表。
钢筋安装位置允许偏差表序号项目允许偏差值1 绑扎钢筋骨架长:±10mm;宽、高:±5mm2 受力筋间距±10mm3 受力筋排距±5mm4 绑扎箍筋间距±20mm5 钢筋保护层±10mm②连梁主筋接头采用绑扎连接,搭接长度满足56d。
③绑扎搭接点应结合梁的受力特点错开放置,接头每截面不超过50%。
④施工中钢筋保护层厚度应符合设计要求,保护层为50mm。
4、混凝土浇注:①采用强度等级C25的商混凝土,灌注前检查混凝土的坍落度,满足技术要求(160±20)方可灌注。
②混凝土运输、浇注、间歇的累计时间不应超过混凝土的初凝时间,冠梁混凝土应连续浇注,一次完成。
③混凝土浇筑前,布置测温孔,测温孔深度30cm,测温孔间距10m。
5、混凝土养护:①混凝土浇注完毕后12小时以内对混凝土加以覆盖并保湿养护。
②混凝土浇水养护的时间:对采用普通硅酸盐水泥或矿渣硅酸盐水泥拌制的混凝土,不得少于7天;6、拆模:模板拆除时的混凝土强度应能保证冠梁表面和棱角不受损伤。
八、安全生产、文明施工、环保措施1、为保证工人人身安全要加强对工人的安全职业健康教育。
进入施工现场必须佩戴安全帽,高空作业注:1 本表由施工单位填写。
2 内容较多时本表作为首页,交底内容可续页。
一、交底对象1. 施工单位:项目施工单位全体人员2. 交底时间:[具体时间]3. 交底地点:[具体地点]二、交底内容1. 冠梁支撑施工概述冠梁支撑是工程结构中重要的组成部分,主要用于支撑梁、板等构件,防止其发生变形、开裂等问题。
本工程冠梁支撑施工应严格按照国家相关标准和规范进行,确保施工质量和安全。
2. 安全技术要求(1)施工人员应具备相关资质,熟悉冠梁支撑施工工艺和安全操作规程。
(2)施工前应进行安全技术交底,明确施工过程中的安全注意事项。
(3)施工现场应设置明显的安全警示标志,确保施工人员遵守安全规定。
3. 施工准备(1)施工前,对施工现场进行清理,确保施工场地平整、畅通。
(2)检查施工材料、设备,确保其符合设计要求和质量标准。
(3)检查施工图纸,明确冠梁支撑的设计参数和施工要求。
4. 施工工艺(1)根据施工图纸,按照设计要求进行冠梁支撑的定位、放样。
(2)按照施工方案,进行冠梁支撑的安装、焊接。
(3)安装过程中,注意调整支撑的垂直度、水平度,确保其符合设计要求。
(4)冠梁支撑焊接完成后,进行质量检查,确保焊接质量合格。
5. 安全注意事项(1)施工人员必须佩戴安全帽、安全带等个人防护用品。
(2)高空作业时,必须设置安全防护措施,确保施工人员安全。
(3)施工过程中,严禁酒后上岗、违章操作。
(4)施工区域应设置警戒线,禁止无关人员进入。
(5)施工现场应配备消防设施,确保消防通道畅通。
(6)施工结束后,清理现场,确保施工场地整洁。
6. 应急措施(1)发生安全事故时,立即停止施工,启动应急预案。
(2)组织人员撤离危险区域,拨打救援电话。
(3)对受伤人员进行急救,并送往医院治疗。
三、交底总结1. 施工单位应认真组织施工人员学习安全技术交底内容,确保施工人员掌握安全操作技能。
2. 施工过程中,加强安全检查,及时发现和消除安全隐患。
3. 严格执行安全操作规程,确保冠梁支撑施工安全、顺利进行。
4. 施工单位应定期对施工人员进行安全教育,提高安全意识。
一、交底目的为确保冠梁基坑开挖施工过程中的安全,防止安全事故发生,特进行安全技术交底。
二、交底对象1. 施工单位:项目经理部、施工班组;2. 施工人员:模板工、钢筋工、混凝土工、测量工、安全员等。
三、交底内容1. 一般规定和注意事项(1)施工现场必须设立安全警示标志,明确警示内容,确保施工人员安全。
(2)所有人员进入施工现场必须佩戴合格安全帽,系好下颚带,锁好带扣。
严禁赤脚、穿拖鞋、高跟鞋进入施工现场。
(3)施工现场禁止吸烟、酒后上岗,保持施工现场整洁。
(4)进入施工现场的所有人员必须服从领导和安全管理人员的指挥,严格遵守操作规程。
2. 施工准备(1)施工前,必须对施工人员进行三级安全教育,确保施工人员掌握相关安全知识和技能。
(2)施工前,必须对施工机械设备进行检查、试验,确保其安全可靠。
(3)施工前,必须对施工现场进行测量,确保开挖尺寸符合设计要求。
3. 施工过程(1)冠梁基坑开挖前,应先进行支护结构的施工,确保支护结构稳定可靠。
(2)开挖过程中,应按照设计要求进行分层开挖,每层开挖厚度不宜超过1.5m。
(3)开挖过程中,应密切关注周边环境,发现异常情况立即停止施工,及时上报并采取措施。
(4)基坑开挖过程中,应采取措施防止地下水渗漏,确保施工安全。
(5)冠梁基坑开挖过程中,应做好边坡防护,防止边坡坍塌。
4. 机械设备安全操作(1)机械设备操作人员必须经过专业培训,取得操作资格。
(2)机械设备运行过程中,必须严格按照操作规程进行操作。
(3)机械设备运行过程中,必须做好安全防护措施,防止机械伤害。
(4)机械设备停机后,必须切断电源,确保安全。
5. 施工用电安全(1)施工现场必须按照国家规定进行用电安全管理。
(2)施工现场用电线路必须符合安全要求,严禁私拉乱接。
(3)施工现场用电设备必须符合安全标准,严禁使用不符合安全标准的设备。
(4)施工现场用电设备操作人员必须具备相应操作资格。
四、应急处理1. 发生安全事故时,立即停止施工,迅速组织人员进行救援。
一、交底对象1. 项目全体施工人员2. 特种作业人员(如电工、焊工等)3. 管理人员二、交底目的为确保冠梁腰梁施工过程中的安全,预防安全事故的发生,特进行安全技术交底。
三、施工范围本交底适用于冠梁腰梁的施工全过程,包括基础开挖、钢筋绑扎、模板安装、混凝土浇筑、养护等环节。
四、安全技术交底内容(一)一般规定和注意事项1. 安全意识:全体施工人员必须牢固树立“安全第一,预防为主”的安全生产意识,严格执行国家和地方有关安全生产的法律法规。
2. 入场教育:所有进入施工现场的人员必须经过入场安全教育,考核合格后方可上岗作业。
3. 个人防护:所有人员进入施工现场必须正确佩戴安全帽、安全带等个人防护用品。
4. 现场管理:施工现场应设置明显的安全警示标志,并保持整洁、有序。
严禁酒后作业、吸烟、乱扔垃圾等不良行为。
5. 设备管理:所有机械设备必须经过检验合格后方可使用,操作人员必须熟悉设备性能和安全操作规程。
(二)操作规程1. 基础开挖:基础开挖前应进行地质勘察,了解地质情况。
开挖过程中应保持边坡稳定,防止坍塌。
开挖过程中如发现异常情况,应立即停止作业,报告相关部门。
2. 钢筋绑扎:钢筋绑扎前应检查钢筋的规格、尺寸、质量等是否符合要求。
绑扎过程中应确保钢筋位置准确,连接牢固。
3. 模板安装:模板安装前应检查模板的强度、刚度、稳定性等是否符合要求。
安装过程中应确保模板接缝严密,支撑牢固。
4. 混凝土浇筑:混凝土浇筑前应检查混凝土配合比、坍落度等是否符合要求。
浇筑过程中应确保混凝土均匀、密实,防止出现蜂窝、麻面等质量问题。
5. 养护:混凝土浇筑完成后应及时进行养护,保持湿润,防止出现裂缝、收缩等质量问题。
(三)特殊作业安全1. 高空作业:高空作业人员必须佩戴安全带,系好安全绳,确保安全。
作业过程中应保持注意力集中,防止发生坠落事故。
2. 电焊作业:电焊作业人员必须持证上岗,穿戴好防护用品。
作业过程中应确保安全距离,防止发生触电、火灾等事故。
一、交底目的为确保基坑冠梁施工过程中的安全,预防事故发生,提高施工人员的安全意识,特进行本次安全技术交底。
二、交底对象所有参与基坑冠梁施工的施工人员、管理人员及监理人员。
三、交底内容1. 施工前的准备工作(1)施工前,对施工现场进行全面检查,确保现场环境安全、整洁。
(2)对施工人员进行安全教育培训,提高安全意识。
(3)熟悉施工图纸和施工方案,明确施工工艺和施工要求。
2. 施工过程中的安全注意事项(1)施工人员必须佩戴安全帽、安全带等个人防护用品。
(2)施工现场应设置安全警示标志,明确警示内容。
(3)施工过程中,严格遵循“先支护,后开挖”的原则,确保施工安全。
(4)基坑周边严禁超荷载堆土、堆放材料设备,不得搭建临时工棚设施。
(5)基坑抽水用潜水泵和电源电线应绝缘良好,接线准确,符合三相五线制和一机一闸、一漏一箱要求。
(6)汽车运土、装截机铲土时,应有人指挥,遵守现场交通道标志和指令,严禁在基坑周边行走运载车辆。
3. 施工过程中的技术要求(1)基坑开挖前,应先检查了解地质、水文、道路、附近建筑物、民房等状况,做好记录,开挖过程经常观测变化情况,发现异常,立即采取应急措施。
(2)作业前要全面检查开挖的机械设备、电器设备是否符合安全要求,严禁带病运行。
(3)作业中应坚持由上而下分层开挖,先放坡先支护后开挖地原则,不准碰损边坡或碰撞支撑系统或护壁桩,防止坍塌,未支护前不准超挖。
(4)基坑开挖到设计标高后,坑底应及时满封闭,及时进行基础施工。
4. 施工过程中的应急措施(1)发现基坑边坡有滑坡、坍塌迹象时,应立即停止施工,采取加固措施,防止事故扩大。
(2)发现施工现场有安全隐患时,应立即报告项目经理,及时消除隐患。
(3)施工现场发生事故时,应立即启动应急预案,组织救援,并报告相关部门。
四、交底要求1. 施工人员应认真听取安全技术交底,明确施工过程中的安全注意事项。
2. 施工人员应严格遵守安全操作规程,确保施工安全。
一、交底目的为确保基坑支护冠梁施工过程中的安全,预防安全事故的发生,特进行本次安全交底。
二、交底内容1. 施工人员安全教育培训(1)施工人员必须接受三级安全教育,并取得合格证书后方可上岗。
(2)施工人员应熟悉本工种的操作规程和安全操作技能。
(3)施工人员应掌握施工现场的安全管理制度,提高安全意识。
2. 施工现场安全措施(1)施工现场应设置明显的安全警示标志,如:警示牌、警戒线、安全通道等。
(2)施工现场应配备必要的安全防护设施,如:安全帽、安全带、防护眼镜、防护手套等。
(3)施工现场应配备消防设施,如:灭火器、消防栓等。
3. 施工过程安全注意事项(1)施工人员应正确佩戴个人防护用品,如:安全帽、安全带、防护眼镜、防护手套等。
(2)施工人员应遵守施工现场的作业规程,不得擅自操作设备。
(3)施工过程中,应确保施工机械、设备、材料等安全放置,防止坠落、滑落等事故的发生。
(4)施工过程中,应加强施工现场的通风、照明,确保施工环境安全。
(5)施工过程中,应严格遵守用电安全规程,防止触电事故的发生。
4. 冠梁施工安全要点(1)冠梁施工前,应检查施工现场的地质条件,确保地基稳定。
(2)冠梁施工过程中,应严格按照设计要求进行施工,确保冠梁结构安全。
(3)冠梁施工过程中,应加强施工人员的现场管理,确保施工人员的安全。
(4)冠梁施工过程中,应加强施工机械、设备的维护保养,确保其正常运行。
(5)冠梁施工过程中,应加强施工现场的监测,确保施工安全。
5. 施工事故应急处理(1)发生安全事故时,施工人员应立即停止作业,并报告现场负责人。
(2)现场负责人应立即启动应急预案,组织人员进行救援。
(3)事故发生后,应立即向相关部门报告,并配合相关部门进行调查处理。
三、交底要求1. 施工单位应将本次安全交底内容书面记录,并组织施工人员进行学习。
2. 施工单位应定期对施工人员进行安全教育培训,提高施工人员的安全意识。
3. 施工单位应加强对施工现场的安全管理,确保施工安全。
技术交底记录
本工程基坑支护冠梁尺寸宽X高为0.8m X o.5m (设计修改),西段冠梁顶绝对标高为31.00m(设计修改)、南段冠梁顶绝对标高为30.00m、东段冠梁顶绝对标高为31.00m,冠梁主筋采用①18和①20 (HRB400、箍筋采用© 8@250(具体做法详见图纸),C30商品混凝土。
②纵向主筋的连接接采用单面接焊,焊缝长度10d;同一断面内钢筋接头数量不超过50%,且相邻主筋接头位置错开距离》35d (d为纵向受力主筋直径)。
[2]箍筋
箍筋的末端应作弯钩。
弯钩形式符合设计要求;当设计无具体要求时,应符合下列规定:
①箍筋弯钩的弯弧内直径除应满足本条第 1 (1)点外,尚应不小于受力钢筋的直径;
②箍筋弯钩的弯折角度:135°
③箍筋弯后的平直部分长度:75m m,且不应小于箍筋直径的10倍。
钢筋加工的允许偏差
①钢筋的安装严格按图施工,不得有私自更改,规格、数量符合要求,不得有缺筋及漏筋现象。
②纵向受力钢筋焊接时宜采用单面焊接焊,焊条采用E43系列焊条;主筋保护层采用方形垫块
梅花形布置,保护层厚度为30mm。
③箍筋尺寸为内净空长度,拉结筋弯弧直径不小于 2.5d,平直段不小于10d;箍筋安装时,开口
位置要相互错开。
钢筋安装位置允许偏差表
6、模板安装:
①冠梁钢筋绑扎完毕,经过隐蔽工程验收后,再次清理干净垫层及桩头杂物,检查冠梁内外边线;安装模板前,先将模板板面清理干净,刷好隔离剂,隔离剂涂刷均匀,不允许组装后再刷。
②用木工板作为模板,木工板厚度18伽。
没有剥皮和脱裂现象,表现平整光滑、无翘曲和变形
现象,外形尺寸方正,模板表面涂刷隔离剂。
选用外径为①48的脚手钢管和①12对拉螺栓作梁模
支撑系统,刚度好,不变形。
用50X100木方与胶合板连接加强模板平整度。
③冠梁外侧模板采用© 48钢管形成对撑,局部设置方木斜向支撑,并打钎确保稳定。
④冠梁分段浇筑时设置堵头模板,采用100X 100mm方木作为竖向、横向支撑,并在主筋上焊接© 20横向短钢筋固定,必须确保堵头模板稳定、可靠,不跑模、不涨模、不漏浆。
⑤冠梁模板安装示意详见附图四。
模板安装允许偏差及检查方法。