设备日常维护保养卡
- 格式:doc
- 大小:74.50 KB
- 文档页数:5
新设备修理保养情况记录卡日期:____________________设备名称:____________________设备编号:____________________设备类型:____________________设备规格:____________________修理保养历史记录:日期保养或修理内容负责人备注____________________________________日期使用情况使用人备注______________________________保养维护计划:计划保养日期保养内容负责人备注____________________________设备检修报告:日期检修内容检修人备注____________________________设备故障记录及处理情况:日期故障内容处理人备注____________________________设备保养记录卡是记录设备修理保养情况的重要工具,可以帮助企业管理人员实时了解设备的维护情况,及时采取修理和保养措施,确保设备的正常运行。
本记录卡的使用方法如下:1.填写日期、设备名称、设备编号、设备类型和设备规格等基本信息。
2.在修理保养历史记录表中填写设备的修理和保养情况。
包括日期、保养或修理内容、负责人和备注等信息。
维护人员应详细记录设备维护的具体内容,包括更换的配件、维护的部位和维护所采用的方法等。
3.在设备使用情况记录表中填写设备的使用情况。
包括日期、使用情况、使用人和备注等信息。
使用人员应详细记录设备的使用情况,包括设备是否正常运行、是否出现故障和是否需要维修等。
4.根据设备的维护需要制定保养维护计划。
包括计划保养日期、保养内容、负责人和备注等信息。
计划保养日期应根据设备的使用情况和维护需求进行合理安排。
5.定期进行设备的检修,并在设备检修报告表中填写检修内容。
包括日期、检修内容、检修人和备注等信息。
检修人员应详细记录设备的检修情况,包括检查的部位、发现的问题和采取的措施等。
延津盛世华府二期工程施工机械设备·定期检查/维护保养记录()月份河南省太行建设有限公司年月日械设备·定期检查/维护保养记录表工程名称:延津盛世华府二期工程设备名称:塔吊机械型号:序号项目名称检查、维护、保养内容和要求检查/维修/保养情况备注1 金属结构及紧固连接件1、检查各金属结构件有无裂纹、脱焊和开裂、扭曲、变形、严重锈蚀等现象。
2、机械底架、标准节/件、及附着撑杆等螺栓、销子应齐全紧固无松动。
3、起重机械垂直度≤2‰,防护栏杆和钢板网是否完好,固定可靠。
2 电气系统1、检查电路,控制器及各触头是否接触可靠,并适量润滑,用手拨动应灵活。
2、检查或调整各限位开关的顶杆、碰头接触位置,间隙正常,灵敏可靠。
3、清理配电箱污垢(gou)和积灰,拧紧接线端螺栓。
检查绝缘和接地是否符合要求。
3 制动器调整制动器的间隙,清洁制动器(块),刹车装置灵敏可靠。
若制动片磨损超过1/2或有破损时应及时更换。
4 传动机构各机件无裂纹、破损,滚轮转动自如,减速机构无异响、无漏油,啮(nie)合良好,传动无异响。
无断齿和严重磨损现象。
5 吊钩及钢丝绳吊钩无裂纹,无过度磨损及变形,不得超过标准规定,钢丝绳磨损、变形、断丝及腐蚀情况达报废标准时及时更换。
6 安全装置各种安全限位装置:起重重量、起重力矩、变幅、高度、回转、吊钩保险、断绳保险等应齐全灵敏可靠,发现问题及时修复。
7 润滑情况在规定的周期时间内对各规定部位加换润滑油,对各润滑点加注相应的机油和油脂,保证润滑,清洁干净,油量充足。
8 附着装置附着杆保持在一个水平面上,附着框与塔身固定不得松动,附墙铰座牢固可靠、不晃动,连接销轴、螺栓均完好牢固。
检查/保养结论保养单位(签章)负责人:年月日施工单位(签章):负责人:年月日监理单位(签章):监理工程师:年月日机械设备·定期检查/维护保养记录表工程名称:延津盛世华府二期工程设备名称:混凝土输送泵机械型号:序号项目名称检查、维护、保养内容和要求检查/维修/保养情况备注1清洁润滑工作,检查油位、水位情况。
设备保养记录卡设备名称:_________________保养日期:_________________保养项目:1. 清洁设备外观:使用干净的布或刷子轻轻擦拭设备表面,确保无尘、无污渍。
2. 检查电源线和插头:确保电源线完好无损,插头连接牢固,无松动。
3. 清理设备内部:打开设备外壳,使用吹气球或吹尘器清理设备内部的灰尘和杂物。
4. 检查设备连接线:检查所有连接线是否松动,如有松动及时固定。
5. 润滑设备部件:根据设备说明书,对需要润滑的部件进行适量的加油或润滑。
6. 检查设备运行情况:启动设备,观察设备运行是否正常,如有异常及时记录并报修。
7. 检查设备配件:检查设备配件是否完整,如有损坏或缺失及时更换或补充。
8. 清洁设备附件:清洁设备附件,如刀具、滤网等,确保其正常工作。
9. 检查设备安全:检查设备的安全开关、保护罩等是否完好,并确保设备使用过程中安全可靠。
10. 记录保养情况:将以上保养项目的具体情况记录在下面的表格中。
保养情况记录表:日期项目结果__________________________________________________________________________________________________________________________________________备注:在保养过程中如发现设备存在故障或需要维修的情况,请及时通知维修人员进行处理。
以上为设备保养记录卡的内容,希望能够对设备保养工作有所帮助。
通过定期保养设备,能够延长设备的使用寿命,保障设备的正常运行,提高工作效率。
在保养过程中,务必严格按照保养项目进行操作,并及时记录保养情况,以便后续的维护和修理工作。
设备保养是工作中不可忽视的重要环节,希望大家能够重视起来,并认真负责地完成每一次保养工作。
让我们一起为设备的正常运行和工作效率的提高做出贡献!。
设备维护保养卡
1. 设备维护保养卡,这可不是一张普通的卡片哦!就像汽车需要定期保养才能跑得顺畅,设备也一样呀!比如咱家里的冰箱,要是不保养,制冷效果可能就变差啦。
2. 设备维护保养卡,它可是设备的健康卫士呢!想想看,要是你身体不舒服会咋样?设备也一样会“生病”呀!像电脑,不保养可能就容易死机呢。
3. 设备维护保养卡,那可是相当重要啊!好比战士上战场要有好装备,设备要好好运行也得靠它呀!咱厂里的那些机器不就是例子嘛。
4. 设备维护保养卡,这可是宝贝呀!难道你不想让你的设备像新的一样好用吗?就像手机,保养好了用起来多顺手。
5. 设备维护保养卡,真的超级关键呀!这不就跟人要吃饭补充营养一样,设备也得靠它来维持良好状态呀!家里的空调就是很好的例子呢。
6. 设备维护保养卡,你可别小瞧它哟!它就像医生的诊断书,能告诉你设备哪里需要“治疗”呢!比如打印机,没保养好可能就打印不清楚啦。
7. 设备维护保养卡,这可是大功臣呀!就像运动员的教练,能让设备发挥出最佳性能呢!像工厂的大型设备,有了它才能高效运转呀。
8. 设备维护保养卡,多重要不必多说了吧!你想想,要是没有它,设备出问题了咋办?就像电视,没保养可能会突然黑屏呢。
9. 设备维护保养卡,这绝对是必不可少的呀!它就像给设备穿上了一层保护衣,让设备远离“病痛”呀!像烤箱,保养好了才能烤出美味的食物。
10. 设备维护保养卡,真的是太有用啦!难道你不希望你的设备长寿吗?就像钟表,保养好了能走很久很久呢。
结论:设备维护保养卡对于设备的正常运行和长期使用有着至关重要的作用,大家一定要重视起来呀!。
特种设备维修保养记录电梯日常维护保养纪录编号:固定式简易升降机日常检查记录表固定式简易升降机编号:______________________ 检查人员:__________________________5日 6日 7日 8日 9日 10日 11日 12日 13日 14日 15日 16日 17日 18日 19日 20日 21日 22日 23 24 25 26 27 28 29 30 31曲曲曲曲曲曲和曲曲勺々$44111949万色勺H 0 日 111 日 12 日 113 日 14日1 H 5 日 16 日 1i 7 日1 1i 8 日 1i 9 日 20 日1 21日 22 日1 23 日 24 日 25 日1 26 日1 27 日 28 日 29 日 30 日 31 日咕曲曲n日 耐盘陋H曲和曲曲曲曲曲曲和曲曲和曲曲曲曲1日 2日 3日 4日 5日 6日 7日 8日 9日 10日 11日 12日 13日 14日 15日 16日 17日 18日 19日 20日 21日 22日 23日 24日 25日 1日2日 3日 4日 5日 6日 7日 8日 9日 10日 11日 12日 13日 14日 15日 16日 17日 18日 19日 20日 21日 22日 23日 24日 25日 26日 26日27日 27 日 28 日n 28 日 29日1 29 日 30日] 30日 31 日 II 31日(注:每日检查后,在日期上打“ 丁或X ”表示“合格”与“不合格如打X ”时,应在“故障记录”中记录相关内容,表格不够时,可附页。
)起重机日常检查记录表(注:每日检查后,在日期上打“ 丁或X ”表示“合格”与“不合格如打X ”时,应在“故障记录”中记录相关 内容,表格不够时,可附页。
)厂内机动车辆日常检查记录表车牌号: _________________________ 检查人员: _____________________________________1 日1 日2 日2 日3 日 3 日4 日4 日5日 5日 6日 6日 7 日 7 日 8 日 8 日 9 日9 日OF1、安全 标志 安全警告标志 及标牌完好2、吊钩、 钢丝绳、制动器等主要零部件 完好 3、捆绑、 吊挂链和 钢丝绳 完好 4、电气线 路、液压回 路 无异常 5、操纵 系统 操纵系统灵活 可靠 6、所有安 全、防护装 置 各种安全 装置工作可靠 有效 7、空载 运行 各机构运 转正常,制动 可靠;大小车 沿轨道全长运 行无啃轨现 象。
机台设备保养卡机台设备保养卡是指对机械设备进行定期保养和维护的记录卡片。
保养卡的目的是为了确保机台设备的正常运行和延长使用寿命,提高设备的稳定性和可靠性。
下面将详细介绍机台设备保养卡的内容和重要性。
一、机台设备保养卡的内容1.设备信息:包括设备名称、设备类型、设备编号、设备所在地等基本信息,以便于管理和查询。
2.保养项目:根据设备的不同特点和要求,列出需要保养的项目,如清洁、润滑、紧固、更换部件等。
3.保养周期:根据设备的运行状态和保养要求,设定保养的周期,如月保养、季度保养、年度保养等。
4.保养人员:记录进行保养的人员,包括姓名、工号等,以便于追溯和负责任。
5.保养时间:记录每次保养的具体日期和时间,以便于掌握保养的频率和时效性。
6.保养方法:详细描述保养的具体方法和步骤,包括清洁的方法、润滑的方式、更换部件的步骤等。
7.保养结果:记录每次保养的结果和发现的问题,如设备的故障、损坏、磨损等情况,以便于及时处理和纠正。
8.备注:根据需要记录其他与保养相关的信息,如保养材料的购买渠道、保养方法的改进意见等。
二、机台设备保养卡的重要性1.提高设备的稳定性和可靠性:通过定期保养和维护设备,可以有效降低设备故障率,减少生产线停机时间,提高设备的稳定性和可靠性。
2.延长设备的使用寿命:定期保养可以有效延长设备的使用寿命,减少设备的损耗和磨损,节约企业的维修成本和更换设备的费用。
3.提高工作效率:设备保养卡可以使保养人员按照规范的方法和周期进行保养,提高保养的效率和准确性,降低人为因素对设备运行的影响。
4.提高管理和控制的能力:通过保养卡记录保养的情况和结果,可以掌握设备的使用状况和问题,便于及时采取措施修复和改进,提高设备管理的能力和控制的准确性。
5.保障生产的连续性:定期保养可以及时发现设备的故障和问题,及时处理和修复,确保设备的正常运转,避免生产线的中断和生产计划的延误。
三、机台设备保养卡的使用方法1.制定保养计划:根据设备的运行情况和要求,制定保养的具体计划和周期,明确保养的项目、时间和责任人。
设备日常点检卡片设备日常点检卡片是指针对设备保养管理中的日常点检任务,使用卡片记录设备的点检情况,对设备运行状况进行监控和评估的工具。
该方法简单易行、操作方便,有助于提高设备点检效率和工作效率。
设备日常点检卡片的作用日常点检卡片的主要作用包括:1.方便监测设备的运行状况,及时发现设备问题,防止因设备故障引起的生产中断。
2.提高设备的运行效率和设备的寿命。
3.为设备保养和维护提供有效的数据,为设备保养管理提供数据支持。
设备日常点检卡片的内容设备日常点检卡片的内容可以根据不同行业设备的特点、使用环境和维护需求等进行修改和定制。
一般情况下,设备日常点检卡片的内容包括:1.设备名称和编号。
2.点检日期和点检人员。
3.设备主要部件或组件,包括机械、电气控制、液压、气压及其它常规设备零部件等明细。
4.检查内容和标准,主要包括润滑情况、紧固件是否松动、保护罩是否正常、胶带是否破损、是否有异常噪音等等。
5.检查方式和结果,包括清扫情况、观察结果、记录读数等明细。
6.点检结果评价,主要包括正常或异常,以及异常情况的原因和处理方式。
7.签字确认,点检人员和领班都要签字确认设备点检情况。
设备日常点检卡片的使用方法日常点检卡片的使用需要注意以下几点:1.设备日常点检卡片应该由专人负责管理,按规定进行记录和归档。
2.在每次点检时,点检人员应该按照卡片的要求逐一完成点检任务,并正确记录点检情况。
3.点检结果应当及时反馈给领班和维修记录人员,实时跟踪设备问题的处理。
4.当设备存在异常时,点检人员应根据规定及时进行相关操作,确保设备正常运行。
5.在下一次点检之前,点检负责人应对日常点检卡片进行审核和整理,查看记录是否完成、正确,把重大问题列入维修计划管理下一步措施。
设备日常点检卡片的优缺点设备日常点检卡片的优点:1.管理方便,记录清晰明了并可以随时找到需要的记录信息。
2.减少了人工记录和查找的工作量,提高了工作效率。
3.可以及时反馈设备运行情况,提高设备运行的可靠性和效率。
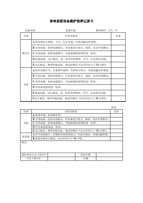
音响系统设备维护保养记录卡
设备名称:设备位置:维保频次:2次∕年
设备内容及要求结果
调音台A.检查调音台旋钮、开关、仪表外观,发现问题及时更换;
B.关闭电源、拔掉电源插头,对设备进行除尘、擦拭、保证外观整洁;
C.关闭电源、拔掉电源插头,对连接插座紧固性逐一检查;
D.接通电源,运行测试,逐一检查各种旋钮、开关、仪表使用功能;
E.运行测试,频率性能实验,测试信噪比(运行时间大于30分钟)。
功放A.检查电源开关、音量调节旋钮,各种显示指示,发现问题及时更换;
B.关闭电源、拔掉电源插头,对设备进行除尘、擦拭、保证外观整洁;
C.关闭电源、拔掉电源插头,对连接插座紧固性逐一检查;
D.对设备连接线逐一检查;
E.接通电源,运行测试,逐一检查各种旋钮、开关、仪表使用功能;
F.运行测试,频率性能实验,测试信噪比(运行时间大于30分钟)。
续表
设备内容及要求结果
音箱A.检查外观、检查固定件;
B.关闭电源、拔掉电源插头,对设备进行除尘、擦拭、保证外观整洁;
C.关闭电源、拔掉电源插头,对连接插座紧固性逐一检查;
D.对设备连接线逐一检查;
E.运行测试,频率性能实验,测试信噪比(运行时间大于30分钟)。
连接线A.打开连线插头,仔细检查连线焊接点、压接点情况,发现问题修复;
B.连接设备运行测试,运行时间大于30分钟。
备注:
维护保养人员(签字)保养日期主管(签字)日期。
设备修理保养情况记录卡1. 介绍设备修理保养情况记录卡是用于记录设备的修理和保养情况的一种文档形式。
它通常用于维护和管理设备的历史维修记录,以便追踪设备的维护情况并及时进行维修和保养。
本文档将介绍设备修理保养情况记录卡的使用方法和内容要点,以及一些注意事项,希望对设备维护人员和管理人员有所帮助。
2. 使用方法2.1 创建记录卡每当设备进行维修或保养时,应该创建一张新的记录卡来记录该次维护情况。
可以在卡片的顶部填写设备名称、设备编号、维护日期等基本信息,方便查找和归档。
2.2 记录维修情况在记录卡的主体部分,应该详细描述设备的维修情况。
包括但不限于以下内容:•维修日期•维修内容•维修人员姓名或维护公司名称•维修材料和工具使用情况•维修过程中产生的问题和解决方法•维修结束后设备的性能状况按照时间顺序记录各次维修情况,以便后续查询和分析。
2.3 记录保养情况类似于维修情况记录,保养情况也需要详细记录。
保养内容可以包括以下方面:•保养日期•保养内容和方法•保养人员姓名或维护公司名称•使用的保养工具和材料•保养过程中发现的问题和解决方法•保养后设备的性能状况2.4 维修和保养结果评估在记录卡的底部,可以针对每次维修和保养情况进行简要的评估。
可以考虑以下方面:•维修或保养是否达到预期目标•维修或保养后设备的性能改善情况•是否需要进一步维修或保养3. 内容要点为了使设备修理保养情况记录卡更加完整和有用,以下是一些建议的内容要点:•设备基本信息:设备名称、设备编号、设备型号等•维修情况记录:按时间顺序列出每次维修的详细情况,包括维修日期、维修内容、维修人员等•保养情况记录:按时间顺序列出每次保养的详细情况,包括保养日期、保养内容、保养人员等•维修和保养结果评估:对每次维修和保养情况进行简要评估,记录设备性能的改善情况•其他备注:可以记录一些其他注意事项、建议等4. 注意事项在使用设备修理保养情况记录卡时,需要注意以下事项:•记录详细:尽量记录详细的维修和保养情况,包括使用的工具、材料和解决问题的方法等。
给水系统保护养护记录表养护及检查日期:工作内容:(养护或检查)保护养护表编号:011、审查2、检查养护人消防系统保护养护记录表养护及检查日期:工作内容:(养护或检查)保护养护表编号:021、审查2、检查养护人电梯平时巡检记录表养护及检查日期:电梯编号:工作内容:(养护或检查)保护养护表编号:031、审查2、检查人弱电系统保护养护记录表养护及检查日期:工作内容:(养护或检查)保护养护表编号:041、审查2、检查养护人避雷接地系统保护养护记录表养护及检查日期:工作内容:(养护或检查)保护养护表编号:051、审查2、检查养护人配电系统保护养护记录表养护及检查日期:工作内容:(养护或检查)保护养护表编号:061、审查2、检查养护人园区铁艺护栏、消防通道门保护养护记录表养护及检查日期:工作内容:(养护或检查)保护养护表编号:071、审查2、检查养护人公共门窗保护养护记录表养护及检查日期:工作内容:(养护或检查)保护养护表编号:081、审查2、检查养护人路面道路设备、标记保护养护记录表养护及检查日期:工作内容:(养护或检查)保护养护表编号:091、审查2、检查养护人送排烟机保护养护记录表养护及检查日期:送排烟机编号:工作内容:(养护或检查)保护养护表编号:101、审查2、检查养护人防火卷帘、人防设备保护养护记录表养护及检查日期:设备编号:工作内容:(养护或检查)保护养护表编号:111、审查2、检查养护人公共灯具保护养护记录表养护及检查日期:工作内容:(养护或检查)保护养护表编号:121、审查2、检查养护人排水系统保护养护记录表养护及检查日期:工作内容:(养护或检查)保护养护表编号:131、审查2、检查养护人。
设备保养卡一、设备保养的重要性设备在使用过程中,由于长时间的运转,会产生磨损、腐蚀等问题,进而影响设备的正常运行。
为了保证设备的稳定性和延长设备的使用寿命,设备保养显得尤为重要。
设备保养旨在定期对设备进行检查、清洁、润滑以及零部件的更换,以确保设备的正常运行和安全性。
二、设备保养的方法1. 定期检查:设备保养应根据设备的使用情况和使用环境制定保养周期。
定期检查设备的各项指标,如温度、压力、电流等,以及设备外观是否有异常情况。
同时,还要检查设备的传感器、电路、管路等是否正常工作。
2. 清洁保养:设备保养的一个重要环节是清洁。
设备在运行过程中会积累各种污垢,如灰尘、油污等,这些污垢会影响设备的散热效果和工作效率。
因此,定期对设备进行清洁是必要的。
清洁时应使用合适的工具和清洁剂,避免对设备造成二次污染。
3. 润滑保养:设备的机械部件在运行过程中会摩擦产生热量,为了减少摩擦和磨损,需要对设备进行润滑保养。
润滑油的选用应根据设备的使用要求和工作环境来确定,同时还要注意润滑油的添加量和更换周期。
4. 零部件更换:设备在长时间运行过程中,部分零部件会出现磨损或老化现象,需要及时更换。
例如,轴承、密封件、皮带等常见易损件应定期检查并更换。
定期更换零部件可以降低设备故障率,确保设备的稳定运行。
5. 记录保养情况:在设备保养过程中,应详细记录每次保养的内容、时间和保养人员等信息。
这样可以及时了解设备的保养情况,及时发现和解决问题,同时也为设备的维护提供参考。
三、设备保养的注意事项1. 设备保养应由专业人员进行,确保操作规范和安全。
2. 在进行设备保养时,需要注意设备的停机和断电,确保操作的安全性。
3. 清洁时应避免使用过于刺激性的清洁剂,以免对设备造成损害。
4. 在更换零部件时,应选择质量可靠的原厂配件,避免使用劣质零部件导致设备故障。
5. 设备保养记录应保存完整,以备后续查询和分析。
四、设备保养的效益1. 提高设备的可靠性:定期保养设备可以及时发现并解决潜在问题,减少设备故障率,提高设备的可靠性。
机械设备的日常维护及保养正确使用与维护设备是设备管理工作的重要环节,是由操作工人和专业人员根据设备的技术资料及参数要求和保养细则来对设备进行一系列的维护工作,也是设备自身运动的客观要求。
设备维护保养工作包括:日常维护保养(一保)、设备的润滑和定期加油换油、预防性试验、定期调整精度和设备的二、三级保养。
维护保养的好备直接影响到设备的运作情况、产品的质量及企业的生产效率。
(一)设备的检查设备检查是及时掌握设备技术状况,实行设备状态监测维修的有效手段,是维修的基础工作,通过检查及时发现和消除设备隐患,防止突发故障和事故,是保存证设备正常运转的一项重在工作。
1、日常检查(日常点检)日常检查是操作工人按规定标准,以五官感觉为主,以设备各部位进行技术状况检查,以便及时发现陷患,采取对策,尽量减少故障停机损失。
对重点设备,每班或一定时间由操作者按设备点检卡逐项进行检查记录。
维修人员在巡检时,根据点检卡记录的异常进行及时有效的排除,保证设备处于完好工作状态。
2、定期检查按规定的检查周期,由维修工对设备性能和业余度进行全面检查和测量,发现问题除当时能调解决之外,将检查结果认真做好记录,作为日后决策该设备维修方案的依据。
3、精度检查这是对设备的几何精度、加工精度及安装水平的测定、分析、调整。
此项工作由专职检查员按计划进行,其目的是为确定设备的实际精芳,为设备调整、修理、验收和报废提供参考依据。
对设备进行各项检查、准确地记录设备的状态信息,能为日后维修提供可靠的依据及维修成本。
(二)日常保养设备的日常保养可归纳为八个字----整齐、清洁、润滑、安全。
1、整齐:工具、工件、附件放置整齐;安全防护用品齐全;线路管道安全完整。
2、清洁:设备内外清洁干净;各滑动面、丝杆、齿条、齿轮、手柄手轮等油垢、无损伤;各部位不漏油、漏水,铁屑垃圾清扫干净。
3、润滑:定时定量加油换油,油质符合要求,油壶、油枪、油杯齐全;油标、油线、油刮保持清洁,油路畅通。
设备的日常维护保养设备的日常维护保养是设备维护的基础工作,必须做到制度化和规范化。
设备定期检查是一种有计划的预防性检查,检查的手段除人的感官以外,还要有一定的检查工具和仪器,按定期检查卡执行,定期检查有人又称为定期点检。
设备维护应按维护规程进行。
设备维护规程是对设备日常维护方面的要求和规定,坚持执行设备维护规程,可以延长设备使用寿命,保证安全、舒适的工作环境。
设备要达到整齐、清洁(设备表面)、坚固(连接部位)、润滑(轴、轴承等)、防腐(设备表面、连接螺栓等)、安全(设备和操作人员等)等的作业条件。
设备的日常维护保养,一般有日保养和周保养,又称日例保和周例保。
1.日例保日例保由设备操作工人当班进行,认真做到班前四件事、班中五注意和班后四件事。
(1)班前四件事检查交接班记录。
擦拭设备,按规定润滑加油。
检查手柄位置和手动运转部位是否正确、灵活,安全装置是否可靠。
低速运转检查传动是否正常,润滑、冷却是否畅通。
(2)班中五注意注意运转声音,设备的温度、压力、液位、电气、液压、气压系统,仪表信号,安全保险是否正常。
(3)班后四件事关闭开关,所有手柄放到零位。
清除铁屑、脏物,擦净设备导轨面和滑动面上的油污,并加油。
清扫工作场地,整理附件、工具。
填写交接班记录和运转台时记录,办理交接班手续。
2.周例保周例保由设备操作工人在每周末进行,保养时间为:一般设备2h,精、大、稀设备4h。
(1)外观擦净设备导轨、各传动部位及外露部分,清扫工作场地。
达到内外洁净无死角、无锈蚀,周围环境整洁。
(2)操纵传动检查各部位的技术状况,紧固松动部位,调整配合间隙。
检查互锁、保险装置。
达到传动声音正常、安全可靠。
(3)液压润滑清洗油线、防尘毡、滤油器,油箱添加油或换油。
检查液压系统,达到油质清洁,油路畅通,无渗漏,无研伤。
(4)电气系统擦拭电动机、蛇皮管表面,检查绝缘、接地,达到完整、清洁、可靠。