柴油发电机组检测与调试验收记录表(doc 9页)
- 格式:doc
- 大小:143.50 KB
- 文档页数:9
柴油发电机检查记录表【原创实用版】目录一、柴油发电机检查的重要性二、柴油发电机检查的项目三、柴油发电机检查的步骤四、柴油发电机检查的注意事项五、柴油发电机检查的记录表正文一、柴油发电机检查的重要性柴油发电机是一种重要的电力设备,被广泛应用于各个领域,如工厂、工地、医院等。
定期对柴油发电机进行检查和维护,可以确保其正常运行,提高发电效率,减少故障率,延长使用寿命。
同时,也有助于保障使用者的人身安全。
二、柴油发电机检查的项目柴油发电机检查主要包括以下几个方面:1.柴油发电机组的清洁:检查发电机组外表是否干净,有无积尘、油渍等。
2.柴油发电机组的润滑:检查润滑油的油量和油质,确保润滑系统正常工作。
3.柴油发电机组的冷却:检查冷却系统的水箱水位、水质和风扇工作状况。
4.柴油发电机组的供电:检查电瓶的电量和充电情况,确保启动电机和控制系统正常供电。
5.柴油发电机组的排气:检查排气系统的通畅情况,确保排放达到环保要求。
6.柴油发电机组的燃油:检查燃油箱的油量和燃油质量,确保燃油系统正常工作。
三、柴油发电机检查的步骤1.检查发电机组外表,确保干净整洁,无积尘、油渍等。
2.检查润滑油量,确保油量在合适范围内,油质良好。
3.检查冷却系统,确保水箱水位正常,水质良好,风扇工作正常。
4.检查电瓶电量和充电情况,确保启动电机和控制系统正常供电。
5.检查排气系统通畅情况,确保排放达到环保要求。
6.检查燃油箱油量和燃油质量,确保燃油系统正常工作。
四、柴油发电机检查的注意事项1.在检查前,需确保发电机组处于停止状态,切断电源。
2.检查润滑油、冷却水等液体时,需等待设备冷却后再进行,以免烫伤。
3.在检查过程中,应避免触碰发电机组的旋转部件,以免造成人身伤害。
4.在检查完成后,需将所有检查部件恢复原状,确保设备正常运行。
柴油发电机检查记录表【实用版】目录一、引言二、柴油发电机的检查项目1.燃料系统检查2.润滑系统检查3.冷却系统检查4.排气系统检查5.电气系统检查三、柴油发电机检查的注意事项四、结论正文一、引言柴油发电机是一种重要的备用电源设备,广泛应用于各个领域。
为了确保柴油发电机在需要时能够正常运行,定期进行全面的检查和维护是必不可少的。
下面我们将详细介绍柴油发电机的检查项目及注意事项。
二、柴油发电机的检查项目1.燃料系统检查燃料系统是柴油发电机的能量来源,主要包括燃油箱、燃油管路、燃油滤清器、喷油泵等。
检查时要确保燃油箱中有足够的燃油,燃油管路连接牢固、无泄漏,燃油滤清器及时更换,喷油泵工作正常。
2.润滑系统检查润滑系统主要是为了减少柴油发电机各部件之间的摩擦,降低磨损。
主要包括机油箱、机油滤清器、机油泵、曲轴箱通风等。
检查时要确保机油量适中,机油滤清器及时更换,机油泵工作正常,曲轴箱通风畅通。
3.冷却系统检查冷却系统主要是为了保持柴油发电机在工作过程中的正常温度。
主要包括水箱、水泵、风扇等。
检查时要确保水箱中有足够的冷却水,水泵、风扇工作正常,水箱散热器清洁。
4.排气系统检查排气系统主要是为了将燃烧后的废气排出,确保柴油发电机正常工作。
主要包括排气管、消声器等。
检查时要确保排气管连接牢固、无泄漏,消声器工作正常。
5.电气系统检查电气系统主要是为了给柴油发电机提供启动、运行所需的电能。
主要包括蓄电池、启动机、发电机、线路等。
检查时要确保蓄电池电量充足,启动机工作正常,发电机输出电压稳定,线路连接牢固、无破损。
三、柴油发电机检查的注意事项1.检查时要遵循先静态后动态的原则,即先检查设备外部有无异常,再启动设备进行检查。
2.在检查燃料、润滑、冷却系统时,要注意防止油、水泄漏,避免对环境造成污染。
3.在检查电气系统时,要确保电源关闭,避免触电事故。
4.对于发现的问题,要及时进行维修或更换,确保柴油发电机在下次使用时能够正常运行。
好好学习社区
更多优惠资料下载:
德信诚培训网
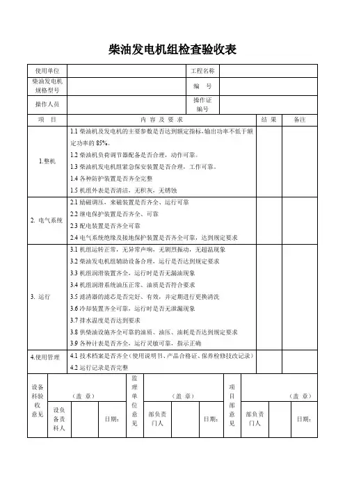
柴油发电机组检查验收表
使用单位
工程名称
柴油发电机 规格型号 编 号 操作人员
操作证 编号
项 目
内 容 及 要 求
结 果
备注 1.整机
1.1柴油机及发电机的主要参数是否达到额定指标,输出功率不低于额定功率的85%。
1.2柴油机负荷调节器配备是否合理,动作可靠。
1.3柴油机发电机组紧急保安装置是否合理,工作可靠。
1.4各种防护装置是否齐全完整
1.5机组外表是否清洁,无积灰,无锈蚀
2. 电气系
统
2.1励磁调压,来磁装置是否齐全、运行可靠 2.2继电保护装置是否齐全、可靠
2.3配电装置是否齐全可靠
2.4电气系统绝缘及接地保护装置是否齐全可靠,达到规定要求
3. 运行
3.1机组运转正常,无异常声响,无剧烈振动,无超温现象 3.2柴油发电机组辅助设备合理,运行是否达到规定要求 3.3机组润滑装置齐全,运行时是否无漏油现象 3.4机组润滑系统油压正常、油质是否符合要求
3.5滤清器的滤芯是否完好、有效,并定期进行更换清洗
3.6冷却装置齐全可靠,运行时是否无泄漏现象 3.7排水温度是否达到要求
3.8供柴油设施齐全可靠的油质、油压、油耗是否达到规定要求
3.9各种计表是否齐全,运行灵敏可靠,指示正确
4.使用管理 4.1技术档案是否齐全(使用说明书、产品合格证、保养检修技改记录)
4.2运行记录是否完整
设 备 科 验 收 意见 (盖 章) 监 理 单 位 意 见 (盖 章) 项 目 部 意 见
(盖 章) 设负 备责 科人 日期: 部负 责 门人 日期: 部负 责 门人
日期:。
发电机检查记录单一、检查概述本次发电机检查旨在确保发电机设备的正常运行和安全性。
通过对发电机的各项指标进行细致的检查和记录,旨在及时发现并解决潜在问题,保障发电机的稳定运行。
二、检查对象本次检查的发电机为型号为XYZ的柴油发电机组,额定功率为1000千瓦,用于供电系统的备用电源。
三、检查内容及结果记录1. 外观检查:- 检查发电机外壳是否完好,是否有明显的损坏或腐蚀;- 检查发电机冷却系统是否正常运行,冷却风扇是否干净;- 检查发电机接线盒和绝缘件是否完好。
2. 电气系统检查:- 检查发电机的接地系统是否良好,接地电阻是否符合标准;- 检查发电机的绝缘电阻是否正常;- 检查发电机的电气连接是否牢固可靠。
3. 机械系统检查:- 检查发电机轴承是否正常润滑,并进行必要的加油;- 检查发电机风扇和风道是否清洁,是否存在异物;- 检查发电机传动系统的皮带是否松弛或磨损。
4. 燃油系统检查:- 检查发电机的燃油滤清器是否需要更换;- 检查燃油泵和喷油嘴是否正常工作;- 检查燃油管路是否有泄漏。
5. 冷却系统检查:- 检查发电机的冷却液位是否正常;- 检查冷却液是否需要更换;- 检查冷却系统是否有泄漏。
6. 排气系统检查:- 检查发电机的排气管路是否畅通;- 检查排气消声器是否存在破损或腐蚀。
7. 控制系统检查:- 检查发电机的控制面板是否正常运行;- 检查控制系统的电缆和连接器是否良好。
四、检查结果记录根据以上检查内容,记录发电机的检查结果如下:1. 外观检查结果:- 发电机外壳完好,无明显损坏或腐蚀;- 发电机冷却系统正常运行,冷却风扇干净; - 发电机接线盒和绝缘件完好。
2. 电气系统检查结果:- 发电机接地系统良好,接地电阻符合标准; - 发电机绝缘电阻正常;- 发电机电气连接牢固可靠。
3. 机械系统检查结果:- 发电机轴承正常润滑,已进行加油;- 发电机风扇和风道清洁,无异物;- 发电机传动系统皮带无松弛或磨损。
附件6:
重庆市2007年农村中央广播电视节目
无线覆盖工程柴油发电机组验收报告
一、测试验收地点:
二、参加测试人员:
三、测试验收时间:
四、测试验收设备名称、规格型号、数量:
设备名称:台机组型号:(验编号:)电机型号:(编号:)
油机型号:(编号:)五、测试验收仪器:
六、测试验收结论(测试内容见附表):
需方代表签字:供方代表签字:
需方单位(签字盖章)供方单位(签字盖章)
二○○八年月日
柴油发电机组检测与调试验收记录合同编号:使用场地:
验收日期:年月日
六、测试验收地点:
七、参加测试人员:
八、测试验收时间:
九、测试验收设备名称、规格型号、数量:
设备名称:台机组型号:(验编号:)电机型号:(编号:)
油机型号:(编号:)十、测试验收仪器:
六、测试验收结论(测试内容见附表):
需方代表签字:供方代表签字:
需方单位(签字盖章)供方单位(签字盖章)
二○○八年月日
柴油发电机组检测与调试验收记录合同编号:使用场地:
验收日期:年月日
十一、测试验收地点:
十二、参加测试人员:
十三、测试验收时间:
十四、测试验收设备名称、规格型号、数量:
设备名称:台
机组型号:(验编号:)
电机型号:(编号:)油机型号:(编号:)十五、测试验收仪器:
六、测试验收结论(测试内容见附表):
需方代表签字:供方代表签字:
需方单位(签字盖章)供方单位(签字盖章)
二○○八年月日柴油发电机组检测与调试验收记录合同编号:使用场地:
验收日期:年月日。