201xx级安全生产专项资金绩效目标
- 格式:doc
- 大小:99.50 KB
- 文档页数:3
安全生产目标责任及绩效考核制度安全生产是企业发展和员工生命财产安全的重要保障,有效的安全生产目标责任及绩效考核制度能够帮助企业建立科学的安全管理体系,改善工作环境,预防事故事件的发生,提高工作效率和员工的安全意识,具有重要的意义。
一、安全生产目标责任制度1. 目标设定企业应根据自身实际情况和安全生产管理要求,制定安全生产目标,并明确具体目标内容、周期和达成标准,确保目标实施的可行性和科学性。
2. 层级责任划分企业应明确安全生产目标的责任主体,并逐级划分安全生产责任,确保各级领导和相关岗位的责任分工明确,形成责任倒逼机制。
3. 责任追究对于未能完成安全生产目标的责任主体,应追究相应的责任,包括行政、经济和法律责任等,确保目标责任落实到位。
4. 安全生产目标的全员参与企业应建立全员参与的安全生产目标责任制度,使每个员工都能够参与到安全生产管理中来,增强责任感和主动性。
二、绩效考核制度1. 定期考核企业应制定定期考核制度,每个周期对安全生产目标的完成情况进行评估和考核。
考核结果应反映在员工的工资、奖励和晋升等方面,以激励员工主动参与安全生产工作。
2. 考核标准考核标准应明确、科学和具体化,可以包括事故率、事故处理及解决效率、安全设施的完善程度、员工的安全培训情况等指标。
3. 考核程序考核程序应公开透明,员工应清楚了解考核流程和内容,包括自身责任范围、考核指标和考核方式等。
同时,应建立有效的反馈机制,及时反馈考核结果给员工,以便他们了解自己的不足,并及时改进。
4. 考核结果应用考核结果应用于员工的薪资、奖励和晋升等方面,对于达成安全生产目标的员工应给予相应的奖励和优惠政策,对于未能达成目标的员工应进行相应的教育和培训,帮助他们提高安全意识和技能。
三、建立安全管理体系1. 确立安全责任制度企业应建立健全的安全责任制度,明确各级领导和员工在安全生产工作中的责任和义务,形成有效社会监督机制。
2. 安全培训企业应定期开展安全培训活动,提高员工的安全防范意识和安全技能,使员工有能力辨别危险、预防事故和应急处理,确保员工的生命财产安全。
安全生产绩效考核工作方案(.)安全绩效考核方案一、绩效考核目的1.强化安全生产意识,提高全体员工的安全素养。
2.促进各项安全管理制度的有效落实。
3.激发员工安全生产积极性,降低安全事故发生率。
4.客观评价员工在安全生产方面的表现,为奖惩、晋升提供依据。
二、考核对象1.本方案适用于公司全体在岗员工。
2.考核对象分为管理层、技术人员、生产人员、后勤人员等。
三、考核指标1.管理层:安全管理制度的制定与落实安全生产投入安全生产培训与教育安全事故处理2.技术人员:安全技术措施的实施安全隐患排查与治理安全技术创新与改进3.生产人员:安全操作规程的遵守安全生产目标的完成安全隐患整改安全事故报告与处理4.后勤人员:安全设施设备的维护保养安全环境整治安全宣传教育四、考核流程1.制定考核方案:根据公司实际情况,制定具体的安全生产绩效考核方案。
2.确定考核周期:考核周期为每季度一次,特殊情况可根据实际需要调整。
3.绩效考核实施:成立考核小组,由各部门负责人组成,负责对所属部门员工的安全生产绩效进行考核。
考核小组根据考核指标,对员工进行评分。
考核结果分为优秀、良好、合格、不合格四个等级。
4.绩效考核反馈:考核结束后,考核小组向被考核人反馈考核结果。
被考核人如有异议,可在规定时间内向考核小组提出申诉。
5.奖惩措施:对考核结果优秀的员工,给予物质奖励和精神鼓励。
对考核结果合格的员工,进行诫勉谈话,督促其改进。
对考核结果不合格的员工,进行处罚,直至解除劳动合同。
6.绩效考核结果的应用:考核结果作为员工晋升、薪酬调整、培训选拔的重要依据。
对连续两个季度考核不合格的员工,进行降级或辞退处理。
五、方案实施与监督1.本方案自发布之日起实施,由公司安全管理部负责解释和修订。
2.各部门要切实加强绩效考核的组织实施,确保方案的有效落实。
3.公司审计部门对绩效考核工作进行监督,对考核过程中出现的舞弊行为,严肃处理。
4.本方案如有未尽事宜,可根据实际情况予以补充。
安全生产专项资金项目绩效评价报告一、项目基本情况(一)项目概况为加强对安全生产的监督、检查,提升安全管理水平,按照《滨州市人民政府关于进一步加强安全生产工作的决定》(滨政发〔2004〕15号),设立安全生产专项资金。
2015年安排安全生产专项资金363.97万元,2016年1-8月安排安全生产专项资金264.25万元,均已全部拨付。
(二)项目绩效目标通过该项资金投入加强安全生产培训、宣传,为安全生产重点项目提供资金保证,消除重大公共安全隐患,督查、检查安全管理水平,提升我市安全生产监管水平。
二、项目单位绩效报告自评情况滨州市安监局为该项目的实施单位,单位对项目进行了认真自评,报告反映项目资金主要用于加强安全生产监督检查,安全隐患实时监控。
2015年发生一起重大事故,2016年1至8月份未发生重特大安全生产事故。
三、财政绩效评价工作情况(一)绩效评价目的了解滨州市安监局2015年至2016年8月安全生产专项资金管理使用和效益情况,为下年度预算安排提供参考。
(二)绩效评价方法按照科学规范、公开公正、分级分类、绩效相关原则,采用比较法、因素法、成本法、公众评判法等方法开展绩效评价。
(三)绩效评价工作过程1.前期准备。
成立由市财政局绩效评价中心、中介机构组成的评价小组,整理项目相关资料,确定绩效评价方案,督促单位进行绩效自评。
2.组织实施。
搜集涉及该项目的指标文件、管理办法和单位财务会计资料,核对相关财政拨付情况。
3.分析评价。
分析项目资金使用管理情况,组织绩效评价,根据结果提出预算安排的建议。
四、财政绩效评价指标分析情况本次评价按照市财政局《关于印发<滨州市市级预算绩效管理暂行办法>的通知》(滨财办〔2013〕5号),结合单位实际情况设置评价指标体系,具体指标详见附表。
按照规定程序,对单位评价指标进行了分析,具体如下:(一)具体评价指标分析1.项目决策情况(1)项目目标:滨州市安监局在申报预算时以实现全市安全生产信息实时监控,加强安全生产监督检查、人员培训、奖励先进,降低事故发生率为绩效目标。
安全生产绩效考核工作方案范文为深入贯彻落实___《___加强企业安全生产工作___》(国发[___])精神,强化安全生产监督管理,促进安全生产形势持续稳定,按承德市交通运输局《___交通运输企业安全生产绩效考核工作方案___》(承交安全[___]___号)要求,特制定本办法。
一、指导思想以科学发展观为指导,坚持安全第一,预防为主、综合治理的方针,通过全面开展我公司安全生产绩效考核,进一步落实企业安全生产的主体责任,不断提高我公司安全生产管理水平,为公司安全和谐发展提供可靠保障。
二、考核范围我公司所属各项目部、各部门。
三、考核目标通过对我公司所属各项目部、各部门的安全绩效考核,提高我公司员工的工作表现,提升我公司的整体形象,并达到《建筑施工安全检查标准》及有关规定的各项指标的要求。
四、___机构公司成立承德路桥建设总公司安全生产绩效考核工作领导小组:组长:副组长:成员:___设在公司安全环保部,具体负责安全生产绩效考核工作的___指导及日常工作,并___实施企业安全生产绩效考核工作。
五、考核内容企业安全生产绩效考核内容主要包括国家法律、标准规范中对企业安全生产的相关要求以及企业安全生产各项工作的落实情况、取得的效果。
具体考核内容包括:㈠有无安全生产责任事故㈡___、责任体系建设情况㈢规章制度、应急预案和演练及隐患排查整改情况㈣人员培训和教育㈤施工人员日常管理和劳动保护情况㈥现场管理、文明施工㈦临时设施㈧防火防爆㈨机械设备、车辆安全管理详细考核内容见附表:企业安全生产绩效考核内容评分表。
六、考核结果㈠考核结果实行一票否决制,凡发生安全生产责任事故的,本项目部、本部门的安全绩效考核为不合格。
㈡企业安全生产绩效考核满分为___分,附加分为___分。
考核等级分为优秀(___分及以上)、良好(___分(包括)--___分)、合格(___分(包括)--___分)和不合格(90以下)四个级别。
㈢每年___月底前或者该项工程完工后,公司将对所有部门(项目部)上一年度(或者已完工程)的安全生产绩效考核,考核结果公布。
生产安全绩效考核方案生产安全绩效考核方案一、考核目的生产安全绩效考核是为了评估企业生产过程中的安全情况,及时发现和解决存在的安全隐患,提升企业的生产安全水平,确保员工的生命财产安全。
二、考核内容1. 生产安全管理制度的执行情况:考核企业是否建立了完善的生产安全管理制度,并严格按照制度要求执行。
2. 安全生产设备的维护情况:考核企业是否按照规定对生产设备进行定期检查、维护、保养,确保设备的正常运行。
3. 安全操作规程的遵守情况:考核企业是否制定了安全操作规程,并要求员工严格按照规程操作,避免操作不当导致的事故。
4. 安全培训与教育的开展情况:考核企业是否定期组织安全培训与教育活动,提高员工的安全意识和应急处置能力。
5. 安全事故的处理与反馈情况:考核企业对发生的安全事故是否及时处理和反馈,并采取相应的措施防止类似事故再次发生。
三、考核方法1. 考核面试:由考核人员对企业负责人和生产安全管理人员进行面试,了解企业的生产安全管理情况。
2. 考核现场检查:考核人员对企业的生产现场进行检查,检查生产设备的维护情况、员工的安全操作规程执行情况等。
3. 考核文件审查:考核人员对企业的生产安全管理文件进行审查,包括安全管理制度、培训记录、事故处理记录等。
4. 考核员工评价:由企业内部员工对企业的生产安全情况进行评价,通过匿名方式进行,以充分了解员工对企业生产安全的看法。
四、考核标准根据考核内容和考核方法,制定相应的考核标准,具体包括以下几个方面:1. 考核材料完整性和准确性要求:要求企业提供完整、准确的考核材料,确保考核结果的可靠性。
2. 考核现场检查合格率要求:要求企业的生产现场检查合格率达到一定的标准,以保证生产过程的安全性。
3. 考核员工评价满意度要求:要求企业的员工对企业的生产安全情况评价满意度达到一定的标准,以反映员工的安全感和满意度。
五、考核结果处理根据考核的结果,对企业的生产安全情况进行评价和分析,并提出改进建议。
安全生产目标责任及绩效考核制度范文一、目的及依据为了全面贯彻落实国家、地方和公司有关安全生产方面的法律法规,确保公司的安全生产工作有章可循、有计可依,提高安全生产的管理水平和整体绩效,制定本制度。
本制度的编制依据有:中华人民共和国安全生产法、劳动法及相关法规;公司安全生产管理体系文件;国务院颁布的各项安全生产工作规章制度等。
二、适用范围本制度适用于全公司员工的安全生产目标责任及绩效考核工作。
三、安全生产目标责任1. 公司安全生产目标责任的核心要求是“生产一线安全质量、管理一线安全效率”,各个职能部门与生产部门共同承担安全生产目标责任,实行分级目标责任制。
2. 公司安全生产目标责任主要包括以下几个方面:(1)生产部门目标责任:制定年度安全生产目标责任,并向上级部门汇报,按照上级部门的要求达成目标。
(2)职能部门目标责任:协助生产部门做好安全生产工作,制定年度安全生产目标责任,并向上级部门汇报,按照上级部门的要求达成目标。
(3)员工目标责任:全员参与安全生产工作,每个员工都要树立安全意识,制定安全生产目标责任,并按照公司要求达成目标。
四、安全生产绩效考核1. 考核方法(1)定性考核:包括安全体系、安全制度、宣传教育等是否完善,安全设施设备是否齐全,员工安全意识是否高涨等方面考核。
(2)定量考核:通过考核具体指标来评价安全生产工作的效果,例如:事故发生的频率和严重程度、安全生产培训的完成率、安全巡检的合格率等。
2. 考核标准(1)定性考核标准:根据公司安全生产管理体系要求,制定相应的定性考核标准。
(2)定量考核标准:根据公司安全生产目标责任的要求,制定相应的定量考核标准。
五、考核周期与频次1. 考核周期:按年度制定安全生产目标责任,每年年底进行绩效考核。
2. 考核频次:每季度进行一次定量考核,每年进行一次定性考核。
六、考核结果与奖惩机制1. 考核结果由考核部门按照制定的考核标准进行评分,评分结果向上级部门汇报。
年度安全生产绩效目标年度安全生产绩效目标目标背景:安全生产是企业的重要职责之一,也是保障员工安全和企业可持续发展的基础。
为了全面落实国家安全生产政策,确保企业安全生产状况持续改善,提高生产效率,降低事故发生率,我们制定了以下年度安全生产绩效目标。
一、理念和策略1. 加强安全意识和责任意识的培育,确保员工安全生产意识的树立,全员参与安全生产管理。
2. 制定完善的安全生产管理制度和操作规程,确保工作流程安全可控,设备设施安全稳定运行。
3. 加强安全培训和教育,提高员工安全生产的知识和技能水平。
二、安全生产环境1. 落实安全生产场所管理,确保工作场所的安全环境,包括通风、照明、防火等设施的完善。
2. 进行安全设施的定期检查和维护,确保设施设备的安全性和可靠性。
3. 加强对危险品和有害物质的规范管理,提高危险品存放和处理的安全性。
4. 建立和完善事故应急预案,提高事故应急响应和处理能力。
三、安全生产管理1. 组织安全生产巡查和检查,发现安全隐患及时整改,确保安全隐患消除率达到100%。
2. 加强对禁止的行为和不安全行为的监督和管理,减少安全事故的发生和工伤的发生率。
3. 加强对各类安全事故的分析和研究,总结经验教训,推动安全生产工作的不断改进。
4. 开展安全隐患的排查整治工作,确保安全生产状况持续改善。
四、安全生产绩效评估1. 制定科学合理的安全生产绩效评估指标体系,对整体安全生产工作进行评估。
2. 进行定期的安全生产绩效评估,及时发现问题和不足,制定整改措施。
3. 组织外部安全评审,提供第三方评估的客观意见,为安全生产工作提供有力的支持和指导。
五、安全宣传和培训1. 制定全面的安全宣传计划,推广安全生产知识和经验,提高员工安全意识。
2. 开展定期的安全培训和教育活动,提高员工安全操作和应急处理能力。
3. 加强对新员工的安全培训,确保新员工上岗前具备必要的安全知识和技能。
六、安全生产创新和科技应用1. 加强安全技术研究和创新,提高工作流程的安全性和效率。
安全生产项目年度绩效目标安全生产项目年度绩效目标一、背景介绍安全生产是企业的核心任务之一,关系到员工的生命安全和企业的长期健康发展。
因此,制定安全生产项目年度绩效目标对于企业来说至关重要。
本文将从企业角度出发,提出一些可以作为安全生产项目年度绩效目标的建议。
二、目标设定1.零意外事故目标:确保全年没有发生任何人员伤亡事故和财产损失事故。
为了达到这个目标,可以采取以下措施:- 加强员工培训,提高他们的安全意识和应急处理能力;- 定期组织安全演习,确保员工能够正确应对突发事故;- 安装高效的安全设施,如报警装置、灭火设备等;- 加强对生产设备的维护和检修,确保其安全可靠性。
2.危险源治理目标:全面排查企业内的危险源,并制定相应的治理计划。
具体包括:- 完善危险源管理制度,明确职责和流程;- 编制危险源清单,对每个危险源的性质、影响等进行详细记录;- 制定相应的改善计划,并逐步推进危险源治理;- 定期组织专业机构对治理效果进行评估和验收。
3.安全培训目标:确保全体员工都经过系统的安全培训,掌握必要的安全知识和技能。
具体包括:- 制定员工安全培训计划,并按时组织培训;- 完善培训内容,确保培训内容与实际工作紧密结合;- 组织员工参与应急演练,让他们能够灵活应对各种突发情况;- 对培训效果进行评估,及时改进培训方法和内容。
4.安全检查目标:建立全面的安全检查机制,确保安全隐患得到及时发现和处理。
具体包括:- 制定安全检查制度,明确检查频次和范围;- 责任到人,明确各级岗位的安全检查职责;- 采用多种方法进行安全检查,如定期巡查、安全隐患排查等;- 及时处理安全隐患,制定整改计划并跟踪落实。
5.员工参与目标:鼓励员工积极参与安全管理,为企业的安全生产作出贡献。
具体包括:- 建立员工参与安全管理的机制,设立相关奖励制度;- 组织定期的员工安全意识培训活动,提高员工参与率;- 建立沟通渠道,鼓励员工提出安全改进建议;- 定期表彰优秀员工和团队,激发员工的安全管理热情。
安全生产年度绩效目标管理安全生产是一个组织或企业日常工作中至关重要的一项任务,对于确保员工的生命安全和财产安全具有重要的意义。
因此,为了有效管理和提升安全生产绩效,制定并实施安全生产年度绩效目标是必不可少的。
一、安全生产年度绩效目标管理的重要性1. 提升员工安全意识:制定安全生产年度绩效目标可以明确安全生产的重要性,使员工能够更加守规矩守纪律,增强安全意识,从而降低安全事故的发生率。
2. 优化安全管理体系:通过设置合理的安全生产目标,能够明确安全生产的责任和权益,进一步优化安全管理体系,提高组织或企业的整体安全生产水平。
3. 降低安全生产风险:安全生产目标的设定需要考虑各种可能发生的风险,并采取相应的预防和应急措施,从而降低安全风险,保障员工和企业的安全。
4. 增强组织竞争力:健全的安全生产管理体系和良好的安全生产绩效可以提升组织或企业的形象和声誉,提高市场竞争力,为组织或企业的可持续发展打下坚实基础。
二、安全生产年度绩效目标的制定原则1. 合理性原则:目标的制定必须符合组织或企业的实际情况和安全生产管理的要求,不能过高也不能过低,要与其他经营目标相衔接。
2. 可操作性原则:目标要能够明确工作内容和任务,能够操作性强,确保目标的有效实施。
3. 激励性原则:目标制定要有一定的挑战性,能够调动员工的积极性和主动性,激发员工的工作热情,提高安全生产绩效。
4. 评估与奖惩的一致性原则:制定目标时要明确相关的绩效评估标准和奖惩制度,使目标的实施与评估和奖惩相一致,确保目标的有效落实。
三、安全生产年度绩效目标的制定步骤1. 确定目标主体:明确目标的制定者和目标负责人,制定目标的过程需有相关人员参与和协调,确保目标制定的合理性和可操作性。
2. 收集信息与调研分析:对组织或企业的安全生产情况进行调研和分析,了解存在的安全风险和问题,为后续目标的设定提供依据。
3. 制定目标内容:根据调研结果和安全生产管理要求,确定一系列合理的安全生产绩效目标,包括事故预防、安全培训、应急预案等方面的目标。
安全生产目标责任及绩效考核制度一、背景与目的为了加强企业安全生产管理,确保员工和社会大众的人身安全和资产安全,特订立本《安全生产目标责任及绩效考核制度》。
本制度的目的是明确企业的安全生产目标、责任分工和责任追究机制,建立健全的安全生产考核制度,全面推动企业的安全发展。
二、管理标准2.1 安全生产目标的订立(1)订立合理、可行的安全生产目标,确保企业安全生产工作的可连续发展。
(2)安全生产目标应符合国家相关法律法规及企业自身实际情况,包含但不限于减少事故发生率、提高事故响应本领和减少事故损失等。
2.2 目标责任的分工(1)企业高层管理人员应明确安全生产目标,并将其以书面形式下实现各级部门和岗位。
(2)各级部门和岗位应依据企业的安全生产目标,订立相应的责任分工,并明确责任人。
2.3 责任追究机制的建立(1)建立有效的安全事故责任追究机制,对造成事故的责任人进行严厉追责。
(2)责任追究机制应包含责任认定、责任追究和问责等环节,并明确相应的惩罚措施。
(3)责任追究应实行分级负责,确保责任人依照责任分工履行相应责任。
三、考核标准3.1 安全生产绩效考核指标本企业安全生产绩效考核指标分为定性指标和定量指标两部分。
定性指标(1)安全文化建设水平:包含员工安全意识提升、员工安全行为规范等。
(2)应急管理本领:包含事故应急预案的订立和演练、事故应急处理本领等。
定量指标(1)事故发生率:依照肯定时期内发生的安全事故数量与劳动人数之比进行计算。
(2)事故处理及时率:依照肯定时期内事故处理的及时性进行评估,包含事故报告、事故处理和事故调查等。
3.2 安全生产绩效考核程序(1)定期对各部门和岗位进行绩效考核,一般以年度为周期。
(2)考核程序包含数据收集、数据统计分析、考核评价和结果反馈四个环节。
(3)安全生产绩效考核结果应作为评定部门和岗位绩效的紧要依据,用于设定奖惩措施和改进措施。
3.3 考核结果的运用(1)优秀绩效:对安全生产绩效优秀的部门和岗位予以表扬嘉奖,如奖金、荣誉称呼等。
安全生产目标责任及绩效考核制度范文一、背景介绍近年来,随着社会发展和产业结构的调整,我国安全生产形势持续向好。
然而,安全生产事故仍然屡禁不止,给人民群众生命财产安全带来巨大威胁。
为了加强安全意识,确保每个人都能够牢记安全是生产的第一要求,本公司特制定了安全生产目标责任及绩效考核制度,旨在促使各级管理人员履行安全责任、加强安全管理,确保企业安全生产。
二、目标责任制度1.企业总安全目标本公司总安全目标是“实现安全生产零事故、零伤亡”,这是公司对安全生产的最高要求。
公司全体员工都要始终坚持安全第一、预防为主的原则,确保每个员工的安全生产意识,不断提高安全生产水平。
2.部门安全目标各部门根据公司总体安全目标,制定年度、季度、月度的安全生产目标,并向公司管理层进行报告。
目标的制定要有针对性、可行性和有效性,确保目标能够顺利实现。
各部门要注重细分目标,明确责任人,促使各部门的重点工作与安全生产目标紧密结合。
3.岗位安全目标每个员工在担任的岗位上都要根据部门的安全目标,制定个人的安全目标,并与上级进行沟通和确认。
个人的安全目标要贴近实际、可操作性强,并量化评估和考核。
各岗位的重要操作环节要制定明确的操作规程,确保员工按规定操作,杜绝事故发生的可能性。
三、绩效考核制度1.考核内容(1)工作表现:包括员工在工作中的安全表现、安全意识、遵守安全规章制度等方面的表现。
(2)事故处理:包括员工是否能够及时、正确地处置事故、采取应急措施等方面的表现。
(3)培训学习:包括员工是否参加过相关安全培训、是否掌握必要的安全知识和技能等方面的表现。
(4)安全改进:包括员工在工作中能否主动发现安全隐患、提出改善建议等方面的表现。
2.考核方法(1)定量考核:针对以上考核内容,制定各项指标,并按照权重进行评分。
员工根据自己的实际情况填写考核自评表,上级进行考核评分。
定期进行内部审查,确保考核结果公正、客观、准确。
(2)定性考核:针对员工的安全表现,采用定性评价的方式,评估员工在安全工作中的表现情况。
公司安全生产绩效及目标考核办法Yesterday disappeared, January 6, 2020公司安全生产绩效及目标考核办法1 目的为进一步加强公司安全生产工作的管理,提高全体员工的安全意识,落实各级安全职责,持续改进安全绩效管理,促进公司安全生产管理工作达到制度化、标准化、规范化,实现公司的安全生产目标,特制定本制度;2 适用范围本办法适用公司所属各单位、相关方和公司内所有人员;3 引用文件国家安全生产法安监总局企业安全生产标准化基本规范4 名词解释安全绩效:根据安全生产目标,在安全生产工作方面取得的可测量的结果就是安全绩效;如职业病减少多少,未发生事故等;安全生产目标管理:是指企业根据自己的整体目标,在分析外部环境和内部条件的基础上,确定安全生产所要达到的目标,并采取措施去努力实现目标的活动过程;5职责公司推行安全生产责任目标管理,对安全生产责任目标实行分级管理,分级考核;1公司对车间部门的考核由安全环保部负责实施;2单位对班组的考核由各单位负责实施,安全环保部进行监督;3班组对岗位员工的考核由班组负责实施,车间进行监督;公司实行安全生产目标及管理层层包保责任制;1公司总经理与公司各分管领导签订安全生产目标管理责任书,保证严格履行安全生产职责,做好分管岗位的各项安全生产工作,实现公司下达的安全生产目标指标;并由公司总经理对履行安全生产职责情况进行检查,按月考评,与收入挂钩;2公司分管领导与公司各单位的安全生产第一责任人签订安全生产目标管理责任书,保证严格履行安全生产职责,做好本单位各项安全生产工作,实现公司下达的安全生产目标;并由公司分管领导对履行安全生产职责情况进行检查,按月考评,与收入挂钩;3单位负责人与班组长签订班组安全生产责任状,保证严格履行班组长安全生产职责,做好班组安全生产工作,实现单位下达的班组安全生产目标;各单位应结合本单位的具体生产情况制订相应的安全生产工作考核制度,由单位负责人组织负责对班组安全生产工作进行检查,按月考评,与收入挂钩;4班组长与班组成员签订岗位员工安全生产承诺书,保证严格履行个人安全生产职责,上岗作业做到遵章守纪,做到“四不伤害”,实现岗位无事故;各班组应结合本班的生产情况制定严格的班组安全生产工作考核制度,班组长负责对本班组成员履行安全生产职责情况进行检查,按月考评,与收入挂钩;公司对各单位的安全生产工作实施月度考核,考核按公司安全管理奖惩实施进行,考核情况与单位收入挂钩;6安全考核方法从单位月度收入总额中按%比例提取作为单位月度安全生产绩效考核收入部份,该收入的发放与单位月度安全生产绩效考核情况直接挂钩;若当月发生工伤死亡事故,扣发事故责任单位当月收入总额的20%—50%,扣发第二、第三月收入总额的10%—20%,并扣发全年安全生产考核收入,对公司其他单位除事故责任单位外扣发当月收入总额5—10%;若当月发生重伤事故,对事故责任单位取消当月安全生产考核收入,并视事故情况另行扣发当月收入的5—20%;若当月发生轻伤事故,视事故情况扣除事故责任单位当月安全生产考核收入50—100%;对事故责任人员按公司的相关规定另行处理;单位当月未发生工伤事故,安全生产工作按公司安全管理奖惩实施考核评分,见附表分数要求以上,发给当月安全生产绩效考核收入;单位当月未发生工伤事故,安全生产工作按公司职业健康安全管理奖惩实施细则考核评分,得分低于规定的分数,每低1分,扣发单位当月安全生产绩效考核收入总额的5%,并扣发公司分管领导和单位安全生产第一责任人当月收入各10元;公司每季度进行一次安全奖励;根据各单位月安全生产绩效考核情况,按一至三类单位对各月考评综合成绩最高的单位酌情奖励本单位季度安全生产绩效考核收入平均总额5—10%;公司年度安全生产管理先进单位及奖励,按公司各季度安全生产绩效考评的综合成绩择优确定;其奖励额度,根据本年度安全生产绩效实际激励情况产生;安全生产目标完成情况考核1公司安委会办公室每年组织一次对各部室、车间安全生产目标完成情况的综合考核;2考核以检查表的方式进行,考核表根据各单位签订的目标责任书制定,其各种指标、不符合项的考核与日常管理考核标准一致;3 除进行集中考核外,日常管理中的考核汇入到年终考核中;4根据考核分数,确定部门目标完成情况,对完成安全生产目标较好的单位给予奖励3000-5000元,对安全生产目标完成较差的单位给予3000-5000元的罚款;7 附则违反公司安全专项管理规定的,按有关规定进行考核;公司各单位月度安全生产绩效考核均按本办法执行; 各单位年度安全生产目标管理考核情况纳入公司年度单位及个人评先之中,实行严格的安全一票否决制度,对年度内发生重伤以上含重伤超工伤事故指标的责任单位及单位安全生产第一责任人不得评为先进,对年度内有违章、违规作业的责任人员不得评为先进;各级管理组织和人员加强职责范围内的安全生产绩效考核和安全生产目标管理考核;公司安委会办公室负责本办法的制定与修订,本办法自公布之日起执行;XXXX有限公司。
安全管理之安全生产绩效考核工作方案
一、背景和意义
随着经济社会的发展,安全问题变得越来越重要。
安全生产是企业及社会的基石和命脉,是企业的社会责任和义务。
加强安全生产绩效考核工作,既能推进企业安全生产管理工作的全面发展,也能够提升企业的安全生产水平,让企业在竞争中获得更好的发展。
二、工作目标
本次安全生产绩效考核工作的主要目标是:
1.准确把握安全生产状况,提升整体安全生产水平。
2.明确安全生产管理责任,强化安全生产文化建设。
三、考核内容和标准
1.安全管理制度执行情况
企业应落实各项安全管理制度,认真执行,分清责任,保证安全生产。
评价标准包括制度建设、制度的实施情况、制度的不足之处以及制度的完善进展情况等。
2.安全设施体系建设
企业应拥有完善的安全设施体系,保证在生产中发生意外情况时,能够有效地保护员工的人身安全。
评价标准包括安全设施的配置情况、完好度、维护方案等。
3.安全生产知识培训。
201xx 级安全生产专项资本绩效目标项目名称南京市安全生产专项资本估算功能科目2150699 项目属性□ 新增□√连续单位负责人冯甦项目负责人李广庆83630335 立项时间2017 开始实行时间估计达成时间依照《中华人民共和国安全生产法》《南京市安全生产条例》《南京市安全生产专项资本治理方法》的【一】立项依照要求国家法律要乞降市专项资本治理有关要求及文件规定,为保障全市安全生产工作,提高安全生产看管能【二】必需性、可行性力建设,建立本专项资本。
【三】资本总数2900财政资本2900其余资本补助资助全市安全生产工作的专项培植资本【四】资本用途全市安全生产工作,包含安全生产看管能力建设、重要安全隐患治理、应抢营救、安全生产宣传教育【五】使用范围培训等安全生产工作。
项目名称金额资本测算依照重要隐患排查及治理1306 最近几年安全生产工作需要及项目状况安全生产基层基础建设834 最近几年安全生产工作需要及项目状况应抢营救项目160 最近几年安全生产工作需要及项目状况安全生产科技成就项目100 最近几年安全生产工作需要及项目状况六、明细项目估算安全生产责任制目标考85 最近几年安全生产工作需要及项目状况核奖赏安全生产宣传教育培训115 最近几年安全生产工作需要及项目状况水上搜救项目200 最近几年安全生产工作需要及项目状况其余项目100 最近几年安全生产工作需要及项目状况依照《南京市安全生产专项资本治理方法》等规定,公然搜集采集申报项目以及其余有关安全生产工七、分派方法作项目,经审查后发放。
年度目标:达成有关隐患项目,促使挂牌等要点隐患整顿工作,改良安全生产基层基础条件,提高应抢营救能力,增强安全生产宣传和教育工作,对达成安全生产工作的单位个人赐予适合奖赏,促使安八、绩效目标全生产科技项目及成就应用,达成其余需要的安全生产工作。
〔长久目标和年度目标〕长久目标:减少事故发生,保障人民生命财富安全,全面提高全市安全生产水平。
年度安全生产专项绩效目标年度安全生产专项绩效目标一、前言安全生产是企业发展和社会稳定的重要保障,也是国家政府高度重视的领域。
近年来,我国加强了对安全生产的监管力度,不断提出新的要求和标准,企业安全生产形势依然严峻。
作为企业管理者,我们要切实负起责任,加强对安全生产工作的组织和管理,确保员工的安全和健康。
二、分析前年度情况去年,我们公司在安全生产工作中取得了一定的成绩,但也存在一些问题和不足。
首先,安全生产意识仍然较低,员工对安全规定和操作规程的重要性认识不足,这导致了一些安全事故的发生。
其次,安全设施和设备的维护和管理不到位,一些设备存在隐患,也给员工的生命财产安全带来了潜在的风险。
另外,应急预案和演练的执行效果不够理想,一旦出现事故,应急救援的及时性和有效性有待提高。
三、确定全年绩效目标基于前年度情况的分析,结合今年安全生产工作的实际情况和发展目标,我们确立了以下绩效目标:1. 提高员工的安全意识和责任心。
通过组织安全培训和宣传活动,提高员工对安全生产的认识和重视程度,使每一位员工都能掌握基本安全知识和操作技能,做到安全是每个人的责任。
2. 完善安全设施和设备管理制度。
加强对设施和设备的巡检和维护,确保设备正常运转,并及时清理隐患,消除安全风险。
同时,制定应急预案和演练计划,提高应对突发事件的能力和效率。
3.加强对施工现场和作业场所的安全管理。
严格执行作业许可制度,确保施工现场和作业场所的安全规范执行,减少安全事故的发生。
加强对作业人员的培训和指导,确保每一项作业都符合安全标准和要求。
4.建立健全安全投入和绩效考核机制。
为安全生产工作提供充足的资金和人力资源,确保安全设备的购置和维护,并加大对安全生产的考核力度,将安全生产纳入绩效评价体系,形成有效的激励机制。
四、制定具体措施和计划1.加强安全培训和宣传。
组织全员培训,包括安全知识、应急处理和操作规程等方面的培训。
定期开展安全宣传活动,倡导员工将安全纳入日常工作中。
安全生产绩效考核工作方案一、背景安全生产是企业发展的基石,也是国家安全和社会稳定的重要保证。
近年来,随着安全意识的不断提高和政策法规的逐步完善,企业对安全生产的重视程度越来越高,安全生产绩效考核也成为企业内部管理和外部评估的重要手段。
二、考核内容安全生产绩效考核涉及众多方面,包括但不限于以下几项:1. 生产设备和设施的安全性生产设备是企业生产的重要保障,设备的安全性直接关系到员工的生命安全和企业的生产效率。
考核内容包括设备维护保养、设备安全使用、设备年限限制及设施安全性评估等。
2. 生产操作规程的制定和执行生产操作规程是安全生产的重要保障,规程的制定和执行程度直接关系到生产成本和员工生命财产安全。
考核内容包括规程的制定和修订、规程的执行情况和违规情况的处理等。
3. 安全生产培训和教育安全生产教育和培训是企业管理的核心内容之一,也是安全生产的重要保障。
考核内容包括安全生产培训的考核内容和方式、员工接受安全教育和培训的频率及考核结果等。
4. 事故应急演练和处理安全事故应急演练和处理是企业应对突发事件的重要手段,也是企业评估安全生产绩效的重要指标。
考核内容包括安全事故应急演练的频率、演练处理情况及安全事故处理的及时性和规范性等。
三、考核标准为了便于评估企业的安全生产绩效,需要制定一套科学、合理的考核标准,考核标准应包括以下几个方面:1. 客观性考核标准要尽量保证客观、公正、公开,以评估结果为导向,避免出现主观偏差。
2. 可操作性考核标准要能够简单、明确、易于操作,方便企业进行自我评估和外部评估。
3. 综合性考核标准要综合考虑生产设备、安全生产培训、应急演练等多方面的因素,综合评估企业安全生产绩效。
4. 及时性考核标准评估的结果应及时反馈,有针对性,便于企业及时调整管理模式和生产流程,改进安全生产。
四、考核程序安全生产绩效考核程序主要包括以下几个环节:1. 考核策划考核策划是制定考核计划和标准的重要环节。
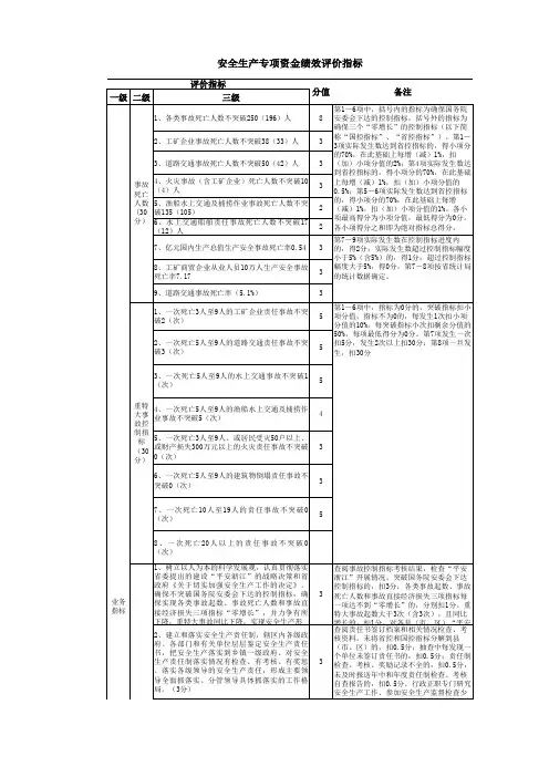
201xx级安全生产专项资金绩效目标
市级专项资金绩效评价指标体系
备注:1、新设立项目必须填写“设立”部分的所有指标,“调整因素”部分指标无需填写。
2、连续性项目无需填写“设立”部分指标,项目如涉及调整因素,那么需填写“调整因素”
相关指标,如不涉及调整因素,那么无需填写。
3、指标值是指项目实施计划达到的各项任务的目标值,既能够是定性值,如“科学、合理、
健全”;也能够是定量值,如“1000万元,50000人次,90%”等。
4、分值是指每项指标所占的权重,总分值为100分。
5、评分标准是指各项指标依据不同实际评价结果换算其得分的计算方法。