水泥出厂品质检验报告
- 格式:docx
- 大小:23.72 KB
- 文档页数:1
报告编号:
检验报告产品名称:水泥
委托单位:
检验类别:委托检验
单位名称:建设工程质量检测有限公司
报告日期:2011年07月1日
注意事项
1、报告无我单位“检验专用章”或检验单位公章无效。
2、复制报告未重新加盖我单位“检验专用章”或检验单位公章无效。
3、报告无主审、审核、批准人签章无效、报告涂改无效。
4、对检测报告若有异议,应与收到报告十五日内向检验单位提出,逾期不
予处理。
5、委托检验仅对送检样品负责。
6、需要退还的样品及其包装物可在收到报告十五日内领取。
逾期不
领者,视弃样处理。
单位地址:
电话:
传真:
联系人:
邮政编码:
建设工程质量检测有限公司检验报告
报告编号:第1页共2页
建设工程质量检测有限公司
水泥检验报告
报告编号:第2页共2页
检验人:审核人:负责人:检验单位:(公章)
见证员及编号:
取样员及编号:检验日期:2011年07月1日。
水泥检验报告单水泥是一种常见的建筑材料,用于制造混凝土、砂浆等。
在使用水泥之前,我们需要对其进行质量检验,以确保其符合标准要求。
而水泥检验报告单就是记录检验结果的重要文件。
水泥检验报告单通常包含以下几个方面的内容:物理性能测试、化学成分分析、水泥标号与类别等。
首先,物理性能测试是水泥检验报告单中的重要部分之一。
在这个部分中,我们可以看到水泥的强度、凝结时间、体积稳定性等指标。
这些测试项能够直接反映出水泥的质量是否符合标准。
例如,水泥的抗压强度应该符合国家标准要求,以确保建筑物的结构安全可靠。
其次,化学成分分析也是水泥检验报告单中的一个重要部分。
通过化学成分分析,我们可以了解水泥中主要成分的含量。
这些主要成分包括氧化钙、二氧化硅、氧化铝等。
这些成分的含量对水泥的性能具有重要影响。
例如,二氧化硅的含量越高,水泥的早期强度和延缓凝结时间的能力就越好。
此外,水泥的标号与类别也需要在水泥检验报告单中进行记录。
根据不同的工程需求,水泥可以分为多种标号和类别。
比如,普通硅酸盐水泥、硅酸盐快硬水泥、硅酸盐低热水泥等。
每种类别和标号的水泥都有其特定的用途和性能要求。
在建筑工程中选择合适的水泥,可以提高施工质量,确保工程的持久性和可靠性。
在水泥检验报告单中,通常还会包含其他一些信息,如生产日期、生产厂家等。
这些信息可以作为参考,帮助我们对水泥的质量进行评估和选择。
水泥检验报告单在工程建设中起着重要的作用。
它不仅是对水泥质量进行监督的工具,还可以为建筑方提供选择合适水泥的依据。
通过合理使用水泥检验报告单,可以避免使用低质量的水泥,减少建筑物在使用过程中的安全隐患。
总而言之,水泥检验报告单是一份记录了水泥检验结果的重要文件。
其中包括物理性能测试、化学成分分析、水泥标号与类别等内容。
通过水泥检验报告单,我们可以评估水泥的质量,并选择合适的水泥用于建筑工程。
在工程建设中,正确使用水泥检验报告单能够确保工程的质量和安全。
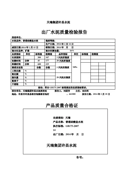
天瑞集团许昌水泥出厂水泥质量检验报告报送单位:报告单位:天瑞集团许昌水泥质控处报告人:刘团芳主任:宋四科地址:许昌市许昌县将官池镇将官池村:461000 报告日期:2014年2月18日产品质量合格证车号:天瑞集团许昌水泥质量检验报告地址:许昌市许昌县将官池镇将官池村:461000 报告日期:2014年2月18日下面是诗情画意的句子欣赏,不需要的朋友可以编辑删除!!谢谢!!!!!1. 染火枫林,琼壶歌月,长歌倚楼。
岁岁年年,花前月下,一尊芳酒。
水落红莲,唯闻玉磬,但此情依旧。
2. 玉竹曾记凤凰游,人不见,水空流。
3. 他微笑着,在岁月的流失中毁掉自己。
4. 还能不动声色饮茶,踏碎这一场,盛世烟花。
5. 红尘嚣浮华一世转瞬空。
6. 我不是我你转身一走苏州里的不是我。
7. 几段唏嘘几世悲欢可笑我命由我不由天。
8. 经流年梦回曲水边看烟花绽出月圆。
9. 人生在世,恍若白驹过膝,忽然而已。
然,我长活一世,却能记住你说的每一话。
10. 雾散,梦醒,我终于看见真实,那是千帆过尽的沉寂。
11. 纸张有些破旧,有些模糊。
可每一笔勾勒,每一抹痕迹,似乎都记载着跨越千年万载的思念。
12. 生生的两端,我们彼此站成了岸。
13. 缘聚缘散缘如水,背负万丈尘寰,只为一句,等待下一次相逢。
14. 握住苍老,禁锢了时空,一下子到了地老天荒15. 人永远看不破的镜花水月,不过我指间烟云世间千年,如我一瞬。
16. 相逢一醉是前缘,风雨散,飘然何处。
17. 虚幻大千两茫茫,一邂逅,终难忘。
相逢主人留一笑,不相识,又何妨。
18. 天下风云出我辈,一入江湖岁月催;皇图霸业谈笑间,不胜人生一场醉。
19. 得即高歌失即休,多愁多恨亦悠悠,今朝有酒今朝醉,明日愁来明日愁。
20. 直道相思了无益,未妨惆怅是清狂。
21. 看那天地日月,恒静无言;青山长河,世代绵延;就像在我心中,你从未离去,也从未改变。
22. 就这样吧,从此山水不相逢。
23. 人天自两空,何相忘,何笑何惊人。
水泥出厂检验报告随着工业化进程的不断加速,水泥作为一个重要的建筑材料,得到了广泛应用。
因此,水泥的质量监管显得尤为重要。
水泥出厂检验报告是检测水泥质量的重要手段之一。
一、水泥出厂检验报告内容水泥出厂检验报告是对出厂水泥进行质量监管的一项重要措施。
报告通常记录了以下内容:1. 检验时间记录检验水泥时的具体时间和日期。
2. 检验样品信息记录检验样品的相关信息,如样品名称、编号、来源等。
3. 检验项目记录本次检验的项目,通常包括外观、物理性质、化学成分等。
4. 检验结果记录各项检验结果,包括各项指标的指标值和单位。
5. 结论对检验结果进行综合分析,给出总体评价和对应建议。
二、水泥出厂检验报告的意义水泥出厂检验报告的意义在于监管水泥的质量,保障建筑品质。
正规的检验报告可以有效遏制低劣水泥和假冒伪劣水泥的流通,保护消费者的合法权益。
同时,水泥出厂检验报告也是建筑行业协作的重要基础。
检验报告对建筑、工程质量的评估与控制、施工技术的指导,以及财务规划和资金管理等方面都起着重要作用。
因此,建筑材料供应商、工程管理者和监理单位等都需参考检验报告进行职业活动。
三、水泥出厂检验报告的应用在实践应用中,水泥出厂检验报告通常分为普通检验报告和专业检验报告两类:普通检验报告主要针对水泥的一般性检测,是对于市场上的常规水泥质量掌控和劣质水泥的排除起着重要作用。
专业检验报告适用于需要更加严格监管的特殊情况,如防水涂料、超高硫酸盐水泥等。
在购买水泥时,消费者一定要仔细查看水泥出厂检验报告,了解水泥的具体成分和质量状况,降低选择低劣水泥的风险,从而保障建筑品质。
四、水泥出厂检验报告的质量为保持水泥出厂检验报告的可靠性和权威性,需要合理监管其质量。
监管机构需严格遵循相关规定,确保检测仪器设备和操作规范,减少误差和结果不准确的情况。
此外,监管机构还需建立科学、公正、透明的制度,保障检验报告信息的真实性和数据的完整性。
供应商也需保持诚实守信,严格按照标准生产,确保水泥的质量符合标准。
水泥出场检验报告1. 引言本报告旨在对水泥出场进行检验,并对检验结果进行详细的记录和分析。
通过对水泥的质量进行检验,以确保其符合相关标准和规定,在使用过程中能够满足预期的性能要求。
2. 检验对象和方法2.1 检验对象本次检验的对象为水泥,包括不同牌号和不同生产批次的水泥样品。
2.2 检验方法本次检验采用以下方法对水泥进行检验: - 外观检查:观察水泥的颜色、致密度、颗粒形状等外观特征。
- 物理性能检测:包括水泥的比重、含水量、细度、凝结时间等参数的测试。
- 化学成分检测:通过化学分析方法,检测水泥中的主要化学成分含量,包括SiO2、Al2O3、Fe2O3等。
3. 检验结果分析3.1 外观检查结果经过外观检查,水泥样品的颜色均匀,无明显的颜色异常或杂质。
水泥颗粒呈不规则形状,表面光滑,无明显裂纹或破损现象。
整体上,水泥的外观符合标准要求。
3.2 物理性能检测结果3.2.1 比重测试结果经过比重测试,水泥样品的平均比重为x.x,符合标准要求。
3.2.2 含水量测试结果经过含水量测试,水泥样品的平均含水量为x.x%,符合标准要求。
3.2.3 细度测试结果经过细度测试,水泥样品的平均细度为x.x%,符合标准要求。
3.2.4 凝结时间测试结果经过凝结时间测试,水泥样品的平均凝结时间为x小时,符合标准要求。
3.3 化学成分检测结果通过化学分析方法,得到水泥样品中主要化学成分的含量如下表所示:成分含量(%)SiO2 x.xAl2O3 x.xFe2O3 x.x从化学成分检测结果可以看出,水泥样品中的主要化学成分含量符合标准要求。
4. 结论经过对水泥的外观检查、物理性能检测和化学成分检测,可以得出以下结论:- 水泥样品的外观符合标准要求,颜色均匀且无杂质。
- 水泥样品的物理性能符合标准要求,包括比重、含水量、细度和凝结时间等参数。
- 水泥样品的化学成分含量符合标准要求,主要成分SiO2、Al2O3和Fe2O3的含量在合理范围内。
水泥检验报告
HEN system office room 【HEN16H-HENS2AHENS8Q8-HENH1688】
报告编号:
检验报告
产品名称:水泥
委托单位:
检验类别:委托检验
单位名称:建设工程质量检测有限公司
报告日期:2011年07月1日
注意事项
1、报告无我单位“检验专用章”或检验单位公章无效。
2、复制报告未重新加盖我单位“检验专用章”或检验单位公章无效。
3、报告无主审、审核、批准人签章无效、报告涂改无效。
4、对检测报告若有异议,应与收到报告十五日内向检验单位提出,逾期不
予处理。
5、委托检验仅对送检样品负责。
6、需要退还的样品及其包装物可在收到报告十五日内领取。
逾期不
领者,视弃样处理。
单位地址:
电话:
传真:
联系人:
邮政编码:
建设工程质量检测有限公司
检验报告
报告编号:第1页共2页
建设工程质量检测有限公司
水泥检验报告
报告编号:第2页共2页
检验人:审核人:负责人:检验单位:(公章)见证员及编号:
取样员及编号:检验日期:2011年07月1
日。
水泥出厂合格证及进场检验报告
Ⅰ基本要求和内容
(1)凡建设工程用的水泥均应按厂别、品种提供水泥出厂合格证,合格证备注栏中由施工单位填明单位工程名称及使用部位、进场数量,散装水泥还应提供出厂
1
2
3
4
5
为一
位取等量样品,总量至少12kg。
(5)水泥检验报告填写,在混凝土配合比设计之前提供,检验结论要明确。
(6)当水泥质量合格证或检验报告中的初凝时间或安定性指标不符合有关标准时均为废品,不得用于工程。
终凝时间、细度不符合标准规定或强度低于商品强度等级规定的指标时为不合格品,不合格品经鉴定可由企业技术负责人签章处理。
(7)钢筋砼结构、预应力砼结构中,严禁使用含氯化物的水泥。
(8)进口水泥除须按国产水泥检验标准做检验外尚应对水泥有害成分含量(氧化镁、三氧化硫)做检验符合规范标准要求后方可使用。
(9)特种水泥(白色硅酸盐水泥、低热水泥、膨胀水泥)也应提供合格证或按(2)条的要求提供检验报告,其性能指标应符合相应标准的规定。
量与规定不符。
(3)使用本文Ⅰ(3)条所列情况的各种水泥,未提供水泥检验报告。
(4)主要的检验项目(凝结时间、安定性、强度等)缺项或检验结果不符合要求。
(5)实际使用的水泥与出厂合格证或检验报告上的水泥品种、强度等级、厂家
不相一致。
水泥品种强度等级出厂日期发单日期编号进场数量P.O42.52010年3月8日2010年3月15日HM4P201560t P.O42.52010年3月9日2010年3月16日HM4P201730t P.O42.52010年3月11日2010年3月18日HM4P202030t P.O42.52010年3月12日2010年3月19日HM4P202230t P.O42.52010年3月12日2010年3月19日HM4P400430t P.O42.52010年3月13日2010年3月20日HM4P2022150t P.O42.52010年3月14日2010年3月21日HM4P400560t P.O42.52010年3月14日2010年3月21日HM4P202530t P.O42.52010年3月17日2010年3月24日HM4P202740t P.O42.52010年3月18日2010年3月25日HM4P400660t P.O42.52010年3月18日2010年3月25日HM4P202830t P.O42.52010年3月19日2010年3月26日HM4P400760t P.O42.52010年3月19日2010年3月26日HM4P2030110t P.O42.52010年3月21日2010年3月28日HM4P2033100t P.O42.52010年3月22日2010年3月29日HM4P2035120t P.O42.52010年3月23日2010年3月30日HM4P203795t P.O42.52010年3月10-11日2010年3月18日HM4P40021200t P.O42.52010年3月22-23日2010年3月30日HM4P203670t P.C32.52009年11月2日2009年11月20日E316P.C32.52009年11月2日2009年11月20日E316P.C32.52009年11月2日2009年11月20日E316P.C32.52009年11月2日2009年11月20日E316P.C32.52009年11月2日2009年11月20日E316P.C32.52009年11月2日2009年11月20日E316P.C32.52009年11月2日2009年11月20日E316P.C32.52009年11月2日2009年11月20日E316P.C32.52010年3月14日2010年4月24日E036P.C32.52010年3月18日2010年4月24日E038P.C32.52010年3月19日2010年4月24日E040P.C32.52010年3月21日2010年4月24日E041P.C32.52010年3月22日2010年4月24日E042P.C32.52010年3月24日2010年4月15日E044P.C32.52010年3月24日2010年4月15日E045P.C32.52010年3月26日2010年4月15日E047P.O42.52010年3月4日2010年3月31日HM4P203860t P.O42.52010年3月23日2010年3月30日HM4P401060t P.O42.52010年3月24日2010年3月31日HM4P4011110t P.O42.52010年3月25日2010年4月1日HM4P401260t P.O42.52010年3月25日2010年4月1日HM4P204060t P.O42.52010年3月26日2010年4月2日HM4P204130t P.O42.52010年3月26日2010年4月2日HM4P401430t P.O42.52010年3月27日2010年4月3日HM4P204390t P.O42.52010年3月27日2010年4月3日HM4P4015165tP.O42.52010年3月29日2010年4月5日HM4P204430t P.O42.52010年3月30日2010年4月6日HM4P204560t P.O42.52010年4月2日2010年4月9日HM4P204630t P.O42.52010年4月4日2010年4月11日HM4P4020250t P.O42.52010年4月5日2010年4月12日HM4P402190t P.O42.52010年4月7日2010年4月14日HM4P205230t P.O42.52010年4月7日2010年4月14日HM4P402490t P.O42.52010年4月8日2010年4月8日HM4P402730t P.O42.52010年4月8日2010年4月15日HM4P4026180t P.O42.52010年4月9日2010年4月9日HM4P205530t P.O42.52010年4月10日2010年4月17日HM4P205730t P.O42.52010年4月12日2010年4月19日HM4P206030t P.O42.52010年4月12日2010年4月19日HM4P4013120t P.O42.52010年4月20日2010年4月27日HM4P207412t P.O42.52010年2010年4月16日HM4P4028240t P.O42.52010年3月29-31日2010年4月7日HM4P4016130t P.O42.52010年4月2-3日2010年4月10日HM4P204760t P.O42.52010年4月3-4日2010年4月11日HM4P2048120t P.O42.52010年4月3-4日2010年4月11日HM4P4019160t P.O42.52010年4月4-5日2010年4月12日HM4P204990t P.O42.52010年4月5-6日2010年4月13日HM4P402290t P.O42.52010年4月5-6日2010年4月13日HM4P2051250t P.O42.52010年4月6-7日2010年4月14日HM4P4023110t P.O42.52010年4月7-8日2010年4月14日HM4P4025340t3天抗折≥3.53天抗压≥17.028天抗折≥6.528天抗压≥42.54.822.18.751.94.721.68.251522.98.850.84.421.28.451.84.221.28.650.94.421.28.449.54.421.28.650.94.621.28.450.24.421.28.651.24.621.38.8514.621.68.350.14.622.48.851.74.822.48.751.54.321.151.64.421.35.122.64.621.28.64.8224.822.34.822.34.822.34.822.34.822.34.822.34.822.34.822.34.519.84.419.44.620.14.3194.619.34.319.44.218.54.319522.2522.54.721.34.7224.922.44.921.14.420.84.621.34.621.44.620.84.120.6420.6420.68.749.6 4.220.78.248 4.921.64.420.74.321.14.620.84.320.64.620.7522.14.320.64.921.84.220.64.420.64.620.78.751.7 4.320.88.450 4.220.7849 4.5218.951.6 4.120.64.620.84.620.84.221.2。
水泥检验报告委托编号:技术负责人:校核人:检验人:水泥检验报告填写说明一、本表是检测机构受委托单位委托,对水泥的有关技术参数进行检测后,用以确定所检参数是否符合相关标准的报告。
二、本表适用于硅酸盐水泥(P·I,P·Ⅱ)、普通硅酸盐水泥(P·O)、矿渣硅酸盐水泥(P·S·A,P·S·B)、火山灰质硅酸盐水泥(P·P)、粉煤灰硅酸盐水泥(P·F)及复合硅酸盐水泥(P·C)的有关技术参数的检测。
三、水泥检测报告中必须注明所用水泥品种。
四、不同品种水泥的强度应符合下表:单位:MPa五、水泥强度等级的确定:1.抗折强度:以一组三个棱柱体(40mm×40mm×160mm)抗折强度的平均值作为试验结果;当三个强度值中有一个超出平均值的±10%时,应剔除后再取平均值作为抗折强度试验结果。
2.抗压强度:以一组三个棱柱体上的得到的六个抗压强度测定值的算术平均值为试验结果,如六个测试值中有一个超出六个平均值的±10%的,就应该剔除这个结果,而以剩下五个的平均数为结果;如五个测试值中有一个再有超出他们平均数±10%的,则此组结果作废。
六、取样:每一编号水泥取样20kg,缩分为二等份,一份进行检测,一份签封保存三个月。
七、试验样品送样注意事项水泥的技术指标应符合GB175的规定。
水泥按不同生产厂家、同一等级、同一品种、同一批号且连续进场的,袋装水泥不超过200t,散装水泥不超过500t为一批,每批抽样1次。
不同等级、生产厂家、品种、出厂编号的水泥不得混存、混用。
出厂日期超过三个月或受潮的水泥,必须经过试验,合格后方可使用。
对于袋装水泥:随机选择20个以上不同的部位,将取样管插入水泥适当深度,用大拇指按住气孔,小心抽取取样管,再倒入干净的搪磁盘上或干净的容器内,经混拌缩分后取12kg。
水泥性能检测试验一、试验目的:二、试验记录:试验室温度:水泥品种与标号:生产单位:出厂日期:1、水泥细度测定2、水泥标准稠度用水量测定3.安定性检验4.水泥净浆凝结时间测定5.强度测试1)抗折强度测定加荷速度:kN/S ;试件养护龄期(d)2)抗压强度测定加荷速度:kN/S;试件养护龄期(d)3)水泥强度等级为。
三、思考题1.为什么要测定标准稠度用水量?2.进行凝结时间测定时,制备好的试件没有放入湿气养护箱中养护,而是暴露在相对湿度为50%的室内,试分析其对试验结果的影响?3.测定水泥胶砂强度时,为何不用普通砂,而用标准砂?所用标准砂必须有一定的级配要求,为什么?实验日期:一、餐饮服务单位应配备专职或兼职食品安全管理人员;提供餐饮服务的学校(含托幼机构)、中央厨房、集体用餐配送单位、连锁餐饮企业总部、网络餐饮服务第三方平台提供者等应设立食品安全管理机构,应配备专职食品安全管理人员。
食品安全管理人员的任命,应有正式文件或其他证明材料。
食品安全管理人员应当在食品安全管理、评价考核和奖惩等方面获得充分授权。
食品安全管理人员应按规定参加食品安全培训。
原则上每年应接受不少于40小时的餐饮服务食品安全培训。
餐饮企业的食品管理人员应当接受考核,合格后方可上岗。
二、食品安全管理人员主要承担以下管理职责:(一)负责拟订并组织实施本单位食品安全管理制度,明确各岗位的食品安全责任,强化过程管理。
(二)组织开展食品安全教育培训和考核,普及食品安全知识。
(三)食品、食品添加剂、食品相关产品采购索证索票、进货查验和采购记录管理;(四)场所环境卫生管理;(五)食品加工制作设施设备清洗消毒、养护管理;(六)人员健康状况管理;(七)加工制作食品管理;(八)食品添加剂贮存、使用管理;(九)餐厨废弃物处理管理;(十)有关法律、法规、规章、规范性文件确定的其他餐饮服务食品安全管理。
三、食品安全管理人员应根据《餐饮服务预防食物中毒注意事项》(相关内容见《餐饮服务食品安全操作规范》附件,下同)和经营实际,确定高风险的食品品种和加工制作环节,实施食品安全风险重点防控。