ERP系统物料编码规则.pdf
- 格式:pdf
- 大小:29.03 KB
- 文档页数:10
ERP 信息系统编码原则1 外购配件、原材料及其它外购辅具、辅料等物料的信息编码1.1编码结构为4段共9位,采用的是组合编码公式,具体结构及编码原则如下:X.XX.XX.XXXX四级:按物料规格区分,用四位数字流水号表示三级:按物料小类区分,用二位数字表示(01至99)二级:按物料用途区分,用二位数字表示(01至99)一级:按物料大类区分,用一位数字表示(0至9)1.2 各级编码说明注:三级编码没有分类的,第三位一律从“00”开始取值。
1.3物料分类及编码举例成都航宇物料编码规则第一段(0-9)第一段(00-99) 第三段(00-99) 第四段(0000-9999)编码举例备注第1位第2、3位第4、5位第6-9位V(0-9)VV (00-99)VV (00-99)VVVV(0000-9999)按物料大类区分 按田途区分 按小类区分 规格流水号总编码编码 名称编码名称编码名称 编码物料名称 规格1原材料01生产材料01 直接材料0001-0999(合全) 镍合全 CM***1010100011000—1999(纯全属)铝 <***101011000铝”少、"亠,、棒:料***10101100102 间接材料 02辅助物料01 模目类 02 测目类 03 夹具类 04刃目类05工具类 0001活扳手200mm 1020500010002 内六角扳手 L 型M3 1020500020003扁咀钳1只Hmm10205000306劳保用品类 07 化学品类 08 1'—•JHH 、 包装材料 09 安全消防类10 —1—11J lyJ丿、备品配件类 11 五全类 12 电气米 13 低值易耗品 14 存储周转米 99 其他2办公类01办公设备类01电脑类 预留,暂不进入系统02 外设米 99 其他 02 办公家具类01柜类 02 桌类 99其他4其他01 废品 00401000001 每类共用同一编码,仅用于采购操作,不进行出入库操作02 废料 0040200000103服务类01 生产类服务40301000102 非牛产类服务40302000104固定资产类0111―1■//、丿J/J40401000102 —1-/I-U动力设备40402000103 yJ y J W检测设备40403000199苴他设备4049900012 产成品、半成品信息编码2.1产成品、半成品信息编码结构为3层共5位,采用组合编码公式,具体结构及编码原则如下:X.X.XXX三级:零(部)的流水号,用三位数字表示二级:产品类型分类,用一位数字表示一级:按照物料大类分段,数字9表示产成品、数字8表示半成品1.2产品类型信息编码说明1.3产品编码例子产成品:TS800H的编码为9.1.001,顺序号为001。
ERP系统物料编码规则一、物料编码的原则编码的目的在于将物料化繁为简,便于物料的管理和识别,节省阅读、填写、抄录的时间与手续,减少错误机会的,因此,物料编码在应用文字、符号或数字上要力求简单、明了,并遵循简单性、完整性、单一性、分类展开性、一贯性、可伸缩性、组织性、适应计算机管理、充足性和易记性等原则。
二、物料编码的意义(一)物料编码的定义:物料编码是以简短的文字、符号或数字、号码来代表物料、品名、规格或类别及其他有关事项的一种管理工具。
(二)物料编码的意义:1、增强所用物料资料的正确性。
物料的领发、验收、请购、跟催、盘点、储存、记录等一切活动均以物料编码为依据进行查核,因此物料数据更加正确。
杜绝了一物多名,一名多物或物名错乱等现象的发生。
2、提高物料管理的工作效率。
以编码代替文字的记述,使物料更加简便省事,从而提高物料管理工作的效率。
3、利于计算机的管理。
物料管理在彻底推行物料编码之后,才能进一步利用计算机作更有效的处理, 以达到计算机系统管理的效果。
4、降低物料库存和成本。
物料编码既有利于库存量的控制,又利于防止呆料的发生,提高管理工作的效率,从而减少资金的积压,降低管理的成本。
5、防止物料舞弊事件的发生。
物料一经编码后,其记录正确而迅速,储存井然有序,可以减少物料舞弊事件的发生。
6、便于物料的领用。
每一种物料均有正确的统一的编码,对用料部门的物料领用和仓库发料都十分方便。
三、物料编码的规则(一)物料大类分类及编码规则根据财务核算和物流管理的需要,结合工作的实际情况,将现公司的所有物料分为九个大类, 每一大类又分为几个小类,小类之后又根据物料的属性、特征和使用状况进行分类。
每一物料总的编码为12位,共分三层。
第一层为第一大类占第1位,用物料名称第一个汉字的汉语拼音的第一个大写字母代替;第二层为第二类占第2、3位, 用两位数字01,02,03……99代替。
第三层为细分类,占第4至12位,每一位可根据各种物料赋与不同的含义。
yy金属制品有限公司ERP物料编码规则1.总则1.1目的:将公司各种物料依其性质归类并予以编号,以利管理及电脑化作业方便。
1.2适用范围:本公司成品、在制品(半成品)、配件、包装材料、原材料,辅助材料及设备零件之编号均悉依本规定执行。
1.3权责单位:1.3.1工程技术部:负责本规定制定、修改、废止之起草工作;1.3.2总经理:负责本规定制定、修改、废止之核准。
2.编号原则2.1 责任单位2.1.1 工程技术部:负责物料编号的制定与修改工作;2.1.2 其他部门:严格按工程技术部的物料编号管理、使用物料,并提出建议性的意见。
2.2编号总体规则2.2.1 物料之编号全部采用“阿拉伯数字”进行编码,不可使用其他符号(包括中文)编码,以方便将来实行电脑条码作业;2.2.2 M3ERP系统要求物料编码不超过18位,在可识别的情况下,编码位数尽可能少;2.2.3 物料编码的唯一性,相同的物料只能对应一个料号,一个料号也只对应一种物料;2.2.4 物料的编码按其在整个生产过程中所处的位置、物料的材质与用途等进行分类编码; 2.2.5 在制品(半成品) 原则上每经过一个加工工序就需要一个编号,但是不需要入库时,系统内可以先不建料号,需要入库或者转到其他部门再加工时,再对其进行编码,如铁管车间加工后的铁管送往铁线车间进行焊接,就需要编码,且两者的物料编码不同。
4.成品编码规定成品编码采用10个字符编号,其规则如下:□□□□□□□□□□4.1第一码为“0”,表示成品, 指销售给客户的物料(可供直接销售用途之物料);4.2第二、三、四码为客户代码,用阿拉伯数字表示,对应ERP系统内的客户编码;000为本公司代码;4.3第五、六、七码为成品分类代码<按成品主材材质分类>:当产品有两种以上主要材质时,以经过公司加工或者主要加工为编码原则;(比喻:橡木棚板按木制品类编码,不按金属类编码)44444444.3第八、九、十码为成品的规格代码,即流水号码;5.在制品(半成品)编码规定在制品(半成品)编号采用7-12个字符编号,其规则如下:□□□□□□□□□□□□5.1 第一码为“1”,表示在制品(半成品);5.2第二、三、四码为半成品分类代码<按半成品主材材质分类>: 555555.3第五、六、七码为在制品(半成品)规格代码(流水号码);5.4第八、九、十码为属性代码: (指某一类型的物料经过不同的加工,使其表面或其它属性(如黑坯、电镀、烤漆及烤不同颜色的漆)发生改变, 而物料的形状与尺寸未发生变化,使用属性识别码)55.5第十一、十二码为在制品(半成品)工序代码(指某一类型的物料在生产过程中经过多道工序使其形状与尺寸发生变化,使用工序代码);56.产品配件编号配件编号采用7个字符编号,其规则如下:、6.1第一码为“2” ,表示配件;6.2第二、三、四码为配件分类代码<按配件主材材质分类>:66.26.26666.2.6第701-800号码段为其它制品类配件编码,细分为下表:6.4第六、七、八码为配件规格代码(流水号码)7.包装材料编号包装材料编号采用10个字符编码, 其规则如下:□ □□□□□□ □□□7.1第一码 为 “3” 表示包装材料:7.2第二、三、四码为包装材料分类代码<按包装材料的主材材质分类>: 7.2.7.7.7.7.7.3第八、九、十码为客户代码,用阿拉伯数字表示,对应ERP系统内的客户编码,000代表该包装材料不分客户,即为通用型;7.4第五、六、七码为规格代码(流水号码) ;8.原材料编号原材料编号采用7个字符编码,其规则如下:8.1第一码为“4”,表示原材料代码;8.2第二、三、四码为原材料分类代码;8.2.1第101-200号码段为钢材类原材料细分类代码,细分为下表:888.2.4第401-500号码段为纸类原材料细分类代码,细分为下表:8.2.5第501-600号码段为布材类原材料细分类代码,细分为下表:8.2.6第601-700号码段为橡、塑胶类原材料细分类代码,细分为下表:888.3第五、六、七码为规格代码(流水号码);9.辅助材料的编码辅助材料采用7个字符编码,其规则如下:□ □□□ □□□9.1第一码为“5”,表示辅助材料;9.2第二、三、四码为辅助材料大分类代码,细分为下表: 9999999.2.7第701-999号码段暂时为空。
编码规则文件编号文件版本编制审核核准生效日期ERP物料编码原则一、产品结构图:BOM分阶基本原则:需要单独做生产计划(需要出入库的半成品或成品)和委外加工的产品就要分阶,否则不分!成品(灯具)灯头、透镜、外套件、灯珠、铝基板、电子元件、内置电源半成品包材PCB、电子元件二、物料大中分类:(一)、电子类101――LED102――电阻103――电容104――IC105――晶体管106――变压器107――电感108――开关109――PCB、FPC110――保险管(二)、五金类201――灯头202――射灯灯杯203――灯管204――灯具205――面盖、外壳206――螺丝207――针脚208――电源盒、接线盒(三)、塑胶类301――透镜302――底座303――日光管面罩304――支架、面盖、外壳305――套管306――堵头307――卡座308――接线端子(四)、线材401――线材(五)、辅料类501――胶水502――锡503――溶剂504――易耗品(六)、包材类601――纸箱602――纸筒603――包装袋604――泡沫棉605――彩盒606――吸塑607――卷盘608――色标纸、标签纸、纸卡 609――胶带(七)、半成品701――电源(八)、成品801――小功率射灯802――大功率射灯803――G4804――日光灯805――筒灯806――面板灯807――光条808――汽车圈809――模组810――洗墙灯811――控制器812――工矿灯(暂无)813――隧道灯(暂无)814――路灯(暂无)815――植物灯(暂无)(九)、办公用品(流水号递增)901――(十)、备品(流水号递增)1001――(十一)、固定资产(流水号递增)暂无 1101――三、物料编码原则:(一)、电子类:101、LED1 01 –□□□□□□□□□□□1 2 3 4 5 6 7 8 9 10 111、类别代码――1表示电子类2、电子系列――01表示LED3、分隔符“-”4、型号:01--3528、02--5050、03--3535、04--3014、05--大功率、06--XPE、07--5630、08--335、08--3010、09--3020、10--¢3圆头无边、11--¢5平头有边、12--¢5平头无边、13--¢5圆头有边、14--¢5圆头无边、15--食人鱼5、厂商:01--晶元、02--三安、03--光宏、04--金发、05--科锐、06--普锐、07--艾迪森、08—蓝宝、09—迪源、10--泰谷、11--奇力、12—璨圆6、表示颜色:01--正白(5000-5500K)、02--正白(5500-6500K)、03--暖白(2200-2700K)、04--暖白(2700-3300K)、05--暖白(3300-4000K)、06--商业白(4000-4500K)、07--商业白(4500-5000K)、08--冷白(7000-8000K)、09--冷白(8000-11000K)、10--11000K以上、11--琥珀色、12--RGB、13--黄光、14--绿色、15--红色、16--橙色、17--紫色、18--兰色7、芯片:01--10*10mil、02--10*16 mil、03--10*23 mil、04--12*13 mil、05--9*12 mil、06--8*12 mil、07--38 mil、08--45 mil、09--24 mil、10--8*20 mil、11--42 mil 8、功率:1--0.06W、2--0.1W、3--0.3W、4--0.5W、5--1W、6--3W、7--5W、8--10W9、角度:1--30°、2--45°、3--60°、4--90°、5--120°10、支架颜色:1--白色、2--黑色11、RoHS识别:1--RoHS 2--非RoHS举例:3528贴片灯珠品号:101-010*********品名规格:电子类\LED\3528\晶元\5000~5500K\10*16mil\0.06W\120°\白色\RoHS库存单位:PCS主要来源:PP--采购件、S--委外件、M--厂内生产件1 02 - □□□□□□□□□1 2 3 4 5 6 7 8 91、类别代码――1表示电子类2、电子系列--02表示电阻3、分隔符“-”4、分类:0--贴片1--插件5、封装:01--0603、02--0805、03--1206、、04--1210、05--2010、06--2512、04--1/6W、05--1/4W、06--1/2W、07--1W、08--2W、11--5W、12--7W6、阻值:6E2--0.62 、1R2--1.2 、102--1K 注明:小数点以字母“R”表示,如2.2欧姆以2R2表示7、精度:1--±1%、2--±5%、3--±10%、4--±20%8、材质:1--碳膜、2--金膜、3--氧化膜、4--可调、5--热敏、6—光敏、7--水泥、8--绕线、9--陶瓷9、RoHS识别:1--RoHS 2--非RoHS举例:1206贴片电阻,阻值1K品号:102-103102211品名规格:电子类\贴片电阻\1206\1K\±5%\碳膜\RoHS库存单位:PCS主要来源:PP--采购件、S--委外件、M--厂内生产件1 03 - □□□□□□□□□1 2 3 4 5 6 7 8 9 101、类别代码――1表示电子类2、电子系列――03表示电容3、分隔符“-”4、分类:1--贴片、2--插件5、表示脚距:1--2.54MM 、2--5.08MM 、3--1206、4--0805、5--0603、6--1210、7--2010、8--25126、表示材质:1--陶瓷、2--涤沦等极性有机薄膜、 3--金属膜电容、 4--钽电容、5--安规、 6--电解、 7--Y 电容、8--X电容、9--CBB电容7、表示容值:用数字法表示,如0.1UF表示为104,47UF表示为476,8、表示精度:1--±5%、2--±10%、3--±20%9、电压(1位,第10位):1--10V、2--16V、3--25V、4--35V、5--50V、6--63V、7--100V、8--200V、9--250V、A--400V、B--450V、C--500V、 D--630V、E--1000V10、RoHS识别:1--RoHS 2--非RoHS举例:1206\0.1uF贴片电容,耐压50V品号:103-131104151品名规格:电子类\贴片电容\1206\陶瓷\0.4UF\±5%\50V\RoHS库存单位:PCS主要来源:PP--采购件、S--委外件、M--厂内生产件1 04 - □□□□□□□□□□□ 123456 71、类别代码:1--表示电子类2、电子系列04--IC3、隔符“—”4、分类:1--贴片、2--插件5、封装型号:8位,直接写IC型号,空余的用X代替6、ROHS识别:1--RoHS、2--非RoHS7、流水码:0--无变化举例:L6562D贴片IC品号:104- 1L6562DXX10品名规格:电子类\IC\贴片\L6562DXX\RoHS库存单位:PCS主要来源:PP--采购件、S--委外件、M--厂内生产件5、晶体管1 05 - □□□□□□□□□□□□1 2 3 4 5 6 7 8 91、类别代码--1表示电子类2、电子系列--05晶体管3、分隔符“-”4、分类:1--二极管,2--三极管,3--MOS管,4--整流桥5、表示封装:1--贴片,2--插件6、封装分类:直接写封装前5位01--SMA、02--SMB、03--SMC 、04--SOT23 、05--TO252 、06--DO14 、07--DO214 、07--TO220 、08--TO92 09--TO126、10--TO220F、11--TO251、12--TO252、13—SOT89…7、型号:直接写型号6位(空白用字母X代替)HER204--HER204、13003--13003X、SS24--SS24XX、7N80--7N80XX8.、品牌:1--(Fairchild)、2--ST、3--TRR、4--GD、5--SL、6--长电科技、7--DIODE、8--英飞凌、9--强茂、10—永盛9、ROHS识别:1--RoHS、2--非RoHS举例:8050 直插品号:105-22088050XX101品名规格:电子类\晶体管\三极管\直插\TO-92\8050\永盛\RoHS库存单位:PCS主要来源:PP--采购件、S--委外件、M--厂内生产件6、变压器1 06 - □□□□□□□□□□□□1 2 3 4 5 6 71、类别代码--1表示电子类2、电子系列--06示变压器3、分隔符“-”4、分类:1--贴片、2--直插5、表示种类:直接写变压器文件编号6、表示变压器型号:1- EFD307、RoHS识别:1--RoHS、2--非RoHS举例:品号:106-2EFD30011011品名规格:电子类\变压器\直插\EFD30\RoHS库存单位:PCS主要来源:PP--采购件、S--委外件、M--厂内生产件1 07 - □□□□□□□□1 2 3 4 5 6 7 81、类别代码--1表示电子类2、电子系列07表示电感3、分隔符“-”4、分类:1--贴片、2--插件5、表示种类:1--屏蔽、2--开放式、3--色环、4--工型6、表示电感量:如47uH表示为4707、尺寸:01—L8*W6*¢0.15MM、02--8、RoHS识别:1—RoHS、2--非RoHS举例:工型电感品号:107--24470011品名规格:电子类\电感\直插\工型\47uH\L8*W6*¢0.15MM\RoHS 库存单位:PCS主要来源:PP--采购件、S--委外件、M--厂内生产件1 08 - □□□□□□□1 2 3 4 5 6 7 81、类别代码――1表示电子类2、电子系列――08表示开关3、分隔符“-”4、分类:1--贴片、2--插件、3--线上、4--调光5、表示型号:01--开关304,02--开关305,03--船型开关6、表示种类:1--金属、2--塑胶、3--电子元件7、流水码:00--无变化8、RoHS识别:1--RoHS、2--非RoHS举例:船型开关品号:108-232001品名规格:电子类\开关\插件\船型开关\塑胶\RoHS 库存单位:PCS主要来源:PP--采购件、S--委外件、M--厂内生产件1 09 - □□□□□□□□1 2 3 4 5 6 7 8 91、类别代码--1表示电子类2、电子系列--09表示PCB3、分隔符“-”4、分类:1--半玻纤、2--玻纤、 3--铝基板5、表示线路板名称:001-ISO-288-1200-A.A6、表示颜色:1--白色、2--黄色、3--黑色、4--绿色7、表示厚度:1--0.25MM、2--0.6MM、3--0.8MM、4--1.0MM、5--1.2MM、6--1.6MM8、工艺处理:1—氧化(OSP)、2—喷锡、3--沉金9、RoHS识别:1--RoHS、2--非RoHS举例:品号:109-30011111品名规格:电子类\PCB\铝基板\ISO-288-1200-A.A\白色\厚0.25MM\氧化\RoHS 库存单位:PCS主要来源:PP--采购件、S--委外件、M--厂内生产件FPC:1 09 - □□□□□□□□□1 2 3 4 5 6 7 8 9 10 111、类别代码--1表示电子类2、电子系列--09表示PCB3、分隔符“-”4、分类:4--FPC5、表示型号:1--3528 、2--5050、 3--3535 、4--3014、5--5630、6--直插、7--大功率6、电压:1--9V、2--12V/AC.DC、3--24V/AC.DC、4--12V/带1803IC、5--24V/带1803IC、6--36V/AC.DC、7--85V-265V、8--14.1V、9--5V7、表示LED数:01--30灯/米、02--48灯/米、03--60灯/米、04--120灯/米8、表示线路板颜色:1--白色、2--黄色、3--黑色(FPC板)、4--绿色9、表示宽度:1--3MM、2--4MM、3--5MM、4--8MM、5--10MM、6--12MM10、表示颜色:1--单色、2--双色、3--RGB11、RoHS识别:1--RoHS、2--非RoHS举例:品号:109-413011311品名规格:电子类\PCB\FPC\3528\24V\30灯/米\白色\5MM\单色\RoHS库存单位:PCS主要来源:PP--采购件、S--委外件、M--厂内生产件10、保险管1 10 - □□□□□□□□1 2 3 4 5 6 7 8 91、类别代码--1表示电子类2、电子系列--10表示保险管3、分隔符“-”4、分类:1--贴片、2--插件5、表示材料:1--玻璃、2--塑胶、3--陶瓷6、表示类型:1--可恢复、2--不可恢复7、表示融断电流:01--1A、02--2A、03--3A、04--600mA8、流水码:00-无变化9、RoHS识别:1--RoHS、2--非RoHS举例:2AL250V品号:110-21201001品名规格:电子类\保险管\插件\玻璃\不可恢复\1A\RoHS 库存单位:PCS主要来源:PP--采购件、S--委外件、M--厂内生产件(二)、五金类1、灯头2 01 - □□□□□□□1 2 3 4 5 6 7 81、类别代码--2表示五金类2、灯头系列--01表示灯头3、分隔符“-”4、表面处理:1-镀镍、2--镀铬、3--烤漆、4--氧化、5--免焊、6--5、表示类别:01--E27免焊、02--E14免焊、03--B22、04--MR16、05--MR11、06--E12、07--GU106、表示颜色:1--白色、2--黑色、3--绿色、4--银色、5--7、流水码:00-无变化8、RoHS识别:1--RoHS、2--非RoHS举例:品号:201-1012001品名规格:五金类\灯头\镀镍\E27免焊\黑色\ RoHS库存单位:PCS主要来源:PP--采购件、S--委外件、M--厂内生产件2、射灯灯杯2 02 - □□□□□□□□1 2 3 4 5 6 7 8 91、类别代码--2表示五金类2、灯杯系类--02表示灯杯3、分隔符“-”4、表示材质:1--车铝、2--压铸、3--玻璃、4--陶瓷、5--导热塑料5、表示颜色:1--白色、2--黑色、3–-金色、4--银色、5--6、型号:01--MR11、02--MR16、03--GU10、04--E27、 05--JDR E27、06--JDR E14、07--B22、08-PAR20、09--PAR30、10--PAR38、11--20粒、12--24粒、13--3*1W、14--3*2W、15--5W手雷、16--6W手雷、17--80球泡、18--60球泡、19--梨形球泡、20--5W仿飞利浦、21--7W仿飞利浦、22--XPE3W、23--XPE4W、24--XPE5W、25--XPE PAE20 5W、26--XPE PAE20 7W、27--3W天花灯、28--5W天花灯、29--6W天花灯、30--7W天花灯、31--9W天花灯、32--12W天花灯、33--15W天花灯、34--3W联体天花灯、35--、7、表示工艺:1--喷漆、2--阳极氧化、3--镀锌、4--镀镍、5--镀鉻8、流水号:00--无变化,9、RoSH标识1--RoHS、2--非RoHS举例:品号:202-24034001品名规格:五金类\灯杯\压铸\银色\GU10\镀镍\RoHS库存单位:PCS主要来源:PP--采购件、S--委外件、M--厂内生产件2 03 - □□□□□□1 2 3 4 5 6 7 81、类别代码――2表示五金类2、03表示灯管3、分隔符“-”4、表示型号:1--T8、2--T5、3--T105、表示尺寸:1--574CM、2--884CM、3--1184CM、4--1484CM6、表示材质:1--1/2磨砂铝材,2--2/3透明铝材,3--散热片铝材7、表示流水号:00--表示无变化8、RoHS识别:1--RoHS、2--非RoHS举例:品号:203-111001品名规格:五金\灯管\T8\574CM\1/2磨砂铝材\RoHS库存单位:PCS主要来源:PP--采购件、S--委外件、M--厂内生产件2 04 - □□□□□□□□□1 2 3 4 5 6 7 8 9 101、类别代码――2表示五金类2、04表示灯具3、分隔符“-”4、表示材质:1--车铝、2--压铸、3--陶瓷、4--玻璃、5--铝材+玻璃5、表示型号:1--球泡、2--天花灯、3--面板、4--PAR灯、5--洗墙灯、6--模组、7--大功率射灯6、使用类型:001--PAR20、002--PAR30、003--PAR38、004--7、表示LED型号:1--3528、2--5050、3--35358、表示颜色:1--白色、2--银色、3--黑色、4--银灰色9、表面处理:1--电镀、2--氧化、3--抛光、4--烤漆、5--喷砂、6--镀镍、7--镀铬10、RoHS识别:1--RoHS、2--非RoHS举例:品号:204-110023211品名规格:五金类\灯具\车铝\球泡\PAR30\3535\银色\电镀\RoHS库存单位:PCS主要来源:PP--采购件、S--委外件、M--厂内生产件5、面盖、外壳2 05 - □□□□□□□□□1 2 3 4 5 6 7 8 91、类别代码――2五金类2、05表示:面盖、外壳3、分隔符“-”4、表示材质:1--车铝、2--压铸、3--面光源5、表示类别:1--面盖、2--外壳6、表示功率:01--7W(21粒)、02--9W(27粒)、03--12W(42粒)、04--3*1W、05--4*1W、06--5*1W、7、尺寸:01--开口80MM,02--开口180MM、8、流水码:00--无变化9、RoHS识别1--RoHS、2--非RoHS举例:品号:205-120101001品名规格:五金类\面盖外壳\车铝\外壳\7W\开口80MM\RoHS库存单位:PCS主要来源:PP--采购件、S--委外件、M--厂内生产件6、螺丝类2 06 - □□□□□□□□1 2 3 4 5 6 7 81、类别代码――2表示五金类2、06表示螺丝类3、分隔符“-”4、表示外型:01-底座钉、02--十字平头、03--十字圆头、04--十字沉头、05--无头内六角(机米)、06--外六角、07--一字平头、08--一字圆头、09--一字沉头、10--有头内六角、11--螺母(螺帽)、12--铆钉、13--隔离柱、14--介子头、14--介子头平尾、15--TA螺丝(大扁头)、16--TB螺丝(大扁头平尾)、17--TT螺丝(大扁头割尾)、18-- CA螺丝(薄头)、19--螺丝(薄头平尾)、5、表示直径:01--M3、02--M4、03--M6、04--M7、05--M8、06--M10、 07--M12、08--M14、 09--M16、10--M20、11--M22、12--M24、13--M27、14--M1.7mm--017、15--M2mm-020、16--M18mm-180、17--M306、表示长度:01--0.45MM、02--0.6MM、03--0.7MM、04--1.0MM、05--1.1MM、06--1.2MM、07--1.75MM、08--2.2MM7、牙型:0--无、1--机械牙、2--自攻牙8、RoHS识别:1--RoHS、2--非RoHS举例:品号:206-03040221品名规格:五金类\螺丝\十字圆头\M7\0.6MM\自攻牙\RoHS库存单位:PCS主要来源:PP--采购件、S--委外件、M--厂内生产件7、针脚2 07 –□□□□□□□□1 2 3 4 5 6 7 81、类别代码-2表示五金类2、针脚3、分隔符“-”4、种类:01--3W驱动、02--MR16、03--G4、04—阻容降压5、长度:01--L=13.0MM、02--L=15.0MM、03--L=17.0MM、04--L=26.5MM 6、表面处理:1--电镀、2--镀铬7、流水码:00--无变化8、ROHS识别1--RoHS、2--非RoHS举例:品号:207-01021001品名规格:五金类\针脚\3驱动\15MM\电镀\RoHS库存单位:PCS主要来源:PP--采购件、S--委外件、M--厂内生产件8、电源盒、接线盒2 08 - □□□□□□1 2 3 4 5 6 7 81、类别代码--2五金类2、08表示电源盒、接线盒3、分隔符“-”4、表示分类:1--控制器、2--电源盒、3--接线盒,5、表示材质:1--金属、2--塑胶、3--陶瓷6、规格尺寸:01--95*25*45MM、02--80*33*23MM、03--76*33*23MM、04--100*41*31MM、05--151*41*27MM、06--211*41*31MM7、颜色:1--黑色、2--白色、8、RoHS识别1--RoHS、2--非RoHS举例:品号:208-110211品名规格:五金类\电源盒/接线盒\控制器\金属\80*33*23MM\黑色\RoHS库存单位:PCS主要来源:PP--采购件、S--委外件、M--厂内生产件(三)、塑胶类301、透镜3 01 - □□□□□□□□1 2 3 4 5 6 7 8 91、类别代码--塑胶类2、表示透镜3、分隔符“—”4、表示透镜种类:01--单颗、02--连体、03--3合1带耳、04--3合1不带耳、05--5合1 、06--7合1、07--9合1、08--12合15、表示外观:1--透明、2--磨砂、3--条纹、4--沙面、5--光面、6--凹沙面6、表示度数:1--45°、2--60°、3--90°、4--30°、5--120°7、表示品牌:1--XPE、2--osram、3--仿流明、4--XRC、5--CREE8、表示尺寸:01--¢2*1.0MM、02--¢34*1.0MM、03--¢36*0.6MM、04--¢67*1.1MM、05--¢42*10MM、06--9、RoHS识别码1--RoHS、2--非RoHS举例:品号:301-01123011品名规格:塑胶类\透镜\单颗\透明\60℃\仿流明\¢42*10MM\RoHS库存单位:PCS主要来源:PP--采购件、S--委外件、M--厂内生产件302、底座3 02 - □□□□□□1 2 3 4 5 6 7 81、类别代码――3表示塑胶2、02表示底座3、分隔符“-”4、表示类型:1--压铸、2--车铝、3--陶瓷5、表示名称:01--GU10、02--E27、03-- JDR E27、04--MR16、05--E14、06--E12、07--JDR E14、08--GU10旋转(带螺纹)、09--GU10带孔(打螺丝)、10--E22、11--E26、6、表示灯具:1--风行杯、2--3W压铸、3--车铝螺口(带螺纹)、4--车铝定位(打螺丝)、5--PAR20、6--PAR30、7--PAR387、颜色:1--电镀、2--白色、3--银色8、RoHS:1--RoHS、2--非RoHS举例:品号:302-103111品名规格:塑胶类\底座\压铸\JDRE27\风行杯\电镀\RoHS库存单位:PCS主要来源:PP--采购件、S--委外件、M--厂内生产件303、日光管面罩3 03 - □□□□□□□□1 2 3 4 5 6 7 8 91、类别代码――3表示塑胶2、03表示面罩3、分隔符“-”4、表示材质:1--PC、2--亚克力5、表示型号:1--T8、2--T5、3--T106、表示尺寸:1--1500MM、2--1484MM、3--1200MM、4--1184MM、5--600MM、6--574MM、7--900MM、8--7、效果:1--透明、2--条纹、3--磨砂、4--椭圆光扩散8、流水号:000--无变化9、RoHS识别1--RoHS、2--非RoHS举例:品号:303-11210001品名规格:塑胶\面罩\PC\T8\1484MM\透明\RoHS库存单位:PCS主要来源:PP--采购件、S--委外件、M--厂内生产件4、支架、面盖、外壳3 04 - □□□□□□1 2 3 4 5 6 7 81、类别代码――3表示塑胶类2、04表示支架、面盖、外壳3、分隔符“-”4、表示材质:1--PC、2--亚克力、3--玻璃5、表示种类:01--面板灯、02--天花灯、03--模组、04--G4、05--飞利浦球泡、06--梨型球泡、07--A:蜡烛灯(尖头)、08--B:蜡烛灯(圆头)、09--手雷灯具、10--G5 T8支架、11--轨道灯支架、12--GEER支架、13--四方模组壳、14--AN灯壳、15--AC灯壳、16--AS灯壳、17--AK灯壳、18--BP灯壳、19--小功率射灯、20--PAR20、21--PAR30、22--PAR386、颜色:1--透明、2--磨砂、3--乳白、4--黑色、5--白色、6--银色7、尺寸:1--600*600、2--300*600、3--300*3008、RoHS:识别码1--RoSH、2--非RoHS举例:品号:304-105321品名规格:塑胶类\面盖\PC\飞利浦球泡\乳白\300*600\RoHS库存单位:PCS主要来源:PP--采购件、S--委外件、M--厂内生产件5、套管、3 05 - □□□□□□□□1 2 3 4 5 6 7 81、类别代码--3表示塑胶2、05表示:套管3、分隔符“-”4、表示种类:01--硅胶全套管、02--硅胶半套管、03--PVC全套管、04--PVC半套管、05--硅胶垫、06--热缩管、07--硅胶条5、颜色:1--半透明、2--乳白、3--黑色、4--灰色、6、规格:01—宽8MM、02--宽10MM,、03--宽12MM、04--¢2、05--¢3、06--¢4、07--¢5、08--¢8、09--¢17、10--192(2米)、11--96灯平头不露头、12--96灯平头露头、7、流水号:00--无变化8、RoHS识别码:1--RoHS,2--非RoHS举例:品号:305-06308001品名规格:塑胶类\套管\热缩管\黑色\¢8\RoHS库存单位:PCS主要来源:PP--采购件、S--委外件、M--厂内生产件3 06 - □□□□□□□□1 2 3 4 5 6 7 8 91、类别代码――3塑胶2、06表示堵头3、分隔符“-”4、分类:1--光条、2--日光管、3--电源5、表示型号:1--无孔、2--两孔、3--四孔、4--T8椭圆斜口堵头、6、表示颜色:1--黑色、2--乳白、3--单色、4--RGB7、尺寸:01--L12XW5XH10MM、02--L14XW6XH10MM、03--L15XW6XH10MM、04--L16XW5XH10MM、05--8MM、06--10MM、07--12MM8、流水码00-无变化9、RoHS识别1--RoHS、0--非RoHS举例:品号:306-21201001品名规格:塑胶类\堵头\日光管\无孔\乳白\L12XW5XH10MM\RoHS库存单位:PCS主要来源:PP--采购件、S--委外件、M--厂内生产件3 07 - □□□□□□□1 2 3 4 5 6 7 81、类别代码――3表示塑胶2、07表示卡座,3、分隔符“-”4、表示种类:01--十字型铜针保护套、02--EHZ位弯针针座、03--标准光条针座、05--18脚IC座、05--硬光条卡座、06--软光条卡座(软)、07--软光条卡座(硬)、08--硅胶条卡座、09--5、材质:1--硅胶、2--ABS6、尺寸:01--L22XW22XH22MM、02--L18XW10XH14MM、03--L29XW6XH5MM、04--L25XW6XH5MM、05--8MM、06--10MM、07--12MM、7、颜色:1--黑、2--白8.、RoHS识别1--RoHS、2--非RoHS举例:品号:307-0510221品名规格:塑胶\卡座\硬光条卡座\硅胶\L18XW10XH14MM\白\RoHS库存单位:PCS主要来源:PP--采购件、S--委外件、M--厂内生产件8、接线端子3 08 - □□□□□□1 2 3 4 5 6 7 81、类别代码--3塑胶2、08表示接线端子3、分隔符“-”4、种类:1--栅栏式、2--欧式PCB、3--免螺丝式、4--印刷电路板、5--排插5、规格:01--2弯脚、02--2直脚、03--4弯脚、04--4直脚6、材质:1--PVC7、颜色:1--黑色、2--白色8、RoHS识别1--RoHS、2--非RoHS举例:品号:308-101111品名规格:塑胶类\接线端子\栅栏式\2弯脚\PVC\黑色\RoHS库存单位:PCS主要来源:PP--采购件、S--委外件、M--厂内生产件4 01 - □□□□□□□□□□□1 2 3 4 5 6 7 8 91、大类别代码-- 2代表原材料2、二级分类--04代表线材3、分隔符“-”4、型号:01--UL1007,02--UL1571,03--UL1061,5、线号(线径)01--0.3、02--0.5、03--#22、14--#24、15--#26、16--0.75、17--1.0、18--1.5、99--无线芯6、颜色01--白色、02--黑色、03--红黑并、04--白注黄、05--黑白并、06--红绿蓝黑并、07--红黄蓝并、08--粉红色、09--灰色、10--灰白、11--红色7、线皮材质:1--硅胶、2--PVC、3--铁氟龙8、线长描述:00--CH长150MM9、尾部处理01--两端浸锡3MM、02--一端浸锡3MM,一端带XH端子、03--一端带二芯透明防水接头、04--一端带二芯透明防水DC接头、05--一端带二芯防水接头、06--一端带四芯防水接头、07--一端带黑色防水DC接头、08--一端带白色防水DC接头、09--一端带DC接头、10--一端剥皮浸锡3MM,一端带2.5EH端子、11--一端带四芯透明防水DC接头举例:品号:401-010********品名规格:线材类\UL1007\#22\黑色\PVC\长150MM\一端浸锡3MM,一端XH端子库存单位:PCS主要来源:PP--采购件、S--委外件、M--厂内生产件501、胶水5 01 - □□□□1 2 3 4 5 61、类别代码――5表示辅料2、02表示胶水3、分隔符“-”4、表示种类:01--无影胶(UV-391)、02—W3000、03--堵头胶、04--硅橡胶(重)、05--硅橡胶(轻)、06--卡夫特(黄)、07--半透明硅胶、08--透明硅胶、09--1:1胶水A、B胶、 10--10:4胶水、11--3:1胶水A、B胶,12--5:1胶水、13--促进剂、14--TQ8837硅胶、15--乳白硅胶、16--热溶胶、17--力强胶粘、18--CA48、19--硅硐导热胶(M-300D)、20--、5、形态:1—固态2—液态6、RoHS:1--RoHS、2--非RoHS举例:品号:501-0921品名规格:辅料\胶水\1:1胶水A、B胶\液态\RoHS库存单位:G主要来源:PP--采购件、S--委外件、M--厂内生产件5 03 - □□□□□1 2 3 4 5 6 71、类别代码――5表示辅料2、03表示锡线3、分隔符“-”4、表示种类:1--锡线、2--锡条、3--有铅锡膏、4--无铅锡膏5、温度:1--高温、2--低温6、流水码00--无变化7、RoHS识别1--RoHS 2--非RoHS举例:品号:503-31001品名规格:辅料\有铅锡膏\高温\RoHS库存单位:G主要来源:PP--采购件、S--委外件、M--厂内生产件5 03 - □□□□□1 2 3 4 5 61、类别代码――5表示辅料2、04表示溶剂3、分隔符“-”4、表示种类:01--酒精、02--白电油、03--洗板水、04--天那水、05--丙酮、06--抹机水、07--助焊剂5、流水码00--无变化6、RoHS识别1--RoHS、2--非RoHS举例:品号:503-01001品名规格:辅料\溶剂\酒精\RoHS库存单位:瓶主要来源:PP--采购件、S--委外件、M--厂内生产件5 04 - □□□□□1 2 3 4 5 61、类别代码――5表示辅料2、05表示其它3、分隔符“-”4、表示种类:01--青稞纸、02--胶纸、03--金属扎带、04--PET膜、05--油抽、06--手喷漆(银色)、07--手喷漆(黑色)、08--白色金属扎带、09--尼龙扎带、10--布手套、 11--手指套、12--棉手套、13--一次性手套、14--胶手套、15--鞋套、16--黑色金属扎带5、流水码:00-无变化6、RoHS识别:1--RoHS 2--非RoHS举例:品号:504-02002品名规格:辅料\胶纸\非RoHS库存单位:PCS主要来源:PP--采购件、S--委外件、M--厂内生产件(六)、包材类601、纸箱6 01 - □□□□□□□□1 2 3 4 5 6 71、类别代码――6表示包材2、01表示纸箱3、分隔符“-”4、表示型号尺寸:001--28.2*28.2*32CM、002--27.2*27.2*15CM、003--44.5*34*37CM、004--59*29.5*33.5CM、 005--65*33*41.8CM、 006--65*35*62CM、007--28*21*12CM、 008--34*21*295CM、009--28.5*19.5*19CM,5、材质:01--K=K、02--A4A,、 03--A=A、04--B=B、05--A=B、06--A=C、07--K=A、08--B3B、09--A3A,6、标识代码01--三防标识、02--ATTENTION7、RoHS识别:1--RoHS 2--非RoHS举例:品号:601-00101011品名规格:包材\纸箱\28.2*28.2*32CM\K=K\三防标识\RoHS库存单位:PCS主要来源:PP--采购件、S--委外件、M--厂内生产件602、纸筒6 02 - □□□□□□1 2 3 4 5 6 71、类别代码――3表示包材2、02表示内箱3、分隔符“-”4、种类:1--T5、2--T8、3--T10、5、尺寸:01--0.6M、02--0.9M、03--1.2M、04--1.5M 6、流水码:00-无变化7、RoHS识别:1--RoHS、0--非RoHS举例:品号:602-203001品名规格:包材\纸筒\T8\长1.2M\RoHS库存单位:PCS主要来源:PP--采购件、S--委外件、M--厂内生产件603、包装袋6 03 -- □□□□□□1 2 3 4 5 6 71、类别代码――6表示包材2、03表示包装袋3、分隔符“-”4、表示种类:01--大口静电袋T型自封、02--单色纯铝袋、03--小号静电袋、 04--大口静电袋、05—小号屏蔽袋、 06--小号静电袋IT型、 07--丝印纯铝静电袋、 08--大号静电袋II型、09--封口膜5、外观:1--无字,2--中文, 3--英文,4--中英文,6、尺寸:01--L220*W245MM、02--L217*W245MM、03--7、流水码:00--无变化举例:品号:603-0110100品名规格:包材\包装袋\大口静电袋T型自封\无字\L220*W245MM库存单位:PCS主要来源:PP--采购件、S--委外件、M--厂内生产件604、泡沫棉6 04 -- □□□□□□□□1 2 3 4 5 6 71、类别代码――6表示包材2、04表示泡沫棉3、分隔符“-”4、材质:01--气泡袋、02--珍珠棉、5、厚度:01--双面、02--单面6、用途:01--日光灯、02--面板灯、03--天花灯7、流水码:00--无变化举例:品号:604-01020100品名规格:包材\泡沫棉\气泡袋\单面\日光灯库存单位:PCS主要来源:PP--采购件、S--委外件、M--厂内生产件6 05 -- □□□□□□□□□□1 2 3 4 5 6 7 8 91、类别代码――6表示包材2、05表示彩盒,3、分隔符“-”4、表示型号:01--20粒GU10/MR16、02--24粒GU10、03--24粒车铝GU10、04--24粒E27/E14 、05--20粒E14/E27 、06--PAR30压铸、07--PAR38 压铸、08--3*1蜡烛、09--G4,10--5X1W手雷、11--80球泡、12--2X1X3W长形天花灯、13--3*3W天花灯、14--7W天花灯、15--3*1W方形天花灯、16--仿菲力浦、17--控制器纸盒5、颜色:01--白色、02--黑色、03--彩色、04--灰色彩盒、05--蓝色彩盒、06--黄色彩盒6、表示尺寸:01—5.0*5.0*6.5CM、02--5.3*5.3*15CM、03--6*6*7.7CM、 04--140*104*98CM、05--7.7*7.7、6CM、06--12.8*12.8*14.5CM7、材质:1--单粉纸380G、2—裱坑8、扣底方式:1--双叉扣、2--单扣9、流水码:00无变化举例:品号:605-010*******品名规格:包材\彩盒\20粒GU1O\白色\5.3*5.3*15CM\单粉纸380G\双叉扣\无变化库存单位:PCS主要来源:PP--采购件、S--委外件、M--厂内生产件6 06 -- □□□□□□□1 2 3 4 5 6 71、类别代码――6表示包材2、06表示吸塑,3、分隔符“-”4、表示型号:01--E14、02--GU10 、03--MR16、04--G80 、05--MR11 、06--PAR30、07--PAR38 、08--蜡烛 3*1 、09—长城灯条、10--GDRE27、11--24粒GU10、12--24粒E14、13--飞利浦、14--24粒车铝灯具、15--3*1W、16--半圆折边吸塑、17--模组托盘、5、颜色:1--透明、2--乳白6、流水码:00--无变化举例:品号:606-01100品名规格:包材\吸塑\E14\透明\无变化库存单位:PCS主要来源:PP--采购件、S--委外件、M--厂内生产件6 07 -- □□□□□1 2 3 4 5 61、类别代码――6表示包材2、07表示卷盘3、分隔符“-”4、内宽:01--8MM、02--10MM 、03--12MM、04--16MM5、外径:01--6’、02--7’6、表示颜色:1--白色、2--黑色7、流水码:00--无变化举例:品号:607-0102000品名规格:包材\卷盘\8MM\7’\黑色\无变化库存单位:PCS主要来源:PP--采购件、S--委外件、M--厂内生产件608、标签纸、色标纸、纸卡6 08 -- □□□□□□□□□1 2 3 4 5 6 7 81、类别代码――6表示包材2、08表示标签纸,色标纸,卡纸3、分隔符“-”4、表示种类:01--色标纸、02--标贴、03--标签打印纸、04--碳带、06--CE标签、07--ROHS标签、08--纸卡、09--箭头标签、10--条码贴5、材质:1--油墨面、2—亮银、3-亚银6、颜色:01--红色、02--绿色、04--紫色、05--蓝色、06--黄色、07--透明、08--银色、09--白底黑字、10--红底黑字、11--白色、7、尺寸:01--¢6MM、02--¢8MM、03--¢10MM、04--¢13MM、05--¢13MM、06--L30*W8MM、07--L11*W8MM、08--L20*W13MM、09--L8*W5MM8、流水码:00--无变化举例:品号:608-0620802品名规格:包材\CE标签\亮银\银色\¢8MM\无变化库存单位:PCS主要来源:PP--采购件、S--委外件、M--厂内生产件609、胶带6 09 -- □□□□□□□□1 2 3 4 5 6 7 81、类别代码――6表示包材2、09表示胶带,3、分隔符“-”4、表示种类:01--3M胶、02--封箱胶纸、03--皱纹胶、04--双面胶、05--高温胶纸5、宽度:01--5MM、02--8MM、03--10MM、04--12MM,05--0MM、06--112MM、07--180MM6、颜色:1--红色、2--白色、3--黄色、4--橙色7、流水码:00--无变化8、ROHS:1--RoHS、2--非RoHS举例:品号:609-01021001品名规格:包材\胶带\3M胶\8MM\红色\RoHS库存单位:PCS主要来源:PP--采购件、S--委外件、M--厂内生产件(七)、半成品701、电源7 01 -- □□□1 2 3 4 51、类别代码:7表示半成品2、01表示电源3、分隔符”—“4、型号:01--224-YRC(圆形阻容降压)、02--224-FRC(方型阻容降压)、03--474-YRC(圆形阻容降压)、04--474-FRC(方型阻容降压)、05--684-YRC(圆形阻容降压)、06--684-FRC(方型阻容降压)、07--3x05-1-23(3*1W不调光电源)、08--t3x1-rc(3X1W调光电源220V)、09--5x1-38(5W条形不调光电源)、11--3x2-38(3X2W条形不调光电源)、12--T5x1-par30(5x1瓦调光电源220V)、13--5x1-27(5x1瓦不调光电源)、14--3x2-27(3x2瓦不调光电源)、15--T7x1-par30(PAR30-7X1瓦调光电源220V)、 16--7x1-T(7x1瓦不调光电源)、17--T7x1-56(7x1球泡调光电源220V)、18--7x1-44(PAR30-7X1瓦不调光电源)、19--7x1-60(7x1瓦不调光电源SN03)、20--9x1瓦-44(9x1瓦圆形不调光电源)、21--12x1-44(12x1瓦圆形不调光电源)、22--T12x1-54(12x1瓦调光电源220V)、23--T60W-M(60瓦面板灯电源)、24--D3X1-T(PT4115低压恒流电源)、25--低压升压恒流电源、26--日光管隔离电源27--9瓦条形电源28--12瓦条形电源29--防水电源30W\12V30--防水电源60W\12V31--防水电源150W\12V32--不防水电源400W\12V5、ROHS:1--ROHS、2--非ROHS举例:品号:701-011品名规格:半成品\电源\224-YRC(圆形阻容降压)\RoHS 库存单位:PCS主要来源:P、MP--采购件、S--委外件、M--厂内生产件(八)、成品801、小功率射灯8 01 - □□□□□□□□□□1 2 3 4 5 6 7 8 9 101、类别代码――8表示成品2、01表示小功率射灯3、分隔符“-”4、灯杯类型:1--玻璃、2--车铝、3--压铸、4--风行杯、5--陶瓷、6--导热塑料5、表示底座:1--MR16、2--E27、3--GU10、4--E14、5--MR11、6--JDRE27、7--PAR20、8--PAR30、9--B226、LED型号:01--3528、02--5050、03--3535、04--3014、05--大功率、06--XPE、07--5630、08--335、08--3010、09--3020、10--¢3圆头无边、11--¢5平头有边、12--¢5平头无边、13--¢5圆头有边、14--¢5圆头无边、15--食人鱼7、LED数量:01--12粒、02--15粒、03--18粒、04--20粒、05--21粒、06--24粒、07--30粒、08--48粒、09--60粒8、表示颜色:01--正白(5000-5500K)、02--正白(5500-6500K)、03--暖白(2200-2700K)、04--暖白(2700-3300K)、05--暖白(3300-4000K)、06--商业白(4000-4500K)、07--商业白(4500-5000K)、08--冷白(7000-8000K)、09--冷白(8000-11000K)、10--11000K以上、11--红、12--绿、13--蓝、14--黄9、表示电压:1--AC12-16V/DC12-24V、2--110V、3--220V、4--AC86-265V10、RoHS识别:1--RoHS、2--非RoHS举例:品号801-1101080111品名规格:成品\小功率\玻璃\MR16\3528\48粒\正白\AC12-16V/DC12-24V\RoHS库存单位:PCS主要来源:MP--采购件、S--委外件、M--厂内生产件2、大功率射灯8 02 - □□□□□□□□□□□□1 2 3 4 5 6 7 8 9 10 11 121、类别代码――8表示成品2、02表示大功率射灯3、分隔符“-”4、分类:1--PAR灯、2--风行、3--球泡、4--蜡烛灯、5、材质:1--车铝、2--压铸、6、底座类型:01--MR16、02--E14、03--E27、04--GU10、05--PAR20、06--PAR30、07--PAR38、08--B22、09--E12、10--JDRE277、LED数量:01--1颗、02--2颗、03--3颗8、颜色:01--正白(5000-5500K)、02--正白(5500-6500K)、03--暖白(2200-2700K)、04--暖白(2700-3300K)、05--暖白(3300-4000K)、06--商业白(4000-4500K)、07--商业白(4500-5000K)、08--冷白(7000-8000K)、09--冷白(8000-11000K)、10--11000K以上、11--红、12--绿、13--蓝、14--黄9、LED单颗功率:1--0.3W、2--1W、3--2W10、电压:1--AC110V、2--AC/DC12V、3--AC220V、4--AC86-265V、5--AC12-AC16/DC12-DC24V11、透光类型:1--透明、2--磨砂、3--条纹、4--沙面、5--凹沙面12、RoHS识别:1--RoHS、2--非RoHS举例:品号:802-210403012211品名规格:成品\大功率\风行\车铝\GU10\3颗\正白\1W\AC/DC12V\透明\RoHS库存单位:PCS主要来源:MP--采购件、S--委外件、M--厂内生产件3、G48 03 - □□□□□□□□1 2 3 4 5 6 7 8 91、类别代码--8表示成品2、03表示G43、分隔符“-”4、表示LED数:1--6粒、2--9粒、3--10粒、4--12粒5、表示颜色:1--正白、2--暖白、3--冷白、4--商业白6、LED型号:01--3528、02--5050、03--3535、04--3014、05--大功率、06--XPE、07--5630、08--335、08--3010、09--3020、10--¢3圆头无边、11--¢5平头有边、12--¢5平头无边、13--¢5圆头有边、14--¢5圆头无边、15--食人鱼7、表示电压:1--AC12-16V/DC12-24V、2--AC12V8、流水码:00--无变化9、RoHS识别:1--RoHS、2--非RoHS举例:品号:803-41021001品名规格:成品\G4\12粒\正白\5050\AC12-16V/DC12-24V\RoHS库存单位:PCS主要来源:MP--采购件、S--委外件、M--厂内生产件。
ERP系统物料编码规则元件编码规则体系标准实践标准编码体制1、范围:本标准建立编码体制以识别图纸、工程规格、以及根据所得的图纸、规格表示出限定的零件和材料。
2、目的:本标准编码体制为识别文件、图纸、说明书、零件及材料规定了一个统一的方法,规定提供以下一些方法。
A.在工程标准方案中识别每种图纸、规格、标准、零件、材料。
B.将零件和材料分类以简化选择、获取、测试、检查及材料控制。
C.减少文件及零件种类、数量,避免重复。
2 / 1083、图纸及规格的编码:3.1所有在本标准范围内正式发行的图纸和规格,用适合该种类型所指定的一个数字来识别。
3.2本标准编码体制采用顺序编码法。
3.3图纸和工程规格的鉴别数字由物品码的前缀加指定顺序的基础数字组成。
3.3.1物品码:物品码为二个数字的前缀,以此识别一般产品分类。
3.3.2顺序基数:基数是一个5个字数字(在10000到99999之间),以此对专用的图纸或规格给出唯一的识别,但它没有分类编码的意思,这数和物品名前缀之间用破折号分开。
3.4具有限定技术要求和制造资料的图纸(或规格)的零件(或)材料,其识别数字应有和图纸、规格、相同的物品码和基数字,附加1个阿拉伯数字识别,并有3个阿拉伯数字的后缀。
4 .零件和材料的编码::4.1结构所有零件、组件、部件及材料被指定为三个元素组成的一条鉴别数字:一个物品码,一个基数本体和一个后缀。
4.1.1物品码:物品码是识别一般产品分类的二数字前缀。
3 / 1084.1.2基体:基数本体既可以顺序地分配,也可以根据该项目的性质编码基体与物品码之间用破折号分离。
A.顺序基体是一个6字数字,前面5个数字被顺序地指定在10000至99999之间,而最后一个数字为0或者为1个编号。
这对一个特有的项目提供了唯一的识别,而没有分类或编码的意思,基体码与前缀物品码之间用破折号分离。
B.一个编码的基体是6字符的阿拉伯数字,通过预先决定好的编码体系定义各种不同的特性,或某一项的性能。
ERP系统编码规则标准(讨论稿)起草:审核:批准:摘要:随着公司业务的快速发展和管理水平的不断提高,ERP系统及信息技术在公司各生产经营领域得了广泛的应用。
为了适应公司信息化建设的需要,保障公司ERP系统的顺利实施,提高公司内部物流与信息流的一致性和准确性及达到资源有效共享,特制定本标准。
第一部分编码概要1、范围本标准规定了公司ERP系统中所有编码的规则。
本标准适用于有限公司内部使用。
2、目的对公司的基础经营数据进行全面规范化和标准化管理,及更好地实施公司管理信息系统及提升公司综合管理水平。
3、职责信息中心是本标准归口管理部门。
各相关部门配合本标准的执行和维护。
第二部分物料编码企业信息编码最重要的是物料编码,物料编码是编码体系中最为重要也最为复杂的,它是信息数据库建立的基础。
一、物料编码定义1、车桥公司ERP系统物料:物料指为了产品销售出厂(库),需要列入计划、控制库存和成本等一切不可缺少的物的统称,即是指在公司生产经营(计划、制造、成本、物流、采购、销售)过程中出现的原材料、零部件、半成品到产成品等所有项目。
2、车桥ERP系统物料编码:物料编码就是对需要管理的物料分配一个代码以便识别、记录、统计等。
也指为了保证对物流、信息流和资金流进行管理和控制,所采用的用来表示物料本身及其属性的代码。
二、物料编码方案1、编码原则·唯一性编码要唯一识别,不能有二意性,不能重复·标准化尽量采用已经存在标准,如:三菱公司、股份公司的标准。
·简单化编码要简单明了,易读、易懂、易使用,·快捷性有快速识别、快速输入和计算机快速处理的性能·连续性有的编码编制要求有连续性·系统性要全面、系统地考虑编码设计的体系结构,要把编码对象分类,然后分别进行编码设计,如建立:原材料、自制件、产成品、辅助材料等·可扩展性所有编码要留有余地,以便扩展·所有字段不允许使用特殊字符:(逗号,);(分号;);(单引号‘);(双引号“);(到斜杠\)。
E R P系统中物料的编码原则及方法(总4页)-CAL-FENGHAI.-(YICAI)-Company One1-CAL-本页仅作为文档封面,使用请直接删除ERP系统中物料的编码原则及方法制定一套完整实用,扩充性强,又能满足系统要求的编码方案,是每个企业在信息化建设中都必须解决的问题。
本文就编码的一些思路和做法进行必要的阐述。
在企业信息系统的建设中,物料编码的确定往往是比较头痛的事情,因为编码方案既要考虑现实,又要考虑长远,既要考虑使用习惯,又要讲究科学规范。
如果考虑不周,包含不全,编码规则就得经常修改,不仅造成工作量增大,还影响系统运行。
因此,怎样制定一套完整实用,扩充性强,又能满足系统要求的编码方案,是每个企业在信息化建设中都必须解决的问题。
本文就编码的一些思路和做法进行必要的阐述。
1、物料的定义及编码的作用首先我们要明白物料的含义是什么,根据[url=javascript:;]ERP[/url]系统的通用定义,“物料”是为了产品出厂,需要列入计划的一切不可缺少的物资的统称,不只是原材料或零件,还包括毛坯、在制品、半成品、成品、外购件、包装材料、产品说明书,甚至还包括工装工具、劳保用品、能源等等的一切物料。
ERP系统要利用计算机来处理大规模的数据,物料编码作为关键数据是人和计算机使用所有其他数据元素的基础,它可以记录生产过程中物料的运动变化情况,跟踪物料的动向。
物料数据有了规范化的编码,还能便于计算机识别和检索,便于对物料进行高效、有序的管理,便于系统对物料进行分类、检索与统计,以及便于物料信息的交换与共享,所以物料编码是ERP系统中作为的一个关键主数据是决不可少的。
但是在ERP系统中物料代码最主要的是作为物料的标识符来使用的,而不是一种描述符,因此物料编码并不要求带什么含义,最根本的是要到做唯一性就行了,即:一物一码。
同一种物料,不论出现在什么产品上,只能用同一个代码;而不同的物料,那怕有极微小的区别也不得用同一个代码。
ERP系统物料编码规则
一,系统设置规定
物料编码原则:
1、物料编码是对物品的唯一标识,一颗物料有且只有一个料号,一个料号也对应唯一一个物品。
2、物料编码长度:
物料代码只使用“字母”和“阿拉伯数字”表示,物料代码结构如下:
一级代码+二级代码+产品型号规格+流水号,编码长度按产品类别制定(无码数长度要求),编码形式必须为X.XX.XXXXX格式,为使区分方便,特规定产品识别码,成品类固定长度为1码(必须用字母表示),成品用P,半成品用S。
电子料、包材、辅料、结构、配件及PCBA板等识别码固定长度为2码(必须用数字表示)
3、物料编码内不准含有{~@#¥$%……&*()/-+}等特殊字符
4、物料编码必须由字母和数字组成,字母统一用大写
5、物料分类原则:
按照物料族分类,物料分类只代表物料族,反应物料本身的物理属性和功能属性
所有物料分类符合业界惯例,不语海关物料分类标准抵触
物料分类不受物料来源影响,即不受自制,采购或客户提供的因素影响
物料分类每层结构内的顺序基本上没有含义,与产品和服务类别名称的语序也无关二,单据使用规定及约束
各部门所使用单据及表格,经各部门主管确认后,交予文控,统一编码、发放,由总经理室确认是否生效
三,系统操作规范要求:
1.1.1.1.1 电子器件--五级物料
①电阻类
⑧保护器件类
⑨显示类
1.1.2 结构类--三级物料
1.2 软件--二级物料。
ERP系统编码规则文件编码 F200011ERP 系统编码规则一、成品编码 E :例:E00000 产品IRCUT--滤光片厚0.21mm-小镜头型3V二、物料编码1)电阻 R:表-3 二级至四级编码对照表表-4 五级编码-电阻标称值例:MR221100 物料电阻-封装0603-1/10W-精度±5%-阻值10R 2)电容 C:表-5 二级至五级编码对照表例:MC900476 物料电容-钽1206-耐压6.3V-精度±5%-容量47μF3)电感 L:例:ML411470 物料电感-封装1608-额定电流150mA-精度±20%-电感量47μH4)二极管 D:表-9 二级至三级编码对照表例:MD54028 物料二极管-类型防雷管-封装SMB-型号P0080SC 5)三极管 Q表-11 二级至三级编码对照表6)集成IC U:表-13 二级至三级编码对照表例:MU45078 物料IC-类型DSP-封装BGA-型号Hi3518E 7)传感器 M:表-16 四级编码-传感器型号表8) 晶振 Y :表-17 二级至三级编码对照表MY32022 物料晶振-类型SMD(贴片形)-封装3225-型号74.25MHz 9)耦合器 T:表-20 四级编码-耦合器型号对照表10) PCB P:表-21 二级至三级编码对照表表-22 四级编码-PCB型号表例: MP11014 物料PCB-抗氧化工艺-规格38*38-型号S013 11)排插 J12)其它 E:表-26 四级编码-其它物料对照表三、出厂编码1)二级:流水号表-27 流水号对照表2) 一级:客户代码表-28 客户代码对照表【合作2年内=新客户 合作2年或以上=老客户】例:C1008ET99E00000 国内本地老客户【 sdd 】在15年10月份订货9月份的流水号为99的产品是【IRCUT-滤光片厚0.21mm-小镜头型3V 】四、采购编码1)一级:采购日期表-29 采购日期对照表 2)二级:供应商代码例:PE807MU45078 15年8月份07号供应商供应物料为【IC-类型DSP-封装BGA-型Hi3518E 】五、耗材编码表-33 生产耗材六、设备编码 A :表-33 一至二级编码对照表表-34 小型设备七、文件编码表-35 文件类别表-36 文件序号八、合同编码 T :表-37 合同类别九、职员编码表-38 职位类别2015.11.16 初稿。
ERP系统物料编码原则及规则物料编码原则及规则物料编码原则及规则编码原则第一节物料编码的意义物料编码是以简短的文字、符号或数字、号码来代表物料、品名、规格或类别及其他有关事项的一种管理工具。
在物料极为单纯、物料种类极少的工厂或有没有物料编码都无关紧要,但在物料多到数口种或数千、数万种以上的丄物料编码就显得格外重要了。
此时,物料的领发、验收,请购、跟催、盘点、存等工作极为频紧,而藉着物料编码,使各部门提高效率,各种物料资料传递速、意见沟通更加容易。
物料编码之功能如下:0增强物料资料的正确性物料的领发、验收、请购、跟催、盘点、储存、记录等一切物料之活动均有物编码可以查核,因此物料数据更加正确。
至于一物多名,一名多物或物名错乱现象不致于发生。
0提高物料管理的丄作效率物料既有系统的排列,以物料编码代替文字的记述,物料管理简便省事,效率因此提高。
0利于电脑的管理物料管理在物料编码推行彻底之后,方能进一步利用电脑作更有效的处理,以达到物料管理之效果。
0降低物料库存、降低成本物料编码利于物料库存量的控制,同时利于呆料的防止,并提高物料管理工作的效率,因此可减轻资金的积压,降低成本。
0防止物料舞弊事件之发生物料一经编码后,物料记录正确而迅速,物料储存井然有序,可以减少舞弊事件之发生。
0便于物料之领用库存物料均有正确的统一的名称及规格予以编码。
对用料部门的领用以及物料库的发料都十分方便。
第二节物料编码的原则物料编码必须合乎物料编码的原则,合理的物料编码,必须具备下列基本原则:1简单性1分类展开性1完整性1单一性1 一贯性1可伸缩性1组织性1适应电脑管理充足性11易记性一、简单性编码的LI的在于将物料化繁为简,便于物料的管理,如果编码过于繁杂,则违反了编码之LI的。
因切此物料编码在应用文字符号或数字上应力求简单明这样可节省阅读、填写、抄录的时间与手续,并可减少其中的错误机会。
物料相当单纯时,只要将物料简单分类为儿项即可,物料分类项LI多了,就显很不方便。
ERP系统物料编码规则一、物料编码的原则编码的目的在于将物料化繁为简,便于物料的管理与识别,节省阅读、填写、抄录的时间与手续,减少错误机会的,因此,物料编码在应用文字、符号或数字上要力求简单、明了,并遵循简单性、完整性、单一性、分类展开性、一贯性、可伸缩性、组织性、适应计算机管理、充足性与易记性等原则。
二、物料编码的意义(一)物料编码的定义:物料编码就是以简短的文字、符号或数字、号码来代表物料、品名、规格或类别及其她有关事项的一种管理工具。
(二)物料编码的意义:1、增强所用物料资料的正确性。
物料的领发、验收、请购、跟催、盘点、储存、记录等一切活动均以物料编码为依据进行查核,因此物料数据更加正确。
杜绝了一物多名,一名多物或物名错乱等现象的发生。
2、提高物料管理的工作效率。
以编码代替文字的记述,使物料更加简便省事,从而提高物料管理工作的效率。
3、利于计算机的管理。
物料管理在彻底推行物料编码之后,才能进一步利用计算机作更有效的处理, 以达到计算机系统管理的效果。
4、降低物料库存与成本。
物料编码既有利于库存量的控制,又利于防止呆料的发生,提高管理工作的效率,从而减少资金的积压,降低管理的成本。
5、防止物料舞弊事件的发生。
物料一经编码后,其记录正确而迅速,储存井然有序,可以减少物料舞弊事件的发生。
6、便于物料的领用。
每一种物料均有正确的统一的编码,对用料部门的物料领用与仓库发料都十分方便。
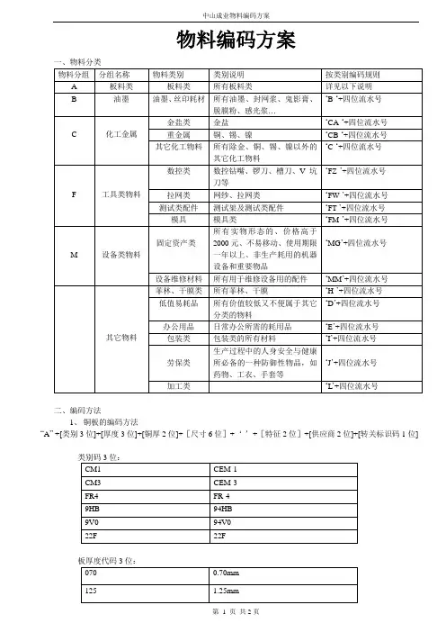
三、物料编码的规则(一)物料大类分类及编码规则根据财务核算与物流管理的需要,结合工作的实际情况,将现公司的所有物料分为九个大类, 每一大类又分为几个小类,小类之后又根据物料的属性、特征与使用状况进行分类。
每一物料总的编码为12位,共分三层。
第一层为第一大类占第1位,用物料名称第一个汉字的汉语拼音的第一个大写字母代替;第二层为第二类占第2、3位, 用两位数字01,02,03……99代替。
第三层为细分类,占第4至12位,每一位可根据各种物料赋与不同的含义。
盛年不重来,一日难再晨。
及时宜自勉,岁月不待人。
ERP系统编码规则文件编码F200011ERP 系统编码规则一、成品编码 E :例:E00000 产品IRCUT--滤光片厚0.21mm-小镜头型3V二、物料编码 M:1)电阻R:表-3 二级至四级编码对照表表-4 五级编码-电阻标称值例:MR221100 物料电阻-封装0603-1/10W-精度±5%-阻值10R 2)电容C:表-5 二级至五级编码对照表例:MC900476 物料电容-钽1206-耐压6.3V-精度±5%-容量47μF3) 电感 L:例:ML411470 物料电感-封装1608-额定电流150mA-精度±20%-电感量47μH4)二极管D:表-10 四级编码-二极管型号表例:MD54028 物料二极管-类型防雷管-封装SMB-型号P0080SC 5)三极管Q表-11 二级至三级编码对照表6)集成IC U:表-13 二级至三级编码对照表表-14 四级编码-IC型号表例:MU45078 物料IC-类型DSP-封装BGA-型号Hi3518E 7)传感器M:8) 晶振Y :表-17 二级至三级编码对照表MY32022 物料晶振-类型SMD(贴片形)-封装3225-型号74.25MHz 9)耦合器T:表-20 四级编码-耦合器型号对照表10)PCB P:表-21 二级至三级编码对照表表-22 四级编码-PCB型号表例:MP11014 物料PCB-抗氧化工艺-规格38*38-型号S013 11)排插J12)其它E:表-26 四级编码-其它物料对照表三、出厂编码 C :1)二级:流水号表-27 流水号对照表2) 一级:客户代码表-28 客户代码对照表【合作2年内=新客户 合作2年或以上=老客户】例:C1008ET99E00000 国内本地老客户【 sdd 】在15年10月份订货9月份的流水号为99的产品是【IRCUT-滤光片厚0.21mm-小镜头型3V 】四、采购编码 P:1)一级:采购日期表-29采购日期对照表 2)二级:供应商代码例:PE807MU45078 15年8月份07号供应商供应物料为【IC-类型DSP-封装BGA-型Hi3518E 】五、耗材编码 H: X表-33 生产耗材六、设备编码 A :表-33一至二级编码对照表表-34 小型设备七、文件编码 F:表-35 文件类别表-36 文件序号八、合同编码 T :表-37 合同类别九、职员编码 Y:表-38 职位类别2015.11.16 初稿。
ERP系统物料编码规则一、物料编码的原则编码的目的在于将物料化繁为简,便于物料的管理和识别,节省阅读、填写、抄录的时间与手续,减少错误机会的,因此,物料编码在应用文字、符号或数字上要力求简单、明了,并遵循简单性、完整性、单一性、分类展开性、一贯性、可伸缩性、组织性、适应计算机管理、充足性和易记性等原则。
二、物料编码的意义(一)物料编码的定义:物料编码是以简短的文字、符号或数字、号码来代表物料、品名、规格或类别及其他有关事项的一种管理工具。
(二)物料编码的意义:1、增强所用物料资料的正确性。
物料的领发、验收、请购、跟催、盘点、储存、记录等一切活动均以物料编码为依据进行查核,因此物料数据更加正确。
杜绝了一物多名,一名多物或物名错乱等现象的发生。
2、提高物料管理的工作效率。
以编码代替文字的记述,使物料更加简便省事,从而提高物料管理工作的效率。
3、利于计算机的管理。
物料管理在彻底推行物料编码之后,才能进一步利用计算机作更有效的处理, 以达到计算机系统管理的效果。
4、降低物料库存和成本。
物料编码既有利于库存量的控制,又利于防止呆料的发生,提高管理工作的效率,从而减少资金的积压,降低管理的成本。
5、防止物料舞弊事件的发生。
物料一经编码后,其记录正确而迅速,储存井然有序,可以减少物料舞弊事件的发生。
6、便于物料的领用。
每一种物料均有正确的统一的编码,对用料部门的物料领用和仓库发料都十分方便。
三、物料编码的规则(一)物料大类分类及编码规则根据财务核算和物流管理的需要,结合工作的实际情况,将现公司的所有物料分为九个大类, 每一大类又分为几个小类,小类之后又根据物料的属性、特征和使用状况进行分类。
每一物料总的编码为12位,共分三层。
第一层为第一大类占第1位,用物料名称第一个汉字的汉语拼音的第一个大写字母代替;第二层为第二类占第2、3位, 用两位数字01,02,03……99代替。
第三层为细分类,占第4至12位,每一位可根据各种物料赋与不同的含义。