回填土施工记录(素土、灰土、砂卵石通用)
- 格式:doc
- 大小:582.00 KB
- 文档页数:15
土方回填施工施工现场施工记录施工日期:xxxx年xx月xx日施工地点:xxxx工地1. 施工概况本次施工是针对土方回填进行的,施工总工期为xx天。
根据规划,本次施工旨在确保工地土方回填的质量和进度。
相关团队和设备已经准备就绪,开始施工前已经完成了必要的方案设计和安全措施。
2. 施工步骤及记录2.1 土方回填准备施工人员按照工程方案,进行了现场勘察和布置。
经过评估和确定,保证施工过程中的安全措施和顺利进行的先决条件已经具备。
施工团队将工作区域进行了划分,并设置了相关的施工标志和警示牌。
2.2 土方回填过程施工队伍按照先前确定的时间表和工程方案顺利进行了土方回填施工。
施工过程中经过详细测量,确保回填土方的质量和厚度符合设计要求。
在回填过程中,施工人员对土方回填的稳定性进行了监测。
通过使用专业的设备,确保土方回填的紧密度和压实度,以满足工程要求。
2.3 施工记录为了保证施工过程的规范性和可追溯性,我们对施工现场的每一步进行了详细记录。
记录包括但不限于以下内容:- 施工日期和施工地点- 施工人员和相关负责人员的姓名和职位- 施工过程中遇到的问题和解决方案- 监测设备的使用情况和监测结果- 施工进度和施工周期的记录- 施工过程中使用的设备和材料清单3. 安全措施为确保施工过程中的安全性,我们严格遵守安全规定,并采取了一系列的安全措施,包括但不限于以下内容:- 工人佩戴必要的安全防护装备,如安全帽、工作服、手套等- 安装了警示牌和安全标志,提醒施工现场的相关人员注意安全- 指定专人负责安全管理和现场监督- 定期检查施工设备的运行状况,确保其安全性和可靠性4. 施工总结本次土方回填施工顺利完成,施工过程中各个环节按照工程方案和施工要求进行。
通过严格的工程监测和记录,我们确保了回填土方的质量和施工进度。
在施工过程中,安全措施得到了有效执行,未发生任何安全事故。
我们将继续对施工质量进行监测和评估,力求确保工程的顺利进行和最终的成功竣工。
土方路基填筑工程施工记录一、项目概况本工程为某市区一条道路的土方路基填筑工程,总长1000米,路宽10米,设计要求为水泥砂浆路面。
工程施工单位为某建筑施工有限公司,施工总监为张工。
二、施工准备1. 工程部署:施工前,施工方案已经制定,工程分为路基土方开挖和填筑两个阶段进行,各阶段施工人员已经分工明确。
2. 施工人员:本次施工共有30名工人参与,包括挖掘机操作员、推土机操作员、铲车司机、路基填筑工人等。
3. 施工机械:准备挖掘机3台、推土机2台、铲车2台、自卸车5辆等。
4. 施工材料:准备水泥、砂、碎石等填筑材料,以及办公用品、安全防护用品等。
三、施工过程1. 路基土方开挖:(1)挖掘机开挖土方:根据设计要求,进行路基土方开挖,挖掘各个路段的土方,并堆放到指定位置。
(2)土方搬运:使用自卸车将挖掘的土方运送至指定堆放点,确保施工现场的道路畅通。
2. 路基填筑:(1)路基平整:推土机对挖掘好的路基进行整平,确保路基表面平整度符合设计要求。
(2)填筑路基:铲车将碎石、砂、水泥等填筑材料运送至现场,进行路基填筑工作。
填筑过程中,需要进行适时的压实,保证填筑层的密实度。
3. 施工安全:(1)安全防护:工地施工人员必须穿戴好安全帽、绳结等安全防护用具,确保施工人员的安全。
(2)施工现场:施工现场设置了安全警示标识,明确施工区域,并设置施工挡板,防止工地外人员靠近施工现场。
四、施工质量检验与验收1. 施工过程中,施工经理不定期进行现场巡查,对土方开挖、填筑等工作进行质量检验,及时发现和解决问题。
2. 施工完工后,经过专业验收人员对路基填筑工程进行验收。
验收主要考核路基平整度、密实度等指标,并通过相关测试工具进行检测。
五、总结本次土方路基填筑工程在施工过程中,严格按照设计要求进行,确保了施工质量和进度。
同时,较为完善的施工准备和安全防护措施,也有效保障了施工人员的安全。
在今后的施工中,还需进一步加强施工管理,提高施工效率和质量,确保工程如期完成。
回填土夯实施工记录施工地点:*******************施工单位:*******************日期:**********工程总体情况:本工程位于*******************,主要目的是*******************。
回填土夯实施工程是本工程的一项关键工作,旨在*******************。
本次施工实施工序为************************。
施工人员:本次施工共派出***********人参与施工,其中包括现场负责人员、操作人员、监理人员等。
施工设备:本次施工所使用的设备主要包括*******************,设备具体型号为*******************。
施工材料:本次施工所使用的材料主要包括*******************,材料的质量和规格均符合施工设计要求。
施工过程:1.准备工作:在施工前,现场负责人员对施工地点进行了检查和清理,确保施工地点平整、无障碍物。
同时对所需施工设备和材料进行了检查,确保其数量和质量满足要求。
2.操作人员培训:施工前,现场负责人员对操作人员进行了工作安全和操作规程的培训,确保操作人员了解施工要求和注意事项,并具备正规的操作证书。
3.施工步骤:a)取样检测:在施工前,对回填土进行了取样检测,确保其符合施工设计要求,并将取样结果记录在施工记录中。
b)设备调试:施工前,对所使用的夯实设备进行了调试,确保其正常运行。
c)回填土夯实:根据施工图纸要求和设计要求,按照一定间距和布点的方式,对回填土进行夯实。
操作人员根据现场情况,合理安排夯实频率和夯实次数,确保回填土夯实达到要求。
d)夯实记录:在夯实过程中,操作人员通过实测和观察,对夯实情况进行记录。
记录内容包括夯实频率、夯实次数、夯实效果等。
4.施工质量检查:在施工过程中,监理人员对夯实效果进行了检查,确保夯实质量达到施工设计要求。
5.完工验收:施工结束后,现场负责人员对施工现场进行了验收,确保施工质量符合规范要求。
土方回填施工检查记录日期:XXXX年XX月XX日施工单位:XXX建筑工程有限公司项目名称:XXX工程施工地点:XXX地区检查人员:XXX一、检查目的本次检查的目的是对土方回填施工进行全面检查,以确保施工过程符合相关规范要求,确保回填土质量达到设计要求,并及时发现和解决存在的问题,确保施工质量。
二、检查内容1.施工过程是否符合设计要求,是否使用规范的施工工艺和设备。
2.施工现场是否存在不良现象,如违规行为、危险品乱放等。
3.回填土质量是否达到设计要求,是否存在杂物混入的情况。
4.施工过程中是否按照规定进行记录和报验。
三、检查结果根据本次检查的情况,总结如下:1.施工过程:施工单位在土方回填过程中采用了规范的施工工艺和设备,没有出现违规行为。
施工人员严格按照设计要求进行施工,工作效率高,施工质量可靠。
2.现场情况:施工现场整洁有序,危险品得到妥善存放和处理,没有出现人员和财产安全事故的情况。
施工单位对施工现场进行了有效的管控。
3.土方质量:回填土质量达到设计要求,土壤稳定性良好。
经现场抽查,未发现明显的杂物混入情况。
4.记录和报验:施工单位认真记录施工过程中的关键数据,并及时上报给质检部门进行验收。
四、存在问题和建议1.检查过程中未发现明显的问题,但为了进一步确保施工质量,建议施工单位在施工完成后对回填土进行抽样检测,以确保土质量达到要求。
2.施工单位应加强对施工人员的培训,提高他们的安全意识和质量意识,以防止发生安全事故和施工质量不合格的情况。
3.施工单位在施工过程中应规范记录和报验工作,确保数据的准确性和及时性。
五、后续措施根据本次检查的情况,施工单位应采取以下措施:1.对施工人员进行培训,提高他们的安全意识和质量意识。
2.加强对施工现场的管理,确保施工过程的安全和质量。
3.对回填土进行抽样检测,确保土质量达到要求。
4.规范记录和报验工作,确保数据的准确性和及时性。
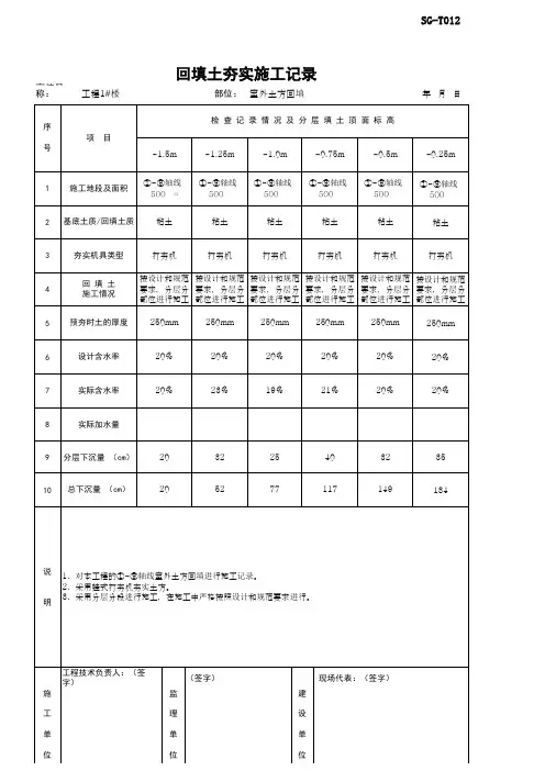
工程名称蔚县“十三五”第二批村级光伏扶贫电站项目宋家庄标段部位柱基础四周序号项目检查记录情况及分层标高-2.30m-2.00m-1.71m-1.40m-1.11m-0.80m1 施工地段及面积辛落塔第一排桩基面积为m22 基底土质细沙粘土石子3 夯实机具类型蛙式打夯机4回填土施工情况原土回填,在天然含水率的情况下,每层30cm采用打夯机进行夯实。
5 预夯实土的厚度0.3m 0.3m 0.3m 0.3m 0.3m 0.3m6 含水率(%)天然14 13 14 13 14 13最佳13 13 13 13 13 137 实际加水每立方米公升(1/m3)/ / / / / /8 夯击遍数规定 3 3 3 3 3 3实际 3 3 3 3 3 39 最后下沉量7cm8cm6cm8cm7cm6cm10 总下沉量(cm)8 16 24 32 40 48说明1.对本工程的土方回填进行施工记录。
2.采用蛙式打夯机夯实土方。
3.采用分层分段进行施工,在施工中严格按照设计和规范要求进行。
施工单位工程技术负责人:年月日监理单位监理工程师:年月日-2.30m工程名称蔚县“十三五”第二批村级光伏扶贫电站项目宋家庄标段部位柱基础四周序号项目检查记录情况及分层标高-2.30m-2.00m-1.71m-1.40m-1.11m-0.80m1 施工地段及面积辛落塔第一排桩基面积为m22 基底土质细沙粘土石子3 夯实机具类型蛙式打夯机4回填土施工情况原土回填,在天然含水率的情况下,每层30cm采用打夯机进行夯实。
5 预夯实土的厚度0.3m 0.3m6 含水率(%)天然14 13最佳13 137 实际加水每立方米公升(1/m3)/ /8 夯击遍数规定 3 3实际 3 39 最后下沉量7cm8cm10 总下沉量(cm)58 67说明1.对本工程的土方回填进行施工记录。
2.采用蛙式打夯机夯实土方。
3.采用分层分段进行施工,在施工中严格按照设计和规范要求进行。
结构物回填施工记录施工单位:xxxx 建筑工程有限公司项目名称:xxxx 建筑物回填施工工地地址:xxxx施工时间:xxxx年xx月xx日至xxxx年xx月xx日【施工概况】本施工记录旨在记录xxxx建筑物的回填施工过程以及相关的工作情况。
回填施工是建筑工程中至关重要的一环,它能够为建筑物提供稳定的基础,保证建筑物的安全和持久性。
在本次施工过程中,我们始终遵循工程规范,并采取了相应的措施来确保施工质量。
【施工准备】在施工开始前,我们全面检查了回填材料并进行了相应的试验。
根据土壤力学性质及设计要求,我们准备了适当的填充材料。
同时,针对施工现场,我们进行了必要的清理和平整,并确保场地的排水良好。
此外,我们还调查了地下管线的布局和位置,以避免对其造成影响。
【施工过程】1.回填材料投放:根据设计要求,我们先后投放了不同类型的回填材料。
对于基础部分,我们选择了高标号的砂土和石头进行填充,以保证基础的稳定性。
对于建筑物周围的回填,我们采用了砂土和黏土的混合物,以便提供更好的承载能力和保湿性能。
2.压实处理:在回填材料投放完成后,我们采用了机械压实设备对其进行了压实处理。
根据工程要求,我们选择了合适的压实设备,并确定了相应的压实次数和压实范围。
在压实过程中,我们特别注意地面的平整度和均匀度,以确保回填层的整体质量。
3.施工质量检验:在施工过程中,我们与工程质量监督部门保持了密切沟通,并邀请他们进行了现场检验。
监督部门对回填材料的材质、压实效果和填充层的均匀性提出了要求,并在实际施工中进行了抽查。
我们积极响应并进行了相应的调整,以保证施工质量符合要求。
【施工安全】在回填施工中,我们始终把安全工作放在首位。
通过强化安全教育和培训,我们确保施工人员熟悉相关的施工规范和操作规程。
同时,我们采取了一系列的安全措施,如设置警示标志、搭建安全围挡、使用安全绳索等,以保障施工人员和周围人员的安全。
【施工总结】在本次回填施工过程中,我们始终坚持高标准、严要求的工作原则,充分尊重工程质量要求,并按照相关规范进行施工。