地辐热采暖施工方案
- 格式:doc
- 大小:844.00 KB
- 文档页数:8
地辐热采暖施工方案一、引言地辐热采暖是一种现代高效节能的供暖方式,通过地面散热来实现建筑物室内的舒适温度。
本文将介绍地辐热采暖的施工方案,包括准备工作、材料准备、施工步骤等内容。
二、准备工作在进行地辐热采暖施工之前,需要进行以下准备工作:1.确定采暖区域:根据建筑物的布局和设计需要确定采暖区域的范围。
2.清理地面:清理采暖区域的地面,确保地面平整、干净无杂物。
3.测量施工区域尺寸:精确测量采暖区域的尺寸,为后续施工提供参考。
三、材料准备进行地辐热采暖施工需要准备以下材料:1.地暖管:根据采暖区域的尺寸和设计需求选择合适的地暖管材料。
2.地暖散热片:根据实际情况选择适合的地暖散热片。
3.连接件和支架:用于连接地暖管和安装地暖散热片的连接件和支架。
4.绝缘材料:用于保护地暖管和防止能量损失的绝缘材料。
四、施工步骤1.布置地暖管:根据设计图纸在采暖区域铺设地暖管,保证管道布置整齐、紧密。
2.安装地暖散热片:将地暖散热片安装在地暖管上,确保散热片与地暖管紧密连接。
3.连接管道:连接地暖管与集热器,确保管道无漏水现象。
4.进行试压:在施工完成后对地暖系统进行试压,确保系统正常运行。
5.进行保温处理:对已安装的地暖管进行保温处理,减少能量损失。
五、施工注意事项1.在施工过程中,严格按照设计图纸的要求进行施工,避免误操作导致损坏地暖系统。
2.注意安全防范措施,确保施工现场安全,避免发生意外事故。
3.施工完成后,对地暖系统进行检查和调试,确保系统正常运行。
六、结论地辐热采暖施工是一项复杂的工程,需要严格按照要求进行施工,确保系统运行稳定、安全。
通过本文介绍的施工方案,可以帮助施工人员了解地辐热采暖的施工流程和注意事项,提高施工效率,保证工程质量。
1. 引言地辐热采暖是一种常见的采暖方式,在冬季提供温暖舒适的居住环境。
本文将介绍地辐热采暖的施工方案,包括材料选择、施工步骤和注意事项等,以帮助读者了解和实施地辐热采暖项目。
2. 材料选择地辐热采暖需要使用一些特殊的材料来实现辐射传热。
以下是常用的材料选择:2.1 管道地辐热采暖使用的主要管道是聚乙烯(PEX)管道。
PEX管道具有耐高温、耐腐蚀和低线性膨胀系数的特点,适用于地下敷设。
2.2 散热板地辐热采暖需要散热板来将热量传递到地面上。
常见的散热板有铝合金散热板和聚苯乙烯(EPS)泡沫板。
铝合金散热板具有较高的导热性能,而EPS泡沫板具有更好的保温效果。
2.3 控制系统地辐热采暖需要一套控制系统来调节供暖温度和运行时间。
常见的控制系统包括温度传感器、温控阀和温度控制器。
3. 施工步骤地辐热采暖的施工步骤如下:3.1 施工准备在施工前,需做好以下准备工作: - 确定供暖区域的大小和布局。
- 设计供暖系统的管道布置方案。
- 考虑地面材料的选择和装修情况。
3.2 敷设管道按照设计方案,将PEX管道敷设在地面下。
可以采用螺旋式、迂回式或网状式布置管道,以保证热量均匀分布。
3.3 安装散热板将散热板安装在管道上方,以增加热量向地面的传导效率。
散热板通常使用锁扣式组装,以便灵活调整和更换。
3.4 连接管道和控制系统将管道连接到供暖系统的主管道,并安装温度传感器、温控阀和温度控制器。
确保连接牢固并测试系统正常工作。
3.5 进行保温和地面装修对敷设的管道和散热板进行保温处理,以减少热量损失。
然后进行地面装修,可以使用瓷砖、地板等材料进行铺装。
3.6 调试和测试完成施工后,进行供暖系统的调试和测试。
确保温度传感器、温控阀和温度控制器正常工作,并调整系统参数以达到预期的供暖效果。
4. 注意事项在地辐热采暖的施工过程中,需要注意以下事项:•施工前需对供暖区域进行充分规划和设计,确保系统布置合理。
•选用优质的管道材料和散热板,以保证系统的耐久性和散热效果。
地板辐射采暖工程施工方案一、工程概述地板辐射采暖工程是一种采用热水或电能在地板下产生热量的供暖方式,具有节能、环保、舒适等特点。
本施工方案旨在明确地板辐射采暖工程从施工准备到后期维护的每一步操作,确保工程质量及运行效果。
二、材料准备与检查准备所需材料,包括保温材料、辐射管道、温控系统等,并按照设计要求进行核对。
对所有材料进行质量检验,确保符合工程要求。
三、地面清理与找平清理地面,移除杂物,确保地面平整、干燥、无油污。
对不平整的地面进行找平处理,保证地面平整度在允许范围内。
四、保温层施工与铺设根据设计要求铺设保温层,确保保温材料紧密贴合地面,无缝隙。
使用专用胶带或固定件固定保温层,防止移位。
五、辐射管道安装与连接按照设计图纸铺设辐射管道,确保管道间距均匀、布局合理。
使用专用连接件连接管道,确保连接处牢固、无渗漏。
六、温控系统安装与调试安装温控设备,包括温控器、传感器等,确保安装位置准确。
进行温控系统调试,确保系统能够正常运行,温度控制准确。
七、地板铺设与调试铺设地板,确保地板与辐射管道之间的间距合适,避免损坏管道。
进行地板调试,检查地板与温控系统之间的连接是否正常。
八、系统验收与调试对整个系统进行验收,检查各部件是否安装正确、运行正常。
进行系统调试,确保系统能够在不同温度下稳定运行,满足设计要求。
九、后期维护与保养定期对系统进行检查,确保各部件运行正常,无损坏。
对系统进行保养,包括清洁、紧固松动部件等,确保系统长期稳定运行。
通过上述施工方案,可以确保地板辐射采暖工程从施工到后期维护的每一步都得到有效控制,保证工程质量和运行效果。
同时,定期对系统进行维护和保养,可以延长系统使用寿命,提高供暖效果。
2022年地暖施工方案4篇地暖施工方案1(一)一般规定1、板辐射供暖的安装工程,施工前应具备下列条件:⑴设计图纸及其它技术文件齐全。
2、地板辐射供暖的安装工程,环境温度宜不低5℃。
3、地板辐射供暖施工前,应了解建筑物的结构,熟悉设计图纸、施工方案及其它工种的配合措施。
安装人员应熟悉管材的一般性能,掌握基本操作要点,严禁盲目施工。
4、加热管安装前,应对材料的外观和接头的配合公差进行仔细检查,并清除管道和管件内外的污垢和杂物。
5、安装过程中,应防止油漆、沥青或其它化学溶剂污染塑料类管道。
6、管道系统安装间断或完毕的敞口处,应随时封堵。
⑵经批准的施工方案或施工组织设计已进行技术交底。
⑶施工力量和机具等,能保证正常施工。
⑷施工现场、施工用水和用电、材料储放场地等临时设施,能满足施工需要。
(二)绝热层的铺设1、绝热层应铺设在平整的基地上。
2、绝热层应铺设平整、搭接严密。
当敷有真空镀铝聚脂薄膜或玻璃布基铝箔贴面层时,3、除将加热管固定在绝热层上的塑料卡钉穿透外,不得有其它破损。
(三)加热管的配管和敷设1、按照设计图纸的要求,进行放线并配管。
同一通路的加热管应保持水平。
2、加热管的弯曲半径,PE-RT管有宜小于5倍管外径。
3、填充层内的加热管不应有接头。
4、采用专用工具切管,断口应平整,断口面应垂直于管轴线。
5、加热管应加以固定,可以分别采用以下的固定方法:⑴用固定卡子将加热管直接固定在敷有复合面层的绝热板上。
⑵用扎带将加热管绑扎在铺有复合面层的钢丝网上。
⑶卡在铺设于绝热层的表面的专用管架或管卡上。
6、加热管固定点的间距,直管段不应大于700mm,弯曲管段不应大于350mm。
2、加热管的弯曲半径,PE-RT管有宜小于5倍管外径。
3、填充层内的加热管不应有接头。
4、采用专用工具切管,断口应平整,断口面应垂直于管轴线。
5、加热管应加以固定,可以分别采用以下的固定方法:⑴用固定卡子将加热管直接固定在敷有复合面层的绝热板上。
本工程采用低温热水地板辐射采暖,采暖系统采用双立管分户热计量系统。
供回水立管安装在管井内,地埋管(管道井至户内分、集水器)采用耐高温聚乙烯(PE—RT)管,管径为De25*2。
8,室内盘管采用De20*2。
3,每户设分、集水器。
分、集水器上均设有DN15自动放气。
一、低温地板辐射采暖简解1.低温地板辐射采暖的特点地板采暖以温度不高于60℃的热水为热媒,在加热管内循环流动,加热地板,通过地面以辐射和对流的传热方式向室内供热的供暖方式。
这一更具人性化的采暖方式,以其舒适、卫生、保健、高效、节能、不占使用面积、使用寿命长等特点,日渐成为时尚、品味生活不可或缺的部分。
它是通过埋设在地板下混凝土层中的加热盘管的热水循环把地表温度加热并保持在25℃左右,通过辐射,使房间气温达到人体适宜的温度.2。
低温地板辐射采暖的构造组成详见下图二、低温地板辐射采暖施工1。
施工准备1。
施工材料及技术要求1.1聚苯乙烯泡沫塑料板1。
2 PE-RT塑料管材PE—RT塑料加热管的内外表面应光滑、平整,干净,不应有可能影响产品性能的明显划痕、凹陷、气泡等缺陷。
塑料管的公称外径、壁厚与偏差,应符合规范要求。
1。
3分水器、集水器、自动跑风阀:材质为全铜质制品。
分水器、集水器包括分水干管、集水干管、排气及泄水试验装置、支路阀门和连接配件等,分水器、集水器的表观,内外表面应光洁,不得有裂纹、砂眼、冷隔、夹渣、凹凸不平等缺陷,表面电镀的连接件,色泽应均匀,镀层牢固,不得有脱镀的缺陷,铜制金属连接件与管材之间的连接结构形式为卡套式夹紧结构。
1。
4钢丝网:低碳冷拔丝,焊接网。
1。
5反射膜:铝箔反射膜.2.施工工具准备专用管件、管钳、冲击钻、胀铆螺栓、手钳、塑料扎带或固定卡子、抹子、推车、手动打压泵、压力表等。
3。
作业条件3.1施工现场有水、电供应设施.3.2土建专业已完成墙面粉刷(不含面层),外窗、门安装已完毕,有防水的房间应做完闭水试验并经过验收。
地辐热采暖施工方案地辐热采暖是一种通过在地板或地面下散热器上散发热量来进行室内采暖的方法。
它具有温和舒适、节能高效等特点,在建筑领域广泛应用。
本文将详细介绍地辐热采暖施工方案。
一、施工前准备1. 确定采暖系统类型:根据建筑结构、使用需求等因素,确定适合的地辐热采暖系统类型,如水暖地暖、电暖地暖等。
2. 设计施工方案:根据建筑平面布置和供热要求,绘制地辐热采暖施工方案图,包括散热管道布置、管道埋设深度等。
二、施工步骤1. 散热管道布置:根据施工方案,在建筑地面或地板下进行散热管道的布置。
通常可以选择螺旋式、S型或U字型布置方式,确保管道均匀分布,尽量避免管道交叉。
2. 管道埋设:将散热管道埋设于地下或地板下,确保管道与地面紧密接触,减少热量传输损失。
在埋设过程中,要注意管道的保护,防止损坏或渗漏。
3. 温控系统安装:安装地辐热系统的温控系统,用于控制采暖温度和时间。
根据实际需求,可选择手动或自动控制方式,并进行相应的线路布置和接线工作。
4. 绝热处理:在散热管道埋设完毕后,对地面或地板进行绝热处理,以减少热量的散失。
可采用保温材料进行包覆或者直接在地面或地板上铺设绝热材料。
5. 系统测试与调试:在施工完成后,进行地辐热采暖系统的测试与调试,确保系统能够正常运行。
这包括检查管道是否漏水、温控系统是否准确等。
6. 竣工验收:地辐热采暖施工完成后,由专业验收人员对系统进行全面验收,检查施工质量和运行情况是否符合要求。
三、施工注意事项1. 施工人员素质:地辐热采暖施工需要专业人员进行操作,施工前要确保人员具备相关的知识和技能,并接受相应的培训。
2. 材料选用:选择优质的散热管道和绝热材料,确保系统的长期稳定运行。
施工过程中,要注意选用符合标准的材料,并按照要求进行使用。
3. 安全施工:在施工过程中,要严格按照相关安全规范操作,确保施工人员的安全,防止事故的发生。
4. 联系建筑设计方:在进行地辐热采暖施工前,要与建筑设计方进行沟通,确保施工方案符合建筑设计要求,避免因施工问题导致的后期矛盾和纠纷。
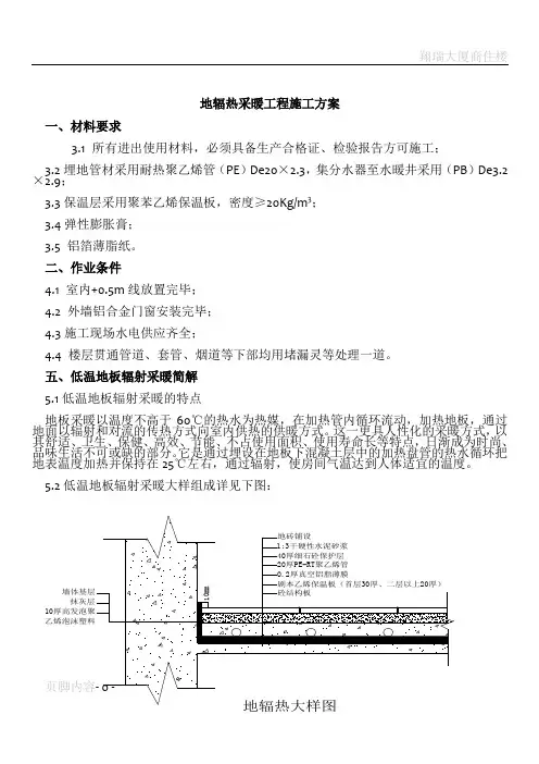
地辐热采暖工程施工方案一、材料要求3.1 所有进出使用材料,必须具备生产合格证、检验报告方可施工;3.2埋地管材采用耐热聚乙烯管(PE)De20×2.3,集分水器至水暖井采用(PB)De3.2×2.9;3.3保温层采用聚苯乙烯保温板,密度≥20Kg/m3;3.4弹性膨胀膏;3.5 铝箔薄脂纸。
二、作业条件4.1 室内+0.5m线放置完毕;4.2 外墙铝合金门窗安装完毕;4.3施工现场水电供应齐全;4.4 楼层贯通管道、套管、烟道等下部均用堵漏灵等处理一道。
五、低温地板辐射采暖简解5.1低温地板辐射采暖的特点地板采暖以温度不高于60℃的热水为热媒,在加热管内循环流动,加热地板,通过地面以辐射和对流的传热方式向室内供热的供暖方式。
这一更具人性化的采暖方式,以其舒适、卫生、保健、高效、节能、不占使用面积、使用寿命长等特点,日渐成为时尚、品味生活不可或缺的部分。
它是通过埋设在地板下混凝土层中的加热盘管的热水循环把地表温度加热并保持在25℃左右,通过辐射,使房间气温达到人体适宜的温度。
5.2低温地板辐射采暖大样组成详见下图:六、施工工艺6.1工艺流程基层处理→铺设保温层(苯板、铝箔)→保温带与伸缩缝设置→铺设钢丝网片→铺设PE管→加压测试→安装集、分水器→隐蔽验收→施工混凝土填充层→立(干)管清洗→系统试压→系统调试与运行。
6.2工艺标准6.2.1基层处理:基层表面应表面平整,不得有凹凸不平,墙根应清理干净,基层无浮灰、水泥渣。
6.2.2铺设保温层:1)在平整、干燥、无杂物的地面铺设约2㎝厚度聚苯乙烯泡沫塑料板,错缝排列铺设,相互间接合紧密,铺设平整度达到要求。
6.2.3保温带及伸缩缝的设置:1)保温带的设置:在采暖房间的四周墙根均设保温带,保温带采用10mm厚聚苯乙烯泡沫塑料板设置,保温带设置必须固定,可用粘接剂粘贴在四周墙根,应交圈设置,同时保证保温带设置由保温层上部至面层上部10mm处。
地板辐射采暖工程施工方案一、工程概况地板辐射采暖是一种先进的采暖方式,通过地板下的散热器将热量传导到室内,使室内温度均匀,舒适度高。
本次工程是在某大型居住区进行地板辐射采暖的施工,旨在提升居民的生活品质和采暖效果。
二、施工准备1. 检查施工图纸,了解工程范围和要求;2. 准备施工材料,包括散热器、管道、地板等;3. 安排施工人员,确保施工人员具有相关证书和经验;4. 般打桩,渣土搬运等作业限制性条件三、施工前准备1. 安全检查:确保施工现场安全,设置警示标识,提供安全防护用具;2. 整理现场:清理施工现场,确保施工通道畅通;3. 确认供水和供电情况:确保地板辐射采暖系统能够正常供水和供电;4. 制定施工计划:按照施工图纸,制定详细的施工计划,包括施工步骤、时间安排等。
四、施工步骤1. 散热器安装(1)测量:根据施工图纸进行测量,确定散热器的位置和尺寸;(2)安装:根据测量结果,安装散热器,确保安装牢固并按照要求安装;(3)连接管道:连接散热器和供暖管道,确保管道连接牢固,无漏水现象。
2. 地板安装(1)准备地面:清理地面,确保地面平整、干燥;(2)铺设地板:根据施工图纸,铺设地板,并对接缝进行处理,确保地板铺设平整、美观。
3. 系统调试(1)供水调试:接通供水系统,进行水压测试,确保系统正常供水;(2)供电调试:接通供电系统,进行电压测试,确保系统正常供电;(3)系统调试:调试地板辐射采暖系统,确定系统正常工作。
五、施工质量控制1. 施工图纸:根据施工图纸进行施工,确保施工符合图纸要求;2. 施工规范:严格按照施工规范进行施工,确保施工质量;3. 工艺要求:根据地板辐射采暖系统的工艺要求进行施工,确保系统运行正常;4. 完工验收:在施工完成后,对地板辐射采暖系统进行完工验收,确保系统达到设计要求。
六、施工安全保障1. 安全培训:对施工人员进行安全培训,提高安全意识;2. 安全防护:提供安全防护用具,确保施工人员的安全;3. 安全检查:定期对施工现场进行安全检查,排除安全隐患;4. 应急预案:制定施工现场应急预案,确保施工过程中的安全。
地辐热工程施工方案1. 简介地辐热工程是一种利用地板作为辐射源来进行供暖、制冷或者舒适性的一种新型节能技术。
它是利用管道将热水或者冷水分布到整个地面的一个系统,通过辐射传热来实现室内温度控制。
本文将介绍地辐热工程的施工方案。
2. 概述地辐热工程主要由供水系统、供暖系统、施工流程和质量控制等方面组成。
3. 材料准备在地辐热工程的施工过程中,需要准备的材料主要包括:水管、隔热材料、固定夹等。
4. 施工工艺流程地辐热工程的基本施工流程如下:1.确定地板的材料和厚度,这是决定地辐热的重要因素之一。
2.按设计要求将地面清理干净,然后放置基础隔离膜,以防止潮气。
3.在隔离膜上安装断桥铝型材,形成一个边框,以便将卡槽用于放置管道。
4.安装管道,根据设计要求放置管道。
将管道预埋在地板中,并且管道之间保持适当的间距。
5.连接水系统,分别将进水管和出水管接好。
出水管与分水器相连、出水管与进水管相连。
6.连接电气设备,连接好各种传感器、温控器、泵等设备。
7.地暖系统的试压和检验,进行气密性和密封性试验,确保管道没有泄漏等问题。
5. 质量控制在施工过程中,必须使用标准和规范,同时监测温度和湿度等参数。
重要的施工质量控制环节包括:•管道安装质量控制:确保管道的长度不出现过短或过长、连接口没有漏水、管道走向和间距符合设计要求等。
•温度和湿度监测:地面辐射温度和湿度的变化对地暖的精确控制是非常重要的。
•电气与通信系统安装:对系统的正常运行至关重要。
6. 总结地辐热工程是一种新型节能供暖技术,本文介绍了地辐热工程施工方案。
这个方案包括了材料的准备,施工的流程以及质量控制等方面。
通过合理的施工方案、材料的准备和质量控制可以保证地暖系统的稳定、安全和可靠运行,从而为人们带来更好的舒适体验。
地辐热采暖施工方案1. 引言地辐热采暖是一种集供热和舒适性于一体的采暖系统。
它利用地面或地下的热能,通过辐射方式传递热量,达到室内舒适的目的。
本文将详细介绍地辐热采暖的施工方案,包括材料准备、施工步骤以及后期运维。
2. 施工材料准备在进行地辐热采暖施工之前,需要准备以下材料:1.地暖管道:选择高质量的PEX管道,具有耐高温、耐压、耐腐蚀等特性。
2.管道托架:用于固定和支撑地暖管道的托架,保证管道的稳定性。
3.隔热层:在地暖管道下方铺设隔热层,减少热量损失。
4.水泥砂浆:用于地暖管道的固定和保护。
5.温控系统:包括温控器、温度传感器等设备,用于控制地暖系统的运行状态。
3. 施工步骤步骤一:设计和规划在开始施工之前,需要根据室内的具体情况进行设计和规划。
包括确定管道布局、确定供暖面积等。
步骤二:准备工作在开始施工之前,需要进行以下准备工作:1.清理施工区域:清理施工区域,确保平整无障碍。
2.定位管道位置:根据设计方案确定地暖管道的位置。
3.铺设隔热层:在地暖管道下方铺设隔热层,减少热量损失。
步骤三:安装地暖管道安装地暖管道是整个施工过程中最关键的步骤。
具体步骤如下:1.固定管道托架:根据设计方案确定的管道位置,在地面上固定管道托架。
2.安装地暖管道:将地暖管道依次安装在固定的托架上,确保管道间距均匀。
3.连接管道:使用专用的接头和管道连接件,将地暖管道连接在一起。
4.进行试压:在完成管道连接后,进行试压,确保地暖管道的密封性能。
步骤四:施工封闭层在完成地暖管道的安装后,需要进行施工封闭层的工作。
具体步骤如下:1.准备水泥砂浆:根据施工需要,准备适量的水泥砂浆。
2.封闭地暖管道:使用水泥砂浆将地暖管道进行封闭,保护管道并增加地面的承重能力。
3.平整地面:使用工具将砂浆均匀地抹平,确保地面平整。
步骤五:安装温控系统安装温控系统是地辐热采暖系统的关键步骤。
具体步骤如下:1.安装温控器:根据设计方案,在室内固定温控器。
34地辐热采暖施工方案地辐热采暖是一种非常有效的采暖方式,它通过在地面铺设辐射管道,利用地面的热量传导到室内进行采暖。
这种采暖方式不仅可以提供舒适的室内温度,还可以避免传统暖气的燃烧产生的废气和灰尘,对环境更加友好。
在进行地辐热采暖的施工时,需要做好以下几个方面的工作:1.设计方案:在进行地辐热采暖的施工前,首先需要进行详细的设计方案。
设计师需要根据建筑物的结构和面积确定铺设辐射管道的位置和数量,以及管道的布局方式。
同时还需要考虑地面的材料和厚度,以及地板的种类和安装方式等因素。
2.材料选择:地辐热采暖的材料选择非常重要。
辐射管道一般使用PEX或PERT材料,这种材料具有良好的耐热性和耐压性,能够保证长时间的使用。
除此之外,还需要选择符合标准的地板材料和保温层,以确保采暖效果和安全性。
3.施工准备:在进行地辐热采暖的施工前,需要做好施工准备工作。
首先要清理施工区域,确保地面平整干净;其次要检查管道和材料是否完好,确保没有损坏或漏水;最后要确定施工人员的技术水平和安全意识,以保证施工质量和安全。
4.铺设管道:铺设辐射管道是地辐热采暖施工的核心环节。
一般情况下,辐射管道应该与地面平行铺设,间距约20-30厘米,管道之间不能有空隙,确保热量能够均匀传导到整个室内。
在铺设管道时,要注意避开地面的主要构造物和水管线路,以免影响正常使用。
5.连接管道:在铺设完辐射管道后,需要进行管道的连接工作。
连接管道时,要确保管道之间的密封性和稳固性,以防止漏水或断裂。
同时还需要进行压力测试,以确保管道连接的牢固性和密封性。
6.完成铺设:当所有管道连接完毕后,需要进行保温层和地板的铺设工作。
保温层主要是用来减少热量的散失,一般使用泡沫塑料或岩棉等保温材料;地板的选择则应根据需要和装修风格进行选择,确保不影响地辐热采暖的效果。
7.调试系统:在完成地辐热采暖的施工后,需要进行系统的调试工作。
通过启动系统,调整温度和水流量等参数,确保系统正常工作和采暖效果达到最佳状态。
山阳办公楼前景观广场水池地表加热采暖工程施工方案一、工程概况:山阳-广场办公楼前景观广场水池地辐热工程,本工程位于渭南市合阳县,该工程室外广场水池地表加热项目。
施工面积约750m2。
本工程均为矩形组合平面加不规则水池组合,共五个单元区域。
本工程采用低温热水地板辐射方式采暖提升水池底部温度。
供回水主管自园区主供暖管路接口,每单元区域均设分、集水器,安装于定制不锈钢室外箱内做形象保护,地埋管采用De20*2.3,分、集水器上均设有DN15自动放气。
二、低温地板辐射采暖简解1.低温地板辐射采暖的特点地板采暖以温度不高于60℃的热水为热媒,在加热管内循环流动,加热地板,通过地面以辐射和对流的传热方式向水池供热的供暖方式。
它是通过埋设在水池地板下混凝土层中的加热盘管的热水循环把地表温度加热并保持在25℃左右,通过辐射,使水池地表气温达到适宜的温度。
2.低温地板辐射采暖的构造组成详见下图三、低温地板辐射采暖施工1.施工准备1.施工材料及技术要求31.1聚苯乙烯泡沫塑料板项目单位指标表观密度㎏/m3 ≥20kpa ≥100 压缩强度(即在10%形变下的压缩应力)导热系数W/m.k ≤0.041 吸水率(体积分数)﹪(v∕v)≤4 尺寸稳定性% ≤3 水蒸气透过系数ng∕(pa·m·s) ≤4.5 熔结性(弯曲变形)㎜≥20 氧指数% >30燃烧分级达到B2级1.2 PE—RT塑料管材PE—RT塑料加热管的内外表面应光滑、平整,干净,不应有可能影响产品性能的明显划痕、凹陷、气泡等缺陷。
塑料管的公称外径、壁厚与偏差,应符合规范要求。
1.3分水器、集水器、自动跑风阀:材质为全铜质制品。
分水器、集水器包括分水干管、集水干管、排气及泄水试验装置、支路阀门和连接配件等,分水器、集水器的表观,内外表面应光洁,不得有裂纹、砂眼、冷隔、夹渣、凹凸不平等缺陷,表面电镀的连接件,色泽应均匀,镀层牢固,不得有脱镀的缺陷,铜制金属连接件与管材之间的连接结构形式为卡套式夹紧结构。
地辐热采暖施工方案1.设计方案:地辐热采暖的施工方案首先需要进行详细的设计规划,包括房间的布局、辐射管路的敷设位置和长度等。
根据不同房间的使用需求和室内结构,确定辐射管的布置方式,以保证整个室内的供暖效果均匀一致。
2.材料准备:地辐热采暖所需的材料主要包括辐射管路、散热板、保温层、地板材料等。
根据设计方案的要求,准备相应的材料,并确保材料的质量符合相关标准。
3.安装辐射管路:辐射管路的敷设是地辐热采暖的核心步骤。
根据设计方案,将辐射管路与散热板相结合,敷设在地板下或墙体内,以便将热量有效地传递到室内。
在敷设过程中,需要注意管路的位置和长度,保证管路的紧密连接和整体性。
4.敷设保温层:保温层的敷设是地辐热采暖的重要环节,它能够有效地减少热量的损失,并提高室内的供暖效果。
根据设计方案,将保温层敷设在辐射管路上方,以保证热量的向下传递,并避免热量的散失。
5.铺设地板:地辐热采暖的最后一步是铺设地板材料。
根据设计方案和使用需求,选择合适的地板材料,并进行铺设。
在铺设过程中,需要注意地板与辐射管路的连接,确保地板与管路的紧密结合,以保证热量的传递效果。
除了以上的基本施工方案外1.项目管理:地辐热采暖施工涉及多个专业,包括设计师、施工人员、安装工程师等,需要进行项目管理,确保施工过程的顺利进行,并按时完成。
2.施工质量:地辐热采暖施工涉及到很多技术细节,如辐射管路的敷设、保温层的施工等,需要确保施工质量符合相关标准,以保证整个系统的正常运行。
3.安全防护:地辐热采暖施工过程中需要使用电器设备、焊接设备等,需要加强安全防护意识,避免发生安全事故。
4.使用维护:地辐热采暖施工完成后,需要对整个系统进行使用和维护。
使用过程中需要注意合理使用温度,不得超过系统设计范围,并及时清洁和检查系统,保证系统的正常运行。
总的来说,地辐热采暖施工方案需要从设计方案到施工材料准备,再到具体施工内容等多个方面进行考虑和安排。
只有每个环节都得到合理的安排和严格的实施,才能确保地辐热采暖施工质量和效果。
一、施工准备1.1 材料准备:根据设计要求,提前准备聚苯乙烯泡沫塑料板、PE-RT耐热聚乙烯管道、分集水器、阀门、保温套管、热熔机、管卡等施工材料。
1.2 技术准备:对施工人员进行技术培训,使施工人员熟悉地板辐射采暖系统的施工工艺、操作规程和质量标准。
1.3 施工工具:准备切割机、电钻、螺丝刀、扳手、水平尺、线锤等施工工具。
1.4 现场准备:确保施工场地平整、干净,无杂物,具备施工条件。
二、施工工艺2.1 铺设聚苯乙烯泡沫塑料板:在地面上铺设聚苯乙烯泡沫塑料板,作为保温层,减少热量损失。
2.2 铺设管道:按照设计图纸,沿房间长度方向铺设PE-RT耐热聚乙烯管道,管道应平直,固定间距均匀。
2.3 铺设保温套管:在管道外侧铺设保温套管,保护管道,防止热量损失。
2.4 连接分集水器:将管道与分集水器连接,确保连接牢固,密封良好。
2.5 铺设阀门:在分集水器处安装阀门,控制各分支管道的流量。
2.6 浇筑细石混凝土垫层:在管道、保温套管、阀门等施工完成后,浇筑C15细石混凝土垫层,厚度为30mm,确保垫层平整。
2.7 钢筋混凝土楼板:在垫层上铺设钢筋混凝土楼板。
2.8 系统调试:在施工完成后,进行系统调试,检查各部件是否正常运行,调整阀门,使系统达到设计要求。
三、施工要点3.1 严格遵循设计图纸和施工规范,确保施工质量。
3.2 管道铺设应平直,固定间距均匀,避免出现折弯、扭曲等现象。
3.3 管道与分集水器连接时,应确保连接牢固,密封良好,防止泄漏。
3.4 浇筑细石混凝土垫层时,应保证垫层平整,无空鼓、裂缝等现象。
3.5 钢筋混凝土楼板施工时,应严格按照施工规范进行,确保楼板厚度均匀。
3.6 系统调试时,应全面检查各部件,确保正常运行,调整阀门,使系统达到设计要求。
四、施工质量保证措施4.1 加强施工人员技术培训,提高施工技能。
4.2 严格把控施工材料质量,确保材料符合设计要求。
4.3 加强施工过程质量监督,严格执行施工规范。
地辐热采暖施工方案本工程采用低温热水地板辐射采暖,采暖系统采用双立管分户热计量系统。
供回水立管安装在管井内,地埋管(管道井至户内分、集水器)采用耐高温聚乙烯(PE-RT)管,管径为De25*2.8,室内盘管采用De20*2.3,每户设分、集水器。
分、集水器上均设有DN15自动放气。
一、低温地板辐射采暖简解1.低温地板辐射采暖的特点地板采暖以温度不高于60℃的热水为热媒,在加热管内循环流动,加热地板,经过地面以辐射和对流的传热方式向室内供热的供暖方式。
这一更具人性化的采暖方式,以其舒适、卫生、保健、高效、节能、不占使用面积、使用寿命长等特点,日渐成为时尚、品味生活不可或缺的部分。
它是经过埋设在地板下混凝土层中的加热盘管的热水循环把地表温度加热并保持在25℃左右,经过辐射,使房间气温达到人体适宜的温度。
2.低温地板辐射采暖的构造组成详见下图其它房间地辐射采暖构造详图注:1.L间距见设计。
2.本次施工仅施工至豆石填充层3结构层卫生间地辐射采暖构造详图注:1.L间距见设计。
2.本次施工仅施工至豆石填充层二、低温地板辐射采暖施工 1.施工准备1.施工材料及技术要求 1.1聚苯乙烯泡沫塑料板1.2 PE—RT塑料管材PE—RT塑料加热管的内外表面应光滑、平整,干净,不应有可能影响产品性能的明显划痕、凹陷、气泡等缺陷。
塑料管的公称外径、壁厚与偏差,应符合规范要求。
1.3分水器、集水器、自动跑风阀:材质为全铜质制品。
分水器、集水器包括分水干管、集水干管、排气及泄水试验装置、支路阀门和连接配件等,分水器、集水器的表观,内外表面应光洁,不得有裂纹、砂眼、冷隔、夹渣、凹凸不平等缺陷,表面电镀的连接件,色泽应均匀,镀层牢固,不得有脱镀的缺陷,铜制金属连接件与管材之间的连接结构形式为卡套式夹紧结构。
1.4钢丝网:低碳冷拔丝,焊接网。
1.5反射膜:铝箔反射膜。
2.施工工具准备专用管件、管钳、冲击钻、胀铆螺栓、手钳、塑料扎带或固定卡子、抹子、推车、手动打压泵、压力表等。
地板辐射采暖施工方案
概述
地板辐射采暖是一种有效、节能的采暖方式,通过在地板下安装辐射管道,使热量通过地板传输到室内,温暖整个空间。
本文将介绍地板辐射采暖的施工方案。
材料准备
•地板辐射管道
•保温材料
•地板
•采暖控制系统
施工步骤
1.设计方案:根据室内空间大小和布局设计地板辐射采暖系统的管道
布局,并确定管道的走向。
2.铺设保温层:在地板下铺设保温层,以减少热量损失,提高采暖效
果。
3.安装辐射管道:将地板辐射管道按照设计的走向安装在保温层上,
确保管道连接紧密且没有漏水现象。
4.安装温控系统:安装采暖控制系统,可以根据需要调节采暖温度和
时间,提高舒适度并节约能源。
5.铺设地板:在辐射管道上铺设地板,选择合适的地板材质,确保地
板表面平整,不影响热量传输。
6.验收:验收整个系统,确保地板辐射采暖系统安装正确,无漏水、
松动等问题。
施工注意事项
•确保地板辐射管道安装牢固,避免管道松动或破损导致漏水现象。
•在铺设地板时要注意不要损坏辐射管道,避免温度不均匀。
•安装温控系统时要选择可靠的品牌和合适的控制方式,以满足不同的采暖需求。
•在施工过程中,要保持施工现场清洁,并注意施工安全。
结论
地板辐射采暖是一种舒适、高效的采暖方式,通过合理的施工方案可以实现更好的采暖效果。
在施工过程中,需要严格按照规范操作,确保系统安全可靠。
希望本文介绍的地板辐射采暖施工方案能为相关人士提供参考,实现舒适的采暖环境。
本工程采用低温热水地板辐射采暖,采暖系统采用双立管分户热计量系统。
供回水立管安装在管井内,地埋管(管道井至户内分、集水器)采用耐高温聚乙烯(PE-RT)管,管径为De25*2.8,室内盘管采用De20*2.3,每户设分、集水器。
分、集水器上均设有DN15自动放气。
一、低温地板辐射采暖简解1.低温地板辐射采暖的特点地板采暖以温度不高于60℃的热水为热媒,在加热管内循环流动,加热地板,通过地面以辐射和对流的传热方式向室内供热的供暖方式。
这一更具人性化的采暖方式,以其舒适、卫生、保健、高效、节能、不占使用面积、使用寿命长等特点,日渐成为时尚、品味生活不可或缺的部分。
它是通过埋设在地板下混凝土层中的加热盘管的热水循环把地表温度加热并保持在25℃左右,通过辐射,使房间气温达到人体适宜的温度。
2.低温地板辐射采暖的构造组成详见下图其它房间地辐射采暖构造详图注:1.L间距见设计。
2.本次施工仅施工至豆石填充层结构层卫生间地辐射采暖构造详图注:1.L间距见设计。
2.本次施工仅施工至豆石填充层二、低温地板辐射采暖施工 1.施工准备1.施工材料及技术要求 1.1聚苯乙烯泡沫塑料板1.2 PE —RT 塑料管材PE—RT塑料加热管的内外表面应光滑、平整,干净,不应有可能影响产品性能的明显划痕、凹陷、气泡等缺陷。
塑料管的公称外径、壁厚与偏差,应符合规范要求。
1.3分水器、集水器、自动跑风阀:材质为全铜质制品。
分水器、集水器包括分水干管、集水干管、排气及泄水试验装置、支路阀门和连接配件等,分水器、集水器的表观,内外表面应光洁,不得有裂纹、砂眼、冷隔、夹渣、凹凸不平等缺陷,表面电镀的连接件,色泽应均匀,镀层牢固,不得有脱镀的缺陷,铜制金属连接件与管材之间的连接结构形式为卡套式夹紧结构。
1.4钢丝网:低碳冷拔丝,焊接网。
1.5反射膜:铝箔反射膜。
2.施工工具准备专用管件、管钳、冲击钻、胀铆螺栓、手钳、塑料扎带或固定卡子、抹子、推车、手动打压泵、压力表等。
3.作业条件3.1施工现场有水、电供应设施。
3.2土建专业已完成墙面粉刷(不含面层),外窗、门安装已完毕,有防水的房间应做完闭水试验并经过验收。
3.3施工的环境温度不低于5℃;在低于0℃的环境下施工时,现场应采取升温措施。
三、施工工艺1.工艺流程基层处理→铺设保温层(苯板、铝箔)→铺设钢丝网片→铺设PE-RT管→加压测试→安装集、分水器→隐蔽验收→施工混凝土填充层→立(干)管清洗→系统试压→系统调试与运行。
2.工艺标准2.1.基层处理:基层表面应表面平整,不得有凹凸不平,墙根应清理干净,基层无浮灰、水泥渣。
2.2.铺设保温层:2.2.1在平整、干燥、无杂物的地面铺设2㎝厚度聚苯乙烯泡沫塑料板,错缝排列铺设,相互间接合紧密,拼缝处采用塑料胶带将沫塑料板粘结连成整体,铺设平整度达到要求。
2.3保温带及伸缩缝的设置:2.3.1保温带的设置:在采暖房间的四周墙根均设保温带,保温带采用 10mm厚聚苯乙烯泡沫塑料板设置。
各房间门口处,边长≥6m或面积≥30㎡设置伸缩缝。
2.3.2伸缩缝的设置:伸缩缝中填充的材料用8㎜的高发泡聚乙烯泡沫塑料(位置详见附图)。
2.4铺设无纺布铝箔膜:在铺设好的聚苯乙烯泡沫塑料板,上铺设无纺布铝箔膜满铺,接缝处搭接宽度80㎜。
2.5铺设钢丝网片:在铺设好的无纺布铝箔膜上铺设钢丝网片,网片铺设接平整,接头处采用扎丝绑扎。
2.6铺设加热管(按照图纸或设计变更)直列形(适用于卫生间)回转形(适用于其它房间)2.6.1铺设管道时,3人为一个班组,一人做“跑管”工作,即以手为工具,使整盘的管道沿弯曲方向打开,将管道弯曲时所出现的弯曲应力释放出来,以减少盘管弯曲应力造成已铺设的管道反弹、翘起。
另一人为主要施工人员,负责对管道走向、长度、间距、位置,按图进行控制;第三个人为助手,负责固定管路,协助进行其他附件的安装。
2.6.2加热管切割:采用专用工具,切断的管口应平整,与管轴线垂直,如果不符合要求会影响管道的连接质量,造成渗漏或通过截面减小。
2.6.3铺设加热管时应做到自然释放,不允许出现扭曲现象,以免管道处于非正常受力状态,影响加热管的使用寿命。
加热管安装施工时的环境温度与弯曲半径有关,弯曲半径过小,会造成机械损伤和弯处死折。
管道的弯曲半径应控制在10-12D。
2.6.4固定塑料管:用扎带绑扎在绝热层表面铺设的钢丝网片上。
加热管弯头两端应设固定卡;加热管固定点的间距,直管段固定点间距宜为0.5-0.7m,弯曲管段固定间距宜为0.2- 0.3m。
2.6.5管道在分、集水器附近以及局部加热管排列比较密集的部位,当管间距小于100mm 时,加热管外部加设PVC波纹套管。
加热管出地面至分、集水器下部球阀接口之间的明装管段,外部加设PVC波纹套管,套管高出地面装饰面150-200mm。
加热管出地面至分水器、集水器连接处,弯管部分不宜露出地面装饰层。
2.6.6管道在穿越房间中间设置的伸缩缝时,在管道外加设PVC波纹套管,套管超出伸缩缝不小于150mm。
2.7集、分水器安装(采用一体式集、分水器)2.7.1根据图纸确定分、集水器位置,分、集水器中心距地面>300㎜,2.7.2分、集水器安装前,应经过打压试验,确保分、集水器自身无渗漏。
2.7.3根据确定尺寸,用φ8金属膨胀螺栓进行固定,固定必须牢固。
2.7.4集水器与盘管相接必须用专用管件、专用的卡环、专用工具进行安装。
与PE—RT塑料管接触的铜质卡环表面必须镀镍。
2.7.5安装集、分水器时,一般将分水器安装在上,集水器安装在下,分水器安装在集水器之上。
分集水器安装示意图接管井供回水管2.8加压测试。
2.8.1经分、集水器缓慢注水,同时将管道内空气排出。
2.8.2采用手动试压泵缓慢升压,升压时间不得少于15分钟。
2.8.3升压至设计规定的试验压力后(工作压力的1.5倍,且不小于0.6MPa ),观察有无漏水现象。
稳压60分钟,观察其压力下降,若压降不大于0.05MPa ,则认为合格。
2.8.4在再填充层施工过程中管道的压力不得低于0.6Mpa ,填充层施工后管道的压力不得低于0.4Mpa 。
2.9隐蔽验收,进行隐蔽验收必需符合以下要求:2.9.1绝热层的厚度、材料的物理性及铺设应符合设计要求。
2.9.2加热管的材料、规格及敷设间距、弯曲半径等应符合设计要求,并应可靠固定。
填充层内加热管不应有接头。
2.9.3伸缩缝应按设计要求敷设完毕。
2.9.4加热管与分水器、集水器的连接处无渗漏。
2.9.5管道安装允许偏差:2.10施工豆石混凝土填充层2.10.1地埋盘管经中间验收尤其是水压试验合格、隐蔽验收合格后,方可进行豆石混凝土的施工。
2.10.2豆石混凝土过程中应保证地暖管水压力在0.6 Mpa状态下,豆石混凝土养护过程中应保证地暖管水压力不小于0.4 Mpa。
2.10.3房间面积>30㎡(或边长>6M)和盘管穿越过门洞处、与墙、柱交接处,应设置8mm~10mm的膨胀缝,膨胀缝采用聚苯板。
2.10.4豆石混凝土标号为C15,豆石粒径不大于12mm。
手工铺平、压实混凝土。
人工找平,表面做拉毛面。
2.10.5豆石混凝土施工时,必须作好产品保护,严禁踩踏、重压已铺设好的管路,搞好养护工作。
运送豆石混凝土的手推车必须在垫有板材的盘管上行驶(板材上不允许有钉子等尖锐物品),确保盘管不受任何外力尤其是锐利的碰撞造成破坏。
2.10.6豆石混凝土施工时,环境温度不得低于5℃,并保持大于3日。
2.11管道冲洗:管道冲洗应在分、集水器以外主供回水管道冲洗合格后,再进行室内供暖系统的冲洗。
管道冲洗干净后与分、集水器连接。
2.12系统试压2.12.1立(干)管集、分水器连接完成,混凝土填充层施工21天后,进行系统试压。
2.12.2系统试压为工作压力的1.5倍,且不小于0.6MPa,稳压60分钟,观察其压力下降,若压降不大于0.05 MPa,则认为合格。
2.12.3在有冻结可能的情况下试压时,试压完后应及时将管道内的水吹干净。
2.13系统调试与运行2.13.1地面供热系统未经调试,严禁运行。
2.13.2系统运行调试,应在具备正常供热的条件下进行,并且应有建设单位配合。
2.13.3供暖系统的初运行应在施工完毕的第一个采暖季前完成,且应在混凝土填充曾养护期满后进行。
2.13.3系统供暖的试运行应在现浇层施工完成至少21天后进行。
初次供暖时,热水升温应平缓,供水温度应控制在比当时环境温度高10℃左右且不超过25℃,在这个温度下连续运行48小时;以后每个24h水温升高3℃,直至达到设计供回水温度。
在此温度下应对每组分、集水连接的加热管逐路进行调节,直至温度均匀达到设计要求。
2.13.4试热和调试合格后应由监理工程师组织施工单位等在“分项工程质量验收表”上签字。
四、安全生产及成品保护1.各类塑料管、绝热材料,不得直接接触明火。
2.塑料管严禁攀踏、用作支或借作它用3.进入施工现场的人员应着软底鞋,不得穿着铁掌鞋踩踏塑料管。
除施工专用工具外,不得有其它铁器进场。
4.地板辐射供暖系统的安装工程,不宜与其它施工作业同时交叉进行。
混凝土现浇层的浇捣和养护过程中,不得进行踩踏。
5.在混凝土现浇层养护期满后,敷设塑料管的地面,应设置明显标志,加以妥善保护,不得在地面上运行重载荷或放置高温物体。
6.施工完成的地板辐射供暖地面严禁大力敲打、冲击。
不得在地面上开孔、剔凿或楔入任何物件。