逐套验收验收记录表
- 格式:doc
- 大小:1.62 MB
- 文档页数:22
玻璃幕墙安装质量逐套验收记录表(新)
复查记
录
玻璃幕墙安装
1 .玻璃幕墙安装应符合施工图设计文件和相关规范、标准的要求。
2 .玻璃幕墙安装工程应满足安全玻璃使用的有关要求。
3 .玻璃幕墙安装逐套验收可在该套所属单位(子单位)工程玻璃幕墙安装检验批验收前进行,只要玻璃幕墙安装完成即可进行逐套验收。
4,每套按每IOOin?检查一处,每处不得少于10m20
5 .当主控项目的质量经检查全部合格,一般项目允许偏差的合格点率达到80%及以上、不合格点偏差值不超过允许偏差值的1.5倍且无严重缺陷,其他一般项目的检查内容项不符合要求的点处不大于1处时,该项目判为合格。
6 .当不合格项偏差大于允许偏差值1.5倍,或不合格点率超出20%,或在其他一般项目的检查内容中存在不符合要求的点处时,应及时整改、复查并记录结果。
逐套验收验收记录表背景在项目开发周期中,逐步实现和逐步验收的方法是一种常用的方法,特别是对于大型项目而言。
在项目开发过程中,逐步完成和逐步验收有助于及时发现和纠正问题,从而提高项目交付的质量和效率。
目的为了保证项目开发过程中的逐步验收的效果,需要使用逐套验收验收记录表。
逐套验收验收记录表能够记录每个阶段的任务完成情况和对应的验收结果,以及跟踪问题的状态和解决情况。
逐套验收验收记录表的结构逐套验收验收记录表按照阶段划分,每一阶段对应一个表格。
每个表格包含以下字段:•阶段名称:本阶段的名称;•阶段任务:本阶段需要完成的所有任务;•验收标准:每个任务的验收标准;•验收情况:每个任务的验收结果,包括通过、不通过、待改进等情况;•问题记录:每个任务产生的问题记录,包括问题名称、问题描述、问题级别、提出时间、解决人员、解决时间。
逐套验收验收记录表的用途逐套验收验收记录表的用途包括以下几个方面:1.任务跟踪:记录每个阶段需要完成的任务,以及相应的验收标准和验收情况。
通过逐步完成和逐步验收的方法,在每个阶段结束时,对阶段任务完成情况进行评估。
如果完成情况符合标准,则可以进行下一阶段;否则需要重新进行任务分配并在下一次验收时进行评估。
2.问题管理:一旦问题出现,需要及时记录问题。
逐套验收验收记录表可以记录问题的来源、问题的描述、问题的级别等信息。
对于问题的解决,需要记录解决人员和解决时间,以便跟踪问题解决的过程。
3.质量控制:逐套验收验收记录表可以记录任务完成情况和问题状态。
通过评估验收情况和问题记录,可以对项目质量进行控制和改进,并为项目管理提供数据支持。
逐套验收验收记录表的应用逐套验收验收记录表在项目管理中的应用需要遵循以下步骤:1.制定逐套验收验收记录表:根据项目的具体情况和开发阶段制定逐套验收验收记录表,包括表格的结构、字段和内容。
2.分配任务:根据阶段性目标和逐步验收的方式,将任务分配给团队成员。
3.完成任务:团队成员按照任务要求完成阶段性目标。
一般抹灰工程(清水混凝土面)施工质量逐套验收记录表
一般抹灰工程(清水混凝土面)施工(表3-1)
1、一般抹灰工程(清水混凝土面)验收时应符合施工图设计文件和相关规范、标准的要求。
2、一般抹灰工程(清水混凝土面)逐套验收可在该套所属单位工程一般抹灰工程(清水混凝土面)检验批验收前进行,只要该套内墙面及顶棚具备验收条件即可。
3、每套住宅应抽查10%自然间(含卫生间、储物间)且不得少于3间,每间检4面墙及顶棚。
4、当主控项目的质量经检查全部合格,一般项目允许偏差的合格点率达到80%及以上、不合格点偏差值不超过允许偏差值的1.5倍且无严重缺陷,其它一般项目的检查内容项不符合要求的点处不大于1处时,该套住宅本逐套验收项目判为合格。
5、当不合格项偏差大于允许偏差值1.5倍,或不合格点率超出20%,或在其它一般项目的检查内容中存在不符合要求的点处时,应及时整改、复查并记录结果。
套型图贴图区
(须标明抽查点和有质量缺陷点,质量缺陷点用“△”标示)。
自流平面层施工质量逐套验收记录表
自流平面层施工
1. 自流平面层应符合设计要求,沿自然间进深和开间两个方向,间隔400~500mm 均匀布点,逐点敲击,俯视地坪。
2. 自流平面层工程逐套验收可在该套所属单位工程自流平面层工程检验批验收前进行,只要该套内地面具备验收条件即可。
3. 每套应抽查不少于10%的自然间且不得少于4 间,不足4 间全数检查。
4. 当主控项目的质量经检查全部合格,一般项目允许偏差的合格点率达到80%及以上、不合格点偏差值不超过允许偏差值的1.5 倍且无严重缺陷,其他一般项目的检查内容项不符合要求的点处不大于1 处时,该套住宅的本检验项目质量判为合格。
5. 当不合格项偏差大于允许偏差值1.5 倍,或不合格点率超出20%,或在其他一般项目的检查内容中存在不符合要求的点处时,应及时整改、复查并记录结果。
建筑内部几何尺寸工程名称:招商观园南区工程总承包房号6#楼18层 A 单元 GF-A 户型建设单位深圳招商房地产有限公司施工单位深圳市罗湖建筑安装工程有限公司监理单位开工日期2009年 11月 15日深圳市首嘉工程顾问有限公司2011年3 月1日检查日期序号检验内容检验结果(实测数据、观察情形)推算值实测值客厅H1=2855 H2=2853 H3=28482845mmH4=2847 H5=2851*室内净高允许偏差推算值实测值1(实测)5 处/+26mm主卧H6=2851 H7=2853 H8=2857房间-23mm2855mm H9=2850 H10=2852推算值实测值次卧H11=2849 H12=2852 H13=28552855mmH14=2849 H15=2851推算值实测值L1=7364L1=7359L2=6157客厅L2=6164L3=3561L4=3559L3=L4=3564* 室内净空尺允许偏差推算值实测值2寸(长、宽各 2L5=L6=4164± 26mm L5=4160L6=4162主卧处/ 房间)L7=3314L7=3316L8=3213L8=3214推算值实测值次卧L9=L10=2664L9=2667L10=2665L11=L12=3314L11=3313 L12=3309允许偏差:推算值实测值3* 门窗洞口尺宽度± 13mm DK1=1564x2262DK1=1562x2268寸( 3-5 处/ 套)高度+21mm DK2=1510x2310DK2=1517x2315-18mm DK3=864x2262DK3=860x2259质量缺陷及整改结符合设计及有关规范要求,检验合格。
果(永久缺陷)建设单位施工单位监理单位其它单位霍建华建筑使用安全、防护措施及防水工程质量工程名称:招商观园南区工程总承包房号6#楼18层A单元GF-A户型建设单位深圳招商房地产有限公司施工单位开工日期监理单位深圳市首嘉工程顾问有限公司检查日期序号检验内容* 栏杆(玻璃、金属)材质、构造、锈蚀、1高度(观察、查看证明文件、实测) 3~5处/ 套2* 低窗、凸窗防护措施(实测)3~5 处 / 套* 落地玻璃(门)防护措施(观察、实测)33~5 处/ 套4* 推拉窗扇防脱落措施(全数 / 套)5* 悬开窗限位装置(全数 / 套)*消防通道宽度、楼梯宽度及尺寸(实测)63~5 处/ 套7* 厨房渗漏(全数 / 套)8* 卫生间渗漏(全数 / 套)9* 屋面渗漏、积水(全数 / 套)10* 外窗、外墙(穿墙管)渗漏(全数/ 套)深圳市罗湖建筑安装工程有限公司2009 年 11月 15日2011 年3月1日检验结果(实测数据、观察情形)栏杆材质、构造符合设计要求,无锈蚀。
住宅工程质量逐套验收表工程名称:表一套住宅逐套验收汇总表注:验收结论应填写“合格”或“不合格”。
单位工程逐套验收汇总表2、存在问题处理结果:处理完后符合设计、规范要求的,填写“符合要求”,否则填写最终存在问题。
室内净高、开间净尺寸逐套验收记录表室内净高、开间净尺寸逐套验收记录表(表1-1)铝合金门窗及玻璃安装质量逐套验收记录表铝合金门窗及玻璃安装(表2-1)1、铝合金门窗安装应符合施工图设计文件和相关规范、标准的要求。
2、玻璃安装工程应满足安全玻璃使用的有关要求。
3、铝合金门窗及玻璃安装逐套验收可在该套所属单位(子单位)工程铝合金门窗安装检验批验收前进行,只要该套门窗及玻璃安装完成即可进行逐套验收。
4、建筑外窗应按每套总樘数的70%抽检,且不得少于5樘,不足5樘全数检查。
5、当主控项目的质量经检查全部合格,一般项目允许偏差的合格点率达到80%及以上、不合格点偏差值不超过允许偏差值的1.5倍且无严重缺陷,其它一般项目的检查内容项不符合要求的点处不大于1处时,该套住宅铝合金门窗及玻璃安装项目判为合格。
6、当不合格项偏差大于允许偏差值1.5倍,或不合格点率超出20%,或在其它一般项目的检查内容中存在不符合要求的点处时,应及时整改、复查并记录结果。
塑料门窗及玻璃安装质量逐套验收记录表塑料门窗及玻璃安装(表2-2)1、塑料门窗安装应符合施工图设计文件和相关规范、标准的要求。
2、玻璃安装工程应满足安全玻璃使用的有关要求。
3、塑料门窗及玻璃安装逐套验收可在该套所属单位(子单位)工程塑料门窗安装检验批验收前进行,只要该套门窗及玻璃安装完成即可进行逐套验收。
4、建筑外窗应按每套总樘数的70%抽检,且不得少于5樘,不足5樘全数检查。
5、当主控项目的质量经检查全部合格,一般项目允许偏差的合格点率达到80%及以上、不合格点偏差值不超过允许偏差值的1.5倍且无严重缺陷,其它一般项目的检查内容项不符合要求的点处不大于1处时,该套住宅塑料门窗及玻璃安装项目判为合格。
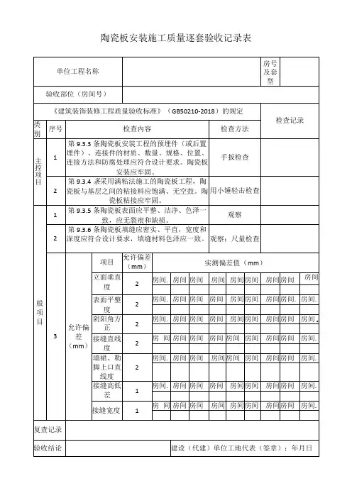
陶瓷板安装施工质量逐套验收记录表
施工单位质量检查员(签章):年月日
监理工程师(签章):年月日
陶瓷板安装工程施工
1.陶瓷板验收时应符合施工图设计文件和相关规范、标准的要求。
2.陶瓷板工程逐套验收可在该套所属单位工程陶瓷板安装检验批验收前进行,只要该套具备验收条件即可。
3,每套住宅应抽查10%自然间(含卫生间、储物间)且不得少于3间,不足3间全数检查。
4.当主控项目的质量经检查全部合格,一般项目允许偏差的合格点率达到80%及以上、不合格点偏差值不超过允许偏差值的 1.5倍且无严重缺陷,其他一般项目的检查内容项不符合要求的点处不大于1处时,该套住宅本逐套验收项目判为合格。
5.当不合格项偏差大于允许偏差值1.5倍,或不合格点率超出20%,或在其他一般项目的检查内容中存在不符合要求的点处时,应及时整改、复查并记录结果。
(工程验收套表)逐套验收表附表壹:室内地面、墙面、顶棚抹灰、门窗工程质量分户验收记录表单位工程名称珠江东路20#楼验收部位(户号)202 现场检查项目质量要求质量验收记录普通水泥楼地面1、水泥楼地面面层粘结质量第4.1.1条结合牢固,无空鼓现象2、外观质量第4.2.1条表面无裂缝,起砂等现象板块楼地面面层1、外观质量第4.2.1条2、板块楼地面面层粘贴第4.2.2条3、室内楼梯尺寸第4.3.1条室内墙面1、室内墙面第5.1.1条无爆灰、裂缝,阴阳角顺直2、室内墙面面层粘贴第5.1.2条粘结牢固,无脱层、空鼓现象室内顶棚1、顶棚室内粘结第5.2.1条粘结牢固,无脱层现象2、顶棚抹灰观感第5.2.2条光滑洁净,面层无爆灰、裂缝。
门窗1、门窗开启性能第7.1.1条开关灵活,关闭严密。
门窗2、门窗配件第7.1.2条配件齐全。
3、门窗密封第7.1.3条密封条安装完好,无脱槽现象。
4、门窗的排水第7.1.4条排水孔畅通。
5、进户门质量第7.1.5条符合设计要求。
验收意见:合格建设单位(项目)负责人:年月日监理单位总监理工程师:年月日施工单位建造师:质量检查员:年月日室内空间尺寸、护栏、玻璃质量分户验收记录表单位工程名称程平综合楼验收部位(户号)房间编号净高推算值(mm)实测值(mm)计算值(mm)H H1H2H3H4H5L1-1L1-2L2-1L2-2净高净开间最大偏差极差最大偏差极差1 27802 27803 27804 27805 2780室内净空尺寸测量示意图套型图贴图区现场检查项目质量要求质量验收记录护栏和扶手护栏和扶手的造型、尺寸、高度、栏杆第7.2.1条护栏高度壹致,间距符合规范要求。
玻璃1、玻璃的品种第7.3.1条玻璃的品种、规格等符合设计要求。
2、落地门窗、玻璃隔断的安全措施第7.3.2条3、玻璃观感质量第7.3.3条玻璃内外表面洁净。
验收意见:合格测点合格率:建设单位(项目)负责人:年月日监理单位总监理工程师:年月日施工单位建造师:质量检查员:年月日防水工程、公共部位分户验收质量记录表单位工程名称珠江东路20#楼验收部位(户号)202 现场检查项目质量要求质量验收记录外墙防水外墙渗漏检查第8.1.1条无渗漏、开裂现象。
塑胶面层施工质量逐套验收记录表
塑胶面层施工
1. 塑胶面层应符合设计要求,俯视地坪,钢尺检查。
2. 塑胶面层工程逐套验收可在该套所属单位工程塑胶面层工程检验批验收前进行,只要该套内地面具备验收条件即可。
3. 每套应抽查不少于10%的自然间且不得少于4 间,不足4 间全数检查。
4. 当主控项目的质量经检查全部合格,一般项目允许偏差的合格点率达到80%及以上、不合格点偏差值不超过允许偏差值的1.5 倍且无严重缺陷,其他一般项目的检查内容项不符合要求的点处不大于1 处时,该套住宅的本检验项目质量判为合格。
5. 当不合格项偏差大于允许偏差值1.5 倍,或不合格点率超出20%,或在其他一般项目的检查内容中存在不符合要求的点处时,应及时整改、复查并记录结果。
逐套验收验收记录表住宅工程质量逐套验收表工程名称:表一7#楼三单元6-2号套住宅逐套验收汇总表三居室注:验收结论应填写“合格”或“不合格”。
室内净高、开间净尺寸逐套验收记录表室内净高、开间净尺寸逐套验收记录表(表2-1-2)铝合金门窗及玻璃安装质量逐套验收记录表铝合金门窗及玻璃安装(表2-1)1、铝合金门窗安装应符合施工图设计文件和相关规范、标准的要求。
2、玻璃安装工程应满足安全玻璃使用的有关要求。
3、铝合金门窗及玻璃安装逐套验收可在该套所属单位(子单位)工程铝合金门窗安装检验批验收前进行,只要该套门窗及玻璃安装完成即可进行逐套验收。
4、建筑外窗应按每套总樘数的70%抽检,且不得少于5樘。
5、当主控项目的质量经检查全部合格,一般项目允许偏差的合格点率达到80%及以上、不合格点偏差值不超过允许偏差值的1.5倍且无严重缺陷,其它一般项目的检查内容项不符合要求的点处不大于1处时,该套住宅铝合金门窗及玻璃安装项目判为合格。
6、当不合格项偏差大于允许偏差值1.5倍,或不合格点率超出20%,或在其它一般项目的检查内容中存在不符合要求的点处时,应及时整改、复查并记录结果。
一般抹灰工程(清水混凝土面)施工质量逐套验收记录表一般抹灰工程(清水混凝土面)施工(表3-1)1、一般抹灰工程(清水混凝土面)验收时应符合施工图设计文件和相关规范、标准的要求。
2、一般抹灰工程(清水混凝土面)逐套验收可在该套所属单位工程一般抹灰工程(清水混凝土面)检验批验收前进行,只要该套内墙面及顶棚具备验收条件即可。
3、每套住宅应抽查10%自然间(含卫生间、储物间)且不得少于3间,每间检4面墙及顶棚。
4、当主控项目的质量经检查全部合格,一般项目允许偏差的合格点率达到80%及以上、不合格点偏差值不超过允许偏差值的1.5倍且无严重缺陷,其它一般项目的检查内容项不符合要求的点处不大于1处时,该套住宅本逐套验收项目判为合格。
5、当不合格项偏差大于允许偏差值1.5倍,或不合格点率超出20%,或在其它一地面找平层工程(清水混凝土地面)施工(表3-2)1、地面找平层工程(清水混凝土地面)应符合施工图设计文件和相关规范、标准的要求。
整体面层吊顶施工质量逐套验收记录表(新)
整体面层吊顶施工
1.整体面层吊顶验收时应符合施工图设计文件和相关规范、标准的要求。
2.整体面层吊顶工程逐套验收可在该套所属单位工程整体面层吊顶检验批验收前进行,只要该套具备验收条件即可。
3,每套应抽查不少于10%的自然间且不得少于4间,不足4间全数检查。
4.当主控项目的质量经检查全部合格,一般项目允许偏差的合格点率达到80%及以上、不合格点偏差值不超过允许偏差值的 1.5倍且无严重缺陷,其他一般项目的检查内容项不符合要求的点处不大于1处时,该套住宅的本检验项目质量判为合格。
5.当不合格项偏差大于允许偏差值1.5倍,或不合格点率超出20%,或在其他一般项目的检查内容中存在不符合要求的点处时,应及时整改、复查并记录结果。
住宅工程质量逐套验收表工程名称:表一
三居室
室内净高、开间净尺寸逐套验收记录表
室内净高、开间净尺寸逐套验收记录表(表2-1-2)
铝合金门窗及玻璃安装质量逐套验收记录表
铝合金门窗及玻璃安装(表2-1)
1、铝合金门窗安装应符合施工图设计文件和相关规范、标准的要求。
2、玻璃安装工程应满足安全玻璃使用的有关要求。
3、铝合金门窗及玻璃安装逐套验收可在该套所属单位(子单位)工程铝合金门窗安装检验批验收前进行,只要该套门窗及玻璃安装完成即可进行逐套验收。
4、建筑外窗应按每套总樘数的70%抽检,且不得少于5樘。
5、当主控项目的质量经检查全部合格,一般项目允许偏差的合格点率达到80%及以上、不合格点偏差值不超过允许偏差值的1.5倍且无严重缺陷,其它一般项目的检查内容项不符合要求的点处不大于1处时,该套住宅铝合金门窗及玻璃安装项目判为合格。
6、当不合格项偏差大于允许偏差值1.5倍,或不合格点率超出20%,或在其它一般项目的检查内容中存在不符合要求的点处时,应及时整改、复查并记录结果。
一般抹灰工程(清水混凝土面)施工质量逐套验收记录表
一般抹灰工程(清水混凝土面)施工(表3-1)
1、一般抹灰工程(清水混凝土面)验收时应符合施工图设计文件和相关规范、标准的要求。
2、一般抹灰工程(清水混凝土面)逐套验收可在该套所属单位工程一般抹灰工程(清水混凝土面)检验批验收前进行,只要该套内墙面及顶棚具备验收条件即可。
3、每套住宅应抽查10%自然间(含卫生间、储物间)且不得少于3间,每间检4面墙及顶棚。
4、当主控项目的质量经检查全部合格,一般项目允许偏差的合格点率达到80%及以上、不合格
点偏差值不超过允许偏差值的1.5倍且无严重缺陷,其它一般项目的检查内容项不符合要求的点处不大于1处时,该套住宅本逐套验收项目判为合格。
5、当不合格项偏差大于允许偏差值1.5倍,或不合格点率超出20%,或在其它一般项目的检查
地面找平层工程(清水混凝土地面)施工(表3-2)
1、地面找平层工程(清水混凝土地面)应符合施工图设计文件和相关规范、标准的要求。
2、找平层工程(清水混凝土地面)逐套验收可在该套所属单位工程地面找平层工程(清水混凝土地面)检验批验收前进行,只要该套内地面具备验收条件即可。
3、每套应抽查不少于10%的自然间且不得少于4间。
4、当主控项目的质量经检查全部合格,一般项目允许偏差的合格点率达到80%及以上、不合格点偏差值不超过允许偏差值的1.5倍且无严重缺陷,其它一般项目的检查内容项不符合要求的点处
不大于1处时,该套住宅本逐套验收项目判为合格。
5、当不合格项偏差大于允许偏差值1.5倍,或不合格点率超出20%,或在其它一般项目的检查内容中存在不符合要求的点处时,应及时整改、复查并记录结果。
注:全数检查有防水要求的部位,当发现有渗水时,应整改并重新验收,记录整改项目复查结果。
防水工程施工质量逐套验收记录表(表4-1)
室内给水排水管道、卫生器具及配件安装质量逐套验收记录表
室内给水排水管道、卫生器具及配件安装(表5-1)
1、室内给水排水管道、卫生器具及配件安装应符合设计要求。
2、检查数量:全数。
3、当主控项目的质量经检查全部合格,一般项目的检查内容项不符合要求的点处不大于1处时,
该套住宅的本检验项目质量判为合格。
4、当一般项目的检查内容中存在不符合要求的点处时,应及时整改、复查并记录结果。
5、管道支架间距表
表1 给水钢管管道支架的最大间距
给水铜管管道支架的最大间距
表2
表4 排水塑料管支、吊架的最大间距
室内给水排水管道、卫生器具及配件安装(表5-1)
开关、插座、照明配电箱安装质量逐套验收记录表
关、插座、照明配电箱安装(表6-1)
1、开关、插座、照明配电箱安装应符合设计要求。
2、检查数量:全数。
3、当主控项目的质量经检查全部合格,一般项目的检查内容项不符合要求的点处不大于1处时,该套住宅的本检验项目质量判为合格。
4、当一般项目的检查内容中存在不符合要求的点处时,应及时整改、复查并记录结果。
护拦和扶手安装质量逐套验收记录表
注:窗台高度不足900mm的,必须设护栏。
护栏和扶手制作与安装(表7-1)
1、护栏和扶手制作与安装工程应符合施工图设计文件和相关规范、标准要求。
2、护栏和扶手制作与安装工程逐套验收应在该套所属单位工程护栏和扶手制作与安装工程检验批验收前进行,只要该套内具备验收条件即可。
3、每套应全检。
4、当主控项目的质量经检查全部合格,一般项目允许偏差的合格点率达到80%及以上、不合格点偏差值不超过允许偏差值的1.5倍且无严重缺陷,其它一般项目的检查内容项不符合要求的点处不大于1处时,该套住宅本逐套验收项目判为合格。
5、当不合格项偏差大于允许偏差值1.5倍,或不合格点率超出20%,或在其它一般项目的检查内容中存在不符合要求的点处时,应及时整改、复查并记录结果。
注:全数检查,凡有不符合主控项目要求的,应整改并重新验收,记录整改项目复查结果。
排烟(气)道安装质量逐套验收记录表7-2。