预注浆、后注浆质量检验验收记录表(doc 1页)
- 格式:doc
- 大小:38.50 KB
- 文档页数:4
12345678910
1第7.1.7条2第7.1.8条
123456789101第7.1.9条2第7.1.10条3第7.1.11条
对地面产生的沉
降量
≤30mm 对地面的隆起≤20mm
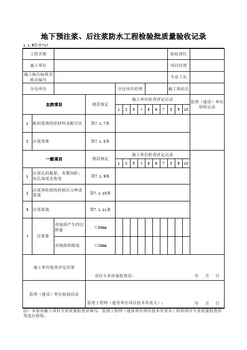
1.1.9防水-14
地下预注浆、后注浆防水工程检验批质量验收记
工程名称
施工单位
验收部位项目经理施工执行标准名
称及编号
分包单位主控项目一般项目
配制浆液的原材料及配合比注浆效果注浆量
4施工单位检查评定结果
监理(建设)单位验收结论
员等进行验收。
监理工程师(建设单位项目技术负责人):
项目专业质量检查员:
施工单位检查评定记录
注浆孔的数量、布置间距、
钻孔深度及角度
注浆各阶段的控制压力和进
浆量
注浆浆液施工班组长
分包项目经理专业工长规范规定
规范规定施工单位检查评定记录
验收记录
监理(建设)单
位验收记录
年 月 日
年 月 日。
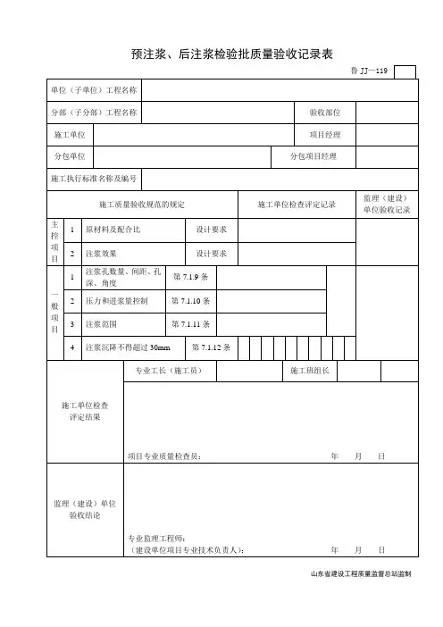
预注浆、后注浆检验批质量验收记录表
山东省建设工程质量监督总站监制
说明
按注浆加固或堵漏面积每100㎡抽查1处,每处10㎡,且不得少于3处。
主控项目:
1.配制浆液的原材料及配合比必须符合设计要求。
同时应符合第7.1.2条规定。
检查出厂合格证、质量检查报告、计量措施和试验报告。
2.注浆效果必须符合设计要求。
采用钻孔取芯、压水(或空气)等方法检查。
一般项目:
1:筑浆孔的数量、布置间距、钻孔深度及角度符合设计要求。
检查隐蔽工程验收记录。
2.注浆各阶段的控制压力和进浆量应符合设计要求。
检查隐蔽工程验收记录
3.注浆时浆液不得溢出地面和超出有效注浆范围。
观察检查。
4.注浆对地面产生的沉降量不得超过30mm,地面的隆起不得超过20mm。
用水准仪测量。
预注浆、后注浆检验批质量验收记录
单位(子单位)
工程名称
分部(子分部)
工程名称
地基与基础(地下
防水)分项工程名称注浆
施工单位
项目负责人检验批容量
分包单位分包单位项目
负责人
检验批部位
7.1.1.55、预注浆、后注浆检验批质量验
收记录
施工依据
《地下工程防水技术规范》GB50108-2008
验收依据《地下防水工程质量验收规范》
GB 50208-2011验收项目
设计要求及 规范规定
最小/实际 抽样数量
检查记录
检查结果
主控项目
1
配制浆液的原材料及配合比
第8.1.7条/
2
预注浆和后注浆的注浆效果
第8.1.8条/
一般项目
1
注浆孔的数量、布置间距、钻孔深度及角度
第8.1.9条/
2
注浆各阶段的控制压力和注浆量
第8.1.10条/
3注浆时浆液不得溢出地面
和超出有效注浆范围第8.1.11条/
4
注浆对地面产生的沉降量≯30mm /
地面的隆起
≯20mm /
专业工长:
项目专业质量检查员:
年 月 日
监理单位 验收结论
专业监理工程师:
年 月 日
施工单位 检查结果。