主要材料损耗率
- 格式:doc
- 大小:34.50 KB
- 文档页数:7
原材料损耗率计算公式原材料损耗率是指在生产过程中,由于各种原因导致的原材料损失的比率。
计算原材料损耗率对企业的生产成本和经营效益具有重要意义,合理控制原材料损耗率可以有效降低生产成本,提高生产效率,增强企业的竞争力。
下面将介绍原材料损耗率的计算公式及其应用。
原材料损耗率计算公式如下:原材料损耗率 =(原材料损耗量÷原材料投入量)×100%。
其中,原材料损耗量指的是在生产过程中由于损耗而无法进行正常生产的原材料数量,原材料投入量指的是生产过程中所使用的原材料总量。
以某企业生产一种产品为例,该产品的生产过程中需要使用1000吨原材料,经过生产加工后,实际生产出900吨产品,那么该企业的原材料损耗率为:(1000-900)÷ 1000 × 100% = 10%。
通过上述计算,我们可以得出该企业的原材料损耗率为10%。
这意味着在生产过程中,有10%的原材料由于各种原因损耗掉了,未能转化为产品,造成了不必要的浪费。
原材料损耗率的计算对企业的经营管理具有重要意义。
首先,可以帮助企业了解生产过程中原材料的实际利用情况,及时发现原材料损耗的问题,采取相应的措施加以改进。
其次,可以帮助企业评估生产过程中的效率和成本,及时调整生产计划,提高生产效率,降低生产成本。
最后,可以帮助企业建立合理的原材料库存和采购计划,避免因原材料过多或过少而导致的损失。
在实际应用中,企业可以通过对原材料损耗率的计算和分析,找出原材料损耗的原因,采取相应的措施进行改进。
比如,加强对生产过程的监控和管理,提高员工的操作技能和意识,改进设备和工艺,减少原材料的浪费和损耗。
同时,企业还可以通过设立奖惩制度,激励员工节约原材料,降低原材料损耗率,提高企业的经济效益。
总之,原材料损耗率的计算公式简单易懂,通过对原材料损耗率的计算和分析,可以帮助企业及时了解原材料的利用情况,优化生产过程,降低生产成本,提高经营效益。
材料损耗率的计算公式材料损耗率是指在生产过程中,原材料因各种原因而损耗的比率。
它是企业生产经营中一个重要的经济指标,直接关系到企业的经济效益和资源利用率。
正确计算材料损耗率对企业的生产经营管理具有重要意义。
下面将介绍材料损耗率的计算公式。
首先,我们来看一下材料损耗率的定义。
材料损耗率=(原材料损耗量/原材料投入量)×100%。
其中,原材料损耗量指在生产过程中因废品、废料、废水、废气等原因而损耗的原材料量;原材料投入量指生产过程中投入的原材料总量。
接下来,我们来详细解释一下材料损耗率的计算公式。
首先,我们需要确定原材料损耗量,这需要对生产过程中的废品、废料、废水、废气等进行准确的统计和测量。
其次,我们需要确定原材料投入量,这是指生产过程中投入的原材料总量,包括实际用于生产的原材料数量以及可能存在的其他损耗。
最后,将原材料损耗量除以原材料投入量,再乘以100%,即可得到材料损耗率。
在实际应用中,我们还可以根据具体情况对材料损耗率进行进一步的细分和分析。
比如,可以将材料损耗率按照不同的原材料进行统计和分析,以便更好地掌握不同原材料的损耗情况,为企业的生产管理提供更为准确的数据支持。
此外,为了降低材料损耗率,企业可以采取一系列有效的管理措施。
比如,加强原材料的进货检验,提高生产工艺水平,加强设备维护保养,加强员工的技术培训等。
这些措施可以有效地降低材料损耗率,提高企业的经济效益。
综上所述,材料损耗率的计算公式为材料损耗率=(原材料损耗量/原材料投入量)×100%。
正确计算材料损耗率对企业的生产经营管理具有重要意义,可以帮助企业更好地掌握原材料的损耗情况,从而采取有效的管理措施,降低损耗率,提高经济效益。
希望本文对您有所帮助。
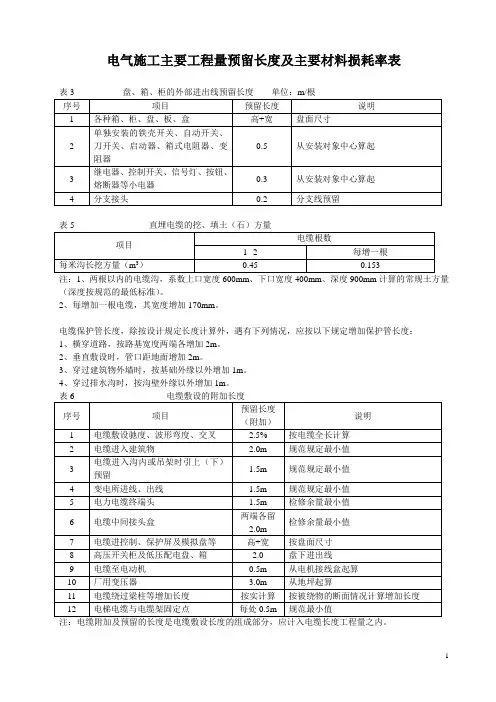
电气施工主要工程量预留长度及主要材料损耗率表表3 盘、箱、柜的外部进出线预留长度单位:m/根注:1、两根以内的电缆沟,系数上口宽度600mm、下口宽度400mm、深度900mm计算的常规土方量(深度按规范的最低标准)。
2、每增加一根电缆,其宽度增加170mm。
电缆保护管长度,除按设计规定长度计算外,遇有下列情况,应按以下规定增加保护管长度:1、横穿道路,按路基宽度两端各增加2m。
2、垂直敷设时,管口距地面增加2m。
3、穿过建筑物外墙时,按基础外缘以外增加1m。
4、穿过排水沟时,按沟壁外缘以外增加1m。
表6 电缆敷设的附加长度注:电缆附加及预留的长度是电缆敷设长度的组成部分,应计入电缆长度工程量之内。
表13 配线进入箱、柜、板的预留线(每一根线)表2 硬母线配制安装预留长度单位:m/根C.2.15其他项目说明一、关于下列各项费用的规定1、工程超高增加费(已考虑了超高因素的定额项目除外):操作物高度离楼地面5m以上、20m以下的电气安装工程,按超高部分的人工费33%计算。
注:(1)、为高层建筑供电的变电所和供水等动力工程,如装在高层建筑物的底层或地下室,均不计高层建筑增加费。
(2)、装在6层以上的变配电工程和动力工程按安装高度计算高层建筑增加费。
(3)、高层建筑增加费计算基数为全部电气工程(包括6层或20m以下工程)的人工费。
3、安装与生产同时进行增加的费用,按人工费的10%计算。
4、在有害身体健康的环境中施工增加的费用,按人工费的10%计算。
二、措施项目费脚手架搭拆费按人工费的4%计算,其中人工工资占25%。
注:1、绝缘导线、电缆、硬母线和用于母线的裸软导线,其损耗率中不包括为连接电气设备、器具而预留的长度,也不包括因各种弯曲(包括弧度)而增加长度。
这些长度均应计算在工程量的基本长度中。
2、用于10KV以下架空线路中的裸软导线的损耗率中已包括因弧垂及因杆位高低差而增加的长度。
3、拉线用的镀锌铁线损耗率中不包括为制作上、中、下把所需的预留长度。
材料损耗率的计算公式。
材料损耗率,又称为投料比例,是一种测量材料在生产过程中消耗的量,是指以一定的单位时间内,使用的原材料数量占总购入原材料数量的比率。
它是运用面积法计算工艺损耗的主要标准之一,是衡量生产质量程度的指标。
它影响着生产设备的运作寿命和生产成本,因此统计计算材料损耗率具有重要的意义。
材料损耗率的计算公式是:材料损耗=(使用购入原材料数量-剩余未使用原材料数量)/总购入原材料数量×100%。
其中,使用购入原材料数量即平均消耗购入原材料的数量,应用它来计算材料损耗率的时候,可以把材料损耗率的计算公式简单的理解为:实际使用原材料数量除以总购入原材料数量的百分比。
根据这一公式,可以看出材料损耗率取决于实际使用原材料数量和总购入原材料数量之间的比率。
实际使用原材料数量越多,材料损耗率越高;而总购入原材料数量则越多,购入原材料数量越多,材料损耗率越低。
计算材料损耗率时,有几点需要注意。
首先,需要确保使用购入原材料的数量是准确的,这样才能得出准确的结果。
其次,要统计的时间间隔要尽可能的短,这样才能获得更精确的数据,以便更好的判断生产成本的变化。
此外,在检查重复生产物品时,应注意排除重复使用的材料,既可以减少浪费,又可以降低在此期间产生的消耗。
主材损耗率公式
材料损耗率的计算公式:材料损耗量/材料消耗量*100%。
如生产一件产品所需材料10公斤,实际使用材料9公斤,生产过程的产生废料1公斤。
该产品材料损耗率=(产品生产废料损耗数量/产品生产所需材料总数量)*%=(1/10)*%=0.1*%=10%。
所以该产品过程中材料损耗率为10%。
材料损耗率核算的特点:
项目的材料在清点收料过程中的偏差、造价人员计算过程中的偏差、工程变更签证的影响等等,都是核算材料损耗率的不确定因素。
装置性材料的损耗为施工损耗,包含从工地集散地仓库(材料站)到现场的运输装卸损耗、保管损耗和施工损耗,安装工程量不含材料施工损耗量,装置性材料量含材料施工损耗量,即装置性材料量为设计用量和施工损耗量之和。
主要材料损耗率表序号材料名称损耗率(%)1 裸软导线(包括铜、铝、钢线、钢芯铝线) 1.32 绝缘导线(包括橡皮铜、塑料铅皮、软花) 1.83 电力电缆 1.04 控制电缆 1.55 硬母线(包括钢、铝、铜、带型、管型、棒型、槽型) 2.36 拉线材料(包括钢绞线、镀锌铁线) 1.57 管材、管件(包括无缝、焊接钢管及电线管) 3.08 板材(包括钢板、镀锌薄钢板) 5.09 型钢 5.010 管体(包括管箍、护口、锁紧螺母、管卡子等) 3.011 金具(包括耐张、悬垂、并沟、吊接等线夹及连板) 1.012 紧固件(包括螺栓、螺母、垫圈、弹簧垫圈) 2.013 木螺栓、圆钉 4.014 绝缘子类 2.015 照明灯具及辅助器具(成套灯具、镇流器、电容器) 1.016 荧光灯、高压水银、疝气灯等 1.517 白炽灯泡 3.018 玻璃灯罩 5.019 胶木开关、灯头、插销等 3.020 低压电瓷制品(包括鼓型绝缘子、瓷夹板、瓷管) 3.021 低压保险器、瓷闸盒、胶盖闸 1.022 塑料制品(包括塑料槽板、塑料板、塑料管) 5.023 木槽板、木护圈、方圆木台 5.024 木杆材料(包括木杆、横担、横木、桩木等) 1.025 混凝土制品(包括电杆、底盘、卡盘等)0.526 石棉水泥板及制品8.027 油类 1.828 砖 4.029 砂8.030 石8.031 水泥 4.032 铁壳开关 1.033 砂浆 3.034 木材 5.035 橡皮垫 3.036 硫酸 4.037 蒸馏水10.0。
第1篇一、工程材料施工损耗率的构成1. 自然损耗:指由于自然因素(如温度、湿度、光照等)造成的材料损耗。
2. 人为损耗:指由于施工人员操作不当、管理不善等原因造成的材料损耗。
3. 运输损耗:指在材料运输过程中由于包装、搬运等原因造成的材料损耗。
4. 储存损耗:指在材料储存过程中由于保管不善、环境因素等原因造成的材料损耗。
二、工程材料施工损耗率的控制措施1. 优化施工方案:在施工前,根据工程特点、材料特性和施工工艺,合理设计施工方案,减少材料浪费。
2. 加强施工人员培训:提高施工人员的操作技能,减少因操作不当造成的材料损耗。
3. 严格材料采购、运输和储存管理:选择优质材料,合理包装,规范运输和储存,降低损耗。
4. 实施材料损耗考核制度:对施工过程中出现的材料损耗进行考核,追究相关责任。
5. 采用新技术、新材料:推广新技术、新材料,提高材料利用率,降低损耗。
6. 加强施工现场管理:合理规划施工现场,减少材料堆放和搬运过程中的损耗。
三、工程材料施工损耗率的计算方法1. 损耗率=(损耗量/总用量)×100%2. 损耗量=实际用量-净用量3. 净用量=设计用量+损耗量四、案例分析在某建筑工程中,水泥损耗率为2%,钢筋损耗率为1.5%,木材损耗率为3%。
若设计用量分别为水泥1000吨、钢筋500吨、木材1000立方米,则实际损耗量分别为水泥20吨、钢筋7.5吨、木材30立方米。
通过以上分析,可以看出,合理控制工程材料施工损耗率对于提高工程质量、降低工程成本、缩短工期具有重要意义。
施工企业应从多个方面入手,加强材料损耗率的管理,实现工程效益的最大化。
第2篇一、工程材料施工损耗率的产生原因1. 运输损耗:在材料运输过程中,由于车辆颠簸、装卸不当等原因,导致材料破损、遗漏。
2. 储存损耗:材料在储存过程中,由于受潮、虫蛀、老化等因素影响,导致材料性能下降或损坏。
3. 施工损耗:在施工过程中,由于操作不当、材料浪费、设备故障等原因,导致材料损耗。
大宗原材料运输损耗标准
一、损耗类别
大宗原材料在运输过程中可能出现的损耗可以分为两类:物理损耗和意外损耗。
物理损耗主要是由于材料本身的性质和运输过程中的正常磨损造成的,如铁矿石的氧化等;意外损耗则主要是由于运输过程中的事故、偷盗等原因造成的。
三、损耗率标准
根据大宗原材料的性质和运输方式,可以制定相应的损耗率标准。
一般来说,大宗原材料的损耗率标准应该在0.5%-3%之间,具体标准应根据实际情况进行调整。
产品损耗率及计算说明
计算产品损耗率的方法有多种,根据不同的产品和生产过程采用不同的计算公式。
下面介绍几种常见的计算产品损耗率的方法。
1.原材料利用率法
原材料利用率法是最常用的计算产品损耗率的方法之一、公式如下:例如:产品的原材料消耗量为1000kg,产品合格数量的原材料消耗量为800kg,那么该产品的损耗率为(1000kg - 800kg)/ 1000kg × 100% = 20%。
2.能源消耗法
能源消耗法是计算能源的损耗率的方法之一、公式如下:
例如:产品的总能源消耗量为1000千瓦时,产品合格数量的能源消耗量为800千瓦时,那么该产品的损耗率为(1000千瓦时-800千瓦时)/1000千瓦时×100%=20%。
3.人工费用法
人工费用法是计算人工费用的损耗率的方法之一、公式如下:
除了以上几种常见的计算产品损耗率的方法外,还可以根据不同的生产过程和产品特点选择其他适合的计算方法。
在实际应用中,还需要根据实际情况进行综合考虑和分析。
产品损耗率对企业的影响非常重要。
如果产品损耗率过高,将导致生产成本的增加,降低产品的竞争力和利润率。
因此,企业应该积极寻求降
低产品损耗率的方法和改进生产工艺,提高生产效益。
同时,加强对产品
质量的控制和管理,减少产品的次品率,也是降低产品损耗率的重要手段。
总之,产品损耗率是企业生产管理中的重要指标,能够反映企业生产
技术水平和管理水平。
通过合理计算和分析产品损耗率,企业可以找到问
题所在,并采取相应的措施进行改进,提高生产效益。
混凝土原材料损耗率
混凝土原材料损耗率是指在混凝土施工过程中,原材料由于各种原因导致的浪费和损耗的比率。
主要原因包括施工过程中的抛洒、倾倒、混凝土不合格等。
混凝土原材料损耗率是评估施工质量和成本控制的重要参数。
通常情况下,混凝土原材料损耗率包括水泥、砂、碎石等原材料的损耗比率。
损耗率通常以百分比表示,计算方法如下:
混凝土原材料损耗率 =(原材料损耗量 / 原材料总用量)× 100%
混凝土原材料损耗率的高低直接影响了混凝土施工的成本和质量。
较高的损耗率意味着更多的资源浪费和成本增加,同时也可能影响项目的进度和质量。
因此,在混凝土施工中,合理控制原材料损耗率对于提高施工效率、降低成本、保证工程质量都非常重要。
材料损耗率计算公式材料损耗率是指在生产过程中,原材料因为各种原因而损耗的比率。
在生产管理中,准确计算材料损耗率对于企业的成本控制和生产效率提升具有重要意义。
下面将介绍材料损耗率的计算公式及其应用。
一、材料损耗率的定义。
材料损耗率是指在生产过程中,由于废品、修正品、报废品等原因而损耗的比率。
它是衡量生产过程中材料利用率的重要指标之一。
材料损耗率的高低直接影响着企业的生产成本和产品质量。
二、材料损耗率的计算公式。
材料损耗率的计算公式为:材料损耗率 = (原材料损耗量 / 原材料投入量)× 100%。
其中,原材料损耗量指的是在生产过程中因各种原因而损耗的材料量,原材料投入量指的是生产过程中投入的原材料总量。
通过这个公式,我们可以准确地计算出材料损耗率的百分比,从而评估生产过程中的材料利用情况。
三、材料损耗率的影响因素。
1. 生产工艺,不同的生产工艺会对材料损耗率产生不同的影响。
合理的生产工艺能够有效地减少材料的损耗。
2. 设备状况,设备的运行状况和维护情况直接关系着材料损耗率。
良好的设备能够减少材料的浪费。
3. 人为因素,员工的操作技能和管理水平也会对材料损耗率产生影响。
加强员工培训和管理能够有效地降低材料损耗率。
四、材料损耗率的应用。
1. 成本控制,通过对材料损耗率的监控和分析,企业能够及时发现生产过程中存在的问题,从而采取相应的措施,降低材料损耗率,降低生产成本。
2. 生产效率提升,合理控制材料损耗率能够提高生产效率,提升产品质量,提高企业竞争力。
3. 资源利用,降低材料损耗率有利于节约资源,减少对环境的影响,符合可持续发展的要求。
五、总结。
材料损耗率的计算公式为(原材料损耗量 / 原材料投入量)× 100%。
合理控制材料损耗率对于企业的成本控制和生产效率提升具有重要意义。
通过对材料损耗率的监控和分析,企业能够及时发现生产过程中存在的问题,从而采取相应的措施,降低材料损耗率,降低生产成本,提高产品质量,提高企业竞争力。
主要材料损耗率册说明一、第八册《给排水、采暖、燃气工程》(以下简称本估价表)适用于新建、扩建项目中的生活用给水、排水、燃气、采暖热源管道以及附件配件安装,小型容器制作安装。
二、以下内容执行其他册相应定额:1.工业管道、生产生活共用的管道、锅炉房和泵类配管以及高层建筑物内加压泵间的管道执行第六册《工业管道工程》相应项目。
2.刷油、防腐蚀、绝热工程执行第十一册《刷油、防腐蚀、绝热工程》相应项目。
3.埋地管道的土石方及砌筑工程执行《自治区建筑工程计价定额》相应项目。
4.各类泵、风机等传动设备安装执行第一册《机械设备安装工程》相应项目。
5.锅炉安装执行第三册《热力设备安装工程》相应项目。
6.消火栓、水泵给合器安装执行第七册《消防及安全防落设备安装工程》相应项目。
7.压力表、温度计执行第十册《自动化控制仪表安装工程》相应项目。
三、关于下列各项费用的规定:1.脚手架搭拆费按人工费的5%计算,其中人工工资占25%。
2.高层建筑增加费(指高度在6层或20m以上的工业与民用建筑)按下表计算(其中全部为人工工资):层数9层以下(30m) 12层以下(40m) 15层以下(50m) 18层以下(60m) 21层以下(70m) 24层以下(80m)按人工费的% 1 2 4 6 8 10层数27层以下(90m) 30层以下(100m)33层以下(110m)36层以下(120m)39层以下(130m)42层以下(140m)按人工费的%13 16 19 22 25 28层数45层以下(150m)48层以下(160m)51层以下(170m)54层以下(180m)57层以下(190m)60层以下(200m)按人工费的%31 34 37 40 43 463.超高增加费:定额中操作高度均以3.6m为界限,如超过3.6m 时,其超过部分(指由3.6m 至操作物高度)的定额人工费乘以下列系数:标高±(m) 3.6~8 3.6~12 3.6~16 3.6~20超高系数 1.10 1.15 1.20 1.254.采暖工程系统调整费按采暖工程人工费的15%计算,其中人工工资占20%。
材料损耗率的计算公式
材料损耗率是用于衡量某一项生产所消耗材料的比率,它可以表示生产中材料的浪费程度。
材料损耗率的计算公式是:材料损耗率=(消耗材料数量-产出材料数量)/消耗材料数量×100%。
材料损耗率是衡量一项生产过程中材料消耗的重要指标。
当消耗的材料数量大于产出的材料数量时,材料损耗率会变高。
由此可以看出,高材料损耗率意味着生产中材料的浪费程度较大。
因此,控制材料损耗率,从而提高生产效率,是企业节约成本的重要手段。
一般来说,要想降低材料损耗率,需要做到以下几点:首先,企业要加强材料管理,精确控制材料用量,并把浪费降至最低;其次,要提高员工的工作技能和素质,以减少生产中的误工;最后,要定期检查和维护生产设备,以确保生产过程的顺利进行。
总之,材料损耗率的计算公式是:材料损耗率=(消耗材料数量-产出材料数量)/消耗材料数量×100%。
企业应该采取措施控制材料损耗率,以节约成本,提高生产效率。
材料损耗率的计算公式
材料损耗率是衡量生产中材料实际使用效率的一项重要指标,它反映了一定时期内生产过程中材料的利用率以及有效利用率。
它不仅可以衡量生产过程中材料的实际消耗量,而且可以反映材料的实际价值。
材料损耗率的计算公式是:材料损耗率=(材料实际使用量-材料实际消耗量)÷材料实际使用量×100%。
材料实际使用量是指在一定时期内,生产过程中实际使用的材料数量,包括原材料、半成品、辅助材料等。
材料实际消耗量是指在一定时期内,生产过程中实际消耗的材料数量,包括损耗、废弃品、次品等。
材料损耗率的计算可以帮助企业识别生产过程中材料的有效利用率,从而采取有效措施改进材料管理水平,提高生产效率,节约成本,提高经济效益。
为了计算准确,精确计算材料损耗率,必须准确统计材料的实际使用量和实际消耗量,才可以反映材料的实际使用情况。
因此,企业在实施材料损耗率计算时,要加强对材料使用情况的监控,准确计算材料损耗率,以便及时发现问题,采取有效措施,改善生产效率,节约成本,提高经济效益。
主要材料损耗率 册 说 明 第八册《给排水、采暖、燃气工程》(以下简称本估价表) 适用于新建、扩建项目中的生活用给水、排水、燃气、采暖热源管道以及附件配件安装,小型容器制作安装。 二、以下内容执行其他册相应定额: 1.工业管道、生产生活共用的管道、锅炉房和泵类配管以及高层建筑物内加压泵间的管道执行第六册《工业管道工程》相应项目. 2。刷油、防腐蚀、绝热工程执行第十一册《刷油、防腐蚀、绝热工程》相应项目. 3.埋地管道的土石方及砌筑工程执行《自治区建筑工程计价定额》相应项目。 4。各类泵、风机等传动设备安装执行第一册《机械设备安装工程》相应项目。 5。锅炉安装执行第三册《热力设备安装工程》相应项目。 6。消火栓、水泵给合器安装执行第七册《消防及安全防落设备安装工程》相应项目。 7。压力表、温度计执行第十册《自动化控制仪表安装工程》相应项目。 三、关于下列各项费用的规定: 1。脚手架搭拆费按人工费的5%计算,其中人工工资占25%。 2。高层建筑增加费(指高度在6层或20m以上的工业与民用建筑)按下表计算(其中全部为人工工资): 层 数ﻩ9层以下 (30m)ﻩ12层以下 (40m)ﻩ15层以下 (50m)ﻩ18层以下 (60m)ﻩ21层以下 (70m) 24层以下(80m) 按人工费的%ﻩ1ﻩ2 4ﻩ6ﻩ8ﻩ10 层 数ﻩ27层以下 (90m) 30层以下 (100m) 33层以下 (110m)ﻩ36层以下 (120m) 39层以下 (130m) 42层以下 (140m) 按人工费的% 13 16ﻩ19 22ﻩ25 28 层 数ﻩ45层以下 (150m) 48层以下 (160m)ﻩ51层以下 (170m)ﻩ54层以下 (180m) 57层以下 (190m) 60层以下 (200m) 按人工费的% 31 34ﻩ37 40 43 46 3。超高增加费:定额中操作高度均以3.6m为界限,如超过3。6m时,其超过部分(指由主要材料损耗率 3.6m至操作物高度)的定额人工费乘以下列系数: 标高±(m) 3.6~8 3.6~12 3.6~16ﻩ3。6~20 超高系数ﻩ1.10 1.15ﻩ1.20ﻩ1.25 4。采暖工程系统调整费按采暖工程人工费的15%计算,其中人工工资占20%。 5。•设置于管道间、•管廊内的管道、阀门、法兰、支架安装,人工乘以系数1。3. 6。主体结构为现场浇注采用钢模施工的工程,内外浇注的人工乘以系数1.05,内浇外砌的人工乘以系数1.03. 四、主要材料消耗率表
序号 名 称ﻩ损耗率% 序号 名 称ﻩ损耗率% 1 室外钢管丝接、焊接 1。5 34ﻩ高低水箱配件ﻩ1。0 2 室内钢管丝接ﻩ2。0ﻩ35ﻩ冲洗管配件ﻩ1。0 3 室内钢管焊接 2。0ﻩ36 钢管接头零件 1。0 4 室内煤气用钢管丝接ﻩ2。0ﻩ37 型钢ﻩ5。0 5 室外排水铸铁管ﻩ3。0 38ﻩ单管卡子 5。0 6 室内排水铸铁管ﻩ7。0 39ﻩ带帽螺栓ﻩ3.0 7ﻩ室内塑料管 2.0ﻩ40 木螺钉 4.0 8 铸铁散热器 1。0 41ﻩ锯条 5。0 9 光排管散热器制作用钢管 3.0ﻩ42 氧气ﻩ17.0 10 散热器对丝及托钩ﻩ5。0 43 乙炔气 17.0 11ﻩ散热器补芯ﻩ4。0ﻩ44ﻩ铅油 2。5 12 散热器丝堵 4.0ﻩ45 清油 2.0 13ﻩ散热器胶垫 10。0ﻩ46ﻩ机油 3。0 14ﻩ净身盆 1.0ﻩ47 沥青油ﻩ2。0 15ﻩ洗脸盆ﻩ1.0 48ﻩ橡胶石棉板 15。0 16ﻩ洗手盆 1.0ﻩ49 橡胶板ﻩ15.0 17ﻩ洗涤盆ﻩ1.0ﻩ50ﻩ石棉绳 4。0 18ﻩ立式洗脸铜活ﻩ1。0 51 石棉 10。0 19ﻩ理发用洗脸盆铜活 1.0ﻩ52 青铅ﻩ8。0 20ﻩ脸盆架ﻩ1。0 53ﻩ铜丝 1。0 21 浴盆排水配件ﻩ1。0 54ﻩ锁紧螺母 6.0 22ﻩ浴盆水嘴ﻩ1.0 55 压盖 6。0 23 普通水嘴ﻩ1.0ﻩ56ﻩ焦炭ﻩ5.0 24 丝扣阀门 1.0ﻩ57 木柴 5.0 25ﻩ化验盆ﻩ1.0ﻩ58ﻩ红砖ﻩ4.0 26 大便器ﻩ1.0ﻩ59ﻩ水泥 10。0 27ﻩ瓷高低水箱 1。0ﻩ60 砂子ﻩ10.0 28 存水弯 0.5 61ﻩ胶皮碗 10。0 29 小便器 1.0 62 油麻 5.0 30ﻩ小便槽冲洗管ﻩ2.0ﻩ63ﻩ线麻 5。0 31 喷水鸭嘴ﻩ1.0ﻩ64ﻩ漂白粉ﻩ5.0 32 立式小便器配件 1。0 65 油灰ﻩ4。0 33ﻩ水箱进水嘴 1.0 主要材料损耗率 第十一册《刷油、防腐蚀、绝热工程》(以下简称本估价表) 适用于新建、扩建项目中的设备、管道金属结构等的刷油、防腐蚀、绝热工程。 二、一般钢结构(包括吊、支、托架,梯子,栏杆,平台)、管廊钢结构以“100kg"为单位,大于400mm的型钢及H型钢制钢结构以“10m2”为单位. 三、关于下列各项费用的规定: 1。脚手架搭拆费,按下列系数计算,其中人工工资占25%: (1)刷油工程:按人工费的8%; (2)防腐蚀工程:按人工费的12%; (3)绝热工程:按人工费的20%。 2。•超高降效增加费,以设计标高正负零为准,当安装高度超过±6。00m时,人工和机械分别乘以下表系数: 20m以内ﻩ30m以内ﻩ40m以内ﻩ50m以内 60m以内 70m以内 80m以内ﻩ80m以上 0.30ﻩ0.40 0.50ﻩ0.60ﻩ0。70ﻩ0。80 0.90ﻩ1.00 3.•厂区外1~10km施工增加的费用,按超过部分的人工和机械乘以系数1。10计算。 4.安装与生产同时进行增加的费用,按人工费的10%计算。 5.在有害身体健康的环境中施工增加的费用,按人工费的10%计算。 四、主要材料损耗率%
序号ﻩ名 称ﻩ损耗率%ﻩ序号ﻩ名 称 损耗率% 1 保温瓦块管道 8.0ﻩ18 矿棉席(设备)ﻩ2.0 2ﻩ保温瓦块(设备)ﻩ5.0 19 玻璃棉毡(管道)ﻩ5。0 3ﻩ微孔硅酸钙(管道)ﻩ5。0ﻩ20 玻璃棉毡(设备)ﻩ3.0 4ﻩ微孔硅酸钙(设备) 5.0 21 超细玻璃棉毡(管道)ﻩ4.5 5ﻩ棸苯乙烯泡沫塑料瓦(管道) 2.0 22ﻩ超细玻璃棉毡(设备)ﻩ4.5 6 棸苯乙烯泡沫塑料瓦(设备) 20.0ﻩ23ﻩ牛毛毡(管道) 4。0 7 棸苯乙烯泡沫塑料瓦(风道) 6。0 24ﻩ牛毛毡(设备)ﻩ3.0 8 泡沫玻璃(管道)ﻩ8—15瓦块/20板 25 麻刀、白灰(管道)ﻩ6。0 9 泡沫玻璃(设备) 8瓦块/20板 26 麻刀、白灰(设备)ﻩ3。0 10 棸氨酯泡沫(管道)ﻩ3瓦块/20板ﻩ27 石棉灰、麻刀、水泥(管道)ﻩ6.0 11 棸氨酯泡沫(设备) 3瓦块/20板 28 石棉灰、麻刀、水泥(设备) 3。0 12ﻩ软木瓦(管道) 3.0 29 玻璃布ﻩ6.42 13ﻩ软木瓦(设备)ﻩ12。0ﻩ30ﻩ塑料布 6.42 14ﻩ软木瓦(风道) 6.0ﻩ31 油毡纸ﻩ7。65 15ﻩ岩棉瓦块(管道) 3.0 32ﻩ铁皮 5。32 16ﻩ岩板(设备) 3.0 33 铁丝网 5。0 17 矿棉瓦块(管道)ﻩ3.0 说 明 一、本章定额适用于设备、管道、通风管道的绝热工程. 二、伴热管道、设备绝热工程量计算方法是:主绝热管道或设备的直径加伴热管道的直径、再加10—20mm的间隙作为计算的直径,即:D=D主+d伴+(10~20mm)。 三、依据《工业设备及管道绝热工程施工及验收规范》GBJ126—89施工及验收规范要求,主要材料损耗率 保温厚度大于100mm、保冷厚度大于80mm时应分层施工,工程量分层计算。但是如果设计要求保温厚度小于100mm、保冷厚度小于80mm也需分层施工时,也应分层计算工程量. 四、仪表管道绝热工程,应执行本章定额相关项目。 五、管道绝热工程,除法兰、阀门外,其它管件均已考虑在内,设备绝热工程除法兰、人孔外,其封头已考虑在内。 六、保护层: 1。镀锌铁皮的规格按1000×2000和900×1800,其厚度0。8mm以下综合考虑,若采用其它规格铁皮时,可按实际调整。厚度大于0。8mm时,其人工乘以系数1。2;卧式设备保护层安装,其人工乘以系数1.05. 2.此项也适用于铝皮保护层,主材可以换算。 七、采用不锈钢薄钢板作保护层安装,执行本章定额金属保护层相关项目,其人工乘以系数1.25,钻头消耗量乘以系数2。0,机械乘以系数1.15计算。 八、聚氨酯泡沫塑料发泡工程,是按现场直喷无模具考虑的,若采用有模具浇注法施工,其模具制作安装应依据施工方案另行计算。 九、矩形管道绝热需要加防雨坡度时,其人工、材料、机械应另行计算. 十、管道绝热均按现场安装后绝热施工考虑,若先绝热后安装时,其人工乘以系数0.9。 十一、卷材安装应执行相同材质的板材安装项目,其人工、铁线消耗量不变、但卷材用量损耗率按3。1%考虑. 十二、复合成品材料安装应执行相同材质瓦块(或管壳)安装项目。复合材料分别安装时应按分层计算。 主要材料损耗率 第二册《电气设备安装工程》(以下简称本估价表) 适用于工业与民用新建、扩建工程中10kv以下变配电设备及线路安装工程、车间动力电气设备及电气照明器具、防雷及接地装置安装、配管配线、电梯电气装置、电气调整试验等的安装工程。 二、本估价表的工作内容除各章节已说明的工序外,还包括:施工准备,设备器材工器具的场内搬运,开箱检查,安装,调整试验,收尾,清理,配合质量检验,工种间交叉配合、临时移动水、电源的停歇时间。 三、本估价表不包括以下内容: 1。10kv以上及专业项目的电气设备安装. 2。电气设备(如电动机等)配合机械设备进行单体试运转和联合试运转工作。 四、关于下列各项费用的规定: 1。•脚手架搭拆费(10kv以下架空线路除外)按人工费的4%计算,其中人工工资占25%。 2。工程超高增加费(已考虑了超高因素的定额项目除外):操作物高度离楼地面5m以上、20m以下的电气安装工程,按超高部分人工费的33%计算。 3。高层建筑增加费(指高度在6层或20m以上的工业与民用建筑)按下表计算(其中全部为人工工资): ┏━━━━━━┯━━━━┯━━━━┯━━━━┯━━━━┯━━━━┯━━━━┓ ┃层 数 │9层以下 │12层以下│15层以下│18层以下│21层以下│24层以下┃ ┃ │(30m) │(40m) │(50m) │(60m) │(70m) │(80m) ┃ ┠──────┼────┼────┼────┼────┼────┼────┨ ┃按人工费的%│1 │2 │4 │6 │8 │10 ┃ ┠──────┼────┼────┼────┼────┼────┼────┨ ┃层 数 │27层以下│30层以下│33层以下│36层以下│39层以下│42层以下┃ ┃ │(90m) │(100m) │(110m) │(120m) │(130m) │(140m) ┃ ┠──────┼────┼────┼────┼────┼────┼────┨ ┃按人工费的%│13 │16 │19 │22 │25 │28 ┃ ┠──────┼────┼────┼────┼────┼────┼────┨ ┃层 数 │45层以下│48层以下│51层以下│54层以下│57层以下│60层以下┃ ┃ │(150m) │(160m) │(170m) │(180m) │(190m) │(200m) ┃ ┠──────┼────┼────┼────┼────┼────┼────┨ ┃按人工费的%│31 │34 │37 │40 │43 │46 ┃