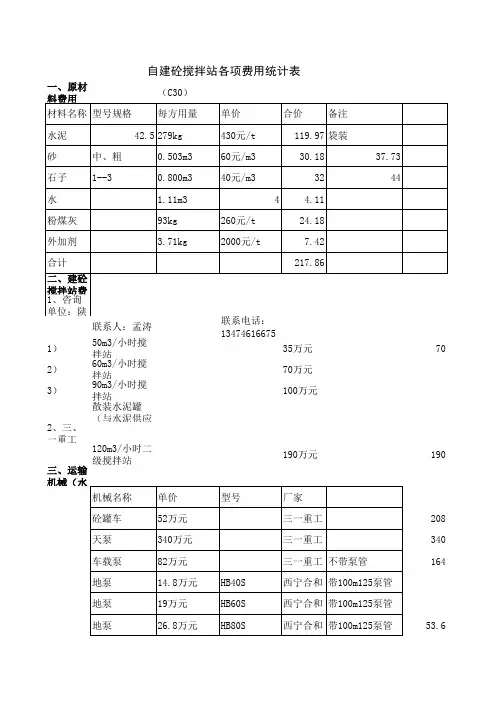
搅拌站混凝土统计表_C30
- 格式:xls
- 大小:25.00 KB
- 文档页数:2
正确理解混凝土强度评定方法中的若干概念要保证混凝土的实际强度达到合格的要求,必须做好三个环节的控制。
除切实搞好混凝土的原材料控制(又称初步控制)、生产控制外,还要对半成品和成品在出厂交付使用前,进行验收,即进行合格性检验评定,又称验收控制。
通过验收环节,对商品混凝土生产方而言,是使不符合质量标准要求的产品,不予出厂,防止给使用者造成实在或潜在的危害。
在混凝土生产控制措施不够健全或原材料控制不尽完善的情况下,为保证混凝土质量,合格性检验的验收控制就显得更为重要。
对使用方而言,现场试块强度是评定混凝土结构实际强度并进行验收的依据。
一、强度类型对混凝土进行强度试验的目的大体有两个,因此所得的强度也有两种。
1.标准养护强度对用于工程结构中的一批混凝土(验收批)按标准方法进行检验评定,视其是否达到该等级混凝土应有的强度质量,以评定其是否合格。
这种强度的试件应在标准条件下养护,故称为混凝土的标准养护强度,简称标养强度。
这里应强调的是,在使用商品混凝土时,作为结构混凝土强度验收的依据是运送到施工现场的混凝土并在现场由商品混凝土供应方、施工方和监理单位共同取样制作并进行标准养护的试块强度。
商品混凝土供应方的试块标养强度只是商砼供应方用于评定企业的生产质量水平和作为生产控制用的,虽然可以参考,但不能作为结构强度验收的依据。
2.同条件养护强度对在混凝土生产施工过程中,为满足拆模、构件出池、出厂、吊装、预应力筋张拉或放张等的要求,而需要确定当时结构中混凝土的实际强度值以便进行施工控制。
这种强度的试块一般均置于实际结构旁,以与结构同样的条件对其进行养护,故称为混凝土的同条件养护强度。
又因其多用于控制施工工艺,故简称施工强度。
这两种强度在取样、养护、评定方面有很大的不同,应注意它们的差异以免混淆。
标准强度和施工强度有以下三点差别:1.养护方式不同:如前所述分别为标准养护和同条件养护。
2.评定方式不同:标养强度按批评定(验收批的划分见后面),有三种评定方法(标准差已知统计法、标准差未知统计法、非统计法);施工强度基本按组与相应的工作班混凝土一一对应地检验。
混凝土质量统计表一、原材料质量1. 水泥:采用P.O42.5R水泥,质量符合GB175-2007《通用硅酸盐水泥》要求。
2. 砂:中砂,细度模数2.3-3.0,含泥量≤3%。
3. 石子:5-31.5mm碎石,含泥量≤1%。
4. 掺合料:S95级矿粉、Ⅰ级粉煤灰,质量符合GB/T18046-2008《用于水泥和混凝土中的粒化高炉矿渣粉》要求。
5. 外加剂:聚羧酸系高效减水剂,质量符合GB8076-2008《混凝土外加剂》要求。
6. 水:饮用水,质量符合JGJ63-2006《混凝土用水标准》要求。
二、配合比设计1. 设计原则:根据结构要求、施工条件、材料情况等因素进行混凝土配合比设计。
2. 设计内容:确定混凝土的砂率、水胶比、矿物掺合料掺量等关键参数。
3. 试配:在实验室进行混凝土试配,确定最终的配合比。
4. 配合比验证:在现场进行混凝土浇筑,验证配合比的合理性和实用性。
三、拌合质量1. 拌合设备:采用自动化集中拌合设备,确保混凝土拌合均匀、无离析。
2. 拌合时间:每盘混凝土拌合时间不少于90秒,确保各种原材料充分融合。
3. 质量控制:定期对拌合设备进行检查和维护,确保设备运行正常。
四、运输质量1. 运输方式:采用混凝土搅拌车进行运输,确保混凝土在运输过程中不离析、不分层。
2. 运输时间:从拌合站到施工现场的运输时间不超过1小时,确保混凝土新鲜度。
3. 质量控制:对运输设备进行检查和维护,确保设备运行正常。
五、浇筑质量1. 浇筑方式:采用泵送或塔吊输送方式进行浇筑,确保混凝土浇筑密实、无气泡。
2. 浇筑温度:控制混凝土浇筑温度在适宜范围内,避免因温度过高导致混凝土开裂。
3. 质量控制:对浇筑完成的混凝土进行振捣、抹面、压光等操作,确保表面平整、无气泡。
六、养护质量1. 养护方式:采用覆盖浇水或喷洒养护剂等方式进行养护,确保混凝土表面保持湿润状态。
2. 养护时间:不少于7天,确保混凝土充分水化、防止开裂。
旁站监理记录
旁站监理记录
注:1、本表由监理单位填写,建设单位、监理单位、承包单位各存一份
2、混凝土浇筑:与监理日志、施工日志、混凝土施工记录、混凝土试块试验报告等对应一致。
3、检查混凝土浇灌部位、混凝土标号、开始和结束浇筑时间、浇筑申请编号、配合比编号、开盘编号、被检查的罐车号,小票复核情况和塌落度测试、罐车上灰情况;混凝土输送情况;罐车在现场滞留情况;现场见证混凝土试块制作情况;现场浇灌分层情况;振捣器的配置情况;浇灌过程中钢筋整理和看模情况;浇灌过程中混凝土留茬情况;检查冬施中混凝土温度测试及施工单位的记录等;浇灌过程中有无间歇停顿时间及处理。
关于HZS120Q搅拌站承载力计算以下计算只考虑垂直静载荷,进行最不利情况下计算。
基础采取350mm厚C30混凝土,其轴心抗压强度设计值f c=14.3N/mm2,标准值f ck=20.1N/mm2,上部建筑压力通过预埋20mm厚钢板传递至混凝土,部分为12mm。
地基通过碾压、夯实经试验检测,承载力最小值为200kPa。
1、骨料配料机(4×20m3)每支腿的承载力验算:20m3砂石料重约G1=32t,取安全系数为1.5;单支腿的垂直静载荷:N1=G1×4×1.5×10/10=192kN取200KN。
预埋钢板尺寸为500mm×500mm,f1=N1/500mm×500mm=0.8N/mm2<f c=14.3N/mm22、150t水泥仓支腿承载力验算:水泥仓体自重约G2=10t,水泥重G3=150t,水泥仓共有4条支腿,取安全系数为1.5,每支腿的垂直静载荷:N2=(G2+G3)×1.5×10/4=600kN取600KN。
预埋钢板尺寸为500×500mm,f2=N2/500mm×500mm=2.4N/mm2<f c=14.3N/mm23、搅拌站主楼支腿承载力验算:搅拌站主体自重G4=25t,搅拌混凝土重约G5=10t,主机震动载荷G6=5t,搅拌站共有4条支腿,取安全系数为,每支腿的垂直静载荷:N3=G4+G5+G6×2×10/4=200kN取200KN。
预埋钢板尺寸为400mm×500mm,f3=N3/400mm×500mm=1N/mm2<f c=14.3N/mm24、斜皮带机承载力验算:斜皮带机自重约G7=20t,震动载荷G8=5t,斜皮带机主要受力共有7条支腿,取安全系数为5,每支腿的垂直静载荷:N4=G7+G8×5×10/7=179kN取200KN。
8月份材料节超分析本页仅作为文档封面,使用时可以删除This document is for reference only-rar21year.March中国铁建港航局集团有限公司安徽东至广信码头工程项目经理部2016年8月份材料节超分析报告设备物资部2016 年 8 月 28 日2016 年 8 月材料节超分析报告由于长江汛期已至尾声,安徽东至广信码头工程项目部于8月初逐个工作面复工,搅拌站于8月12日正式开盘,钢筋、钢护筒等施工主要材料陆续进场。
项目部设备物资部于2016年8月24日上午进行项目施工现场主要材料(包括钢筋、水泥、砂石料、粉煤灰、外加剂)盘点工作。
一、混凝土原材料节超分析2016年7月25日至2016年8月24日,混凝土实际搅拌方量为725m³,各种主材消耗节超如下:注:①统计本期材料消耗数量时,按照实际搅拌混凝土方量根据配合比反算得出的数据,再加上2%的合理损耗,为最终结果。
②拟于本月扣除搅拌站队伍8吨水泥、3吨粉煤灰,超用材料量。
本月材料超耗原因总结如下:1、8月23日1号水泥罐,罐口处水泥结块,疏通造成浪费,水泥灌注过程中随气压排出,造成浪费;2、搅拌站本月主机损坏3天,手动施打混凝土造成粉煤灰、外加剂、黄砂、碎石材料浪费;3、碎石有40吨用于新建T梁预制场基础,砂石料盘点误差。
二、钢筋节超分析2016年7月25日至2016年8月24日钢材消耗量:吨,根据工程部提供相应施工理论量为吨。
本月钢材核销统计如下:本月钢筋盈余吨,主要规格为A8圆钢、C12螺纹钢分析原因如下为箍筋优化下料,节省钢筋。
我部门将继续加强原材料现场管理,每月按时盘点现场材料,保证数据的准确性,若有超方及钢筋超用量,我部门将及时统计上报并对相关劳务队进行扣款处理。
附表:1、搅拌站8月混凝土量表2、2016年8月地材入库、消耗、损耗统计表3、东至项目 2016 年 8 月 24 日材料盘点数据4、2016年8月24日钢材盘点汇总表5、2016年8月24日钢材盘点明细表中国铁建港航局集团有限公司安徽东至广信码头工程项目经理部设备物资部 2016 年 8 月 28 日。