实验1-水准仪的认识和使用
- 格式:doc
- 大小:1.57 MB
- 文档页数:9
实验一--水准仪的认识及使用水准仪是一种用来测量地面高程差的仪器,在土木工程、建筑工程、地质勘察、测量工程等领域有广泛的应用。
本实验将带大家认识水准仪的基本原理、使用方法和注意事项,帮助大家更好地完成测量任务。
一、实验目的1. 了解水准仪的基本原理和构造。
2. 掌握水平测量法的基本操作方法。
3. 学会使用水准仪进行高程测量。
二、实验原理水准仪是一种利用液面一致性原理(液面都在同一水平面上)来精确测量高程差异的仪器。
其基本原理是通过放置水平的测量毛细管和气泡管来保证水平线,观测水平线和垂直线的位置来测量高差。
水准仪的主要结构组成如下:1. 望远镜:用于通过观察目标点和水平仪圆心的距离差来测量高程差。
2. 水平仪:保证仪器望远镜和目标点在同一水平面上。
3. 三脚架:用于支撑整个仪器。
4. 水准仪箱体:用于固定望远镜、水平仪和气泡管等测量元器件。
5. 气泡管:用于检测望远镜是否在同一垂直面上,保证数据的精度。
三、实验步骤1. 安装水准仪将水准仪放置在平稳的地面上,三脚架张开水平,使得水准仪可以均匀受力,望远镜正对目标点,调整望远镜的方向和高度,使目标点和十字线中心重合。
2. 开始测量观测目标点和水准仪十字线交点的位置,用目镜内的毛细管测出目标点与水准仪望远镜光轴的高差,然后以水准仪为基准,依次观测所需目标点的高差。
3. 操作要点在进行水准测量时,需要注意以下几点:(1)水准仪必须放在平稳、坚固的地面上,并且保持三脚架处于水平状态,避免因不平衡或移位造成误差。
(2)进行观测时应采用低照光源,避免反射光干扰观测。
(3)望远镜式水准仪的准直器必须在观测前进行调整和检查,保证观测数据准确无误。
(4)水准仪的存放应注意轻拿轻放,避免碰撞和摔落造成损坏或误差。
四、实验注意事项1. 测量时应注意目镜镜头清洁,便于观测并且不影响数据准确度。
2. 在观测数据时,必须确保水准仪的三脚架同时接触地面,并且调整不动。
3. 把水准仪移动到下一测点时应将三脚架先移动到下一位置,然后再将水准仪移动过去。
实训一水准仪的认识与使用一、实训目的1.掌握DS3型水准仪的构造及各部件的名称及作用。
2.掌握利用圆水准器粗略整平仪器的方法。
3.掌握用水准仪瞄准目标、消除视差、精确整平及在水准尺上读数的方法。
4.通过测量过程,理解水准测量原理。
5.了解自动安平水准仪的使用方法。
二、仪器及工具每组DS3型水准仪1台,水准尺1根。
三、实训步骤1.在指定地点安置脚架和连接仪器松开脚架上的伸缩螺旋,根据需要将架腿调到适当的长度,再将螺旋拧紧。
将架头大致水平,再把三脚架的脚尖踩入土中。
将水准仪取出放在三脚架的架头上,一手握住仪器,一手将中心连接螺旋与水准仪基座连接并拧紧。
2.认识水准仪的结构及各部件的名称、作用。
结构:望远镜、水准器、基座。
部件:望远镜物镜、望远镜目镜、微倾螺旋、微动螺旋、制动螺旋、物镜调焦螺旋、脚螺旋、圆水准器、水准管、符合气泡观察窗、缺口、准星。
3.练习用圆水准器粗略整平水准仪首先按“左手拇指规则”旋转任意一对脚螺旋,使气泡移动到过圆水准器中心与这一对脚螺旋垂直的方向线上,再旋转第三个脚螺旋,使圆气泡居中。
如仍不居中,重复上述步骤直至居中。
4.练习利用水准仪的准星及缺口瞄准水准尺先通过目镜调焦螺旋,使十字丝清晰;松开制动螺旋,转动望远镜通过缺口与准星大致瞄准水准尺,旋转制动螺旋制动望远镜;再转动微动螺旋,观察望远镜目镜使水准尺侧边与十字丝竖丝重合。
5.判断视差是否存在,练习消除视差眼睛在望远镜目镜前作轻微的上下移动,观察十字丝横丝与水准尺分划之间是否有相对移动;如有则表明有视差存在,可通过物镜与目镜调焦,直至消除视差。
6.精平转动微倾螺旋,从符合水准器观察窗中查看气泡的两个半边像,直至两端的像符合。
注意微倾螺旋转动方向与水准管气泡右边的像的移动方向一致。
7.读数(望远镜呈倒像)从十字丝横丝往上找到最近的整米数位置,通过注记读出米数,再从十字丝横丝往上找出最近的分米位置,通过注记读出分米数,从刚找出的分米线开始至十字丝数出有几个黑白整分划即为厘米数,最后根据十字丝横丝往上至最近的厘米线的距离估读出毫米数。
实验一水准仪的认识与使用一、目的与要求1.了解DS3微倾式水准仪的基本构造,认清其主要部件的名称、性能和作用;2.练习水准仪的正确安置、瞄准和读数。
二、计划和设备1.实验时数安排2学时,实验小组由5人组成:1人操作、1人记簿、2人扶尺;组内人员轮流操作;2.实验设备为DS3水准仪1台,水准尺2把,尺垫2个,记录板1个,铅笔1支(2H或3H)。
三、实验方法和步骤1.水准仪的认识图1.1所示为型微倾式水准仪的外形和各部件名称。
图1.1DS3微倾式水准仪2.水准仪的安置与使用(1)安置仪器仪器所安置的地点称为测站。
首先,松开三角架腿的伸缩螺旋,将架头提升到合适的高度,然后拧紧伸缩螺旋,再张开三脚架,目估使架头大致放平并踩实架腿;打开仪器箱取出仪器(取出前注意仪器在箱中的安放位置),一手握住仪器,一手将三脚架架头上的连接螺旋旋入仪器基座内(松紧适度),关上仪器箱。
(2)粗略整平双手食指和拇指各拧一只脚螺旋,同时对向(或反向)转动,使圆水准器泡向中间移动,再拧另一只脚螺旋,使气泡移至圆水准器居中位置。
若一次不能居中,可反复进行。
(练习并体会脚螺旋转动方向与圆水准器泡移动方向的关系。
)图1.2圆水准气泡居中(3)瞄准水准尺旋转目镜调焦螺旋,使十字丝清晰;松开水平制动螺旋,在水平方向轻轻转动仪器,通过望远镜上的照门和准星初步瞄准水准尺,旋紧水平制动螺旋,旋转物镜调焦螺旋使水准尺成像清晰;转动水平微动螺旋,使水准尺影象的一侧靠近十字丝纵丝(检查水准尺是否竖直);眼睛略做上下移动,检查十字丝与水准尺分划影象间是否有相对移动(视差);如果存在视差,则重新进行目镜调焦与物镜调焦,以消除视差。
(4)精平确定水准管的水平位置,使水准仪的视线水平,是水准测量中关键性的一步。
转动微倾螺旋,使水准管气泡居中,从目镜旁的符合水准管气泡观测窗中,可以看到符合气泡两个半边的影象,如图1.3所示,当两端的影象符合时,水准管气泡居中。
注意微倾螺旋转动的方向与水准管气泡影象移动方向的一致性。
水准仪的认识和使用的实验报告范文8篇水准仪的认识和使用的实验报告范文8篇水准仪的认识和使用的实验报告范文(1)水准仪的认识和使用的实验报告范文(2)实验一水准仪的认识和使用一、实验的目的和要求1.了解DS3型水准仪的基本构造,认清各部件的名称及其作用;2.练习水准仪的安置、瞄准与读数;3.测定地面两点间的高差;4.完成实习报告的填写。
二、计划与设备1.实验时数安排2学时,实验小组由4~6人组成;2.实验设备为DS3型水准仪一台、水准尺一对;3.实习场地安排在校内,各组在练习仪器安置、整平、瞄准、精平读数的基础上,每人练习观测几组水准尺的读数,分别记录在实习报告的表格中;4.实习结束后,每人交实习报告一份。
三、方法和步骤1.安置水准仪将脚架张开,使其高度适当,架头大致水平,并将脚尖踩入土中。
再开箱取出仪器,将其固连在三脚架上。
2.认识仪器指出仪器各部件的名称,了解其作用并熟悉其使用方法,同时弄清水准尺的分划与注记。
3.粗略整平先对向转动两只角螺旋,使圆水准气泡移动到中间,再转动另一只角螺旋使圆气泡居中,通常须反复进行。
4.瞄准转动目镜调焦螺旋,使十字丝清晰;转动仪器,用准星和照门瞄准水准尺,拧紧制动螺旋,转动微动螺旋,使水准尺成像在十字丝交点处。
当成像不太清晰时,转动对光螺旋,消除视差,使目标清晰。
5.精平、读数在水准管视窗观察,转动微动螺旋使水准管气泡两端的半影像吻合,视线即处于精平状态;同时,应立即用中丝在水准尺上读取四位读数m、dm、cm 和mm位。
读数时应先估出毫米位,然后按米、分米、厘米及毫米,一次读出四位有效数。
四、注意事项1.不能在没有消除视差情况下读数;2.在水准尺上读数时,符合水准器泡必须居中,不能用角螺旋调整符合水准器泡居中。
水准仪的认识和使用的实验报告范文(3)实验一水准仪认识及使用1.目的(1)了解水准仪各部件名称、用途,了解水准尺的刻划情况。
(2)掌握水准仪的安置、粗平、瞄准、精平、读数、扶尺等相关的方法和要领。
水准仪的认识与使用一、目的与要求1.认识水准仪的基本结构,了解其主要部件的名称及作用;2.练习水准仪的安置、瞄准与读数;3.练习用水准仪读水准尺的方法及计算两点间高差的方法;4.考虑到仪器数量和实验情况,一般安排一组/4人,观测、记录计算、立尺工作可轮换操作。
二、计划与仪器准备1.实验学时:8学时2.主要设备:水准仪 1台三角架1副水准尺(塔尺)2把尺垫2块(如有必要的话)记录板1块太阳伞1把(如有必要的话)三、实验步骤1.安置仪器:安置仪器于两测点之间。
将三脚架平稳张开,使其高度适当,三角承台大致水平。
然后开箱取出仪器,将其与脚架连接螺旋牢固连接;2.认识仪器各部件,并了解其功能和使用方法:准星和照门;目镜调焦螺旋;物镜调焦螺旋;水平微动螺旋;脚螺旋;圆水准器等等;3.粗略整平:先用双手同时向内(或向外)旋转同一对脚螺旋,使圆水准器泡移动到中间,再转动另一只脚螺旋使气泡居中。
若一次不能居中,可反复进行。
旋转螺旋时应注意气泡移动的方向与左手大拇指或右手食指运动方向一致;4.瞄准:转动目镜调焦螺旋,使十字丝分划清晰;转动仪器,用准星和照门瞄准水准尺旋;转动微动螺旋,使水准尺位于视场中央;转动物镜调焦螺旋,使水准尺清晰,注意消除视差;5.读数:用十字丝横丝在水准尺上读取四位数字,读数时应从小往大读,m、dm、cm、mm的次序,一次报出四位读数。
四、实验报告要求1.每位同学独立完成各自的实验报告;2.实验报告的填写要求字迹工整、清晰,不得涂改。
如果发生书写错误,请用双实线段将错误之处划去,并在其边上将正确的文字或者数字补上;3.各组长将本组组员的实验报告收齐后附在本任务书后,统一上交给指导老师。
五、注意事项1.以组为单位依次领取实验仪器,组长应指派专人负责清点数量和名称是否符合要求,检查仪器是否有损坏之处(外观、部件等);一旦领取后,借出的仪器将被视为性能完好;2.归还仪器时,应按照领取时的状况归还实验室。
实习一水准仪的认识与使用
一、目的与要求
1、认识水准仪的构造,熟悉各个部分的作用。
2、初步掌握水准仪使用的各个环节。
3、能正确的读取水准标尺的四位读数。
4、能测出两点间的高差。
二、仪器与工具
DS3型水准仪1台,水准尺2支,尺垫2支,记录板1块。
三、实习方法与步骤
1、选择长约40—60米的两点A、B。
置稳尺垫。
将脚架置于两点的中间部位,注意高度适
当,架头大致水平,踩稳脚架尖。
安上水准仪,将中心螺旋拧紧。
2、认识各个部件,熟悉仪器构造。
对照仪器,读出物镜、目镜、物镜对光螺旋、目镜对
光螺旋、水平制动螺旋、水平微动螺旋、照门与准星、水准管与观察窗、微倾螺旋、轴座与连接板。
3、进行粗略整平。
调节三个脚螺旋,使圆水准器气泡居中。
在A点的尺垫上立水准尺。
4、瞄准水准尺。
目镜对光,使十字丝清晰后,转动望远镜,利用照门、准星瞄准水准尺A,
物镜对光,使标尺的像清晰,旋紧制动螺旋,用微动螺旋使标尺的像移在竖丝上。
5、精平。
在水准管观察窗口观察气泡的影像,右手移动微倾螺旋,缓缓地使弧线精确吻
合,此时水准管气泡居中。
6、读数。
用十字丝中丝在尺上的位置直接读出四位读数:米、分米、厘米、估读毫米,
并记录。
7、测两点间高差。
放松制动螺旋,将望远镜转向B点水准尺,重复瞄准水准尺、进行精
平、读数三步操作,读取前视B点读数并记录。
高差=后视读数---前视读数
四、实习报告
1、对照仪器,按附图认识各部件的名称。
《土木工程测量》课程实验报告实验编号: 1实验内容:水准仪的认识与使用年级专业:____________________________组别:No._________________________组长:___________ 学号:______________组员:___________ 学号:______________ ___________ ______________ ___________ ______________ ___________ ______________ ___________ ______________报告日期:________年_________月________日《土木工程测量》实验任务书实习实训一:水准仪的认识与使用一、目的与要求1.认识水准仪的基本结构,了解其主要部件的名称及作用;2.练习水准仪的安置、瞄准与读数;3.练习用水准仪读水准尺的方法及计算两点间高差的方法;4.考虑到仪器数量和实验情况,一般安排一组/4人,观测、记录计算、立尺工作可轮换操作。
二、计划与仪器准备1.实验学时:8学时2.主要设备:水准仪1台三角架1副水准尺(塔尺)2把尺垫2块(如有必要的话)记录板1块太阳伞1把(如有必要的话)三、实验步骤1.安置仪器:安置仪器于两测点之间。
将三脚架平稳张开,使其高度适当,三角承台大致水平。
然后开箱取出仪器,将其与脚架连接螺旋牢固连接;2.认识仪器各部件,并了解其功能和使用方法:准星和照门;目镜调焦螺旋;物镜调焦螺旋;水平微动螺旋;脚螺旋;圆水准器等等;3.粗略整平:先用双手同时向内(或向外)旋转同一对脚螺旋,使圆水准器泡移动到中间,再转动另一只脚螺旋使气泡居中。
若一次不能居中,可反复进行。
旋转螺旋时应注意气泡移动的方向与左手大拇指或右手食指运动方向一致;4.瞄准:转动目镜调焦螺旋,使十字丝分划清晰;转动仪器,用准星和照门瞄准水准尺旋;转动微动螺旋,使水准尺位于视场中央;转动物镜调焦螺旋,使水准尺清晰,注意消除视差;5.读数:用十字丝横丝在水准尺上读取四位数字,读数时应从小往大读,m、dm、cm、mm的次序,一次报出四位读数。
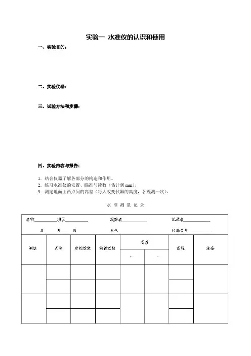
实验一水准仪的认识和使用一、实验目的:
二、实验仪器:
三、试验方法和步骤:
四、实验内容与报告:
1.结合仪器了解各部分的构造和作用。
2.练习水准仪的安置、瞄准与读数(估计到mm)。
3.测定地面上两点间的高差(每人改变仪器的高度,各观测一次)。
水准测量记录
4.解答下列问题:
1)水准仪主要由组成的。
2)控制水准仪望远镜水平方向转动应用螺旋和螺旋,要使望远镜所瞄准的尺子与十字丝都要看的清晰应用螺旋和螺旋,要使圆水准气泡居中应转动螺旋,读数前要使水准管气泡居中应用螺旋。
3)为什么每次读数时要使符合水准气泡居中?为什么圆水准气泡居中了,水准管气泡还不能居中?。
实验一水准仪的认识与使用一、目的和要求(1)了解DS3自动安平水准仪的基本构造,认清其主要部件的名称和作用。
(2)掌握DS3自动安平水准仪的安置、瞄准和读数方法。
(3)测定地面两点间高差。
二、仪器和工具南方DS3自动安平水准仪1,水准脚架1,水准尺2,记录板1。
三、实验内容(1)认识DS3自动安平水准仪的构造和各操作部件的名称、作用和操作方法。
(2)练习水准仪的安置整平。
(3)练习水准尺的读数方法。
(4)初步练习高差的观测、记录及计算方法。
四、实验方法与步骤1.安置仪器将脚架张开,使其高度适当,架头大致水平,踩实架腿。
再开箱取出仪器将其固连在三角架上。
2.认识仪器指出仪器各部分的名称,了解其作用并熟悉其使用方法,同时弄清水准尺的分划与注记。
3.粗略整平旋转水准仪基座上的三个脚螺旋,使圆水准器气泡居中。
先用双手同时向内(或向外)转动一对脚螺旋,使圆水准器气泡移动到中间,再转动另外一只脚螺旋,使圆气泡居中,通常需要反复进行。
注意气泡移动的方向与左手拇指或右手食指运动方向一致.4.瞄准水准尺、精平与读数(1)瞄准。
甲将水准尺立于某地面点上,乙松开水平制动螺旋,转动仪器,用粗瞄器粗略瞄准水准尺,固定制动螺旋,用微动螺旋使水准尺大致位于视场中央;转动目镜对光螺旋进行对光,使十字分划清晰,再转动物镜对光螺旋,看清水准尺影像;转动水平微动螺旋,使十字丝纵丝靠近水准尺的一端,若存在视差,则应仔细进行物镜对光予以消除。
(2)精平。
自动安平水准仪不需此操作,但要检查补偿器是否处在正常工作状态。
(3)读数。
用中丝在水准尺上读取4位读数,即米、分米、厘米及毫米,一次读出4位数,毫米级为估读数。
读数后检查仪器视线是否精平。
5.测定地面两点间的高差(1)在地面选定A、B两个坚固的点。
(2)在A、B两点间安置水准仪,使仪器至A、B两点的距离大致相等。
(3)竖立水准尺于A点上,瞄准点A上的水准尺,精平后读数,此为后视读数a,记入表中测点A一行的后视读数栏下。
水准仪的认识与使用实验一:水准仪的认识和使用一、目的和要求(1)介绍ds3微倾式水准仪的级别结构和性能,重新认识其主要不见踪影的名称和促进作用。
(2)练习水准仪的安置、瞄准、读书。
(3)练普通水准测量的量测、记录和计算方法。
每实验小组的仪器工具:ds3水准仪一台、测伞一把、水准尺二把、尺垫二个、记录板(含记录纸)一块。
三、水准测量的基本操作与仪器的重新认识1、安置仪器,安置水准仪和竖立标尺。
(1)水准仪的征用:水准仪征用在三脚架上。
建议就是:高度适度,大致水平,巩固可信。
(2)竖立标尺:要求:一,竖直;二,稳当。
仪器征用完,应当重新认识仪器各部件的名称和促进作用,重新认识标尺的刻划及读数的方法。
2、粗略整平。
(1)相对旋转两个脚螺旋,并使圆水准器的水准气泡移近两脚螺旋的中间边线。
(2)转动第三个脚螺旋,使气泡移到圆水准器的中心。
娴熟的操作方式,可以将上述二步骤合二而一,同时展开。
即为在相对旋转两个脚螺旋的同时,旋转第三个脚螺旋,并使圆水准气泡母葛氏。
3、瞄准标尺。
即为对准后视尺,已经开始的对准工作必须经历细摄像、对光、妙摄像的过程,同时应当特别注意消解视差。
并使望远镜十字丝纵丝对准标尺的中央。
4、精确整平。
转动微倾旋钮,观察符合气泡影像符合,实现望远镜视准轴精确整平。
5、读数和记录。
根据望远镜视场中十字丝横丝所撷取的标尺刻划,加载该刻划的数字。
读数的方法:先小后小。
记录,按读数的先后顺序投资回报,投资回报无异议及时记录。
以上3至5步骤是观测后视尺的操作,获得一次后视读数a。
后续是观测前视尺的操作。
6、对准标尺,即为对准APY尺。
一测站前、后视距基本成正比,对准APY尺不必再次对光。
7、精确整平。
方法同4步骤。
8、读数和记录。
方法同5步骤。
四、改变仪器高法该法在测站观测中赢得一次高差观测值h之后,变动水准仪的高度再展开二次高差观测,赢得代莱高差观测值h。
具体内容观测步骤:(1)一次观测:观测顺序为:后视─后视读数a─前视─前视读数b。
实践技能训练一水准仪的认识与使用一、实习目的熟悉自动安平水准仪的基本构造;初步掌握水准仪的使用方法。
二、实训内容1.熟悉自动安平水准仪的基本构造,主要部件的名称、作用和使用方法。
2.练习水准仪的安置、瞄准、精平和读数。
3.测量地面上两点间的高差。
三、仪器及工具每组自动安平型水准仪1台,水准仪脚架1个,双面水准尺1对,自备计算器、铅笔、记录板等。
四、操作步骤1.安置仪器2.认识仪器。
3.测高练习⑴粗平。
脚螺旋使圆气泡居中。
⑵瞄准目标。
目镜,十字丝清晰;物镜,水准尺清晰。
⑶精平。
有管水准器气泡的居中。
⑷读数。
读取4位数字。
⑸在B点立尺。
读取前视读数b,记录。
⑹计算高差。
H=a-b⑺测量多点之间的高差。
五、注意事项1.立尺应当立直水准尺,专人扶持。
2.中心连接螺旋不宜宁得太紧,以防破损。
3.每次读数前一定要注意消除视差。
4.读数前符合水准气泡要严格居中,读数完毕检查确认气泡仍居中,读数方可记录。
六、实训报告(记录与计算表格)每人上交一份实训报告。
表2-1 水准测量记录计算表仪器型号班组观测者记录者日期天气测站次数立尺点水准尺读数(m) 高差(m)平均高差(m) 备注后视前视Ⅰ1AB 2ABⅡ1AB 2ABⅢ1AB 2ABⅣ1AB2AB校核∑a-∑b= ∑h=。
水准仪的认识和使用的实验报告范文3篇An experimental report on the understanding and use o f level编订:JinTai College水准仪的认识和使用的实验报告范文3篇小泰温馨提示:实验报告是把实验的目的、方法、过程、结果等记录下来,经过整理,写成的书面汇报。
本文档根据实验报告内容要求展开说明,具有实践指导意义,便于学习和使用,本文下载后内容可随意修改调整及打印。
本文简要目录如下:【下载该文档后使用Word打开,按住键盘Ctrl键且鼠标单击目录内容即可跳转到对应篇章】1、篇章1:水准仪的认识与使用实验报告文档2、篇章2:实验一水准仪的认识及使用文档3、篇章3:实验1 水准仪的认识和使用文档篇章1:水准仪的认识与使用实验报告文档3、实验仪器及工具:4、实验任务及要求:6、实验数据记录及计算:日期_____仪器编号_____观测_____天气_____地点_____记录_____篇章2:实验一水准仪的认识及使用文档【按住Ctrl键点此返回目录】(1)认识DS3微倾式水准仪的基本构造,各操作部件的名称和作用,并熟悉使用方法。
(2)掌握DS3水准仪的安置、瞄准和读数方法。
(3)了解自动安平水准仪的性能及使用方法。
(4)练习水准测量一测站的测量、记录和高差计算。
(1)性质:基础性实验。
(2)时数:4学时。
(3)组织:4人1组。
(1)每组借DS3 微倾式水准仪(或自动安平水准仪)l 台、水准尺1对、尺垫2个,记录板1块。
1.微倾式水准仪的构造(1)了解微倾式水准仪和自动安平水准仪的构造,掌握各螺旋和部件的名称、功能及操作方法;(2)注意比较微倾式和自动安平光学水准仪构造上的区别。
(1)仪器架设在测站上打开脚架,按观测者的身高调节脚架腿的高度,使脚架架头大致水平,如果地面比较松软则应将脚架的三个脚尖踩实,使脚架稳定。
然后将水准仪从箱中取出平稳地安放在脚架头上,一手握住仪器,一手立即用连接螺旋将仪器固连在脚架头上。
1水准仪的认识和使用《土木工程测量》课程实验报告《土木工程测量》课程实验报告实验编号: 1实验内容:光学水准仪的认识和使用年级专业:____________________________组别:No._________________________组长:___________ 学号:______________组员:___________ 学号:_________________________ _________________________ _________________________ _________________________ ______________报告日期:________年_________月________日《土木工程测量》实验任务书实验一:水准仪的认识与使用一、目的与要求1.认识水准仪的基本结构,了解其主要部件的名称及作用;2.练习水准仪的安置、瞄准与读数;3.练习用水准仪读水准尺的方法及计算两点间高差的方法;4.考虑到仪器数量和实验情况,一般安排4人/组,观测、记录计算、立尺工作可轮换操作。
二、计划与仪器准备1.实验学时:2学时2.主要设备:T opcon AT-G6(/G7)水准仪1台三角架1副水准尺(塔尺)2把尺垫2块(如有必要的话)记录板1块太阳伞1把三、仪器操作步骤1.安置仪器:安置仪器于两测点之间。
将三脚架平稳张开,牢固插入地面,并使三角平台大致水平、高度适合。
开箱取出仪器,将其与脚架连接螺旋牢固连接;2.认识下述的仪器主要部件,并了解其功能和使用方法:准星和照门,目镜调焦螺旋,物镜调焦螺旋,水平微动螺旋,脚螺旋,圆水准器等等;3.粗略整平:先用双手同时向内(或向外)旋转同一对脚螺旋,使圆水准器泡移动到中间,再转动另一只脚螺旋使气泡居中。
若一次不能居中,可反复进行。
旋转螺旋时应注意气泡移动的方向与左手大拇指或右手食指运动方向一致;4.瞄准:转动目镜调焦螺旋,使十字丝分划清晰;转动仪器,用准星和照门瞄准水准尺旋;转动微动螺旋,使水准尺位于视场中央;转动物镜调焦螺旋,使水准尺清晰,注意消除视差;5.读数:用十字丝横丝在水准尺上读取四位数字,读数时应从大往小读,即m、dm、cm、mm的次序,一次报出四位读数。
《土木工程测量》课程实验报告
实验编号: 1
实验内容:水准仪的认识与使用
年级专业:____________________________组别:No._________________________组长:___________ 学号:______________组员:___________ 学号:______________ ___________ ______________ ___________ ______________ ___________ ______________ ___________ ______________
报告日期:________年_________月________日
《土木工程测量》实验任务书
实验一:水准仪的认识与使用
一、目的与要求
1.认识水准仪的基本结构,了解其主要部件的名称及作用;
2.练习水准仪的安置、瞄准与读数;
3.练习用水准仪读水准尺的方法及计算两点间高差的方法;
4.考虑到仪器数量和实验情况,一般安排一组/4人,观测、记录计算、立尺工
作可轮换操作。
二、计划与仪器准备
1.实验学时:2学时
2.主要设备:水准仪1台
三角架1副
水准尺(塔尺)2把
尺垫2块(如有必要的话)
记录板1块
太阳伞1把
三、实验步骤
1.安置仪器:
安置仪器于两测点之间。
将三脚架平稳张开,使其高度适当,三角承台
大致水平。
然后开箱取出仪器,将其与脚架连接螺旋牢固连接;
2.认识仪器各部件,并了解其功能和使用方法:
准星和照门;目镜调焦螺旋;物镜调焦螺旋;水平微动螺旋;脚螺旋;
圆水准器等等;
3.粗略整平:
先用双手同时向内(或向外)旋转同一对脚螺旋,使圆水准器泡移动到
中间,再转动另一只脚螺旋使气泡居中。
若一次不能居中,可反复进行。
旋转螺旋时应注意气泡移动的方向与左手大拇指或右手食指运动方向一
致;
4.瞄准:
转动目镜调焦螺旋,使十字丝分划清晰;转动仪器,用准星和照门瞄准
水准尺旋;转动微动螺旋,使水准尺位于视场中央;转动物镜调焦螺旋,
使水准尺清晰,注意消除视差;
5.读数:
用十字丝横丝在水准尺上读取四位数字,读数时应从小往大读,m、dm、
cm、mm的次序,一次报出四位读数。
四、实验报告要求
1.每位同学独立完成各自的实验报告;
2.实验报告的填写要求字迹工整、清晰,不得涂改。
如果发生书写错误,请用
双实线段将错误之处划去,并在其边上将正确的文字或者数字补上;
3.各组长将本组组员的实验报告收齐后附在本任务书后,统一上交给指导老
师。
五、注意事项
1.以组为单位依次领取实验仪器,组长应指派专人负责清点数量和名称是否符
合要求,检查仪器是否有损坏之处(外观、部件等);一旦领取后,借出的仪器将被视为性能完好;
2.归还仪器时,应按照领取时的状况归还实验室。
如发现仪器损坏、丢失,将
会追究该组责任。
情况严重的,将可能承担支付维修费用或者赔偿损失的经济责任;
3.三脚架安置高度适当,承台大致水平。
三脚架确实安置稳妥后,才能把仪器
连接于承台,水准仪与三角架之间的中心连接螺旋必须旋紧,防止仪器摔落;
4.调节各种螺旋均应有轻重感, 仪器操作时不应用力过猛,脚螺旋、水平微动
螺旋等均有一定的调节范围,使用时不宜旋到顶端;
5.掌握正确的操作方法,操作应轮流进行,每人操作一次,严禁几人同时操作
仪器。
第二人开始练习时,改变一下仪器的高度。
竖立水准尺与A点上,用望远镜瞄准A点上的水准尺,精平后读取后视读数,并记入手薄;再将水准尺立于B点上,瞄准B点上的水准尺,精平后读取前视读数,并记入手薄。
计算A,B两点的高差H
= 后视读数—前视读数;
AB
6.改变仪高,由第二人做一遍,并检查与第一人所测结果是否相同;
7.读数前水准管气泡必须居中,读数后一定要检查气泡是否居中,若不居中则
必须重新读取读数;
8.认真学习“测量实验须知”;
9.实习区域:以中心广场为主。
六、预备知识(请按照要求完成下列题目)
1.请在图2(a)和(b)中画出脚螺旋转动后,圆水准气泡的移动方向。
(a) (b)
图2
2.图3(a)中水准尺的读数是 mm, (a)中水准尺的读数是 mm。
(a) (b)
图3
3.眼睛在目镜端上下移动,有时可看见十字丝的中丝与水准尺影像之间相对移
动,这种现象叫视差,下列图4中没有视差。
(a) (b)
图4
4.望远镜的视准轴是。
A、目镜光心与物镜光心的连线
B、十字丝交点与物镜中心的连线
C、十字丝交点与物镜光心的连线
D、目镜中心与物镜中心的连线
5.应用水准仪时,使圆水准器和水准管气泡居中,作用是分别达到。
A、视线水平和竖轴铅直
B、精确水平和粗略水平
C、竖轴铅直和视线水平
D、粗略水平和横丝水平
6.水准测量当后视读数为1.223米,前视读数为1.974米,则两点的高差为。
A、0.751米
B、-0.751米
C、3.198米
D、-3.198米
7.水准计算(两次仪器高法)
8.思考题
1)简述水准仪的操作步骤(从开箱取出水准仪开始到把仪器放回箱内)。
2)如何迅速使圆水准器气泡居中。
3)水准仪上的圆水准器和管水准器各起什么作用?
4)水准仪上有哪几条轴线?各轴线间应满足什么条件?5)水准测量中什么叫后视点、后视尺、后视读数?
6)水准测量时为什么要求前、后视距相等?
7)如何消除视差。
实验二 水准仪的认识和使用
1. 水准仪主要操作部件的认识
(a) (b) 图 1
序号
操作部件
作 用
1
2
3
4
5
6
7
1
3
2
6
4
5
7
2.水准测量手簿
组号仪器编号测区:天气:
日期:年月日测量时间:自:测至:。