2、栽植前场地清理检验批质量验收记录
- 格式:xls
- 大小:24.00 KB
- 文档页数:1
地被种植检验批质量验收记录项目名称:地被种植检验批质量验收工程编号:xxxxxx验收单位:xxxxx验收日期:xxxx年xx月xx日一、项目概况本项目为地被种植工程,工程规模约xxx平方米。
主要目的是改善工地固土性能,防止水土流失,美化环境,提升工地整体形象。
二、检验依据1.《地被种植工程技术规范》2.《园林绿化工程施工及验收规范》三、质量验收内容及标准1.品种选择及配比合理;2.种子质量符合要求,标明品种、产地、包装日期等信息;3.土壤质地应符合要求,不得含有大量杂质,且有适宜的肥力;4.种植工艺操作规范;5.施工验收合格后,地被种植面应均匀一致,颜色与品种要求一致;6.生长状况良好,无病虫害。
四、质量验收过程及结果1.施工单位提供了相关的种子购进、土壤检测等相关材料2.检验人员按照规范要求,对种子质量、土壤质地等进行了检查,并选择了一些样本进行实验室检测;3.检验人员进行了种植工艺操作规范的检查,对施工过程进行了目测;4.进行了施工验收,对地被种植面进行了颜色一致性的检查,生长状况良好。
五、质量验收结论本次地被种植检验批质量验收符合规范要求,达到预期效果。
1.运用适宜的土壤种植技术,改善了地被的固土性能;2.种子质量良好,成活率高;3.地被种植面颜色均一,符合品种要求;4.植株生长状况良好,无病虫害。
六、存在的问题及改进措施1.验收过程中未发现重大质量问题,但需要注意维护管理工作,定期浇水和施肥;2.应加强对施工单位的监督和管理,确保施工人员按照技术规范进行操作;七、质量验收意见对本次地被种植工程的质量验收结果表示满意,并同意通过验收。
验收单位(盖章):验收人:。
种植场地清理工程质量验收记录一、项目概况:项目名称:种植场地清理工程项目地点:__________项目总承包单位:__________设计单位:__________施工单位:__________监理单位:__________验收时间:__________二、验收内容:1.清理工作范围:本次清理工程的范围包括草地修剪、树木修剪、杂草清理、垃圾清除等。
2.主要材料和设备:清理过程中所使用的主要材料和设备有草坪修剪机、园林剪刀、垃圾清理车辆等。
三、质量验收项目及结果:1.清理过程及方法:根据设计要求,清理工作按照以下步骤进行:(1)对草地进行修剪,保持整洁美观;(2)对树木进行修剪,保证枝叶整齐、分布均匀;(3)对杂草进行清除,不留下根系;(4)清理垃圾,包括树枝、落叶、纸屑、石头等;(5)对场地进行彻底打扫,保持整洁。
2.质量验收结果:本次清理工程经过验收,质量合格,验收各项指标都符合设计要求。
清理过程中,施工单位认真负责,设备操作得当,完成了清理工作。
四、质量问题及处理情况:经过验收,发现以下质量问题及处理情况:1.杂草清除不彻底:发现在部分地方,清理杂草的工作不够彻底,还有一些残留的根系没有清除干净。
为了解决这个问题,施工单位将补充对这些地方进行细致清理,确保彻底清除。
五、其他事项:1.清理项目完工后,需要及时对工地进行管理和维护,确保清理效果的持久性。
2.清理工程的验收合格后,施工单位负责整理验收材料,归档保存,作为以后类似项目的参考和借鉴。
六、总结:本次清理工程的质量验收工作顺利完成,各项工作符合设计要求,施工单位按照要求进行了清理工作。
在后续管理和维护中,需要由相关单位负责,确保场地的整洁和美观。
同时,施工单位要对工作中发现的不足进行总结和反思,做到问题不重复出现,提高工作质量。
七、本次验收记录评定结果:经过综合评定,本次清理工程的质量验收结果评定为合格。
验收人员签字:__________日期:__________。
栽植土回填及地形检验批质量验收记录一、项目概况:项目名称:栽植土回填及地形检验批质量验收项目地点:xxx地区项目施工单位:xxx公司监理单位:xxx公司监理工程师:xxx二、工程内容:本次工程为栽植土回填及地形检验批质量验收工程。
主要包括以下内容:1.施工过程中的栽植土回填工作;2.地形检验批质量验收;3.其他相关工作。
三、施工过程记录:1.施工过程中,施工人员按照设计要求对场地进行了栽植土回填工作。
回填材料选用了符合规定标准的栽植土,并在回填过程中进行了夯实,保证了回填土的密实程度。
2.施工过程中,根据监理工程师的要求,施工人员进行了现场清理工作,保持了良好的环境卫生。
3.根据施工进度,施工人员合理安排了物料的运输和使用,确保了栽植土回填工程的顺利进行。
四、地形检验批质量验收记录:1.在栽植土回填工作完成后,监理工程师进行了地形检验批质量验收。
验收包括地形平整度、坡度、坡向等方面的检验。
2.检验过程中,监理工程师使用了专业地形检测工具,对场地的地形进行了详细检测,确保地形符合设计要求。
3.检验结果显示,地形平整度、坡度、坡向等指标均符合设计要求,质量达到验收标准。
五、质量验收结果:经过栽植土回填及地形检验批质量验收,工程质量达到预期要求,现场没有出现明显的质量问题。
根据实际情况,决定以下工程质量验收结果:1.通过验收;2.未发现重大质量缺陷。
六、问题及处理:在栽植土回填及地形检验批质量验收过程中,未发现明显的质量问题,因此没有需要处理的问题。
七、建议:根据本次工程的施工经验和质量验收结果,对后续类似工程提出以下建议:1.在施工过程中,严格按照设计要求进行栽植土的回填工作,确保回填土材料的质量和夯实程度;2.现场保持整洁,做好环境卫生工作,确保施工安全和效率;3.合理安排物料的运输和使用,确保工程进度的顺利进行。
八、总结:本次栽植土回填及地形检验批质量验收工程顺利完成,质量达到预期要求。
通过本次工程,我们深刻认识到了严格按照设计要求进行施工的重要性。
栽植土检验批质量验收记录
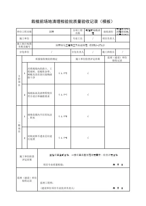
栽植前场地清理检验批质量验收记录
栽植土回填及地形造型检验批质量验收记录
栽植土施肥和表层整理检验批质量验收记录
栽植穴〔槽〕检验批质量验收记录
植物材料检验批质量验收记录
植物材料检验批质量验收记录
植物材料检验批质量验收记录
苗木运输和假植检验批质量验收记录
浇灌水检验批质量验收记录
支撑检验批质量验收记录
大树挖掘包装检验批质量验收记录
大树吊运运输检验批质量验收记录
大树栽植检验批质量验收记录
草坪和草本地被分栽检验批质量验收记录
铺设草地及草卷检验批质量验收记录
草坪及草本地被播种检验批质量验收记录
花卉栽植检验批质量验收记录
施工期植物养护检验批质量验收记录
碎拼花岗岩面层检验批质量验收记录
座椅〔凳〕标牌、果皮箱安装检验批质量验收记录
园林护栏检验批质量验收记录
喷灌喷头安装检验批质量验收记录。
栽植基础工程分部工程验收记录栽植土分项工程质量验收记录表栽植土报验申请表栽植土检验批质量验收记录栽植前场地清理分项工程质量验收记录表栽植前场地清理报验申请表栽植前场地清理检验批质量验收记录栽植土施肥和表层整理分项工程质量验收记录表栽植土施肥和表层整理报验申请表栽植土施肥和表层整理检验批质量验收记录栽植工程分部工程验收记录栽植穴(槽)施工分项工程质量验收记录表栽植穴(槽)报验申请表栽植穴(槽)检验批质量验收记录植物材料分项工程质量验收记录表植物材料报验申请表植物材料检验批质量验收记录植物材料报验申请表植物材料检验批质量验收记录树木栽植分项工程质量验收记录表树木栽植报验申请表树木栽植检验批质量验收记录铺设草坪报验申请表铺设草地及草卷检验批质量验收记录栽植基础工程分部工程验收记录支撑分项工程质量验收记录表支撑报验申请表支撑检验批质量验收记录浇灌水分项工程质量验收记录表浇灌水报验申请表浇灌水检验批质量验收记录施工期植物养护报验申请表施工期植物养护检验批质量验收记录景观石分项工程质量验收记录景观石报验申请表景观石、叠石检验批质量验收记录工程名称国投·西城首府绿化带升级景观工程分项工程名称景观石项目经理张中州施工单位四川元丰建设项目管理有限公司验收内容景观石施工执行标准名称及编号专业工长(施工员)分包单位分包项目经理施工班长质量验收规范的规定施工单位自检记录监理(建设)单位验收记录主控项目1 符合(6.5.13)要求符合要求2 临路侧的岩面应圆润(6.5.14) 符合要求3 结构和使用安全必须符合要求(6.5.15) 符合要求4一般项目1 山势和造型应符合要求(6.5.18)2 石块缝隙施工应符合要求(6.5.22)3 块面重量的比例应符合要求(6.5.24)4叠石堆置走向及嵌缝应符合要求(6.5.26)5施工单位检查结果评定项目专业性项目专业质量检查员:技术负责人:年月日监理(建设)单位验收结论专业监理工程师:(建设单位项目专业技术负责人)年月日。
01栽植基础工程栽植土报审表后附检验批质量验收记录施工检查记录照片客土500m³、2000㎡为一个检验批,查5点;500m³、2000㎡以下查3点。
原状土在同一区域2000m㎡为一个检验批,查点;2000m㎡以下查3点。
栽植基质200m³为一个检验批,查5袋;200m³以下查3袋。
栽植前场地清理报审表后附检验批质量验收记录施工检查记录照片2000㎡查3处,不足1000㎡查不少于1处。
栽植土回填及地形造型报审表后附检验批质量验收记录施工检查记录照片1000㎡查3处,不足1000㎡查不少于1处。
栽植土施肥和表层整理栽植报审表后附检验批质量验收记录施工检查记录照片1000㎡查3处,不足1000㎡查不少于1处。
02栽植工程栽植穴(槽)报审表后附检验批质量验收记录施工检查记录隐蔽工程检查记录表照片100个穴检查20个,不足20个全数检查。
植物材料报审表后附检验批质量验收记录苗木进场记录植物检疫证照片(植物材料外观:乔木灌木:100株查10株,每株为一点,少于20株全数检查;草卷、草块、草束:按面积抽查10%,4㎡为一点,不少于5点;≤30㎡应全数检查;花卉、地被、绿篱及模纹色块植物:按数量抽查10%,10株为一点,不少于5点;≤50株应全数检查;整型景观树:全数检查。
)(植物材料规格:乔木、灌木:100株检查10株,每株一点,少于20株全数检查;球类苗木、藤本:100株检查10株,每株一点,少于20株全数检查。
)苗木运输报审表后附检验批质量验收记录照片每车按20%的苗株进行检查。
苗木修剪报审表后附检验批质量验收记录施工检查记录照片每100株检查10株,不足20株全数检查。
树木栽植报审表后附检验批质量验收记录施工检查记录照片每100株检查10株,不足20株全数检查;成活率全数检查。
草坪播种报审表后附检验批质量验收记录施工检查记录照片草坪和草本地被分栽报审表后附检验批质量验收记录施工检查记录照片花卉栽植报审表后附检验批质量验收记录施工检查记录照片500㎡检查3处,4㎡为一点;不足500㎡检查不少于2处。
表C.0.1 栽植土检验批质量验收记录
表C.0.1栽植前场地清理检验批质量验收记录
表C.0.1栽植土回填及地形造型检验批质量验收记录
表C.0.1栽植土施肥和表层整理检验批质量验收记录
表C.0.1栽植穴(槽)检验批质量验收记录
表C.0.1苗木运输和假植检验批质量验收记录
表C.0.1浇灌水检验批质量验收记录
表C.0.1支撑检验批质量验收记录
表C.0.1大树挖掘包装检验批质量验收记录
表C.0.1大树吊运运输检验批质量验收记录
表C.0.1大树栽植检验批质量验收记录
表C.0.1草坪和草本地被分栽检验批质量验收记录
表C.0.1铺设草地及草卷检验批质量验收记录
表C.0.1花卉栽植检验批质量验收记录
表C.0.1施工期植物养护检验批质量验收记录
表C.0.1碎拼花岗岩面层检验批质量验收记录
表C.0.1卵石面层检验批质量验收记录
表C.0.1侧石安装检验批质量验收记录
表C.0.1座椅(凳)标牌、果皮箱安装检验批质量验收记录
表C.0.1园林护栏检验批质量验收记录
表C.0.1喷灌喷头安装检验批质量验收记录。
栽植土检验批质量验收记录栽植前场地清理检验批质量验收记录栽植土回填及地形造型检验批质量验收记录栽植土施肥和表层整理检验批质量验收记录栽植穴(槽)检验批质量验收记录植物材料检验批质量验收记录表C.0.1 检验批质量验收记录植物材料检验批质量验收记录植物材料检验批质量验收记录植物材料检验批质量验收记录苗木运输和假植检验批质量验收记录苗木修剪检验批质量验收记录树木栽植检验批质量验收记录浇灌水检验批质量验收记录支撑检验批质量验收记录大树挖掘包装检验批质量验收记录大树吊运运输检验批质量验收记录大树栽植检验批质量验收记录草坪和草本地被分栽检验批质量验收记录铺设草地及草卷铺设草地及草卷检验批质量验收记录花卉栽植检验批质量验收记录施工期植物养护检验批质量验收记录卵石面层检验批质量验收记录座椅(凳)标牌、果皮箱安装检验批质量验收记录园林护栏检验批质量验收记录喷灌喷头安装检验批质量验收记录主控项目1管网应在安装完成试压合格并进行冲洗后,方可安装喷头,喷头规格和射程应符合设计要求,洒水均匀,并符合设计的景观艺术效果。
5.4.3条第1款2喷头定位应准确,埋地喷头的安装应符合设计和地形的要求。
5.4.3条第3款一般项目1绿地喷灌工程应符合安全使用要求,喷洒到道路上的喷头应进行调整。
5.4.3条第2款2喷头高低应根据苗木要求调整,各接头无渗漏,各喷头达到工作压力。
5.4.3条第4款施工单位检查结果结果项目专业质量检查员:年月日监理(建设)单位验收记录监理工程师:(建设单位项目专业技术负责人)年月日目录A1 施工现场质量管理检查记录A2施工组织设计报审表A3进场设备报验单A4 施工技术方案报审表A5 施工测量放线报验单A6 施工进度计划报审表A7 施工单位现场施工管理技术人员登记表A7-1 施工单位现场施工管理技术人员登记表A1编号:施工现场质量管理检查记录开工日期:工程名称施工许可证号建设单位项目负责人设计单位项目负责人监理单位总监理工程师施工单位项目经理项目技术负责人序号项目主要内容1 现场质量管理制度2 质量责任制3 主要专业工种操作上岗证书4 分包方资质与对分包单位的管理制度5 施工图审查情况6 地质勘察资料7 施工组织设计、施工方案及审批8 施工技术标准9 工程质量检验制度10 搅拌站及计量设置11 现场材料、设备存放与管理1213检查结论:总监理工程师:(建设单位项目负责人)年月日编号:施工组织设计报审表工程名称致监理单位:现报上工程的施工组织设计,请予以审核。
栽植土检验批质量验收记录
栽植前场地清理检验批质量验收记录
栽植土回填及地形造型检验批质量验收记录
栽植土施肥和表层整理检验批质量验收记录
栽植穴(槽)检验批质量验收记录
苗木运输和
苗木运输和假植检验批质量验收记录
浇灌水检验批质量验收记录
支撑检验批质量验收记录
大树挖掘包装检验批质量验收记录
大树吊运运输检验批质量验收记录
大树栽植检验批质量验收记录
草坪和草本地被分栽检验批质量验收记录
铺设草地及草卷
铺设草地及草卷检验批质量验收记录
花卉栽植检验批质量验收记录
施工期植物养护检验批质量验收记录
碎拼花岗岩面层检验批质量验收记录
卵石面层检验批质量验收记录
花岗岩面层检验批质量验收记录
透水砖面层检验批质量验收记录
侧石安装检验批质量验收记录
座椅(凳)标牌、果皮箱安装检验批质量验收记录
园林护栏检验批质量验收记录
喷灌喷头安装检验批质量验收记录。
树木栽植检验批质量验收记录日期:____年____月____日栽植地点:_______验收单位:_______施工单位:_______检验单位:_______一、栽植前准备1.栽植点的准备:检查栽植点的土壤是否平整,是否有杂草和垃圾,是否有可能影响树木生长的其他障碍物。
2.树木的质量:检查树木的整体状态,如树冠是否充实,枝叶是否繁茂,根系是否完整和健康。
树木的扦插生长是否良好,是否有明显的倒伏、干枯和病虫害等情况。
3.运输和保存:检查树木的运输和保存过程,包括运输手段和运输时间,保存条件和保存方式等。
确认运输和保存过程是否符合树木的要求,避免对树木造成损害。
二、栽植过程1.树坑的准备:检查树坑的大小和深度是否符合树木的要求。
树坑底部是否有排水设施和排水沟,以确保树木生长环境湿润但不过湿。
2.根系的处理:检查根系的修剪情况,确保根系整齐划一、有序,并且没有受损。
根系的处理方式应符合树木的生长特点和规范要求。
3.栽植方式:检查栽植方式是否正确,包括栽植角度、栽植深度和填土方法等。
确认树木栽植后是否能够稳定生长,避免栽植时的不规范操作导致树木倒伏或生长不良。
4.树木稳固:检查树木的支撑方式和支撑材料是否牢固可靠。
支撑方式应适应树木的生长情况,并且要确保树木在成长过程中能够保持稳定。
三、栽植后管理1.浇水:检查浇水的频率和浇水量是否符合树木的生长需求。
浇水过程中要注意避免积水和浸泡树木的根部,以免造成根系腐烂和生长不良。
2.施肥:检查施肥的方法和施肥剂的类型是否符合树木的养分需求。
施肥过程中要注意避免过量施肥和肥料的直接接触根系,以免造成根系烧伤和生长不良。
3.病虫害防治:检查病虫害防治的措施和效果。
确认是否采取了合适的病虫害防治方法,以避免树木因病虫害而受损。
四、质量验收结论根据以上检验内容和结果,结合相关栽植规范和标准,得出栽植批次的质量验收结论。
栽植批次合格□不合格□不合格情况说明:_____________质量验收人:_______职称:_______。
绿地现场清理检验批质量验收记录一、前言为确保绿地建设的质量和效果,提高环境美化水平,保护生态环境,对绿地现场清理进行质量验收是必不可少的环节。
本文档旨在记录绿地现场清理检验批的质量验收情况,以便对绿地清理工作进行评估和改进。
二、验收内容1. 清理范围:绿地区域内的杂草、垃圾、残枝败叶等杂物的清理工作。
2. 清理方法:人工清理、机械清理等。
3. 清理要求:彻底、干净、整齐。
三、验收标准1. 清理效果:清理后绿地面积100%干净,没有杂草、垃圾及残枝败叶。
2. 清理范围:清理范围内没有遗漏或疏漏。
3. 清理方式:采用机械清理的地方,机械设备清理完毕,不再有残余杂物。
四、验收过程1. 验收时间:2022年5月1日上午9点。
2. 验收人员:甲方代表、总包方代表、监理工程师。
3. 验收步骤:(1) 甲方代表向现场负责人了解清理范围、清理方法和清理要求等情况。
(2) 按照现场负责人提供的清理范围图,甲方代表在现场逐一查看,记录清理过程中发现的问题。
(3) 总包方代表解释清理过程中遇到的困难和处理措施。
(4) 验收人员对清理效果进行综合评估,制定改进措施和建议。
五、验收结果1. 验收情况汇总:(1) 清理效果:经过综合评估,绿地清理效果达到了预期要求,绿地面积100%干净,没有杂草、垃圾及残枝败叶。
(2) 清理范围:未发现清理范围内的遗漏或疏漏。
(3) 清理方式:机械清理的地方,机械设备清理完毕,没有残余杂物。
2. 改进措施和建议:(1) 加强现场清理工作的监督管理,确保清理工作的彻底性和细致性。
(2) 完善清理工作的记录和整理,便于今后对绿地清理工作进行追溯和评估。
六、总结通过本次绿地现场清理检验批的质量验收,我们对绿地清理工作进行了全面的评估和改进。
通过严格遵守验收标准和要求,绿地清理工作取得了良好的效果。
我们将进一步加强对绿地建设的监督和管理,为城市的美化和生态环境的保护做出更大的贡献。
地被种植检验批质量验收记录文稿地被种植是城市绿化和园林建设中的重要环节,其质量验收记录文稿是对地被种植工程进行检验批质量验收的重要步骤。
下面是一份地被种植质量验收记录文稿,供参考。
一、工程名称:XX城市公园地被种植工程二、工程地点:XX市XX区XX公园三、施工单位:XX绿化工程有限公司四、质量验收时间:20XX年XX月XX日五、参与验收人员:总监理工程师、总监理员、设计师、业主代表、施工单位代表六、检验项目及结果:1.地被种植材料的质量和数量:检查地被种植材料的购买凭证和包装情况,与合同要求相符。
检验了XX袋地被种植土,质量合格,数量符合要求。
2.地被种植区域的平整度:检查了地被种植区域的平整度,包括地表是否平坦、无明显凹凸等问题。
经过测量和实地查看,地表平整度满足合同要求。
3.地被种植区域的大小:根据设计图纸和测量结果,地被种植区域大小符合合同要求。
4.地被种植材料的正确性:验证地被种植材料是否符合设计要求,包括种植土的质量和配方。
经品质抽检,种植土质量合格,配方符合要求。
5.地被种植材料的种植密度:经过实地检查和抽查,地被种植区域的种植密度符合合同要求。
七、存在的问题及处理意见:1.地被种植区域存在少量杂草:建议施工单位进行杂草清除,确保地被种植区域的整洁。
2.地被种植材料保护不够:要求施工单位加强地被种植材料的保护工作,防止损坏和污染。
八、验收结论:经过检验,XX城市公园地被种植工程的质量符合合同要求,可以进行下一步工程。
九、质量验收人员签字:总监理工程师:总监理员:设计师:业主代表:施工单位代表:以上是一份地被种植检验批质量验收记录文稿的主要内容,根据实际情况进行适当调整。
质量验收记录文稿的编写要详细、准确,确保记录的可操作性和有效性,以保证地被种植工程的质量达到要求。