工装工程验收表格
- 格式:docx
- 大小:33.08 KB
- 文档页数:8
装修工程竣工验收表日期:________年____月____日项目名称:_______工程地址:_______装修单位:_______总包单位:_______验收人员:_______1. 工程概况描述工程的整体情况,包括工程的规模、工程周期、工程造价等。
2. 施工质量在这一部分,对装修工程的施工质量进行综合评估,包括但不限于以下几个方面:2.1 工程材料描述使用的工程材料的品牌、型号以及质量情况。
2.2 墙面、天花板和地板对墙面、天花板和地板进行检查,包括平整度、表面涂料质量以及安装质量。
2.3 门窗检查门窗的安装质量,包括尺寸准确性、密封性能以及开启和关闭是否顺畅。
2.4 电气设备检查电气设备的安装质量,包括线路布局是否合理、开关插座是否正常工作以及接地是否良好。
2.5 厨房和卫生间设施检查厨房和卫生间设施的安装质量,包括水管和排水管道是否畅通、水龙头和淋浴是否正常工作等。
3. 安全和环保在这一部分,对装修工程的安全性和环保性进行评估。
3.1 火灾安全检查消防设施的设置情况,包括灭火器的位置和数量是否符合要求。
3.2 电气安全检查电气设备的安全性能,包括插座是否有漏电保护装置、开关箱是否有过载保护装置等。
3.3 环保材料评估使用的材料是否符合国家环保标准,是否对人体健康有害。
4. 完工验收在这一部分,对装修工程的竣工验收进行总结。
4.1 问题列表列出工程中存在的问题,包括施工质量问题、安全隐患问题以及环保问题等。
4.2 整改措施针对存在的问题,提出整改措施,并确定整改责任单位和整改期限。
4.3 竣工验收结论根据实际情况,对工程进行评价,以确定是否合格竣工。
5. 验收人员意见验收人员根据实际工程情况,提出对该装修工程竣工验收的意见和建议。
6. 相关附件列出附件的名称和数量,例如材料清单、构造图纸等。
7. 签字装修单位代表:_______总包单位代表:_______验收人员代表:_______8. 备注在这一部分,可以添加一些备注信息,如该工程中的特殊情况、重点关注的问题等。
工程竣工验收条件检查
注:由建设单位填写。
工程开工报告
单位(子单位)工程竣工报告(竣工申请书)
木门窗制作工程检验批质量验收记录表(一)
轻质隔墙龙骨隐蔽检查记录
骨架隔墙工程检验批质量验收记录
GB50210-2001
活动隔墙工程检验批质量验收记录表
饰面板砖分项工程质量验收记录
饰面板安装工程检验批质量验收记录表(一)
GB50210-2001
饰面板安装工程检验批质量验收记录表(二)
GB50210-2001
饰面砖粘贴工程检验批质量验收记录表
GB50202-2002
涂饰分项工程质量验收记录
水性涂料涂饰工程检验批质量验收记录表
水性涂料涂饰工程检验批质量验收记录表
溶剂型涂料涂饰工程检验批质量验收记录表
分部(子分部)工程质量验收记录
给排水分项工程质量验收记录
电气配管线隐蔽检查记录
电线、电缆穿管和线槽敷线检验批质量验收记录表
GB50303-2002
电线导管、电缆导管和线槽敷线检验批质量验收记录表
GB50303-2002
(Ⅰ)室内
电线导管、电缆导管和线槽敷线检验批质量验收记录表
GB50303-2002
(Ⅰ)室内。
巧木匠装饰
装饰工程验收表
客户:联系:
工程地址:
项目负责人:联系:
巧木匠装饰工程
客户授权施工责任书
甲方(客户):
乙方:巧木匠装饰工程
甲方在__________________________________工程中,委托乙方
施工:
1.拆除部分:
2.开关、插座和灯位(墙、顶面开槽走线):
开关:墙面移动□墙面增加□其他:
_________________
插座:墙面移动□墙面增加□其他:
_________________
灯位:墙面移动□墙面增加□顶部移动□顶
部增加□
其他:________________________
3.水工、水料:
墙面开槽走水管:厨房□卫生间□其
他:_________________
其他:_________________________
以上项目甲方已在有关部门办理完许可证,特此授权乙方开
始施工,由此产生的相关责任有甲方承担。
甲方代表签字:乙方代表签字(盖章):
年月日年月日
进场材料检验记录单
进场材料检验记录单
编号:
进场材料检验记录单
水电工程验收单
客户:工程地址:合同编号:
防水验收单客户:合同编号:
防水验收单
客户:合同编号:
隐蔽工程验收单
客户:工程地址:合同号:
隐蔽工程验收单
客户:工程地址:合同号:
吊顶工程验收单
墙面涂饰工程验收单客户:合同编号:
饰面砖及石材验收单客户:合同编号:
竣工验收单合同编号:。
一般抹灰工程检验批质量验收记录(GB50210-2001)表4.2 编号:030201010705□□□工程名称分项工程名称项目经理施工单位验收部位施工执行标准名称及编号专业工长(施工员)分包单位分包项目经理施工班组长质量验收规范的规定施工单位自检记录监理(建设)单位验收记录主控项目1 基层处理 4.2.2 基层表面的尘土、污垢、油渍等应清除干净,并洒水润湿2 材料要求 4.2.3 所用材料的品种和性能应符合设计要求3 加强措施 4.2.4 抹灰总厚度大于或等于35mm时,采取钢丝网加强措施4 面层粘结要求 4.2.5粘结牢固,抹灰层应无脱层、空鼓,面层应无爆灰和裂缝一般项目1表面质量普通抹灰 4.2.6(1) 表面光滑、洁净、接槎平整,分格缝应清晰高级抹灰 4.2.6(2) 表面应光滑、洁净、颜色均匀、无抹纹,分格缝和灰线应清晰美观2护角、孔洞、槽、盒周围抹灰质量 4.2.7护角、孔洞、槽、盒周围的抹灰表面整齐、光滑3 抹灰层要求 4.2.8 总厚度应符合设计要求;水泥砂浆不得抹在石灰砂浆层上;4 分格缝设置 4.2.9 符合设计要求,宽度和深度应均匀,表面应光滑,棱角应整齐5 滴水线(槽)设置 4.2.10 整齐顺直,滴水线应内高外低,滴水槽的宽度和深度均不应小于10mm6允许偏差mm立面垂直度高级抹灰 3普通抹灰 4表面平整度高级抹灰 3普通抹灰 4阴阳角方正高级抹灰 3普通抹灰 4分格条(缝)直线度高级抹灰 3普通抹灰 4墙裙、勒脚上口直线度高级抹灰 3普通抹灰 4施工操作依据质量检查记录施工单位检查结果评定项目专业项目专业质量检查员:技术负责人:年月日监理(建设)单位验收结论专业监理工程师:(建设单位项目专业技术负责人)年月日030201010705□□□说明强制性条文3.3.5 施工单位应遵守有关环境保护的法律法规,并应采取有效措施控制施工现场的各种粉尘、废气、废弃物、噪声、振动等对周围环境造成的污染和危害。
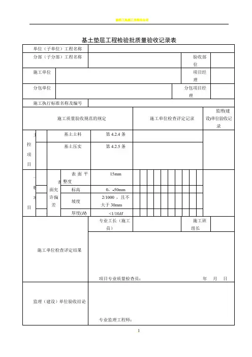
灰土垫层工程检验批质量验收记录表砂垫层和砂石垫层工程检验批质量验收记录表碎石垫层和碎砖垫层工程检验批质量验收记录表三合土垫层工程检验批质量验收记录表炉渣垫层工程检验批质量验收记录表水泥混凝土垫层工程检验批质量验收记录表找平层工程检验批质量验收记录表编号施工质量验收规范的规定施工单位检查评定记录监理(建设)单位验收记录主控项目1材料质量第4.9.6条2配合比或强度等级设计要求3有防水要求套管地漏第4.9.8条一般项目1找平层与下层结合结合牢固无空鼓2找平层表面质量第4.9.10条3表面平整度、标高用胶粘剂做结合层,铺设拼花木板、塑料板、复合板、竹地板面层表面平整度2mm标高±4mm 用沥青玛脂做结合层铺拼花木板,板块面层及毛地板铺木地板表面平整度3mm标高±5mm 用水泥砂浆做结合层,铺板块面层,其他种类面层表面平整度5mm标高±8mm 4坡度2/1000且不大于30mm5厚度(H)<1/10H施工单位检查评定结果专业工长(施工员)施工班组长`项目专业质量检查员:年月日监理(建设)单位验收结论专业监理工程师:(建设单位项目专业技术负责人):年月日隔离层工程检验批质量验收记录表填充层工程检验批质量验收记录表水泥混凝土面层工程检验批质量验收记录表水泥砂浆面层工程检验批质量验收记录表水磨石面层检验批质量验收记录表水泥钢(铁)屑面层工程检验批质量验收记录表防油渗面层工程检验批质量验收记录表不发火(防爆)面层工程检验批质量验收记录表砖面层工程检验批质量验收记录表大理石和花岗石面层工程检验批质量验收记录表预制板块面层工程检验批质量验收记录表料石面层工程检验批质量验收记录表塑料板面层工程检验批质量验收记录表活动地板面层工程检验批质量验收记录表地毯面层工程检验批质量验收记录表实木地板面层工程检验批质量验收记录表实木复合地板面层工程检验批质量验收记录表建筑工地施工员聘用合同中密度(强化)复合地板面层工程检验批质量验收记录表竹地板面层工程检验批质量验收记录表芙蓉江浩口水电站工程一般抹灰工程检验批质量验收记录表承建单位:中国水利水电第十四工程局有限公司合同编号:YHSD/SG001-2013 №芙蓉江浩口水电站工程装饰抹灰工程检验批质量验收记录表承建单位:中国水利水电第十四工程局有限公司合同编号:YHSD/SG001-2013 №清水砌体勾缝工程检验批质量验收记录表木门窗制作工程检验批质量验收记录表木门窗安装工程检验批质量验收记录表金属门窗安装工程检验批质量验收记录表(钢门窗)金属门窗安装工程检验批质量验收记录表(铝合金门窗)金属门窗安装工程检验批质量验收记录表(涂色镀锌钢板门窗)塑料门窗安装工程检验批质量验收记录表特种门安装工程检验批质量验收记录表门窗玻璃安装工程检验批质量验收记录表。
工程名称:______________________ 工程地点:______________________ 业主单位:______________________ 监理单位:______________________ 施工单位:______________________ 验收日期:______________________一、基本情况1. 工程项目简介:1.1 工程名称:1.2 工程地点:1.3 工程类型:1.4 施工单位:1.5 监理单位:1.6 项目负责人:2. 工程施工内容:2.1 土建工程:2.2 结构工程:2.3 安装工程:2.4 装饰装修工程:3. 工程验收标准:3.1 施工图纸要求:3.2 施工质量要求:3.3 安全生产要求:3.4 环保要求:1. 施工准备:1.1 施工前临时施工文件审查: 1.2 施工现场平整程度:1.3 施工仓库及设备准备情况:2. 土建工程:2.1 基础工程施工过程检查:2.2 主体结构施工过程检查:2.3 外墙及屋面施工过程检查:3. 结构工程:3.1 钢结构施工过程检查:3.2 混凝土结构施工过程检查:3.3 预应力构件施工过程检查:4. 安装工程:4.1 电气安装过程检查:4.2 暖通空调安装过程检查:4.3 给排水安装过程检查:5. 装饰装修工程:5.1 室内装修工程过程检查:5.2 室外装修工程过程检查:5.3 建筑装饰装修工程过程检查:三、竣工验收1. 工程材料:1.1 砂石水泥等原材料验收记录: 1.2 各种构件板材验收记录:2.2.1 土建工程验收记录:2.2 结构工程验收记录:2.3 安装工程验收记录:2.4 装饰装修工程验收记录:3. 工程安全:3.1 安全生产验收记录:3.2 安全防护设施验收记录:3.3 作业人员安全培训记录:4. 环保验收:4.1 工地环境保护验收记录:4.2 垃圾处理及回收验收记录:四、责任分工1. 业主单位:1.1 验收结果评审:1.2 签订竣工验收意见书:2. 监理单位:2.1 监督施工合规验收:2.2 签订竣工验收意见书:3. 施工单位:3.1 提供竣工验收资料:3.2 接受业主监理单位验收结论:五、其他1. 其他相关事项:2. 备注:日后查阅。
水道改造序号项目1安装水管无滴漏2改造水管安装坚固、周正3阀门、龙头坚固、开启灵巧、通畅4接头连结紧配,不一样意用填补料5水管安装不得凑近电源,与燃气管间隔许多于50 ㎜6接好以后沙灰抹平不松动电路改造7按要求用线8电源线应穿管铺设9使用软管接到灯位的,其长度不超出 1 米10导线、电话线、闭路线、通讯线不得安装同一管道内11管内导线不得接头和扭结12 导线与燃气管之间的距离,同一平面100 ㎜,不一样平面50㎜13 电气开关接头与燃气管距离150 ㎜14照明、插座、空调、计算机、电热器分路出线返工项目实时限:查收结果备注优秀合格返工返工结果:施工单位署名:监理建议:年月日年月日客户姓名:工程地点:合同编号:客户:合同编号:吊顶封面板前项目检验标准查收结果备注优秀合格返工木龙骨防火防火漆一遍坚固性连结件坚固、无松动龙骨安装主龙骨无显然曲折,次龙骨连结处无错位电源线明管穿线,不得穿裸线安装灯具大于 3 公斤的灯具或饰品应与承重构造直接连结坚固吊顶封面板同意误差(㎜)后石膏金属板PVC表面平坦≦ 3.0≦ 2.0≦ 2.0接缝平直≦ 3.0≦ 1.5≦ 3.0吊顶标高+5.0+5.0+5.0外观成效无污染、折裂、缺棱、掉角、锤伤、无漏、无锈、无翘返工项目实时限:返工结果:监理署名:施工单位署名:年月日年月日细木匠制品查收单客户:合同编号:项目同意误差(㎜)查收结果备注优秀合格返工框与扇接触面平坦≦ 2.0框与扇、扇与扇空隙阴阳角方正度≦ 2.0出入水管转弯处、阀门安装处应留有足够暖的检修空间气制作安装坚固罩台面能否固定承重构造上张口处固边实木收口棕眼刮平、补色、木纹清楚平坦光滑清大面无皱皮,次要面显然处无皱纹表油颜色基本一致,无刷纹、流坠无漏涮、起皮、花纹面涂无刮痕漆平坦圆滑,颜色平均一致,刷纹通混顺分色线、装修线误差≦ 2 ㎜油无透底、流坠大面无皱皮,次要面显然处无皱皮返工项目实时限:返工结果:监理署名:施工单位署名:年月日年月日墙面涂饰工程查收单客户:合同编号:验收结果项目允许偏差备注优秀合格返工表面平坦度≦4.0 ㎜立面垂直度≦5.0 ㎜阴阳垂直度≦4.0 ㎜阴阳方正度≦4.0 ㎜表面干净、无爆灰和裂纹接槎平顺、线角顺直、粘贴坚固、无脱层墙面、顶面平坦,无起粉、掉皮、漏涮现象无显然色差、泛碱、返色、刷纹无显然沙眼、流坠、伤痕、溅沫返工项目实时限:返工结果:监理署名:施工单位署名:年月年月日日饰面砖及石材查收单客户:合同编号:石材同意误差㎜面砖同意误差㎜查收结果备注项目光面麻面优合格返工良1表面平坦≦ 1.0≦ 1.5≦ 1.02主面垂直度≦ 2.0≦ 3.0≦ 2.03阴阳角方正≦ 2.0≦ 3.0≦ 2.04接缝高低≦ 0.5≦ 1.0≦ 0.55接缝平直≦ 1.0≦ 2.0≦ 1.06接缝宽度≦ 0.5≦ 1.0≦ 0.57粘贴坚固、无漏贴、错贴8整砖套割符合,边沿整齐9空隙平均,顺直10无裂纹,掉角缺愣,整齐干净11颜色一致12边角空鼓不超出整体的3%13对花拼接正确14地平平坦不柔软,标号不可以过高,上水后能把水吸走返工项目实时限:返工结果:监理署名:施工单位署名:年月日年月日完工查收单合同编号:客户工程地点合同金额设计师督查员工长查收项目查收结果优秀合格墙、顶面涂料(或壁纸 )天花吊顶 (含顶角线 )地面工程细木匠制品门、门套、窗套瓦工项目水电及安装项目整体查收结果优秀()合格()甲方代表署名:设计师署名:监理署名:施工单位署名:年月日年月日年月日年月日。
专业监理工程师:(建设单位项目专业技术负责人):年月日单位(子单位)工程名称分部(子分部)工程名称验收部位施工单位项目经理分包单位分包项目经理施工执行标准名称及编号施工质量验收规范的规定施工单位检查评定记录监理(建设)单位验收记录主控项目1 材料质量第4.9.6条2 配合比或强度等级设计要求3 有防水要求套管地漏第4.9.8条一般项目1 找平层与下层结合结合牢固无空鼓2 找平层表面质量第4.9.10条3表面平整度、标高用胶粘剂做结合层,铺设拼花木板、塑料板、复合板、竹地板面层表面平整度2mm标高±4mm 用沥青玛脂做结合层铺拼花木板,板块面层及毛地板铺木地板表面平整度3mm标高±5mm 用水泥砂浆做结合层,铺板块面层,其他种类面层表面平整度5mm标高±8mm 4 坡度2/1000且不大于30mm5厚度(H)<1/10H施工单位检查评定结果专业工长(施工员)施工班组长`项目专业质量检查员:年月日监理(建设)单位验收结论水泥钢(铁)屑面层工程检验批质量验收记录表芙蓉江浩口水电站工程一般抹灰工程检验批质量验收记录表承建单位:中国水利水电第十四工程局有限公司合同编号:YHSD/SG001-2013 №芙蓉江浩口水电站工程装饰抹灰工程检验批质量验收记录表承建单位:中国水利水电第十四工程局有限公司合同编号:YHSD/SG001-2013 №清水砌体勾缝工程检验批质量验收记录表金属门窗安装工程检验批质量验收记录表金属门窗安装工程检验批质量验收记录表金属门窗安装工程检验批质量验收记录表玻璃幕墙工程检验批质量验收记录表玻璃幕墙工程检验批质量验收记录表(一般项目)金属幕墙工程检验批质量验收记录表。
贵州巧木匠装饰装饰工程验收表客户姓名:联系电话:工程地址:项目负责人:联系电话:贵州巧木匠装饰工程有限公司客户授权施工责任书甲方(客户):乙方:贵州巧木匠装饰工程有限公司甲方在 __________________________________工程中 , 委托乙方施工:1.拆除部分 :2.开关、插座和灯位 ( 墙、顶面开槽走线 ) :开关:墙面移动□墙面增加□其他:_________________插座:墙面移动□墙面增加□其他:_________________灯位 : 墙面移动□墙面增加□顶部移动□顶部增加□其他 :________________________3.水工、水料:墙面开槽走水管:厨房□卫生间□其他 :_________________其他 :_________________________以上项目甲方已在有关部门办理完许可证, 特此授权乙方开始施工 , 由此产生的相关责任有甲方承担。
甲方代表签字:乙方代表签字(盖章):年月日年月日编号:客户姓名(甲方):工程地址:第一次进场材料:内容及规格注:记录主要材料工长:验第一次进场材料验收:收意见客户:日期:内第二次进场材料:容及规注:记录主要材料工长:格验第二次进场材料验收:收意见客户:日期:编号:客户姓名(甲方):工程地址:第三次进场材料:内容及规格注:记录主要材料工长:验第三次进场材料验收:收意见客户:日期:内第四次进场材料:容及规注:记录主要材料工长:格验第四次进场材料验收:收意见客户:日期:编号:客户姓名(甲方):工程地址:第五次进场材料:内容及规格注:记录主要材料工长:验第五次进场材料验收:收意见客户:日期:内第六次进场材料:容及规注:记录主要材料工长:格验第六次进场材料验收:收意见客户:日期:水电工程验收单客户姓名:工程地址:合同编号:水路改造序验收结果号项目优良合格备注返工1安装水管无滴漏2改造水管安装牢固3阀门、龙头牢固、开启灵活、畅通4接头连接紧配,不允许用填充料5水管安装不得靠近电源,与燃气管间隔不少于50 ㎜6冷热水管间距不少于30 ㎜电路改造7接线分色,红、黄、绿为火线,蓝为零线,双色为地线8电源线应穿管铺设9使用软管接到灯位的,其长度不超过 2 米10导线、电话线、闭路线、通信线不得安装同一管道内11管内导线不得接头和扭结12 导线与燃气管之间的距离,同一平面100 ㎜,不同平面50㎜13 电气开关接头与燃气管距离150 ㎜14照明、插座、空调、计算机、电热器分路出线返工项目及时限:返工结果:施工单位签字:监理意见:年月日年月日防水验收单客户:合同编号:厨房()主卫生间 ()次卫生间 ()其它房间()闭水试验:开始时间:年月日验收时间:年月日检验结果:合格()不合格()防水材料是否为环保基础装饰材料:是□否□甲方代表签字:监理签字 :施工单位签字::日期:日期:日期:防水验收单客户:合同编号:厨房()主卫生间 ()次卫生间 ()其它房间()闭水试验:开始时间:年月日验收时间:年月日检验结果:合格()不合格()防水材料是否为环保基础装饰材料:是□否□甲方代表签字:监理签字 :施工单位签字::日期:日期:日期:客户姓名:工程地址:合同号:项目验收结果验收内容优良合格不合格 ( 原因、责任人及处理意见 )水项目电项目吊顶项目水路试压电路测试甲方代表签字:监理签字:施工单位签字:年月日年月日年月日隐蔽工程验收单客户姓名:工程地址:合同号:项目验收结果验收内容优良合格不合格 ( 原因、责任人及处理意见 )水项目电项目吊顶项目水路试压电路测试甲方代表签字:监理签字:施工单位签字:年月日年月日年月日客户:合同编号:吊顶封面板前验收结果项目检验标准备注优良合格返工牢固性连接件牢固、无松动龙骨安装主龙骨无明显弯曲,次龙骨连接处无错位电源线明管穿线,不得穿裸线安装灯具大于 3 公斤的灯具或饰品应与承重结构直接连接牢固允许偏差吊顶封面板后石膏金属板PVC表面平整≦ 3.0≦ 2.0≦ 2.0接缝平直≦ 3.0≦ 1.5≦ 3.0吊顶标高+5.0+5.0+5.0外观效果无污染、折裂、缺棱、掉角、锤伤、无漏、无锈、无翘防锈处理镀锌锣钉,钉眼防锈处理返工项目及时限:返工结果:监理签字:施工单位签字:年月日年月日墙面涂饰工程验收单客户:合同编号:验收结果项目允许偏差备注优良合格返工表面平整度≦ 4.0立面垂直度≦ 5.0阴阳垂直度≦ 4.0阴阳方正度≦ 4.0表面洁净、无爆灰和裂纹接槎平顺、线角顺直、粘贴牢固、无脱层墙面、顶面平整,无起粉、掉皮、漏涮现象无明显色差、泛碱、返色、刷纹无明显沙眼、流坠、伤痕、溅沫返工项目及时限:返工结果:监理签字:施工单位签字:年月日年月日饰面砖及石材验收单客户:合同编号:石材允许偏差面砖允许偏差验收结果备注项目光面麻面优良合格返工1表面平整≦ 1.0≦ 1.5≦ 1.02主面垂直度≦ 2.0≦ 3.0≦ 2.03阴阳角方正≦ 2.0≦ 3.0≦ 2.04接缝高低≦ 0.5≦ 1.0≦ 0.55接缝平直≦ 1.0≦ 2.0≦ 1.06接缝宽度≦ 0.5≦ 1.0≦ 0.57粘贴牢固、无漏贴、错贴8整砖套割吻合,边缘齐整9缝隙均匀,顺直10无裂纹,掉角缺愣,整齐洁净11颜色一致12边角空鼓不超过总体的3%13对花拼接正确返工项目及时限:返工结果:监理签字:施工单位签字:年月日年月日竣工验收单合同编号:客户工程地址合同金额设计师监察员工长验收项目验收结果优良合格墙、顶面涂料( 或壁纸 )天花吊顶 ( 含顶角线 )地面工程细木工制品门、门套、窗套瓦工项目水电及安装项目整体验收结果优良()合格()甲方代表签字:监理签字:监理签字:施工单位签字:年月日年月日年月日年月日欢迎您的下载,资料仅供参考!致力为企业和个人提供合同协议,策划案计划书,学习资料等等打造全网一站式需求。
灰土垫层工程检验批质量验收记录表砂垫层和砂石垫层工程检验批质量验收记录表碎石垫层和碎砖垫层工程检验批质量验收记录表三合土垫层工程检验批质量验收记录表炉渣垫层工程检验批质量验收记录表水泥混凝土垫层工程检验批质量验收记录表找平层工程检验批质量验收记录表单位(子单位)工程名称分部(子分部)工程名称验收部位施工单位项目经理分包单位分包项目经理施工执行标准名称及编号施工质量验收规范的规定施工单位检查评定记录监理(建设)单位验收记录主控项目1材料质量第4.9.6条2配合比或强度等级设计要求3有防水要求套管地漏第4.9.8条一般项目1找平层与下层结合结合牢固无空鼓2找平层表面质量第4.9.10条3表面平整度、标高用胶粘剂做结合层,铺设拼花木板、塑料板、复合板、竹地板面层表面平整度2mm标高±4mm 用沥青玛脂做结合层铺拼花木板,板块面层及毛地板铺木地板表面平整度3mm标高±5mm 用水泥砂浆做结合层,铺板块面层,其他种类面层表面平整度5mm标高±8mm 4坡度2/1000且不大于30mm5厚度(H)<1/10H隔离层工程检验批质量验收记录表填充层工程检验批质量验收记录表水泥混凝土面层工程检验批质量验收记录表水泥砂浆面层工程检验批质量验收记录表水磨石面层检验批质量验收记录表水泥钢(铁)屑面层工程检验批质量验收记录表防油渗面层工程检验批质量验收记录表不发火(防爆)面层工程检验批质量验收记录表砖面层工程检验批质量验收记录表大理石和花岗石面层工程检验批质量验收记录表预制板块面层工程检验批质量验收记录表料石面层工程检验批质量验收记录表塑料板面层工程检验批质量验收记录表活动地板面层工程检验批质量验收记录表地毯面层工程检验批质量验收记录表实木地板面层工程检验批质量验收记录表实木复合地板面层工程检验批质量验收记录表中密度(强化)复合地板面层工程检验批质量验收记录表竹地板面层工程检验批质量验收记录表芙蓉江浩口水电站工程一般抹灰工程检验批质量验收记录表承建单位:中国水利水电第十四工程局有限公司合同编号:YHSD/SG001-2013 №芙蓉江浩口水电站工程装饰抹灰工程检验批质量验收记录表承建单位:中国水利水电第十四工程局有限公司合同编号:YHSD/SG001-2013 №清水砌体勾缝工程检验批质量验收记录表木门窗制作工程检验批质量验收记录表木门窗安装工程检验批质量验收记录表金属门窗安装工程检验批质量验收记录表(钢门窗)金属门窗安装工程检验批质量验收记录表(铝合金门窗)。
工装工程验收表格全集文档(可以直接使用,可编辑实用优质文档,欢迎下载)水电工程验收单客户姓名:工程地址:合同编号:吊顶工程验收单客户:合同编号:细木工制品验收单客户:合同编号:墙面涂饰工程验收单客户:合同编号:饰面砖及石材验收单客户:合同编号:竣工验收单合同编号:单位(子单位)工程质量竣工验收记录单位(子单位)工程安全、功能和景观检验资料核查及主要工程抽查记录注:抽查项目有验收组协商确定苗木规格抽查记录绿化成活率抽查记录园路广场工程单位(子单位)工程质量检查记录假山叠石工程单位(子单位)工程感官质量检查记录给排水及喷管工程单位(子单位)工程观感质量检查记录园林建筑工程单位(子单位)工程观感质量检查记录园林雕刻、雕塑工程单位(子单位)工程观感质量检查记录园林供电照明工程单位(子单位)工程观感质量检查记录喷泉、喷灌调试记录原料、构配件、设备进场验收记录注:1、设备指工程自身使用的设备。
2、主要材料、半成品、成品、构配件、器具和设备进场验收填写表。
3、重要建筑材料应进行复检。
4、批量:每次提交验收的实际数量。
植物材料进场记录(通用)草坪类植物进场记录种籽类植物材料进场记录隐蔽工程施工质量验收记录园林绿化施工记录(通用)园林绿化工程植物种植定位记录园林绿化工程整地施工记录喷泉水池人工湖工程单位(子单位)工程观感质量检查记录绿化工程单位(子单位)工程观感质量检查记录单位(子单位)工程质量控制资料核查记录基础结构工程验收结论基础结构验收组成员名单工程名称:验收时间:2021年月日基础结构验收会议纪要基础结构工程验收签到表工程名称:验收时间:2021年月日主体结构工程验收结论主体结构验收组成员名单工程名称:验收时间:2021年月日主体结构验收会议纪要主体结构工程验收签到表工程名称:验收时间:2021 年月日。