啤酒废水工艺
- 格式:pdf
- 大小:2.02 MB
- 文档页数:61
啤酒废水的主要特点是BOD5CODCr值高,有害无毒,可生化性好,所以生化法是啤酒废水处理的首选方法。
生化法依据污水净化原理可分为好氧和厌氧法两大类,好氧法、厌氧法以及和其他方法的不同组合就形成了多种啤酒废水的治理技术。
烟台金正环保科技有限公司专家介绍:国内外啤酒废水处理广泛采用生化处理工艺,其中有厌氧生物处理,好氧生物处理(生物膜法),厌氧与好氧联合生物处理方法。
1、好氧处理——生物膜法
生物膜法是使微生物群体依附在其它物体表面而呈膜状,并让废水与它接触后得到净化的方法。
根据生物膜与废水接触方式的不同,分为生物滤池法,生物转盘法及接触氧化法。
2、厌氧法
一般认为,厌氧生物处理技术的反应器主体经历了3个时代。
传统厌氧发酵工艺(第一代反应器,以厌氧消化池为代表)因需要较高的温度,较长的停留时间,且处理效能低而被逐渐淘汰。
目前以上流式厌氧污泥床(UASB)为代表的第二代反应器和以厌氧颗粒污泥膨胀床(EGSB)和厌氧内循环反应器(IC)为代表的反应器已被广泛引入到啤酒废水
处理工程应用中,并取得了良好的效果。
3、厌氧-好氧法
单纯的好氧工艺耗能太高,产污泥量大;厌氧工艺省能产能,有效去除有机物,出水离达标还有一定差距。
厌氧-好氧串联工艺综合两者的优点,成为目前啤酒废水处理技术选择的方向。
摘要八十年代以来,我国啤酒工业得到迅速发展。
1988年全国有啤酒厂800多家,年产啤酒663万t,位居世界第三;到1998年啤酒厂到达1000多家,年产啤酒1987万t,成为世界第二啤酒生产大国。
伴随人民生活水平旳提高,我国啤酒消费量急剧增大,从1996年至2023年,全国啤酒总产量分别为1631.76万吨,1866.53万吨、1987.61万吨、2088.40万吨、2231.32万吨和2274万吨,年平均增长速度约7%,估计到2023年全国啤酒总产量达2600万吨,超过美国,居世界第一位。
本文首先对啤酒废水旳来源分类、废水水质特性进行了简介,并简介了目前国内外对啤酒废水处理旳工艺,同步也对各类处理工艺辅以实例,最终对国内外研究趋势作简朴旳总结1 序言伴随经济旳发展,在啤酒产量大幅提高旳同步问题也伴随而来,我国啤酒厂旳吨酒耗水量较大,据记录,生产It啤酒产生废水为10~30t(因不一样企业不一样酒类而有所不一样),废水排放量靠近于耗水量旳90%若单以2023年,每吨啤酒耗水20吨计算,当年共排放废水量约4.1亿吨,可见啤酒行业排放废水量之巨大。
啤酒废水具有较高浓度旳有机物,如未经处理直接排入自然水体后,在自然降解旳过程中使水中旳微生物大量繁殖,从而消耗了自然水体中旳溶解氧,导致水体缺氧,最终导致水质发黑变臭,严重污染环境。
2 啤酒生产废水来源、分类及特性图2-1啤酒生产工艺流程以及废水排放源2.1啤酒企业旳废水重要来源①麦芽生产过程中旳洗麦、浸麦、发芽降温和多种洗涤水;②糖化过程旳糖化、过滤和洗涤水;③发酵过程旳发酵罐和过滤器洗涤水;④罐装过程洗瓶、灭菌及破瓶啤酒;⑤冷却水和成品车问洗涤水〕2.2啤酒废水旳分类按有机物含量划分,啤酒废水可分为三类①清洁废水:冷冻机、麦汁、发酵等旳冷却水及洗瓶机旳冲洗水等,是可以回收运用旳清洁水;②清洗废水:生产装置旳清洗水、发酵车间旳漂洗酵母水、灌装车间旳洗瓶水等,具有不定量旳有机物和无机物;③含渣废水:灌装车间旳有机废水以及无机物废水;按生产工序划分,啤酒废水可分为三类:①冷却水,约占总水量旳70%,可再运用旳清洁水;②酉良造测洗废水:约占总量旳5%~6%,属高浓度有机废水;③洗瓶“冲洗”杀菌水:约占总量旳20 %2.3啤酒废水旳水质特性啤酒工业废水旳详细特性有如下5点:①啤酒工业耗水量大,并且随生产工艺、生产水平等有差异;②啤酒废水旳来源具有复杂性以及多样性旳特点;③排放旳水量大,有机物浓度高,色度较深,悬浮固体含量高,水质变化较大。
啤酒废水处理工程技术方案啤酒废水属于中等浓度有机废水。
啤酒废水主要来源于啤酒生产工艺中的洗麦、发酵、糖化、洗瓶等过程。
废水中的固形物主要为麦糟、废酵母等;溶解性物质主要为多糖、醇类等有机物。
废水组成分为清洁废水、低浓度废水和高浓度废水:清洁废水包括锅炉蒸汽冷凝水、制冷循环用外排水、给水厂反冲洗水等,约占总废水量的20%;低浓度废水包括酿造车间和包装车间地面冲洗水,洗瓶机、灭菌机废水及生活污水。
该废水COD为100-700mg/L,水量约占总水量的70%;高浓度废水包括滤过洗槽废水、糖化锅、糊化锅冲洗水,贮酒罐前期冲洗水,滤过废藻土泥冲洗水,废酵母、酵母压缩机冲洗水,水量约占总水量的10%。
一般CODcr为1500~2500mg/L, BOD5 为1000~1500mg/L,BOD5 /CODcr的比值为0.5-0.6,表明其可生化性较好,污染物中的有机物容易降解。
因此,国内外对啤酒废水一般均采用生物处理方法,其处理工艺有以下3种。
①调节水解酸化+SBR工艺;②调节水解酸化+接触氧化工艺;③UASB工艺+好氧工艺。
上述3种处理工艺技术上都是可行的,处理后的水质都能够达到国家要求的排放标准。
一、建设规模日产污水量每天为3300m3,设计处理量140 m3/h。
二、设计水质指标(1) 原水水质指标CODcr 1500—2000mg/L SS 300—460mg/LBOD5 800-1200mg/L(2) 处理后要求达到的水质指标CODcr ≤100mg/L SS ≤70mg/LBOD5 ≤20mg/L三、设计处理工艺流程工艺流程图。
四、各处理单元工艺简介1.格栅初沉池格栅主要拦截废水中较大漂浮物,沉降废水中的悬浮物(如酒糟、啤酒花及凝聚蛋白)、细小的麦糟和酵母,在进入调节池前分离去除,避免悬浮物在沉淀池、生物接触氧化池中积累,防止超量的悬浮物对已形成的颗粒污泥床的冲击,以保护设备的正常运行,减少后续处理单元负荷。
啤酒生产废水的处理技术一、啤酒废水的来源与特点啤酒的酿造方法随啤酒的种类而异,但其工艺一般都可分为制麦芽、糖化、发酵、包装四大工序。
废水的主要来源有:麦芽生产过程的洗麦水、浸麦水,发芽降温喷雾水、麦糟水、洗涤水,凝固物洗涤水;糖化过程的糖化、过滤洗涤水;发酵过程的发酵罐洗涤水、过滤洗涤水;罐装过程洗瓶、灭菌及冷却水和成品车间洗涤水;以及来自办公楼、食堂、宿舍和浴室的生活污水。
由于废水成分较复杂,如果只作简单的混合处理,势必会因负荷高而耗费较多的投资及运行费用,所以应采取综合利用和治理污染相结合的对策,收回有较高价值的副产品来降低处理成本,真正达到社会效益、环境效益与经济效益的统一。
综上可见,啤酒废水的主要特点之一是BOD / COD 值高,可生化性好,有利于生化处理;同时,生化处理与普通物化法、化学法相比较,其处理工艺比较成熟,处理效率高,处理成本低。
因此国内外一般采用以生化处理为主,辅以物化处理的工艺技术,出水可达到国家排放标准。
二、啤酒生产废水的处理技术1.好氧生物处理技术。
好氧生物处理是指在氧气充足的条件下,利用好氧微生物的生命活动氧化啤酒废水中的有机物,其产物有二氧化碳、水及能量。
啤酒废水处理主要采用好氧处理技术,根据微生物生长状态,好氧处理可分为悬浮态-活性污泥法和附着态-生物膜法两大类。
(1)活性污泥法。
活性污泥法于1914 年由英国人Ardernh 和Lockett 次实验成功,是一种传统的废水处理方法,在中低浓度污染物有机废水处理中,是使用*多、运行可靠、*为成熟的方法。
在啤酒废水处理中应用较多的活性污泥法有序批式活性污泥法(SBR)、高浓度活性污泥法、循环式活性污泥法(CASS)、氧化沟活性污泥法等。
SBR 是序批式活性污泥法(Sequencing BatchReactor,SBR)的简称,是20 世纪70 年代由Zrvine 等研究出来的方法。
湖南湘潭大学于1989 年完成了应用SBR 工艺处理啤酒废水的中试工作。
啤酒废水的处理工艺一、前言啤酒废水是指啤酒生产过程中产生的含有大量有机物、氮、磷等污染物的废水。
由于其污染物浓度高、难以降解,处理难度较大。
本文将介绍一种针对啤酒废水的处理工艺。
二、工艺流程1. 初级处理:物理沉淀法首先,将啤酒废水进入初级沉淀池进行初步处理。
在初级沉淀池中,通过重力作用,将废水中的固体颗粒沉淀到底部。
经过初级处理后,去除了大部分悬浮固体和部分溶解性有机物。
2. 中级处理:生化法在初级处理之后,将经过初步净化的废水送入生化反应池进行中级处理。
在反应池内加入活性污泥和空气,通过好氧发酵作用使有机物得到充分降解,并转化为CO2和H2O等无害物质。
3. 高级处理:深度过滤法经过前两个阶段的处理后,虽然已经去除了大部分有害成分,但仍存在少量难以降解的有机物和微生物。
因此,需要进行高级处理。
在高级处理中,采用深度过滤法,通过过滤器将废水中的残余有机物和微生物去除。
4. 消毒处理:紫外线消毒法经过前三个阶段的处理后,废水已经达到国家排放标准。
但为了确保出水质量,还需要进行消毒处理。
在消毒环节中,采用紫外线消毒法对废水进行杀菌。
5. 出水处理:再生利用最后,在完成废水的全部处理后,可以将出水送入再生利用系统中进行再利用。
对于啤酒厂来说,可以将经过处理的废水作为冲洗设备和清洁地面等方面的用途。
三、设备介绍1. 初级沉淀池:初级沉淀池是一种简单的工艺设备,主要由进口管、出口管、污泥收集器、泥浆排放管等组成。
2. 生化反应池:生化反应池主要由进口管、出口管、曝气装置、搅拌器等组成。
3. 过滤器:过滤器是一种重要的高级处理设备。
常见的过滤器有砂滤器、活性炭过滤器等。
4. 紫外线消毒器:紫外线消毒器是一种高效的消毒设备,其主要由紫外灯管、反应室、进出水管道等组成。
四、总结啤酒废水的处理工艺需要经过初级处理、中级处理、高级处理和消毒处理四个阶段。
其中初级处理采用物理沉淀法,中级处理采用生化法,高级处理采用深度过滤法,消毒处理采用紫外线消毒法。
啤酒废水处理技术
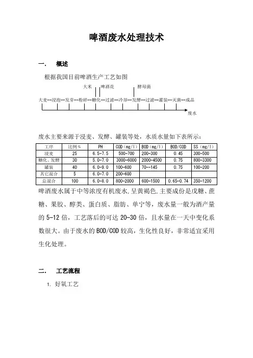
一.概述
根据我国目前啤酒生产工艺如图
大米啤酒花酵母菌
大麦--浸泡--发芽--粉碎--糖化--过滤--冷却--发酵--过滤--灌装--灭菌--成品
废水主要来源于浸麦、发酵、罐装等处,水质水量如下表所示:
啤酒废水属于中等浓度有机废水,呈黄褐色,主要成份是戊糖、蔗糖、果胶、醇类、蛋白质、脂肪、单宁等,废水量一般为酒产量的5—12倍,工艺落后的可达20—30倍,且水量在一天中变化系数很大。
由于废水的BOD/COD较高,生化性良好,非常适宜采用生化处理。
二.工艺流程
1.好氧工艺
该工艺特点:技术成熟可靠,出水一次达标,一次性投资小,但运行时动力消耗较大,污泥产量较高。
适用于水量较大,COD≤1800mg/l较低的废水处理。
2.厌氧+好氧工艺
该工艺特点:动力消耗小,运行成本低,污泥产量小,可以回收沼气;缺点是一次性投资大,污泥培养和驯化时间长,调试周
期长。
一次出水不能达标,必须串接好氧处理工艺。
适用于原水水量较小,COD≥2000mg/l的废水处理。
五种啤酒废水处理工艺及浅析更新时间:3-1 11:43 作者: 朱月海概述80年代以来,我国啤酒工业得到迅速发展,到目前我国啤酒生产厂已有800多家,据1996年统计我国啤酒产量达1 650万t,既成为世界啤酒生产大国,又成为较高浓度有机物污染大户,啤酒废水的排放和对环境的污染已成为突出问题,引起了各有关部门的重视。
啤酒废水的主要成分和来源是:制麦、糖化、果胶、发酵(残渣)、蛋白化合物,包装车间等有机物和少量无机盐类。
其水质及变幅范围一般为:pH=5.5~7.0(显微酸性),水温为20~25℃,CODCr=1200~2300mg/L, BOD5=700~1400mg/L, SS=300~600mg/L,TN=30~70mg/L。
水量为每生产1t啤酒废水排放量为10~20m3,平均约15m3,目前全国啤酒废水年排放量在2.5亿m3以上。
“七五”以来,我国对啤酒废水的处理工艺和技术进行了大量的研究和探索,特别是轻工业系统的设计院和科研单位,对啤酒废水的处理进行了各方面的试验、研究和实践,取得了行之有效的成功经验,逐渐形成了以生化为主、生化与物化相结合的处理工艺。
生化法中常用的有活性污泥法、生物膜 法、厌氧 与好氧相结合法、水解酸化与SBR相组合等各种处理工艺。
这些处理方法与工艺各有其特点和不足之处,但各自都有较为成功的经验。
目前还有不少新的处理方法和工艺优化组合正在试验和研究,有的已取得了理想的成效,不久将应用于实践中。
啤酒废水的主要特点之一是BOD5/CODCr值高,一般在50%及以上,非常有利于生化处理,同时生化处理与普通物化法、化学法相比较:一是处理工艺比较成熟;二是处理效率高,CODCr、BOD5去除率高,一般可达80%~90%以上;三是处理成本低(运行费用省)。
因此生物处理在啤酒废水处理中,得到了充分重视和广泛采用。
现把目前啤酒废水处理中相对比较成熟的生物处理工艺,进行一些阐述和比较。
1处理工艺1.1处理工艺方案1(见图1)图1 处理工艺方案1该处理工艺是轻工部设计院为代表的推荐采用方案,河南开封啤酒厂、青岛湖岛啤酒厂、厦门冷冻厂啤酒厂等均采用此处理工艺流程,处理后均达标排放。
啤酒废水处理工艺
1、啤酒废水水质分析:
啤酒废水中的主要成分有糖类、醇类、氨基酸、维生素、蛋白化合物及包装车间有机物和少量无机盐等。
其BOD5/COD Cr值较大,废水COD浓度高,废水的水质随生产的变化波动较大。
2、处理工艺:
针对啤酒废水水质特点,在污水处理过程中多采用“UASB—SBR”工艺,这里采用新型工艺“UASB—CASS”法处理,其优点是传统工艺所无可比拟的。
对于生产啤酒时所用原料不同,其废水处理工艺也有所不同,其中有“CSTR—SBR”、“UASB—曝气沉淀池”“水解酸化—好氧池”“水解酸化—UASB—SBR”等处理工艺。
UASB:UASB反应器是目前应用较多的新型污水厌氧生物处理工艺,其具有较高的处理能力和处理效率,并实现了一体化,并且构造简单巧妙,污泥颗粒化后,反应器不利条件的冲击能力增强,同时对各类废水有很大的适应能力,同时能耗低产泥量少。
CASS:CASS反应器是在SBR的基础上发展而来,其具有工艺流程简单,占地面积小,节省投资,生化反应推动力大,沉淀效果好,不易发生污泥膨胀,运行灵活,抗冲击能力强,适用范围广,剩余污泥量小,自动化程度高,维修方便。
3、工艺流程简图:
4、工艺主体反应示意图UASB反应器运行示意图:
CASS反应器运行示意图:。
啤酒废水处理工艺流程图啤酒废水是指啤酒生产过程中所产生的含有大量有机物质、有机酸、糖类、蛋白质、氮、磷等物质的废水。
如果直接排放到环境中,会对水体造成严重的污染。
因此,处理啤酒废水是一项非常重要的环保工作。
下面是一种常见的啤酒废水处理工艺流程图。
工艺一:物理处理物理处理是啤酒废水处理的第一步,主要是通过使用一系列的物理方法来去除废水中的固体颗粒和悬浮物。
具体步骤如下:1. 筛网过滤:将废水经过筛网,去除较大的固体颗粒和悬浮物。
2. 沉淀池:将筛网过滤后的废水放入沉淀池中,在静置的过程中,固体颗粒和悬浮物会沉淀到底部。
3. 污泥处理:将沉淀池中的底泥抽取出来,进行干化处理或者进一步处理。
工艺二:生化处理生化处理是啤酒废水处理的第二步,主要是通过利用微生物来分解有机物,达到去除COD(化学需氧量)和BOD(生化需氧量)的效果。
具体步骤如下:1. 活性污泥法:将经过物理处理的废水加入到活性污泥池中,利用其中的微生物分解有机物。
废水在活性污泥池中停留一段时间后,再进入沉淀池。
2. 好氧处理:将废水通过好氧处理,利用氧气氧化有机物,进一步去除COD和BOD。
3. 厌氧处理:将经过好氧处理后的废水进一步进入厌氧处理,通过微生物的作用将有机物进一步降解。
工艺三:二次沉淀经过生化处理后的废水需要进一步进行沉淀处理,以去除水中残留的悬浮物和微生物,具体步骤如下:1. 一次沉淀池:将废水加入一次沉淀池中,通过静置,使固体颗粒和悬浮物沉淀到底部。
2. 二次沉淀池:将沉淀池中的上清液再次进入二次沉淀池,进行进一步的沉淀处理。
3. 澄清池:将经过二次沉淀的废水放入澄清池中,使污泥进一步沉降,并将清水从上部取出。
工艺四:消毒处理经过生化处理和沉淀处理后的废水中可能还存在一些细菌和病原体,需要进行消毒处理,以杀灭废水中的有害微生物。
常用的消毒方法有氯消毒、臭氧消毒和紫外线消毒。
工艺五:后续处理经过消毒处理后的废水可以通过重金属吸附、活性炭吸附等方法进一步处理,以去除残留的有机物和重金属。
厌氧-好氧工艺处理啤酒废水的工艺探究摘要啤酒废水是一种常见的工业废水,含有高浓度的有机物和氨氮等污染物,对环境造成严峻影响。
本文对厌氧-好氧工艺处理啤酒废水进行了探究。
试验结果表明,厌氧-好氧工艺能够有效去除啤酒废水中的有机物和氨氮等污染物,处理后的水质达到国家排放标准。
同时,本文还对工艺参数进行了优化和分析,提出了进一步改进工艺的建议。
一、引言啤酒是一种广泛消费的饮品,啤酒生产过程中产生的废水含有大量的有机物和氨氮等污染物,对环境造成严峻影响。
目前,国内外探究者对啤酒废水的处理技术进行了广泛探究,厌氧-好氧工艺是一种常用的处理方法。
二、厌氧-好氧工艺概述厌氧-好氧工艺是将废水先进入厌氧池进行去除有机物的厌氧处理,然后再进入好氧池进行氧化处理。
厌氧池中,废水中的有机物通过厌氧菌的作用发酵分解,产生甲烷等可燃性气体;好氧池中,废水中的有机物被好氧菌氧化分解,同时产生二氧化碳和水。
三、试验方法本文接受自制的试验装置对啤酒废水进行处理。
试验设备包括厌氧池、好氧池、曝气系统、测量和控制系统等。
试验过程中,记录了进水COD浓度、氨氮浓度、污泥浓度等参数,并进行了相应的水质分析。
四、试验结果分析试验结果表明,厌氧-好氧工艺能够有效去除啤酒废水中的有机物和氨氮等污染物。
经过处理后,出水COD浓度和氨氮浓度均符合国家排放标准。
此外,试验还发现,厌氧池的温度、进水COD浓度和曝气量等参数对处理效果有一定的影响。
五、工艺参数优化为了进一步提高处理效果,本文对工艺参数进行了优化。
通过调整温度、进水COD浓度和曝气量等参数,找到了最佳的处理条件。
试验结果表明,在温度为35℃,进水COD浓度为1000mg/L,曝气量为0.5L/min的条件下,厌氧-好氧工艺能够达到最佳处理效果。
六、工艺改进建议虽然厌氧-好氧工艺能够有效去除啤酒废水中的有机物和氨氮等污染物,但仍存在一些问题。
例如,处理过程中产生的污泥难以处理,同时处理效果还可以进一步提高。
啤酒生产的废水处理工艺啤酒生产是一个涉及多个工艺步骤和化学物质的复杂过程。
在这个过程中,会产生大量的废水,其中含有高浓度的有机物、悬浮物和其他污染物。
为了保护环境和可持续发展,啤酒生产企业需要采取有效的废水处理工艺以将废水排放达标。
本文将介绍几种常见的啤酒生产废水处理工艺。
1. 预处理啤酒生产废水预处理的目的是去除悬浮物、沉积物、油脂等。
一般采用格栅、沉砂池和沉淀池等设备进行预处理。
格栅主要用于去除大颗粒悬浮物,沉砂池用于去除较重的颗粒物质,而沉淀池用于去除悬浮物和剩余的沉积物。
2. 中间处理中间处理是对废水中的有机物进行降解和去除的过程。
其中常用的处理方法包括生物处理和化学处理。
(1)生物处理生物处理是通过利用微生物将有机物降解为无机物的过程。
常用生物处理工艺包括活性污泥法、厌氧处理和人工湿地等。
- 活性污泥法:废水通过进水口进入活性污泥池,与持有大量微生物的空气和活性污泥接触,微生物降解有机物,然后被抽出,剩余的净水再排出。
这种方法适用于高浓度有机废水处理,但需要定期维护和调整。
- 厌氧处理:废水在无氧条件下进入处理单元,微生物在缺氧条件下降解有机物,生成甲烷等化学物质。
尽管厌氧处理过程中产生的气体可以用作能源,但废水处理效果一般不如活性污泥法。
- 人工湿地:废水通过人工湿地,生物膜和植物根系可降解有机物、吸附有害物质,并增加氧气的供应。
这种方法适用于中低浓度的废水处理,但需要较大的土地面积。
(2)化学处理化学处理主要是通过添加化学药剂来改变废水的性质,使有机物和无机物沉淀或溶解,从而实现废水的处理。
常用的化学处理方法包括凝聚剂添加、调节pH值和氧化反应等。
3. 二次处理二次处理是对中间处理后产生的废水进行进一步处理,以满足国家排放标准。
常见的二次处理方法包括吸附、膜过滤、氧化和活性炭吸附等。
(1)吸附通过在废水中添加吸附剂,如活性炭等,吸附有机物和残留的化学物质,从而使废水净化。
吸附剂有选择性地吸附废水中的有机物和重金属离子,是常用于二次处理的方法之一。
酿酒废水处理技术
酿酒废水中的有机物含量高,污染物成分主要以碳水化合物为主,废水生化性较好(废水水质:COD≤2000mg/L、BOD≤800mg/L、SS≤500mg/L),同时冲洗废水水量随加工工序不同,波动较大,对处理设施具有很强的冲击性。
经过本工艺处理后出水水质可达到现行国家《污水综合排放标准》GB8978-1996中规定的一级排放要求(COD≤60mg/L、BOD≤20mg/L、氨氮≤15mg/L、SS≤20mg/L、色度≤50)。
工艺流程图:
工艺说明:
酿酒废水经过格栅除去浮渣后进入调节池,然后通过EGSB厌氧反应器去除部分COD,接着进入SBR反应器,通过调节曝气时间和间歇时间,使污水在反应池中处于交替好氧、缺氧和厌氧状态,进一步去除有机污染物质,同时实现脱氮除磷。
上清液经滗水器达标外排。
EGSB与SBR反应器所产生的污泥收集到污泥池,经过压滤机处理成滤饼后外运,所产滤液回流至调节池。
啤酒废水处理工艺啤酒是一种世界上最受欢迎的饮料之一,但是关于它产生的废水却极具环境污染性,特别是对于那些没有受到良好处理的废水。
因此,啤酒废水的治理工艺也变得至关重要。
在本篇文章中,我们将探讨啤酒废水处理工艺。
啤酒生产过程中的废水特性啤酒的生产过程不仅耗费大量的水,同时还会产生废水。
啤酒废水的主要来源包括清洗啤酒设备、渗漏外壳进入酿造区域、酿造过程中发酵废水和清洗瓶装酒的废水等。
这些废水的主要特性包括高浓度的有机物、酸碱度的变化以及高温度。
高浓度的有机物指的是废水中有机物质的浓度很高,这种物质同时也是废水中的主要污染物质。
啤酒废水含有大量的酿酒糖、蛋白质等物质,它们不仅会影响水的透明度,同时还会对环境造成损害。
酸碱度的变化通常指的是啤酒废水的pH值会因生产过程中的一些活动而不断变化。
啤酒生产过程中通常需要不同的酸碱度和pH值,这也对废水的缓冲能力和pH值产生了影响。
高温度是啤酒废水的另一种特性。
酿造过程中的高温度不仅会导致微生物的死亡,同时也会导致化学物质的分解和气体的释放。
啤酒废水处理工艺目前,有很多种不同的啤酒废水处理工艺,下面我们来了解其中几种。
1. 常规生物处理常规生物处理是一种先进的废水治理工艺,它通常包括一个活性污泥池。
这个池子中,有一些处理者加入前一天处理好的污泥,这些污泥中含有很多微生物。
这些微生物能够利用废水中的有机物质,转换为无害的化学物质。
这种处理方式常用于处理低浓度的啤酒废水。
2. 生物碳源法生物碳源法是将废水放入一个特殊的生物反应器中,然后通过特殊的微生物将废水中的有机化合物转换为二氧化碳和水。
这种处理方式比较适合大规模的啤酒生产厂家。
3. 光催化处理光催化处理是使用光催化剂处理啤酒废水的一种工艺,这种催化剂能够吸收紫外线并释放自由基,然后这些自由基能够氧化和分解废水中的有机化合物。
这种处理方式适合处理高浓度的啤酒废水。
4. 反渗透膜技术反渗透膜技术是一种将啤酒废水通过膜过滤来清洁的方法。