高考物理力学实验复习题及答案 (70)
- 格式:docx
- 大小:39.48 KB
- 文档页数:2
高考物理实验专题复习:力学实验—、基本仪器1、请认真观察本题图示并读出螺旋测微器的测量结果为mm,游标卡尺的测量结果为mm。
二、纸带(一)匀加速直线运动(用纸带计算瞬时速度和加速度)1.(9分)某学生用打点计时器研究小车的匀变速直线运动。
他将打点计时器接到频率为50Hz 的交流电源上,实验时得到一条纸带。
他在纸带上便于测量的地方选取第一个计时点,在这个点下标明A,第六个点下标明B,第十一个点下标明C,第十六个点下标明£>, 第二十一个点下标明E。
测量时发现B点已模糊不清,于是他测得AC长为14.56cm、CD长为11.15cm,OE长为13.73cm,财丁C点时小车的瞬时速度大小为m/s,小车运动的加速度大小为m/s2, AB的距离应为cm。
(保留三位有效数字)参考答案1.(每);旨 & B /1—14. 56cm —13. 73cm(用纸带计算瞬时速度和加速度,分析由于电源频率引起的误差)2、在做“研究匀变速直线运动”的实验时,某同学得到一条用打点计时器打下的纸带如图所示,并在其上取了A、B、C、D、E、F、G等7个计数点,每相邻两个计数点之间还有4个点,图中没有画出,打点计时器接周期为T=0.02S的交流电源.他经过测量并计算得到打点计时器在打3、C、。
、E、F各点时物体的瞬时速度如下表:(1) __________________________________计算VF的公式V F = ;(2)以A点对应的时刻为t=0,根据表格中数据做出物体的v-t图象,利用图象求得其加速度a =m/s2;(3)如果当时电网中交变电流的频率是上51Hz,而做实验的同学并不知道,那么加速度的测量值与实际值相比(选填:偏大、偏小或不变)。
参考答案 4. (12 分)(1)* =<10? (2)=0.425±0.005m/s2;图略(3)偏小(纸带的迁移)3、(本题满分13分(1)(3分)图中给出的是用螺旋测微器测量某一圆柱形工件的直径时的示数图,由图可知此工件的直径应为mm o2(10分)如图甲所示,是用包有白纸的质量为1.00kg的圆柱棒替代纸带和重物,蘸有颜料的毛笔固定在电动机的飞轮上并随之匀速转动,以替代打点计时器。
⾼中物理⼒学实验专题训练(有答案)知识讲解⾼中物理⼒学实验专题训练(有答案)⼒学实验专题训练 2017、041.在“验证动量守恒定律”的实验中,⽓垫导轨上放置着带有遮光板的滑块A 、B ,遮光板的宽度相同,测得的质量分别为m 1和m 2.实验中,⽤细线将两个滑块拉近使轻弹簧压缩,然后烧断细线,轻弹簧将两个滑块弹开,测得它们通过光电门的时间分别为t 1、t 2.(1)图22⑴为甲、⼄两同学⽤螺旋测微器测遮光板宽度d 时所得的不同情景。
由该图可知甲同学测得的⽰数为mm ,⼄同学测得的⽰数为mm 。
(2)⽤测量的物理量表⽰动量守恒应满⾜的关系式:被压缩弹簧开始贮存的弹性势能P E2.为验证“动能定理”,某同学设计实验装置如图5a 所⽰,⽊板倾斜构成固定斜⾯,斜⾯B 处装有图b 所⽰的光电门.(1)如图c 所⽰,⽤10分度的游标卡尺测得挡光条的宽度d =(2)装有挡光条的物块由A 处静⽌释放后沿斜⾯加速下滑,读出挡光条通过光电门的挡光时间t ,则物块通过B 处时的速度为________ (⽤字母d 、t 表⽰);(3)测得A 、B 两处的⾼度差为H 、⽔平距离L .已知物块与斜⾯间的动摩擦因数为µ,当地的重⼒加速度为g ,为了完成实验,需要验证的表达式为_______________ _.(⽤题中所给物理量符号表⽰)3.在“验证机械能守恒定律”的实验中,⼩明同学利⽤传感器设计实验:如图10甲所⽰,将质量为m 、直径为d 的⾦属⼩球在⼀定⾼度h 由静⽌释放,⼩球正下⽅固定⼀台红外线计时01234012345455045可动刻度固定刻度固定刻度器,能⾃动记录⼩球挡住红外线的时间t ,改变⼩球下落⾼度h ,进⾏多次重复实验.此⽅案验证机械能守恒定律⽅便快捷. (1)⽤螺旋测微器测⼩球的直径如图⼄所⽰,则⼩球的直径d =________mm ; (2)为直观判断⼩球下落过程中机械能是否守恒,应作下列哪⼀个图象________;A.h -t 图象B.h -1t 图象C.h -t 2图象D.h -1t 2图象(3)经正确的实验操作,⼩明发现⼩球动能增加量12m v 2总是稍⼩于重⼒势能减少量mgh ,你认为增加释放⾼度h 后,两者的差值会________(填“增⼤”“缩⼩”或“不变”).4.某同学⽤如图甲所⽰的装置测滑块与长⽊板间的动摩擦因数,将⽊板⽔平固定在桌⾯上,⽊板左端固定挡板上连接⼀轻质弹簧,长⽊板上A 、B 两点安装有光电门,滑块放在长⽊板上,靠近轻质弹簧.(1)⽤游标卡尺测出挡光⽚的宽度,读数如图⼄所⽰,则挡光⽚的宽度d =________ mm. (2)在滑块上装上挡光⽚,⽤⼿推动滑块向左移动压缩弹簧,将弹簧压缩到适当的程度松⼿,滑块在弹簧弹⼒的作⽤下向右滑去,滑块离开弹簧后分别通过A 、B 两点的光电门,与光电门相连的计时器分别记录下滑块上挡光⽚通过A 、B 两点光电门的时间Δt 1和Δt 2,则滑块通过A 点的速度为________,通过B 点的速度为________(⽤物理量的字母表⽰).(3)通过改变滑块压缩弹簧的程度⼤⼩进⾏多次实验,测出多组滑块通过A点和B点的速度v A和v B,作出v2A-v2B图象,若图象与v2A轴的交点为a,重⼒加速度为g,要求出动摩擦因数,还需要测出________,若此需要测出的物理量⽤x表⽰,则滑块与长⽊板间的动摩擦因数为________(⽤题中给出的字母表⽰).5.⼩明⽤如图所⽰的装置来验证机械能守恒定律。
实验一研究匀变速直线运动一、实验目的1.练习正确使用打点计时器,学会利用打点纸带研究物体的运动。
2.掌握判断物体是否做匀变速直线运动的方法Δx=aT2。
3.掌握使用速度—时间图像求加速度的方法。
4.掌握使用逐差法计算匀变速直线运动加速度的方法。
二、实验原理1.实验原理图2.打点计时器(1)电磁打点计时器:6 V以下交流电源。
(2)电火花计时器:220 V交流电源。
(3)当所用交流电源的频率f=50 Hz时,每隔0.02 s打一次点。
若交流电的频率变化,对应打点时间间隔也会发生变化。
3.处理纸带数据时区分计时点和计数点计时点是指打点计时器在纸带上打下的点。
计数点是指测量和计算时在纸带上所选取的点,要注意“每5个点取一个计数点”与“每隔4个点取一个计数点”取点方法是一样的,时间间隔均为0.1 s。
4.匀变速直线运动的判断(1)若物体在连续相等时间T内的位移之差Δx为一恒量,即Δx=aT2,则物体做匀变速直线运动。
(2)利用“平均速度法”确定多个点的瞬时速度,作出物体运动的v-t图像,若图像是一条倾斜的直线,则物体做匀变速直线运动。
5.由纸带计算某点的瞬时速度根据匀变速直线运动某段时间内的平均速度等于该段时间中间时刻的瞬时速度v n=x n+x n+12T来计算。
6.利用纸带求物体加速度的两种方法(1)逐差法根据x4-x1=x5-x2=x6-x3=3aT2(T为相邻计数点之间的时间间隔),求出a1=x4-x1 3T2,a2=x5-x23T2,a3=x6-x33T2,然后取平均值,即a=a1+a2+a33=x4+x5+x6-(x1+x2+x3)9T2,即为物体的加速度。
在数据处理时可以对纸带重新分段,把6段距离分为“前三”和“后三”,“后三”减“前三”也为相邻相等时间间隔内的位移差,时间间隔为3T。
(2)图像法利用v n=x n+x n+12T求出打各点时纸带的瞬时速度,然后作出v-t图像,用v-t图像的斜率求物体运动的加速度。
2022届高考物理:力学实验(一轮)习题含参考答案高考:力学实验【与***大部分重复】【热身题】一个同学在研究小球自由落体运动时,用频闪照相连续记录下小球的位置如图所示,已知闪光周期为1/30s,测得x1=7.68 cm,x3=12.00 cm,通过计算可得小球运动的加速度是_______m/s2,图中x2是_______cm(结果保留3位有效数字)。
1、某同学利用如图a所示装置做探究弹簧弹力大小和其长度的关系的实验.(1)他通过实验得到如图b所示的弹力大小F与弹簧长度x的关系图线.由此图线可得该弹簧的原长x0=________cm,劲度系数k=________N/m.(2)他又利用本实验原理把该弹簧做成一把弹簧秤,当弹簧秤上的示数如图c所示时,该弹簧的长度x=________cm.2、在实验室里为了验证动量守恒定律,一般采用如图甲、乙所示的两种装置:甲乙(1)若入射小球质量为m1,半径为r1;被碰小球质量为m2,半径为r2,则__________。
A.m1>m2,r1>r2B.m1>m2,r1<r2C.m1>m2,r1=r2D.m1<m2,r1=r2(2)若采用图乙所示装置进行实验,以下所提供的测量工具中一定需要的是__________。
A.直尺B.游标卡尺C.天平D.弹簧测力计E.秒表(3)设入射小球的质量为m1,被碰小球的质量为m2,则在用图甲所示装置进行实验时(P为碰前入射小球落点的平均位置),所得“验证动量守恒定律”的结论为______________________。
(用装置图中的字母表示)3、橡皮筋也像弹簧一样,在弹性限度内伸长量x与弹力F成正比,即F=kx,k的值与橡皮筋的原长L、横截面积S有关.理论与实际都表明k=YSL,其中Y是一个由材料决定的常量.(1)在国际单位中,Y的单位应该是________________.A.N B.m C.Nm2 D.Nm(2)某同学通过实验测得该橡皮筋的一些数据,作出了外力F与伸长量x之间的关系图像如图所示.由图像可求得该橡皮筋的劲度系数k=________________N/m.(保留两位有效数字)4、某同学利用打点计时器测量福州的重力加速度,某次实验得到的一段纸带如图所示,O、A、B、C、D为相邻的五个点,测得OA=5.5 mm、OB=14.9 mm、OC=28.3 mm、OD=45.2 mm,打下相邻两个点间的时间间隔为0.02 s.(1)用逐差法算出福州的重力加速度g=______m/s2.(结果保留三位有效数字)(2)通过查阅资料发现福州的重力加速度标准值为9.79 m/s2,比较(1)的结果发现两者并不相等,除了读数误差外,你认为产生误差的其他主要原因可能是____________________.(只要求写出一种原因)5、小明和小红同学对如图所示自制“橡皮筋测力计”进行标度(均在橡皮筋的弹性范围内)(1)小明测量了不挂钩码和挂1个钩码时的指针指在刻度尺上的位置分别为5.00 cm和5.60 cm,然后根据所学弹簧弹力知识,经过类比,按弹簧测力计的刻度规律在刻度尺上依次进行了标度,则小明应在刻度尺________cm处标示挂5个钩码的指针位置.(2)小红分别测量了不挂钩码、挂1个钩码、挂2个钩码……指针在刻度尺上的位置,并按实际测量进行标度,其数据如下表:挂钩码的个数0 1 2 3 4 5 6 7指针在刻度尺上的位置x(cm) 5.00 5.60 6.30 7.20 8.30 9.60 11.00 12.50 请在图坐标上画出指针在刻度尺上所指的刻度x与所挂钩码个数的关系图象.并回答橡皮筋所受的拉力与其伸长长度________(填“是”或“否”)成线性关系.(3)请你分析小明和小红的标度方法谁更科学(说明理由)_______________________________________________________________。
高中物理《考试说明》中确定的力学实验有:研究匀变速直线运动、探究弹力和弹簧伸长的关系、验证力的平行四边形定则、验证牛顿运动定律、探究动能定理、验证机械能守恒定律。
其中有四个实验与纸带的处理有关,可见力学实验部分应以纸带的处理,打点计时器的应用为核心来展开复习。
近几年力学实验中与纸带处理相关的实验、力学创新实验是高考的热点内容,以分组或演示实验为背景,考查对实验方法的领悟情况、灵活运用学过的实验方法设计新的实验是高考实验题的新趋势。
要求考生掌握常规实验的数据处理方法,能将课本中分组实验和演示实验的实验原理、实验方法迁移到新的背景中,深刻理解物理概念和规律,并能灵活运用,要求考生有较强的创新能力。
在复习过程中,应以掌握常规实验原理、实验方法、规范操作程序、数据处理方法等为本,同时从常规实验中,有意识的、积极的提取、积累一些有价值的方法。
逐步过渡到灵活运用学过的实验方法设计新的实验。
1、互成角度的两个共点力的合成[实验目的]验证力的合成的平行四边形定则。
[实验原理]此实验是要用互成角度的两个力与一个力产生相同的效果(即:使橡皮条在某一方向伸长一定的长度),看其用平行四边形定则求出的合力与这一个力是否在实验误差允许范围内相等,如果在实验误差允许范围内相等,就验证了力的平行四边形定则。
[实验器材]木板一块,白纸,图钉若干,橡皮条一段,细绳套,弹簧秤两个,三角板,刻度尺,量角器等。
[实验步骤]1.用图钉把一张白纸钉在水平桌面上的方木板上。
2.用图钉把橡皮条的一端固定在板上的A点,用两条细绳套结在橡皮条的另一端。
3.用两个弹簧秤分别钩住两个细绳套,互成一定角度地拉橡皮条,使橡皮条伸长,结点到达某一位置O(如图所示)。
4.用铅笔描下结点O的位置和两个细绳套的方向,并记录弹簧秤的读数。
在白纸上按比例作出两个弹簧秤的拉力F1和F2的图示,利用刻度尺和三角板,根椐平行四边形定则用画图法求出合力F。
5.只用一个弹簧秤,通过细绳套把橡皮条的结点拉到与前面相同的位置O,记下弹簧秤的读数和细绳的方向。
高考物理专项复习《力学实验》含答案1.橡皮筋也像弹簧一样,在弹性限度内伸长量x与弹力F成正比,即F=kx,k的值与橡皮筋未受到拉力时的长度L、横截面积S有关。
理论与实验都表明k=Y SL,其中Y是由材料决定的常数,材料力学中称之为杨氏模量。
(1)在国际单位中,杨氏模量Y的单位应该是___________A.N B.m C.N/m D.Pa(2)有一段横截面是圆形的橡皮筋,应用螺旋测微器和刻度尺分别测量它的直径和长度如图(a)和图(b)所示,刻度尺的读数为___________cm,螺旋测微器的读数为___________mm。
(3)小华通过实验测得该橡皮筋的一些数据,作出了外力F与伸长量x之间的关系图像如图(c)所示。
由图像可求得该橡皮筋的劲度系数k=___________N/m,这种橡皮筋的Y值等于___________(结果保留两位有效数字)。
(4)图像中图线发生弯曲的原因是___________。
【答案】D11.98(11.96~12.00均正确) 3.999(3.998~4.000均正确)319.1 3.0×106 Pa橡皮筋受力发生的形变超出其弹性限度,不再遵循弹力F与伸长量x成正比的规律【详解】(1)[1]根据表达式Sk YL=得kLYS=已知k的单位是N/m,L的单位m,S的单位是m2,所以Y的单位是N/m2,也就是Pa,故D项正确。
(2)[2][3]刻度尺从零开始,橡皮筋的尾部接近12.00,则读数估读为11.98 cm;螺旋测微器固定部分读数3.5 mm,转动部分读数为49.9,故读数为3.5 mm+49.9×0.01 mm=3.999 mm。
(3)[4]根据胡克定律F=kx可知,图像的斜率大小等于劲度系数大小,由图像求出劲度系数为k=15.00.047N/m=319.1 N/m[5]根据Sk YL=可得62319.10.1198Pa 3.010Pa0.0039993.14()2kLYS⨯===⨯⨯(4)[6]当弹力超过其弹性限度时,胡克定律不再适用,即不再遵循伸长量x与弹力F成正比的规律,故图线发生弯曲。
历年(2019-2023)高考物理真题专项(力学实验)练习 一、实验题(1)已知打出图(b)中相邻两个计数点的时间间隔均为为初始位置,将打出B、C、D、E位移区间AB AC AD AE AF()x 6.60 14.60 x∆34.90 47.30Δcm(3)从实验结果可知,小车运动的v-表示,其中k=________2cm/s,b=(4)根据(3)中的直线方程可以判定小车做匀加速直线运动,得到打出度大小A v=________,小车的加速度大小作者的备注:此处绘图粗糙,连接遮光片小车与托盘砝码的绳子应与桌面平行;原卷中已说明,遮光片与小车位于气垫导轨上(视为无摩擦力)4.(2023ꞏ辽宁ꞏ统考高考真题)某同学为了验证对心碰撞过程中的动量守恒定律,设计了如下实验:用纸板搭建如图所示的滑道,使硬币可以平滑地从斜面滑到水平面上,其中OA 为水平段。
选择相同材质的一元硬币和一角硬币进行实验。
测量硬币的质量,得到一元和一角硬币的质量分别为1m 和2m (12m m >)。
将硬币甲放置在斜面一某一位置,标记此位置为B 。
由静止释放甲,当甲停在水平面上某处时,测量甲从O 点到停止处的滑行距离OP 。
将硬币乙放置在O 处,左侧与O 点重合,将甲放置(1)实验中,拉动木板时__________(填“必须”或“不必”)保持匀速。
(2)用A m 和B m 分别表示木块A 和重物B 的质量,则m 和A B 0m m m n μ、、、、所满足的关系式为m =__________。
(1)用实验室提供的螺旋测微器测量摆球直径。
首先,调节螺旋测微器,拧动微调旋钮使测微螺杆和测砧相触时,发现固定刻度的横线与可动刻度上的零刻度线未对齐,如图(a)所示,该示数为___________mm;螺旋测微器在夹有摆球时示数如图(b)所示,该示数为___________mm,则摆球的直径为___________mm。
(2)单摆实验的装置示意图如图(c)所示,其中角度盘需要固定在杆上的确定点O处,摆线在角度盘上所指的示数为摆角的大小。
专题分层突破练16力学实验A组1.(2021浙江衢州高三二模)(1)图甲中,探究求合力的方法、研究平抛运动两实验均需使用的器材是(填写器材名称)。
甲(2)在探究求合力的方法实验中,通过对拉的方法来选择两个弹簧测力计。
方案一为两弹簧测力计竖直悬挂在铁架台上对拉,方案二为两弹簧测力计置于水平桌面对拉,下列说法正确的是。
A.弹簧测力计使用前必须进行调零B.实验时,两个弹簧测力计的量程需一致C.若方案一的两弹簧测力计读数相等,则可正常使用D.若方案二的两弹簧测力计读数相等,则可正常使用(3)在探究求合力的方法的实验中,某实验小组使用的弹簧测力计量程为0~5.00 N,将橡皮条一端固定,先用两只弹簧测力计将橡皮条另一端拉到某一位置,标记为O点,紧靠细绳标记A、B两点,并记录弹簧测力计读数;然后用一只弹簧测力计将其拉至O点,标记紧靠细绳的C点,并记录弹簧测力计读数,该小组完成的部分实验数据记录在图乙中。
乙①按实验要求完成作图。
②结合图乙,分析实验过程与结果,下列措施对减小实验误差有益的是。
A.适当增加橡皮条的原长B.适当增大两细绳的夹角C.增大A、B两点到O点的距离D.增大弹簧测力计的拉力2.(2021江西赣州高三一模)图甲为测量物块与水平桌面之间动摩擦因数的实验装置示意图。
实验步骤如下:甲乙①用天平测量物块和遮光片的总质量m'、重物的质量m,用游标卡尺测量遮光片的宽度d,用刻度尺测量两光电门之间的距离s;②调整轻滑轮,使细线水平;③让物块从光电门A的左侧由静止释放,用数字计时器分别测出遮光片经过光电门A和光电门B所用的时间Δt A和Δt B,求出加速度a;④多次重复步骤③,求a的平均值a;⑤根据上述实验数据求出动摩擦因数μ。
回答下列问题:(1)下列说法正确的是。
A.此实验需要平衡摩擦力B.此实验需要遮光片的宽度d尽量小些C.此实验需要满足m'远大于mD.此实验需要两光电门之间的距离s尽量小些(2)测量d时,某次游标卡尺(主尺的最小分度为1 mm)的读数如图乙所示,其读数为 cm。
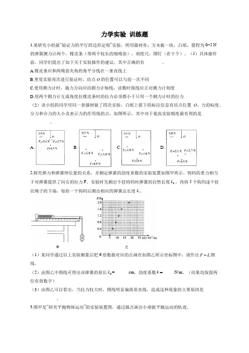
力学实验训练题1.某研究小组做“验证力的平行四边形定则”实验,所用器材有:方木板一块,白纸,量程为0~5 N的弹簧测力计两个,橡皮条(带两个较长的细绳套),刻度尺,图钉(若干个)。
(1)具体操作前,同学们提出了如下关于实验操作的建议,其中正确的有________。
A.橡皮条应和两绳套夹角的角平分线在一条直线上B.重复实验再次进行验证时,结点O的位置可以与前一次不同C.使用测力计时,施力方向应沿测力计轴线;读数时视线应正对测力计刻度D.用两个测力计互成角度拉橡皮条时的拉力必须都小于只用一个测力计时的拉力(2)该小组的同学用同一套器材做了四次实验,白纸上留下的标注信息有结点位置O、力的标度、分力和合力的大小及表示力的作用线的点,如图所示。
其中对于提高实验精度最有利的是_________。
A. B. C. D.2.探究弹力和弹簧伸长量的关系,并测定弹簧的劲度系数的实验装置如图甲所示。
钩码的重力相当于对弹簧提供了向右的拉力F。
实验时先测出不挂钩码时弹簧的自然长度L,再将5个钩码逐个挂在绳子的下端,每挂一个钩码后测出相应的弹簧总长度L。
(1)某同学通过以上实验测量后把6组数据对应的点画在如图乙所示坐标图中,请作出F L-图线。
(2)由图乙中图线可得出该弹簧的原长0=L______cm,劲度系数k=_____N/m。
(结果均保留两位有效数字)(3)由图乙可以看出,当拉力较大时,图线明显偏离原直线,造成这种现象的主要原因是____________。
3.图甲是“研究平抛物体运动”的实验装置图,通过描点画出小球做平抛运动的轨迹。
(1)以下是关于实验过程的一些做法,其中合理的有______。
A.安装斜槽轨道,使其末端保持水平 B.每次释放小球的初始位置可以任意选择 C.每次小球应从同一高度由静止释放D.为描出小球的运动轨迹描绘的点可以用折线连接(2)实验得到小球做平抛运动的轨迹,在轨迹上取一些点,以平抛起点O 为坐标原点,测量它们的水平坐标x 和竖直坐标y ,图乙中2y x -图像能说明小球做平抛运动的轨迹为抛物线的是_________。
高中物理专题练习-力学实验(含答案)高中物理专题练习-力学实验(含答案)1.(10分)(1)①下图中游标卡尺游标尺的每小格比主尺的每小格小________ mm;该游标卡尺的读数应为________mm.②螺旋测微器的读数应为________mm.(2)如图,某实验小组用光电门、小车等实验器材探究小车加速度与合外力的关系.①某次实验中挡光片经过光电门的挡光时间为t,已知小车出发位置与光电门距离为L,挡光片宽度为d,则小车的加速度a=________.②保证实验顺利完成,且结果精确,试举出两个需要注意的问题._____________________________________________________________ ______________________________________________________________________ ___.2.(10分)在“探究小车速度随时间的变化规律”实验中.(1)某同学采用如图甲所示的装置进行实验,________(选填“需要”或“不需要”)平衡摩擦力,________(选填“需要”或“不需要”)测量小车的质量.甲(2)该同学在研究小车运动时打出了一条纸带,如图乙所示.在纸带上,连续5个点为一个计数点,相邻两个计数点之间的距离见下表,并画出对应的图线(其中横坐标数值表示第几个0.1 s,纵坐标对应的是该0.1 s内物体的位移)如图丙所示.则小车的速度随时间________(选填“是”或“不是”)均匀变化;整个过程中小车的平均加速度为________m/s2.(保留两位有效数字)乙丙时间t/(×0.1 s)12345 6相邻计数点的1.452.453.464.445.456.46距离x n/cm3.(10分)平放置的木板上固定有一张白纸, 一橡皮筋的一端固定在白纸上的O点,另一端A拴两个细绳套.(1)下面为实验的一些操作步骤:①比较F′和F的大小、方向是否近似相同;②过P点用统一标度作出F、F1、F2的图示;③用一个弹簧测力计钩住细绳套,拉A至某点P,在纸上标出P点,记下拉力F的方向和大小;④用平行四边形定则作出F1、F2的合力F′;⑤用两个弹簧测力计互成角度分别拉住两个细绳套,拉A至同样的位置P,在纸上记下两个力F1、F2的方向和大小.这些实验步骤的合理顺序为________________.(2)对于该实验,下列说法正确的是________.A.两细绳套必须等长B.若将细绳换成橡皮筋,对实验结果有影响C.记录弹簧测力计拉力的方向时应用铅笔沿细绳画直线D.实验中,把橡皮筋的另一端拉到P点时,两弹簧测力计之间的夹角不能太大(3)假如在上述实验步骤⑤中,使其中一个弹簧测力计拉力F1的大小不变,逐渐增大F1方向与合力方向之间的夹角,且保证两个弹簧测力计之间的夹角小于90°.为了使橡皮条仍然伸长到P点,对另一只弹簧测力计的拉力F2的大小和方向与原来相比,下面说法中正确的是________.A.F2一直变大,与合力方向的夹角一直增大B.F2一直变大,与合力方向的夹角先变大后变小C.F2一直变小,与合力方向的夹角一直减小D.F2先减小后增大,与合力方向的夹角先减小后增大4.(10分)某课外兴趣小组利用如图所示的实验装置研究“加速度与合外力的关系”.(1)实验中,小车会受到摩擦阻力的作用,可使木板适当倾斜来平衡摩擦力,则下面操作正确的是()A.不挂钩码,放开没有纸带的小车,能够自由下滑即可B.不挂钩码,轻推没有纸带的小车,小车能够匀速下滑即可C.不挂钩码,放开拖着纸带的小车,能够自由下滑即可D.不挂钩码,轻推拖着纸带的小车,小车能够匀速下滑即可(2)该小组同学实验时先正确平衡摩擦力,并利用钩码和小车之间连接的力传感器测出细线上的拉力,改变钩码的个数,确定加速度a与细线上拉力F的关系,下列图象中能正确表示该同学实验结果的是________.(3)在上述实验中打点计时器使用的交流电频率为50 Hz,某次实验中一段纸带的打点记录如图所示,则小车运动的加速度大小为________ m/s2.(保留3位有效数字)5.(10分)某学习小组用图甲所示的装置探究加速度与合力的关系.装置中的铝箱下端连接纸带,砂桶中可放置砂子以改变铝箱所受的外力大小,铝箱向上运动的加速度a可由打点计时器和纸带测出.现保持铝箱总质量不变,逐渐增大砂桶和砂的总质量进行多次实验,得到多组a、F 值(F为力传感器的示数,等于悬挂滑轮绳子的拉力),不计滑轮的重力.(1)某同学根据实验数据画出了a-F关系图线如图乙所示,则由该图象可得铝箱总质量m=________,重力加速度g=________(结果保留两位有效数字).(2)当砂桶和砂的总质量M较大导致a较大时,实验得到的加速度a 的值可能是________.(填选项前的字母)A.12.0 m/s2B.10.0 m/s2C.5.0 m/s2D.6.0 m/s26.(10分)(1)某同学用如图甲所示的实验装置来验证机械能守恒定律,进行如下操作:①用天平测定小球的质量为m=10.0 g;②用游标卡尺测出小球的直径为d=10.0 mm;③用刻度尺测出电磁铁下端到光电门的距离为h=80.90 cm;④电磁铁先通电,让小球吸在下端;⑤电磁铁断电,小球自由下落;⑥在小球经过光电门的时间内,计时装置记下小球经过光电门所用时间为t=2.50×10-3s,由此可算得小球经过光电门时的速度为________m/s.⑦计算此过程中小球重力势能的减少量为________J,小球动能的增加量为________J.(g取10 m/s2,结果保留三位有效数字)(2)另一同学用上述实验装置通过改变光电门的位置,用h表示小球到光电门时的下落距离,用v表示小球通过光电门的速度,根据实验数据作出了如图乙所示的v2-h图象,则当地的实际重力加速度为g=________m/s2.7.(10分)用如图甲实验装置验证m1、m2组成的系统机械能守恒.m2从高处由静止开始下落,m1上拖着的纸带打出一系列的点,对纸带上的点迹进行测量,即可验证机械能守恒定律.下图给出的是实验中获取的一条纸带:0是打下的第一个点,每相邻两计数点间还有4个打下的点(图中未标出),计数点间的距离如图所示.已知m1=50 g、m2=150 g ,则(计算结果保留两位有效数字)①在纸带上打下记数点5时的速度v=________m/s;②在记数点0~5过程中系统动能的增量ΔE k=________J.为了简化计算,设g=10 m/s2,则系统势能的减少量ΔE P=________J;③在本实验中,若某同学作出了v22-h图象,如图所示,h为从起点量起的长度,则据此得到当地的重力加速度g=________m/s2.答案力学实验专练1.解析(1)①20分度的游标卡尺,游标尺每格0.95 mm,比主尺每格小0.05 mm.游标卡尺读数13 mm+16×0.05 mm=13.80 mm.②螺旋测微器读数0.5 mm+14.1×0.01 mm=0.641 mm.(2)①由v2=2aL,v=dt可知a=d22Lt2.②实验之前要平衡摩擦力,以保证钩码的重力充当合外力;钩码质量应远小于小车质量,以保证钩码重力近似等于小车受到的拉力;挡光片尽量窄一些,L距离尽量大一些,以保证利用光电门所求得的速度更加接近瞬时速度.答案(1)①0.05(2分)13.80(2分)②0.641 mm(0.641或0.642均正确)(2分)(2)①d22Lt2(2分)②实验之前要平衡摩擦力;钩码质量应远小于小车质量;挡光片尽量窄一些,L距离尽量大一些(举出两个即可得2分)2.解析(1)本实验的目的是探究小车速度随时间的变化规律,故不需要平衡摩擦力,也不需要测量小车的质量.(2)由题图知,小车的速度随时间是均匀变化的,可求小车的加速度x6-x1=5aT2,解得加速度a≈1.0 m/s2.答案(1)不需要(2分)不需要(2分)(2)是(2分) 1.0(0.95~1.1均可)(4分)3.解析(1)由“验证力的平行四边形定则”实验的操作步骤可知,顺序应为③⑤②④①;(2)实验中,为了防止超过弹簧测力计的量程,在把橡皮筋的另一端拉到P点时,两弹簧测力计之间的夹角不能太大.(3)F1与F2的合力不变,做出力的矢量三角形,当F1大小不变,而逐渐增大F1方向与合力方向之间的夹角时,F2一直变大,与合力方向的夹角先变大后变小,但题干中界定了两弹簧测力计之间的夹角小于90°,所以F2方向与合力方向的夹角是一直变大的,故B、C、D错误,A正确.答案(1)③⑤②④①或⑤③②④①(4分)(2)D(4分)(3)A(2分)4.解析(1)平衡摩擦力时,使重力沿斜面方向的分力等于摩擦力,不挂钩码,轻推拖着纸带的小车,小车能够做匀速直线运动,则摩擦力得到平衡.选D.(2)因为拉力是由传感器测出,已经平衡了摩擦力,则加速度与拉力的关系图线是过原点的倾斜直线,即加速度与拉力成正比.选A.(3)根据Δx=aT2,运用逐差法得,a=x CE-x AC4T2=7.50 m/s2.答案(1)D(3分)(2)A(3分)(3)7.50(4分)5.解析(1)铝箱所受的合力即为绳的拉力与重力的合力,绳的拉力等于力传感器示数的一半,对铝箱根据牛顿第二定律得F2-mg=ma,即a=12m F-g,根据图象可得m=0.20 kg,g=9.8m/s2.(2)根据牛顿第二定律可得a =M -m M +mg <="" ,所以只有选项c="" 2(4分)="" 9.8="" bdsfid="212" kg(4分)="" m="" p="" s="" 、d="" 正确.="" 答案=""> 6.解析 (1)小球经过光电门时的速度为v =d t =4.00 m/s,小球重力势能的减少量为ΔE p =0.01×10×(0.809 0-0.005) J =0.080 4 J,小球动能的增加量为ΔE k =12m v 2=0.080 0 J.(2)小球下落过程中机械能守恒,有mgh =12m v 2,整理得v 2=2gh ,由图象得g =9.7 m/s 2.答案 (1)4.00(2分) 0.080 4(2分) 0.080 0(3分) (2)9.7(3分)7.解析 (1)v 5=x 462T =0.480.2 m/s =2.4 m/s ;(2)在0~5过程中系统动能的增量ΔE k =12(m 1+m 2)v 25=12×0.2×2.42 J ≈0.58 J ;系统重力势能的减小量为(m 2-m 1)gh =0.1×9.8×(0.384+0.216) J ≈0.59 J ;(3)根据系统机械能守恒有(m 2-m 1)gh =12(m 1+m 2)v 2,则12v 2=m 2-m 1m 1+m 2gh ,知图线的斜率k =m 2-m 1m 2+m 1g =5.821.20,解得g =9.7 m/s 2. 答案 (1)2.4(3分) (2)0.58(2分)0.59(2分) (3)9.7(3分)。
高中物理《力学实验》练习题(附答案解析)学校:___________姓名:___________班级:___________一、单选题1.在“利用气垫导轨验证动量守恒定律”的实验中,用到的测量工具有()A.停表、天平、刻度尺B.弹簧测力计、停表、天平C.天平、刻度尺、光电计时器D.停表、刻度尺、光电计时器2.以下是粤教版物理课本必修一中的四幅有关实验的插图,请问哪一个实验用到了“理想实验”的物理思想方法()A. B.C. D.3.下列仪器可以直接测量时间的是()A.B.C.D.4.如图(甲)所示,轻质小圆环挂在橡皮条的一端,另一端固定,橡皮条的长度为GE。
在图(乙)中,用于通过两个弹簧测力计共同拉动小圆环,小圆环受到拉力F 1、F 2、F 3三力共同作用,静止于O 点,橡皮条伸长的长度为EO 。
撤去F 1、F 2,改用一个力F 单独拉住小圆环,仍使它静止于O 点,如图(丙)所示。
图(乙)和图(丙)中圆环要拉到O 点位置的原因是什么( )A .使两次拉橡皮条时小圆环的拉力大小相同B .使两次拉橡皮条对小圆环的拉力方向相同C .使两次拉橡皮条时小圆环的拉力的大小和方向都相同D .以上说法都不正确5.在“探究小车速度随时间变化的规律”的实验中,得到如图所示的纸带,其中A 、B 、C 、D 、E 、F 、G 为计数点,相邻两计数点间的时间间隔为T ,1x 、2x 、3x 、4x 、5x 、6x 分别为AB 、BC 、CD 、DE 、EF 、FG 的长度,下列用来计算打D 点时小车速度的表达式中误差最小的是( )A .34x x T+ B .342x x T+ C .23454x x x x T +++D .162x x T+ 6.为研究木板与物块之间的摩擦力,某同学在粗糙的长木板上放置一物块,物块通过细线连接固定在试验台上的力传感器,如图力(a )。
水平向左拉木板,传感器记录的F —t 图像如图(b )。
高考物理力学实验复习题及答案
1.如图所示,某小组同学在探究求合力的方法的实验中用两个相同的弹簧测力计拉弹簧。
木板(图中未画出)竖直放置,且与铁架台和轻弹簧所在平面平行。
(1)实验中将弹簧下端拉至O点后,应记下O点的位置和两弹簧测力计的拉力的大小与方向。
(2)若B弹簧测力计的测量情况如图所示,则其示数为 6.40N。
(3)从图中可以看到,A弹簧测力计方向水平,B弹簧测力计方向向右下方。
若保持弹簧下端O点不动,同时保持B弹簧测力计方向不变,将A弹簧测力计缓慢逆时针旋转到竖直方向,则A弹簧测力计示数将先减小后增大(填“一直变大”一直变小”“先减小后增大”或“先增大后减小”)。
【解答】解:(1)由于要利用力的图示作出平行四边形,需要知道力的大小与方向,所以实验中将弹簧下端拉至O点后,应记下O点的位置和两弹簧测力计的拉力的大小与方向;
(2)由图可知弹簧测力计的分度值为0.1N,由指针所指刻度可得测力计的示数为6.40N;
(3)由于O点不动,则可知两弹簧测力计的合力不变,作出平行四边形进行动态分析,如图所示:
由图可知,弹簧测力计A的弹簧先减小后增大,即其读数先减小后增大。
故答案为:(1)拉力的大小与方向;(2)6.40;(3)先减小后增大。
1.按照有效数字规则读出以下各游标尺的测量值。
⑴⑵读数为_____________cm。
读数为_____________mm。
⑶⑷读数为____________m。
读数为_____________cm。
⑸读数为_____________cm.2.用螺旋测微器测量长度时,可以精确到______m,读数应该读到______mm。
读出下列四种情况下的测量结果。
⑵⑶⑷⑴_________mm。
⑵_________cm。
⑶____________m。
⑷_________×10-3m。
3.如图是一个游标卡尺。
⑴图中a、b、c分别叫做________、_________、___________。
⑵如图有一个小型气缸,欲测量其所用材料的体积V,需要测量有:①高度H;②深度h;③外径D;④内径d。
应该分别用游标卡尺的哪一部分?(用字母表示)__ ___,_____,_____,_____。
⑶用测量结果表示V的表达式为:____________。
4.右图是千分尺的示意图。
⑴图中所标的各部分依次叫做:①__________,②___________,③_________,④___________,⑤_________,⑥____________。
⑵在测量时,当②快要接触被测物体时,要停止使用_______,0 5 100 1 cm0 5 101 2 cm0 5 102 3 cm 1 2 3 cm0123456cm01234567890改用_______,目的是既可以__________,又能______________。
⑶千分尺中的精密螺纹的螺距为________mm 。
其可动刻度部分分为50等分,每一小格表示______mm 。
5.右图是弹簧秤的示意图,该弹簧秤的量程为_______N 。
由图中读出的测量值应为__________N 。
6.在做“研究匀变速直线运动”的实验时,某同学得到一条用打点计时器打下的纸带,并在其上取了A 、B 、C 、D 、E 、F 等6个计数点(每相邻两个计数点间还有4个打点计时器打下的点,本图中没有画出)。
最新高考物理实验专题训练卷(共50题附答案)一、单选题1.物理是一门以实验为基础的学科,对以下3个力学实验描述正确的是()A.伽利略完成实验1时必须保证斜面绝对光滑,否则得不到可靠的实验结论B.牛顿利用扭秤实验成功测得了万有引力常量,使万有引力定律进入实用阶段C.实验1和实验2都采用了理想实验的方法D.实验2和实验3都采用了放大的实验方法2.下列实验中,找到电荷间相互作用规律的实验是()A.库仑扭秤实验B.卡文迪许实验C.密立根油滴实验D.奥斯特电流磁效应实验3.下列实验中准确测定元电荷电量的实验是( )A.库仑扭秤实验B.密立根油滴实验C.用DIS描绘电场的等势线实验D.奥斯特电流磁效应实验4.二十世纪初,为研究物质的内部结构,物理学家做了大量的实验,如图装置的实验是()A.α粒子散射实验B.发现质子的实验C.发现电子的实验D.发现中子的实验5.原子结构学说,是卢瑟福根据以下哪个实验现象提出的( )A.光电效应实验B.粒子散射实验C.氢原子光谱实验D.杨氏双缝干涉实验6.第一次通过实验比较准确地测出万有引力常量的科学家和所做的实验是:A.牛顿地月实验B.伽利略斜塔实验C.牛顿扭秤实验D.卡文迪许扭秤实验7.在历史上,最早证明了德布罗意波存在的实验是()A.弱光衍射实验B.电子束在晶体上的衍射实验C.弱光干涉实验D.射线的衍射实验8.原子的核式结构学说是卢瑟福根据以下哪个实验现象提出来的()A.光的衍射实验B.氢原子光谱实验C.粒子散射实验D.阴极射线实验9.原子的核式结构学说,是卢瑟福根据以下哪个实验提出来的()A.光电效应实验B.氢原子光谱实验C.α粒子散射实验D.天然放射实验10.伽利略为了研究自由落体的规律,将落体实验转化为著名的“斜面实验”,当时利用斜面实验主要是考虑到()A.实验时便于测量小球运动的时间B.实验时便于测量小球运动的速度C.实验时便于测量小球运动的路程D.斜面实验可以通过观察与计算直接得到落体的运动规律11.卢瑟福提出原子的核式结构模型,建立该模型的实验基础是()A.α粒子散射实验B.α粒子轰击氮核的实验C.α粒子轰击铍核的实验D.研究阴极射线的实验12.如图所示为“探究求合力的方法”的实验装置,则A.实验时两细线的夹角一定要等于90°,以便于计算合力的大小B.为减小实验的误差,实验中所用的两根细线越短越好C.实验前两弹簧秤要先调零,实验读数时视线要与刻度板表面垂直D.实验中要保持O点的位置不变,采用的是“控制变量法13.1927年戴维孙和革末完成了电子衍射实验,该实验是荣获诺贝尔奖的重大近代物理实验之一。
物理力学实验高考真题汇编1. 弹力系数的测定材料:弹簧、挂钩、刻度尺等。
实验目的:测定弹簧的弹性系数。
实验步骤:1) 在水平桌面上固定弹簧,使弹簧垂直挂放,并在下端挂一个重锤使弹簧伸长;2) 通过移动挂钩的位置,测量不同拉力下弹簧的伸长量;3) 利用胡克定律进行计算,得到弹簧的弹性系数。
实验要点:准确测量弹簧的伸长量,采用多点法绘制拉力与伸长的图像,计算弹性系数。
2. 研究滑块在斜面上的运动材料:斜面、滑块、计时器等。
实验目的:研究滑块在斜面上的运动规律。
实验步骤:1) 将滑块置于斜面上,释放后记录滑块滑下斜面所用的时间;2) 改变斜面的倾角,重复实验并记录数据;3) 分析数据,得出滑块在斜面上的加速度与斜面倾角的关系。
实验要点:准确测量滑块的下滑时间,注意斜面的光滑度及倾角的调整。
3. 弹簧振子的振动实验材料:弹簧振子、定时器、尺等。
实验目的:研究弹簧振子的振动规律。
实验步骤:1) 将弹簧振子吊起,拉至一侧并释放,记录振动的周期;2) 改变振动幅度或弹簧的劲度系数,观察振动规律的变化;3) 通过实验数据绘制振动周期与振幅的关系曲线。
实验要点:准确测量振动周期和振幅,注意调整弹簧的初始位置和观察振动过程。
4. 摆锤与弹簧的共振现象实验材料:摆锤、弹簧、调节器等。
实验目的:研究摆锤与弹簧的共振现象。
实验步骤:1) 调整摆锤的长度,使其与弹簧的振动频率相同;2) 改变摆锤长度,观察共振现象的变化;3) 测量共振频率并分析实验数据。
实验要点:准确调整摆锤长度,观察共振现象的变化,记录共振频率并进行分析。
通过以上几道物理力学实验的高考真题汇编,学生在实验中掌握了物理力学实验的基本原理和实验技能,有助于提升实验操作能力和理论应用能力,为高考物理的备考打下坚实的基础。
希望同学们能够认真对待实验课程,善于动手实践,不断提高自身的实验能力和科学素养。
祝愿大家取得优异的成绩,实现自己的理想和目标!。
高考物理力学实验复习题及答案12.居家防疫期间,小明在家里做“用单摆测定重力加速度”的实验。
如图1他找到了一块外形不规则的小石块代替摆球,设计的实验步骤是:A.将小石块用不可伸长的细线系好,结点为N,细线的上端固定于O点;B.用刻度尺测量ON间细线的长度l作为摆长;C.将石块拉开一个大约α=5°的角度,然后由静止释放;D.从石块摆至某一位置处开始计时,测出30次全振动的总时间t,由T=t30得出周期;E.改变ON间细线的长度再做几次实验,记下相应的l和T;F.根据公式g=4π2T2l,分别计算出每组l和T对应的重力加速度g,然后取平均值即可作为重力加速度的测量结果。
(1)小石块摆动的过程中,充当回复力的是D。
A.重力B.拉力C.拉力沿水平方向的分力D.重力沿圆弧切线方向的分力(2)为使测量更加准确,步骤D中,小明应从平衡位置(选填“最大位移”或“平衡位置”)处开始计时。
(3)小明用ON的长l为摆长,利用公式g=4π2T2l求出的重力加速度的测量值比真实值偏小(选填“偏大”或者“偏小”)。
(4)小红利用小明测出的多组摆长l和周期T的值,作出T2﹣l图线如图2所示,通过测量计算出图线的斜率为k,由斜率k求重力加速度的表达式是g=4π2k。
(5)在步骤F中,有同学认为可以先将多次测量的摆长l取平均值得到l,周期T取平均值得到T,再带入公式g=4π2T2l,得到重力加速度g的测量结果,你认为这种做法是否正确并说明理由。
【解答】解:(1)石块做简谐运动时重力沿圆弧切线方向的分力提供回复力,故D 正确,ABC 错误。
故选:D 。
(2)石块经过平衡位置时速度最大,在石块经过平衡位置时开始计时可以减小周期测量的实验误差。
(3)摆线悬点到石块重心的距离是单摆摆长,摆线长度l 小于单摆摆长L ,由g =4π2T 2l 可知,用ON 的长l 为摆长,重力加速度的测量值比真实值偏小。
(4)设N 到石块重心的距离为r ,单摆摆长L =l+r ,由单摆周期公式T =2π√L g 可知:T 2=4π2g l +4π2r g , 由图示T 2﹣l 图象可知,图象的斜率k =4π2g ,重力加速度g =4π2k ;(5)这种做法是错误的;由单摆周期公式T =2π√l g 可知,摆长l 与周期T 间不是一次函数关系,不能求出l 的平均值l 和T 的平均值T ,再带入公式g =4π2T 2l 求出重力加速度。
高考物理力学实验复习题及答案
48.在“研究平抛运动”的实验中
(1)如图(a)所示,实验时将固定有斜槽的木板放在实验桌上,实验前要检查斜槽末端的切线是否水平,请简述你的检查方法把小球放在槽口末端,看小球能否处于静止状态。
(2)关于这个实验,下列选项中的会增大实验误差的有AC(填选项代号)。
A.斜槽末端不水平
B.斜槽轨道不光滑
C.实验小球为泡沫球
D.每次从同一高度无初速释放小球
(3)验证实验得到的轨迹是否准确的一般方法,如图(b)所示:在轨道上从起点O点起,沿水平方向取两段连续相等的位移△x与曲线交于两点A、B,过A、B作水平线交于y轴,则OA、AB两段的竖直位移大小之比y1:y2=1:3。
【解答】解:(1)检查斜槽末端切线是否水平,将小球放在槽的末端看小球能否静止,如果小球静止则斜槽末端切线水平。
(2)A、当斜槽末端切线没有调整水平时,小球脱离槽口后不做平抛运动,但在实验中,仍按平抛运动分析处理数据,会造成较大误差,故斜槽末端切线不水平会造成误差,故A正确;
B、只要让它从同一高度、无初速开始运动,在相同的情形下,即使球与槽之间存在摩擦
力,仍能保证球做平抛运动的初速度相同,因此,斜槽轨道不必要光滑,所以不会引起实验误差,故B错误;
C、实验小球为泡沫球,则受到的阻力较大,因此小球不是做平抛运动,故C正确;
D、根据实验原理,则要求每次从同一高度无初速释放小球,确保以同一初速度平抛运动,
故D错误。
故选:AC。
(3)平抛运动水平方向做匀速直线运动,水平位移相等,则运动时间相等,而竖直方向做自由落体运动,由匀变速直线运动的推论可知,从起点开始,连续两个相等时间内的位移之比为1:3;
故答案为:(1)把小球放在槽口末端,看小球能否处于静止状态;(2)AC;(3)1:3。