IEC 防爆等级标准
- 格式:doc
- 大小:39.00 KB
- 文档页数:1
知识创造未来
防爆等级划分标准
防爆等级是指在可燃和易燃环境中使用的设备、仪器、工具等的防
爆措施的等级划分。
防爆等级的划分标准主要根据设备在爆炸环境
中引起火花、高温等能源,以及设备本身的可靠性和安全性等因素。
常见的防爆等级划分标准有以下几种:
1. 国际电工委员会(IEC)的防爆等级划分标准:IEC将防爆等级分为六个等级,分别为Ex ia、Ex ib、Ex ic、Ex d、Ex e和Ex p。
这些等级从低到高分别代表了安全性能递增的程度。
2. 美国国家电器制造商协会(NEMA)的防爆等级划分标准:NEMA将防爆等级分为四个等级,分别为NEMA 7、NEMA 9、NEMA 4和NEMA 3。
这些等级主要是根据设备的外壳密封性和耐冲击性来划分的。
3. 欧盟防爆指令(ATEX)的防爆等级划分标准:ATEX将防爆等级分为两个大类,分别为II、III。
其中,II类又分为A、B、C、D四
个等级,III类没有等级划分。
这些等级主要是根据设备在爆炸性气
体环境中的能量释放和机械特性来划分的。
需要注意的是,不同国家和地区对防爆等级的划分标准可能存在一
些差异,因此在选择和使用防爆设备时,需要根据当地的标准和要
求来确定合适的防爆等级。
1。
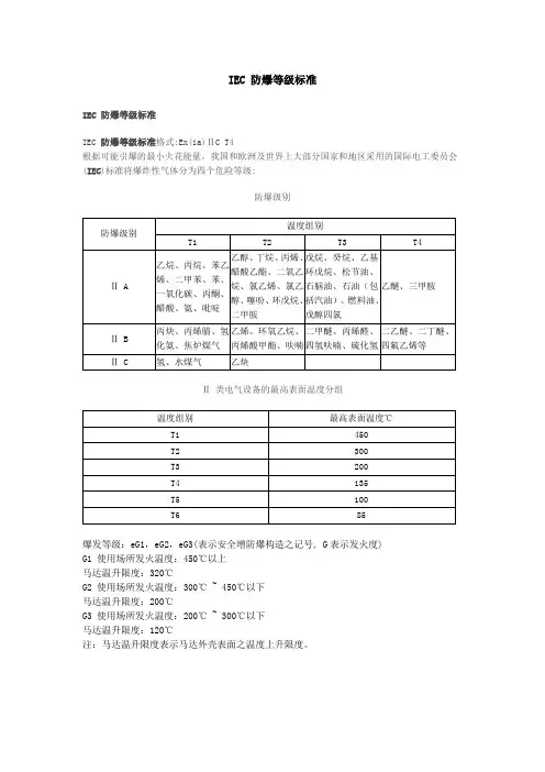
IEC 防爆等级标准
IEC 防爆等级标准
IEC 防爆等级标准格式:Ex(ia)ⅡC T4
根据可能引爆的最小火花能量,我国和欧洲及世界上大部分国家和地区采用的国际电工委员会(IEC)标准将爆炸性气体分为四个危险等级:
防爆级别
Ⅱ类电气设备的最高表面温度分组
爆发等级:eG1,eG2,eG3(表示安全增防爆构造之记号, G表示发火度)
G1 使用场所发火温度:450℃以上
马达温升限度:320℃
G2 使用场所发火温度:300℃ ~ 450℃以下
马达温升限度:200℃
G3 使用场所发火温度:200℃ ~ 300℃以下
马达温升限度:120℃
注:马达温升限度表示马达外壳表面之温度上升限度。
防爆等级划分标准简介防爆等级的定义防爆电气设备的防爆等级的划分是根据设备使用的类别、爆炸性气体混合物的温度组别、防爆电气设备的防爆型式来划分的。
防爆电气设备分为两类:I类为煤矿井下用电气设备;II为除矿井以外的场所使用的电气设备,依照最大试验安全间隙(MESG)或最小点燃电流(MICR)来区分,II 类电器设备又分为:IIA、IIB、IIC 三个类别。
以上四个类别主要是根据不同工况下可能引爆的最小火花能量,我国和欧洲及世界上大部分国家和地区将爆炸性气体分此四个危险等级,具体区别如下表:组别对比其次,根据爆炸性气体混合物按引燃温度的差异,组别又分为T1、T2、T3、T4、T5、T6六种,引燃温度用t(℃)表示,各组别的引燃温度为:T1为:450℃<t;T2为:300℃<t ≤450 ℃;T3为:200℃<t ≤300 ℃;T4为:135℃<t ≤200℃;T5为:100℃<t ≤135℃;T6为:85℃<t ≤100℃。
再次,针对不同的用途,防爆电气的防爆型式有所不同,型式分主要包括为:1、各种防爆型式的对应标准:防爆型式在英国允许使用的场所中国标准GB3836防爆型式符号IEC标准79-CENELEC标准EN50防爆方法对危险场所的适用性:序号防爆型式代号国家标准防爆措施适用区域1 隔爆型 d GB3836.2 隔离存在的点火源 Zone1,Zone22 增安型 e GB3836.3 设法防止产生点火源 Zone1,Zone23 本安型 ia GB3836.4 限制点火源的能量 Zone0-2本安型 ib GB3836.4 限制点火源的能量 Zone1,Zone24 正压型 p GB3836.5 危险物质与点火源隔开 Zone1,Zone25 充油型 o GB3836.6 危险物质与点火源隔开 Zone1,Zone26 充砂型 q GB3836.7 危险物质与点火源隔开 Zone1,Zone27 无火花型 n GB3836.8 设法防止产生点火源 Zone28 浇封型 m GB3836.9 设法防止产生点火源 Zone1,Zone29 气密型 h GB3836.10 设法防止产生点火源 Zone1,Zone2示例:防爆标志为dIIBT4,代表:防爆电气产品的型式为隔爆型,是使用在II类场所的IIB级(类)别,爆炸性气体的引燃温度为T4的组别。
IEC 防爆等级标准IEC 防爆等级标准格式:Ex(ia)ⅡC T4爆炸是物质从一种状态,经过物理或化学变化,突然变成另一种状态,并放出巨大的能量。
急剧速度释放的能量,将使周围的物体遭受到猛烈的冲击和破坏。
爆炸必须具备的三个条件:1 )爆炸性物质:能与氧气(空气)反应的物质,包括气体、液体和固体。
(气体:氢气,乙炔,甲烷等;液体:酒精,汽油;固体:粉尘,纤维粉尘等。
)2 )氧气:空气。
3 )点燃源:包括明火、电气火花、机械火花、静电火花、高温、化学反应、光能等。
为什么要防爆爆炸性危险气体分类根据可能引爆的最小火花能量,我国和欧洲及世界上大部分国家和地区采用的国际电工委员会(IEC)标准将爆炸性气体分为四个危险等级:防爆级别Ⅱ类电气设备的最高表面温度分组国家标准GB关于防爆等级标准的规定:序号防爆型式代号国家标准GB 防爆措施适用区域1 隔爆型d GB3836.2 隔离存在的点火源2 增安型e GB3836.3 设法防止产生点火源3 本安型ia GB3836.4 限制点火源的能量本安型ib GB3836.4 限制点火源的能量4 正压型p GB3836.5 危险物质与点火源隔开5 充油型o GB3836.6 危险物质与点火源隔开6 充砂型q GB3836.7 危险物质与点火源隔开7 无火花型n GB3836.8 设法防止产生点火源8 浇封型m GB3836.9 设法防止产生点火源9 气密型h GB3836.10 设法防止产生点火源防爆等级标准术语:有关防爆术语及标准安全栅安全参数定义:*8226; 安全栅最高允许电压:Um保证安全栅本安端的本安性能,允许非本安端可能输入的最高电压*8226; 安全栅最高开路电压:Uoc在最高允许电压范围内本安端开路时电压最大值*8226; 安全栅最大短路电流:Isc在最高允许电压范围内本安端短路时的电流最大值*8226; 安全栅允许分布电容:Ca保证本质安全性能情况下本安端最大允许外接电容*8226; 安全栅允许分布电感:La保证本质安全性能情况下本安端最大允许外接电感防爆标志格式说明:将工厂或矿区的爆炸危险介质,按其引燃能量,最小点燃温度以及现场爆炸性危险气体存在的时间周期进行科学分类分级,以确定现场防爆设备的防爆标志和防爆形式。
防爆等级E x i bⅡB T是什么意思?Ex是防爆电气产品的标志,ib是可以应用于一区二区的本质安全型电气产品,ⅡB是可以应用于ⅡB类气体与空气形成的爆炸性混合物环境中,防爆等级划分,主要分为I类(矿用)、II类(厂用)。
其中II类又分为:IIA、IIB、IIC(安全级别:A<B<C)T是温度组别,T4是指设备表面温度不超过135度,T6安全级别最高,也就是设备表面温度越低越好。
综合来说就是本防爆产品为可用于ⅡB类气体的一区二区,设备表面温度不超过135度的本质安全型防爆电气产品。
淀粉粉尘被引燃的最大温度:410℃~430℃名词解释:1、T:爆炸性环境用电气设备按其最高表面温度划分为T1-T6组别交换机,光端机,等弱电电子设备的标准一般设为T6;2 ia 等级:在正常工作、一个故障和二个故障时均不能点燃爆炸性气体混合物的电气设备。
正常工作时,安全系数为 2.0;一个故障时,安全系数为 1.5;二个故障时,安全系数为 1.0 。
注:有火花的触点须加隔爆外壳、气密外壳或加倍提高安全系数。
ib 等级:在正常工作和一个故障时不能点燃爆炸性气体混合物的电气设备。
正常工作时,安全系数为 2.0 ;一个故障时,安全系数为 1.5 。
正常工作时,有火花的触点须加隔爆外壳或气密外壳保护,并且有故障自显示的措施,一个故障时安全系数为 1.0 。
EExd:是指将爆炸包起来的意思弱电设备自我感觉防爆等级是ia?3、Ⅰ类是矿类,Ⅱ类是厂用类。
Ⅱ类又可分为ⅡA、ⅡB、ⅡC类,标志ⅡB的设备可适用于ⅡA设备的使用条件;ⅡC可适用于ⅡA、ⅡB的使用条件。
4、1、国际电工委员会/欧洲电工委员会划分的危险区域的等级分类0区(Zone 0):易爆气体始终或长时间存在;连续地存在危险性大于1000小时/每年的区域;1区(Zone 1):易燃气体在仪表的正当工作过程中有可能发生或存在;断续地存在危险性10~1000小时/每年的区域;2区(Zone 2):一般情形下,不存在易燃气体且即使偶尔发生,其存在时间亦很短;事故状态下存在的危险性0.1~10小时/每年的区域;5、ⅡA、ⅡB、ⅡC类的区别:气体组别注:中国GB3836标准规定ⅡC级最小点燃能量为19微焦耳,ⅡA级最小点燃能量为200微焦耳。
IEC 防爆等级标准IEC 防爆等级标准格式:Ex(ia)ⅡC T4爆炸是物质从一种状态,经过物理或化学变化,突然变成另一种状态,并放出巨大的能量。
急剧速度释放的能量,将使周围的物体遭受到猛烈的冲击和破坏。
爆炸必须具备的三个条件:1 )爆炸性物质:能与氧气(空气)反应的物质,包括气体、液体和固体。
(气体:氢气,乙炔,甲烷等;液体:酒精,汽油;固体:粉尘,纤维粉尘等。
)2 )氧气:空气。
3 )点燃源:包括明火、电气火花、机械火花、静电火花、高温、化学反应、光能等。
为什么要防爆爆炸性危险气体分类根据可能引爆的最小火花能量,我国和欧洲及世界上大部分国家和地区采用的国际电工委员会(IEC)标准将爆炸性气体分为四个危险等级:防爆级别Ⅱ类电气设备的最高表面温度分组国家标准序号防爆型式代号国家标准GB 防爆措施适用区域1 隔爆型d GB3836.2 隔离存在的点火源2 增安型e GB3836.3 设法防止产生点火源3 本安型ia GB3836.4 限制点火源的能量本安型ib GB3836.4 限制点火源的能量4 正压型p GB3836.5 危险物质与点火源隔开5 充油型o GB3836.6 危险物质与点火源隔开6 充砂型q GB3836.7 危险物质与点火源隔开7 无火花型n GB3836.8 设法防止产生点火源8 浇封型m GB3836.9 设法防止产生点火源9 气密型h GB3836.10 设法防止产生点火源防爆等级标准术语:有关防爆术语及标准安全栅安全参数定义:*8226; 安全栅最高允许电压:Um保证安全栅本安端的本安性能,允许非本安端可能输入的最高电压*8226; 安全栅最高开路电压:Uoc在最高允许电压范围内本安端开路时电压最大值*8226; 安全栅最大短路电流:Isc在最高允许电压范围内本安端短路时的电流最大值*8226; 安全栅允许分布电容:Ca保证本质安全性能情况下本安端最大允许外接电容*8226; 安全栅允许分布电感:La保证本质安全性能情况下本安端最大允许外接电感防爆标志格式说明:将工厂或矿区的爆炸危险介质,按其引燃能量,最小点燃温度以及现场爆炸性危险气体存在的时间周期进行科学分类分级,以确定现场防爆设备的防爆标志和防爆形式。
配电箱防爆等级划分
配电箱的防爆等级是根据其在危险环境中使用时防爆性能的不同而划分的。
防爆等级通常按照国际电工委员会(IEC)的标准进行分类。
以下是常见的配电箱防爆等级划分:
1.Exd(d防爆):这是一种常见的防爆等级,表示防爆外壳。
在Exd等级的配电箱中,电器设备安装在防爆外壳内,当环境中发生爆炸时,外壳能够承受并防止火花或高温气体进入外部环境。
2.Exe(e防爆):表示电器设备具有增强的防护性能,能够有效阻止火花的扩散。
这种等级通常用于要求防火花的场所。
3.Exp(p防爆):指的是电器设备的防护性能,主要通过外部填充介质(例如油或树脂)来防爆。
4.Exi(i防爆):表示电器设备的内部电路在正常工作条件下不会产生足够的能量来引发爆炸。
5.Exm(m防爆):防爆型,通常应用于能够容忍火花产生的场所。
这种等级要求电器设备内部构造紧凑,防止火花扩散。
IEC 防爆等级标准IEC防爆等级标准格式:E x(ia)ⅡC T4爆炸是物质从一种状态,经过物理或化学变化,突然变成另一种状态,并放出巨大的能量。
急剧速度释放的能量,将使周围的物体遭受到猛烈的冲击和破坏。
爆炸必须具备的三个条件:1)爆炸性物质:能与氧气(空气)反应的物质,包括气体、液体和固体。
(气体:氢气,乙炔,甲烷等;液体:酒精,汽油;固体:粉尘,纤维粉尘等。
)2)氧气:空气。
3)点燃源:包括明火、电气火花、机械火花、静电火花、高温、化学反应、光能等。
为什么要防爆爆炸性危险气体分类根据可能引爆的最小火花能量,我国和欧洲及世界上大部分国家和地区采用的国际标准化组织I SO与国际电工委员会(I EC)标准将爆炸性气体分为四个危险等级:防爆级别Ⅱ类电气设备的最高表面温度分组国家标准GB关于防爆等级标准的规定:序号防爆型式代号国家标准GB 防爆措施适用区域1隔爆型 d GB3836.2隔离存在的点火源2增安型 e GB3836.3设法防止产生点火源3本安型 ia GB3836.4限制点火源的能量本安型 ib GB3836.4限制点火源的能量4正压型 p GB3836.5危险物质与点火源隔开5充油型 o GB3836.6危险物质与点火源隔开6充砂型 q GB3836.7危险物质与点火源隔开7无火花型 n GB3836.8设法防止产生点火源8浇封型 m GB3836.9设法防止产生点火源9气密型 h GB3836.10设法防止产生点火源防爆等级标准术语:有关防爆术语及标准安全栅安全参数定义:*8226; 安全栅最高允许电压: U m保证安全栅本安端的本安性能,允许非本安端可能输入的最高电压*8226; 安全栅最高开路电压: U oc在最高允许电压范围内本安端开路时电压最大值*8226; 安全栅最大短路电流: Isc在最高允许电压范围内本安端短路时的电流最大值*8226; 安全栅允许分布电容: C a保证本质安全性能情况下本安端最大允许外接电容*8226; 安全栅允许分布电感: La保证本质安全性能情况下本安端最大允许外接电感防爆标志格式说明:将工厂或矿区的爆炸危险介质,按其引燃能量,最小点燃温度以及现场爆炸性危险气体存在的时间周期进行科学分类分级,以确定现场防爆设备的防爆标志和防爆形式。
IEC 防爆等级标准IEC 防爆等级标准格式:Ex(ia)ⅡC T4爆炸是物质从一种状态,经过物理或化学变化,突然变成另一种状态,并放出巨大的能量。
急剧速度释放的能量,将使周围的物体遭受到猛烈的冲击和破坏。
爆炸必须具备的三个条件:1 )爆炸性物质:能与氧气(空气)反应的物质,包括气体、液体和固体。
(气体:氢气,乙炔,甲烷等;液体:酒精,汽油;固体:粉尘,纤维粉尘等。
)2 )氧气:空气。
3 )点燃源:包括明火、电气火花、机械火花、静电火花、高温、化学反应、光能等。
为什么要防爆爆炸性危险气体分类根据可能引爆的最小火花能量,我国和欧洲及世界上大部分国家和地区采用的国际电工委员会(IEC)标准将爆炸性气体分为四个危险等级:防爆级别Ⅱ类电气设备的最高表面温度分组国家标准GB关于防爆等级标准的规定:序号防爆型式代号国家标准GB 防爆措施适用区域1 隔爆型d GB3836.2 隔离存在的点火源2 增安型e GB3836.3 设法防止产生点火源3 本安型ia GB3836.4 限制点火源的能量本安型ib GB3836.4 限制点火源的能量4 正压型p GB3836.5 危险物质与点火源隔开5 充油型o GB3836.6 危险物质与点火源隔开6 充砂型q GB3836.7 危险物质与点火源隔开7 无火花型n GB3836.8 设法防止产生点火源8 浇封型m GB3836.9 设法防止产生点火源9 气密型h GB3836.10 设法防止产生点火源防爆等级标准术语:有关防爆术语及标准安全栅安全参数定义:*8226; 安全栅最高允许电压:Um保证安全栅本安端的本安性能,允许非本安端可能输入的最高电压*8226; 安全栅最高开路电压:Uoc在最高允许电压范围内本安端开路时电压最大值*8226; 安全栅最大短路电流:Isc在最高允许电压范围内本安端短路时的电流最大值*8226; 安全栅允许分布电容:Ca保证本质安全性能情况下本安端最大允许外接电容*8226; 安全栅允许分布电感:La保证本质安全性能情况下本安端最大允许外接电感防爆标志格式说明:将工厂或矿区的爆炸危险介质,按其引燃能量,最小点燃温度以及现场爆炸性危险气体存在的时间周期进行科学分类分级,以确定现场防爆设备的防爆标志和防爆形式。
危险区域的等级分类危险场所区域的含义,是对该地区实际存在危险可能性的量度,由此规定其可适用的防爆型式。
1、国际电工委员会/欧洲电工委员会划分的危险区域的等级分类0区(Zone 0):易爆气体始终或长时间存在;连续地存在危险性大于1000小时/每年的区域;1区(Zone 1):易燃气体在仪表的正当工作过程中有可能发生或存在;断续地存在危险性10~1000小时/每年的区域;2区(Zone 2):一般情形下,不存在易燃气体且即使偶尔发生,基存在时间亦很短;事故状态下存在的危险性0.1~10小时/每年的区域;中国划分的有效区域和以上相同。
2、易爆区域等级划分,国际标准与美国标准的对照比较I.E.C. N.E.C.气体Zone 0 Class I, Division IZone 1 Class I, Division IZone 2 Class I, Division II粉尘Zone 10 Class II, Division IZone 11 Class II, Division III.E.C.:国际电工技术委员会(Internaional Electrotechnical Commission)N.E.C.:美国电气规程(National Electrical Code, U.S.A.)[编辑本段]防爆标志解析注:中国GB3836标准规定ⅡC级最小点燃能量为19微焦耳,ⅡA级最小点燃能量为2 00微焦耳。
气体分组和点燃温度,在一定环境温度和压力下与可燃性气体和空气的混合浓度有关。
根据可能引爆的最小火花能量,我国和欧洲及世界上大部分国家和地区采用的国际电工委员会(IEC)标准将爆炸性气体分为四个危险等级:美国和加拿大首先将散布在空气中的爆炸性物体分成:三个CLASS(类别):CLASSⅠ气体和蒸气;CLASS Ⅱ尘埃;CLASS Ⅲ纤维。
然后再将气体和尘埃分成Group(组):组名代表性气体或尘埃A 乙炔B 氢气C 乙烯D 丙烷E 金属尘埃F 煤炭尘埃G 谷物尘埃2、温度组别(T组)这是与气体点燃温度有关的电气设备(假定环境温度为40℃时)的最高表面温度,点燃能量与点燃温度无关。
iec电机防爆等级摘要:1.IEC 电机防爆等级的概述2.IEC 电机防爆等级的分类3.IEC 电机防爆等级的标志4.IEC 电机防爆等级的选型5.IEC 电机防爆等级的应用场景正文:一、IEC 电机防爆等级的概述IEC 电机防爆等级是指电机在爆炸性环境中使用的安全性能等级。
根据国际电工委员会(IEC)的标准,电机防爆等级分为不同的类型,以适应不同危险场所的需求。
这些等级主要根据电机的防爆性能、防爆结构和防爆材料等因素进行划分。
二、IEC 电机防爆等级的分类IEC 电机防爆等级主要分为以下几类:1.隔爆型(d):该类型的电机具有良好的防爆性能,能够在爆炸性环境中安全使用。
其主要特点是电机内部设置了防爆腔,能有效防止爆炸性物质侵入。
2.正压型(p):该类型的电机在正常运行时,内部压力保持正压,从而防止爆炸性物质侵入。
其主要特点是电机内部有正压通风系统,以保持内部压力的稳定。
3.增安型(e):该类型的电机采用了特殊的设计和材料,以提高电机的安全性能。
其主要特点是电机内部采用了防爆材料,以及特殊的结构设计,以减小爆炸风险。
4.无火花型(n):该类型的电机在运行过程中不会产生火花,从而降低了爆炸风险。
其主要特点是电机采用了特殊的设计和材料,以消除火花产生的可能性。
三、IEC 电机防爆等级的标志IEC 电机防爆等级的标志主要包括以下几部分:1.EX:表示该电机符合国际电工委员会的防爆标准。
2.代号:表示电机的防爆类型,如d、p、e 等。
3.C:表示电机的防护等级,即电机的防护能力。
4.T:表示电机的温度组别,根据电机温升的不同,分为T1 至T6 六个组别。
四、IEC 电机防爆等级的选型在选择IEC 电机防爆等级时,需要根据使用场景的爆炸性气体种类、浓度、温度等条件进行选择。
此外,还需要考虑电机的防护能力、防爆性能、安装维护等因素。
五、IEC 电机防爆等级的应用场景IEC 电机防爆等级广泛应用于煤矿、化工、石油、医药等行业的爆炸性环境中。
IEC 防爆等级标准
IEC 防爆等级标准
IEC 防爆等级标准格式:Ex(ia)ⅡC T4
根据可能引爆的最小火花能量,我国和欧洲及世界上大部分国家和地区采用的国际电工委员会(IEC)标准将爆炸性气体分为四个危险等级:
防爆级别
Ⅱ类电气设备的最高表面温度分组
爆发等级:eG1,eG2,eG3(表示安全增防爆构造之记号, G表示发火度)
G1 使用场所发火温度:450℃以上
马达温升限度:320℃
G2 使用场所发火温度:300℃ ~ 450℃以下
马达温升限度:200℃
G3 使用场所发火温度:200℃ ~ 300℃以下
马达温升限度:120℃
注:马达温升限度表示马达外壳表面之温度上升限度。