采购-入库作业流程图
- 格式:doc
- 大小:95.50 KB
- 文档页数:1
采购工作流程XXX采购流程为规范采购流程,提高采购工作效率,特制定本制度。
适用范围:本公司采购管理。
总则:所有采购人员及相关人员应以本制度为依据开展工作。
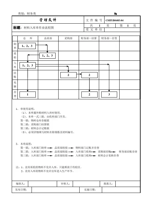
采购基本流程:采购需求→采购计划→寻找供货商→询价、比价、议价→采购洽谈→合同签订(确定付款条件、配送方式、售后服务)→交货验收(仓管)→质检(不合格退货)→入库→计划对账→财务结算。
申请商品采购流程图:提出需求→采购部审批(有合同)→采购订购→采购部审批(无合同)→总经理审批→销售部。
申请付款流程图:根据供应商帐期限→采购计划员对账→采购部长审批→总经理审批。
商品到货验收流程:仓管打入库单→仓库凭入库单确认型号、数量、包装等→成本会计审核入库单→合格进仓,不合格退回供应商。
采购计划:采购员应根据请购单和公司销售计划制订采购计划。
供应商的选择和考核:供应商的选择与考核,一般从经营情况、供应能力、品质能力等方面评定,并定期从质量、运货、价格、逾期率、是否配合等方面综合打分。
询价、比价、议价。
合同的签订:买卖双方经过询价、报价、议价、比价及其它过程,最后双方签订有关协议,合约即告成立。
采购合同的签订要根据采购商品的要求、供应商的情况、企业本身的管理要求、采购方针等要求的不同而各不相同。
需与财务部核实确定付款条件、货运方式、售后服务等情况。
交货验收:采购员必须确定货物品种、数量、质量、交货期的正确无误。
以采购员的确定和合同为验收数据。
质检:货物质检合格则入库,不合格的,需安排补救和退货。
财务结算:货物入库后,财务结算。
采购管理制度是企业管理中非常重要的一环。
为了保证采购设备的质优价廉,我们需要建立供应商资料管理册和售后服务管理表。
同时,我们还需要建立、建全比价制度,以确保我们的采购设备质量优良,价格合理。
每月末,我们需要对本月的付款、欠款和欠票情况进行汇总和总结,同时提出下月用款计划。
这样可以帮助我们更好地掌握资金流动状况,为企业的财务管理提供有力的支持。
仓库工作流程一、物品入库(一)物品采购回来后首先办理入库手续,由采购人员向仓库人员逐件交接。
仓库人员要根据采购订单的项目认真清点所要入库物品的数量,并检查好物品的规格、质量,做到数量、规格、品种,价格准确无误,质量完好,配套齐全,并在接收单上签字,并开具入库单(或在入库登记簿上共同签字确认)。
(二)对于在外加工货物应认真清点所要入库物品的数量,并检查好物品的规格、质量,做到数量、规格、品种准确无误,质量完好,配套齐全,并在接收单上签字,并开具入库单。
(三)物品入库根据入库凭证,现场交接接收,必须按所购物品条款内容、物品质量标准,对物品进行检查验收,并做好入库登记。
(四)物品验收合格后,应及时入库。
(五)物品入库,要按照不同的型号、材质、规格、功能和要求,分类、分别放入货架的相应位置储存,在储存时注意做好防锈,防潮处理,保证货物的安全。
(六)物品数量准确、价格不串。
做到帐、物料卡、货物相符合。
发生问题不能随意的更改,应查明原因,是否有漏入库,多入库。
(七)精密、易碎及贵重货物要轻拿轻放.严禁挤压、碰撞,倒置,要做到妥善保存,其中贵重物品应入公司内小仓库保存,以防盗窃。
(八)做好防火、防盗、防潮工作,严禁与我公司无关的人员进入仓库。
(九)仓库保持通风,保持库室内整洁,由于仓库的容量有限,货物的摆放应整齐紧凑,作到无遮掩,物料卡要醒目,便于识别辨认。
二、物品出库(一)物品出库,仓库人员要做好记录,领用人签字。
(二)物品出库,数量要准确(账面出库数量要和领料单,实际出库实际数量相符)。
做到帐、物料卡、货物相符合。
发生问题不能随意的更改,应查明原因,是否有漏出库,多出库。
(三)仓库人员严格执行凭领料单发货,无单不发货,内容填写不准确不发货,数目有涂改痕迹不发货,发生上述问题应及时的与相关的责任人做好货物的核对,保证发货的正确性,及时解决,及时供货,保证合同的完整履行。
(四)仓库人员要做好出库登记,并定期向主管部门做出入库报告。