OptiX Metro500II电源板和蓄电池介绍
- 格式:doc
- 大小:152.50 KB
- 文档页数:2
OptiX Metro500简述一.概况简介OptiX Metro500 紧凑型STM-1多业务传输平台是为提高光传送网的带宽运营效率和管理效率而设计,能够实现STM-1、E1/T1、E3/T3、N×64k和以太网业务的传送与管理。
OptiX Metro500具备高度的集成度、简易的安装方式和多种电源接入方法,使其适合电信运营商用来传送末端接入的业务,降低电信网的运营成本二.功能描述OptiX Metro500有两种外形。
OptiX Metro500 Ⅱ和OptiX Metro500Ⅰ相比,增加了蓄电池的功能,产品外观和安装方式也不同。
Ⅱ型设备提供220V AC电源接入和蓄电池充放电功能,采用壁挂式安装方式。
业务接口丰富 .交叉能力OptiX Metro 500设备的交叉容量为6×6VC-4全交叉,OptiX Metro 500设备的交叉容量为6×6VC-4全交叉。
三.特征与优势1.业务接口丰富SDH接口:OptiX Metro500提供多种规格的STM-1光接口PDH接口:OptiX Metro500可以提供多路E1、T1、E3、T3接口以太网接口:OptiX Metro500提供10/100M以太网接口N×64K接口:OptiX Metro500支持多路N×64K接口时钟接口:OptiX Metro500提供外时钟输入输出接口开关量接口:OptiX Metro500提供开关量输入和输出接口透明数据接口:OptiX Metro500提供异步透明数据口,最大速率19.2k .组网和保护组网和保护可以组成链型网,也可以组成环网,支持单双向通道保护、线性复用段保护2.网络管理OptiX iManager T2000可对OptiX Metro 500进行集中操作、维护和管理(OAM),实现电路的配置和调度,保证网络安全运行,同时也支持Web Server进行本地化管理。
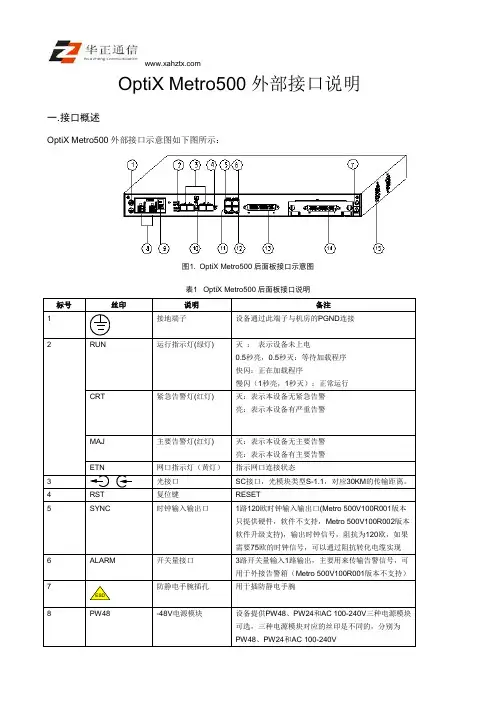
OptiX Metro500外部接口说明一.接口概述OptiX Metro500外部接口示意图如下图所示:图1.OptiX Metro500后面板接口示意图表1OptiX Metro500后面板接口说明标号丝印说明备注1 接地端子设备通过此端子与机房的PGND连接2 RUN 运行指示灯(绿灯) 灭:表示设备未上电0.5秒亮,0.5秒灭:等待加载程序快闪:正在加载程序慢闪(1秒亮,1秒灭):正常运行CRT 紧急告警灯(红灯) 灭:表示本设备无紧急告警亮:表示本设备有严重告警MAJ 主要告警灯(红灯) 灭:表示本设备无主要告警亮:表示本设备有主要告警ETN 网口指示灯(黄灯)指示网口连接状态3 光接口SC接口,光模块类型S-1.1,对应30KM的传输距离。
4 RST 复位键RESET5 SYNC 时钟输入输出口1路120欧时钟输入输出口(Metro 500V100R001版本只提供硬件,软件不支持,Metro 500V100R002版本软件升级支持),输出时钟信号,阻抗为120欧,如果需要75欧的时钟信号,可以通过阻抗转化电缆实现6 ALARM 开关量接口3路开关量输入1路输出,主要用来传输告警信号,可用于外接告警箱(Metro 500V100R001版本不支持)7防静电手腕插孔用于插防静电手腕ESD标号丝印说明备注8 PW48 -48V电源模块设备提供PW48、PW24和AC 100-240V三种电源模块可选,三种电源模块对应的丝印是不同的,分别为PW48、PW24和AC 100-240V9 ON/OFF 电源开关设备上电10 LOS左光接口LOS指示灯表示光口1(左边)的状态,光口接收光功率过低产生LOS告警,指示灯亮(红色)11LOS 右光接口LOS指示灯表示光口2(右边)的状态,光口接收光功率过低产生LOS告警,指示灯亮(红色)(当设置是单光口的时候,没有左光口LOS指示灯,只有由光口LOS指示灯,此时右光口为光口1)EHERNET 网管接口接网管计算机或者调试计算机12 F2 透明数据口主要用于用户透明数据的收发,电气特性为RS-23213 16 1 本板支路接口DB78,有8路E1(PL1S)或16路E1(PL1D),75欧或120欧14 16 1 扩展槽位支路接口DB78,16路E1(SS45SP2),75欧或120欧15 风扇设备有提供2个风扇,不可插拔二.接口说明下面的说明是和上面的接口对应的,请对照阅读。
OptiX Metro500基本资料介绍一.OptiX Metro 500的面板如图所示面板说明:标号名称说明备注1 接地端子设备通过此端子与机房的PGND连接,保证设备接地2 RUN 运行指示灯(绿灯)灭:表示设备未上电0.5秒亮,0.5秒灭:等待加载程序1秒闪5次:正在加载程序1秒亮,1秒灭:正常运行CRT 紧急告警灯(红灯)灭:无紧急告警亮:有紧急告警MAJ 主要告警灯(红灯)灭:无主要告警亮:有主要告警3 两路STM-1光接口光模块类型:S-1.1,对应的传输距离是:30km4 RST 复位键设备复位5 SYNC 时钟输入输出口1路120欧姆时钟输入输出口6 ALARM 开关量接口3路开关量输入1路输出7 防静电手腕插孔8 PW48 -48V电源板-48V DC(-36~72V)电源板和220 V AC(100~240V)电源板9 ON/OFF 电源开关10 左光接口指示灯(红色)亮:接收光功率过低或收无光灭:接收光功率正常右光接口指示灯(红色)亮:接收光功率过低或收无光灭:接收光功率正常11 ETHERNET 网管接口用于连接网管计算机12 F2 异步透明数据口主要用来传输环境监控数据,电气特性为RS-23213 E1接口8路E1电接口支持8路E1的传输二.OptiX Metro 500单板介绍主控、公务、交叉、时钟、线路、支路合一板:42/43ISU支路板:SP2D、PL3以太网板:EFS、EFT、ET1DDDN板:N64注:Metro 500设备的单板都为SS4xXXX系列三.OptiX Metro 500特性介绍交叉能力:6×6 VC4的高阶交叉,交叉板不支持低阶交叉业务接入能力:32×E1、3×E3/T3、4×FE网络级保护:SNCP、1+1 LMSP、1:1 LMSP设备级保护:电源主备、BPS子架尺寸:436mm(宽)%293mm(深)%42mm(高)(I型);350mm(宽)×300mm(深)×130mm(高)(II型)接入电源类型:-48V/-60V DC 、+24V DC、110V/220V AC 满配功耗:50W(I型);35W(II型)支路板出线方式:无接口板,处理板直接前出线。
OptiX Metro100设备硬件构造以OptiX Metro100混合业务接入类型设备为例,按功能将系统构造划分为如图1所示的几部分:•2xSTM-1线路单元•E1支路单元•以太网单元•穿插单元•时钟单元•控制单元•电源单元•堆叠单元•外置UPM单元OptiX Metro100系统构造图OptiX Metro100设备的逻辑板位分布如表所示。
机盒介绍OptiX Metro100机盒前后面板上的接口、指示灯、按钮和开关。
OptiX Metro100机盒上的接口及按钮各标签代表的含义如表所示。
功能单元介绍OptiX Metro100各功能单元的功能和特性。
PDH单元的功能如表1所示。
SDH单元的功能如表2所示。
时钟单元的功能如表3所示。
电源单元的功能如表4所示。
以太网单元的功能如表5所示。
扩展单元的功能如表6所示。
电源集中管理单元UPM在高可靠性环境中,OptiX Metro100支持使用UPM电源盒作为电源系统,通过COM口对电源盒进展监控。
面板图UPM反面面板如下列图。
UPM的面板指示灯电源盒面板左侧的整流模块指示灯有:•整流模块故障状态灯〔ALM〕—红色指示灯•整流模块输出状态灯〔Vout〕—绿色指示灯电源盒面板上方的监控模块指示灯有:•电源系统故障状态灯〔ALM〕—红色指示灯•电源系统状态灯〔RUN〕—绿色指示灯接口电源盒面板上共有4个接口,各接口类型和用途如表1所示。
电源参数UPM的电源参数如表2所示。
光纤和线缆OptiX Metro100采用G.657A2光纤连接器,光纤连接器如下列图。
OptiX Metro100的光纤连接器电源线OptiX Metro100的设备电源线包括直流电源线和交流电源线。
分别如图1和图2所示。
图1OptiX Metro100的直流电源线缆图2 OptiX Metro100的交流电源线缆保护地线OptiX Metro100的保护地线如图3所示。
图3 OptiX Metro100的保护地线业务线缆OptiX Metro100的E1电缆如表所示。
Optix Metro500设备特性1.业务接入能力OptiX Metro500通过不同配置可以实现不同容量的业务接入,其各种业务的最大接入能力如下:2.设备管理方式OptiX Metro500支持两种设备管理方式:1)OptiX iManager T2000网络管理系统OptiX iManager T2000可对OptiX Metro500进行集中操作、维护和管理(OAM),实现电路的配置和调度,保证网络安全运行。
2)Web-LCT只要终端计算机的Explorer浏览器的版本在5.0以上,输入IP地址,即可实现OptiX Metro 500业务配置、告警查询等网络管理功能。
3.网络保护OptiX Metro500支持的网络保护有:1)通道保护单向通道保护双向通道保护2)线性复用段保护1+1 线性复用段保护1:1 线性复用段保护OptiX Metro500只支持对EFT 单元的SNCP保护倒换。
4.设备级保护:电源系统的保护;异常情况下的单元保护1)OptiX Metro500 I型设备-48V (+24V) DC供电:提供两路电源输入端口,互为备份。
内部电源模块双备份。
可以监测输入电压的过压、欠压,并上报告警。
220V AC供电:内部电路双备份,提供电源模块失效告警。
OptiX Metro500II型设备设备提供蓄电池。
当220V AC正常时,蓄电池充电;当220V AC 断电时,蓄电池放电保证设备正常工作。
提供蓄电池欠压保护功能2)异常情况下的单元保护:软件加载过程中的断电加载中断后BIOS不会启动未加载成功的程序和数据,而是等待继续加载,直到软件加载成功。
电源过压、欠压的保护电源板上的防雷器件可以有效抑制瞬间高压(如雷击)可能造成的危害。
电压过低时,自动复位CPU,软件将重新初始化芯片。
软件升级保护系统控制板内保存两份主机软件。
加载新版本软件不影响当前设备运行。
新版本软件在校验后才取代旧版本软件。
OptiX Metro1050PDH接口板介绍单板面板上的条码标记有“A”的,表明是接口阻抗为75Ω的单板;单板面板上的条码标记有“B”的,表明是接口阻抗为120Ω的单板。
E1/E3信号的码型为HDB3码,T1信号的码型为B8ZS或者AMI码,T3信号的接口码型为B3ZS码。
单板的前面板没有连接器,必须配合C12/C34S或者C34/C34S完成相应电信号的接入。
PDH接口板有一个指示灯(绿色)长亮表示单板配置了数据且处于工作状态,长灭表示单板没有配置业务或者处于保护状态。
当PL3板配置了TPS,必须配合C34S和TSB3板完成E3/T3信号的输入和输出。
电接口转接板C12与PL1D、PL1S、PM1D、PM1S、PF1D、PF1S板配合使用完成E1/T1电信号的转接功能,当配置TPS保护的时候,必须使用C12S。
在没有配置TPS的情况下C12S可以同C12 使用。
C34S板是3路E3/T3信号转接板,与PL3配合使用完成E3/T3信号电转接,设备配置TPS保护时,C34S板可以插在Slot 24,25,30,31槽位(Slot26和Slot32插入TSB3,必须有TSB3配合才能够完成E3/T3信号的TPS功能),设备不配置TPS保护时,C34S板作为信号转接板可以插在Slot 24,25,26,30,31,32槽位。
C12S、C34S和TSB3的参考原理图如下:µçÀµçÀÂDB78Á¬½ÓÆ÷slot 4£¬5£¬6£¬10£¬11slot 12slot 4£¬5£¬6£¬10£¬11slot 12¿ª¹Ø¿ØÖÆÄ£¿é图1.C12S板的原理框图1、以1路E1/T1信号的输入、输出为例,对C12S板的工作原理进行介绍正常状态下,开关控制模块中的开关指向工作板位的E1/T1电接口板总线;当有倒换事件发生时,开关控制模块中的开关指向保护板位的E1/T1电接口板总线。
SmartPro 120V 500VA 300W Line-Interactive UPS, 1U Rack/Tower, NAFTA version ofSMART500RT1UMODEL NUMBER:SM500RMNAFTADescriptionTripp Lite's SM500RMNAFTA intelligent, line interactive rack/tower uninterruptible power supply prevents data loss, downtime and equipment damage due to power outages, voltage fluctuations and transient surges. Requires only one rack space (1U) in a 2 or 4 post rack, with included accessories for upright tower placement. Large internal batteries offer 8 minutes half load runtime and 3 minutes at full load. Maintains regulated 120V nominal output without using battery power during brownouts as low as 90V. 500VA/300 watt power handling capability is compatible with networking, telecom and other sensitive electronic applications. Includes 6 UPS supported outlets with a single outlet load bank that can be individually controlled via software interface to reboot select equipment on demand or shed less significant loads to extend battery runtime for more critical equipment. Includes 1 surge-only outlet for peripherals not requiring battery backup. Supports simultaneous remote monitoring of UPS and site power conditions via built-in USB and DB9 monitoring ports. Includes PowerAlert UPS monitoring and unattended shutdown software with complete cabling. Built-in accessory slot supports SNMP with optional SNMPWEBCARD adapter. Emergency Power Off (EPO) interface offers option for instantaneous power-off of UPS and connected equipment in the case of fire or emergency situation. Multi-function audible alarms and set of 5 front panel LEDs offer at-a-glance notification of UPS and line power status. Network-grade AC surge suppression protects equipment from damage and performance problems resulting from transient surges and line noise. Attractive all-black color scheme. $250,000 Ultimate Lifetime Insurance (U.S., Canada, and Puerto Rico only).FeaturesSM500RMNAFTA line interactive UPS offers battery derived sine wave AC output during power outages, voltage regulation during brownouts, plus network-grade AC surge suppressionq500VA/300 watt power handling capability compatible with networking, telecom and other sensitive electronic devicesqSupports 1U rackmount installation in 2 or 4 post rack enclosures, upright tower placement alsoq Highlights500VA line interactive 1Urack/tower UPSq6 outlets with 1 switchable loadbankqSimultaneous communicationsvia SNMPWEBCARD slot, USB and DB9 serial portsqIncluded PowerAlert UPSmonitoring software managesan unlimited number of network UPS systemsqBuilt-in voltage regulationcorrects brownouts to 90Vq$250,000 Ultimate LifetimeInsurance (U.S., Canada, andPuerto Rico only)qPackage IncludesSM500RMNAFTA UPS System qMounting hardwareqCabling for USB & DB9monitoring and EPO switching qPowerAlert unattendedshutdown and UPS/Powermonitoring softwareqWarranty information andinstruction manualqSpecificationssupported - mounting accessories includedLarge internal batteries offer runtimes of 17 minutes at half load (250VA/150 watts) and 5 minutes at full load (500VA/300 watts)qMaintains regulated 120V nominal output during brownouts as low as 90Vq Includes 6 UPS-supported outlets, with one pair of individually controllable outlets that can be powered off and back on again via software interfaceqPowerAlert UPS monitoring and unattended shutdown software enables configurable network broadcast messaging, pager & email notification, event logging and running user-defined script commands qOffers simultaneous monitoring by up to 3 directly-connected devices through included USB, DB9 and SNMP* interfaces (*requires optional SNMPWEBCARD), or the monitoring of any number of additional UPS systems over IP with included PowerAlert monitoring software. Free PowerAlert enterprise management software is also available for select opportunitiesqCommunications ports support messaging of UPS and line power status, including on-battery, low-battery, power restored, AC line voltage, DC battery voltage and remaining battery capacity qSupports timed inverter shutoff after unattended shutdown, activate self-test and UPS output power control for scheduled or immediate reboot of connected devicesqSupports Tripp Lite's WatchDog software application to restore unresponsive programs bysystematically restarting applications, operating systems and ultimately rebooting completely locked computers by momentarily switching UPS power off and back on again (requires optional WATCHDOGSW)qBuilt-in accessory slot supports SNMP with optional SNMPWEBCARD adapter q Emergency Power Off (EPO) interface with cableq Multi-function audible alarms and set of 5 front panel LEDs q Network-grade AC surge suppression q Attractive all-black color schemeq UPS battery set ships fully assembled and ready for installation, no time consuming connection of internal batteries by user is necessaryq$250,000 Ultimate Lifetime Insurance (U.S., Canada, and Puerto Rico only)q© 2023 Eaton. All Rights Reserved. Eaton is a registered trademark. All other trademarks are the property of their respective owners.。
OptiX Metro500N64单板功能及原理一.功能1、提供2路V.35/V.24/X.21/RS-449/EIA-530接口和2路Framed E1接口,接口特性满足ITU-T 标准和EIA 标准中的各项指标要求。
2、能够完成将2路网管或监控业务信号(速率一般为N 64kbit/s )和Framed E1业务信号(从接口侧接入的2路Framed E1或来自线路侧的8路Framed E1)进行时隙交叉,完成Framed E1业务的重新整合和时隙抽取功能。
3、支持2路V .35/V.24/X.21/RS-449/EIA-530多协议物理接口信号的整合功能,从而节省了传输带宽。
4、可以通过网管直接对单板进行配置。
5、支持单板业务的64kbit/s 级别的时隙交叉功能。
6、处理通道开销,对每路2M 或N 64kbit/s 的业务通道进行配置、告警和性能监测,并负责单板与主控单元之间的通信。
7、提供内外环回测试的功能,为故障定位提供快速、有效的方法。
8、支持自动保护倒换方式。
二.原理N64单板逻辑框图如图1-1所示。
图1-1 N64单板逻辑框图V.35等多协议物理接口处理模块Framed E1接口处理模块映射/解映射模块邮箱控制模块拉手条母板交叉单元时钟单元2路N ×64K 信号2路Framed E1信号主控单元64K 交叉模块接口处理模块E1成帧模块E1信号处理模块N64单板主要由V.35/V .24/X.21/RS-449/EIA-530等多协议物理接口处理模块(以下简称协议接口处理模块)、Framed E1接口处理模块、E1信号处理模块、映射/解映射模块和控制模块五个部分构成,分别介绍如下。
协议接口处理模块:该模块实现V .35、V .24、X.21、RS-449和EIA-530等多种接口信号的输入和输出功能,并完成N 64kbit/s 信号的协议转换和N 64kbit/s 、2Mbit/s 业务的速率转换等功能。
OptiX Metro 500功能模块OptiX Metro 500按照ITU-T相关建议进行设计,系统功能结构如图16所示1.线路单元OptiX Metro500的线路单元提供一路或两路STM-1光接口,实现STM-1光信号的接收和发送,主要完成STM-1信号的光电转换、开销字节的提取和插入以及线路上各告警信号的产生。
支持线路的内、外环回测试,可以方便快速地定位故障。
OptiX Metro500的线路单元具有如下特点:●光接口特性:可以配置S-1.1、L-1.1、L-1.2三种光模块,提30km/50km/90km等多种光传输距离,以满足用户的各种需求;●具有激光器自动关断功能(ALS);●能够检测并上报线路上的各种告警信号和性能事件;●具有内/外环回的功能;●配合交叉连接单元可组成链形、环形两种网络形式2 .支路单元支路单元包括处理PDH处理单元、以太网单元、N×64k单元。
1.) PDH接口单元OptiX Metro500的PDH处理单元将接入的E1/T1(75&/120&)信号映射进VC-4送入交叉单元,并将来自交叉单元的VC-4中解映射出E1/T1信号;同时将每个通道的性能、告警指示上报给主控单元。
OptiXMetro500的支路单元具有如下特点。
● 提供75&非平衡阻抗接口和120&平衡阻抗接口两种类型,75&接口和120&接口均采用DB78连接器来分别连接同轴电缆和双绞线,接口特性满足ITU-T G.703建议中的各项指标要求;● 处理VC-12的通道开销,对每条业务通道进行配置、告警和性能监测,并负责各业务通道与主控单元之间的通信;●将E1信号按异步映射和复用进VC-4的过程符合ITU-T G.707建议;●具有内、外环回测试的功能,为故障快速定位提供有效的方法;●自动保护倒换功能的实现。
通过网管操作系统设置通道保护倒换功能,支路单元的双发选收功能检测相应通道信号在主/备环上的劣化程度来决定是否发生通道保护。
OptiX Metro500ISU 交叉单元的原理和功能
说明:ISU 板的交叉单元在网管显示为XC 。
一.原理
OptiX Metro500交叉单元可以实现VC-4和VC-12级别的业务交叉,最大实现6 6 VC-4的全交叉。
通过以上两种交叉模式完成线路和支路的业务调度,实现各种设备类型、网络形式和保护方式等的配置。
交叉单元的原理如图1-1所示。
图1-1 交叉单元原理图 VC-4/VC-3/VC-12交叉VC-4交叉VC-4交叉
本板线路
本板支路扩展板位本板线路本板支路
扩展板位VC-4
VC-4主控单元
时钟单元
二.功能
1、交叉单元提供以下功能:
2、实现线路与线路信号、线路和支路信号和支路与支路信号的交叉连接。
3、实现支路E1信号的上下和VC-4的自由调配。
4、支持点对点、链形、环形组网方式。
5、支持TM、ADM网元配置。
OptiX2500+(Metro3000)电源备份板PBU介绍PBU 板是电源备份板(Power Backup Board )。
PBU 板对OptiX2500+(Metro3000)系统中业务处理板上的二次电源模块进行备份,以提高设备供电系统的可靠性。
PBU 板插在OptiX2500+(Metro3000)子架后部特定的板位上。
一.功能和原理功能1.PBU 板将引入的–48V 转换为5V 和3.3V ,作为系统其它被保护的业务板的电源备份。
2.当业务板上的二次电源模块发生故障时,由PBU 板给二次电源模块发生故障的单板供电,不影响业务。
3.保证业务板电源倒换时,不中断业务板的业务,业务不产生误码及其它告警,并且将倒换事件上报主机网管。
4.最多同时能够为两块电源模块失效的业务板提供备份电源。
5.提供PBU 板的在位监测、电源失效检测和电源输出电压过低检测。
6.支持热插拔。
原理PBU 板原理框图如图2-1所示。
图2-1 PBU 板原理框图防护模块滤波模块电源模块输出滤波模块二次电源模块检测控制模块二次电源模块检测控制模块二次电源模块检测控制模块PBU 板业务板1业务板2业务板3-48V3.3V/5V1.防护模块在引入–48V 电源时防止浪涌和冲击。
2.滤波模块对电磁干扰信号进行滤波,以保证设备运行的稳定。
3.电源模块采用成熟的二次电源模块,将–48V电压转换成3.3V和5V电压。
4.输出滤波模块对干扰信号进行滤波,输出稳定的3.3V和5V电压。
在系统正常工作条件下,系统采用分散供电方式,由各业务板上的二次电源模块供电,此时PBU板不工作。
当业务板上的检测控制模块检测到二次电源模块发生故障时,马上由集中供电的PBU板给二次电源模块发生故障的业务板供电,此时PBU板开始工作。
二.面板说明PBU单板面板说明如表2-1所示。
表2-1PBU单板面板说明外观图说明PBUPW1PW2ALM PW1-5V电源运行指示状态含义长亮/红色5V电源输出正常灭5V电源输出不正常PW2-3.3V电源运行指示状态含义长亮/红色 3.3V电源输出正常灭 3.3V电源输出不正常ALM -单板告警指示状态含义长亮/红单板电源输出不正常灭单板电源输出正常拉手条尺寸40mm(宽) 172mm(高)三.接口说明无对外接口。
OptiX Metro 500 紧凑型STM-1多业务传输平台 技术手册目录目录附录A OptiX Metro 500 技术规范.........................................................................................A-1A.1 OptiX Metro 500设备特性.................................................................................................A-1A.1.1 接口类型.................................................................................................................A-1A.1.2 电接口....................................................................................................................A-2A.1.3 光接口....................................................................................................................A-2A.1.4 辅助接口.................................................................................................................A-2A.1.5 应用类型.................................................................................................................A-2A.1.6 电源和功耗.............................................................................................................A-2A.1.7 机械结构.................................................................................................................A-3A.1.8 电磁兼容性.............................................................................................................A-3A.1.9 环境条件.................................................................................................................A-4A.2 OptiX Metro 500主要指标.................................................................................................A-5A.2.1 光接口性能规范......................................................................................................A-5A.2.2 电接口规范.............................................................................................................A-8A.2.3 时钟定时和同步指标...............................................................................................A-9A.2.4 抖动性能指标........................................................................................................A-10A.3 电磁兼容(EMC)测试指标............................................................................................A-13附录A OptiX Metro 500 技术规范A.1 OptiX Metro 500设备特性本节列出了OptiX Metro 500在接口、电源、结构等方面的特性,帮助用户了解OptiX Metro 500。
OptiX metro5000 产品介绍目录目录OptiX 10G(Metro5000)特点 (2)1 OptiX 10G(Metro5000)的功能和特点 (2)OptiX 10G(Metro5000)组网应用 (4)1 链形 (4)2 环形 (5)3 其它复杂组网 (6)OptiX 10G(Metro5000)系统结构 (7)1 OptiX 10G(Metro5000)功能模块 (7)2 OptiX 10G(Metro5000)硬件结构 (9)2.2 机柜 (9)2.3 子架 (10)2.4 电路板 (12)OptiX 10G(Metro5000)特点1 OptiX 10G(Metro5000)的功能和特点1. 交叉连接和多系统支持能力OptiX 10G(Metro5000)交叉矩阵具有768×768 VC-4的高阶无阻塞交叉能力,其中包括4032×4032 VC-12的低阶交叉矩阵,并提供多系统配置的支持能力。
2. 多种网元类型配置OptiX 10G(Metro5000)设备的配置相当灵活。
每个网元既可配置为单个的STM-64 REG、TM或ADM系统或其组合,也可配置为STM-1、STM-4、STM-16、STM-64接口组合的多ADM系统;并实现多系统间业务的交叉连接。
3. 丰富的业务接入类型OptiX 10G(Metro5000)支持以下业务的接入:●STM-64以下各种速率等级的SDH信号的接入●GE和100M FE信号的接入●VC-4-64c、VC-4-16c、VC-4-8c和VC-4-4c的级联业务。
●PDH体制的E1接口电信号的接入4. 更高的单板集成度提供了集收发开销处理于一体的10G速率的线路板、单/双路2.5G速率的线路板、4路622M速率的线路板、8路155M速率的线路板、8/16路STM-1电接入,支持2路GE信号和8路100M FE信号的接入。
OptiX Metro500II电源板和蓄电池介绍
OptiX Metro500II由机箱、220 V 电源板、蓄电池、ISU板和扩展槽位组成。
OptiX Metro500II设备尺寸为:350mm(宽) 300mm(深) 130mm(高)。
图1-1OptiX Metro 500 II设备
220V电源板
蓄电池
接口区
扩展槽位
一.电源板和蓄电池功能
1)为设备提供220V AC电源。
2)用EMI滤波器对设备的电源输入进行滤波。
3)提供整机电源接口的浪涌防护。
4)为单板提供5V稳压电源。
5)对输入电压进行过压、欠压监测和上报。
6)对蓄电池充放电。
7)为蓄电池提供欠压保护。
二.面板说明
220V AC电源板兼容110V AC电源接入,如图1-2所示。
图1-2220V AC电源板
开关
220V电源接口
拉手
三.原理
图1-3电源板原理框图
A B
C
整流、滤波
蓄电池D
交流220V输入
直流48V
电压转换
电压转换
直流5V
ISU板
直流48V
电压监测
A
B
D
ISU板
监测信号
如图1-3所示,交流220V电源输入到电源板后,经过整流滤波和电压转换后,输出–48V直流电源;–48V直流电源再次经过电压转换后,输出直流5V电压给ISU板;同时,–48V直流电源接入到蓄电池,为蓄电池充电。
电压监测模块采集A、B、C、D四个点的电压,当监测到过压、欠压时,将产生告警并上报给ISU板。
当C点欠压时,电源板将启动电池欠压保护功能,切断蓄电池的输出,从而避免了蓄电池过放电。