支座计算书
- 格式:doc
- 大小:151.50 KB
- 文档页数:5
预制梁临时支座砂筒计算一、荷载1.1 工况一:1)连续T 梁每端垫2个砂筒,最不利工况是架桥机吊起T 梁后,中支腿落在某一 片T 梁上。
2)荷载:P=2k )4G 4G (2G 1321⨯++P —单个砂筒顶面所承受的垂直荷载G 1—50mT 梁自重,G 1=1800KNG 2—架桥机重,G 2=2500KNG 3—架桥机所吊装的最大梁片重量,G 3=1800KNk 1—动力系数,k 1=1.2 P=22.1)4180042500(21800⨯++=1095KN1.2 工况二:1)连续箱梁每端垫2个砂筒,最不利工况是架桥机吊起T 梁后,中支腿落在某一 片箱梁上。
2)荷载:P=2k)4G 4G (2G 1321⨯++P —单个砂筒顶面所承受的垂直荷载G 1—50mT 梁自重,G 1=1800KNG 2—架桥机重,G 2=2500KNG 3—架桥机所吊装的最大梁片重量,G 3=967KNk 1—动力系数,k 1=1.2 P=22.1)496742500(21800⨯++=970.1KN二、直径2.1 工况1(T 梁临时支座)1)砂的允许承压强度取15MPa ,则承压区的面积A 0=151010953⨯=73000mm 2 d 0=π04A =14.3730004⨯=305mm 2)实际选用砂筒外径d=340mm ,壁厚δ=12mm ,活塞内径d 0=340-24-3×2=310mm3)实际最大荷载时砂筒内砂压应力1σ=7854.020⨯d P =7854.0310********⨯⨯=14.5Mpa 2.2 工况2(箱梁临时支座)1)砂的允许承压强度取15MPa ,则承压区的面积A 0=15101.9703⨯=64673.3mm 2 d 0=π0A 4=14.33.646734⨯=287mm 2)实际选用砂筒外径d=325mm ,壁厚δ=12mm ,活塞内径d 0=325-24-3×2=295mm3)实际最大荷载时砂筒内砂压应力1σ=7854.0d P20⨯=7854.0310101.97023⨯⨯=12.9Mpa三、砂筒钢管壁厚忽略砂的内摩阻力,偏安全地以液体压强理论计算 d 1σ=28[s σ] δ=][2d s 1σσ d ——砂筒内径,d =310mm1σ——筒内砂压力 [s σ]——A3钢允许拉应力,施工阶段临时结构取[s σ]=188.5MPa3.1 工况1(T 梁临时支座)δ=][2d s 1σσ=5.18825.14310⨯⨯=11.9mm<[12mm] 3.2 工况2(箱梁临时支座)δ=][2d s 1σσ=5.18829.12295⨯⨯=10.1mm<[12mm] 满足设计要求。
行知职高文体中心网架橡胶支座 ----Z3计算书: 压力 N(N);底板宽度 a(mm);底板长度 b(mm);底板厚度 t(mm);焊脚高度H f 。
复核 a,b,t ,H f 可否满足要求N515000 N a 250 mm b 350 mm t 30mmf c2N/mmf 215 2N/mm Hf14 mm 支座高度H 350 mm支座球直径D140 mmw1602f fN/mm底板面积A pb 87500mm2>Mmax=α* σ c *a 12a 1b 1 b 1/a1 ασc t30>焊脚高度计算 加劲肋与垂直支撑板双面角焊缝计算M=1/8*N*Max(a,b8046875 Σlwh )128750 N Σlwv V=N/4σmτ v σ fs<垂直支撑板与支座底板双面角焊缝计算σf<-橡胶支座验算σc=N/(a*b)2< N/mm>二橡胶支座总厚度验算支座最大水平位移s H9mmt R=s H /tg αmm<三橡胶支座压缩变形验算rad支座转角θ maxθ max =2*arcsin{[SQRT( 222Δx +Δy +Δz )]/H}Δt R=N*t R /(a*b*E R )mm >支座总厚度t Rs 57 mm 橡胶层总厚度t R45 mmΔx 9 mm 杆长2700Δy 0 mmΔz1mm[ σcr]max2N/mm[ σcr]min2N/mm恒载支座反力Nrmax300000N中间层橡胶层总厚度8mmt iG2R N/mmmm2满足mmmm 查表获取N/mm2<满足满足取定t 30940 mm lwh572mmlwv143160 N/mm2 满足 160N/mm2满足[ σcr]max 满足 [ σcr]min满足0.2*Min(a,b) 满足构造要求a* θ max /2<β橡胶抗压弹性模量E R四支座抗滑移验算支座滑动力G R* a*b*s H/t R19250N支座抗滑力u* Nrmax60000N满足满足0.05*t R满足5852查表获取N/mm。
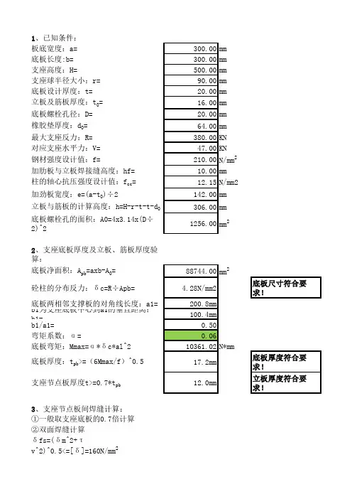
1、已知条件: 底板宽度:a =底板长度:b =支座设计高度:H=支座球半径大小:r=底板设计厚度:t = 立板及筋板厚度:t0 底板螺栓孔径:D = 橡胶垫厚度:d0= 最大支反力:R = 对应支座水平力:Vx 对应支座水平力: 支座水平合力: V= 钢材强度设计值:f =210N/mm^2加肋板与立板焊缝高度:hf= 柱的轴心抗压强度设计值:fcc =10.625N/mm^2(按C25混凝土计算)(fcc =0.85×12.5=10.625) 加劲板宽度:e =(a -t0)÷2=113mm 立板与筋板计算高度:h =H -r -t -t0-d0=126mm 底板螺栓孔的面积:A0=4×3.142×(D÷2)^2=2828mm^22、支座底板厚度及立板、筋板厚度验算: 底板净面积:Apb=a ×b -A0=54772mm^2砼柱的分布反力:δc=(R/Apb)+(6*V*H)/(a*a*a)=8.26N/mm^2≤1.5fcc底板两相邻支撑板的对角线长度:a1={[(a -t0)÷2]^2+[(b -t0)÷2]^2}^0.5=160mm b1为支座底板中心到a1的垂直距离;b1=[(a -t0)÷2]×[(b -t0)÷2]÷a1=80mmb1/a1=0.50故弯矩系数:α=底板弯矩:Mmax =α*δc*a1^2=12660N*mm 底板厚度:tpb ≥(6Mmax/f)^0.5=19.0mm支座节点板厚度 t ≥ 0.7×tpb=13mm3、支座节点板间焊缝计算: ①一般取支座底板的0.7倍计算。
②双面焊缝计算:δfs =(δM^2+τv^2)^0.5≤[δ]=160N/mm^2垂直加劲肋与支座立板的垂直角焊缝的计算长度:Lwv =h -2Hf =90mm铰接压力支座计算书偏心弯矩:M =R÷4×(e÷2)=5367500N*mm剪力:V =R÷4=1750N在偏心矩M 作用下垂直焊缝的正应力:δM =6M÷(2×0.7×h f ×Lwv^2)=157.77N/mm^2在剪力V 作用下垂直角焊缝的剪应力:τv =V÷(2×0.7×hf×Lwv)=0.77N/mm^2所以:δfs = (δM^2+τv^2)^0.5 =158≤[δ]=160N/mm^24、支座底板与节点板和垂直加劲肋的水平连接焊缝,一般采用角焊缝,焊角尺寸hf 在6~10mm 范围内。
钢结构支座计算书一、工程概述本工程为具体工程名称,位于工程地点。
该建筑主体结构采用钢结构,为了确保结构的稳定性和安全性,需要对钢结构支座进行详细的计算分析。
二、设计依据1、《钢结构设计标准》(GB 50017-2017)2、《建筑结构荷载规范》(GB 50009-2012)3、《建筑抗震设计规范》(GB 50011-2010)(2016 年版)4、相关工程地质勘察报告5、业主提供的设计要求和相关资料三、荷载取值1、永久荷载结构自重:根据钢结构构件的实际尺寸和材料密度计算。
附加恒载:包括楼面板、屋面板、吊顶等的自重,按照实际情况取值。
2、可变荷载楼面活荷载:根据建筑物的使用功能,按照规范取值。
屋面活荷载:考虑雪荷载、积灰荷载等,按照规范取值。
风荷载:根据工程所在地的基本风压、地面粗糙度等参数,按照规范计算风荷载标准值。
地震作用:根据工程所在地的抗震设防烈度、设计基本地震加速度等参数,按照规范计算地震作用。
四、支座类型及布置本工程采用的钢结构支座类型为具体支座类型,其布置方式如下:1、在建筑物的具体位置设置支座,支座间距为具体间距。
2、支座的平面布置应满足结构受力要求,同时考虑建筑物的使用功能和建筑造型。
五、支座反力计算1、竖向反力计算考虑永久荷载和可变荷载的组合,按照结构力学方法计算各支座处的竖向反力。
对于多跨连续结构,应考虑支座的不均匀沉降对竖向反力的影响。
2、水平反力计算风荷载作用下,根据结构的抗侧刚度和变形,计算各支座处的水平反力。
地震作用下,按照振型分解反应谱法或时程分析法计算各支座处的水平反力。
六、支座受力分析1、抗压强度验算支座承受的竖向压力应小于其抗压承载力设计值。
抗压承载力设计值根据支座的材料和几何尺寸,按照相关规范计算。
2、抗剪强度验算支座承受的水平剪力应小于其抗剪承载力设计值。
抗剪承载力设计值根据支座的材料和构造,按照相关规范计算。
3、稳定性验算对于受压支座,应进行稳定性验算,确保其在竖向荷载作用下不发生失稳。
盆式橡胶支座设计计算书一、执行标准及规范1、交通行业标准JT 391-1999《公路桥梁盆式橡胶支座》2、铁道行业标准TB10002.1《铁路桥涵设计基本规范》;3、铁道行业标准TB10002.3《铁路桥涵钢筋混凝土和预应力混凝土结构设计规范》;4、铁道行业标准TB/T 2331-2004《铁路桥梁盆式橡胶支座》。
5、《美国公路桥梁设计规范》1994版二、支座技术要求1、竖向承载力该系列盆式橡胶支座竖向承载力(即支座反力,单位:kN):45MN(4500吨)、30MN(3000吨)、5MN(500吨)2、水平承载力GD固定支座、DX单向活动支座水平向承载力为竖向力的15%;3、转角支座转动角度不得小于0.02rad4、摩阻系数将聚四氟乙烯板分块嵌装,在分块空隙及凹槽内涂满5201-2硅脂。
加5201-2硅脂润滑后,活动支座设计摩阻系数μ≤0.025、位移量SX多向活动支座和DX单向活动支座顺桥向设计位移为±200mm;三、材料1、上支座板、下支座板、中间钢衬板采用采用铸钢ZG270-500,其化学成分和铸件热处理后的机械性能及冲击韧性应符合GB 11352-89的有关要求,其中屈服强度为270MPa;2、承压橡胶板采用天然橡胶,橡胶的物理机械性能和外观应符合TB/T 2331-2004的有关要求;3、聚四氟乙稀板应是纯的模压板材,而非车削板材,其表面应光滑,不允许有裂纹、气泡、分层;其物理机械性能和外观应符合TB/T 2331-2004的要求。
4、不锈钢板采用1Cr18Ni9Ti精轧镜面不锈钢板,其化学成分和力学性能应符合GB/T 3280的要求;5、黄铜密封圈化学成分、机械性能等均应符合GB 2040的有关规定,其表面应清洁,不得有分层、裂纹、起皮、杂质和绿锈;6、5201-2硅脂应保证在使用温度范围内不干涸,对滑移面材料不得有害,并具有良好的抗臭氧、耐腐蚀及防水性能,其理化性能指标应符合HG/T 2502的有关规定。
备注:米黄色框表示要输入的数据1、已知条件:底板宽度:a =b =底板长度:a =b =230mm 支座设计高度:H=300mm 支座球半径大小:r0=125mm 底板设计厚度:t =16mm 立板及筋板厚度:t0=12mm 底板螺栓孔径:D =36mm 橡胶垫厚度:d0=0mm 最大压力:Rn =300KN 钢材强度设计值:f =210N/mm^2加肋板与立板焊缝高度:hf=8mm柱的轴心抗压强度设计值:fcc =10.625N/mm^2(按C25混凝土计算)(fcc =0.85×12.5=10.625) 加劲板宽度:e =109mm立板与筋板计算高度:h0=147mm 底板螺栓孔的面积:A0=4072mm^22、支座底板厚度及立板、筋板厚度验算:底板净面积:Apb=48828mm^2≥ Rn÷fcc =28235mm^2 砼柱的分布反力:δc=R÷Apb= 6.14N/mm^2≤fcc底板两相邻支撑板的对角线长度:a1=154mm b1为支座底板中心到a1的垂直距离;b1=77mm b1/a1=0.50故弯矩系数:α=0.06底板弯矩:Mmax =α*δc*a1^2=8760N*mm底板厚度:tpb ≥(6Mmax/f)^0.5=15.8mm 支座节点板厚度 t ≥ 0.7×tpb=11mm3、支座节点板间焊缝计算:①一般取支座底板的0.7倍计算。
②双面焊缝计算:δfs =(δM^2+τv^2)^0.5≤[δ]=160N/mm^2垂直加劲肋与支座立板的垂直角焊缝的计算长度:Lwv =127mm偏心弯矩:M =4087500N*mm 剪力:V =75000N 底板尺寸符合要求故底板厚度符合要求板式支座计算书立板厚度符合要求在偏心矩M 作用下垂直焊缝的正应力:δM =135.76N/mm^2 在剪力V 作用下垂直角焊缝的剪应力:τv =52.73N/mm^2所以:δfs =146≤[δ]=160N/mm^24、支座底板与节点板和垂直加劲肋的水平连接焊缝,一般采用角焊缝,焊角尺寸hf 在6~10mm 范围内。
备注:米黄色框表示要输入的数据1、已知条件:底板宽度:a =b =底板长度:a =b =230mm 支座设计高度:H=300mm 支座球半径大小:r0=125mm 底板设计厚度:t =16mm 立板及筋板厚度:t0=12mm 底板螺栓孔径:D =36mm 橡胶垫厚度:d0=0mm 最大压力:Rn =300KN 钢材强度设计值:f =210N/mm^2加肋板与立板焊缝高度:hf=8mm柱的轴心抗压强度设计值:fcc =10.625N/mm^2(按C25混凝土计算)(fcc =0.85×12.5=10.625) 加劲板宽度:e =109mm立板与筋板计算高度:h0=147mm 底板螺栓孔的面积:A0=4072mm^22、支座底板厚度及立板、筋板厚度验算:底板净面积:Apb=48828mm^2≥ Rn÷fcc =28235mm^2 砼柱的分布反力:δc=R÷Apb= 6.14N/mm^2≤fcc底板两相邻支撑板的对角线长度:a1=154mm b1为支座底板中心到a1的垂直距离;b1=77mm b1/a1=0.50故弯矩系数:α=0.06底板弯矩:Mmax =α*δc*a1^2=8760N*mm底板厚度:tpb ≥(6Mmax/f)^0.5=15.8mm 支座节点板厚度 t ≥ 0.7×tpb=11mm3、支座节点板间焊缝计算:①一般取支座底板的0.7倍计算。
②双面焊缝计算:δfs =(δM^2+τv^2)^0.5≤[δ]=160N/mm^2垂直加劲肋与支座立板的垂直角焊缝的计算长度:Lwv =127mm偏心弯矩:M =4087500N*mm 剪力:V =75000N 底板尺寸符合要求故底板厚度符合要求板式支座计算书立板厚度符合要求在偏心矩M 作用下垂直焊缝的正应力:δM =135.76N/mm^2 在剪力V 作用下垂直角焊缝的剪应力:τv =52.73N/mm^2所以:δfs =146≤[δ]=160N/mm^24、支座底板与节点板和垂直加劲肋的水平连接焊缝,一般采用角焊缝,焊角尺寸hf 在6~10mm 范围内。
1、2、支座底板厚度及立板、筋板厚度验算:底板螺栓孔的面积:A 0=4×π×(D÷2)2=4×π×(34÷2)^2=3631.7mm^2支撑柱轴心抗压强度:f cc =14.3N/mm 2底板净面积:A pb =a×b-A 0=280×280-3631.7 =74768.3mm 2≥ Rn÷fcc =80000 / 14.3 =5594.4mm 2OK柱的分布反力:δc=R÷Apb=80000/74768.3=1.07N/mm 2≤fcc底板相邻支撑板的对角线长度:a 1={[(a-t 0)÷2]2+[(b-t 0)÷2]2}0.5=[((280-12)/2)^2+((280-12)/2)^2]^0.5 =189.5mmb 1为支座底板中心到a 1的垂直距离: b 1=[(a-t 0)÷2]×[(b-t 0)÷2]÷a 1== [(280-12)/2*(280-12)/2]/189.5 =94.8mm因 b 1/a 1=0.50;故弯矩系数:α=0.060042底板弯矩:M 1=α*δc *a 12=0.060042*1.07*189.5^2 =2307.05N*mm剪力的附加弯矩:M 2=V×(H-t-d 0)=4680N*mm Mmax = M1 + M2 =6987.05N*mm设计底板厚:t pb =(6M max /f)0.5=(6*6987.05/215)^0.5 =13.96mm≤t=实际底板厚,底板厚度满足要求。
OK支座节点板的厚度一般取支座底板的0.7倍计算。
节点板厚度 t 0 ≥ 0.7×t pb =9.8mm OK节点板底宽:bj1==( 280-12 )/2 =134mm 节点板高: hj1==250-200/2-2×16-0 =118mmbj1/hj1=1.136这里节点板宽厚比为:≤42.8×(bj1/hj1)=48.62节点板宽厚比验算:bj1/to=134/12=11.16666667OK3、支座节点板间焊缝计算:2018/6/28钢板板式固定铰支座计算书计算日期:假定加肋板与立板之间的焊缝高度:h f1=角焊缝双面焊缝计验算依据:δfs=(δM2+τv2)0.5≤[δ]=160N/mm2立板与筋板计算高度:h0=H-r-d0=250-100-0=150mm加劲板宽度:e=(a-t0)÷2=(280-12)/2=134mm垂直加劲肋与支座立板的垂直角焊缝的计算长度:Lwv=h0-25-=150-25-2*8109mm偏心弯矩:M=R n÷4×(e÷2)=80×1000/4×(134/2)=1340000N*mm剪力:V=R n÷4=80*1000/4 = 20000N在偏心矩作用下垂直焊缝的正应力:δM=6M÷(2×0.7×hf1×Lwv2)=6*1340000/(2*0.7*8*109^2)=60.4N/mm2在剪力V作用下垂直角焊缝的剪应力:τv=V÷(hf1×Lwv)=20000/(2*0.7*8*109)=16.4N/mm2所以:δfs=(δM2+τv2)0.5 =(60.4^2+16.4^2)^0.5=62.6N/mm2≤[δ]=160N/mm2OK 焊缝构造要求:最小焊角尺寸: hf≥1.5*t0.5= 5.2mm(t为较厚板件厚度)最大焊脚尺寸: hf≤1.2×t=14.4mm(t为较薄板件厚度)4、支座底板与节点板和垂直加劲肋的水平连接焊缝一般采用角焊缝,焊角尺寸hf在6~10mm范围内。
1、已知条件:板底宽度:a=底板长度:b=支座高度:H=支座球半径大小:r=底板设计厚度:t=立板及筋板厚度:t0=底板螺栓孔径:D=橡胶垫厚度:d0=最大支座反力:R=对应支座水平力:V=钢材强度设计值:f=2加肋板与立板焊接缝高度:hf=柱的轴心抗压强度设计值:f cc=加劲板宽度:e=(a-t0)÷2立板与筋板的计算高度:h=H-r-t-t-d022底板净面积:A pb=axb-A0=2砼柱的分布反力:δc=R÷Apb=底板两相邻支撑板的对角线长度:a1=b1/a1=弯矩系数:α=底板弯矩:Mmax=α*δc*al^2底板厚度:t pb>=(6Mmax/f)^0.5支座节点板厚度t>=0.7*t pb3、支座节点板间焊缝计算:①一般取支座底板的0.7倍计算②双面焊缝计算δfs=(δm^2+τv^2)^0.5<=[δ]=160N/mm2偏心弯矩:M=(R÷4)x(e÷2)=剪力:V=R÷4=在偏心距M作用下垂直焊缝的正应力:35.34N/mm2在剪力V作用下垂直角焊缝的剪应力:τv=V÷(2x0.7xhfxLwv)=11.74N/mm2所以:δfs=(δm^2+τv^2)^0.5=37.24N/mm2焊缝高度符合要求![δ]=160N/mm24、支座底板与节点板和垂直加劲肋的水平连接焊缝,一般采用角焊缝焊角尺寸hf在∑L=(e-2*hf)*2=因为:δf=R/4÷(0.7hfx∑L)=hf>=R/4÷(0.7x160x∑L)=支座立板与底板之间的连接焊缝长度∑L=(e-t0-2*hf)*2=因为:δf=R/2÷(0.7hfx∑L)=hf>=R/2÷(0.7x160x∑L)=5、支座预埋件一般按照构造要求,锚筋为16~24mm若为受压预埋件时:锚固长度》15d:若为受拉预埋件时,锚固长度应》35d.6、支座底板抗剪计算:支座底板与混凝土之间的摩擦力V fb满足:V=0.4R>V=设计支座的最大水平力,否则应设置抗剪键支座底板与混凝土之间的摩擦力V fb支座预埋件下不需要设置抗剪键附注:1、参考书目《网架结构设计手册》(P31)(网架结构设计手册编辑委员会,中国建筑工业出版社,1998)2、α与b1与a1的关系。
梁模板钢管支撑架计算书梁模板的计算参照《建筑施工模板安全技术规范》(JGJ162-2008)、《混凝土结构工程施工规范》(GB506666-2011)、《建筑施工扣件式钢管脚手架安全技术规范》(JGJ130-2011)、《混凝土结构设计规范》(GB50010-2010)、《钢结构设计规范》(GB 50017-2003)、《组合钢模板技术规范》(GB50214-2001)、《木结构设计规范》(GB 50005━2003)、《建筑地基基础设计规范》(GB 50007-2011)、《建筑结构荷载规范》(GB 50009-2012)等编制。
模板支架搭设高度为8.40米,基本尺寸为:梁截面 B×D=350mm×1100mm,梁两侧楼板厚度110mm,梁支撑立杆的横距(跨度方向) l=0.90米,立杆的步距 h=1.50米,梁底布置3道龙骨,梁底小横杆间距0.450m,梁底增加2道承重立杆。
梁顶托采用双钢管: 48×3.5。
立杆上端伸出至模板支撑点长度:0.30米。
采用的钢管类型为48×3.5,采用扣件连接方式。
梁模板支撑架立面简图一、模板面板计算使用模板类型为:胶合板。
面板为受弯结构,需要验算其抗弯强度和刚度。
模板面板按照多跨连续梁计算。
(1)钢筋混凝土板自重(kN/m):q11 = 25.500×1.100×0.450=12.623kN/m(2)模板的自重线荷载(kN/m):q12 = 0.350×0.450×(2×1.100+0.350)/0.350=1.148kN/m(3)活荷载为施工荷载标准值(kN/m):q13 = 2.500×0.450=1.125kN/m均布线荷载标准值为:q = 25.500×1.100×0.450+0.350×0.450×(2×1.100+0.350)/0.350=13.770kN/m均布线荷载设计值为:q1 = 1.0×[1.35×(12.623+1.148)+1.4×0.9×1.125]=20.007kN/m 面板的截面惯性矩I和截面抵抗矩W分别为:本算例中,截面抵抗矩W和截面惯性矩I分别为:W = 45.00×1.80×1.80/6 = 24.30cm3;I = 45.00×1.80×1.80×1.80/12 = 21.87cm4;施工荷载为均布线荷载:计算简图剪力图(kN)弯矩图(kN.m)经过计算得到从左到右各支座力分别为N1=1.313kNN2=4.377kNN3=1.313kN最大弯矩 M1 = 0.077kN.m(1)抗弯强度计算经计算得到面板抗弯强度计算值 f = 0.077×1000×1000/24300=3.152N/mm2面板的抗弯强度设计值 [f],取15.00N/mm2;面板的抗弯强度验算 f < [f],满足要求!(2)挠度计算验算挠度时不考虑可变荷载值,仅考虑永久荷载标准值,故采用均布线荷载标准值q = 13.77kN/m为设计值。
30mt梁临时支座计算书1.引言本文档旨在计算和分析使用30mt梁临时支座所需的参数和设计要求。
临时支座是在梁施工期间用于支撑梁的临时装置,以确保梁在施工期间保持稳定。
通过本文档的计算,可以确定梁临时支座所需的材料尺寸和承载能力,以确保安全和可靠性。
2.设计要求在计算梁临时支座之前,需要明确以下设计要求:-梁的净跨度-梁的形状和尺寸-施工加载条件-支座的可调性要求-支座的安全系数要求3.支座类型选择根据梁的形状和加载条件,我们选择适当的支座类型。
常见的支座类型包括:橡胶支座、钢制支座和橡胶-钢组合支座等。
在本设计中,我们选择使用橡胶-钢组合支座,因为它具有较好的垂直和水平刚度,并能够承受较大的荷载。
4.梁临时支座计算4.1梁临时支座所受最大荷载计算根据梁的形状和加载条件,我们可以计算出梁临时支座所受的最大荷载。
这个荷载包括梁自重和施工加载产生的附加荷载。
4.2支座垂直刚度计算支座的垂直刚度是指支座在垂直方向上的变形量。
通过计算支座的垂直刚度,可以确定支座的变形情况,以及梁在施工期间的变形情况。
4.3支座水平刚度计算支座的水平刚度是指支座在水平方向上的变形量。
通过计算支座的水平刚度,可以确定支座在水平方向上的变形情况,以及梁在施工期间的水平位移情况。
4.4支座尺寸计算根据支座的承载能力和安全系数要求,可以计算出支座所需的尺寸。
这包括支座的长度、宽度和高度的尺寸,以及钢板和橡胶垫的厚度。
5.结论通过本文档的计算和分析,我们可以得出以下结论:-使用30m t梁临时支座可以满足梁的施工加载要求。
-选择橡胶-钢组合支座作为梁的临时支座可以提供良好的刚度和承载能力。
-根据计算所得的支座尺寸,可以确定所需的材料尺寸和数量。
综上所述,本文档提供了关于30mt梁临时支座的计算和设计要求。
根据提供的关键词和描述,我们对支座的荷载计算、刚度计算和尺寸计算进行了详细的解释和说明。
通过使用本文档,设计师可以准确地选择适合的梁临时支座,以确保梁的施工期间的安全和稳定性。
支座有效承压面积计算书一.已知条件:N=200:Vx=10:Vy=20底板尺寸:axbxt1=300x300x20十字肋板厚度=12垂直焊缝hf1=10水平焊缝hf1=10球与肋板焊缝hf3=8二.底板计算:最大压应力fmax=4.29N/mm2最小压应力fmin=0.29N/mm2锚栓拉力T=ON锚栓拉应力fs=0<140N/mm2,通过!锚栓垫板应力ft=0<215N/mm2,通过!C1=212.132mmmc0e=0.058弯矩M1=11196.9KN.M底板最小厚度Tmin为(由压应力计算):17.7mm底板最小厚度Tminl为(由螺栓拉力计算):Omm底板最小厚度Tmin2为(取二者最大值):17.7mm底板厚度t1=20>Tmin2=17.7,通过!三.过渡板计算:弯矩系数coe1=:0.0479长边/短边系数c4=1弯矩M2=4261.1过渡板最小厚度Tmin3=l0.9四.混凝土受压计算:混凝土等级为:C20,抗压强度设计值fc=9.6N/mm2强度提高系数B=3允许压应力F1=1.35*1.0*B*fc=38.88N/mm2混凝土局部压应力fmax=4.29<F1,通过!五.橡胶板计算:橡胶材料为邵氏硬度60度,允许抗压9.8Pa,G=1.1Pa,与钢的摩擦系数=0.2橡胶板中间的橡胶层厚度程序默认为5mm橡胶板形状系数=12.5,弹性模量E=887.5MPa允许水平剪切位移U=35mm;平均压缩变位Wm=0.Omm橡胶板抗压强度fmax3=6.81<9.8Mpa,通过!抗滑移验算:摩擦力=36KN<水平位移产生的力和水平力合力=37.9KN,未通过!附:构造要求(1)橡胶层厚度t2≤支座短边的0.2倍:(2)平均压缩变位Wm≤橡胶层厚度t2的0.05倍:(3)抗滑移验算应采用恒载标准值产生的反力:六.肋板计算:1、X向肋板计算:(1)X向肋板强度应力(N、M、V组合):fx=44.48<215N/mm2,通过!(2)X向肋板平面内稳定应力(N、M组合):fw1=52.62<215N/mm2,通过!(扭转控制!)(3)X向肋板平面外稳定应力N、M组合):fw2=52.59<215N/mm2,通过!(扭转控制!)2、Y向肋板计算:(1)Y向肋板强度应力(N、M、V组合):fy=60.86<215N/mm2,通过!(2)Y向肋板平面内稳定应力(N、M组合):fw3=69.31<215N/mm2,通过!(扭转控制!)(3)Y向肋板平面外稳定应力N、M组合):fw4=69.26<215N/mm2,通过!(扭转控制!)3、水平焊缝计算(N、M、V组合)X向水平焊缝应力=67.3<160N/mm2,通过!Y向水平焊缝应力=83.2<160N/mm2,通过!4、垂直焊缝计算(按底板最大压应力计算)垂直焊缝应力=111.5<160N/mm2,通过!5、肋板局部稳定计算x向肋板局部稳定:ac/tc=12.5<=42.8,通过!Y向肋板局部稳定:bc/tc=12.5<=42.8,通过!七.球与肋板焊缝计算:弧长=104.72mm球与肋板焊缝应力=94.85<160N/mm2,通过!。
钢结构⽀座计算书⽀座计算书计算依据计算依据是《钢结构连接节点设计⼿册》,ZZ1⽀座为半球节点⽀座,ZZ2⽀座为平板拉压⽀座。
⼀、已经参数:⽀座所⽤材料:Q235B锚栓所⽤材料:Q235锚栓抗拉强度设计值2/140mm N f a t =抗剪键所⽤材料:Q235B抗剪键屈服强度设计值2/215mm N f y =钢材抗拉、抗压和抗弯强度设计值:2/205mm N f =ZZ1⽀座底板下混凝⼟强度等级设计值:C45ZZ1⽀座底板下混凝⼟强度等级设计值:C50ZZ1半球⽀座直径:250mmZZ1半球壁厚:10mmZZ2⽀座焊接球直径:350mmC45混凝⼟轴⼼抗压设计值:2/1.21mm N f c =C45混凝⼟轴⼼抗拉设计值:2/8.1mm N f c =C50混凝⼟轴⼼抗压设计值:2/1.23mm N f c = ⾓焊缝抗拉、抗压和抗剪强度设计值:2/160mm N f w f =对接焊缝抗拉强度设计值:2/175mm N f w t = 对接焊缝抗剪强度设计值:2/120mm N f w f =⽀座反⼒最不利⼯况:ZZ1:X=256.13/-269.09;Y=317.04/-353.68;Z=78.98/-149.04ZZ2:X=55.80/-72.83;Y=199.92/-160.52;Z=215.98/-269.66 ⼆、 ZZ1半球⽀座计算(1)所需锚栓⾯积计算21922;140269090;mm A A f R A ea ea a t t ea ≥≥≥根据刚节点设计⼿册锚栓选⽤表,取四个M30的Q235锚栓,四个锚栓的⾯积为22192222444*561mm mm >=,四个锚栓的抗拉承载⼒设计值为78.5*4=314kN>264.7kN ,满⾜要求。
采⽤双螺母。
(2)底板尺⼨计算29.110871.23256130a mm f N b c ==≥? 29.1108740000200200mm >=?根据规规定,底板不宜⼩于200*200mm ,取底板尺⼨为400*400mm 。
支座计算书
计算依据是《钢结构连接节点设计手册》(第二版)第八章第八节
〖已知参数:〗
考虑水平力及其引起的弯矩的影响,按刚接柱脚的计算方法
支座所用材料: Q235
底板下混凝土强度设计等级: C30
底板长度: 300mm
底板宽度: 300mm
支座高度: 350mm
球直径: 180mm
所受压力: 200kN
所受剪力Vx: 15kN
所受剪力Vy: 15kN
锚拴材料: Q235
锚拴直径: 24mm
锚栓到边缘距离: 60mm
支座劲板正放,四个锚栓对称布置
〖验算Vx方向:〗
根据《钢结构连接节点设计手册》(第二版)8-85条及表8-3
轴向力为压力,按压弯计算
※底板下混凝土最大压应力验算
根据偏心距的大小判断,属于表8-3的第一类情况,按公式8-130
(公式8-130)
底板混凝土最大受压应力=3.39Mpa
底板下混凝土为C30;fc=14.3Mpa;强度影响系数βc=1
底板下混凝土压应力满足要求!
※锚拴受拉验算
锚拴不受拉!
※水平抗剪验算
根据公式8-127
(公式8-127)
底板底面的摩擦力=80.00kN
无需另加抗剪件!
※底板厚度计算:
底板厚度计算原则《钢结构连接节点设计手册》(第二版)8-86条
底板材料为Q235,强度设计值取为215.00Mpa
计算区格按三边或两邻边支承考虑
计算区格内底板混凝土基础最大分布反力为3.39Mpa
根据b2/a2=0.50查表8-4得α=0.06
根据公式8-120
(公式8-120)
得M2=0.01kN.m
根据公式8-118
(公式8-118)
得t>15.98mm
取板厚为18mm
底板材料强度设计值重新取为205.00Mpa
根据公式8-118
(公式8-118)
得t>16.36mm
按三边或两邻边支承考虑的底板厚度为18mm
※焊缝计算:
垂直焊缝计算:
根据《手册》公式4-19,公式4-20:
垂直劲板厚度取底板厚度0.7倍:14mm
这里的R按底板下最大压应力反算取值为:305.00kN
(公式4-19)
(公式4-20)
得到偏心弯矩为:5.72kN.m
得到剪力为:76.25kN
其中水平角焊缝长度取为:150mm
垂直角焊缝长度取为:242mm
最小构造焊角尺寸为:7mm
根据《手册》公式4-18:
(公式4-18)
得到应力值为:67.88Mpa
焊缝设计值为:160.00Mpa
确定焊角尺寸为:7mm
水平焊缝计算:
水平角焊缝总长度取为:1200mm
最小构造焊角尺寸为:7mm
根据《手册》公式4-21:
(公式4-21)
得到应力值为:51.87Mpa
焊缝设计值为:160.00Mpa
确定焊角尺寸为:7mm
〖验算Vy方向:〗
根据《钢结构连接节点设计手册》(第二版)8-85条及表8-3
轴向力为压力,按压弯计算
※底板下混凝土最大压应力验算
根据偏心距的大小判断,属于表8-3的第一类情况,按公式8-130
(公式8-130)
底板混凝土最大受压应力=3.39Mpa
底板下混凝土为C30;fc=14.3Mpa;强度影响系数βc=1
底板下混凝土压应力满足要求!
※锚拴受拉验算
锚拴不受拉!
※水平抗剪验算
根据公式8-127
(公式8-127) 底板底面的摩擦力=80.00kN
无需另加抗剪件!
※底板厚度计算:
底板厚度计算原则《钢结构连接节点设计手册》(第二版)8-86条
底板材料为Q235,强度设计值取为215.00Mpa
计算区格按三边或两邻边支承考虑
计算区格内底板混凝土基础最大分布反力为3.39Mpa
根据b2/a2=0.50查表8-4得α=0.06
根据公式8-120
(公式8-120)
得M2=0.01kN.m
根据公式8-118
(公式8-118)
得t>15.98mm
取板厚为18mm
底板材料强度设计值重新取为205.00Mpa
根据公式8-118
(公式8-118)
得t>16.36mm
按三边或两邻边支承考虑的底板厚度为18mm
※焊缝计算:
垂直焊缝计算:
根据《手册》公式4-19,公式4-20:
垂直劲板厚度取底板厚度0.7倍:14mm
这里的R按底板下最大压应力反算取值为:305.00kN
(公式4-19)
(公式4-20)
得到偏心弯矩为:5.72kN.m
得到剪力为:76.25kN
其中水平角焊缝长度取为:150mm
垂直角焊缝长度取为:242mm
最小构造焊角尺寸为:7mm
根据《手册》公式4-18:
(公式4-18)
得到应力值为:67.88Mpa
焊缝设计值为:160.00Mpa
确定焊角尺寸为:7mm
水平焊缝计算:
水平角焊缝总长度取为:1200mm
最小构造焊角尺寸为:7mm
根据《手册》公式4-21:
(公式4-21)
得到应力值为:51.87Mpa
焊缝设计值为:160.00Mpa
确定焊角尺寸为:7mm
计算结束!。