施工升降机周期检查表
- 格式:doc
- 大小:82.00 KB
- 文档页数:5
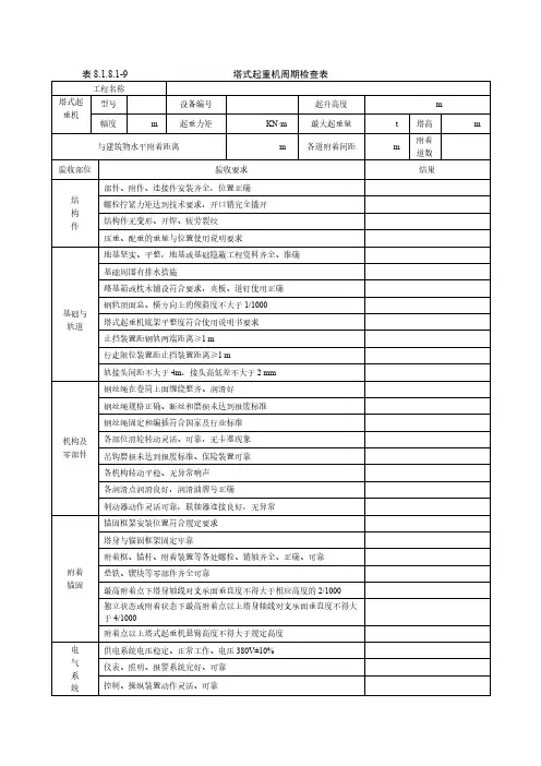
表8.1.8.1-9塔式起重机周期检查表工程名称型号设备编号起升高度 m塔式起重机幅度m起重力矩KN·m最大起重量t 塔高m与建筑物水平附着距离m各道附着间距m附着道数验收部位验收要求结果部件、附件、连接件安装齐全,位置正确螺栓拧紧力矩达到技术要求,开口销完全撬开结构件无变形、开焊、疲劳裂纹结构件压重、配重的重量与位置使用说明要求地基坚实、平整,地基或基础隐蔽工程资料齐全、准确基础周围有排水措施路基箱或枕木铺设符合要求,夹板、道钉使用正确钢轨顶面总、横方向上的倾斜度不大于1/1000塔式起重机底架平整度符合使用说明书要求止挡装置距钢轨两端距离≥1 m 行走限位装置距止挡装置距离≥1 m 基础与轨道轨接头间距不大于4m ,接头高低差不大于2 mm 钢丝绳在卷筒上面缠绕整齐、润滑好钢丝绳规格正确、断丝和磨损未达到报废标准钢丝绳固定和编插符合国家及行业标准各部位滑轮转动灵活、可靠,无卡塞现象吊钩磨损未达到报废标准、保险装置可靠各机构转动平稳、无异常响声各润滑点润滑良好,润滑油牌号正确机构及零部件制动器动作灵活可靠,联轴器连接良好,无异常锚固框架安装位置符合规定要求塔身与锚固框架固定牢靠附着框、锚杆、附着装置等各处螺栓、销轴齐全、正确、可靠垫铁、锲块等零部件齐全可靠最高附着点下塔身轴线对支承面垂直度不得大于相应高度的2/1000独立状态或附着状态下最高附着点以上塔身轴线对支承面垂直度不得大于4/1000附着锚固附着点以上塔式起重机悬臂高度不得大于规定高度供电系统电压稳定、正常工作、电压380V±10%仪表、照明、报警系统完好、可靠电气系统控制、操纵装置动作灵活、可靠电气按要求设置短路和过流、失压及零位保护,切断总电源的紧急开关符合要求电气系统对地的绝缘电阻不大于0.5MΩ起重量限制器灵敏可靠,其综合误差不大于额定值的±5%力矩限制器灵敏可靠,其综合误差不大于额定值的±5%回转限位器灵敏可靠行走限位器灵敏可靠变幅限位器灵敏可靠顶升横梁防脱装置完好可靠吊钩上的钢丝绳防脱钩装置完好可靠滑轮、卷筒上的钢丝绳防脱装置完好可靠小车断绳保护装置灵敏可靠小车断轴保护装置灵敏可靠升降驾驶室乘人梯笼限位器灵敏可靠安全装置驾驶室防坠保险装置和避震器齐全可靠与架空线最小距离符合规定环境塔式起重机的尾部与周围建(构)筑物及其外围施工设施之间的安全距离不小于0.6m 已落实持证专职司机有专人指挥并持有上岗证书机操、指挥人员上岗挂牌已落实机械性能挂牌已落实塔式起重机夹轨钳齐全有效驾驶室能密闭、门窗玻璃完好,门能上锁其他塔式起重机油漆无起壳、脱皮、保养良好同意继续使用限制使用维护保养单位验收意见:(盖章 )负责人(签字):年 月 日结论:不准使用,整改后二次验收同意继续使用限制使用使用单位验收意见:(盖章 )项目经理(签字):年 月日结论:不准使用,整改后二次验收同意继续使用限制使用监理单位验收意见:(盖章 )总监(签字):年 月 日结论:不准使用,整改后二次验收注:验收栏目内有数据的,必须在验收栏内填写实测数据,无数据用文字说明。
施工升降机每月检查表说明:这是一份用于记录施工升降机每月检查情况的表格。
在每月固定的日期,维保人员需要进行巡检和维护,对各项关键部件进行检查和保养,以确保升降机的稳定性和安全性能。
本文档旨在提供一个标准化的检查表格,方便维保人员进行操作,并能更好的管理升降机的使用与维护。
一、基本信息序号设备名称设备编号检查日期检查人员状态01施工升降机/2022年1月1日XXX√二、检查内容检查内容检查方法检查频次负责人员备注安全防护装置人工测试操作每日维保人员钢丝绳和钢丝绳卡簧目视检查每日维保人员不同工况下的限位开关手动测试每周维保人员上升限位和下降限位的准确性操作测试每月维保人员次员注操作杆开关、按键开关目视检查每日维保人员电气控制柜、接线端子目视检查每月维保人员操作绳及安全绳目视检查每日维保人员操作面板及控制器目视检查每月维保人员各液压油量目视检查每月维保人员液压管路和连接件目视检查每月维保人员平衡绳装置目视检查每月维保人员电动机及电动机开关目视检查每月维保人员液压泵目视检查每月维保人员液压缸及密封圈目视检查每月维保人员次员注所有紧固件目视检查每月维保人员架体和丝杆轴承目视检查每月维保人员缓冲限位垫目视检查每月维保人员行走部分及制动器目视检查每月维保人员三、检查结果•√ 表示检查合格•× 表示检查不合格•/ 表示未检查检查内容1月2月3月4月5月6月7月8月9月10月11月12月安全防护装置√/√√√√√√√√√√钢丝绳和钢丝绳卡簧√/√√√√√√√√√√不同工况下的限位开关√//√/√/√√√√√月月月月月月月月月月月月////////////上升限位和下降限位的准确性√/√√√√√√√√√√操作杆开关、按键开关√/√√√√√√√√√√电气控制柜、接线端子√/√√√√√√√√√√操作绳及安全绳√/√√√√√√√√√√操作面板及控制器各液压油量√/√√√√√√√√√√√/√√√√√√√√√√液压管路和连接件平衡绳装置√/√√√√√√√√√√√/√√√√√√√√√√电动机及电动机开关液压泵√/√√√√√√√√√√月月月月月月月月月月月月√/√√√√√√√√√√液压缸及密封圈所有紧固件√/√√√√√√√√√√√/√√√√√√√√√√架体和丝杆轴承缓冲限位垫√/√√√√√√√√√√√/√√√√√√√√√√行走部分及制动器四、操作说明1.维保人员在固定的日期进行检查和维护,根据检查结果在检查表格中填写检查状态。
施工升降机每月定期检查表名称# 自检内容检查要求检查结果金属结构件1 主要结构件无明显裂纹、变形、严重磨损绣浊;2 主要连接螺栓齐全、紧固;3 主要连接削轴连接可靠;吊钩钢丝绳防跳装置4 防脱钩保险装置完整、可靠;5钩体(裂纹、磨损、变形、补焊磨损<10%,开口变形<15%,无裂纹、补焊6 钢丝绳防跳槽装置完好、可靠;7 钢丝绳完好度符合GB/T5972-2006第3,5条8 钢丝绳端部固定有防松和闩紧性能;起升系统9 力矩限制器完好、有效10 起升高度限制器完好、有效;11 起重重量限制器功能完好、有效;变幅系统12 变幅限位有效符合、要求;13 防变幅绳断绳装置完好、有效;14 小车防坠落保护完好、可靠;15 小车行走端部挡架与缓冲完好、有效;回转系统16 回转限位完好、有效;17 回转轴承固定螺栓连接应无松动;电气及保护系统18 紧急断电开关非自动复位,完好、有效;19 绝缘电阻>0。
5M ;20 接地电阻<421 报警用电铃、风速仪完好地基附墙22 地基符合建筑机械使用安全技术的规程;23护墙保持同一水平面,顶丝、螺栓、销轴无松动升降室或乘人电梯24 安全防坠装置有效、可靠;25 上限位装置有效、可靠;26 下限位装置有效、可靠;其它27 钢丝绳润滑与干涉润滑良好,无干涉;28 制动器制动可靠、制动摩擦片无严重磨损;29 滑轮无破损、裂纹、严重磨损;30 卷筒无破损、裂纹、严重磨损;检查结果定期检查结论意见:检查人员签名:现场机管员签名:公司负责人签名(章)安全员确认签名:检查日期:年月日日期:。
施工升降机检查表为确保施工升降机的正常使用和运行安全,需要制定施工升降机的定期检查表,及时进行检查和维修。
检查项目施工升降机的检查项目主要包括:1.外观检查2.驾驶室检查3.操作台检查4.电器检查5.润滑与冷却系统检查6.悬挂道路检查7.悬挂蓝色牌照检查8.紧急制动器检查9.监控系统检查10.安全门检查1. 外观检查施工升降机外观检查主要包括检查机器的主体、钢丝绳、起重机钢丝绳的弯曲和弯轮滚筒的磨损是否严重,以及伸缩机构、电器系统和减震器的情况等等。
2. 驾驶室检查施工升降机的驾驶室检查主要包括检查驾驶室车窗、车门和车顶密封等活动部件是否损坏,以及驾驶室内各种指示灯,刹车灯,行驶灯等等是否处于正常工作状态。
3. 操作台检查施工升降机的操作台检查主要包括检查升降机操作台的各个按钮、开关是否正常,以及操作杆、脚踏板是否正常等等。
4. 电器检查施工升降机的电器检查主要包括检查升降机的电源线、开关箱等是否正常,以及电动机、开关机和其他电气元件是否正常。
电器系统应定期检查和维修,并在更换或维修后进行测试,以确保安全。
5. 润滑与冷却系统检查施工升降机的润滑与冷却系统检查主要包括检查油箱、液压泵、油管、油过滤器、冷却器等是否正常,以及检查润滑系统是否滴漏、升降机制动器、制动器磁铁和紧急制动器等是否正常。
6. 悬挂道路检查施工升降机的悬挂道路检查主要包括检查悬挂道路、支架、悬挂钢丝绳和附着件是否正常,以及检查坡度、高度限制和其他悬挂道路的使用条件等等。
7. 悬挂蓝色牌照检查施工升降机的悬挂蓝色牌照检查主要包括检查悬挂蓝色牌照的有效期和编号是否与施工升降机相符,以及检查悬挂蓝色牌照是否在机器上清晰可见。
8. 紧急制动器检查施工升降机的紧急制动器检查主要包括检查制动器是否能够正常工作,以及检查制动器的磁性是否正常。
9. 监控系统检查施工升降机的监控系统检查主要包括检查监控系统是否正常工作,以及检查相应部件的灰、白或黑色长短是否正常。
施工升降机每日安全检查、运行记录表一、安全检查1. 检查车辆外观及结构1.车架、梯架、轮胎是否完整、无裂纹、正常工作2.主要钢构件是否有锈蚀、裂纹、破损等情况3.车窗、车门是否完好4.是否安装有手扶梯及其他必要的装置2. 检查电气系统1.电气控制器和电缆是否完好2.操作台和按钮是否灵活、有明显磨损、故障3.操作台显示屏是否正常、有无故障3. 检查升降机结构1.平台、扶手和门是否稳定、无损坏、裂纹和变形2.边缘保护和踏板是否完好,防止人员滑落和打滑3.升降机的传动机构是否运转正常、有无松动4. 检查安全保护装置1.超速保护、位置开关和紧急停车装置是否正常2.安全制动装置是否灵活、可靠,能在必要时立即刹车3.超载保护装置是否正常,能及时侦测超载状态并切断电源二、运行记录日期开始时间结束时间运行时间(小时)运行情况2022/1/1 09:00 12:00 3 正常运行2022/1/2 13:00 16:00 3 正常运行2022/1/3 09:00 12:00 3 正常运行2022/1/4 08:30 11:30 3 出现故障故障情况故障说明:升降机在运行过程中突然停止,操作台显示错误代码 E1。
解决方法:工作人员检查发现电缆死结,及时修理解决。
安全事故记录无。
三、其他事项1.制定并落实施工升降机安全管理规定,确保车辆每天经过检查和维护合格后方可投入使用;2.依据使用情况和维护记录,进行定期维护和检修;3.不得私自拆卸或改装升降机,如需保养或修整应安排专业维修人员进行;4.升降机使用过程中,严禁在操作台内饮食、抽烟及乱扔杂物;严禁随意擅自停机,如需停机应在停机平台进行,不得在半空中停留或停车时稍作休息。
以上记录由使用人员进行填写,经整理后上报施工升降机管理负责人进行审核,确保每日安全检查和运行记录准确无误,并保存一年以上。
# 施工升降机定期检查记录表背景施工升降机是在建筑工地上常用的设备之一,主要用于将人员和材料从地面的区域升降到建筑物的高处,解决在建筑中的垂直运输问题。
由于施工升降机的使用频率较高,加之在建筑工地上使用较为复杂,需要进行规范和科学的维护和检查,以确保其安全运行。
定期检查记录表是对施工升降机开展规范维保管理的重要工具。
通过定期检查记录表可以定期对施工升降机进行细致的检查,发现问题及时处理,保障施工升降机的正常、安全运行。
本文档记录了施工升降机定期检查的过程和结果。
检查项目检查内容检查方法检查结果质量标志检查质量标志是否齐全、清晰√ / ×安全装置检查安全装置是否完好,例如安全杆,上、下限位开关等√ / ×紧固螺栓检查紧固螺栓是否松动√ / ×升降机的方向检查升降机的方向是否正确√ / ×固定架检查固定架是否完整,有无损伤√ / ×紧急制动器检查紧急制动器是否完好√ / ×检查结果检查内容项目 1 项目 2 项目 3 项目 4 项目 5 项目 6检查结果√ / ×√ / ×√ / ×√ / ×√ / ×√ / ×检查结论本次施工升降机的定期检查,共检查了上述6项内容,均符合要求。
其中,各项质量标志齐全、清晰,安全装置没有损坏或磨损,紧固螺栓没有出现松动现象,升降机的方向正确,固定架未出现损伤,紧急制动器完好无损。
根据检查结果,施工升降机可以继续投入使用。
此外,在检查过程中,还发现了一些细节问题,包括: 1. 升降机悬臂靠墙位置存在泥灰或砂子,应清洗干净。
2. 单元吊装闸门缺少焊接波纹垫片,应及时安装或更换。
3. 操纵台盖板缺少处理,应做好涂刷漆工作。
以上问题已经记录,负责人将安排维修人员进行处理,直至解决。
维修记录维修日期项目维修人员维修项2022年10月10日单元吊装闸门李师傅安装焊接波纹垫片2022年10月11日操纵台盖板张师傅做好涂刷漆工作2022年10月12日升降机悬臂靠墙位置王师傅清洗干净总结施工升降机是一台重要的机械设备,尤其是在建筑工地上使用频率很高,为了确保施工升降机的安全、正常运行,在日常使用中需要定期对其进行维护,定期检查记录表是一种很好的维护管理工具。
施工升降机每日使用前检查表
在进行任何建筑工程时,升降机都是重要的设备。
如果不经常检查和维护,设备很容易出现问题,导致工作中断和伤亡。
因此,在每天使用前进行检查就变得至关重要。
以下是需要检查的项目:
1. 机器本身
•检查灯光、喇叭和安全装置
•检查主机电气部分是否正常
•检查紧固件是否松动
2. 钢丝绳和滑轮
•检查是否有磨损、断裂和腐蚀
•检查钢丝绳张力是否正常,需根据使用情况调整张力
•检查滑轮是否顺畅
3. 液压装置
•检查油液是否充足
•检查管道连接是否松动或磨损
•检查管道是否漏油
4. 外围设施
•检查工作平台是否缓慢下降,是否有异响
•检查工作台上限位开关是否正常
•检查工作平台周围是否有障碍物
5. 环境条件
•检查天气状况和风速是否适宜使用升降机
•检查地面是否平整无杂物
以上每一项都是检查升降机使用的必要项目。
检查和维护升降机可以有效地延长其使用寿命,而且安全检查可以避免很多潜在的工伤事故。
因此,在使用升降机之前一定要认真做好检查。