GB50303-2013最新梯架、支架、托盘和槽盒安装检验批质量验收记录
- 格式:xls
- 大小:34.00 KB
- 文档页数:2
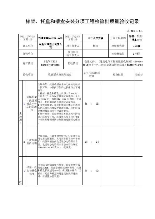
梯架、托盘、槽盒和导管安装检验批质量验收记录单位(子单位)工程名称分部(子分部)工程名称智能建筑(公共广播系统)分项工程名称梯架、托盘、槽盒和导管安装施工单位项目负责人检验批容量分包单位分包单位项目负责人检验批部位7.1.2.55、梯架、托盘、槽盒和导管安装检验批质量验收记录施工依据《智能建筑工程施工规范》GB50606-2010验收依据《智能建筑工程施工规范》GB50606-2010验收项目设计要求及 规范规定最小/实际 抽样数量检查记录检查结果主 控 项 目1材料、器具、设备进场质量检测第3.5.1条/4桥架、线管及接线盒应可靠接地;当采用联合接地时,接地电阻不应大于1Ω第4.5.1条 第4款 2敷设在竖井内和穿越不同防火分区的桥架及线管的孔洞,应有防火封堵第4.5.1条 第1款 /3桥架、线管经过建筑物的变形缝处应设置补偿装置,线缆应留余量第4.5.1条 第2款//5火灾自动报警系统的材料必须符合防火设计要求,并按规定验收第13.1.3条 第3款/6火灾自动报警系统应使用桥架和专用线管第13.2.1条 第1款/7桥架、金属线管应作保护接地第13.2.1条 第3款/一 般 项 目1桥架切割和钻孔后,应采取防腐措施,支吊架应做防腐处理第4.5.2条 第1款/2线管两端应设有标志,并应穿带线第4.5.2条 第2款/3线管与控制箱、接线箱、拉线盒等连接时应采用锁母,线管、箱盒应固定牢固第4.5.2条 第3款 /4吊顶内配管,宜使用单独的支吊架固定,支吊架不得架设在龙骨或其他管道上第4.5.2条 第4款 /5套接紧定式钢管连接处应采取密封措施第4.5.2条 第5款/6桥架应安装牢固、横平竖直,无扭曲变形第4.5.2条 第6款/专业工长:项目专业质量检查员:年 月 日监理单位 验收结论专业监理工程师:年 月 日施工单位 检查结果。
梯架托盘槽盒和导管安装检验批质量验收记录一、检验项目1.梯架的材质、规格、尺寸是否符合设计要求;2.托盘的材质、规格、尺寸是否符合设计要求;3.槽盒的材质、规格、尺寸是否符合设计要求;4.导管的材质、规格、尺寸是否符合设计要求;5.安装固定件是否齐全、牢固。
二、检验仪器1.卷尺;2.游标卡尺;3.精密测量仪器;4.检测仪器(如金属探伤仪)。
三、检验过程1.根据设计图纸,使用卷尺、游标卡尺等测量工具,对梯架、托盘、槽盒和导管的尺寸进行测量,确保其与设计要求一致;2.使用金属探伤仪等检测仪器,对梯架、托盘、槽盒和导管的表面进行探伤检测,排除材料内部存在的缺陷;3.检查安装固定件的连接是否牢固,是否符合安装要求,如螺栓是否拧紧、垫片是否齐全等;4.对安装过程中可能产生的焊接缺陷、表面损伤等进行检查,并记录缺陷的位置和程度。
四、检验结论1.梯架、托盘、槽盒和导管的尺寸符合设计要求;2.梯架、托盘、槽盒和导管的材质无缺陷;3.安装固定件连接牢固,符合安装要求;4.未发现焊接缺陷、表面损伤等质量问题。
五、备注1.在检验过程中,如发现不符合要求的情况,应及时通知相关责任人进行整改;2.检验过程中使用的仪器需要经过定期校验,确保准确度。
六、固定件安装验收记录检验日期:年月日检验人员:姓名验收人员:姓名检验项目检验结果备注1.梯架2.托盘3.槽盒4.导管5.安装固定件检验结论:该批梯架、托盘、槽盒和导管的质量符合要求,通过验收。
七、质量验收责任人意见以上是梯架、托盘、槽盒和导管安装检验批质量验收记录的一个范例,根据实际情况进行调整和修改,以满足具体工程项目的需要。
1.2.单位工程质量竣工验收记录3.单位工程观感质量检查记录4.素土、灰土地基检验批质量验收记录5.砂和砂石地基检验批质量验收记录6.土工合成材料地基检验批质量验收记录7.粉煤灰地基检验批质量验收记录8.强夯地基检验批质量验收记录9.土和灰土挤密桩复合地基检验批质量验收记录10.水泥粉煤灰碎石桩复合地基检验批质量验收记录11.混凝土小型空心砌块砌体检验批质量验收记录12.石砌体检验批质量验收记录13.配筋砌体检验批质量验收记录14.模板安装检验批质量验收记录15.模板拆除检验批质量验收记录16.钢筋原材料检验批质量验收记录17.钢筋加工检验批质量验收记录18.钢筋连接检验批质量验收记录19.钢筋安装检验批质量验收记录20.混凝土设备基础外观及尺寸偏差检验批质量验收记录21.模板安装检验批质量验收记录22.模板拆除检验批质量验收记录23.钢筋原材料检验批质量验收记录24.钢筋加工检验批质量验收记录25.钢筋连接检验批质量验收记录26.钢筋安装检验批质量验收记录27.混凝土设备基础外观及尺寸偏差检验批质量验收记录28.钢结构焊接检验批质量验收记录29.焊钉(栓钉)焊接工程检验批质量验收记录30.紧固件连接检验批质量验收记录31.高强度螺栓连接检验批质量验收记录32.钢零部件加工检验批质量验收记录33.钢构件组装检验批质量验收记录34.钢管构件进场验收检验批质量验收记录35.钢管混凝土构件现场拼装检验批质量验收记录36.钢管混凝土构件现场拼装检验批质量验收记录37.钢管混凝土柱柱脚锚固检验批质量验收记录38.混凝土灌注桩(钢筋笼)检验批质量验收记录39.混凝土灌注桩检验批质量验收记录40.土方开挖工程检验批质量验收记录41.土方回填工程检验批质量验收记录42.场地平整检验批质量验收记录43.喷锚支护检验批质量验收记录44.挡土墙检验批质量验收记录45.边坡开挖检验批质量验收记录46.模板安装检验批质量验收记录47.模板拆除检验批质量验收记录48.钢筋原材料检验批质量验收记录49.钢筋加工检验批质量验收记录50.钢筋连接检验批质量验收记录51.钢筋安装检验批质量验收记录52.混凝土原材料检验批质量验收记录53.钢结构焊接检验批质量验收记录54.焊钉(栓钉)焊接工程检验批质量验收记录55.型钢混凝土结构焊接检验批质量验收记录56.型钢混凝土结构紧固件连接检验批质量验收记录57.一般抹灰检验批质量验收记录58.保温层薄抹灰检验批质量验收记录59.给水管道及配件安装检验批质量验收记录60.给水设备安装检验批质量验收记录61.室内消火栓系统安装检验批质量验收记录62.给水管道及配件安装检验批质量验收记录63.给水管道及配件安装检验批质量验收记录64.排水管道及配件安装检验批质量验收记录65.雨水管道及配件安装检验批质量验收记录66.变压器、箱式变电所安装检验批质量验收记录67.成套配电柜、控制柜(屏、台)和动力、照明配电箱(盘)及控制柜安装检验批质量验收记录68.导管敷设检验批质量验收记录69.电缆敷设检验批质量验收记录70.变压器、箱式变电所安装检验批质量验收记录71.普通灯具安装检验批质量验收记录72.电气照明专用灯具安装检验批质量验收记录73.设备安装检验批质量验收记录74.智能化集成系统接口及系统调试检验批质量验收记录75.安装场地检查检验批质量验收记录76.梯架、托盘、槽盒和导管安装检验批质量验收记录77.机柜、机架、配线架安装检验批质量验收记录78.墙体节能检验批质量验收记录79.门窗节能检验批质量验收记录80.分项工程检测记录81.智能化集成系统子分部工程检测记录82.防雷与接地子分部工程检测记录83.分部(子分部)工程质量验收记录84.工程验收资料审查记录表H.0.1-1 单位工程质量竣工验收记录注:单位工程验收时,验收签字人员应由相应单位法人代表书面授权。
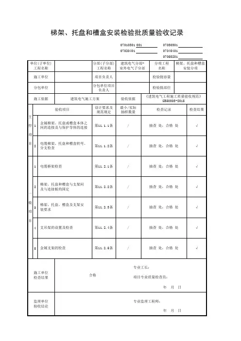
梯架、支架、托盘和槽盒安装检验批质量验收记录07010301
单位(子单位工程名称广州港南沙港区三
期工程生产辅助设
施工程
分部(子分部
工程名称
建筑电气/室外电
气
分项工程名称
梯架、支架、托盘
和槽盒安装
施工单位广州协安建设工程
有限公司
项目负责人黄树其检验批容量
分包单位广东暨通信息发展
有限公司
分包单位项目
负责人
雷建华检验批部位
施工依据验收依据《建筑电气工程施工质量验收规范》
GB50303-2002
主控项目
验收项目
设计要求及
规范规定
最小/实际
抽样数量
检查记录检查结果1
金属电缆桥架、支架和引
入、引出的金属导管的接
地或接零
第12.1.1条/
2
槽板敷设和木槽板阻燃处
理
第16.1.2条/
一
般
项
目
1电缆桥架检查第12.2.1条/
4槽板的保护套管和补偿装
置
设置
第16.2.3条
2槽板的盖板和底板固定第16.2.1条/ 3槽板盖板、底板的接口设
置
和连接
第16.2.2条/
年月日
/
施工单位
检查结果
专业工长:
项目专业质量检查员:
年月日
监理单位
验收结论
专业监理工程师:。