上海民办兰生复旦中学物理电流和电路综合测试卷(word含答案)
- 格式:doc
- 大小:312.50 KB
- 文档页数:11
上海民办兰生复旦中学物理内能的利用综合测试卷(word含答案)一、初三物理内能的利用易错压轴题(难)1.如图所示,甲、乙、丙三个实验装置完全相同,燃料的质量都为10g,烧杯内液体的质量都相同.(1)比较不同燃料的热值应选择__两个装置,比较不同物质的比热容应选择__两个装置(选填装置序号甲、乙、丙).(2)在“比较不同燃料的热值”的实验中,通过观察温度计的__比较燃料燃烧放出热量的多少.已知酒精的热值为3.0×107J/kg,10g酒精完全燃烧放出的热量是__J.(3)水的比热容是4.2×103J/(kg•℃),它的含义是__.【答案】甲和乙甲和丙示数变化 3.0×105见解析【解析】【详解】(1)[1]为了比较热值大小要用不同的燃料,加热同一种液体,让液体的质量相同,通过温度计的示数高低得出吸热多少,进而判断热值大小,应选择甲和乙两图进行实验;[2]为了比较两种液体的比热容,需要燃烧相同的燃料,加热不同的液体,让液体的质量和温度的变化相同,通过比较加热时间,进而判断两种比热容的大小关系,应选择甲和丙两图进行实验;(2)[3]燃料燃烧放热,热量被同种液体吸收,放出热量越多,液体升高温度越多,温度计的示数变化越多;[4]酒精的质量为:m=10g=10-2kg,酒精完全燃烧放出的热量:Q放=mq=10-2kg×3.0×107J/kg=3.0×105J;(3)[5]水的比热容是4.2×103J/(kg•℃),物理意义是:1kg的水温度升高(或降低)1℃所吸收(或放出)的热量为4.2×103J。
2.为了比较水和沙子吸热本领的大小,小文做了如图所示的实验:在两个相同的烧杯中,分別装有质量、初温都相同的水和沙子,用两个相同的酒精灯对其加热,实验数据记录如表:质量/g升温10℃所需时间/s升温20℃所需时间/s升温30℃所需时间/s 沙子306492124水3092163220(1)在此实验中用______________表示水和沙子吸热的多少;(2)分析表中的实验数据可知:当物体温度变化量和______________相同时,水吸收的热量______________(选填“大于”或“小于”)沙子吸收的热量;(3)如果加热相同的时间,质量相同的水和沙子,___________升高的温度更高.【答案】酒精灯加热时间质量大于沙子【解析】【分析】【详解】(1)[1]采用相同的酒精灯对其加热,加热时间越长,沙子和水吸收的热量越多,因此实验中用酒精灯加热时间表示水和沙子吸热的多少.(2)[2][3] 分析表中的实验数据可知:水和沙子质量相同,升高温度相同时,即温度变化量和质量相同时,水所需加热的时间比沙子更长,所以水吸收的热量大于沙子吸收的热量.(3)[4]质量相同的水和沙子加热相同的时间,吸收的热量相同,由于Q=cm t,又因为水的比热容大于沙子的比热容,故沙子升高的温度更高.3.如图所示,甲、乙、丙三图中的装置完全相同。
上海民办风范中学物理电流和电路单元练习(Word版含答案)一、初三物理电流和电路易错压轴题(难)1.现有两只小灯泡L1、L2,它们的额定电压分别为2.5V和3.8V.(1)如图甲是小明测定灯泡L1额定功率的实物电路图(不完整).①请用笔画线代替导线将实物电路图连接完整_____.②闭合开关前,应将滑动变阻器的滑片P移到__端(选填“A”或“B”).闭合开关后发现:小灯泡不亮,电流表示数为零,而电压表示数接近电源电压。
经检查,电流表是完好的,仅滑动变阻器或小灯泡存在故障,则电路中的故障是__.排除故障后,闭合开关,仍发现小灯泡不亮,电流表指针偏转很小,要使该小灯泡发光只需__。
③当电压表示数为2.5V时,电流表示数如图乙所示,则灯泡L1的额定功率为__W.(2)小华利用图丙所示的电路测出了灯泡L2的额定功率.图中R为阻值已知的定值电阻,还缺两个开关和一只电表(电流表或电压表),请在虚线框内补上这三个元件的符号,使电路完整,实验操作简单______.【答案】A灯泡断路移动滑动变阻器0.8【解析】(1)①根据图中电表的正、负接线柱,从电源正极连接开关,滑动变阻器的接线柱要求一上一下的串联在电路中,所以将C或D连到电源负极即可,如下图所示:②电压表有示数,说明电压表与电源连通;电流表示数几乎为零,灯泡不发光,说明电路断路或电路的总电阻很大,导致这一现象的原因可能是小灯泡断路而导致电压表串联在电路中;③为了保护电路,闭合开关前,滑片P应处在使电路中电阻最大位置A端;由乙图,电流表使用0-0.6A量程,分度值为0.02A,示数为0.32A,所以灯泡L1的额定功率:;(2)由上面的分析知,右上边的是电压表;左边两虚线框内是开关,如图所示:①只闭合S和中间的开关,移动滑片使电压表示数为3.8V;②保持滑片位置不动,断开中间开关,闭合左上边开关,测出灯与R的总电压,根据串联电路的电压特点计算出R两端电压U R;③由计算出R的电流,即灯泡此时的电流,由P=U额I额计算灯泡L2电功率即可.故答案为:(1). (2). A (3). 灯泡断路 (4). 移动滑动变阻器(5). 0.8 (6).【点睛】本题是测灯泡额定功率的实验,考查了电路连接、变阻器的使用、电表读数和功率计算以及特殊方法测功率的电路设计.特殊方法测功率时,只给电流表通常会使用并联电路,只给电压表时通常使用并联电路,利用已知阻值的电阻与电表的组合间接测电压或电流达到实验目的。
上海民办风范中学物理电功率单元练习(Word版含答案)一、初三物理电功率易错压轴题(难)1.电路中的电流I==,小灯光的额定功率P=U L I=2.5V×.在“测定小灯泡电功率”的实验中,小灯泡额定电压为2.5V。
(1)图甲中有一根导线连接错误,请在错误的导线上画“×”,并在图中改正(导线不许交叉)。
(_______)(2)正确连接电路后,闭合开关,移动滑动变阻器的滑片,发现小灯泡始终不亮。
两电表无示数。
为判断故障、将电压表与滑动变阻器并联,电压表有示数,则电路发生故障的原因是_____。
(3)排除故障后闭合开关,移动滑动变阻器的滑片P到某一点,电压表示数如图乙所示为_____V。
(4)根据实验记录绘制Ⅰ﹣U图象如图丙所示,根据图象信息,计算小灯泡的额定功率是_____W。
(5)完成上述实验后,小敏设计了如图丁所示的电路,测出了额定电流为I额的小灯泡的额定功率。
实验方案如下:(电源电压不变,滑动变阻器R1的最大阻值为R1)①按电路图连接电路。
②闭合开关_____,移动R1滑片,使电流表的示数为I额灯泡正常发光。
③闭合开关_____,保持R1滑片位置不动,移动R2滑片,使电流表的示数为I额。
④保持_____滑片位置不动,将另一个滑动变阻器滑片移到最左端,电流表的示数为I1,再将此滑动变阻器的滑片移到最右端,电流表的示数为I2。
⑤小灯泡额定功率的表达式为P额=_____。
(用I额、I1、I2、R1表示)【答案】滑动变阻器断路 2.2 0.5 S1 S2 R2 I 额2•2112I RI I【解析】【分析】(1)本实验中,电压表应并联在灯泡的两端,由此分析图甲的错误修改;(2)通过小灯泡不亮,两电表无示数,判断出电路中出现断路,然后根据具体情况判断断路处;(3)由图乙明确电压表量程和分度值,再读数;(4)由图象读出额定电压下通过灯泡的电流,根据P=UI计算额定电功率;(5)已知灯泡的额定电流,可通过R2等效替代正常发光灯泡,再根据电路特点,利用电源不变计算出R2的阻值,由P=I2R计算额定功率。
上海兰生复旦物理第十三章电路初探单元测试卷(word版,含解析)一、初三物理第十三章电路初探易错压轴题提优(难)1.在“探究串联电路电压特点”的实验中:(1)某次测量时,电压表的示数如图所示,则此时灯L1两端的电压为_____V;(2)某同学在测量了灯L1两端的电压后,断开开关,然后将AE导线的A端松开,接到D接线柱上,测量灯L2两端的电压,这一做法存在的问题是_____;(3)闭合开关S后,发现灯L1发光,L2不发光。
同学们有以下几种猜想:①灯L2灯丝断了;②灯L2的灯座短路;③灯L2也工作,但L2中电流比L1中电流小。
以上猜想中正确有_____(填序号)。
【答案】2.2 电压表的正负接线柱接反②【解析】【分析】【详解】(1)[1]由实物图可知,两灯串联,电压表测L1的电压;电源为两节干电池,则电源电压==U⨯2 1.5V3V根据串联分压的特点可知,灯L1两端的电压不可能大于3V,故图中电压表选择的是0~3V 量程,对应的分度值是0.1V,指针指在2V右面第2个小格上,读数为⨯=2V+0.1V2 2.2V(2)[2]如果将AE导线的A端松开,接到D接线柱上测量灯L2两端的电压,这样电流从电压表的“﹣”接线柱流入,从“+”接线柱流出了,开关闭合后,电压表的指针将反偏,即电压表的正负接线柱接反了,因此这种接法是错误的。
(3)[3]闭合开关S后,发现灯L1发光,L2不发光,则:①若灯L2灯丝断了,电路断路,灯泡L1也不发光,故①错误;②若灯L2的灯座短路,灯L1发光,L2不发光,故②正确;③若灯L2也工作时,由串联电路的电流特点可知,L2中电流和L1中电流相等,故③错误。
综上所述,以上猜想中正确只有②。
2.若假设在两地之间的输电线发生了短路,如何确定短路的位置?青羊区某学校物理兴趣小组分別进行下面的研究:他们用AB、CD两根长均为L(L为75cm)的直电阻丝模拟输电线,将导线连在两根电阻丝之间某处模拟输电线短路,在电阻丝的右侧可以安装检测电路,电阻丝单位长度的阻值为r(每厘米的电阻为2Ω),如图甲所示。
上海民办兰生复旦中学物理电功率综合测试卷(word 含答案)一、初三物理 电功率 易错压轴题(难)1.P 额=U 额I 1=22()U U U U U U R R--⋅=额额额额利用如图所示的电路探究电流跟电压的关系,电源电压为6V 不变.(1)按图甲,在图乙中把接错的一根导线打上“×”,再画线把它改到正确的位置上. (_____)(2)正确连接电路后,再闭合开关,移动滑片,发现电压表和电流表的示数均为0;继续移动滑片,当两电表指针刚好偏转且稳定时,其示数见序号3,继续实验,数据见序号4和序号5. 数据序号1 2 3 4 5 电压/V0 0 1 2 3 电流/A 0 0 0.1 0.2 0.3①根据第5组数据,在图丙中用“↑”标出电流表指针所在的位置.(_____)②由序号1、2两组数据可判断,该电流故障为________(选填“R 1接触不良”、“R 2断路”或“R 2短路”).③序号3、4、5三组数据表明:在导体的________一定时,导体中的电流跟导体两端的电压成正比.④根据表中数据计算,滑动变阻器接入电路的最大阻值为________Ω,滑动变阻器消耗的功率变化了________W .【答案】R1接触不良电阻500.4【解析】【分析】(1)测电阻的实验中电压表应测定值电阻两端电压,即与定值电阻并联,电流表测定值电阻电流与其串联。
(2)①图丙中电流表接的是0.6A量程,分度值为0.02A,第5组数据中电流为0.3A,电流表指针应指在0.2A与0.4A正中间的位置;②由序号1、2两组数据中电流表示数为0,电压表也为0,可判断电路为断路;③序号3、4、5三次实验都是在一个定值电阻下进行的,所以导体电阻没有变化,通过三组数据表明导体中的电流跟导体两端的电压成正比;④依据串联分压原理,定值电阻R2电压最小时,滑阻分的电压最大,此时滑阻R1阻值最大,也就是说第三组数据时滑阻R1阻值最大。
从电源电压6V里减去定值电阻R2的电压,得到滑阻R1电压,由于R2与R1串联,电流相等为0.1A,根据欧姆定律可计算滑阻阻值,利用公式P=I2R可计算滑阻电流在0.1A和0.3A时的功率,然后大功率减去小功率就是功率变化值。
上海民办兰生复旦中学物理电与磁综合测试卷(word含答案)一、三物理电与磁易错压轴题(难)1.如图是小明探究“影响电磁铁磁性强弱因素”的装置图(A为指针下方固定的铁块;线圈电阻忽略不计)。
小明通过观察指针B偏转角度的大小来判断电磁铁磁性的强弱。
开始时导线a与接线柱1相连,闭合开关,指针B绕固定点O点发生偏转。
(1)实验前,应将导线b与滑动变阻器的__________(选填“c”或“d”)接线柱连接。
(2)闭合开关,电磁铁的左端为__________极;使滑片P向左移动时,指针的偏转角度变大,说明电磁铁磁性强弱与__________有关。
(3)断开开关,将导线a与接线柱1相连改为与接线柱2相连,保持滑动变阻器的滑片P 的位置不变,再闭合开关,此时指针偏转角度__________(选填“变大”、“变小”或“不变”)。
(4)下图所示的装置中应用电磁铁工作的是__________。
(选填序号)【答案】c N 电流大小变小④【解析】【详解】(1)[1]实验前,应将导线b与滑动变阻器的c接线柱连接,这样变阻器的电阻才能进行调节;(2)[2]从图中可以看到,电流从电磁铁的右端流入,左端流出,根据安培定则可知电磁铁的左端为N极;[3]滑片P向左移动时,电路中的总电阻变小,电路的电流变大,而指针的偏转角度也变大,说明电磁铁磁性强弱与电流大小有关;(3)[4]由于线圈的匝数变少,电流强度不变,那么电磁铁磁性变弱,则指针偏转角度减小;(4)[5]手摇发电机是产生电流,利用电磁感应原理工作的;自制电动机是利用通电线圈在磁场中受力转动的原理工作的;动圈式话筒是利用电磁感应工作的;电铃通电时,电磁铁有电流通过,产生了磁性,小锤下方的弹性片被吸过来,小锤打击电铃发出声音,同时电路断开,电磁铁失去磁性,小锤又被弹回,电路闭合,不断重复,电铃会发出连续打击声,这是应用了电磁铁;故选④。
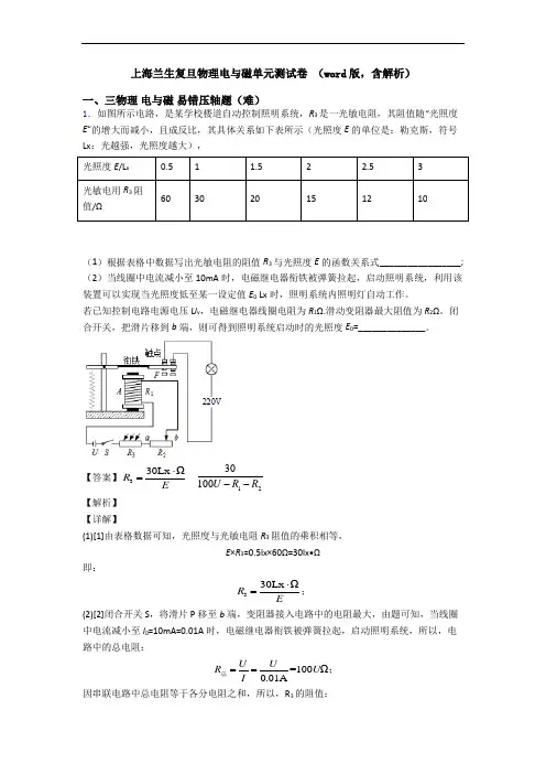
2.如图所示电路,是某学校楼道自动控制照明系统,R3是一光敏电阻,其阻值随“光照度E“的增大而减小,且成反比,其具体关系如下表所示(光照度E的单位是:勒克斯,符号Lx:光越强,光照度越大),光照度E/L x0.51 1.52 2.53光敏电用R3阻值/Ω603020151210(1)根据表格中数据写出光敏电阻的阻值R3与光照度E的函数关系式_________________;(2)当线圈中电流减小至10mA时,电磁继电器衔铁被弹簧拉起,启动照明系统,利用该装置可以实现当光照度低至某一设定值E0 Lx时,照明系统内照明灯自动工作。
2023-2024学年上海市复旦初级中学物理九上期中综合测试试题题请考生注意:1.请用2B铅笔将选择题答案涂填在答题纸相应位置上,请用0.5毫米及以上黑色字迹的钢笔或签字笔将主观题的答案写在答题纸相应的答题区内。
写在试题卷、草稿纸上均无效。
2.答题前,认真阅读答题纸上的《注意事项》,按规定答题。
一、单选题1.如图所示的电路中,若闭合开关S,那么下列判断中正确的是()A.电流表被烧坏B.灯泡被烧坏C.电压表被烧坏D.不会发生任何事故2.如图所示的电路中,要使电阻R1和R2串联,甲、乙、丙三只电表应依次是A.电流表、电流表、电压表B.电压表、电流表、电压表C.电压表、电流表、电流表D.电压表、电流表、电流表3.下列现象中,通过热传递方式改变物体内能的是()A.钻木取火B.一杯水慢慢变凉C.给自行车打气,气筒发热D.人造卫星落入大气层被烧毁4.关于导体的电阻,下列说法正确的是()A.导体的电阻只跟导体长度有关B.导体的电阻跟温度有关C.导体两端的电压为0V时,导体的电阻为0ΩD.导体容易导电,所以导体对电流没有阻碍作用5.如图所示是某物质在熔化时温度随时间变化的图像,下列从图像中获得的信息不正确的是()A.这种物质是晶体,其熔点为50℃B.在AB段物质处于固液共存状态C.在AB段物质不吸收热量,温度不变D.第8min后物质处于液态6.关于压力,下列说法正确的是()A.压力的施力物体一定是地球B.压力的方向总是竖直向下C.压力的大小,总是等于重力大小D.压力与形变同时产生,同时消失7.如图所示,利用托里拆利实验装置测量大气压强时,当玻璃管内的水银柱稳定后,再向水银槽内注入一些水银,那么玻璃管内外水银液面的高度差△h将A.保持不变 B.逐渐减小C.逐渐增大 D.无法判断8.橡胶棒与毛皮摩擦后,毛皮带正电荷,这是因为摩擦使毛皮( )A.失去一些电子 B.得到一些电子 C.失去一些质子 D.得到一些质子二、多选题9.两个用丝线吊着的轻质小球和,当它们靠近时相互吸引,下列情况可能存在的是A.A带正电,B带负电B.A不带电,B带正电C.A带负电,B不带电D.A,B都不带电10.如图所示,电源两端的电压保持不变,R0为定值电阻。
上海兰生复旦物理电与磁单元测试卷(word版,含解析)一、三物理电与磁易错压轴题(难)1.如图所示电路,是某学校楼道自动控制照明系统,R3是一光敏电阻,其阻值随“光照度E“的增大而减小,且成反比,其具体关系如下表所示(光照度E的单位是:勒克斯,符号Lx:光越强,光照度越大),光照度E/L x0.51 1.52 2.53光敏电用R3阻值/Ω603020151210(1)根据表格中数据写出光敏电阻的阻值R3与光照度E的函数关系式_________________;(2)当线圈中电流减小至10mA时,电磁继电器衔铁被弹簧拉起,启动照明系统,利用该装置可以实现当光照度低至某一设定值E0 Lx时,照明系统内照明灯自动工作。
若已知控制电路电源电压U v,电磁继电器线圈电阻为R1Ω.滑动变阻器最大阻值为R2Ω。
闭合开关,把滑片移到b端,则可得到照明系统启动时的光照度E0=______________。
【答案】330LxΩRE⋅=1230100U R R--【解析】【详解】(1)[1]由表格数据可知,光照度与光敏电阻R3阻值的乘积相等,E×R3=0.5lx×60Ω=30lx•Ω即:330LxΩRE⋅=;(2)[2]闭合开关S,将滑片P移至b端,变阻器接入电路中的电阻最大,由题可知,当线圈中电流减小至I0=10mA=0.01A时,电磁继电器衔铁被弹簧拉起,启动照明系统,所以,电路中的总电阻:=100Ω0.01AU UR UI==总;因串联电路中总电阻等于各分电阻之和,所以,R3的阻值:R3=R 总-R 1-R 2=100U -R 1-R 2,根据第一步的结果可知:03123030=100E R U R R =-- 。
2.如图,在“磁场对通电直导线的作用”实验中,小明把一根轻质的铝棒AB 用细线悬挂后置于蹄形磁体的磁场中(1)接通电源,铝棒AB 向左运动,说明磁场对电流有的_____作用,_____(选填“电动机“或“发电机”)利用这一原理工作的.(2)若只将磁体的两极对调,接通电源,观察到铝棒AB 向_____(选填“左”成“右”)运动,说明力的方向与_____方向有关.(3)小明猜想磁场对通电直导线作用力的大小可能与导线中电流大小有关,请在图中器材的基础上,添加一只器材,设计一个简单实验,探究这一猜想.添加器材:_____简要做法:_____【答案】力 电动机 右 磁场 滑动变阻器 将滑动变阻器串联在电路中,改变滑片的位置,观察铝棒摆动的幅度【解析】(1)把一根轻质的铝棒作为直导线放在蹄形磁体的磁场里,接通电源,看到直导线向左运动,说明磁场对通电导线有力的作用;电动机就是利用该原理制成的;(2)只将磁体的两极对调,接通电源,导体的运动方向会改变,所以观察到直导线向右运动;说明力的方向与磁场的方向有关;(3)探究磁场中通电导线作用力大小与导线中电流的大小是否有关,可以在其他条件不变的情况下,添加一滑动变阻器来改变电路中的电流.其做法如下:在图所示的电路中串联一个滑动变阻器,移动变阻器的滑片,改变导线中电流的大小,观察通电导线摆动的幅度;以此判断磁场对通电导线作用力大小与导线中电流的大小是否有关.3.如图是小明“探究导体在磁场中运动时产生感应电流的条件”的实验装置。
上海民办新华初级中学物理电流和电路单元练习(Word版含答案)一、初三物理电流和电路易错压轴题(难)1.图甲是安装在木板正面的部分电路,其中a、b、c、d是穿越木板的接线柱,两个灯座的两端分别接在两个接线柱上,安装两个相同的小灯泡L1、L2木板背面的部分接线柱之间有导线相连着,从而使木板正背两面的电路组成一个完整的电路。
闭合开关通电后,两灯都能正常发光。
(1)小明说出了判断两灯是串联还是并联的正确方法:用手将其中一个小灯泡取掉,若另一灯泡仍发光,则说明两灯的连接方式是______________,否则是____________;(2)小丽在电源和开关之间串联接入电流表,闭合开关,两灯亮,电流表示数如图乙所示,可初步判断通过灯L1的电流可能是_________,也可能是_____________。
【答案】并联串联 0.3A 0.15A(顺序可调换)【解析】【分析】【详解】(1)[1][2]用手将其中一个小灯泡取掉,若另一灯泡仍发光,说明两灯泡互不影响,能独立工作,两灯泡是并联关系,否则是串联。
(2)[3][4]电流表示数如图乙所示,电流表的量程是0.6A,每一个小格的示数是0.02A,电流表的读数为0.3A;如果两灯串联,则可判断出通过灯L1的电流是0.3A;如果两灯并联,则通过每一只灯泡的电流为总电流的一半,所以通过灯泡L1的电流也可能是0.15A。
2.小敏和小英通过实验探究“并联电路中干路电流与各支路电流的关系”.她们连接的电路如图所示.(1)当小敏用开关“试触”时,发现电流表A1无示数、电流表A2的指针快速右偏,两灯均不发光.由此可知,她们连接的电路发生了________故障;若闭合开关S,可能造成的后果是________.(2)小英只改接了电路中的一根导线,电路便连接正确了,请你在图中画出她的改法.(在错接的导线上画×,然后画出正确的接线)(___________)(3)她们利用改正后的电路进行实验:闭合开关S后,读出两块电流表的示数,得出的初步结论是:________.【答案】短路电流表A2被烧坏在并联电路中,干路电流大于支路电流【解析】【分析】【详解】(1)电流表A1无示数、电流表A2的指针快速右偏,两灯均不发光,由此可知电路发生了短路故障,若闭合开关S,由于电路发生短路,电路中电流过大,可能造成的后果是电流表A2被烧坏.(2)改正电路如图:(3)利用改正后的电路进行实验,闭合开关S后,读出两块电流表的示数,得出的初步结论是:在并联电路中,干路电流大于支路电流.【点睛】电路中发生短路的危害,可能烧毁电流表或电源,为避免短路发生,可采用试触法.3.小丽做测量小灯泡电功率的实验(小灯泡标有“2.5V”字样,电阻约10Ω)。
一、选择题1.有两只滑动电阻器,分别标有“10Ω1A”和“5Ω2A”的字样,若把它们串联起来使用,则电路中允许通过的最大电流为()A.1A B.2A C.3A D.无法确定2.在探究电路的电流规律实验时用了图中的某个电路,L1和L2规格相同,L3与L1规格不同,电流表的读数分别为A1为0.3A,A2为0.15A,A3为0.45A。
测量时的电路图应是()A.B.C.D.3.某种新型防一氧化碳中毒报警器的节能灯工作原理是:当室内一氧化碳浓度超标时,气敏开关自动闭合发出警报声;当需要照明时,闭合开关S照明灯工作。
下列符合该报警节能灯工作要求的电路是()A.B.C.D.4.酸甜多汁的水果不仅可以为我们的身体提供能量,还可以发电呢!如图所示,几只水果提供的电力足以点亮一排发光二极管!关于这个电路说法正确的是()A.水果电池将化学能转化成内能B.水果的作用是给电路提供电压C.水果在这里扮演了“用电器”的角色D.此时电路中的发光二极管即为电源5.通过直接感知的现象,推测无法直接感知的事实,是常用的物理方法下列根据现象所作出的推测不符合事实的是()A.“清晨,树叶上的露珠看起来呈球状”推测分子之间存在引力B.“墨水在热水中比在凉水中扩散得快”推测温度越高,分子的热运动越剧烈C.“街边的路灯同时亮、灭”推测路灯是串联的D.“电路中的灯泡发光”推测电路中有电流6.如图所示,取两个相同的不带电的验电器A和B,用丝绸摩擦过的玻璃棒与验电器A 的球接触后,再用带有绝缘手柄的金属棒把A和B连接起来。
下列说法正确的是()A.用丝绸摩擦过的玻璃棒带负电B.用金属棒把A和B连接起来后,正电荷沿金属棒从A移动到BC.用金属棒把A和B连接起来后,瞬间电流方向是从金属棒的左端到右端D.验电器金属箔片张开,说明金属箔片带了异种电荷7.下列操作能使图中的小灯泡1L和2L组成串联电路的是()A.闭合开关1S、2S和3S B.只闭合开关1S和2SC.只闭合开关2S和3S D.只闭合开关3S8.下列有关电流和电路的说法中正确的是()A.只有正电荷定向移动才会形成电流B.带电的物体只能吸引带异种电荷的物体C.丝绸与玻璃棒摩擦以后,丝绸带负电D.金属导体中电流方向与自由电子定向移动方向相同9.把餐巾纸摩擦过的塑料吸管放在支架上,吸管能在水平面自由转动。
上海复旦大学第二附属中学物理电流和电路单元测试卷(含答案解析)一、初三物理电流和电路易错压轴题(难)1.进一步探究电容器是电气设备中的重要元件,是储存电荷的装置。
通常简称其容纳电荷的本领为电容,用字母C表示,单位为法拉,用字母F表示。
两个相距很近又彼此绝缘的平行金属板形成一个最简单的电容器,在电路中用表示。
(1)如图,闭合开关,电容的两个极板将带等量异种电荷,这个过程叫电容器充电。
充电过程中,经过开关的电流方向是______(选填“从A到B”或“从B到A”)。
改变电源电压,电容器所带电荷量Q也发生改变,实验数据如下表。
电压U/V282电荷量Q/C4×10-36×10-32×10-35×10-3电容C/F2×10-30.75×10-31×10-32×10-3(2)分析数据可知,电容C与电容器两端电压U及电荷量Q的关系式为:C=______。
(3)请把表格补充完整______。
(4)电容的大小不是由带电量或电压决定的,常见的平行板电容器,电容决定式为SCdε=(ε是一个常数,S为极板面积,d为极板间距离)。
多电容器串联时,121111=nC C C C++…,(C表示总电容,C1、C2.……C n表示各电容器的电容)。
现有两个极板面积分别为S1、S2,极板间的距离分别为d1、d2的平行板电容器串联接到电压为U的电源上,则总电容C=______,总共能够储存的电荷量为______。
【答案】B到AQCU= 2.5V 121221S SS d S dε+121221S Sd dUS Sε+【解析】【分析】【详解】(1)[1]充电过程中负电荷从A运动到B,正电荷从B运动到A,则根据电流方向的规定,经过开关的电流方向为B到A。
(2)[2]由表中数据可知3-3210F 2V 410C -⨯⨯=⨯ 3-30.7510F 8V 610C -⨯⨯=⨯3-3110F 2V 210C -⨯⨯=⨯即Q CU =则Q C U=(3)[3]根据上题所得公式QU C=,将表中数据带入可得 33510C 2.5V 210FQ U C --⨯===⨯(4)[4][5]现有两个极板面积分别为S 1、S 2,极板间的距离分别为d 1、d 2的平行板电容器串联接到电压为U 的电源上,电容决定式为SC dε=则111S C d ε= 222S C d ε=因为多电容器串联时121111=nC C C C ++… 则12111=C C C + 带入12C C 、可得121221S S C S d S d ε=+则总共能够储存的电量为121221US S S d C S d Q U ε+==2.实验桌上有如下器材:满足实验要求的电源、电流表、电压表、开关、滑动变阻器各一个,若干个不同阻值的定值电阻和足够多的导线。
上海兰生复旦物理电流和电路单元测试卷(word版,含解析)一、初三物理电流和电路易错压轴题(难)1.现有两只小灯泡L1、L2,它们的额定电压分别为2.5V和3.8V.(1)如图甲是小明测定灯泡L1额定功率的实物电路图(不完整).①请用笔画线代替导线将实物电路图连接完整_____.②闭合开关前,应将滑动变阻器的滑片P移到__端(选填“A”或“B”).闭合开关后发现:小灯泡不亮,电流表示数为零,而电压表示数接近电源电压。
经检查,电流表是完好的,仅滑动变阻器或小灯泡存在故障,则电路中的故障是__.排除故障后,闭合开关,仍发现小灯泡不亮,电流表指针偏转很小,要使该小灯泡发光只需__。
③当电压表示数为2.5V时,电流表示数如图乙所示,则灯泡L1的额定功率为__W.(2)小华利用图丙所示的电路测出了灯泡L2的额定功率.图中R为阻值已知的定值电阻,还缺两个开关和一只电表(电流表或电压表),请在虚线框内补上这三个元件的符号,使电路完整,实验操作简单______.【答案】A灯泡断路移动滑动变阻器0.8【解析】(1)①根据图中电表的正、负接线柱,从电源正极连接开关,滑动变阻器的接线柱要求一上一下的串联在电路中,所以将C或D连到电源负极即可,如下图所示:②电压表有示数,说明电压表与电源连通;电流表示数几乎为零,灯泡不发光,说明电路断路或电路的总电阻很大,导致这一现象的原因可能是小灯泡断路而导致电压表串联在电路中;③为了保护电路,闭合开关前,滑片P应处在使电路中电阻最大位置A端;由乙图,电流表使用0-0.6A量程,分度值为0.02A,示数为0.32A,所以灯泡L1的额定功率:;(2)由上面的分析知,右上边的是电压表;左边两虚线框内是开关,如图所示:①只闭合S和中间的开关,移动滑片使电压表示数为3.8V;②保持滑片位置不动,断开中间开关,闭合左上边开关,测出灯与R的总电压,根据串联电路的电压特点计算出R两端电压U R;③由计算出R的电流,即灯泡此时的电流,由P=U额I额计算灯泡L2电功率即可.故答案为:(1). (2). A (3). 灯泡断路 (4). 移动滑动变阻器(5). 0.8 (6).【点睛】本题是测灯泡额定功率的实验,考查了电路连接、变阻器的使用、电表读数和功率计算以及特殊方法测功率的电路设计.特殊方法测功率时,只给电流表通常会使用并联电路,只给电压表时通常使用并联电路,利用已知阻值的电阻与电表的组合间接测电压或电流达到实验目的。
上海民办迅行中学物理电流和电路单元达标训练题(Word版含答案)一、初三物理电流和电路易错压轴题(难)1.图甲是安装在木板正面的部分电路,其中a、b、c、d是穿越木板的接线柱,两个灯座的两端分别接在两个接线柱上,安装两个相同的小灯泡L1、L2木板背面的部分接线柱之间有导线相连着,从而使木板正背两面的电路组成一个完整的电路。
闭合开关通电后,两灯都能正常发光。
(1)小明说出了判断两灯是串联还是并联的正确方法:用手将其中一个小灯泡取掉,若另一灯泡仍发光,则说明两灯的连接方式是______________,否则是____________;(2)小丽在电源和开关之间串联接入电流表,闭合开关,两灯亮,电流表示数如图乙所示,可初步判断通过灯L1的电流可能是_________,也可能是_____________。
【答案】并联串联 0.3A 0.15A(顺序可调换)【解析】【分析】【详解】(1)[1][2]用手将其中一个小灯泡取掉,若另一灯泡仍发光,说明两灯泡互不影响,能独立工作,两灯泡是并联关系,否则是串联。
(2)[3][4]电流表示数如图乙所示,电流表的量程是0.6A,每一个小格的示数是0.02A,电流表的读数为0.3A;如果两灯串联,则可判断出通过灯L1的电流是0.3A;如果两灯并联,则通过每一只灯泡的电流为总电流的一半,所以通过灯泡L1的电流也可能是0.15A。
2.实验桌上有如下器材:满足实验要求的电源、电流表、电压表、开关、滑动变阻器各一个,若干个不同阻值的定值电阻和足够多的导线。
小华想用实验桌上的器材证明:“当通过导体的电流一定时,导体的电阻越大,导体两端的电压越大”,为此他设计的实验电路如图所示。
(1)请写出他的实验步骤;(2)设计一个实验数据记录表格。
【答案】见解析所示【解析】【详解】(1)实验步骤:①按图连接电路,将滑动变阻器调至阻值最大处,闭合开关后,调节滑片位置,使电流表示数为I,读电压表示数U,将R、I、U记录在数据表格中;②断开开关,将R换为另一更大阻值的电阻,闭合开关后,调整滑片位置,使电流表示数仍为I,读出电压表的示数U,将R、I、U记录在数据表格中;③仿照步骤②,再重复1次实验。
一、选择题1.在如图甲所示的电路中,当闭合开关后,两个电流表指针偏转均如图乙所示,则电阻R1和R2中的电流分别为()A.0.36A 1.8A B.0.28A 1.8A C.0.36A 1.44A D.1.44A 0.36A2.关于生活中的一些电路连接,下列判断不正确的是()A.教室里的日光灯与控制它的开关是串联的B.道路两旁的路灯,晚上同时亮,早上同时灭,但它们还是并联的C.家里的电视与电饭煲在使用时互不影响,所以它们是并联的D.只有在光线不足且有人走动发出声音时,居民楼楼道里的自动控制灯才会发光,故使用的声控开关和光控开关有可能是并联的3.验电器是检验物体是否带电的仪器,用毛皮摩擦过的橡胶棒接触验电器的金属球现象如图,下列说法正确的是()A.验电器的金属球带负电,电流方向是从橡胶棒到金属箔B.验电器的金属球带负电,电流方向是从金属箔到橡胶棒C.验电器是根据同种电荷相互排斥,异种电荷相互吸引的原理来工作的D.验电器的金属球带正电,电流方向是从金属箔到橡胶棒4.将电阻R1、R2同时接入电路中,用电流表测得电路各处电流都相等,则两电阻()A.一定串联B.一定并联C.可能串联,也可能并联D.以上说法都不正确5.如图所示的是一种按钮开关的结构截面图,图中C是按钮,D是外壳,A、B各有接线柱与电路相连接,通常情况下,属于绝缘体的是()A.C、D是绝缘体B.B、D是绝缘体C.A、C是绝缘体D.A、B是绝缘体6.如图所示,电源电压不变,闭合开关S,正常工作一段时间后,发现其中一个电压表示数变大,则()A.1L可能变亮B.1L可能熄灭C.2L可能断路D.2L可能短路7.当一个带电体靠近导体时,由于电荷间相互吸引或排斥,导体中的自由电荷便会趋向或远离带电体,使导体靠近带电体的一端带异种电荷,远离带电体的一端带同种电荷,这种现象叫做静电感应。
如图所示,把两个紧靠在一起的枕形金属导体A、B靠近与丝绸摩擦后的带电体玻璃棒C,则()A.与玻璃棒摩擦后的丝绸带正电荷B.枕形金属导体A、B靠近玻璃棒C时有部分负电荷从C转移到AC.枕形金属导体A、B靠近带电体C的瞬间,瞬时电流方向A→BD.把A、B分开之后再移去C,B端带负电荷8.在击剑比赛中,当甲方的剑击中乙方的导电服时,相当于闭合开关S甲,乙方的指示灯L 乙就会亮;当乙方的剑击中甲方时,相当于闭合开关S乙,甲方的指示灯L甲就会亮;双方同时击中对方时,双方的指示灯都亮。
一、选择题1.如图所示,两个截面面积不同、长度相等的均匀铜棒接在电路中,其两端电压为U,则下列说法错误的是()A.通过两棒的电流相等B.细棒的电压U1大于粗棒的电压U2C.两棒内的电场强度不同,细棒内场强E1大于粗棒内场强E2D.两棒的自由电子定向移动的平均速率相同2.下列有关导体电流的说法中,正确的是()A.电流的方向就是电荷定向移动的方向B.因为电流有方向,所以电流是矢量C.只要有自由电荷就能形成电流D.导体两端没有电压就不能形成电流3.一根粗细均匀的金属丝,当其两端所加电压为U时,通过其中的电流为I。
现将金属丝均匀地拉长为原长的3倍,在其两端仍然加电压U的情况下,通过金属丝的电流为()A.9I B.3I C.13I D.19I4.两根长度相同,横截面积之比S1:S2=2:3的均匀铜导线按图所示接入电路,关于两段导线以下说法中错误的是()A.它们的电阻之比为3∶2B.它们的电流之比为1∶1C.它们的电子移动速率之比为3∶2D.单位时间通过它们的电量之比为2∶35.在真空中,若氢原子的核外电子做半径为r的匀速圆周运动,已知电子的质量为m,电荷量为e,静电力常量为k,则核外电子运动的()A.周期为3 2mrkeB.周期为2 2mrkeC22e kmr πD .等效电流的大小2eke mrπ 6.已知一只表头的量程为0~100mA ,内阻g 100ΩR =。
现将表头改装成电流、电压两用的电表,如图所示,已知12100Ω,1k ΩR R ==,则下列正确的说法是( )A .用oa 两端时是电压表,量程为110VB .用ob 两端时是电压表,量程为110VC .用oa 两端时是电流表,量程为200mAD .用ob 两端时是电流表,量程为200mA7.如图所示,1R 和2R 是材料相同、厚度相同、上下表面均为正方形的导体,但2R 的尺寸比1R 要小,通过导体的电流方向如图中箭头所示,假设1R 边长为4L ,2R 边长为L ,若1R 的电阻值为8Ω,则2R 的阻值为()A .2ΩB .8ΩC .32ΩD .64Ω8.如图所示为某同学设计的多用电表的原理示意图。
一、选择题1.家用电熨斗为适应不同衣料的熨烫,设计了调整温度的多挡开关、使用时转动旋钮即可使熨斗加热到所需的温度,下图是电熨斗的电路图。
旋转多档开关可以改变1、2、3、4之间的连接情况,现将开关置于温度最高挡,这时,1、2、3、4之间的连接是图中的哪一幅()A.B.C.D.2.小明在研究并联电路电流特点时,根据如图所示电路图连接好电路,并闭合开关S和S1。
当他再闭合开关S2时,电流表示数变化正确的是(电源电压不变)()A.A1示数变大B.A1示数变小C.A2示数变大D.A2示数变小3.关于静电现象,下列说法正确的是()A.细绳悬挂的两个轻质泡沫小球相互吸引,则两小球一定带有异种电荷B.丝绸摩擦过的玻璃棒会带上正电荷,在这个过程中丝绸会失去电子C.验电器是利用了同种电荷相互排斥、异种电荷相互吸引的原理制成的D.摩擦后的气球能够吸引细水流,是因为带电体具有吸引轻小物体的性质4.小明家的智能锁需要通过“密码+指纹”两次识别成功才能开锁。
第一次识别成功时,开关S1闭合,发声器S发出声音,但不开锁;第二次识别成功时,开关S2闭合,电动机M启动,开锁成功。
下列电路图中,设计符合要求的是()A.B.C.D.5.如图所示,电动独轮车是新一代化步工具,它体形小巧、携带方便,而且依靠电力驱动,低碳环保,越来越受到年轻人的喜爱。
某品牌独轮车工作原理:当电源开关S1闭合时指示灯亮起,人站在独轮车上开关S2自动闭合,电动机才能启动,开始运动。
下列电路设计符合上述要求的是()A.B.C.D.6.进入某档案馆的保密室有下列要求:甲、乙、丙3位资料员必须同时用各自的钥匙(开关S1、S2、S3表示3位资料员各自的钥匙)使灯亮才能进入保密室。
图所示的电路设计符合要求的是()A .B .C .D .7.如图所示电路,探究并联电路中电流的关系。
1L 与2L 是两个不同规格的小灯泡,闭合开关后,用电流表测得通过a 、b 、c 、d 四处电流的大小分别为a I 、b I 、c I 、d I 。
上海民办兰生复旦中学物理电流和电路综合测试卷(word含答案)一、初三物理电流和电路易错压轴题(难)1.某小组同学通过自学得知:在两种金属组成的回路中,如果使两个接触点的温度不同,便在回路中将会出现电流.为了验证和探究其中规律,该小组利用铁丝和铜丝两种导线组成图(a)所示的闭合回路,并将相连的两个交叉点A、B分别置于烧杯中和酒精灯上方.做了如图(a)、(b)、(c)、(d)所示的四次实验.请仔细观察图中的装置、操作和现象,归纳得出初步结论.(1)分析比较图中(a)(b)两图中的装置、操作和现象,归纳得出初步结论:当相互连接的两种金属丝的材料不变时,接触点之间的温度差越小,电路中的电流________.(2)分析比较图中(a)(c)两图[或(b)(d)两图],发现当相互连接的两种金属丝的材料相同,金属导线接触点之间的温度差也相同,且用酒精灯对金属导线中部进行加热时,闭合回路中的电流表示数________(选填“变大”、“不变”或“变小”).据此可得出初步结论:当相互连接的两种金属丝的材料相同,金属导线接触点之间的温度差也相同时,电路中的电流大小与金属导体中部温度高低________.【答案】越小不变无关【解析】【分析】【详解】(1)比较a、b两次实验可知,当相互连接的两种金属丝的材料不变时,(a)中冰水混合物与酒精灯火焰的温度差比较大,电流表示数大;(b)中开水与酒精灯火焰的温度差较小,电流表的示数小,故可得出的结论为:当相互连接的两种金属丝的材料不变时,接触点之间的温度差越小,电路中的电流越小;(2)分析比较图中(a)(c)两图(或(b)(d)两图),发现当相互连接的两种金属丝的材料相同,金属导线接触点之间的温度差也相同,且用酒精灯对金属导线中部和最长处进行加热时,闭合回路中的电流表示数相同,据此可得出初步结论:当相互连接的两种金属丝的材料相同,金属导线接触点之间的温度差也相同时,电路中的电流大小与金属导体中部温度高低无关.【点睛】根据图示判断两个接触点的温度差,然后比较实验中电流表的示数,并与已有的结论对比.2.如图所示的电路中,电源电压为U,闭合电键S,发现两电表指针的位置均不变,已知故障只发生在电阻R1、R2上,请根据相关信息写出电压表的示数及相应的故障.①如果电压表示数为_____;则可能存在的故障是_____.②如果电压表示数为_____;则可能存在的故障是_____.【答案】0 R1断路或R1、R2均断路或R1断路、R2短路 U R2断路或R2断路、R1短路【解析】【分析】【详解】如图所示,R1和R2串联在电路中,如果电压表示数为0,则可能存在的故障是R1断路或R1、R2均断路或R1断路、R2短路,如果电压表示数为U,则可能存在的故障是R2断路或R2断路、R1短路.【点睛】电路故障问题是电学测试中经常考查的问题.解决的一般步骤是将每种情况代入题目,根据应该出现的现象和题目中描述的现象进行对比,符合题意的即为正确答案.3.在真空中两个点电荷间存在相互作用力,探究其影响因素的实验数据如表:序号甲电荷的电荷量1/Cq乙电荷的电荷量2/Cq甲、乙两电荷之间的距离/mr甲乙两电荷之间的相互作用力/NF18110-⨯8210-⨯0.35210-⨯28110-⨯8110-⨯0.35110-⨯38310-⨯8210-⨯0.155410-⨯48310-⨯8210-⨯0.2513.510-⨯58210-⨯8110-⨯0.254.510-⨯68410-⨯8310-⨯0.3(1)分析表中数据可知,若要使两个点电荷之间的作用力增大,可以采用_____的方法。
将表格填写完整______ 。
(2)如图,将甲、乙两个带电小球放在光滑的绝缘水平面上,甲球带正电荷,电荷量为1q ,乙球带负电荷,电荷量为2q 。
为了使这两个小球在原来的位置静止,沿着甲、乙两球的球心连线方向,在乙球的右边某位置放上一个电荷量为3q 的小球丙,此时恰好使得三球均保持静止,则丙球应该带_____(选填“正”或“负”)电荷。
【答案】减小两点电荷间的距离 51210-⨯ 正 【解析】 【详解】(1)[1]分析表格数据可知,真空中两个点电荷间的相互作用力,跟它们所带的电荷量的乘积成正比,跟它们之间的距离的平方成反比,既得:122q q F kr=; 所以若要使两个点电荷之间的作用力增大,应减小两点电荷间的距离。
[2]对比表格中序号2和序号6的数据可知,甲电荷量变为原来的4倍,乙电荷量变为原来的3倍,电荷间的距离不变,根据122q q F k r=知,两电荷之间的相互作用力为原来的12倍,即:51210N F -=⨯。
(2)甲球带正电荷,乙球带负电荷,所以甲受到乙的引力向右,甲要静止,应受到丙向左的力,所以丙应带正电。
4.图甲是用伏安法测未知电阻R 的实验图。
(1)请用笔画线代替导线,将图甲中实物电路连接完整_____________(2)闭合开关,将滑片P 向左滑动时,此时电压表示数为2.4V ,电流表示数如图乙所示其读数为I =______A ,则未知电阻R = _________ Ω。
(3)若实验中只有一个电压表和一个已知电阻R 0,小明设计了如图丙所示的电路,同样可以测量未知电阻R x ,请在空格内将实验步骤补充完整①闭合S 、断开S 1,用电压表测出待测电阻R x 两端的电压为U 1② ___________,用电压表测出电源的电压U③请写出用测量值U、U1及R0来表示R x的表达式:R x= ____________【答案】导线的一端接在变阻器上,另一端接在电阻R上 0.3 8 闭合S、S1 101xU RRU U=-【解析】【分析】【详解】(1)[1]变阻器应串联在电路中,可将导线一端接在变阻器上端,另一端接在电阻R右端,如图所示。
(2)[2]读图可知,电流表的量程为0~0.6A,其分度值为0.02A,则电流表的示数为0.3A。
[3]由公式UIR=得2.4V0.3A8URI===Ω(3)[4][5]实验步骤:①闭合开关S、断开S1,用电压表测出待测电阻R x两端的电压为U1;②闭合开关S、S1,用电压表测出电源的电压U;③因串联电路中总电压等于各分电压之和,所以,R0两端的电压U0=U﹣U x=U﹣U1因串联电路中各处的电流相等,所以xxU UIR R==即110xU U UR R-=解得101x U R R U U =-5.某实验小组想探究并联电路中电流的规律,晓丹同学猜想:并联电路中各支路电流相等.她设计了如下右图所示的电路,准备测量a 、b 、c 三处的电流,并从实验室取来电流表3只、灯泡2只、开关1个、电池和导线若干进行实验.(1)画好电路图后,晓丹同学开始连接电路,在连接电路过程中,开关应该是_____的. 检查电路连接无误后,她开始实验,并读出电流表示数记录在表格中. Ib/AIc/AIa/A0.180.180.36晓丹同学分析数据后得出结论:并联电路中各支路电流相等. (2)晓丹得出错误的实验结论,主要原因是_____. (3)请你对接下来的实验提出改进措施(一条即可)_____.【答案】断开 选用规格相同的(或电阻相同)灯泡进行实验 换用不同的灯泡进行实验,多次测量获得多组数据等 【解析】 【分析】 【详解】(1)[1]为保护电路安全,在连接电路过程中,开关应该是断开.(2)[2]两灯泡并联,灯泡两端电压相同,通过灯泡的电流相等,这说明所选用的灯泡规格相同(或电阻相同),从而得出了错误的结论,为得出普遍结论,应采用不同规格的灯泡进行实验.(3)[3]为得出普遍结论,换用不同规格的灯泡进行实验,且在电路中接入滑动变阻器或改变电源电压进行多次测量获得多组数据等.6.甲为研究并联电路电流规律的实验电路图.(1)若要测量干路电流,则电流表应串联在甲图中的_____(选填“A”、“B”或“C”)处.(2)若要测量A处的电流,连好电路闭合开关前,发现电流表指针位置如图乙所示.调整正确后闭合开关,发现指针又偏向图乙位置,其原因是_____.(3)纠正(2)中错误后,测出A、B、C三处的电流值如表所示.由此得出结论:并联电路中,干路电流等于各支路电流之和,且各支路的电流相等.这个实验在设计方案上还存在的不足之处是:_____(写出一条).【答案】C 前者是电流表没有校零,后者是电流表“+”、“-”接线柱接反用同一规格的灯泡或只测量得到一组实验数据【解析】【分析】【详解】(1)电路为并联电路,若要测量干路电流,则电流表应串联在甲图中的干路中,其中AB 为两支路上的点,C为干路上的点,所以电流表应该接在C处;(2)乙图中电流表的指针偏转在零刻度线的左侧,电路闭合开关前,电路中无电流,发现电流表指针位置如图乙所示,是因为电流表无校零.调整正确后闭合开关,发现指针又偏向图乙位置,其原因是电流表“+”、“-”接线柱接反.(3)并联电路电流规律结论得出:并联电路中,干路电流等于各支路电流之和,且各支路的电流相等.说明两条支路所用的用电器规格相同,应该换用不同规格的灯泡多测量几组数据,才能得出普遍的一般性规律.7.为了探究“并联电路电流规律”,小红实验小组设计了如图甲所示的电路图。
(1)准备连接电路时,他们首先就连接方法进行了如下讨论。
几个说法中错误的是(________)A.按照电路图连接电路时,开关应该是断开的B.每处接线都必须接牢C.连接电路元件时不能从电池的负极开始D.连接完毕后要仔细检查电路,确认无误后再闭合开关(2)连接好电路后,小明闭合开关测量A处的电流时,发现电流表的指针偏转如图乙所示,原因是________;(3)小亮同学根据下表实验数据得出的实验结论是;在并联电路中,干路电流等于各支路电流之和,且各支路的电流相等。
老师指出小亮的探究过程有不妥之处,请问他下一步应该被的最合理的操作是(________)A点电流A I B点电流B I C点电流C I0.16 A0.16 A0.32 AA.分析数据,得出结论B.改变电源电压,再测出几组电流值C.换用不同规格的小灯泡,再测出几组电流值D.换用电流表的另一量程,再测出一组电流值【答案】C电流表正负接线柱接反C【解析】【详解】(1)[1]A.连接电路时,开关应该断开,故A正确,不符合题意;B.连接电路时每处接线都必须接牢,要不接触不良会造成断路,故B正确;C.连接电路时,应该按照一定的顺序,开关断开,防止短路对电路元件的损坏,故C错误,符合题意;D.连接完毕后要仔细检查电路,确认无误后再闭合开关,避免发生短路,故D正确。
(2)[2]由乙图知,电流表的指针反偏了,原因是电流表正负接线柱接反了;(3)[3]探究并联电路的电流特点时,应选择两盏不同规格的灯泡,多做几次实验,以得到普遍的结论,故选C。