市政给排水工程验收表格
- 格式:doc
- 大小:1.02 MB
- 文档页数:59
市政给排水管道验收记录表
单位(子单位)工程质量竣工验收记录
编号:
单位(子单位)工程质量控制资料核查表
编号:
编号:
编号:
编号:
编号:
编号:
编号:
编号:
编号
编号
编号:
编号
钢管内防腐层工程检验批质量验收记录
编号:
钢管外防腐层工程检验批质量验收记录
编号:
钢管阴极保护工程检验批质量验收记录
编号:
球墨铸铁管接口连接工程检验批质量验收记录
编号:
钢筋混凝土管、预(自)应力混凝土管、预应力钢筒混凝土管接口连接工程检验批质量验收记录
编号:
化学建材管接口连接工程检验批质量验收记录
编号:
管道铺设工程检验批质量验收记录
编号:
井室工程检验批质量验收记录
编号:
编号:
编号:
(以上未列项目执行此表格)。
单位(子单位)工程质量竣工验收记录编号:
单位(子单位)工程质量控制资料核查表
编号:
单位(子单位)工程观感质量核查表编号:
单位(子单位)工程结构安全和使用功能性检测记录表编号:
分部(子分部)工程质量验收记录编号:
分项工程质量验收记录编号:
沟槽开挖与地基处理工程检验批质量验收记录编号:
沟槽支护工程检验批质量验收记录编号:
沟槽回填(刚性管道)工程检验批质量验收记录Ⅰ编号:
沟槽回填(刚性管道)工程检验批质量验收记录Ⅱ编号:
沟槽回填(柔性管道)工程检验批质量验收记录编号
管道基础工程检验批质量验收记录编号
钢管接口连接工程检验批质量验收记录编号:
钢管内防腐层工程检验批质量验收记录编号
钢管内防腐层工程检验批质量验收记录编号:
钢管外防腐层工程检验批质量验收记录编号:
钢管阴极保护工程检验批质量验收记录编号:
球墨铸铁管接口连接工程检验批质量验收记录编号:
钢筋混凝土管、预(自)应力混凝土管、预应力钢筒混凝土管接口连接工程检验批质量验收记录
编号:
化学建材管接口连接工程检验批质量验收记录编号:
管道铺设工程检验批质量验收记录编号:
井室工程检验批质量验收记录编号:
雨水口及支、连管工程检验批质量验收记录编号:
工程检验批质量验收记录编号:
(以上未列项目执行此表格)。
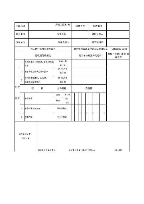
沟槽开挖与地基基础检验批查收记录工程名称分项工程名查收部位沟槽开挖称施工单位专业工长项目负责人分包单位分包负责人施工班组长施工执行标准名称及编号给水排水管道工程施工及查收规范GB50268-2008查收规范的规定监理(建设)单位施工单位检查评定记录查收记录1 原状地基土不得扰动、受水第 4.6.1 条浸泡或受冻第 1 款2 地基承载力应知足设计要求第 4.6.1 条主第 2 款3 进行地基办理时,压实度、第 4.6.1 条厚度知足设计要求第 3 款控项目同意误差实测值项土方±201 +20、槽底高程石方-200目2 槽底中线每侧宽度不小于规定3 沟槽边坡不小于规定施工单位检查评定结果项目专业质量检查员:项目专业质量(技术)负责人:年月日监理(建设)单位查收结论监理工程师(建设单位项目技术负责人):年月日工程名称 分项工程名称 查收部位施工单位 专业工长 项目负责人分包单位分包负责人 施工班组长施 工 执 行 标 准 名 称 及 编 号给水排水管道工程施工及查收规范GB50268-2008查收规范的规定监理(建设) 单位施工单位检查评定记录查收记录支撑方式、支撑资料切合设计要 第 4.6.2 条1第 1 款主 求控支护结构强度、刚度、稳固性符 第 4.6.2 条项 2第 2 款合设计要求目第 4.6.2 条1横撑不得阻碍下管和稳管第 3 款一支撑构件安装应坚固、安全靠谱, 第 4.6.2 条2第 4 款 般 地点正确项 支撑后,沟槽中心线每侧的净宽 第 4.6.2 条 目3第 5 款不该小于施工方案设计要求钢 板 桩 的 轴 线 位 移 不 得 大 于 第 4.6.2 条 4第 6 款50mm ;垂直度不得大于 1.5%施工单位检查评定结果项目专业质量检查员:项目专业质量 (技术)负责人: 年 月 日监理(建设)单位查收结论监理工程师(建设单位项目技术负责人): 年 月 日工程名称分项工程名称沟槽回填查收部位施工单位专业工长项目负责人分包单位分包负责人施工班组长施工执行标准名称及编号给水排水管道工程施工及查收规范GB50268-2008查收规范的规定监理(建设)单位施工单位检查评定记录查收记录第4.6.3 条1回填资料切合设计要求第1 款2 沟槽不得带水回填,回填应密第 4.6.3 条主实第 2 款柔性管道的变形率不得超出设控3 计要求或本规范第 4.5.12 条的第 4.6.3 条规定,管壁不得出现隆起、环第 3 款项向扁平易其余变形状况回填土压实度应切合设计要目求,设计无要求时,应切合表第4.6.3 条4 ,表的规定,柔第4 款性管道沟槽回填部位与压实度见图1 回填应达到设计高程,表面应第4.6.3 条平坦第5 款一回填时管道及隶属修建物无损第4.6.3 条般 2伤、沉降、位移第6 款项目施工单位检查评定结果项目专业质量检查员:项目专业质量(技术)负责人:年月日监理(建设)单位查收结论监理工程师(建设单位项目技术负责人):年月日管道基础检验批质量查收记录工程名称施工单位分包单位1 主控2 项目312一3 般项目45分项工程名称管道基础查收部位专业工长项目负责人分包负责人施工班组长施工执行标准名称及编号给排水管道工程施工及查收规范GB 50268-2008监理(建设)单位查收规范的规定施工单位检查评定记录查收记录第5.10.1 条原状地基的承载力切合设计要求第1 款第6.2.8 条混凝土基础的强度切合设计要求第 2 款砂石基础的压实度切合设计要求第 5.10.1 条或本规范的规定第 3 款原状地基、砂石基础与管道外壁间第 5.10.1 条接触均匀,无缝隙第 4 款混凝土基础外光内实,无严重缺第 5.10.1 条陷;混凝土基础的钢筋数目、地点第 5 款正确项目同意误差( mm)实测值中线每侧宽度不小于设计要求垫层高压力管道± 30程无压管道0, -15厚度不小于设计要求平中线每侧宽度+10, 0高程0, -15混凝土基基础、厚度不小于设计要求管座管肩宽+10,-5座肩高± 20高压力管道± 30土(砂及程无压管道0、 -15砂砾)平基厚度不小于设计要求基础土弧基础腋角高度不小于设计要求共实测点,此中合格点,不合格点,合格率%施工单位检查评定结果项目专业质量检查员:项目专业质量(技术负责人):年月日监理(建设)单位查收结论监理工程师(建设单位项目技术负责人):年月日钢管接口连结检验批质量查收记录分项工程名工程名称查收部位称施工单位专业工长项目负责人分包单位分包负责人施工班组长施工执行标准名称及编号给水排水管道工程施工及查收规范GB 50268-2008查收规范的规定监理(建设)单位施工单位检查评定记录查收记录管节及管件、焊接资料等的质量第条1第 1 款应切合 5.3.2 条规定主接口焊缝坡口应切合规定第第条2第 2 款5.3.7 条控焊口错边切合规范第 5.3.8 条第条3第 3 款规定,焊口无十字型焊缝项焊口焊接质量应切合规范第第条4第 4 款5.3.17 条规定和设计要求目法兰接口的法兰应与管道齐心,螺栓自由穿入,高强度螺栓的终第条5第 5 款拧扭矩应切合设计要乞降有关标准的规定接口组队时,纵、环缝地点应符第条1第 6 款合规范第 5.3.9 条规定管节组队前,坡口及内外侧焊接第条2影响范围内表面应无油、漆、垢、第7 款锈、毛刺等污物不一样壁厚的管节对策应切合规第 5.10.2 条3第 8 款一范第 5.3.10 条规定焊缝层次有明确规准时,焊接层般数、每层厚度及层间温度应切合第条4第 9 款焊接作业指导书的规定,且层间项焊缝质量均应合格法兰中轴线与管道中轴线的允目许误差应切合: Di 小于或等于第条5300mm时,同意误差小于或等于第10 款1mm;Di 大于 300mm时,同意偏差小于或等于 2mm连结的法兰之间应保持平行,其同意偏差不大于法兰外径的第条6第 11 款1.5 ‰,且不大于 2mm;螺孔中心同意误差应为孔径的 5%共实测点,此中合格点,不合格点,合格率%施工单位检查评定结果项目专业质量检查员:项目专业质量(技术负责人:年月日监理(建设)单位查收结论监理工程师(建设单位项目技术负责人):年月日钢管内防腐层检验批质量查收记录工程名分项工程名称查收部位称施工单专业工长项目负责人位分包单分包负责人施工班组长位施工执行标准名称及编号给水排水管道工程施工及查收规范GB50268-2008监理(建设)查收规范的规定施工单位检查评定记录单位查收记录内防腐层材料应切合国家有关标准的规定和设计要求;给水管道第 5.10.3 条1第 1 款内防腐层材料的卫生性能应符合国家有关主标准的规定控水泥沙浆抗压强度符第 5.10.3 条项2合设计要求,且不低于第 2 款目30Mpa液体环氧涂料内防腐层表面应平坦、圆滑,第 5.10.3 条3第 3 款无气泡、无划痕等,湿膜应无流淌现象项目同意误差( mm)实测值1 裂痕宽度≤0.8一≤管道的周长,且≤ 2.0m2裂痕沿管道纵向长度般3 平坦度<2项Di ≤ 1000±2目4 防腐层厚度1000<Di±3 ≤ 1800+4 Di>1800-35麻点、空窝等表面缺点的深度6缺点面积7空鼓面积项目8液体环氧涂料内防腐层9电火花试验漏点数精选文档Di ≤ 1000 21000<Di 3 ≤1800Di>1800 4≤500mm2不得超出 2 处,且每处≤ 10000mm2 同意误差( mm)普通≥200级加强≥250级特加强≥300级普通 3级加强 1级特加强0级共实测点,此中合格点,不合格点,合格率%施工单位检查评定结果项目专业质量检查员:项目专业质量(技术负责人:年月日监理(建设)单位查收结论监理工程师(建设单位项目技术负责人):年月日钢管外防腐层检验批质量查收记录工程名称分项工程名查收部位称施工单位专业工长项目负责人分包单位分包负责人施工班组长施工执行标准名称及编号给水排水管道施工及查收规范 GB 50268-2008查收规范的规定监理(建设)单位施工单位检查评定记录查收记录外防腐层资料(包含补口、修理资料)、结构等1应切合国家有关标准的规定和设计要求主控项目项目同意误差(mm)1 厚度切合本规范第2 电火花检漏 5.4.9 条的有关规定3粘结力1钢管表面除锈质量等级应切合设计要求管道外防腐层(包含补口、补一2 伤)的外观质量应切合本规范第 5.4.9 条般的有关规定管体外防腐层资料搭接、补口第 5.10.4 条3搭接、补伤搭策应切合要求第 5 款项目共实测点,此中合格点,不合格点,合格率%施工单位检查评定结果项目专业质量检查员:项目专业质量(技术负责人:年月日监理(建设)单位查收结论监理工程师(建设单位项目技术负责人):年月日钢管阴极保护工程检验批质量查收记录工程名称分项工程名称查收部位施工单位专业工长项目负责人分包单位分包负责人施工班组长施工执行标准名称及编号给水排水管道施工及查收规范 GB 50268-2008查收规范的规定监理(建设)单位施工单位检查评定记录查收记录钢管阴极保护所用的资料、设备第5.10.5 条1等应切合国家有关标准的规定第1 款和设计要求主控管道系统的电绝缘性、电连续性第 5.10.5 条2第 2 款项经检测知足阴极保护的要去目3 阴极保护的系统参数测试应符第 5.10.5 条合规定第 3 款管道系统中阳极、协助阳极的安第 5.10.5 条1 装应切合规范第、第 4 款条规定一所有连结点应按规定做好防腐第 5.10.5 条2 办理,与管道连结处的防腐资料第 5 款般应与管道同样项3 阴极保护系统的测试装置及附第 5.10.5 条属设备的安装应切合要求第 6 款目共实测点,此中合格点,不合格点,合格率%施工单位检查评定结果项目专业质量检查员:项目专业质量(技术负责人:年月日监理(建设)单位查收结论球墨铸铁管接口检验批质量查收记录分项工程工程名称名称施工单位专业工长分包负责分包单位人施工执行标准名称及编号查收规范的规定1 管节及管件的产质量量应切合规范第 5.10.6 条第 5.5.1 条的规定第 1 款承插接口连结时,两管节中轴线应主 2 保持齐心,承口、插口部位无损坏、第 5.10.6 条变形、开裂;插口推入深度应切合第 2 款控要求法兰接口连结时,插口与承口法兰项压盖的纵向轴线一致,连结螺栓终第 5.10.6 条3 拧扭矩应切合设计或产品使用说明第 3 款要求;接口连结后,连结部位及连目接件应无变形、损坏橡胶圈安装地点应正确,不得歪曲、第 5.10.6 条4 外露;沿圆周各点应与承口端面等第 4 款距,其同意误差应为±3mm1 连结后管节间平顺,接口无崛起、第 5.10.6 条突弯、轴向位移现象第 5 款一接口的环向空隙应均匀,承插口间第 5.10.6 条2的纵向空隙不该小于 3mm 第 6 款般法兰接口的压兰、螺栓和螺母等连项 3 接件应规格型号一致,采纳钢制螺第 5.10.6 条栓和螺母时,防腐办理应切合设计第 7 款目要求管道沿曲线安装时,接口转角应符第 5.10.6 条4合规范第 5.5.8 条规定第 8 款查收部位项目负责人施工班组长给水排水管道工程施工及查收规范GB50268-2008监理(建设)单施工单位检查评定记录位查收记录共实测点,此中合格点,不合格点,合格率%施工单位检查评定结果项目专业质量检查员:项目专业质量(技术负责人:年月日监理(建设)单位查收结论监理工程师(建设单位项目技术负责人):年月日钢筋混凝土管、预(自)应力混凝土管、预应力钢筒混凝土接口连结检验批质量查收记录工程名称分项工程名称查收部位施工单位专业工长项目负责人分包单位分包负责人施工班组长施工执行标准名称及编号给水排水管道工程施工查收及规范GB 50268-208查收规范的规定监理(建设)施工单位检查评定记录单位查收记录管及管件、橡胶圈的产质量量应切合规范第 5.10.7 条1第 1 款第、、5.6.5 条规定主控项柔性接口的橡胶圈地点正确,无歪曲、外第 5.10.7 条2露现象;承口、插口无损坏、开裂;双道第 2 款橡胶圈的单口水压试验合格目刚性接口的强度切合设计要求,不得有开第 5.10.7 条3第 3 款裂、空鼓、零落现象柔性接口的安装地点正确,其纵向空隙应第 5.10.7 条1第 4 款切合规范第、 5.7.2 条的有关规定刚性接口等等宽度、厚度切合设计要求;其相邻管接口错口同意误差:Di 小于一700mm 时,应在施工中自检;Di 大于第 5.10.7 条2第 5 款700mm,小于或等于 1000mm 时,应不大般于 3mm;Di 大于 1000mm 时,应不大于5mm项管道沿曲线安装时,接口转角应切合规范第 5.10.7 条3第 6 款第 5.7.5 条的有关规定目管道接口的填缝应切合设计要求,密实、第 5.10.7 条4第 7 款光洁、平坦共实测点,此中合格点,不合格点,合格率%施工单位检查评定结果项目专业质量检查员:项目专业质量(技术负责人:年月日监理(建设)单位查收结论化学建材管接口连结检验批质量查收记录工程名称分项工程名查收部位称施工单位专业工长项目负责人分包单位分包负责人施工班组长施工执行标准名称及编号给水排水管道工程施工及查收规范GB50268-2008查收规范的规定监理(建设)施工单位检查评定记录单位查收记录1 管节及管件、橡胶圈等的产质量量第 5.10.8 条应切合第、5.9.1 条规范第 1 款主承插、套筒式连结时,承口、插口部位及套筒连结密切,无损坏、变第 5.10.8 条2 形、开裂等现象;插入后胶圈应位控第 2 款置正确,无歪曲等现象;双道橡胶圈的单口水压试验合格项3 聚乙烯管、聚丙烯管接口熔焊连结第 5.10.8 条应切合规定第 3 款目卡箍连结、法兰连结、钢塑过渡接头连结时,应连结件齐备、地点正第 5.10.8 条4确、安装坚固,连结部位无歪曲、第 4 款变形承插、套筒式接口的插入深度应符1 合要求,相邻管口的纵向空隙应不第 5.10.8 条小于 10mm ;环向空隙应均与一致承插式管道沿曲线安装时的接口转一角,玻璃钢管的不该大于第 5.8.3 条2 规定;聚乙烯管、聚丙烯管的接口第 5.10.8 条第 6 款转角应不大于 1.5°;硬聚氯乙烯管般的接口转角应不大于 1.0°熔焊连结设备的控制参数知足焊接项工艺要求;设备与待连结收的接触第 5.10.8 条3 面无污物,设备及组合件组装正确、第 7 款坚固、符合;焊后冷却时期接口未目受外力影响卡箍连结、法兰连结、钢塑过渡连4 接件的钢制部分以及钢制螺栓、螺第 5.10.8 条母、垫圈的防腐要求应切合设计要第 8 款求共实测点,此中合格点,不合格点,合格率%施工单位检查评定结果项目专业质量检查员:项目专业质量(技术负责人:年月日监理(建设)单位查收结论监理工程师(建设单位项目技术负责人):年月日管道铺设检验批质量查收记录工程名称分项工程名称施工单位专业工长分包单位分包负责人施工执行标准名称及编号查收规范的规定管道埋设深度、轴线地点应第 5.10.9 条1 切合设计要求,无压力管道第 1 款禁止倒坡主2 刚性管道无结构贯穿裂痕第 5.10.9 条控和显然缺损状况第 2 款项柔性管道的管壁不得出现第 5.10.9 条3 纵向隆起、环向扁平易其余目第 3 款变形状况4 管道铺设安装一定坚固,管第 5.10.9 条道安装后应线形平直第 4 款管道内应光洁平坦,无杂第 5.10.9 条1 物、油垢;管道无显然渗水第 5 款和水珠现象2 管道与井室洞口之间无渗第 5.10.9 条漏水第 6 款一 3 管道内外防腐层完好,无破第 5.10.9 条损现象第 7 款般4 钢管管道开孔应切合规范第 5.10.9 条第 5.3.11 条规定第 8 款项项目同意误差( mm )5 无压管道15目水平轴线压力管道30Di≤ 1000无压管道± 10压力管道± 306管底高程无压管道± 15Di>1000压力管道± 30查收部位项目负责人施工班组长给水排水管道工程施工规范GB50268-2008监理(建设)单施工单位检查评定记录位查收记录实测值共实测点,此中合格点,不合格点,合格率%施工单位检查评定结果项目专业质量检查员:项目专业质量(技术负责人:年月日监理(建设)单位查收结论监理工程师(建设单位项目技术负责人):年月日工作井检验批质量查收记录工程分项工程名称查收部位名称施工专业工长项目负责人单位分包分包负责人施工班组长单位施工执行标准名称及编号给水排水管道工程施工及查收规范GB50268-2008查收规范的规定监理(建设)单位施工单位检查评定记录查收记录工程原资料、成品、半成品的产品第6.7.2 条1质量应切合国家有关标准规定和第1 款主设计要求工作井结构的强度、刚度和尺寸应控第 6.7.2 条2 知足设计要求,结构无滴漏和线流项第 2 款现象目混凝土结构的抗压强度等级、抗渗第 6.7.2 条3第 3 款等级切合设计要求第6.7.2 条1结构无显然渗水和水珠现象第4 款顶管顶进工作井、盾构始发工作井第 6.7.2 条一 2 的后背墙应竖实、平坦;后座与井第 5 跨壁后背墙联系密切两导轨应顺直、平行、等高,盾构3 基座及导轨的夹角切合规定;导轨第 6.7.2 条与基座连策应坚固靠谱,不得在使第 6 款般用中产生位移检查项目同意误差( mm)项顶管、夯管+3, 0定面高程盾构+5, 0 井内4 导轨目安装3顶管、夯管中心水平地点盾构 5顶管、夯管±2两轨间距盾构±5高程±10盾构5后座管片水平轴线±10矩形每侧长、宽井尺不小于设6计要求寸圆形半径中心地点207进、出井预留洞口内径尺寸±208 井底板高程±30垂直度0.1%H顶管、盾构工作井9后背墙水平扭转度0.1%L共实测点,此中合格点,不合格点,合格率%施工单位检查评定结果项目专业质量检查员:项目专业质量(技术负责人):年月日监理(建设)单位查收结论监理工程师(建设单位项目技术负责人):年月日顶管管道检验批质量查收记录工程名称分项工程名称查收部位施工单位专业工长项目负责人分包单位分包负责人施工班组长施工执行标准名称及编号给水排水管道工程施工及查收规范GB50268-2008查收规范的规定监理(建设)单位施工单位检查评定记录查收记录管节及附件等工程资料的产质量量第6.7.3 条1应切合国家有关标准的规定和设计第1款要求主接口橡胶圈安装地点正确,无位移、零落现象;钢管的接口焊接质量应第6.7.3 条控 2第2 款切合第 5章有关规定,焊缝无损探伤检验切合设计要求项无压管道的管底坡度无显然反坡现第6.7.3 条3象;曲线顶管的实质曲率半径切合目设计要求第3 款管道接口端部应无损坏、顶裂现象,接口处第6.7.3 条4第4 款无滴漏管道内应线形平顺、无突变、变形现象;一般缺点部位,应修理密实、第条1第 5 款表面光洁;管道无显然渗水和水珠现象管道与工作井出、进洞口的空隙连第条2第 6 款接坚固,洞口无渗漏水钢管防腐层及焊缝处的外防腐层及第条3第 7 款内防腐层质量查收合格一有内防腐层的钢筋混凝土管道,防第条4第 8 款腐层应完好、附着密切般第条5管道内应洁净,无杂物、油污第9 款项顶管施工贯穿后管道同意误差( mm)目顶管长度 <300m 50直线顶管300m≤顶进长度 <1000m 100 7水平轴线顶进长度≥ 1000m L/10 直线Di<1500 +30, -408 顶管顶进长度 <300m+40, -50内底Di ≥ 1500高程曲线顶管9水平轴线曲线顶管10内底高程精选文档300≤顶进长度 <1000m +60, -80顶进长度≥ 1000m +80,-100水平曲线150R≤竖曲线150 1500Di复合曲线200水平曲线150R>150Di 竖曲线150复合曲线150水平曲线+100, -150R≤竖曲线+150, -200 1500Di复合曲线±200水平曲线+100, -150 R>150Di 竖曲线+100, -150复合曲线±200钢管、玻璃钢管≤211相邻管间错口15%壁厚,且钢筋混凝土管≤ 2012 钢筋混凝土管曲线顶管相邻管间接≤△ S 口的最大空隙与最小空隙之差13 钢管、玻璃钢管道竖向变形≤0.03Di14 对顶时两头错口50共实测点,此中合格点,不合格点,合格率%施工单位检查评定结果项目专业质量检查员:项目专业质量(技术负责人:年月日监理(建设)单位查收结论监理工程师(建设单位项目技术负责人):年月日精选文档垂直顶升管道检验批质量查收记录工程名称分项工程名称查收部位 施工单位专业工长项目负责人分包单位分包负责人施工班组长施 工 执 行 标 准 名 称 及 编 号给水排水管道工程施工及查收规范 GB50268-2008查收规范的规定施工单位检查评定记录监理(建设) 单位查收记录1管节及附件的产质量量应切合国家 第 6.7.4 条有关标准的规定和设计要求第 1 款主 管道直顺,无损坏现象;水平特别管控 2节及相邻管节无变形、损坏现象;顶 第 6.7.4 条项 升管道底座与水平特别管节的连结第 2 款目切合设计要求3管道防水、防腐化办理切合设计要 第 6.7.4 条求;无滴漏和线流现象第 3 款1 管节接口连结件安装正确、完好第 6.7.4 条第 4 款2防水、防腐层完好,阴极保护装置符第 6.7.4 条合设计要求第 5 款3 管道无显然渗水和水珠现象第 6.7.4 条 一第 6 款项目同意误差实测值(mm )般4顶升管帽盖顶面高程±20顶 升 管 管节垂直度≤1.5‰ H项5≤1.5‰ D 0 且节安装管节连结端面平行度≤ 26 顶升管节间错口≤20目7 顶升管道垂直度0.5%H8沿水平管纵向 30顶升管道垂直度 沿水平管横向209开 口 顶管 升 口 中 沿水平管纵向 40心轴线沿水平管横向 30共实测点, 此中合格点, 不合格点, 合格率%施工单位检查评定结果项目专业质量检查员:项目专业质量(技术负责人:年 月日监理(建设)单位盾构管片制作检验批质量查收记录工程名称分项工程名称查收部位施工单位专业工长项目负责人分包单位分包负责人施工班组长施工执行标准名称及编号给水排水管道工程施工及规范GB50268-2008查收规范的规定监理(建设)单位施工单位检查评定记录查收记录工厂预制管片的产质量量应符第条1合国家有关标准的规定和设计第1 款要求2 现场制作的管片应切合规定第条第 2 款主3 管片的混凝土强度等级、抗渗第条等级切合设计要求第 3 款控管片表面应平坦,外观质量无严重缺点、且无裂痕;铸铁管第条4或钢制管片无影响结构和拼装第 4 款项的质量缺点5 单块管片尺寸的同意误差应符第条合表 6.7.5-2 规定第 5 款目钢筋混凝土管片搁置在专用试6 验架上,按设计要求水压恒压第条2h,渗水深度不得超出管片厚第 6 款度的 1/5 合格7 管片进行水平组合拼装检验时表应切合规定钢筋混凝土管片无缺棱、掉边、1 麻面和露筋,表面无显然气泡第条和一般质量缺点;铸铁管片或第 8 款一钢制管片防腐层完好般 2 管片预埋件齐备,预埋孔完好、第条地点正确第 9 款项防水密封条安装凹槽表面光第条3洁,线形直顺第 10 款目同意误差检查项目(mm)4 主筋间距± 105 骨架长、宽、高+5, -10畅达、内圆面6环、纵向螺栓孔平坦7 主筋保护层±38 散布筋长度± 109 散布筋间距±510 箍筋间距± 1011 预埋件地点±5共实测点,此中合格点,不合格点,合格率%施工单位检查评定结果项目专业质量检查员:项目专业质量(技术负责人:年月日监理(建设)单位查收结论监理工程师(建设单位项目技术负责人):年月日。
降水与排水工程检验批质量验收记录010202□□单位(子单位)工程名称分部(子分部)工程名称验收部位施工单位工程经理分包单位分包工程经理施工执行标准名称及编号施工质量验收规*的规定施工单位检查评定记录监理〔建立〕单位验收记录1排水沟坡度1~2‰2井管〔点〕垂直度1%3井管〔点〕间距〔与设计相比〕≤150%4井管〔点〕插入深度〔与设计相比〕≤200mm5过滤砂砾料填灌〔与计算值相比〕≤5mm6井点真空度:轻型井点喷射井点>60kpa>93kpa一般项目7电渗井点阴阳极距离:轻型井点喷射井点80~100mm120~150mm专业工长(施工员)施工班组长施工单位检查评定结果工程专业质量检查员:年月日监理(建立)单位验收结论专业监理工程师:〔建立单位工程专业技术负责人〕年月日渗排水、盲沟排水工程检验批质量验收记录010512□□单位(子单位)工程名称分部(子分部)工程名称验收部位施工单位工程经理分包单位分包工程经理施工执行标准名称及编号施工质量验收规*的规定施工单位检查评定记录监理〔建立〕单位验收记录1反滤层质量第6.1.8条主控项目2集水管埋深及坡度第6.1.9条1渗排水层构造第6.1.10条2渗排水层铺设第6.1.11条一般项目3盲沟构造第6.1.12条专业工长(施工员)施工班组长施工单位检查评定结果工程专业质量检查员: 年 月 日监理(建立)单位验收结论专业监理工程师:〔建立单位工程专业技术负责人〕年 月 日排〔雨〕水管道灌水试验记录质控〔水〕表-1 共 页 第 页单位〔子单位〕工程名称施工单位试验日期排水管在设计图上编号排水管灌水高度〔部位或管段〕灌水持续时间〔min〕管内液面情况外观检查处理情况结论专业监理工程师施工质检员施工员〔建立单位工程专业技术负责人〕单位试验员排水管道通水能力试验记录质控〔水〕表-2 共页第页单位〔子单位〕工程名称施工单位试验日期排水管始讫层次试验情况管路编号修复情况出现问题后结论质 检 员施 工 员专业监理工程师〔建立单位工程专业技术负责人〕施工单位试 验 员排水管道通球试验记录质控〔水〕表4.2.6-3 共 页 第 页单位〔子单位〕工程名称施工单位试验日期管道编号试验部位管径〔mm 〕球径〔mm 〕试 验 情 况出现问题后修复情况结论质 检 员施 工 员专业监理工程师〔建立单位工程专业技术负责人〕施工单位试 验 员水泵试运转测试检查记录质控〔水〕表 共 页 第 页单位〔子单位〕工程名称施工单位试运转日期设备名称型号规格安装位号制造厂名出厂日期水泵扬程出口压力间 隙轴向倾斜要求值〔滴〕径向位移联轴器用手盘动滴水情况填 料室每分钟实测值〔滴〕最高温度〔℃〕室内温度轴承温度机身温度阀门工作情况额定电压值(V)实 测I A实测电压值(V)I B 额定电流值(A)电 流值(A)I C电 动 机 绝 缘 电 阻 值相间绝缘电阻值〔MΩ〕相对地绝缘电阻值〔MΩ〕A - BB – CC – AA – EB – EC – E外 壳 接 地 电 阻 值〔Ω〕实测值其他试运转情况结论质 检 员施 工 员专业监理工程师〔建立单位工程专业技术负责人〕施工单位试 验 员雨水管道及配件安装工程检验批质量验收记录050202□□单位〔子单位〕工程名称分部〔子分部〕工程名称验收部位施工单位工程经理分包单位分包工程经理施工执行标准名称及编号施工质量验收规*的规定施工单位检查评定记录监理〔建立〕单位验收记录1室内雨水管道灌水试验第5.3.1条2塑料雨水管安装伸缩节第5.3.2条〔1〕管径50mm 20‰〔2〕管径75mm 15‰〔3〕管径100mm 8‰〔4〕管径125mm 6‰〔5〕管径150mm5‰3地下埋设雨水管道最小坡度〔6〕管径200~400mm4‰主控项目4悬吊雨水管最小坡度≤5‰1雨水管不得与生活污水管道连接第条2雨水斗管安装第条管径≤150 ≯15m 3悬吊式雨水管道检查口间距管径≥200 ≯20m焊口平直度管壁厚10mm 以内管壁厚1/4高 度焊缝加强面宽 度+1mm 深 度小于0.5mm 连续长度25mm4焊口允许偏差咬边长 度总长度〔两侧〕小于焊缝长度的10%一般项目5雨水管道安装的允许偏差同室内排水管第条专业工长〔施工员〕施工班组长施工单位检查评定结果工程专业质量检查员: 年 月 日监理〔建立〕单位验收结论专业监理工程师:〔建立单位工程专业技术负责人〕年 月 日分部工程质量验收记录〔建筑给水、排水及采暖〕质控〔水〕表4.2.9-8 05□□工程名称构造质式验收部位层 数建筑面积施工日期验收日期施工单位技术部门负责人质量部门负责人分包单位分包单位负责人分包技术负责人序号项目验收记录验收结论室内给水系统 □室内排水系统□室内热水供给系统 □卫生器具安装 □室内采暖系统□建筑中水系统及游泳池系统 □1子分部工程名称供热锅炉及辅助设备安装□共子分部,经查子分部,符合规*及设计要求子分部2质 量 控 制 资 料共项,经核查符合要求项,经核定符合规*要求项3安 全 和 功 能 检验〔检测〕报告共抽查项,符合要求项,经返工处理符合要求项4观 感 质 量共抽查项,符合要求项,不符合要求项综合验收意 见分包单位工程经理: 年 月 日施工单位工程经理: 年 月 日设计单位工程负责人:年 月 日验收单位监理〔建立〕单 位总监理工程师:〔建立单位工程负责人〕年 月 日室外给水管道安装工程检验批质量验收记录050601□□单位〔子单位〕工程名称分部〔子分部〕工程名称验收部位施工单位工程经理分包单位分包工程经理施工执行标准名称及编号施工质量验收规*的规定施工单位检查评定记录监理〔建立〕单位验收记录1埋地管道覆土深度第条2给水管道不得直接穿越污染源第条3管道上可拆和易腐件,不埋在土中第条4管井内安装与井壁的距离第条5管道的水压试验第条6埋地管道的防腐第条主控工程7管道冲洗和消毒第条1管道和支架的涂漆第条2阀门、水表安装位置第条3给水与污水管平行铺设的最小间距第条4管道连接符合规*要求第9.2.12,第9.2.13,第9.2.14,第9.2.15,第9.2.16,第埋地100mm 铸铁管敷设在沟槽内50mm 埋地100mm 坐标钢管、塑料管、复合管敷设在沟槽内或架空40mm 埋地±50mm铸铁管敷设在地沟内±30mm埋地±50mm 标高钢管、塑料管、复合管敷设在沟槽内或架空±30mm 铸铁管直段〔25m 以上〕起点~终点40mm一般项目5管道安装允许偏差水平管纵横向弯曲钢管、塑料管、复合管直段〔25m 以上〕起点~终点30mm 施工单位检查评定结果专业工长〔施工员〕施工班组长工程专业质量检查员:年月日监理〔建立〕单位验收结论专业监理工程师:〔建立单位工程专业技术负责人〕年月日管沟及井室工程检验批质量验收记录050603□□单位〔子单位〕工程名称分部〔子分部〕工程名称验收部位施工单位工程经理分包单位分包工程经理施工执行标准名称及编号施工质量验收规*的规定施工单位检查评定记录监理〔建立〕单位验收记录1管沟的基层处理和井室的地基设计要求2各类井盖的标识应清楚,使用正确第条3通车路面上的各类井盖安装第条主控工程4重型井圈与墙体结合部处理第条1管沟及各类井室的位置、坐标,沟底标高设计要求2管沟的回填要求第条一般3管沟岩石基底要求第条4管沟回填的要求第条5井室内施工要求第条项目6井室内应严密,不透水第条专业工长〔施工员〕施工班组长施工单位检查评定结果工程专业质量检查员:年月日监理〔建立〕单位验收结论专业监理工程师:〔建立单位工程专业技术负责人〕年月日室外排水管道安装工程检验批质量验收记录050701□□单位〔子单位〕工程名称分部〔子分部〕工程名称验收部位施工单位工程经理分包单位分包工程经理施工执行标准名称及编号施工质量验收规*的规定施工单位检查评定记录监理〔建立〕单位验收记录主控1管道坡度符合设计要求、严禁无坡或倒坡设计要求工程2灌水试验和通水试验第条1排水铸铁管的水泥捻口第条2排水铸铁管除锈、涂漆第条3承插接口安装方向第条4砼管或钢筋砼管抹带接口的要求第条埋地100mm 坐标敷设在沟槽内50mm 埋地±20mm 标高敷设在沟槽内±20mm 每5m 长10mm 一般项目5允许偏差水平管道纵横向弯曲全长〔两井间〕30mm专业工长〔施工员〕施工班组长施工单位检查评定结果工程专业质量检查员:年月日监理〔建立〕单位验收结论专业监理工程师:〔建立单位工程专业技术负责人〕年月日室外排水管沟及井池工程检验批质量验收记录050702□□单位〔子单位〕工程名称分部〔子分部〕工程名称验收部位施工单位工程经理分包单位分包工程经理施工执行标准名称及编号施工质量验收规*的规定施工单位检查评定记录监理〔建立〕单位验收记录1沟基的处理和井池的底板设计要求主控工程2检查井、化粪池的底板及进出口水管标高设计要求1井池的规格、尺寸和位置,砌筑、抹灰第条一般项目2井盖标识、选用正确第条施工单位检查评定结果专业工长〔施工员〕施工班组长工程专业质量检查员:年月日监理〔建立〕单位验收结论专业监理工程师:〔建立单位工程专业技术负责人〕年月日室外供热管道及配件安装工程检验批质量验收记录050801□□单位〔子单位〕工程名称分部〔子分部〕工程名称验收部位施工单位工程经理分包单位分包工程经理施工执行标准名称及编号施工质量验收规*的规定施工单位检查评定记录监理〔建立〕单位验收记录1平衡阀及调节阀安装位置及调试第条2直埋无补偿供热管道预热伸长及三通加固第条3补偿器位置和预拉伸、支架位置和构造第条4检查井、入口管道布置方便操作维修第条5直埋管道及接口现场发泡保温处理第条6管道系统的水压试验第条,第条7管道冲洗第条主控工程8通热试运行调试第条1管道的坡度设计要求2除污器构造、安装位置第条3管道的焊接第条,第条4管道安装对应位置尺寸第11.211、条5管道防腐应符合规*第条敷设在沟槽内及架空20坐标〔mm 〕埋地50敷设在沟槽内及架空±10标高〔mm 〕埋地±15管径≤100mm 1每1m管径>100m 1.5管径≤100mm ≯13水平管道纵、横方向弯曲〔mm 〕全长〔25mm 〕管径>100m ≯25管径≤100mm 8%椭圆率管径>100m 5%管径≤100mm 4一般项目6安装允许偏差折皱不平度〔mm 〕管径125~200mm 5管径250~400mm7厚度+0.1δ,-0.05δ卷材57管道保温允许偏差外表平整度〔mm 〕涂抹10专业工长〔施工员〕施工班组长施工单位检查评定结果工程专业质量检查员:年月日监理〔建立〕单位验收结论专业监理工程师:〔建立单位工程专业技术负责人〕年月日。
单位(子单位)工程质量竣工验收记录
编号:
单位(子单位)工程质量控制资料核查表
编号:
单位(子单位)工程观感质量核查表
编号:
单位(子单位)工程结构安全和使用功能性检测记录表
编号:
分部(子分部)工程质量验收记录
编号:
分项工程质量验收记录
编号:
沟槽开挖与地基处理工程检验批质量验收记录
编号:
沟槽支护工程检验批质量验收记录
编号:
沟槽回填(刚性管道)工程检验批质量验收记录Ⅰ
编号:
沟槽回填(刚性管道)工程检验批质量验收记录Ⅱ
编号:
沟槽回填(柔性管道)工程检验批质量验收记录
编号
管道基础工程检验批质量验收记录
编号
钢管接口连接工程检验批质量验收记录
编号:
钢管内防腐层工程检验批质量验收记录
编号
钢管内防腐层工程检验批质量验收记录
编号:
钢管外防腐层工程检验批质量验收记录
编号:
钢管阴极保护工程检验批质量验收记录
编号:
球墨铸铁管接口连接工程检验批质量验收记录
编号:
钢筋混凝土管、预(自)应力混凝土管、预应力钢筒混凝土管
接口连接工程检验批质量验收记录
编号:
化学建材管接口连接工程检验批质量验收记录
编号:
管道铺设工程检验批质量验收记录
编号:
井室工程检验批质量验收记录
编号:
雨水口及支、连管工程检验批质量验收记录
编号:
工程检验批质量验收记录
编号:
(以上未列项目执行此表格)。
单位(子单位)工程质量竣工验收记录编号:工程名称 施工单位 项目经理类型 技术负责人 项目技术负责人验收记录工程造价开工日期 竣工日期 序号 项目 验收结论共 分部,经查 分部 分部1 2分部工程符合标准及设计要求质量控制 资料核查共 项,经审查符合要求 经核定符合规范规定项, 项安全和主要使共核查 项,符合要求 项,符合要求项, 用功能核查及抽查 3共抽查项, 项经返工处理符合要求结果观感质量 检验 共抽查 项,符合要求 项,4 5不符合要求项综合验收 结论建设单位设计单位 施工单位 监理单位(公章)参加 验收 单位(公章) (公章) (公章)项目负责人项目负责人 项目负责人 项目负责人年 月 日年 月 日 年 月 日 年月 日单位(子单位)工程质量控制资料核查表编号:工程名称 施工单位序 资料名称 份数 核查意见号○1管节、管件、管道设备及管配件等;○ 2防腐层材料、阴极保护设 材质质量 保证资料13 备及材料;○钢材、焊材、水泥、砂石、橡胶止水圈、混凝土、砖、 混凝土外加剂、钢制构件、混凝土预制构件○1管道接口连接质量检测(钢管焊接无损探伤检验、法兰或压兰螺2栓拧紧力矩检测、熔焊检验);○内外防腐层(包括补口、补伤)3 4 防腐检测;○预水压试验;○混凝土强度、混凝土抗渗、混凝土抗 2 施工检测冻、砂浆强度、钢筋焊接;○ 5回填土压实度;○6柔性管道环向变形7检测;○不开槽施工土层加固、支护及施工变形等测量;○ 8管道设9 10备安装测试;○阴极保护安装测试;○桩基完整性检测、地基处理 检测○1管道水压试验;○给水管道冲洗消毒;○管道位置及高程;○浅 埋暗挖管道、盾构管片拼装变形测量;○5混凝土结构管道渗漏水调7阴2 34 结构安全和使 用功能性检测3 46 查;○管道及抽升泵站设备(或系统)调试、电气设备电试;○ 8极保护系统测试;○桩基动测、静载试验○1控制桩(副桩)、永久(临时)水准点测量复核;○2施工放样复施工测量3核;○竣工测量○1施工组织设计(施工方案)、专题施工方案及批复;○2焊接工艺评定及作业指导书;○图纸会审、施工技术交底;○ 4设计变更、技 3 施工技术 管理5 6术联系单;○质量事故(问题)处理;○ 6材料、设备进场验收;计5 7量仪器校核报告;○工程会议纪要;○施工日记8○1验收批、分项、分部(子分部) 、单位(子单位)工程质量验收验收记录2记录;○隐蔽验收记录○1接口组对拼装、焊接、拴接、熔接;○ 2地基基础、地层等加固处3 理;○桩基成桩;○支护结构施工;○沉井下沉;○混凝土浇筑;45 67 8施工记录 竣工图○7管道设备安装;○顶进(掘进、钻进、夯进);○沉管沉放及桥8 9 10管吊装;○焊条烘陪、焊接热处理;○ 11防腐层补口补伤等结论: 结论:施工项目经理:总监理工程师:年月日年月日单位(子单位)工程观感质量核查表编号:工程名称 施工单位 序号 检查项目抽查质量情况好中差管道、管道附件位、 附属构筑物位置1 2 3管道设备 附属构筑物管道工程大口径管道(渠、廊);管道内部、管廊内管道安装4 5地上管道 (桥管、架空管、虹吸管 )及承重结构6 7回填土 管道结构 8防水、防腐 管缝(变形缝)进、出洞口 工作坑(井) 管道线形9 顶管、盾 构、浅埋暗 挖、定向 钻、 10 11 12 13 14 15夯管附属构筑物 下部结构地面建筑水泵机电设备、管道安装及基础支架 16抽升泵站17 18防水、防腐 附属设施、工艺观感质量综合评定结论:结论:施工项目经理:总监理工程师:年月日年月日单位(子单位)工程结构安全和使用功能性检测记录表编号:工程名称施工单位序资料核查意见功能抽查结果安全和功能检查项目号1 压力管道水压试验(无压力管道严密性试验)记录给水管道冲洗消毒记录及报告234阀门安装及运行功能调试报告及抽查检验其他管道设备安装测试报告及功能检测5 6管道位置高程及管道变形测量及汇总阴极保护安装及系统调测报告及抽查检验防腐绝缘检测汇总及抽查检验78 钢管焊接无损检测报告汇总9 混凝土试块抗压强度试验汇总10 混凝土试块抗渗、抗冻试验汇总1112131415地基基础加固检测报告桥管桩基础动测或静载试验报告混凝土结构管道渗漏水调查记录抽升泵站的地面建筑其他结论:结论:施工项目经理:总监理工程师:年月日年月日分部(子分部)工程质量验收记录编号:工程名称施工单位分包单位分部工程名称技术部门负责人分包单位负责人质量部门负责人分包技术负责人序号分项工程名称验收批数施工单位检查评定验收意见123456789质量控制资料安全和功能检验(检测)报告观感质量验收分包单位项目经理年年年月月月日日日施工单位项目经理验收单位设计单位项目负责人监理单位建设单位总监理工程师年年月月日日项目负责人(专业技术负责人)分项工程质量验收记录编号:工程名称 施工单位 分包单位分项工程名称验收批数项目经理项目技术负责人 施工班组长分包单位负责人 施工单位检查 评定结果序号 验收批名称、部位监理(建设)单位验收结论1 2 3 4 5 6 7 8 9 10 11 12 13 14 15 16 17 18 19 20验收 结 论检查 结论施工项目 监理工程师:技术负责人:(建设项目专业技术负责人)年 月 日 年月 日沟槽开挖与地基处理工程检验批质量验收记录编号:工程名称分部工程名称 专业工长分项工程名称 项目经理施工单位验收批名称、部位 分包单位分包项目经理施工班组长 施工单位检查 评定记录监理(建设) 单位验收记录GB50268-2008《给水排水管道工程施工及验收规范》 的规定1 原状地基土不得扰动、受水浸泡或受冻; 主 控 项2 3地基承载力应满足设计要求;目地基处理时,压实度、厚度应满足设计要求;应测点,实测点。
沟槽支护检验批验收记录
沟槽回填检验批验收记录
评定结果一I项目专业质量检查员:项目专业质量(技术负责人:年月曰
监理工程师(建设单位项目技术负责人)年月曰监理(建设)单位
验收结论
钢筋混凝土管、预(自)应力混凝土管、预应力钢筒混凝土
接口连接检验批质量验收记录
工作井检验批质量验收记录
项目专业质量检查员: 项目专业质量(技术负责人)
年 月曰
年 月曰
共实测 点, 其中合格 点, 不合格 点, 合格率 %
施工单位检查 评定结果
监理(建设)单位 验收结论
监理工程师(建设单位项目技术负责人)
盾构施工管道的钢筋混凝土二次衬砌检验批质量验收记录
沉放的预制钢筋混凝土管节制作检验批质量验收记录
检验批质量验收记录
井室检验批质量验收记录
给水排水工程验收表格GB-2008支墩检验批质量验收记录。
注:δ为隔热层厚度给水硬聚氯乙烯(PVC—U)塑料管、(RFJ01-2002)8. 5-1国家人防质监站监制(RFJ01-2002)8. 6-1国家人防质监站监制(RFJ01-2002)8. 7-1国家人防质监站监制YB2 国家人防质监站监制管道隐蔽工程检查验收记录制表日期:年月日检查验收日期:工程名称:施工单位:建设单位:分项工程名称:隐蔽部位:砼底板内与架空层:设计图号:管道材质:规格:隐蔽段的划分及数量:操作班(组长):YB4 国家人防质监站监制设备、阀门试压(满水)记录制表日期:年月日工程名称:施工单位:建设单位:分项工程名称:使用部位:监理单位:设备名称:规格型号:材质:生产厂家:单位:数量:试压时间:年月日时起至月日时止平均气温:℃注:①采暖设备、给水设备、空调设备、各类闸阀等试压项目均用此表。
②如委托其他试验单位时,应将试验单位所出试验报告附于本记录后面。
YB5 国家人防质监站监制管道系统、隐蔽试压灌水记录制表日期:年月日工程名称:施工单位:建设单位:分项工程名称:试压(灌水)系统:监理单位:试压灌水部位:设计图号:平均气温:℃管道材质:规格:数量:试压时间:年月日时起至月日时止YB6 国家人防质监站监制给、排水管道通水试验记录制表日期:年月日工程名称:施工单位:建设单位:分项工程名称:采用设备名称:监理单位:通水时间:年月日时起至月日时止平均气温:(℃)YB7 国家人防质监站监制管道冲洗吹扫清洗记录制表日期:年月日工程名称:施工单位:建设单位:分项工程名称:采用设备名称:监理单位:设备型号:性能参数:冲洗、吹扫长度:m 试压时间:年月日时起至月日时止平均气温:℃注:本表适用于给水、供热、采暖,制冷等管道的吹洗、吹扫等。
当用于给水管道时应记述管道消毒情况。
YB8 国家人防质监站监制排水管道通球试验记录制表日期:年月日工程名称:施工单位:建设单位:分项工程名称:采用设备名称:监理单位:通球时间:年月日时起至月日时止平均气温:(℃)项目经理:专业技术负责人:专业工长:(RFJ01-2002)3.4-2 国家人防质监站监制给排水分部工程质量验收记录表。
施工组织设计审批表
年月日
工程名称施工单位
有关部门会签意见:
结论:
审批单位(盖审批人
章)
施工图设计文件会审记录
工程项目
图纸会审部位日期
会审中发觉的问题:
处理情况:
参加会审单位及人员
单位名称姓名职务单位名称姓名职务
填表人:
施工技术交底记录
年月日工程名称部位工序名称
交底内容:
交底单位接收单位
交底人接收人
单位工程质量评定表
工程名称:施工单位:
序号部位(工序)名称合格率(%)质量等级备注
平均合格率(%)
评
定
评
定(单位盖章)
单位工程技术负责人:项目负责人:质检员:年月日
工程部位质量评定表
施工单位:
工程名称:部位名称:
施工项目技术负责人:质检员:施工负责人:年月日
()工序质量评定表
单位工程名称:部位名称:工序名称:桩号位置:管径㎜
要紧工程数量
序号外观检查项目质量情况评定意见
1
2
3
序号量测项目规定值或
同意偏差
(㎜)
实测值或实测偏差值应检
点数
合格
点数
合格率
(%)
1 2 3 4 5 6 7 8 9 10 11 12 13 14 15
1
2
3
交方接方监理签名:平均合格率(%)
1 / 1
施工项目技术负责人:施工员:质检员:年月日
1 / 1
市政工程工报告
填报单位:工程编号:
工程名称工程地点
施工单位负责人:打
算
开工日期年月日设计单位负责人:竣工日期年月日建设单位项目联系人:实
际
开工日期年月日监理单位总监:竣工日期年月日施工现场地址通讯电话:工程预(决)算
设计(打算)工程数量实际完成工程数量
备
注
施工单位合同法人(公章)审批单位(公章)人
负责人(签名): 经办人:
开
竣
施工负责人: 经办人: 填表日期: 年月日
工序质量评定汇总表
工程名称: 部位名称: 工序名称:桩号合格率备注
平均合格率
工程技术负责人: 施工负责人: 质检员:
工序隐蔽工程检查记录
工程名称施工单位经办人员
单位名称监理单位监理负责
工序名称验收日期
验收工作量名称位置(桩号)单位数量有关设计文件图号抽检项目名称外观质量情况
量测项目名称同意
偏差
各量测点偏差值抽查
点数
合格
点数
合格
率%
1 2 3 4 5 6 7 8 9 10
结论
监理单位(公章)施工单位(公章)验收人(签名)施工负责人(签名)验收日期:通知日期:
注:①项由施工单位填写;②~④由监理单位填写。
土基压实度汇总表
检测桩号(部位) 检测
日期
取样位置
含水量(%) 干密度(g/cm2) 压实
度%
备注
最佳值量测值最大值量测值
合计总点数:监理签字
负责人: 填表人: 日期: 注:工程所有填、挖土方,包括路基、沟槽填土、填浜、桥接坡等“每层”
含义为20㎝压实厚度一层划分。
混凝土强度(性能)试验汇总表
工程名称:施工单位:
工程部位
及编号
设计要求
强度等级
(压、折、渗)
试验
编号
养护
条件
龄
期
(d)
抗压强度
(N/㎜2)
抗折强度
(N/㎜2)
抗渗等级
强度值偏
差及处理
情况
施工项目技术负责人: 填表人: 年月日
砂浆试块强度试验汇总表
单位工程名称: 共页第页
序号试验编号制作日期部位名称
砂浆强度达到设计
强度(%)
备注
设计要求试验结果
施工项目技术负责人: 填表人: 年月日
无压力管道严密性试验记录
工程名称试验日期年月日施工单位
起止井号号井至号井段.带号井,井型号
管道内径(m) 管材种类接口种类试验段长度(m)
试验段上游设
计水头(m)
试验水头(m)
(高于上游管内径)
同意渗水量
(㎡/(24h·km)
渗
水
量
次数
观测起始
时刻T1
观测结束
时刻T2
恒压时刻
(min)
恒压时刻内补入
的水量W/(L)
实测渗水量
q
(L/(min·m))。