金属材料牌号对照【详尽版】
- 格式:doc
- 大小:506.00 KB
- 文档页数:17
金属材料牌号对照.钢板金属材料牌号对照钢种中国GB 日本JIS 美国ASTM 德国牌号牌号标准号钢号钢号材料号标准号碳素钢板Q235-F SS41 G3101 A36 USt37-2 1.0112 DIN17100 Q235 SS41 G3101 A283-C RSt37-2 1.0114 DIN17100Q255A SS50 G3101 A283-D (RSt42-2) 1.0134 DIN17100 (A3R) SPV24 G3115 A285-C20g SB42 G3103 A515.Cr60 HⅡ 1.0425 DIN17155 (15g) SB35 G3103 A515.Cr55 HⅠ 1.0345 DIN17155(25g) SB46 G3103 A515.Cr65 HⅢ 1.0435 DIN1715525 SM41A G3103 DIN17100低合金钢板16Mn SM50-B.C G3106 St52-3 1.0841 DIN17155 16MnR SM41B G3106 A299/A537-Ⅰ.Ⅱ17Mn419Mn51.08411.804516MngC SPV36 G3115 St52-315MnVRSPV36(WELTEN50)G3115 A225Gr.A.B WStE39 1.893015MnVgC (A633-GR.B)15MnVNTR (K-TEN62M) A302-GR.B18MnMoNbR A533-Gr.A.I耐热钢板16Mo SB46M G3103 A204-Gr A.B 15 Mo3 1.5414 DIN17155 12CrMo SCMV1 G4109 A387-Gr.215CrMo SCMV2 G4109 A387-Gr.12 13 CrMo44 1.7335 DIN17155 12Cr2Mo1 SVMV4 G4109 A387-Gr.22 10 Mo910 1.7362 DIN17155低温钢板16MnR SLA24B G3126 A516-Gr55 TTSTE26 1.0463 SEW089 15MnVR SLA33A A516-Gr60 TTSTE29 1.048815MnVNTRA516-Gr65A516-Gr70TTSTE32TTSTE361.08511.085909Mn2VR A203-GrA.B TTST41VTTST35V1.0437 SEW680(06A1NbCuN) A203-GrD.E 10Ni14 1.5637 SEW680不锈耐酸钢板(20mN23a1)A553-Gr.Ⅰ.ⅡA353X8Ni9 1.5662 SEW6800Cr13SUS405SUS410SG4304G4305A320-405A320-410SX7Cr13 1.4000 DIN17440 (1Cr13) SUS403SUS410G4304G4305A320-403A320-410X10Cr13 1.4006DIN17440 (1Cr17) SUS430G4304G4305A320-430 X8Cr17 1.4016DIN17440 0Cr18Ni9 SUS304G4304G4305A320-304 X5CrNi189 1.4301DIN17440 (1Cr18Ni9) SUS302G4304G4305A320-302 X5CrNi189 1.4301DIN174400Cr18Ni9Ti1Cr18Ni9TiSUS321G4304G4305A320-321 X10CrNiTi189 1.4541 DIN17440 0Cr18Ni12Mo2Ti SUS316 G4304A320-3160Cr18Ni12Mo3Ti SUS317G4304G4305A320-31700Cr18Ni10 SUS304LG4304G4305A320-304L X2CrNi189 1.4306DIN17440 00Cr17Ni14Mo2 SUS316LG4304G4305A320-316L X2CrNiMo1810 1.4404DIN17440 00Cr17Ni14Mo3 SUS317LG4304G4305A320-317L(1Cr18Ni11Nb) SUS347G4304G4305A320-347 X10CrNiNb189 1.4550 DIN17440 Cr15Ni20 SUS310G4304G4305A320-310钢管金属材料牌号对照钢种中国GB 日本JIS 美国ASTM 德国牌号牌号标准钢号钢号材料号标准号碳素钢管(Q235)STPY41G3452G3457(A53钢种F)A283-D(St33) 1.0033 DIN162610STPG38 G3454 A135-A (St37) 1.0110 DIN1626 STPG38 G3456 A106-A St37-2 1.0112 DIN17175 STS38 G3455 St35.8 1.0305 DIN1629/4STB30 G3461 A179-C St35.8 1.0305 DIN17175 STB33 G3461 A192 St35.8 1.0305 DIN17175 STB35 G3461 St35.8 1.0305 DIN1717520STPG42 G3454 A315-B (St42) 1.0130 DIN1626 STPT42 G3456 A106-B St45-8 1.0405 DIN17175 STB42 G3461 A106-B St45-8 1.0405 DIN17175 STS42 G3455 A178-C St45-4 1.0309 DIN1629/4 低合金16MnSTS49STPT49G3455G3456A210-CSt52.4St521.0831DIN1629/4DIN1629/3 15MnV STBL39 G3464低温钢16Mn STPL39 G3460 A333-1.6 TT St35N 1.0356 SEW680 15MnV STBL39 G3464 A334-1.609Mn2V A333-7.9 TT St35N 1.0356 SEW680 (06A1NbCuN) STPL46 G3460 A333-3.4 10Ni14 1.5637 SEW680 (20Mn23A1) A333-8 X8Ni9 1.5662 SEW680耐热钢管16MoSTPA12STBA12、13G3458G3462A335-P1、A369-FP1A250-T1、15Mo3 1.5414 DIN1717512CrMo STBA20 G3462 A335-P2、15CrMo STPA22 G3458 A335-P12、13CrMo44 1.7335 DIN17175 12Cr1MoV STPA23 G3458 A335-P11、Cr2Mo STPA24 G3458 A335-P22、10CrMo910 1.7380 SEW610 Cr5Mo STPA25 G3458 A335-P5、12CrMo195 1.7362 DIN17175不锈耐酸钢管(1Gr13)SUS410TPG3463 A268 TP410 X10Cr13 1.4006 DIN17440(2Cr13) (SISI 420) X20Cr13 1.4021 DIN17440 (1Cr17) SUS430 G3463 A268 X8Cr17 1.4016 DIN17440 0Cr18Ni9 SUS304 G3459 A312、X5CrNi189 1.4301 DIN17440 (1Cr18Ni9) X5CrNi189 1.4301 DIN17440 0Cr18Ni10Ti SUS321 G3459 A312、A376 X10CrNiTi189 1.4541 DIN17440 0Cr18Ni13Mo2Ti SUS316 G3459 A312、A3760Cr18Ni13Mo3Ti SUS317 G3459 A312、A37600Cr18Ni10 SUS304L G3459 A312、A376 X2CrNi189 1.4306 DIN17440 00Cr17Ni13Mo2 SUS316L G3459 A312、A376 X2CrNi810 1.4404 DIN17440 00Cr17Ni13Mo3 SUS317L G3459 A312、锻件金属材料牌号对照钢种中国GB 日本JIS 美国ASTM 德国牌号牌号标准号钢号碳素钢锻件20SF34S20CG3201G4051A105、A181-ⅠC22、CK221.0402101151DIN17200 25SF40S25CG3201G4051A181-Ⅰ、A266-Ⅰ35SF45S35CG3201G4051A181-Ⅱ、A266-ⅡA105C35、CK351.05011.1181DIN17200 45SF50S45CG3201G4051A266-ⅢC45、CK451.05031.1191DIN17200低合金钢锻件16Mn 17Mn4 1.0844 DIN17155 20MnMo15MnMoV20MnMoNb35CrMo SFCM3 G3221 AISI-E4135 34CrMo4 1.1200 DIN17200 32MnMoVB15CrMo SFHV22B G3213 A182-F12、A336-F12 13CrMo44 1.7355 DIN17175 12CrMoV SFHV23B G3213 A182-F11、A336-F11不锈耐热钢牌号对照(一)耐热钢棒牌号对照中国美国德国日本法国英国国际GB1221-92 AISI、ASTM DIN17440DIN17224JISNF A35-572/584NF A35-576~582BS 970BS 1449ISO683/13ISO683/165CrmN9Ni4N SUH35 349S52 8(注①) 2Cr21Ni2N2Cr23Ni13 309,S30900 SUH309 Z15CN24.13 309S242Cr25Ni20 310,S31000 CrNi2520 SUH310 12CN25.20 310S241Cr16Ni35 330 SUH330 Z12NCS35.160Cr15Ni25Ti2MoA1VB 660,K66286 SUH660 Z6NCTDV25.15B0Cr18Ni9 304,S30400 X5Cr189 SUS304 N6CN18.09 304S15 11 0Cr23Ni13 309S,S30908 SUS309S0Cr25Ni20 310S,S31008 SUS310S0Cr17Ni12Mo2 316,S31600 X5CrNiMo1810 SUS316 Z6CND17.12 316S16 20,20a 4Cr14Ni4W2Mo23Cr18Mn12Si2N2Cr20Mn9Ni2Si2NOCr19Ni13Mo3 317,S31700 SUS317 317S16 251Cr18Ni9Ti X10CrNiTi1890Cr18Ni10Ti 321,S32100 X10CrNiTi189 SUS321 Z6CNT18.10 321S12,321S20 150Cr18Ni11Nb 347,S34700 X10CrNiNb189 SUS347 Z6CNNb18.10 347S17 160Cr18Ni13Si4 XM15,S38100 SUSXM15J11Cr20Ni14Si21Cr25Ni20Si22Cr25N 446,S44600 SUH4460Cr13A1 405,S40500 X7CrA113 SUS405 Z6CA13 405S17 2 00Cr12 SUS410L1Cr17 430,S43000 X8CT17 SUS430 Z8C17 430S15 8 1Cr5Mo 5024CrSi2 Z45CS94CrSi2Mo Z40CSD108Cr20Si2Ni 443S65 SUH4 280CN20.02 4(注①) 1Cr11MoV1Cr12Mo2Cr12MoVNbN SUH600 Z20CDNbV111Cr2WMoV2Cr12NiMoWV 616 SUH6161Cr13 410 X10Cr13 SUS410 Z12C13 410S21 3 1Cr13Mo SUS410J12Cr13 420,S42000 X20Cr13 SUS420J1 Z20C13 420S37 4 1Cr17Ni2 431,S43100 X22CrNi17 SUS431 Z15CN16-02 431S29 9 1Cr11NiW2MoV0Cr17Ni4Cu4Nb 630,S17400 SUS630 Z6CNU17.04 2(注②) 0CR17NI7A1 631,S17700 X7CrNiA1177 SUS631 N8CNA17.7 2(注②) 注①为ISO683/15中的牌号注②为ISO683/16中的牌号不锈耐热钢牌号对照(二)不锈钢棒牌号对照中国美国德国日本法国英国国际GB1220-92 AISI、ASTM DIN17440DIN17224JISNF A35-572NF A35-576~582NFA35-584BS 970BS 1449ISO683/13ISO683/161Cr17MN6Ni5N 201,S2010 SUS201 A-2 1Cr18Mn8Ni5N 202,S20200 SUS202 284S16 A-3 1Cr18Mn10Ni5Mo3N 1Cr17Ni7 301,S30100 SUS301 Z12CN17.07 301S21 14 1Cr18Ni9 302,S30200 X12CrNi188 SUS302 Z10CN18.09 302S25 12 Y1Cr18Ni9 303,S30300 X12CrNiS188 SUS303 Z10CNF18.09 303S21 17 Y1Cr18Ni9Se 303Se,S30323 SUS303Se 303S41 17 0Cr18Ni9 304,S30400 X5CrNi189 SUS304 Z6CN18.09 304S15 11 00Cr19Ni10 304L,S30403 X2CrNi189 SUS304L Z2CN18.09 304S12 10 0Cr19Ni9N SUS304N1 304N,S304510Cr19Ni10NbN XM21,S30452 SUS304N200Cr18Ni10N X2CrNiN1810 SUS304LN Z2CN18.10N1Cr18Ni12 305,A30500 X5CrNi1911 SUS305 Z8CN18.12 305S19 13 0Cr23Ni13 309S,S30908 SUS309S0Cr25Ni20 310S,S31008 SUS310S0Cr17Ni12Mo2 316,S31600 X5CrNiMo1810 SUS316 Z6CND17.12 316S16 20,20a 1Cr18Ni12Mo2 X10CrNiMoTi1810 Z8CNDT17.12 320S170Cr18Ni12Mo2Ti X10CrNiMoTi1810 Z6CNDT17.12 320S17 00Cr17Ni14Mo2 316L,S31603 X2CrNiMo1810 SUS316L Z2CND17.12 316S12 19,19a 0Cr17Ni12Mo2N 316N,S31651 SUS316N00Cr17Ni13Mo2N X2CrNiMoN1812 SUS316LN Z2CND17.12N0Cr18Ni12Mo2Cu2 SUS316J100Cr18Ni14Mo2Cu2 SUS316JIL0Cr19Ni13Mo3 317,S31700 SUS317 317S16 25 00Cr19Ni13Mo3 317L,S31703 X2CrNiMo1816 SUS317L Z2CND19.15 317S12 24 1Cr18Ni12Mo3Ti0Cr18Ni12Mo3Ti0Cr18Ni16Mo5 SUS317J11Cr18Ni9Ti X10CrNiTi1890Cr18Ni10Ti 321,S32100 X10CrNiTi189 SUS321 Z6CNT18.10 321S12,321S20 15 0Cr18Ni11Nb 347,S34700 X10CrNiNb189 SUS347 Z6CNNb18.10 347S17 16 0Cr18Ni9Cu3 XM7 SUSXM7 Z6CNU18.10 D32①0Cr18Ni13Si4 XM15,S38100 SUSXM15JI 0Cr26Ni5Mo2 SUS329JI1Cr18Ni11Si4A1Ti00Cr18Ni5Mo3Si20Cr13A1 405,S40500 X7CrA113 SUS405 Z6CA13 405S17 2 00Cr12 SUS410L1Cr17 430,S43000 X8Cr17 SUS430 Z8C17 430S15 8 Y1Cr17 430F,S43020 X12CrMoS17 SUS430F Z10CF17 8a 1Cr17Mo 434,S43400 X6CrMo17 SUS434 Z8CD17.01 434S19 9c 00Cr30Mo2 SUS44JI00Cr27Mo XM27,S44625 SUSXM27 Z01CD26.11Cr12 403,S40300 SUS403 403S171Cr13 410,S41000 X10Cr13 SUS410 Z12C13 410S21 3 0Cr13 410S X7Cr13 SUS410S Z6C13 403S17 1 Y1Cr131Cr13Mo SUS410JI2Cr13 420,S42000 X20Cr13 SUS420JI Z20C13 420S37 4 3Cr13 420,S45 SUS420J2 5 Y3Cr13 420F,S42020 US42F Z30CF13 3Cr13Mo4Cr13 X4DCr13 US420J2 Z40C13 5 1Cr17Ni2 431,S43100 X22CrNi17 SUS431 Z15CN16-02 431S29 9 7Cr17 440A,A44002 US440A8Cr17 440B,S44003 USU440B9Cr18 440C X105CrMo17 SUS440C Z100CD1711Cr17 440C,S44004 SUS440C Z100CD17 A-1b Y11Cr17 440F,S44020 SUS440F9Cr18Mo 440C,S44004 SUS440C A-1b 9Cr18MoV 440B X90CrMoV18 SUS440B Z6CNND17.120Cr17Ni4Cu4Nb 630,S17400 SUS630 Z6CNU17.04 1②OCr17Ni7A1 631,S17700 X7CrNiAl177 SUS631 Z8CNA17.7 2②OCr15Ni7Mo2A1 632,S15700 Z8CND15.7 3②①为ISO4954中的牌号②为ISO683/16中的牌号合金结构钢牌号对照表一中国美国德国日本法国英国GB1591 GB/T1591ASTMDINJISNFBS09MnV Q295 09MnNb 09Mn212Mn 13Mn612MF418Nb Q345 09MnCuPTi 10MnSiCu 12MnV Q34514MnNb16Mn SA299Gr.1、Gr.2A SA455Ty.1、Ty.2SA414Gr.G17Mn4 19Mn5 19Mn6SPV32A52C1A52C2 A52CR1 A52CR21633GR.L16MnRE 10MnPNbRE15MnV Q390A255Gr.A A255Gr.B15MnV15MnTi 16MnNb 14MnVTiREQ42015MnVN合金结构钢牌号对照表二中国美国德国日本法国英国国际GB3077 AISI DIN JIS NF BS ISO 20Mn2 1320122120Mn5 SMn21 20M5 150M1930Mn2 1330 30Mn5 SMn24 32M5 150M28 35Mn2 1335 36Mn5 SMn1 35M5 150M3640Mn2 13401341SMn2 40M545Mn2 1345 46Mn7 SMn3 45M5 50Mn2 1052 50Mn7 55M5 20MnV 20MnV630Mn2MoW27SiMn 27MnSi535SiMn 37MnSi5 38MS542SiMn 38MnSi446MnSi420SiMn2MoV25SiMn2MoV37SiMn2MoV40B 14B35 35B245B 50B46H 45B250B 14B5040MnB 15B4145MnB 15B48 50B4420Mn2B20MnMoB 80B20 15MnVB20MnVB40MnVB20MnTiB 25MnTiBRE 20SiMnVB 15Cr 5015511515Cr3 SCr21 12C3523A14523M1515CrA20Cr 5120 20Cr4 SCr22 18C3 18C4527A19527M20683/1120Cr420CrS430Cr 5130 28Cr4 SCr2 28C432C4530A3035Cr 5135 34Cr437Cr4SCr3 38C4 530A36683/83、3a、3b40Cr 5140 38Cr441Cr4SCr4 42C4530A40530M40683/14、4a、4b45Cr 5145 42Cr4 SCR5 45C450Cr 5150515250C4 En4838CrSi12CrMo 4119 13CrMo44 12CD4 15CD2 15CrMoASTMA-387Gr.B15CrMo516CrMo44SCM21 15CD4.05 BS165320CrMo 4118 20CrMo522CrMo4SCM2218CD420CD4CDS11030CrMo 4130 25CrMo4 SCM2 30CD4 CDS13 30CrMoA 32CrMo12 31CRMo1235CrMo 4135413734CrMo435CrMo4SCM3 35CD4 78A37683/1C35eaC35eb42CrMo 4140414241CrMo442CrMo4SCM440CD442CD4708M40708A42683/13709M40 12CrMoV35CrMoV 35CrMoV512Cr1MoV 13CrMoV4.225Cr2MoVA 24CrMoV5.525Cr2Mo1VA20CR3MoWVA 21CrVMoW1238CrMoA1 6370(AMS)34CrA1Mo541CrA1Mo7SACM645 40CAD6.12 905M39683/1041CrA1Mo7420CrV 6120 22CrV4 22CrV440CrV 6140 42CrV 42CrV450CrVA 6150 50CrV4 SUP10 50CV4 735A50 15CrMn 16MnCr5 16MC520CrMn 5120 20MnCr5 SMC21 20MC540CrMn 5140 SMC320CrMnSi25CrMnSiSMK1(大同制钢)30CrMnSi30CrMnSiA35CrMnSiASMK2(大同制钢)20CrMnMo 4119 20CrMo5 SCM2340CrMnMo 414020CrMnTiSMK22(大同制钢)30CrMnTi 30MnCrTi420CrNi 3120 20NiCr6 20NC6 637A16 637M1740CrNi 3140 46NiCr6 SNC1 35NC6 640A35 640M4045CrNi 3145 45NiCr6 50CrNi 315012CrNi2 3115 14NiCr10 SNC21 10NC11 14NC1112CrNi3 3310 13NiCr12 SNC22 10NC1214NC12655A12655M1320CrNi3 22NiCr14 20NC1130CrNi3 28NiCr1031NiCr14SNC230NC1130NC1237CrNi3 35NiCr18 SNC3 35NC15 12Cr2Ni4 E3310 14NiCr18 12NC1520Cr2Ni4 E3316 22NiCr14 20NC14 659A15 659M1520CrNiMo 8620872020NiCrMo221NiCrMo220NCD2805A20805M2040CrNiMoA 4340984036NiCrMo440NiCrMo6SNCM835NCD540NCD3817M40816M40683/14、4a、4b45CrNiMoVA 4437 SNCM918Cr2Ni4WA25Cr2Ni4WA铸钢牌号对照(一)普通铸钢棒牌号对照中国美国德国日本法国英国GB AISI、ASTM DIN JIS NF BSZG1Cr13 CA-15(ACI) G-X8Cr14(1.4008)X15Cr13(1.4024)SUS1 Z12C 13M 410C21ZG2Cr3 CA-40(ACI) G-X20Cr14(1.4027) SUS2 Z20C 13M 420C24 ZGCr28 G-X70Cr29(1.4085)ZG00Cr18Ni10 CF-3(ACI)G-X2CrNi189(1.4306) SUS19 Z2CN18.10M 304C12 ZG0Cr18Ni9 CF-8(ACI)G-X6CrNi189(1.1308) SUS13 Z6CN18.10M 304C15 ZG1Cr18Ni9 CF-20(ACI)G-X10CrNi188(1.4312) SUS12 Z10CN18.9M 302C25 ZG0Cr18Ni9Ti CF-8C(ACI)G-X7CrNiNb189(1.4552) SUS21 Z6CNNb18.10MZG0Cr18Ni12Mo2Ti G-X10CrNiMoNb1810(1.4580)G-X5CrNiMoNb1810(1.4581)USU22 Z6CNDNb18.12MZG1Cr18Ni12Mo2Ti CB7-Cu(ACI) G-X10CrNiMoNb1810(1.4580)ZG0Cr17Ni4CU4Nb SUS24ZG2Cr13Ni G-X2Cr14(1.4027) SUS2 Z20C13M 420C29 铸钢牌号对照(二)耐热铸钢棒牌号对照中国美国德国日本法国英国GB AISI、ASTM DIN JIS NF BS ZG5Cr25Ni2 HC(ACI) G-X40CrSi29(1.4776) SCH2ZG3Cr18Ni25Si2 HN(ACI) SCH19ZG1Cr25Ni20Si2 HK30(ACI) G-X15CrNi2520(1.4840) SCH1ZG4Cr25Ni@0Si2 HK40(ACI) G-X40CrNiSi2520(1.4848)SCH22 310C40 ZG0Cr13Ni4Mo Z6CND13.04ZG4Cr25Ni35Si2 HP(ACI) G-X45NiCrSi3525(1.4857)ZG4Cr28Ni48W5Si2 G-X40NiCrW4828注:1、对照表中所列中国钢号包括ZB26-62标准钢号2、耐热铸钢对照表中所列中国钢号包括ZB26-62标准钢号和厂标钢号石油化工管道常用钢管(国产)材料及使用温度范围钢管标准名称钢管标准号材料牌号外径或公称直径/㎜使用温度/℃输送流体用无缝管GB/T1863 10 6—630 -20~425 石油裂化用无缝管GB9948 10 10~273 -20~425 化肥设备用高压无缝管GB6479 10 14×4~273×40 -4~400输送流体用无缝管GB/T1863 20 6~630 -20~425 石油裂化用无缝管GB9948 20 10~273 -20~425 输送流体用无缝管GB/T1863 16Mn 6~630 -20~425 化肥设备用高压无缝管GB6479 16Mn 14×4~273×40 -40~400 化肥设备用高压无缝管GB6479 16MnD 14×4~273×40 -40~250 化肥设备用高压无缝管GB6479 9Mn2VD 14×4~273×40 -50~100 化肥设备用高压无缝管GB6479 9MnNiD 14×4~273×40 -70~100 石油裂化用无缝管GB9948 12CrMo 10~273 ≤525化肥设备用高压无缝管GB6479 12CrMo 14×4~273×40 ≤525石油裂化用无缝管GB9948 15CrMo 10~273 ≤550化肥设备用高压无缝管GB6479 15CrMo 14×4~273×40 ≤550高压锅炉用无缝管GB5130 12Cr1MoVG 10~530 ≤575化肥设备用高压无缝管GB6479 12Cr2Mo 14×4~273×40 ≤575化肥设备用高压无缝管GB6479 1Cr5Mo 14×4~273×40 ≤600石油裂化用无缝管GB9948 1CT5Mo 10~273ASTM A335Cr.P11 1?Cr?Mo ≤540 ASTM A335Cr.P22 2?Cr1Mo ≤560输送流体用不锈钢无缝管GB/T14976 0Cr13 6~426 ≤500输送流体用不锈钢无缝管GB/T14976 0Cr18Ni9 6~426 -196~700 锅炉热交换器用不锈钢无缝管GB13296 0Cr18Ni9 -196~700 输送流体用不锈钢无缝管GB/T14976 0Cr17Ni12Mo2 6~426 -196~700 输送流体用不锈钢无缝管①GB/T14976 0Cr18NiMo2Ti 6~426 -196~500 输送流体用不锈钢无缝管①GB/T14976 0Cr19Ni13Mo3 6~426 -196~700 输送流体用不锈钢无缝管①GB/T14976 00Cr19Ni10 6~426 -196~425 输送流体用不锈钢无缝管①GB/T14976 00Cr19Ni14Mo2 6~426 -196~450 输送流体用不锈钢无缝管①GB/T14976 00Cr19Ni13Mo3 6~426 -196~450 低压流体输送用镀锌焊接钢管低压流体输送用焊接钢管GB/T3091GB/T3092(Q195,Q215A)Q235,Q215B6(1/8″)~150(6″)外径≥114.3㎜0~100螺旋缝埋弧焊钢管符合GB/T9711.1的要求钢级 L210-L555 ≤300电阻焊碳钢直缝钢管≤200电弧焊直缝钢管≤425 此种钢尚有GB13296锅炉、热交换器用不锈钢无缝管。
中 国英 国日 本法 国德 国原苏联GB (YB )AISI SAEB.S.JIS NFDIM(ГOCT)碳素结8EN2A/1S9CK 8构钢08FEN2A/1SPCH108КП10EN2A S10C XC10C10,CK101010FEN2ASPH210КП15EN2E S15C XC12C15,CK151515F EN2B 15КП20EN3A S20C XC18C20,C222020F EN2C SPH320КП30EN4S30CXC323045C10121010EN8S45C XC45C45,CK4545C10101010C10151015C10201020C10201020C10301030C10451045合金结15Mn C11151115En14A SB46XC1214Mn414Г构钢20MnC10221022En3C,4S21—XC18—20Г30MnC10331033En5D,En5K —XC32—30Г50MnC10521052En43A,En 43B,En43—XC48—50Г1006分类美 国1008常用金属材料中外牌号对照1.黑色金属材料牌号对照(表8—65)表8—65 黑色金属材料牌号对照20Mn2En41A,S92,S514——20Mn520Г23T35,3T4530Mn2S92,S514,3T35,3T45—32M530Mn530Г240Mn2~En15A—40M5—40Г250Mn2~55M5—50Г220MnV ———20MnV6—42MnV ———42MnV7—15Cr ~En206SCr2112C315Cr315X 20Cr En207SCr2218C320Cr420X 40Cr En18,S117SCr438C441Cr440X 50CrEn48———50X5115中 国英 国日 本法 国德 国原苏联GB (YB )AISI SAEB.S.JIS NF DIM (ГOCT)合金结15CrMn——16MC516MCr515X Г,18X Г构钢20CrMn ——20MC520MCr520X Г40CrMn ————40X Г25CrMnSi ————25X ГC 30CrMnSi————30X ГC13,201,321—13301340分类美 国—51205140—————(续)51,505,15235CrMnSiA————35XГCA 20CrV22CrV420Xф40CrV42CrV440XфA 45CrV En5018CrMnTi18XГT 30CrMnTi30XГT 40CrMnTi40XГT12CrMo1501-620CrB12CD413CrMo4412XM20CrMo CDS12,CDS110SCM2218CD420CrMo520ХM 30CrMo SCM230ХM 35CrMo En19B SCM3 35CD434CrMo435ХM22CrMnMo40CrMnMoEn19C18XГM24CrMoV24CrMoV5538XГM,40XГM35CrMoV35CrMoV535XMфA30Cr2MoV En40C,S10630CD1230CrMoV9~25X2Mф25Cr2Mo1VA ~25X2Mф30Cr2Ni2 WVA 30X2HBфA38CrMoAlAEn41B SACMI45CAD6-1234CrAlMo538XMЮA ~411938CrWVAlAEn40C38 XBфЮA 61206140—61454118 411938CrAlA 34CrAl 38X ЮAE4132E4135中 国英 国日 本法 国德 国原苏联GB (YB )AISI SAEB.S.JIS NF DIM (ГOCT)12CrNi2ASNC2116NC1114NiCr1012XH2A 12CrNi3A En36A,En36B SNC2214NC1214NiCr1412XH3A 12Cr2Ni4A En39A,En 39B12NC1512X2H4A30CrNi3A SNC230NC1128NiCr1030XH3A37CrNi3A 37XH3A18Cr2Ni4WA18XHBA 40CrNiW 40CrHBA 30Cr2Ni2WVA30X2H2B фA40CrNiMo A En110,S95,S118SNCM835NCD536CrNiMo 440XHMA40B45B40MnB45MnB20CrMnB 20X ГP40CrMnB 40X ГP65En43E SUP2,SW R7XC65CK676575SUP3,SW R9~XC70,XC80C75,MK757560Mn En43J 60Г60SiMnEn45ASUP660SiMn660C Г4130~411941406470E(AMS)分类美 国合金结构钢E3310,3310,3310H 2515,2515H 3435~TS14B35H ~TS14B50H 50B2050B40H4340~TS14B3550B46H C10651065(续)65Mn En43E65Г50Si2Mn ~45S751Si750C2106055Si2MnEn45,142955S655Si755C2C1065106550CrVAEn47SUP1050CV450CrV450X фAT7A XC65 fins C70W1у7A T8D1SKU3XC85coura ntsC85W2у8XC85 fins T8AXC85 fins C85W1у8A T10D1SK3XC95finsC100W2у10中 国英 国日 本法 国德 国原苏联GB (YB )AISI SAE B.S.JISNF DIM (ГOCT)碳素工T10A XC95extra -fins C100W1у10A 具钢T12D1SK2,SKU2XC120fins C115W2у12T12A XC120extr a-fins C110W1у12A T8MnA SK5C85WSу8ГA 合金工9Mn2V 80M890MnV8具钢6SiCr 64SiCr56XC 9SiCr 90CrSi59XC 4SiCrV 45SiCrV64XC Cr2100C6105Cr5X Cr06SKS8110Cr2X05Cr12Steel for clod SKD1Z200C12X210Cr12X12working AlCrMn80M8145Cr6X Г5CrMnMo SKT555NCD7-0340CrMnM o75X ГM 5CrNiMo SKT465NCDV06-0255NiCrMo V65XHMCrWS SKS1120WC45-02X130W5XB5Cr12WSKD 2~X210CrW 123Cr2W8V AlW-Cr SKD5Z30WC09-03X30WCrV 9-33X2B8CrWMnSteel for clod SKS3180M8105WCr6working CXB Г5CrW2Si SKS41~45WC20-405XB2CCr12MoV Type (A)2SKD11Z200C12X165CrMoV12X12MWSKU8100WC15-04~120W4B1弹簧钢1074926092556150碳素工具钢W1-0.8C W1-0.8C-Special W1-1.0CW1-1.2C- Special2分类美 国W1-1.0C-Special W1-1.2C L4V1G(AMS)L1D3L6D 6~H21F1(续)W2SKS7115W8B2W9Cr4V2(A)14%W SKH6Z70WD12ABCP9W18Cr4V (A)18%W SKH2Z80W18S18-0-1,B18P18,P ф1W12Cr4V 4MoZ125WV,15-W S112-1-4,EV4P9ф5,P14ф4W6Mo5Cr4V2SKH93343W2Mn9Cr 4VCo8中 国英 国日 本法 国德 国原苏联GB (YB )AISI SAE B.S.JIS NFDIM(ГOCT)1Cr17Mn6Ni5NSUS20112X17Г9AH41Cr18Mn8Ni4284S16SUS20212X17Г9AH42Cr13Mn9Ni420X13H4Г91Cr17Ni7301S21SUS301Z12CN17.071Cr17Ni8SUS301JI X12CrNi1771Cr18Ni9302S25SUS302Z10CN18.09X12CrNi18812X18H91Cr18Ni9S i3SUS302B 0Cr19Ni9304S15SUS304Z6CN18.0X5CrNi1808X18H1000Cr9Ni11304S12SUS304L Z2CN18.0X2CrNi1803X18H110Cr19Ni9SUS304N10Cr19Ni10NbNSUS304N200Cr18Ni10N SUS304LN Z2CN18.10NX2CrNiN18101Cr18Ni12305S19SUS305Z18CN18.12X5CrNi181112X18H12T0Cr23Ni13SUS309S 0Cr25Ni20SUS310S0Cr17Ni12Mo2316S16SUS316Z6CND17.12X5CrNiMo 181008X17H13M2T00Cr17Ni14Mo2316S12SUS316L Z2CND17.12X2CrNiMo 181003X17H13M20Cr17Ni12Mo2N SUS316N00Cr17Ni13Mo2N SUS316LN Z2CND17.12NX2CrNiMo N18120Cr18Ni12Mo2Ti 320S17Z6CNDT17-12X10CrNiM oTi181008X17H13M2T1Cr18Ni12Mo2Ti 10X17H13M2T 0Cr18Ni12Mo2Cu2SUS316JI 00Cr18Ni14Mo2Cu2SUS316JIL高速钢T7T1M2M42分类美 国 锈201,S2*******,S2*******,S3*******B,S3*******,S3*******L,S0*******N,S30451XM21,S30452305,S30500301,S3*******S,S3*******S,S3*******,S3*******L,S31603(续)316N,S316510Cr18Ni12Mo3Ti Z6CNDT17-1308X17H15M3T1Cr18Ni12Mo3Ti 10X17H13M3T0Cr19Ni13Mo3317S16SUS31708X17H15M3T00Cr19Ni13Mo3317S12SUS317LZ2CND19.15X2CrNiMo 181603X16H15M3中 国英 国日 本法 国德 国原苏联GB (YB )AISI SAEB.S.JIS NFDIM(ГOCT)0Cr18Ni16Mo5SUS317JI0Cr18Ni11Ti321S20SUS321Z6CNT18.10X10CrNiTi 18908X18H10T1Cr18Ni9T iX10CrNiTi 18912X18H10T0Cr18Ni11N6347S17SUS347Z6CNNb18.10X10CrNiN b18908X18H12T 0Cr18Ni13Si4SUSXM15JI00Cr18Ni5Mo3Si21Cr18Ni11Si4AlTi 15X18H12-C4T101Cr21Ni5T 1X21H5T0Cr21Ni5Mo2SUS329JI 0Cr13Al 405S17SUS405Z6CA13X7CrA11300Cr12SUS410L 1Cr15SUS4291Cr17430S15SUS430Z8C17X8Cr1712X1700Cr17434S19SUS430LX 1Cr17Mo SUS434Z8CD17.0X6CrMo1700Cr17Mo SUS436L 00Cr18Mo 2SUS44400Cr30Mo 2SUS447J100Cr27Mo SUSXM27Z01CD26.1Cr12403S17SUS4031Cr13410S21SUS410Z12C13X10Cr1312X130Cr13SUS410S Z6C13X7Cr1308X132Cr13420S37SUS420J1Z20C13X20Cr1320X133Cr13420S45SUS420J230X133Cr16SUS429J1分中 国美 国英 国日 本法 国德 国原苏联不 锈 钢分类美 国317,S3*******L,S31703405,S4*******,S4*******,S43000不 锈 钢321,S32100347,S34700XM15,S38100XM27,S4*******,S40300410434,S4340018Cr2Mo410S,S4*******,S42000(续)2.有色金属材料牌号对照(表8—66)表8—66 有色金属材料牌号对照类GB(YB)ASTM,(SAE) B.S.JIS NF DIMГOCT工1070A10801A A1080A00业106010,701,060A1070(A199.6)A0纯1050A EC10501B A105A5A199.5A1铝10351030AД1 120011001C A1100A4A99A2 8A061200A1200AД防5040Д12锈5A025052N4A-5052A-G2AlMg2AMГ铝5A035154N5A-5154A-G3AlMg3AMГ3 5A055056N6A-5056A-G5AlMg5AMГ55A06AMГ6N7AMГ75056N6A-5056A-G5AlMg5AMГ5П5356AMГ5B 3A213003N3A-3003A-M1AlMn AMЦ硬2A012117L86A2117A-U2G AlCuMg0.5Д18П铝2A02BД17Д3П2A04Д19П2A06Д19Д2 2B112017A2017A-U4G AlCuMg1Д1П2B122024H14A2024A-U4G1AlCuMg2Д16П2A10B652A112017DTD A2017A-U4G AlCuMg1Д12A122024A2024A-U4G1AlCuMg2Д162A13AM42A162219A-U6MTД202A172021Д21锻6063H9A6063A-GS AlMgSi0.5AЛД铝6A026061H20A6061AlMgSiCu AB 2A50AK62B50H11AK6-12618H16A2N01A-U2GN AK4-1 2A80A-U2N AK42A902018A2018A-U4N AK22A142014H15A2014A-U4SG AlCuSiMg AK8超7A03B94硬7A047075A7075A-Z5GU AlZnMg1.5B95铝7076B95-17049A-Z8GU B967A097075A7075A-Z5GU AlZnMgC u1.5变MB1AIMIA DTD737,142,118MA1形MB2AZ31C MAG111M1MgAl3Zn MA2镁MB3MA2-1合MB4AZ61A MAG121M2MgAl6Zn MA3金MB6MA4 MB7A280X88B AZ61A MgAl7Zn MA5MB8AZ80A AM537MA8MB15AK60A DTD5031,5041AK60A BM65-1工TA1Ti-35A IMI115KS50BT1-0业TA2Ti-50A IMI125KS60BT1-1纯TA3Ti-65A IMI135KS85BT1-2钛钛TA4Ti-2Al48-T2合TA548-OT3金TA6BT5 TA7Ti-5Al-2Sn IMIB6KS115AS BT5-1TA8BT10TB1BT15钛TB2合TC1IMI315OT4-1金TC2OT4 TC3BT6CTC4Ti-6A-4V IMI137T-A6V BT6TC5BT3TC6BT3-1TC7AT6TC8BT8TC9BT9TC10Ti-6A-6V-2SnT-A6V6Sn2T3M2 T4M3 TU1101EOFCuP MB1 TU2102C103OF-CuP MB2黄H90220DTD713,CZ101RBs2Ms90Л90铜H80240DTD711,CZ103RBs4Ms80Л80H70260CZ106BsP1Ms70Л70H62280CZ119Bs3Л62 HPb63-3353216Ms63PЛC63-3 HPb59-1CZ111PbBs13Ms58ЛC59-1 HSn70-1443CZ112BsTF1SoMs71ЛO70-1 HSn62-1462NbsBE1ЛO62-1HAl60-1-1ЛAЖ60-1-1HMn58-2ЛMЦ58-2HFe59-1-1ЛЖМЦ59-1-1青QSn4-3MSnBZ4БРОЦ4-3铜QSn4-4-4B139BZ BC6MSnBZ4PbБРОЦC4-4-4QSn6.5-0.1B139,B159407-3SnBZ6БРОФ6.5-0.15QSn6.5-0.4519PBB2БРОФ6.5-0.4QSn7-0.2БРОФ7-0.2铜QAl9-2БРAMЦ9-2QAl9-4AB1БРAЖ9-4QAl10-3-1.5БРAЖM Ц10-3-1.5QAl10-4-4AMS46402033AB5NiAlBZ БРAЖH10-4-4QBe2172BeCu2БРБ2QBe1.7170BeCuP1БРБHT1.7QBe1.9БРБHT1.9序号中日板材类别日本标准牌号备注SPCSPCC普通用途冷轧板或带SPCD拉深用深拉深用SPCEN深拉深用(无时效)SPHSPHC普通用途热轧钢板(带)SPHD拉深用SPHE深拉深用冷轧不锈钢板(带)SUS××CP(SUS××CS)××为具体钢种代号数热轧不锈钢板(带)SUS××HP(SUS××HS)字(下同)SPGSPG1一般用途SPG2弯曲加工用SPG3拉深用SPG4结构件用SPTSPTE电镀锡板SPTE-D差后电镀锡板1冷轧薄钢板2热轧薄钢板(带)表8—67 中日板(带)材表示方法对照34镀锌薄钢板5镀锡薄钢板3. 中日板(带)材表示方法对照(表8—67)SPTH 热电镀锡板冷轧电工钢板S ××热轧电工钢板S ××F 铝板A ××P 铝带A ××R-0材软质-硬H 材硬-硬H 材铝板-硬质铝带H 材冷轧后自然时效-H 材-R 材铜板(带)纯铜板(带)RBSP (RBSR )黄铜板(带)BSP (BSR )磷青铜板(带)PBP (PBR )锌白铜板(带)NSP (NSR )白铜板(带)CNP (CNR )9钛板TP 678板。
常用金属材料七国牌号对照表常用金属材料七国牌号对照表材料对照表材料对照表(不锈钢)工件材料组加工特性组国家和标准德国中国英国法国意大利比利时瑞典西班牙日本美国材料编号 DIN GB BS EN AFNOR UNI NBN SS UNE JIS AISI/SAE ====================================== ========================================= ==============================12/13 1.4000/X6Cr13 0Cr13;1Cr12 403S17 Z6C13 X6Cr13 2301 F.3110 SUS403 40312/13 1.4001/X7Cr14 - - - - - - F.8401 - -12/13 1.4006/X10Cr13 1Cr13 410S21/56A Z10C14 X12Cr13 2302 F.3401 SUS410 41012/13 1.4016/X6Cr17 1Cr17 430S15/60 Z8C17 X8Cr17 220 - F.3113 SUS430 43012/13 1.4021/X20Cr13 2Cr13 S62/56B/56C Z20C13 X20C13 - - F.3401 SUS410 41012/13 1.4027/G-X20Cr14 - 420C29/56B Z20C13M - - - - SCS2 -12/13 1.4034/X46Cr13 4Cr13 420S45/56D Z40CM/Z38C13M X40Cr14 - 2304 F.3405 SUS420J2 -12/13 1.4057/X20CrNi172 1Cr17Ni2 431S29/57 Z15CNi6.02 X16CNi16 - 2321 F.3427 SUS431 43112/13 1.4104/X12CrMoS17 Y1Cr17 - Z10CF17 X10CrS17 - 2383 F.3117 SUS430F 430F12/13 1.4113/X6CrMo171 1Cr17Mo 434S17 Z8CD17.01 X8CrMo17 - 2325 - SUS434 43412/13 1.4313/X5CrNi134 - 425C11 Z4CND13.4M - - - - SCS5 -12/13 1.4408/G-X6CrNiMo1810 - 316C16 - - - - F.8414 SCS14 -12/13 1.4718/X45CrSi93 4Cr9Si2 401S45/52 Z45CS9 X45CrSi8 - - F.322 SUH1 HW312/13 1.4724/X10CrAl13 0Cr13Al 403S17 Z10C13 X10CrAl12 - - F.311 SUS405 40512 1.4742/X10CrAl18 Cr17 430S15/60 Z10CAS18 X8Cr17 - -F.3113 SUS430 43012/13 1.4757/X80CrNiSi20 8Cr20Si2Ni 443S65/59 Z80CSN20.02 X80CrSiNi20 - - F.320V SUH4 HNV612 1.4762/X10CrAl24 2Cr25N - Z10CAS24 X16Cr26 - 2322 - SUH446 446M/14 1.4301/X5CrNi1810 0Cr18Ni9 304S15/58E Z6CN18.09 X5CrNi1810 - 2332 F.3551;F.3541;F.3504 SUS304 30414 1.4305/X10CrNiS189 1Cr18Ni9MoZr 303S21/58M Z10CNF18.09 X10CrNiS18.09 - 2346 F.3508 SUS303 30314 1.4306/X2CrNi1911 0Cr19Ni10 304S12 Z2CN18.10X2CrNi18.11 - 2352 F.3503 SCS19 304L14 1.4308/G-X6CrNi189 - 304C15 Z6CN18.10M - - - - SCS13 -14 1.4310/X12CrNi177 Cr17Ni7 - Z12CN17.07 X12CrNi1707 - 2331 F.3517 SUS301 30114 1.4311/X2CrNiN1810 - 304S62 Z2CN18.10 - - 2371 - SUS304LN 304LN14 1.4350/X5CrNi189 0Cr19Ni9 304S31/58E Z6CN18.09 X5CrNi1810 - - - SUS304 30414 1.4401/X5CrNiMo1712 0Cr17Ni11Mo2 316S16 Z6CND17.11 X5CrNiMo1712 - 2347 F.3543 SUS316 31614 1.4429/X2CrNiMoN17133 00Cr17Ni13Mo2 - Z2CND17.13 - - 2375 - SUS316LN 316LN14 1.4435/X2CrNiMo18143 0Cr27Ni12Mo3 316S12 Z2CDN17.13 X2CrNiMo1713 - 2353 - SCS16 316L14 1.4438/X2CrNiMo17133 00Cr19Ni13Mo3 317S12 Z2CND19.15 X2CrNiMo18.16 - 2367 - SUS317L 317L14 1.4460/X8CrNiMo275 - - - - - 2324 - SUS329L;SCH11;SCS11 329L12/13 1.4541/X6CrNiTi1810 1Cr18Ni9Ti 321S12/58B Z6CNT18.10 X6CrNiTi1811 F.3553 SUS321 32112/13 1.4550/X6CrNiNb1810 1Cr18Ni11Nb 347S17/58F Z6CNNb18.1 X6CrNiTi1811 - 2338 F.3552 SUS347 347 12/13 1.4571 X6CrNiMoTi17122 Cr18Ni12Mo2Ti 320S17/58J Z6NDT17.12 X6CrNiMoTi17 - 2350 F.3535 - 316Ti12/13 1.4581/G-X5CrNiMoNb1810 - 318C7 Z4CNDNb1812M XG8CrNiMo18 - - - SCS22 -12/13 1.4583/X10CrNiMoNb1812 Cr17Ni12Mo3Nb - Z6CNDNb1713B X6CrNiMoTiNb17 - - - - 31814 1.4828/X15CrNiSi2012 1Cr23Ni13 309S24 Z15CNS20.1 - - - - SUH309 30914 1.4845/X12CrNi2521 0Cr25Ni20 310S24 Z12CN2520X6CrNi2520 - 2361 F.331 SUH310 310S14 1.4864/X12NiCrSi3616 Cr15Ni36W3Ti - Z12CNS35.1 - - - - SUH330 33014 1.4865/G-X40NiCrSi3818 - 330C11 - XG50NiCr3919 - - - SCH15 -14 1.4871/X53CrMnNiN219 5Cr2Mn9Ni4N 349S54/321S12/58B Z52CMN21.0 X53CrMnNiN219 - - - SUH35 EV814 1.4878/X12CrNiTi189 1Cr18Ni9Ti 321S320/58C Z6CNT18.12 X6CrNiTi1811 - - F.3523 SU321 321材料对照表(结构钢)工件材料组加工特性组国家和标准德国中国英国法国意大利比利时瑞典西班牙日本美国材料编号 DIN GB BS EN AFNOR UNI NBN SS UNE JIS AISI/SAE P 1 1.0401 C15 15 080M15 - CC12 C15C16 - 1350 F.111 - 10151 1.0402 C22 20 050A20 2C CC20 C20C21 C25-1 1450 F.112 - 10201/2 1.0501 C35 35 060A35 - CC35 C35 C35-1 1550 F.113 - 10352 1.0503 C45 45 080M40 - CC45 C45 C45-1 1650 F.114 - 10452/3 1.0535 C55 55 070M55 - - C55 C55-1 1655 - - 10553 1.0601 C60 60 080A62 43D CC55 C60 C60-1 - - - 10601 1.7015 9SMn28 Y15 230M07 - S250 CF9SMn28 - 1912 11SMn28 SUM22 12131 1.0718 9SMnPb28 - - - S250Pb CF9MnPb28 - 1914 11SMnPb28 SUM22L 12L131 1.0722 10SPb20 - - - 10PbF2 CF10Pb20 - - 10SPb20 - -2 1.0726 35S20 - 212M36 8M 35MF4 - - 1957 F210G - 11401/2 1.0736 9SMn36 Y13 240M07 1B S300 CF9SMn36 - - 12SMn35 - 12151/2 1.0737 9SMnPb36 - - - S300Pb CF9SMnPb36 - 1926 12SMnP35 - 12L142/3 1.0904 55Si9 55Si2Mn 250A53 45 55S7 55Si8 55Si7 2085 56Si7 - 92552/3 1.0961 60SiCr7 - - - 60SC7 60SiCr8 60SiCr8 - 60SiCr8 - 92621 1.1141 Ck15 15 080M15 32C XC12 C16 C16-2 1370 C15K S15C 10152 1.1157 40Mn4 40Mn 150M36 15 35M5 - - - - - 10391/2 1.1158 Ck25 25 - - - - C25-2 - - S25C 10252/3 1.1167 36Mn5 35Mn2 - - 40Mn5 - - 2120 36Mn5 SMn438(H) 13352/3 1.1170 28Mn6 30Mn 150M28 14A 20M5 C28Mn 28Mn6 - - SCMn1 13302/3 1.1183 Cf35 35Mn 060A35 - XS38TS C36 C36 1572 - S35C 10352/3 1.1191 45 Ck45 080M46 - XC42 C45 C45-2 1672 C45K S45C 10452/3 1.1203 Ck55 55 070M55 - XC45 C50 C55-2 - C55K S55C 10553/4 1.1213 Cf53 50 060A52 - XC48TS C53 C53 1674 - S50C 10503/4 1.1221 Ck60 60Mn 080A62 43D XC60 C60 C60-2 1678 - S58C 10609 1.1274 Ck101 - 060A96 - - - - 1870 - SUP4 109510 1.3401 X120Mn12 - Z120M12 - X120M12 XG120Mn12 - - X120Mn12 SCMnH/1 -9 1.3505 100Cr6 Gr15;45Gr 534A99 31 100C6 100Cr6 - 2258F.131 SUJ2 521009 1.5415 15Mo3 - 1501-240 - 15D3 16Mo3KW 16Mo3 2912 16Mo3 - ASTM A20Gr.A8 1.5426 16Mo5 - 1503-245-420 - - 16Mo5 16Mo5 - 16Mo5 - 45205 1.5622 14Ni6 - - - 16N6 14Ni6 18Ni6 - 15Ni6 - ASTM A350LF59 1.5662 X8Ni9 - 1501-509;510 - - X10Ni9 10Ni36 - XBNi09 - ASTM A3539 1.5680 12Ni19 - - - Z18N5 - 12Ni20 - - - 25156 1.5710 36NiCr6 - 640A35 111A 35NC6 - - - - SNC236 31356 1.5732 14NiCr10 - - - 14NC11 16NiCr11 - - 15NiCr11 SNC415(H) 34156 1.5752 14NiCr14 - 655M13;655A12 36A 12NC15 - 13NiCr12 - - SNC815(H) 3415;33106 1.6511 36CrNiMo4 - 816M40 110 40NCD3 38CrNiMo4(KB) - - 35CrNiMo4 - 98406 1.6523 21NiCrMo2 - 850M20 362 20NCD2 20NiCrMo2 - 2503 20NiCrMo2 SNCCM220(H) 86206 1.6546 40NiCrMo2 - 311-Type7 - - 40NiCrMo2(KB) 40NiCrMo2 - 40NiCrMo2 SNC240 87406 1.6582 34CrNiMo6 40CrNiMoA 817M40 24 35NCD6 35CrNiMo6(KB) 35CrNiMo6 2541 - - 43406 1.6587 17CrNiMo6 - 820A16 - 18NCD6 - 17CrNiMo7 - 14CrNiMo13 - -2 1.7015 15Cr3 15Cr 523M15 - 12C3 - 15Cr2 - - SCr415(H)50156 1.7033 34Cr4 35Cr 530A32 18B 32C4 34Cr4(KB) 34Cr4 - 35Cr4 SCr430(H) 51326 1.7035 41Cr4 40Cr 530M40 18 42C4 41Cr4 42Cr4 - 42Cr4 SCr440(H) 51406 1.7045 42Cr4 40Cr - - - - - 2245 42Cr4 SCr440 51406 1.7131 16MnCr15 18CrMn (527M20) - 16MC5 16MnCr15 16MnCr15 2511 16MnCr15 - 51156 1.7176 55Cr3 20CrMn 527A60 48 55C3 - 55Cr3 - - SUP9(A) 51556 1.7218 25CrMo4 30CrMn 1717CDS110 - 25CD4 25CrMo4(KB) 25CrMo4 2225 55Cr3 SCM420;SCM430 41306 1.7220 34CrMo4 35CrMo 708A37 19B 35CD4 35CrMo4 34CrMo4 2234 34CrMo4 SCM432;SCRRM3 4137;41356 1.7223 41CrMo4 40CrMoA 708M40 19A 42CD4TS 41CrMo4 41CrMo4 2244 41CrMo4 SCM440 4140;41426 1.7225 42CrMo4 42CrMo;42CrMnMo 708M40 19A 42CD4 42CrMo4 42CrMo4 2244 42CrMo4 SCM440(H) 41406 1.7262 15CrMo5 - - - 12CD4 - - 2216 12CrMo4 SCM415(H) -6 1.7335 13CrMo44 - 1501-620Gr.27 - 15CD3.5;15CD4.5 14CrMo44 14CrMo45 - 14CrMo45 - ASTM A182;F11;F126 1.7361 32CrMo12 - 722M24 40B 30CD12 32CrMo12 32CrMo12 2240 F.124.A - -6 1.7380 10CrMo910 - 1501-622Gr.31;45 - 12CD9;1012CrMo9,10 - 2218 TU.H - ASTM A182 F.226 1.7715 14MoV63 - 1503-660-440 - - - 13MoCrV6 - 13MoCrV6 - -7 1.8159 50CrV4 50CrVA 735A50 47 50CV4 50CrV4 50CrV4 2230 51CrV4 SUP10 61509 1.8509 41CrAlMo7 - 905M39 41B 40CAD6,12 41CrAlMo7 41CrAlMo7 2940 41CrAlMo7 - -9 1.8523 39CrMoV139 - 897M39 40C - 36CrMoV12 36CrMoV13 - - - -材料对照表(工具钢)工件材料组加工特性组国家和标准德国中国英国法国意大利比利时瑞典西班牙日本美国材料编号 DIN GB BS EN AFNOR UNI NBN SS UNE JIS AISI/SAE P 6/7 1.1545 C105W1 T10 - - Y1105 C98KU;C100KU - 1880 F.515;F.516 - W.1106/7 1.1663 C125W T12A - - Y2120 C120KU - - (C120) SK2 W.1129 1.2067 100Cr6 CrV;9SiCr BL3 - Y100C6 - - - 100Cr6 - L310/11 1.2080 X210Cr12 Cr12 BD3 - Z200Cr12 X210Cr13KU;X250Cr12KU - - X210Cr12 SKD1 D310/11 1.2344 X40CrMoV51 4Cr5MoVSi BH13 - Z40CDV5 X35CrMoV05KU;X40CrMoV51KU - 2242 X40CrMoV5 SKD61 H1310/11 1.2363 X100CrMoV51 Cr6WV BA2 - Z100CDV5 X100CrMoV51KU - 2260 X100CrMoV5 SKD12 A210/11 1.2419 105WCr6 CrWMo - - 105WC13 10WCr6;107WCr5KU - 2140 105WCr5 SKS31;SKS2;SKS3 -10/11 1.2436 X210CrW12 Cr12W - - - X215CrW121KU - 2312 X210CrW12 SKD2 -10/11 1.2542 45WCrV7 5CrNiMo BS1 - - 45WCrV8KU - 2710 45WCrSi8 - S110/11 1.2581 X30WCrV93;X30WCrV93KU 3Cr2W8V BH21 - Z30WCV9 X28W09KUX30WCrV93KU - - - - -10/11 1.2601 X165CrMoV12 Cr12MoV - - - X165CrMoW12KU - 2310 X160CrMoV12 SKD11 D310/11 1.2713 55NiCrMoV6 5CrNiMo - - 55NCDV7 - - - F.250.S SKT4 L610/11 1.2833 100V1 V BW2 - Y1105V - C98KU;102V2KU - - SKS43 W21010/11 1.3243 S6-5-2-5 W6Mo5Cr4V2Co5 - - Z85WDKCV HS6-5-2-5 - 2723 HS6-5-2-5 SKH55 -10/11 1.3255 S18-1-2-5 W18Cr4VCo5 BT4 - Z80WKCV;10-05-04-01 X78WCo1805KU - - HS18-1-1-5 SKH3 T410/11 1.3343 S6-5-2 W6Mo5Cr4V2 BM2 - Z85WDCV06-05-04-02 X82WMo0605KU - 2722 HS6-5-2 SKH9 M210/11 1.3348 S2-9-2 - - -Z- Z100WCWV09-02-04-02 HS2-9-2 - 2782 HS2-9-2 - M710/11 1.3355 S18-0-1 W18Cr4V BT1 - Z80WCV18-04-01 X75W18KU - - HS18-0-1 SKH2 T110/11 - S6-5-3 W6Mo5Cr4V3 - - - - - - - SKH52 M3 10/11 - - - BM42 - - - - - - SKH59 M42。
常用金属材料牌号执行标准对照表
说明:
依据有关国家标准和冶金部标准,结合设计、生产、采购状况,经过反复比较、精选,编写了我公司《常用金属材料牌号执行标准对照表》,用于有关人员工作时参考,须按“我公司标注示例规定”正确地运用、执行。
表中的材料“采用牌号”可以根据工程实际运用,并不限于本表所列。
本表收编的材料仅限于当前常规用材,随着生产规模扩大,肯定还要增加新的材料。
在使用过程中,希望各位提出宝贵意见,以便修改、补充、完善。
⾦属材料牌号对照.钢板⾦属材料牌号对照钢种中国GB ⽇本JIS 美国ASTM 德国牌号牌号标准号钢号钢号材料号标准号碳素钢板Q235-F SS41 G3101 A36 USt37-2 1.0112 DIN17100Q235 SS41 G3101 A283-C RSt37-2 1.0114 DIN17100Q255A SS50 G3101 A283-D (RSt42-2) 1.0134 DIN17100 (A3R) SPV24 G3115 A285-C20g SB42 G3103 A515.Cr60 HⅡ 1.0425 DIN17155 (15g) SB35 G3103 A515.Cr55 HⅠ 1.0345 DIN17155(25g) SB46 G3103 A515.Cr65 HⅢ 1.0435 DIN1715525 SM41A G3103 DIN17100低合⾦钢板16Mn SM50-B.C G3106 St52-3 1.0841 DIN17155 16MnR SM41B G3106 A299/A537-Ⅰ.Ⅱ17Mn419Mn51.08411.804516MngC SPV36 G3115 St52-315MnVRSPV36(WELTEN50)G3115 A225Gr.A.B WStE39 1.893015MnVgC (A633-GR.B)15MnVNTR (K-TEN62M) A302-GR.B18MnMoNbR A533-Gr.A.I耐热钢板16Mo SB46M G3103 A204-Gr A.B 15 Mo3 1.5414 DIN17155 12CrMo SCMV1 G4109 A387-Gr.215CrMo SCMV2 G4109 A387-Gr.12 13 CrMo44 1.7335 DIN17155 12Cr2Mo1 SVMV4 G4109 A387-Gr.22 10 Mo910 1.7362 DIN17155低温钢板16MnR SLA24B G3126 A516-Gr55 TTSTE26 1.0463 SEW089 15MnVR SLA33A A516-Gr60 TTSTE29 1.048815MnVNTRA516-Gr65A516-Gr70TTSTE32TTSTE361.08511.085909Mn2VR A203-GrA.B TTST41VTTST35V1.0437 SEW680(06A1NbCuN) A203-GrD.E 10Ni14 1.5637 SEW680不锈耐酸钢板(20mN23a1)A553-Gr.Ⅰ.ⅡA353X8Ni9 1.5662 SEW6800Cr13SUS405SUS410SG4304G4305A320-405A320-410SX7Cr13 1.4000 DIN17440 (1Cr13)SUS403SUS410G4304G4305A320-403A320-410X10Cr13 1.4006DIN17440 (1Cr17) SUS430G4304G4305A320-430 X8Cr17 1.4016DIN17440 0Cr18Ni9 SUS304G4304G4305A320-304 X5CrNi189 1.4301DIN17440 (1Cr18Ni9) SUS302G4304G4305A320-302 X5CrNi189 1.4301DIN174400Cr18Ni9Ti1Cr18Ni9TiSUS321G4304G4305A320-321 X10CrNiTi189 1.4541DIN17440 0Cr18Ni12Mo2Ti SUS316G4304G4305A320-3160Cr18Ni12Mo3Ti SUS317G4304G4305A320-31700Cr18Ni10 SUS304LG4304G4305A320-304L X2CrNi189 1.4306DIN17440 00Cr17Ni14Mo2 SUS316LG4304G4305A320-316L X2CrNiMo1810 1.4404DIN17440 00Cr17Ni14Mo3 SUS317LG4304G4305A320-317L(1Cr18Ni11Nb) SUS347G4304G4305A320-347 X10CrNiNb189 1.4550 DIN17440 Cr15Ni20 SUS310钢管⾦属材料牌号对照钢种中国GB ⽇本JIS 美国ASTM 德国牌号牌号标准钢号钢号材料号标准号碳素钢管(Q235)GGPSTPY41G3452G3457(A53钢种F)A283-D(St33) 1.0033 DIN162610STPG38 G3454 A135-A (St37) 1.0110 DIN1626 STPG38 G3456 A106-A St37-2 1.0112 DIN17175 STS38 G3455 St35.8 1.0305 DIN1629/4STB30 G3461 A179-C St35.8 1.0305 DIN17175 STB33 G3461 A192 St35.8 1.0305 DIN17175 STB35 G3461 St35.8 1.0305 DIN1717520STPG42 G3454 A315-B (St42) 1.0130 DIN1626 STPT42 G3456 A106-B St45-8 1.0405 DIN17175 STB42 G3461 A106-B St45-8 1.0405 DIN17175 STS42 G3455 A178-C St45-4 1.0309 DIN1629/4低合⾦16MnSTS49STPT49G3455G3456A210-C1.0831DIN1629/4DIN1629/3 15MnV STBL39 G3464低温钢16Mn STPL39 G3460 A333-1.6 TT St35N 1.0356 SEW680 15MnV STBL39 G3464 A334-1.609Mn2V A333-7.9 TT St35N 1.0356 SEW680 (06A1NbCuN) STPL46 G3460 A333-3.4 10Ni14 1.5637 SEW680(20Mn23A1) A333-8 X8Ni9 1.5662 SEW680耐热钢管16MoSTPA12STBA12、13G3458G3462A335-P1、A369-FP1A250-T1、15Mo3 1.5414 DIN1717512CrMo STBA20 G3462 A335-P2、15CrMo STPA22 G3458 A335-P12、13CrMo44 1.7335 DIN17175 12Cr1MoV STPA23 G3458 A335-P11、Cr2Mo STPA24 G3458 A335-P22、10CrMo910 1.7380 SEW610 Cr5Mo STPA25 G3458 A335-P5、12CrMo195 1.7362 DIN17175不锈耐酸钢管(1Gr13)SUS410TPG3463 A268 TP410 X10Cr13 1.4006 DIN17440(2Cr13) (SISI 420) X20Cr13 1.4021 DIN17440 (1Cr17) SUS430 G3463 A268 X8Cr17 1.4016 DIN17440 0Cr18Ni9 SUS304 G3459 A312、X5CrNi189 1.4301 DIN17440 (1Cr18Ni9) X5CrNi189 1.4301 DIN17440 0Cr18Ni10Ti SUS321 G3459A312、A376 X10CrNiTi189 1.4541 DIN17440 0Cr18Ni13Mo2Ti SUS316 G3459 A312、A3760Cr18Ni13Mo3Ti SUS317 G3459 A312、A37600Cr18Ni10 SUS304L G3459 A312、A376 X2CrNi189 1.4306 DIN17440 00Cr17Ni13Mo2 SUS316L G3459 A312、A376 X2CrNi810 1.4404 DIN17440 00Cr17Ni13Mo3 SUS317L G3459 A312、锻件⾦属材料牌号对照钢种中国GB ⽇本JIS 美国ASTM 德国牌号牌号标准号钢号碳素钢锻件20SF34S20CG3201G4051A105、A181-ⅠC22、CK221.0402101151DIN17200 25SF40S25CG3201G4051A181-Ⅰ、A266-Ⅰ35SF45S35CG3201G4051A181-Ⅱ、A266-ⅡA105C35、CK351.05011.1181DIN17200 45SF50S45CG3201G4051A266-ⅢC45、CK451.05031.1191DIN17200低合⾦钢锻件16Mn 17Mn4 1.0844 DIN17155 20MnMo15MnMoV20MnMoNb35CrMo SFCM3 G3221 AISI-E4135 34CrMo4 1.1200 DIN17200 32MnMoVB15CrMo SFHV22B G3213 A182-F12、A336-F12 13CrMo44 1.7355 DIN17175 12CrMoV SFHV23B G3213 A182-F11、A336-F11不锈耐热钢牌号对照(⼀)耐热钢棒牌号对照中国美国德国⽇本法国英国国际GB1221-92 AISI、ASTM DIN17440DIN17224JISNF A35-572/584NF A35-576~582BS 970BS 1449ISO683/13ISO683/165CrmN9Ni4N SUH35 349S52 8(注①) 2Cr21Ni2N2Cr23Ni13 309,S30900 SUH309 Z15CN24.13 309S242Cr25Ni20 310,S31000 CrNi2520 SUH310 12CN25.20 310S241Cr16Ni35 330 SUH330 Z12NCS35.160Cr15Ni25Ti2MoA1VB 660,K66286 SUH660 Z6NCTDV25.15B0Cr18Ni9 304,S30400 X5Cr189 SUS304 N6CN18.09 304S15 11 0Cr23Ni13 309S,S30908 SUS309S0Cr25Ni20 310S,S31008 SUS310S0Cr17Ni12Mo2 316,S31600 X5CrNiMo1810 SUS316 Z6CND17.12 316S16 20,20a 4Cr14Ni4W2Mo23Cr18Mn12Si2N2Cr20Mn9Ni2Si2NOCr19Ni13Mo3 317,S31700 SUS317 317S16 251Cr18Ni9Ti X10CrNiTi1890Cr18Ni10Ti 321,S32100 X10CrNiTi189 SUS321 Z6CNT18.10 321S12,321S20 150Cr18Ni11Nb 347,S34700 X10CrNiNb189 SUS347 Z6CNNb18.10 347S17 160Cr18Ni13Si4 XM15,S38100 SUSXM15J11Cr20Ni14Si21Cr25Ni20Si22Cr25N 446,S44600 SUH4460Cr13A1 405,S40500 X7CrA113 SUS405 Z6CA13 405S17 2 00Cr12 SUS410L1Cr17 430,S43000 X8CT17 SUS430 Z8C17 430S15 8 1Cr5Mo 5024CrSi2 Z45CS94CrSi2Mo Z40CSD108Cr20Si2Ni 443S65 SUH4 280CN20.02 4(注①) 1Cr11MoV1Cr12Mo2Cr12MoVNbN SUH600 Z20CDNbV111Cr2WMoV2Cr12NiMoWV 616 SUH6161Cr13 410 X10Cr13 SUS410 Z12C13 410S21 3 1Cr13Mo SUS410J12Cr13 420,S42000 X20Cr13 SUS420J1 Z20C13 420S37 4 1Cr17Ni2 431,S43100 X22CrNi17 SUS431 Z15CN16-02431S29 91Cr11NiW2MoV0Cr17Ni4Cu4Nb 630,S17400 SUS630 Z6CNU17.04 2(注②) 0CR17NI7A1 631,S17700 X7CrNiA1177 SUS631 N8CNA17.7 2(注②) 注①为ISO683/15中的牌号注②为ISO683/16中的牌号不锈耐热钢牌号对照(⼆)不锈钢棒牌号对照中国美国德国⽇本法国英国国际GB1220-92 AISI、ASTM DIN17440DIN17224JISNF A35-572NF A35-576~582NFA35-584BS 970BS 1449ISO683/13ISO683/161Cr17MN6Ni5N 201,S2010 SUS201 A-2 1Cr18Mn8Ni5N 202,S20200 SUS202 284S16 A-3 1Cr18Mn10Ni5Mo3N1Cr17Ni7 301,S30100 SUS301 Z12CN17.07 301S21 14 1Cr18Ni9 302,S30200 X12CrNi188 SUS302 Z10CN18.09302S25 12 Y1Cr18Ni9 303,S30300 X12CrNiS188 SUS303 Z10CNF18.09 303S21 17 Y1Cr18Ni9Se 303Se,S30323SUS303Se 303S41 17 0Cr18Ni9 304,S30400 X5CrNi189 SUS304 Z6CN18.09 304S15 11 00Cr19Ni10 304L,S30403X2CrNi189 SUS304L Z2CN18.09 304S12 10 0Cr19Ni9N SUS304N1 304N,S304510Cr19Ni10NbN XM21,S30452 SUS304N200Cr18Ni10N X2CrNiN1810 SUS304LN Z2CN18.10N1Cr18Ni12 305,A30500 X5CrNi1911 SUS305 Z8CN18.12 305S19 13 0Cr23Ni13 309S,S30908 SUS309S0Cr25Ni20 310S,S31008 SUS310S0Cr17Ni12Mo2 316,S31600 X5CrNiMo1810 SUS316 Z6CND17.12 316S16 20,20a 1Cr18Ni12Mo2 X10CrNiMoTi1810 Z8CNDT17.12 320S170Cr18Ni12Mo2Ti X10CrNiMoTi1810 Z6CNDT17.12 320S1700Cr17Ni14Mo2 316L,S31603 X2CrNiMo1810 SUS316L Z2CND17.12 316S12 19,19a 0Cr17Ni12Mo2N 316N,S31651 SUS316N00Cr17Ni13Mo2N X2CrNiMoN1812 SUS316LN Z2CND17.12N0Cr18Ni12Mo2Cu2 SUS316J100Cr18Ni14Mo2Cu2 SUS316JIL0Cr19Ni13Mo3 317,S31700 SUS317 317S16 25 00Cr19Ni13Mo3 317L,S31703 X2CrNiMo1816 SUS317L Z2CND19.15 317S12 24 1Cr18Ni12Mo3Ti0Cr18Ni12Mo3Ti0Cr18Ni16Mo5 SUS317J11Cr18Ni9Ti X10CrNiTi1890Cr18Ni10Ti 321,S32100 X10CrNiTi189 SUS321 Z6CNT18.10 321S12,321S20 15 0Cr18Ni11Nb 347,S34700X10CrNiNb189 SUS347 Z6CNNb18.10 347S17 16 0Cr18Ni9Cu3 XM7 SUSXM7 Z6CNU18.10 D32①0Cr18Ni13Si4 XM15,S38100 SUSXM15JI0Cr26Ni5Mo2 SUS329JI1Cr18Ni11Si4A1Ti00Cr18Ni5Mo3Si20Cr13A1 405,S40500 X7CrA113 SUS405 Z6CA13 405S17 2 00Cr12 SUS410L1Cr17 430,S43000 X8Cr17 SUS430 Z8C17 430S15 8 Y1Cr17 430F,S43020 X12CrMoS17 SUS430F Z10CF17 8a1Cr17Mo 434,S43400 X6CrMo17 SUS434 Z8CD17.01 434S19 9c 00Cr30Mo2 SUS44JI00Cr27Mo XM27,S44625 SUSXM27 Z01CD26.11Cr12 403,S40300 SUS403 403S171Cr13 410,S41000 X10Cr13 SUS410 Z12C13 410S21 3 0Cr13 410S X7Cr13 SUS410S Z6C13 403S17 1 Y1Cr131Cr13Mo SUS410JI2Cr13 420,S42000 X20Cr13 SUS420JI Z20C13 420S37 4 3Cr13 420,S45 SUS420J2 5 Y3Cr13 420F,S42020 US42FZ30CF133Cr13Mo4Cr13 X4DCr13 US420J2 Z40C13 5 1Cr17Ni2 431,S43100 X22CrNi17 SUS431 Z15CN16-02 431S29 9 7Cr17440A,A44002 US440A8Cr17 440B,S44003 USU440B9Cr18 440C X105CrMo17 SUS440C Z100CD1711Cr17 440C,S44004 SUS440C Z100CD17 A-1b Y11Cr17 440F,S44020 SUS440F9Cr18Mo 440C,S44004 SUS440C A-1b 9Cr18MoV 440B X90CrMoV18 SUS440B Z6CNND17.120Cr17Ni4Cu4Nb 630,S17400 SUS630 Z6CNU17.04 1②OCr17Ni7A1 631,S17700 X7CrNiAl177 SUS631 Z8CNA17.7 2②OCr15Ni7Mo2A1 632,S15700 Z8CND15.7 3②①为ISO4954中的牌号②为ISO683/16中的牌号合⾦结构钢牌号对照表⼀中国美国德国⽇本法国英国GB1591 GB/T1591ASTMDINJISNFBS09MnV Q295 09MnNb 09Mn212Mn 13Mn612MF418Nb Q345 09MnCuPTi 10MnSiCu 12MnV Q34514MnNb16Mn SA299Gr.1、Gr.2A SA455Ty.1、Ty.2SA414Gr.G17Mn4 19Mn5 19Mn6SPV32A52C1A52C2 A52CR1 A52CR21633GR.L16MnRE 10MnPNbRE15MnV Q390A255Gr.A A255Gr.B15MnV15MnTi 16MnNb 14MnVTiREQ42015MnVN合⾦结构钢牌号对照表⼆中国美国德国⽇本法国英国国际GB3077 AISI DIN JIS NF BS ISO 20Mn2 132020Mn5 SMn21 20M5 150M1930Mn2 1330 30Mn5 SMn24 32M5 150M28 35Mn2 1335 36Mn5 SMn1 35M5 150M36 40Mn2 13401341SMn2 40M545Mn2 1345 46Mn7 SMn3 45M5 50Mn2 1052 50Mn7 55M520MnV 20MnV630Mn2MoW27SiMn 27MnSi535SiMn 37MnSi5 38MS542SiMn 38MnSi446MnSi438MS520SiMn2MoV25SiMn2MoV37SiMn2MoV40B 14B35 35B245B 50B46H 45B250B 14B5040MnB 15B4145MnB 15B48 50B4420Mn2B20MnMoB 80B20 15MnVB20MnVB40MnVB20MnTiB 25MnTiBRE 20SiMnVB15Cr 5015511515Cr3 SCr21 12C3523A14523M1515CrA20Cr 5120 20Cr4 SCr22 18C318C420Cr420CrS430Cr 5130 28Cr4 SCr2 28C432C4530A30530A3235Cr 5135 34Cr437Cr4SCr3 38C4 530A36683/83、3a、3b40Cr 5140 38Cr441Cr4SCr4 42C4530A40530M40683/14、4a、4b45Cr 5145 42Cr4 SCR5 45C450Cr 5150515250C4 En4838CrSi12CrMo 4119 13CrMo44 12CD4 15CD2 15CrMoASTMA-387Gr.B15CrMo516CrMo44SCM21 15CD4.05 BS165320CrMo 4118 20CrMo522CrMo4CDS12CDS11030CrMo 4130 25CrMo4 SCM2 30CD4 CDS13 30CrMoA 32CrMo12 31CRMo1235CrMo 4135413734CrMo435CrMo4SCM3 35CD4 78A37683/1C35eaC35eb42CrMo 4140414241CrMo442CrMo4SCM440CD442CD4708M40708A42683/13709M40 12CrMoV35CrMoV 35CrMoV512Cr1MoV 13CrMoV4.225Cr2MoVA 24CrMoV5.525Cr2Mo1VA20CR3MoWVA 21CrVMoW1238CrMoA1 6370(AMS)34CrA1Mo541CrA1Mo7SACM645 40CAD6.12 905M3941CrA1Mo7420CrV 6120 22CrV4 22CrV440CrV 6140 42CrV 42CrV450CrVA 6150 50CrV4 SUP10 50CV4 735A50 15CrMn 16MnCr5 16MC5 20CrMn 5120 20MnCr5 SMC21 20MC540CrMn 5140 SMC320CrMnSi25CrMnSiSMK1(⼤同制钢)30CrMnSi30CrMnSiA35CrMnSiASMK2(⼤同制钢)20CrMnMo 4119 20CrMo5 SCM2340CrMnMo 414020CrMnTiSMK22(⼤同制钢)30CrMnTi 30MnCrTi420CrNi 3120 20NiCr6 20NC6 637A16 637M1740CrNi 3140 46NiCr6 SNC1 35NC6 640A35 640M4045CrNi 3145 45NiCr6 50CrNi 315012CrNi2 3115 14NiCr10 SNC21 10NC11 14NC1112CrNi3 3310 13NiCr12 SNC22 10NC1214NC12655A12655M1320CrNi3 22NiCr14 20NC1130CrNi3 28NiCr1031NiCr14SNC230NC1137CrNi3 35NiCr18 SNC3 35NC15 12Cr2Ni4 E3310 14NiCr18 12NC1520Cr2Ni4 E3316 22NiCr14 20NC14 659A15 659M1520CrNiMo 8620872020NiCrMo221NiCrMo220NCD2805A20805M2040CrNiMoA 4340984036NiCrMo440NiCrMo6SNCM835NCD540NCD3817M40816M40683/14、4a、4b45CrNiMoVA 4437 SNCM918Cr2Ni4WA25Cr2Ni4WA铸钢牌号对照(⼀)普通铸钢棒牌号对照中国美国德国⽇本法国英国GB AISI、ASTM DIN JIS NF BSZG1Cr13 CA-15(ACI) G-X8Cr14(1.4008)X15Cr13(1.4024)SUS1 Z12C 13M 410C21ZG2Cr3 CA-40(ACI) G-X20Cr14(1.4027) SUS2 Z20C 13M 420C24 ZGCr28 G-X70Cr29(1.4085)ZG00Cr18Ni10 CF-3(ACI)G-X2CrNi189(1.4306) SUS19 Z2CN18.10M 304C12 ZG0Cr18Ni9 CF-8(ACI)G-X6CrNi189(1.1308) SUS13 Z6CN18.10M 304C15 ZG1Cr18Ni9 CF-20(ACI)G-X10CrNi188(1.4312) SUS12 Z10CN18.9M 302C25 ZG0Cr18Ni9Ti CF-8C(ACI)G-X7CrNiNb189(1.4552) SUS21 Z6CNNb18.10MZG0Cr18Ni12Mo2Ti G-X10CrNiMoNb1810(1.4580)G-X5CrNiMoNb1810(1.4581)USU22 Z6CNDNb18.12MZG1Cr18Ni12Mo2Ti CB7-Cu(ACI) G-X10CrNiMoNb1810(1.4580)ZG0Cr17Ni4CU4Nb SUS24ZG2Cr13Ni G-X2Cr14(1.4027) SUS2 Z20C13M 420C29 铸钢牌号对照(⼆)耐热铸钢棒牌号对照中国美国德国⽇本法国英国GB AISI、ASTM DIN JIS NF BS ZG5Cr25Ni2 HC(ACI) G-X40CrSi29(1.4776) SCH2ZG3Cr18Ni25Si2 HN(ACI) SCH19ZG1Cr25Ni20Si2 HK30(ACI) G-X15CrNi2520(1.4840) SCH1ZG4Cr25Ni@0Si2 HK40(ACI) G-X40CrNiSi2520(1.4848) SCH22 310C40 ZG0Cr13Ni4Mo Z6CND13.04ZG4Cr25Ni35Si2 HP(ACI) G-X45NiCrSi3525(1.4857)ZG4Cr28Ni48W5Si2 G-X40NiCrW4828注:1、对照表中所列中国钢号包括ZB26-62标准钢号2、耐热铸钢对照表中所列中国钢号包括ZB26-62标准钢号和⼚标钢号⽯油化⼯管道常⽤钢管(国产)材料及使⽤温度范围钢管标准名称钢管标准号材料牌号外径或公称直径/㎜使⽤温度/℃输送流体⽤⽆缝管GB/T1863 10 6—630 -20~425 ⽯油裂化⽤⽆缝管GB9948 10 10~273 -20~425 化肥设备⽤⾼压⽆缝管GB6479 10 14×4~273×40 -4~400输送流体⽤⽆缝管GB/T1863 20 6~630 -20~425 ⽯油裂化⽤⽆缝管GB9948 20 10~273 -20~425 输送流体⽤⽆缝管GB/T1863 16Mn 6~630 -20~425 化肥设备⽤⾼压⽆缝管GB6479 16Mn 14×4~273×40 -40~400 化肥设备⽤⾼压⽆缝管GB6479 16MnD 14×4~273×40 -40~250 化肥设备⽤⾼压⽆缝管GB6479 9Mn2VD 14×4~273×40 -50~100 化肥设备⽤⾼压⽆缝管GB6479 9MnNiD 14×4~273×40 -70~100 ⽯油裂化⽤⽆缝管GB9948 12CrMo 10~273 ≤525化肥设备⽤⾼压⽆缝管GB6479 12CrMo 14×4~273×40 ≤525⽯油裂化⽤⽆缝管GB9948 15CrMo 10~273 ≤550化肥设备⽤⾼压⽆缝管GB6479 15CrMo 14×4~273×40 ≤550⾼压锅炉⽤⽆缝管GB5130 12Cr1MoVG 10~530 ≤575化肥设备⽤⾼压⽆缝管GB6479 12Cr2Mo 14×4~273×40 ≤575化肥设备⽤⾼压⽆缝管GB6479 1Cr5Mo 14×4~273×40 ≤600⽯油裂化⽤⽆缝管GB9948 1CT5Mo 10~273ASTM A335Cr.P11 1?Cr?Mo ≤540 ASTM A335Cr.P22 2?Cr1Mo ≤560输送流体⽤不锈钢⽆缝管GB/T14976 0Cr13 6~426 ≤500输送流体⽤不锈钢⽆缝管GB/T14976 0Cr18Ni9 6~426 -196~700 锅炉热交换器⽤不锈钢⽆缝管GB13296 0Cr18Ni9 -196~700 输送流体⽤不锈钢⽆缝管GB/T14976 0Cr17Ni12Mo2 6~426 -196~700 输送流体⽤不锈钢⽆缝管①GB/T149760Cr18NiMo2Ti 6~426 -196~500 输送流体⽤不锈钢⽆缝管①GB/T14976 0Cr19Ni13Mo3 6~426 -196~700 输送流体⽤不锈钢⽆缝管①GB/T14976 00Cr19Ni10 6~426 -196~425 输送流体⽤不锈钢⽆缝管①GB/T14976 00Cr19Ni14Mo2 6~426 -196~450 输送流体⽤不锈钢⽆缝管①GB/T14976 00Cr19Ni13Mo3 6~426 -196~450低压流体输送⽤镀锌焊接钢管低压流体输送⽤焊接钢管GB/T3091GB/T3092(Q195,Q215A)Q235,Q215B6(1/8″)~150(6″)外径≥114.3㎜0~100螺旋缝埋弧焊钢管符合GB/T9711.1的要求钢级 L210-L555 ≤300电阻焊碳钢直缝钢管≤200电弧焊直缝钢管≤425 此种钢尚有GB13296锅炉、热交换器⽤不锈钢⽆缝管。
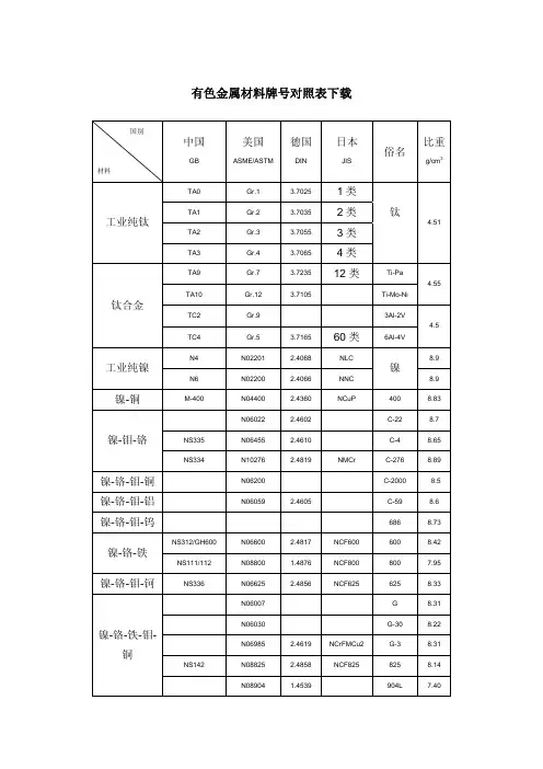
常用金属材料中外牌号对照黑色金属材料牌号对照分类中 国美 国英 国日 本法 国德 国GB (YB )AISISAEB.S. JIS NF DIM 碳素结构钢 08 08F 10 10F15 15F 20 20F 30 45 1008 1006 EN2A/1 EN2A/1 EN2A EN2A EN2E EN2B EN3A EN2C EN4 EN8 S9CK SPCH1 S10C SPH2 S15C S20C SPH3 S30C S45C XC10 XC12 XC18 XC32 XC45 C10,CK10C15,CK15C20,C22C45,CK45 C1012 C1010 C1015 C1020 C1020 C1030 C1045 1010 1010 1015 1020 1020 1030 1045 合 金 结构钢15Mn 20Mn 30Mn 50Mn 20Mn230Mn240Mn250Mn220MnVC1115 C1022 C1033 C10521115 1022 1033 1052 En14A En3C,4S21 En5D,En5K En43A,En43B,En43C En41A,S92,S5143T35,3T45S92,S514,3T35,3T45~En15A—SB46 — — — ————XC12 XC18 XC32 XC48 — 32M5 40M5 ~55M514Mn4 — — — 20Mn5 30Mn5 — — 20MnV61320,132113301340——42MnV 15Cr 20Cr 40Cr 50Cr5115— ~En206 En207 En18,S117 En48— SCr21 SCr22 SCr4 —— — 12C3 18C3 38C4 —42MnV7 15Cr3 20Cr4 41Cr4 —5120 5140 5150,5152 (续)分类中 国 美 国英 国 日 本 法 国 德 国 GB (YB ) AISISAEB.S. JIS NF DIM 合金 结构 钢15CrMn 20CrMn 40CrMn 25CrMnSi 30CrMnSi 35CrMnSiA 20CrV40CrV 45CrV 18CrMnTi 30CrMnTi 40CrMnTi12CrMo— — — — — — 6120 6140 6145— — — — — — En501501-620CrB— — — — — —16MC5 20MC5 — — — —12CD416MCr5 20MCr5 — — — — 22CrV4 42CrV413CrMo44~41194118 41194130E4132 E413520CrMo 30CrMo 35CrMo22CrMnMo 40CrMnMo24CrMoV35CrMoV 30Cr2MoV 25Cr2Mo1VA 30Cr2Ni2WVA 38CrMoAlA 38CrWVAlA38CrAlA~411941406470E(AMS)CDS12,CDS110En19BEn19CEn40C,S106En41BEn40CSCM22SCM2SCM3SACMI18CD435CD430CD1245CAD6-1220CrMo534CrMo424CrMoV5535CrMoV530CrMoV934CrAlMo534CrAl(续)分类中国美国英国日本法国德国GB(YB)AISI SAE B.S. JIS NF DIM合金结构钢12CrNi2A12CrNi3A12Cr2Ni4AE3310,3310,3310H2515,2515HEn36A,En36BEn39A,En39BSNC21SNC2216NC1114NC1212NC1514NiCr1014NiCr1430CrNi3A 37CrNi3A 18Cr2Ni4WA 40CrNiWA 30Cr2Ni2WVA 40CrNiMoA 40B 45B 40MnB 45MnB 20CrMnB 40CrMnB3435 4340 ~TS14B35 50B46H ~TS14B35H ~TS14B50H 50B20 50B40HEn110,S95,S118 SNC2 SNCM830NC11 35NCD5 28NiCr1036CrNiMo4 弹簧钢6575 60Mn 60SiMn 65Mn 50Si2Mn 55Si2Mn 50CrVAC1065 1065En43EEn43J En45A En43EEn45,1429 En47 SUP2,SWR7SUP3,SWR9 SUP6 SUP10 XC65~XC70,XC80 ~45S7 55S6 50CV4 CK67C75,MK75 60SiMn6 51Si7 55Si7 50CrV4 107410609260 C10651065 9255 6150 碳素工具钢 T7A T8 T8A T10W1-0.8CW1-0.8C-Special W1-1.0C D1 D1SKU3 SK3XC65 fins XC85courants XC85 fins XC85 fins XC95finsC70W1 C85W2 C85W1 C100W2(续)分类中 国 美 国 英 国 日 本 法 国 德 国 GB (YB )AISI SAEB.S.JISNFDIM 碳素工具钢T10AT12T12A T8MnAW1-1.0C-Special W1-1.2C W1-1.2C- SpecialD1SK2,SKU2 SK5 XC95extra-fins XC120fins XC120extra-finsC100W1 C115W2 C110W1 C85WS合金工具钢9Mn2V6SiCr9SiCr 4SiCrV Cr2 Cr06 Cr12 CrMn 5CrMnMo 5CrNiMo CrWS Cr12W 3Cr2W8V CrWMn 5CrW2Si Cr12MoV W W202 L1 L4 V1G(AMS) L6 D 6~ H21 D3 F1Steel for clod working Al AlW-Cr Steel for clod working C Type (A)2 SKS8 SKD1 SKT5 SKT4 SKS1 SKD 2~ SKD5 SKS31 SKS41~ SKD11 SKU8 SKS7 80M8 100C6 Z200C12 80M8 55NCD7-03 65NCDV06-02 120WC45-02Z30WC09-03 80M845WC20-40 Z200C12 100WC15-04~90MnV8 64SiCr5 90CrSi5 45SiCrV6 105Cr5 110Cr2 X210Cr12 145Cr6 40CrMnMo7 55NiCrMoV6 X130W5 X210CrW12 X30WCrV9-3 105WCr6X165CrMoV12 120W4 115W8 高速钢W9Cr4V2 W18Cr4V W12Cr4V4Mo W6Mo5Cr4V2 W2Mn9Cr4VCo8T7 T1 M2 M42(A)14%W (A)18%WSKH6 SKH2 SKH9Z70WD12 Z80W18 Z125WV,15-WABC S18-0-1,B18 S112-1-4,EV4 3343(续)分类中 国美 国英 国日 本法 国德 国GB (YB )AISISAEB.S.JIS NFDIM不锈钢1Cr17Mn6Ni5N 1Cr18Mn8Ni4 2Cr13Mn9Ni4201,S20100 202,S20200284S16 SUS201 SUS2021Cr17Ni71Cr17Ni81Cr18Ni91Cr18Ni9Si30Cr19Ni900Cr9Ni110Cr19Ni9N0Cr19Ni10NbN00Cr18Ni10N1Cr18Ni120Cr23Ni130Cr25Ni200Cr17Ni12Mo200Cr17Ni14Mo20Cr17Ni12Mo2N 00Cr17Ni13Mo2N 0Cr18Ni12Mo2Ti1Cr18Ni12Mo2Ti0Cr18Ni12Mo2Cu2 00Cr18Ni14Mo2Cu2 0Cr18Ni12Mo3Ti1Cr18Ni12Mo3Ti0Cr19Ni13Mo300Cr19Ni13Mo3 301,S30100302,S30200302B,S30215304,S30400304L,S03403304N,S30451XM21,S30452305,S30500309S,S30908310S,S31008316,S31600316L,S31603316N,S31651317,S31700317L,S31703301S21302S25304S15304S12305S19316S16316S12320S17317S16317S12SUS301SUS301JISUS302SUS302BSUS304SUS304LSUS304N1SUS304N2SUS304LNSUS305SUS309SSUS310SSUS316SUS316LSUS316NSUS316LNSUS316JISUS316JILSUS317SUS317LZ12CN17.07Z10CN18.09Z6CN18.09Z2CN18.09Z2CN18.10NZ18CN18.12Z6CND17.12Z2CND17.12Z2CND17.12NZ6CNDT17-12Z6CNDT17-13Z2CND19.15X12CrNi177X12CrNi188X5CrNi189X2CrNi189X2CrNiN1810X5CrNi1811X5CrNiMo1810X2CrNiMo1810X2CrNiMoN1812X10CrNiMoTi1810X2CrNiMo1816(续)不锈钢0Cr18Ni16Mo50Cr18Ni11Ti1Cr18Ni9Ti0Cr18Ni11N60Cr18Ni13Si400Cr18Ni5Mo3Si21Cr18Ni11Si4AlTi1Cr21Ni5Ti0Cr21Ni5Mo20Cr13Al00Cr121Cr151Cr1700Cr171Cr17Mo00Cr17Mo00Cr18Mo200Cr30Mo200Cr27Mo1Cr121Cr130Cr132Cr133Cr133Cr16321,S32100347,S34700XM15,S38100405,S40500429,S42900430,S43000434,S4340018Cr2MoXM27,S44625403,S40300410410S,S41000420,S42000321S20347S17405S17430S15434S19403S17410S21420S37420S45SUS317JISUS321SUS347SUSXM15JISUS329JISUS405SUS410LSUS429SUS430SUS430LXSUS434SUS436LSUS444SUS447J1SUSXM27SUS403SUS410SUS410SSUS420J1SUS420J2SUS429J1Z6CNT18.10Z6CNNb18.10Z6CA13Z8C17Z8CD17.01Z01CD26.1Z12C13Z6C13Z20C13X10CrNiTi189X10CrNiTi189X10CrNiNb189X7CrA113X8Cr17X6CrMo17X10Cr13X7Cr13X20Cr1308X18H10T12X18H10T08X18H12T15X18H12-C4T101X21H5T12X1712X1308X1320X1330X13分类中国美国英国日本法国德国GB(YB)ASTM,(SAE) B.S. JIS NF DIM工业纯铝1070A10601050A103512008A0610801070,1060EC10501030110012001A1B1CA1080A1070A105A1100A1200A5A4(A199.6)A199.5A99防锈铝5A025A035A055A063A215040505251545056505653563003N4N5N6N7N6N3A-5052A-5154A-5056A-5056A-3003A-G2A-G3A-G5A-G5A-M1AlMg2AlMg3AlMg5AlMg5AlMn硬铝2A012A022A042A062B112B122A102A112A122A132A162A172117201720242017202422192021L86H14DTDA2117A2017A2024A2017A2024A-U2GA-U4GA-U4G1A-U4GA-U4G1A-U6MTAlCuMg0.5AlCuMg1AlCuMg2AlCuMg1AlCuMg2锻铝6A022A502B502A802A902A1460636061261820182014H9H20H11H16H15A6063A6061A2N01A2018A2014A-GSA-U2GNA-U2NA-U4NA-U4SGAlMgSi0.5AlMgSiCuAlCuSiMg超硬铝7A037A047A097075707670497075A7075A7075A-Z5GUA-Z8GUA-Z5GUAlZnMg1.5AlZnMgCu1.5变形镁合金MB1MB2MB3MB4MB6MB7MB8MB15AIMIAAZ31CAZ61AA280XAK60ADTD737,142,118MAG111MAG12188BDTD5031,5041M1M2AZ61AAZ80AAK60AMgAl3ZnMgAl6ZnMgAl7ZnAM537工业纯钛TA1TA2TA3Ti-35ATi-50ATi-65AIMI115IMI125IMI135KS50KS60KS85钛合金TA4TA5TA6TA7TA8TB1Ti-2AlTi-5Al-2Sn IMIB6 KS115AS钛合金TB2TC1TC2TC3TC4TC5TC6TC7TC8TC9TC10Ti-6A-4VTi-6A-6V-2SnIMI315IMI137 T-A6VT-A6V6Sn2铜T3T4TU1TU2101102 C103EOFCuPOF-CuP黄铜H90H80H70H62HPb63-3HPb59-1HSn70-1HSn62-1HAl60-1-1HMn58-2HFe59-1-1220240260280353443462DTD713,CZ101DTD711,CZ103CZ106CZ119216CZ111CZ112RBs2RBs4BsP1Bs3PbBs13BsTF1NbsBE1Ms90Ms80Ms70Ms63PMs58SoMs71青铜QSn4-3QSn4-4-4QSn6.5-0.1QSn6.5-0.4QSn7-0.2QAl9-2QAl9-4QAl10-3-1.5QAl10-4-4QBe2QBe1.7QBe1.9B139BZB139,B159519AMS4640172170407-32033BC6PBB2AB1AB5BeCu2BeCuP1MSnBZ4MSnBZ4PbSnBZ6NiAlBZ中日板(带)材表示方法对照序号中日板材类别日本标准牌号备注1 冷轧薄钢板SPC SPCCSPCDSPCESPCEN 普通用途冷轧板或带拉深用深拉深用深拉深用(无时效)2 热轧薄钢板(带)SPH SPHCSPHDSPHE 普通用途热轧钢板(带)拉深用深拉深用3 冷轧不锈钢板(带)热轧不锈钢板(带)SUS××CP(SUS××CS)SUS××HP(SUS××HS)××为具体钢种代号数字(下同)4 镀锌薄钢板SPG SPG1SPG2SPG3SPG4 一般用途弯曲加工用拉深用结构件用百度文库- 让每个人平等地提升自我!11 5 镀锡薄钢板SPT SPTESPTE-DSPTH电镀锡板差后电镀锡板热电镀锡板6 冷轧电工钢板热轧电工钢板S××S××F7 铝板铝带铝板铝带A××PA××R-0材-41H材-21H材-43H材-H材-R材软质41硬21硬43硬硬质冷轧后自然时效8 铜板(带)纯铜板(带)黄铜板(带)磷青铜板(带)锌白铜板(带)白铜板(带)RBSP(RBSR)BSP(BSR)PBP(PBR)NSP(NSR)CNP(CNR)9 钛板TP。
金属材料牌号对照表表1材料种类牌号表示法碳素钢碳素结构钢由代表屈服点的字母Q、屈服点数值、质量等级符号、脱氧方法符号四部分顺序组成。
质量等级分四级:A、B、C、D脱氧方法:F(沸腾钢)、b(半镇静钢)、Z(镇静钢)、TZ(特殊镇静钢)四种,通常Z和TZ可省略例:Q235-AF优质碳素结构钢用两位数字表示钢平均含碳量的万分数。
例:45钢分为普通含锰量(WMn≤0.7%)和较高含锰量(WMn=0.7%~1.2%)两类。
含锰量较高的钢在两位数字后面加“Mn”字。
例:65Mn钢高级优质钢,数字后加“A”;特级优质钢,加“E”碳素工具钢用“碳”的汉语拼音字首“T”加数字表示,数字表示钢的平均均含碳量的千分数。
数字后加“A”为高级优质钢,加“Mn”表示含锰量较高例:T12铸钢用“ZG”表示—分别为“铸、钢”拼音首字母。
牌号有两种表示方法:以强度表示时,在“ZG”后面有两组数字,第一组数字表示该牌号屈服点的最低值,第二组数字表示其抗拉强度的最低值,两组数字间用“-”隔开。
例:ZG230-450。
以化学成分表示铸钢牌号时,在“ZG”后面的数字表示铸钢平均碳含量的万分数。
平均碳含量>1%时不标出,平均碳含量<0.1%时,其第一位数字为“0”。
在含碳量后面排列各主要合金元素符号,每个元素符号后面用整数标出含量的百分数。
例:ZG15Cr1MolV。
合金钢由含碳量数字+合金元素+合金元素含量…+汉语拼音字母(首或尾)组成前面数字为两位时表示平均含碳质量分数的万分数;为一位数时表示平均含碳质量分数的千分数;钢中所含的合金元素用化学符号表示,后面的数字表示合金元素平均含量的百分数,当合金平均含量小于 1.5%时不标注数字。
特例:1、低合金高强度钢——“Q”+数字(σs);2、轴承钢——“G”+合金元素+数字+…~~~~~数字表示合金元素平均含量的千分数;例:60Si2Mn1Cr13GCr15表2材料种类组织、牌号表示法铸铁灰铸铁组织三类:铁素体基体、铁素体-珠光体基体、珠光体基体的灰铸铁牌号用“HT+数字”表示。
金属材料代号和牌号大全内容来源网络,由深圳机械展收集整理!更多相关金属材料及金属加工设备展示,就在深圳机械展!钢种中国GB 日本JIS 美国ASTM 德国牌号牌号标准号钢号钢号材料号标准号碳素钢板Q235-F SS41 G3101 A36 USt37-2 1.0112 DIN17100Q235 SS41 G3101 A283-C RSt37-2 1.0114 DIN17100Q255A SS50 G3101 A283-D (RSt42-2) 1.0134 DIN17100 (A3R) SPV24 G3115 A285-C20g SB42 G3103 A515.Cr60 HⅡ 1.0425 DIN17155 (15g) SB35 G3103 A515.Cr55 HⅠ 1.0345 DIN17155(25g) SB46 G3103 A515.Cr65 HⅢ 1.0435 DIN17155 25 SM41A G3103 DIN17100低合金钢板16Mn SM50-B.C G3106 St52-3 1.0841 DIN17155 16MnR SM41B G3106 A299/A537-Ⅰ.Ⅱ17Mn419Mn51.08411.804516MngC SPV36 G3115 St52-315MnVRSPV36(WELTEN50)G3115 A225Gr.A.B WStE39 1.893015MnVgC (A633-GR.B)15MnVNTR (K-TEN62M) A302-GR.B18MnMoNbR A533-Gr.A.I耐热钢板16Mo SB46M G3103 A204-Gr A.B 15 Mo3 1.5414 DIN17155 12CrMo SCMV1 G4109 A387-Gr.215CrMo SCMV2 G4109 A387-Gr.12 13 CrMo44 1.7335 DIN17155 12Cr2Mo1 SVMV4 G4109 A387-Gr.22 10 Mo910 1.7362 DIN17155低温钢板16MnR SLA24B G3126 A516-Gr55 TTSTE26 1.0463 SEW089 15MnVR SLA33A A516-Gr60 TTSTE29 1.048815MnVNTRA516-Gr65A516-Gr70TTSTE32TTSTE361.08511.085909Mn2VR A203-GrA.BTTST41VTTST35V1.0437 SEW680 (06A1NbCuN) A203-GrD.E 10Ni14 1.5637 SEW680不锈耐酸钢板(20mN23a1)A553-Gr.Ⅰ.ⅡA353X8Ni9 1.5662 SEW6800Cr13SUS405SUS410SG4304G4305A320-405A320-410SX7Cr13 1.4000 DIN17440 (1Cr13)SUS403SUS410G4304G4305A320-403A320-410X10Cr13 1.4006DIN17440 (1Cr17) SUS430G4304G4305A320-430 X8Cr17 1.4016DIN17440 0Cr18Ni9 SUS304G4304G4305A320-304 X5CrNi189 1.4301DIN17440 (1Cr18Ni9) SUS302G4304G4305A320-302 X5CrNi189 1.4301DIN174400Cr18Ni9Ti1Cr18Ni9TiSUS321G4304G4305A320-321 X10CrNiTi189 1.4541DIN17440 0Cr18Ni12Mo2Ti SUS316G4304G4305A320-3160Cr18Ni12Mo3Ti SUS317G4304G4305A320-31700Cr18Ni10 SUS304LG4304G4305A320-304L X2CrNi189 1.4306DIN17440 00Cr17Ni14Mo2 SUS316LG4304G4305A320-316L X2CrNiMo1810 1.4404DIN17440 00Cr17Ni14Mo3 SUS317LG4304G4305A320-317L(1Cr18Ni11Nb) SUS347 G4304G4305A320-347 X10CrNiNb189 1.4550 DIN17440Cr15Ni20 SUS310 G4304G4305A320-310钢管金属材料牌号对照钢种中国GB 日本JIS 美国ASTM 德国牌号牌号标准钢号钢号材料号标准号碳素钢管(Q235)GGPSTPY41G3452G3457(A53钢种F)A283-D(St33) 1.0033 DIN1626 10STPG38 G3454 A135-A (St37) 1.0110 DIN1626STPG38 G3456 A106-A St37-2 1.0112 DIN17175STS38 G3455 St35.8 1.0305 DIN1629/4STB30 G3461 A179-C St35.8 1.0305 DIN17175STB33 G3461 A192 St35.8 1.0305 DIN17175STB35 G3461 St35.8 1.0305 DIN17175 20STPG42 G3454 A315-B (St42) 1.0130 DIN1626STPT42 G3456 A106-B St45-8 1.0405 DIN17175STB42 G3461 A106-B St45-8 1.0405 DIN17175STS42 G3455 A178-C St45-4 1.0309 DIN1629/4低合金16MnSTS49STPT49G3455G3456A210-CSt52.4St521.08321.0831DIN1629/4DIN1629/3 15MnV STBL39 G3464低温钢16Mn STPL39 G3460 A333-1.6 TT St35N 1.0356 SEW680 15MnV STBL39 G3464 A334-1.609Mn2V A333-7.9 TT St35N 1.0356 SEW680 (06A1NbCuN) STPL46 G3460 A333-3.4 10Ni14 1.5637 SEW680 (20Mn23A1) A333-8 X8Ni9 1.5662 SEW680耐热钢16MoSTPA12STBA12、13G3458G3462A335-P1、A369-FP1A250-T1、15Mo3 1.5414 DIN1717512CrMo STBA20 G3462 A335-P2、15CrMo STPA22 G3458 A335-P12、13CrMo44 1.7335 DIN17175 12Cr1MoV STPA23 G3458 A335-P11、Cr2Mo STPA24 G3458 A335-P22、10CrMo910 1.7380 SEW610管Cr5Mo STPA25 G3458 A335-P5、12CrMo195 1.7362 DIN17175不锈耐酸钢管(1Gr13)SUS410TPG3463 A268 TP410 X10Cr13 1.4006 DIN17440(2Cr13) (SISI 420) X20Cr13 1.4021 DIN17440 (1Cr17) SUS430 G3463 A268 X8Cr17 1.4016 DIN17440 0Cr18Ni9 SUS304 G3459 A312、X5CrNi189 1.4301 DIN17440 (1Cr18Ni9) X5CrNi189 1.4301 DIN17440 0Cr18Ni10Ti SUS321 G3459 A312、A376 X10CrNiTi189 1.4541 DIN17440 0Cr18Ni13Mo2Ti SUS316 G3459 A312、A3760Cr18Ni13Mo3Ti SUS317 G3459 A312、A37600Cr18Ni10 SUS304L G3459 A312、A376 X2CrNi189 1.4306 DIN17440 00Cr17Ni13Mo2 SUS316L G3459 A312、A376 X2CrNi810 1.4404 DIN17440 00Cr17Ni13Mo3 SUS317L G3459 A312、锻件金属材料牌号对照钢种中国GB 日本JIS 美国ASTM 德国牌号牌号标准号钢号碳素钢锻件20SF34S20CG3201G4051A105、A181-ⅠC22、CK221.0402101151DIN17200 25SF40S25CG3201G4051A181-Ⅰ、A266-Ⅰ35SF45S35CG3201G4051A181-Ⅱ、A266-ⅡA105C35、CK351.05011.1181DIN17200 45SF50S45CG3201G4051A266-ⅢC45、CK451.05031.1191DIN17200低合金钢锻件16Mn 17Mn4 1.0844 DIN17155 20MnMo15MnMoV20MnMoNb35CrMo SFCM3 G3221 AISI-E4135 34CrMo4 1.1200 DIN17200 32MnMoVB15CrMo SFHV22B G3213 A182-F12、A336-F12 13CrMo44 1.7355 DIN17175 12CrMoV SFHV23B G3213 A182-F11、A336-F11不锈耐热钢牌号对照(一)耐热钢棒牌号对照中国美国德国日本法国英国国际GB1221-92 AISI、ASTM DIN17440DIN17224JISNF A35-572/584NF A35-576~582BS 970BS 1449ISO683/13ISO683/165CrmN9Ni4N SUH35 349S52 8(注①) 2Cr21Ni2N2Cr23Ni13 309,S30900 SUH309 Z15CN24.13 309S242Cr25Ni20 310,S31000 CrNi2520 SUH310 12CN25.20 310S241Cr16Ni35 330 SUH330 Z12NCS35.160Cr15Ni25Ti2MoA1VB 660,K66286 SUH660 Z6NCTDV25.15B0Cr18Ni9 304,S30400 X5Cr189 SUS304 N6CN18.09 304S15 11 0Cr23Ni13 309S,S30908 SUS309S0Cr25Ni20 310S,S31008 SUS310S0Cr17Ni12Mo2 316,S31600 X5CrNiMo1810 SUS316 Z6CND17.12 316S16 20,20a 4Cr14Ni4W2Mo23Cr18Mn12Si2N2Cr20Mn9Ni2Si2NOCr19Ni13Mo3 317,S31700 SUS317 317S16 25 1Cr18Ni9Ti X10CrNiTi1890Cr18Ni10Ti 321,S32100 X10CrNiTi189 SUS321 Z6CNT18.10 321S12,321S20 15 0Cr18Ni11Nb 347,S34700 X10CrNiNb189 SUS347 Z6CNNb18.10 347S17 16 0Cr18Ni13Si4 XM15,S38100 SUSXM15J11Cr20Ni14Si21Cr25Ni20Si22Cr25N 446,S44600 SUH4460Cr13A1 405,S40500 X7CrA113 SUS405 Z6CA13 405S17 2 00Cr12 SUS410L1Cr17 430,S43000 X8CT17 SUS430 Z8C17 430S15 8 1Cr5Mo 5024CrSi2 Z45CS94CrSi2Mo Z40CSD108Cr20Si2Ni 443S65 SUH4 280CN20.02 4(注①) 1Cr11MoV1Cr12Mo2Cr12MoVNbN SUH600 Z20CDNbV111Cr2WMoV2Cr12NiMoWV 616 SUH6161Cr13 410 X10Cr13 SUS410 Z12C13 410S21 3 1Cr13Mo SUS410J12Cr13 420,S42000 X20Cr13 SUS420J1 Z20C13 420S37 4 1Cr17Ni2 431,S43100 X22CrNi17 SUS431 Z15CN16-02 431S29 91Cr11NiW2MoV0Cr17Ni4Cu4Nb 630,S17400 SUS630 Z6CNU17.04 2(注②) 0CR17NI7A1 631,S17700 X7CrNiA1177 SUS631 N8CNA17.7 2(注②) 注①为ISO683/15中的牌号注②为ISO683/16中的牌号不锈耐热钢牌号对照(二)不锈钢棒牌号对照中国美国德国日本法国英国国际GB1220-92 AISI、ASTM DIN17440DIN17224JISNF A35-572NF A35-576~582NFA35-584BS 970BS 1449ISO683/13ISO683/161Cr17MN6Ni5N 201,S2010 SUS201 A-2 1Cr18Mn8Ni5N 202,S20200 SUS202 284S16 A-3 1Cr18Mn10Ni5Mo3N1Cr17Ni7 301,S30100 SUS301 Z12CN17.07 301S21 14 1Cr18Ni9 302,S30200 X12CrNi188 SUS302 Z10CN18.09 302S25 12 Y1Cr18Ni9 303,S30300 X12CrNiS188 SUS303 Z10CNF18.09 303S21 17 Y1Cr18Ni9Se 303Se,S30323 SUS303Se 303S41 17 0Cr18Ni9 304,S30400 X5CrNi189 SUS304 Z6CN18.09 304S15 11 00Cr19Ni10 304L,S30403 X2CrNi189 SUS304L Z2CN18.09 304S12 10 0Cr19Ni9N SUS304N1 304N,S304510Cr19Ni10NbN XM21,S30452 SUS304N200Cr18Ni10N X2CrNiN1810 SUS304LN Z2CN18.10N1Cr18Ni12 305,A30500 X5CrNi1911 SUS305 Z8CN18.12 305S19 13 0Cr23Ni13 309S,S30908 SUS309S0Cr25Ni20 310S,S31008 SUS310S0Cr17Ni12Mo2 316,S31600 X5CrNiMo1810 SUS316 Z6CND17.12 316S16 20,20a 1Cr18Ni12Mo2 X10CrNiMoTi1810 Z8CNDT17.12 320S170Cr18Ni12Mo2Ti X10CrNiMoTi1810 Z6CNDT17.12 320S1700Cr17Ni14Mo2 316L,S31603 X2CrNiMo1810 SUS316L Z2CND17.12 316S12 19,19a 0Cr17Ni12Mo2N 316N,S31651 SUS316N00Cr17Ni13Mo2N X2CrNiMoN1812 SUS316LN Z2CND17.12N0Cr18Ni12Mo2Cu2 SUS316J100Cr18Ni14Mo2Cu2 SUS316JIL0Cr19Ni13Mo3 317,S31700 SUS317 317S16 25 00Cr19Ni13Mo3 317L,S31703 X2CrNiMo1816 SUS317L Z2CND19.15 317S12 24 1Cr18Ni12Mo3Ti0Cr18Ni12Mo3Ti0Cr18Ni16Mo5 SUS317J11Cr18Ni9Ti X10CrNiTi1890Cr18Ni10Ti 321,S32100 X10CrNiTi189 SUS321 Z6CNT18.10 321S12,321S20 15 0Cr18Ni11Nb 347,S34700 X10CrNiNb189 SUS347 Z6CNNb18.10 347S17 16 0Cr18Ni9Cu3 XM7 SUSXM7 Z6CNU18.10 D32①0Cr18Ni13Si4 XM15,S38100 SUSXM15JI0Cr26Ni5Mo2 SUS329JI1Cr18Ni11Si4A1Ti00Cr18Ni5Mo3Si20Cr13A1 405,S40500 X7CrA113 SUS405 Z6CA13 405S17 2 00Cr12 SUS410L1Cr17 430,S43000 X8Cr17 SUS430 Z8C17 430S15 8 Y1Cr17 430F,S43020 X12CrMoS17 SUS430F Z10CF17 8a 1Cr17Mo 434,S43400 X6CrMo17 SUS434 Z8CD17.01 434S19 9c 00Cr30Mo2 SUS44JI00Cr27Mo XM27,S44625 SUSXM27 Z01CD26.11Cr12 403,S40300 SUS403 403S171Cr13 410,S41000 X10Cr13 SUS410 Z12C13 410S21 3 0Cr13 410S X7Cr13 SUS410S Z6C13 403S17 1 Y1Cr131Cr13Mo SUS410JI2Cr13 420,S42000 X20Cr13 SUS420JI Z20C13 420S37 4 3Cr13 420,S45 SUS420J2 5 Y3Cr13 420F,S42020 US42F Z30CF133Cr13Mo4Cr13 X4DCr13 US420J2 Z40C13 5 1Cr17Ni2 431,S43100 X22CrNi17 SUS431 Z15CN16-02 431S29 9 7Cr17 440A,A44002 US440A8Cr17 440B,S44003USU440B 9Cr18 440C X105CrMo17SUS440C Z100CD17 11Cr17 440C,S44004 SUS440C Z100CD17A-1b Y11Cr17 440F,S44020 SUS440F 9Cr18Mo 440C,S44004SUS440C A-1b 9Cr18MoV 440B X90CrMoV18SUS440B Z6CNND17.12 0Cr17Ni4Cu4Nb 630,S17400 SUS630 Z6CNU17.04 1② OCr17Ni7A1 631,S17700 X7CrNiAl177SUS631Z8CNA17.7 2② OCr15Ni7Mo2A1632,S15700Z8CND15.73②①为ISO4954中的牌号 ②为ISO683/16中的牌号合金结构钢牌号对照表一中国美国德国日本法国英国GB1591 GB/T1591ASTMDINJISNFBS09MnV Q295 09MnNb 09Mn212Mn 13Mn612MF418Nb Q345 09MnCuPTi 10MnSiCu 12MnV Q34514MnNb16Mn SA299Gr.1、Gr.2A SA455Ty.1、Ty.2SA414Gr.G17Mn4 19Mn5 19Mn6SPV32A52C1A52C2 A52CR1 A52CR21633GR.L16MnRE 10MnPNbRE15MnVQ390 A255Gr.AA255Gr.B15MnV15MnTi16MnNb14MnVTiREQ42015MnVN合金结构钢牌号对照表二中国美国德国日本法国英国国际GB3077 AISI DIN JIS NF BS ISO20Mn2 1320122120Mn5 SMn21 20M5 150M1930Mn2 1330 30Mn5 SMn24 32M5 150M28 35Mn2 1335 36Mn5 SMn1 35M5 150M3640Mn2 13401341SMn2 40M545Mn2 1345 46Mn7 SMn3 45M5 50Mn2 1052 50Mn7 55M520MnV 20MnV630Mn2MoW27SiMn 27MnSi535SiMn 37MnSi5 38MS542SiMn 38MnSi446MnSi438MS520SiMn2MoV 25SiMn2MoV37SiMn2MoV40B 14B35 35B245B 50B46H 45B250B 14B5040MnB 15B4145MnB 15B48 50B4420Mn2B20MnMoB 80B20 15MnVB20MnVB40MnVB20MnTiB25MnTiBRE20SiMnVB15Cr 5015511515Cr3 SCr21 12C3523A14523M1515CrA20Cr 5120 20Cr4 SCr22 18C318C4527A19527M20683/1120Cr420CrS430Cr 5130 28Cr4 SCr2 28C432C4530A30530A3235Cr 5135 34Cr437Cr4SCr3 38C4 530A36683/83、3a、3b40Cr 5140 38Cr441Cr4SCr4 42C4530A40530M40683/14、4a、4b45Cr 5145 42Cr4 SCR5 45C450Cr 5150515250C4 En4838CrSi12CrMo 4119 13CrMo44 12CD4 15CD215CrMoASTMA-387Gr.B15CrMo516CrMo44SCM21 15CD4.05 BS165320CrMo 4118 20CrMo522CrMo4SCM2218CD420CD4CDS12CDS11030CrMo 4130 25CrMo4 SCM2 30CD4 CDS1330CrMoA 32CrMo12 31CRMo1235CrMo 4135413734CrMo435CrMo4SCM3 35CD4 78A37683/1C35eaC35eb42CrMo 4140414241CrMo442CrMo4SCM440CD442CD4708M40708A42709M40683/1312CrMoV35CrMoV 35CrMoV5 12Cr1MoV 13CrMoV4.2 25Cr2MoVA 24CrMoV5.5 25Cr2Mo1VA20CR3MoWVA 21CrVMoW1238CrMoA1 6370(AMS)34CrA1Mo541CrA1Mo7SACM645 40CAD6.12 905M39683/1041CrA1Mo7420CrV 6120 22CrV4 22CrV440CrV 6140 42CrV 42CrV450CrVA 6150 50CrV4 SUP10 50CV4 735A50 15CrMn 16MnCr5 16MC520CrMn 5120 20MnCr5 SMC21 20MC540CrMn 5140 SMC320CrMnSi25CrMnSi SMK1(大同制钢) 30CrMnSi30CrMnSiA35CrMnSiASMK2(大同制钢) 20CrMnMo 4119 20CrMo5 SCM23 40CrMnMo 414020CrMnTiSMK22(大同制钢) 30CrMnTi 30MnCrTi420CrNi 3120 20NiCr6 20NC6 637A16 637M1740CrNi 3140 46NiCr6 SNC1 35NC6 640A35 640M4045CrNi 3145 45NiCr6 50CrNi 315012CrNi2 3115 14NiCr10 SNC21 10NC11 14NC1112CrNi3 3310 13NiCr12 SNC22 10NC1214NC12655A12655M1320CrNi3 22NiCr14 20NC1130CrNi3 28NiCr1031NiCr14SNC230NC1130NC1237CrNi3 35NiCr18 SNC3 35NC15 12Cr2Ni4 E3310 14NiCr18 12NC1520Cr2Ni4 E3316 22NiCr14 20NC14 659A15 659M1520CrNiMo 8620872020NiCrMo221NiCrMo220NCD2805A20805M2040CrNiMoA 4340984036NiCrMo440NiCrMo6SNCM835NCD540NCD3817M40816M40683/14、4a、4b45CrNiMoVA 4437 SNCM918Cr2Ni4WA25Cr2Ni4WA铸钢牌号对照(一)普通铸钢棒牌号对照中国美国德国日本法国英国GB AISI、ASTM DIN JIS NF BSZG1Cr13 CA-15(ACI) G-X8Cr14(1.4008)X15Cr13(1.4024)SUS1 Z12C 13M 410C21ZG2Cr3 CA-40(ACI) G-X20Cr14(1.4027) SUS2 Z20C 13M 420C24 ZGCr28 G-X70Cr29(1.4085)ZG00Cr18Ni10 CF-3(ACI)G-X2CrNi189(1.4306) SUS19 Z2CN18.10M 304C12 ZG0Cr18Ni9 CF-8(ACI)G-X6CrNi189(1.1308) SUS13 Z6CN18.10M 304C15 ZG1Cr18Ni9 CF-20(ACI)G-X10CrNi188(1.4312) SUS12 Z10CN18.9M 302C25 ZG0Cr18Ni9Ti CF-8C(ACI)G-X7CrNiNb189(1.4552) SUS21 Z6CNNb18.10MZG0Cr18Ni12Mo2Ti G-X10CrNiMoNb1810(1.4580)G-X5CrNiMoNb1810(1.4581)USU22 Z6CNDNb18.12MZG1Cr18Ni12Mo2Ti CB7-Cu(ACI) G-X10CrNiMoNb1810(1.4580)ZG0Cr17Ni4CU4Nb SUS24ZG2Cr13Ni G-X2Cr14(1.4027) SUS2 Z20C13M 420C29 铸钢牌号对照(二)耐热铸钢棒牌号对照中国美国德国日本法国英国GB AISI、ASTM DIN JIS NF BS ZG5Cr25Ni2 HC(ACI) G-X40CrSi29(1.4776) SCH2ZG3Cr18Ni25Si2 HN(ACI) SCH19ZG1Cr25Ni20Si2 HK30(ACI) G-X15CrNi2520(1.4840) SCH1ZG4Cr25Ni@0Si2 HK40(ACI) G-X40CrNiSi2520(1.4848) SCH22 310C40 ZG0Cr13Ni4Mo Z6CND13.04ZG4Cr25Ni35Si2 HP(ACI) G-X45NiCrSi3525(1.4857)ZG4Cr28Ni48W5Si2 G-X40NiCrW4828注:1、对照表中所列中国钢号包括ZB26-62标准钢号2、耐热铸钢对照表中所列中国钢号包括ZB26-62标准钢号和厂标钢号石油化工管道常用钢管(国产)材料及使用温度范围钢管标准名称钢管标准号材料牌号外径或公称直径/㎜使用温度/℃输送流体用无缝管GB/T1863 10 6—630 -20~425 石油裂化用无缝管GB9948 10 10~273 -20~425 化肥设备用高压无缝管GB6479 10 14×4~273×40 -4~400 输送流体用无缝管GB/T1863 20 6~630 -20~425 石油裂化用无缝管GB9948 20 10~273 -20~425 输送流体用无缝管GB/T1863 16Mn 6~630 -20~425 化肥设备用高压无缝管GB6479 16Mn 14×4~273×40 -40~400 化肥设备用高压无缝管GB6479 16MnD 14×4~273×40 -40~250 化肥设备用高压无缝管GB6479 9Mn2VD 14×4~273×40 -50~100 化肥设备用高压无缝管GB6479 9MnNiD 14×4~273×40 -70~100 石油裂化用无缝管GB9948 12CrMo 10~273 ≤525 化肥设备用高压无缝管GB6479 12CrMo 14×4~273×40 ≤525 石油裂化用无缝管GB9948 15CrMo 10~273 ≤550 化肥设备用高压无缝管GB6479 15CrMo 14×4~273×40 ≤550 高压锅炉用无缝管GB5130 12Cr1MoVG 10~530 ≤575 化肥设备用高压无缝管GB6479 12Cr2Mo 14×4~273×40 ≤575 化肥设备用高压无缝管GB6479 1Cr5Mo 14×4~273×40 ≤600 石油裂化用无缝管GB9948 1CT5Mo 10~273ASTM A335Cr.P11 1¼Cr½Mo ≤540ASTM A335Cr.P22 2¼Cr1Mo ≤560输送流体用不锈钢无缝管GB/T14976 0Cr13 6~426 ≤500 输送流体用不锈钢无缝管GB/T14976 0Cr18Ni9 6~426 -196~700 锅炉热交换器用不锈钢无缝管GB13296 0Cr18Ni9 -196~700 输送流体用不锈钢无缝管GB/T14976 0Cr17Ni12Mo2 6~426 -196~700 输送流体用不锈钢无缝管①GB/T14976 0Cr18NiMo2Ti 6~426 -196~500 输送流体用不锈钢无缝管①GB/T14976 0Cr19Ni13Mo3 6~426 -196~700 输送流体用不锈钢无缝管①GB/T14976 00Cr19Ni10 6~426 -196~425 输送流体用不锈钢无缝管①GB/T14976 00Cr19Ni14Mo2 6~426 -196~450 输送流体用不锈钢无缝管①GB/T14976 00Cr19Ni13Mo3 6~426 -196~450低压流体输送用镀锌焊接钢管低压流体输送用焊接钢管GB/T3091GB/T3092(Q195,Q215A)Q235,Q215B6(1/8″)~150(6″)外径≥114.3㎜0~100螺旋缝埋弧焊钢管符合GB/T9711.1的要求钢级 L210-L555 ≤300电阻焊碳钢直缝钢管≤200 电弧焊直缝钢管≤425 此种钢尚有GB13296锅炉、热交换器用不锈钢无缝管。