安全文明施工阶段性评价表
- 格式:doc
- 大小:43.50 KB
- 文档页数:5
安全生产文明施工检查评价表(一)
工程名称:监督登记号:
安全检查人员签名:检查日期:年月日
安全生产文明施工检查评价表(二)
工程名称:监督登记号:
续表(二)
安全检查人员签名: 检查日期:年月日
安全生产文明施工检查评价表(三)
工程名称:监督登记号:
安全检查人员签名:检查日期: 年月日
安全生产文明施工检查评价表(四)
工程名称:监督登记号:
安全检查人员签名:检查日期:年月日
安全生产文明施工检查评价表(五)
工程名称:监督登记号:
安全检查人员签名:检查日期:年月日
安全生产文明施工检查评价表(六)
工程名称: 监督登记号:
续表(六)
安全检查人员签名:检查日期:年月日
安全生产文明施工检查评价表(七)
工程名称:监督登记号:
安全检查人员签名: 检查日期:年月日
安全生产文明施工检查评价表(八)
工程名称:监督登记号:
安全检查人员签名: 检查日期:年月日
安全生产文明施工检查评价表(九)
工程名称:监督登记号:
安全检查人员签名:检查日期: 年月日
11。
附件1:重庆市建筑工地安全文明施工标准化检查评分表建设单位:监理单位:施工单位:监管部门:检查日期:年月日备注:施工单位会同监理单位的自查自评,应经施工单位项目经理及监理单位总监理工程师签认;监管部门的检查评价,应经建设单位、监理单位、施工单位的代表和监管部门的检查人员(2人及以上)签认。
附件2:建筑单位工程安全文明施工标准化综合评价意见书证书编号:__________________安监编号:___________工程名称:________________________________工程地点:________________________________施工单位:________________________________(盖章)项目经理:_________________ 安全员:_____________ 建设单位:________________________________(盖章)监理单位:________________________________(盖章)评价核定等级一律为不合格。
2、凡未按要求报送自检自评资料的工程项目,每发生一次,扣3分。
附件3:建筑工地安全文明施工标准化等级核定标准(暂定)建筑施工安全检查标准(JGJ59-99)关于发布行业标准《建筑施工安全检查标准》的通知建标〖1999〗79号99.05.25根据建设部(98)建标工(便)字第16号函的要求,由天津建工集团总公司主编的《建筑施工安全检查标准》,经审查,批准为强制性行业标准,编号JGJ59-99,自1999年5月1日起施行。
原部标准《建筑施工安全检查标准》JGJ59-88同时废止。
本标准由建设部建筑安全标准技术归口单位北京中建建筑科学技术研究院负责管理,建设部建筑管理司负责具体解释,建设部标准定额研究所组织中国建筑工业出版社出版。
中华人民共和国建设部一九九九年三月三十日建筑施工安全检查标准(JGJ59-99)1 总则1.0.1 为了科学地评价建筑施工安全生产情况,提高安全生产工作和文明施工的管理水平,预防伤亡事故的发生,确保职工的安全和健康,实现检查评价工作的标准化、规范化,制定本标准。
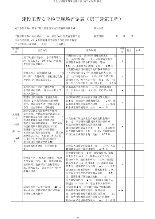
建设工程安全检查现场评论表(房子建筑工程)施工单位名称:黑龙江省龙泰建筑安装工程有限责任企业评论次数:工程项目名称:哈尔滨市2012 年至 2015 年既有建筑节能检查日期:年月日综合改造项目-2014 年既有建筑节能综合改造项目工程施工(汉阳街—和兴路;一曼街)(十九标段)标准要求文明施工与环境保护(40分)检查内容评分说明标准得分扣分分施工现场围挡完好,总平面部署合未围挡扣 5 分,围挡未周围连续设置扣 2分,围挡不坚固扣 1 分,未依据施工总平理,设备设备、资料等按总平面布 5面部署堆放各样设备和资料每一处扣置图规定设置堆放。
0.25 分,未悬挂表记牌每一处扣0.25 分未设置冲刷出门车辆泥土的设备或许设备建筑工地大门采纳铁质大门,“ 五不可以使用的扣 2 分,未设置工地大门扣 2牌一图” 设置规范,依据规定设置分,大门不是铁质扣 1 分,大门不是灯箱 4冲刷出门车辆泥土的设备。
式扣 0.5 分,无“五牌一图” 扣 1 分,“五牌一图”不完好每少一牌(图)扣0.5 分工地进出口一定进行硬化办理,排进出口地坪未硬化扣 4 分,无排水渠扣 1水渠按规定设置,保洁人员和大门分,无保洁人员扣0.5 分,无门卫人员扣 4保卫人员到位。
0.5 分现场运送资料道路一定硬化办理,围档外两米范围未按要求绿化或硬化保洁围档外 2 米范围应该绿化或硬化扣 3 分,运送资料道路未硬化扣 2 分,裸4保洁,裸露地面要进行绿化或消尘露地面未绿化或未消尘办理扣 1 分,场内办理,场内不积水,道路畅达。
积水或道路不畅达每一处扣0.25 分现场安装施工现场安全生产视频监控系统。
严禁现场搅拌混凝土及沙浆的城市工程项目施工现场,不未安装施工现场安全生产视频监控系统的得设置混凝土或沙浆搅拌设备;不扣 4 分,严禁现场搅拌混凝土及沙浆的城得建立水泥储料罐设备,非严禁现市建立混凝土或沙浆搅拌设备的扣 4 分、场搅拌混凝土及沙浆的城市工程 6建立水泥储料罐设备的扣 2 分,未依据规项目施工现场混凝土或沙浆搅拌3定设置防备棚每一处扣分,设置防备棚区按规定设置安全防备棚。
贵州省建设工程项目安全文明施工阶段评价表( 单位工程 施工阶段)项目编号:黔(平)建安[]第 号平坝县平水中学教学楼工程黔东南苗族侗族自治州建筑工程总公司 安顺光大监理公司 平坝县教育和科技局工程名称: 施工单位: 监理单位: 建设单位:贵州省建设厅监制1、在建设工程施工时,由施工单位对施工现场安全生产情况进行自评填写后,报监理、建设单位复查评价,并将评价情况报建设工程安全监督管理机构核查评价备案。
2、各分项检查评价表均采用JGJ59-99标准,并作为附件备查。
检查评分遇有缺项时, 汇总表总得分按JGJ59-99评分方法进行换算;多人对同一项目检查评分时,应按加权评分方法确定分值;3、综合评定分:70分(含70分)以上为合格,80分(含80分)以上为优良。
4、监理单位在做出评价结论时,除评分等级外,还应对本阶段工程项目安全生产状况进行概况性评述,指出主要问题,提出改进意见。
5、如有建筑安全中介服务机构,可在建设单位栏中填写有关内容。
6、此表一式四份,施工单位、监理单位、建设单位、建筑工程安全监督机构各一份。
建筑施工现场安全质量标准化阶段性评定流程页脚内容10平坝县平水中学教学楼工程安全措施费综合计算表页脚内容11施工单位:日期:页脚内容12平坝县建设工程质量安全监督站安全生产费使用审批表平坝县建设工页脚内容10填表说明:1申请单位为施工单位。
2、安全生产费用计取标准:房屋建筑工程不得少于 2.5%市政公用、机电安装、公路、通讯、房屋安装不得少于1%3、安全生产费由建设单位一次性拨付至施工单位安全专户上,由监理单位和安全监督机构监督使用。
4、工程形象进度:费用支取分四次,工程开工前支取25%基础完工支取25% 主体完工支取25% 工程竣工支取25%5、工程竣工后,最后一次申请时,安监机构应该填写“工程竣工, 按时结算,撤销账户监管,”由银行与施工单位按时结清。
6、本审批表一式三联,开户银行持第一联,安监机构第二联,施工单位持第三联。
建设工程施工安全评分表一、前言建设工程施工安全是保障工程施工人员的身体健康和生命安全的重要工作,也是建设工程质量和工程进度的保障。
为了有效地评估工程施工中的安全情况,制定一份施工安全评分表被认为是必要的。
本评分表是根据国家相关法律法规和安全生产管理经验编制的,具有一定的合理性和可操作性。
通过对施工现场的安全管理、安全意识、安全设施等方面进行评分,可以全面地了解施工现场的安全状况,帮助施工单位及时发现和解决安全隐患,提高施工安全水平。
二、施工安全评分表1. 施工单位基本信息(1)单位名称:(2)法定代表人:(3)施工项目:(4)施工现场负责人:2. 施工安全管理(1)是否建立健全安全管理制度,包括安全生产责任制、安全生产管理制度、安全生产教育培训制度等。
(2)是否定期进行施工安全大检查,是否有检查记录,检查内容是否全面。
(3)是否对施工人员进行安全教育培训,教育培训内容是否符合要求,是否有教育培训记录。
(4)是否建立安全生产档案,是否进行定期整理和归档,档案内容是否完整。
(5)是否及时发布安全生产信息,包括安全提示、警示、事故处理等信息。
得分:满分10分3. 施工安全意识(1)施工人员是否具有良好的安全意识,是否遵守安全生产规定。
(2)施工人员是否具备应急处理意识,是否能够正确处理突发安全事件。
(3)是否及时发现和上报安全隐患,是否参与安全隐患排查。
(4)是否遵守施工现场的安全操作规程,是否正确使用安全器材。
得分:满分10分4. 安全设施和防护措施(1)施工现场是否设置了必要的安全标志、警示标志、禁止标志等。
(2)施工现场是否配备了必要的安全设施,包括安全带、安全网、安全帽、防护眼镜等。
(3)危险作业区域是否设置了警示栏、隔离带等安全措施。
(4)机械设备、工具是否符合国家标准,是否定期维护和检修。
得分:满分10分5. 施工现场卫生及环境保护(1)施工现场是否保持干净整洁,是否有垃圾分类处理措施。
(2)施工现场是否符合环保要求,是否进行了环保掫除。
茂县建设工程安全文明施工综合评价书证书编号安监编号工程名称工程地点施工单位(盖章)项目经理安全员建设单位(盖章)监理单位(盖章)茂县建设工程质量监督站说明一、按照《四川省建筑工程施工现场监督检查暂行办法》要求,建设工程须执行安全生产综合评价。
安全监督机构在新建工程项目的施工准备阶段、基础施工阶段、主体施工阶段、装饰装修阶段及竣工阶段对该工程实体进行安全评价并签发《茂县建设工程安全文明施工综合评价书》。
建设工程项目施工安全评价结果是施工企业安全业绩证明,也是资质管理、信誉评价、安全文明措施费拨付的依据之一。
二、施工企业须在建设工程办理了质量监督手续后7日内通知安全监督部门对该工程进行施工准备阶段评价(同时参加安全监督部门举办的开工前安全培训班)。
评价前施工企业应对该阶段的工程安全生产情况进行自评。
在基础验槽时通知监督部门进行基础施工阶段评价。
在主体三层、顶层施工时进行主体施工阶段评价(高层建筑每十层还应增加一次)。
在装饰装修阶段及竣工阶段通知监督部门进行相应安全评价。
三、安全生产评价得分70分以下为不合格;70—85为合格;85以上为优良。
不合格的施工企业不得进入下一施工阶段施工应立即进行整改,符合安全生产条件方可施工四、本评价书一式二份,施工企业和监督部门各存一份茂县建筑工程施工安全评价申请表茂县建设工程质量安全监督站由我公司承建的工程项目已施工至阶段,工地现场已按照相关规范要求完善安全施工措施,具备安全生产条件,现申请阶段评价。
申请单位(盖章)项目经理(签字)项目总监意见签名送达人送达时间联系电话签收人签收时间联系电话说明:本表一式二份,施工单位和监督部门各存一份(施工准备阶段)(基础施工阶段)(主体施工阶段)(装饰装修施工阶段)(综合评价表)。
建设工程项目施工工地安全文明标准化诚信评价评分表
序应得扣减实得评价内容扣分标准备注号分数分数分数
经建设行政主管部门或建设工程安全监督机构按照《建按照《建筑施工安筑施工安全检查标准》检查:75-79分得50分,80-84以各工地提供的工地受监安1 全检查标准》70分分得55分,85-89分得60分,90-94分得65分,95监站最近一期的评分为
准。
,JGJ59-99,检查分以上得70分。
在制定、修改或决定有关劳动安全卫生、保险福利等直
接涉及劳动者切身利益的规章制度或重大事项时~没有以总包企业提供的资料为准,
经过职工代表大会或全体职工讨论协商确定的扣5分, 依法建立和完善劳
动规章制度~保障以现场提供的总包、专业分没有对其公示或告知劳动者的扣3分, 10分 2 劳动者享有劳动权包、劳务分包的资料为准, 利和切身利益以现场安保体系文件中重大在招用劳动者时~没有如实告知职业危害、安全生产状危险源与不利环境因素识别况的扣2分交底资料为准
《劳动合同》中没有签订劳动保护、劳动条件和职业危以现场总包、专业分包、劳务
害防护的扣5分, 分包提供的《劳动合同》为准, 签订《劳动合同》~10分 3 提供劳动保护条件未按照《劳动合同》的约定提供劳动保护或劳动条件的查阅劳动保护用品发放资料
扣5分及实地劳动条件检查
以暴力、威胁等手段强迫劳动者劳动的或违章指挥、强
令冒险作业危及劳动者人身安全的扣5分, 有无违章指挥或强现场抽样3-5名劳动者进行10分 4 令冒险作业询问将劳动者拒绝违章指挥、强令冒险作业视为违反劳动合
同或解除劳动合同的扣5分
总计 100分
- 1 -
- 2 -。
附录A
市政工程安全检查评分表
(一)评分方法
1、为了科学评价市政工程施工安全生产情况,提高安全生产、文明施工的管理水平,预防安全事故的发生,确保职工的安全和健康,实现检查评价工作的标准化、规范化,制定本标准。
2、本标准适用于市政工程的道路、桥梁及管线敷设施工安全工作的检查和评价。
3、在各分项检查评分表中,满分为100分。
当保证项目中有一项不得分或保证项目小计得分不足40分时,该评分表不得分。
4、汇总表满分为100分。
各分项检查表在汇总表中的满分分值分别为:安全管理15分,文明施工20分,道路(桥梁)20分,基坑支护20分,施工用电15分,起重吊装5分,施工机具5分。
汇总表中各分项项目实得分数按下式计算:
在汇总表汇总表中该项应得满分×该项检查评分表实得分数
中各分项= —————————-—--———-——-——--
项目实得100
汇总表总得分为表中各分项项目实得分之和。
5、检查中遇有缺项时,汇总表总得分按下式换算:
遇有缺项实查项目在汇总表中按各对应的实得分值之和
时汇总表= ————--——-———————————————×100
总得分实查项目在汇总表中应得满分的分值之和
6、汇总表中各项实得分数之和,作为对一个施工现场安全生产的评价依据,分为优良、合格、不合格三个等级。
汇总表得分值在80分及其以上为优良;70—80分为合格,不足70分为不合格。
检查评分表
市政工程安全检查评分汇总表
日期:年月
年月日安全管理检查评分表
施工用电检查评分表。
贵州省建设工程项目安全文明施工
阶段评价表
( 施工阶段)
项目编号:黔()建安[ ]第号
工程名称:
施工单位:
监理单位:
建设单位:
贵州省建设厅监制
填表说明
1、在建设工程施工时,由施工单位对施工现场安全生产情况进行自评填写后,报监理、建设单位复查评价,并将评价情况报建设工程安全监督管理机构核查评价备案。
2、各分项检查评价表均采用JGJ59-99标准,并作为附件备查。
检查评分遇有缺项时,汇总表总得分按JGJ59-99评分方法进行换算;多人对同一项目检查评分时,应按加权评分方法确定分值;
3、综合评定分:70分(含70分)以上为合格,80分(含80分)以上为优良。
4、监理单位在做出评价结论时,除评分等级外,还应对本阶段工程项目安全生产状况进行概况性评述,指出主要问题,提出改进意见。
5、如有建筑安全中介服务机构,可在建设单位栏中填写有关内容。
6、此表一式四份,施工单位、监理单位、建设单位、建筑工程安全监督机构各一份。