重组竹材料强度参数实验方案
- 格式:docx
- 大小:120.30 KB
- 文档页数:29
重组竹材制造技术的研究竹子是我国重要的森林资源之一。
以竹代木,将有助于缓解我国木材供需之间的矛盾。
近年来,我国竹产业有了较大的发展,但目前,竹材能够大规模工业化利用的只有毛竹(Phgllochys heterocycla var pubscense)并且其利用率一般均在50%以下,而其它竹种还尚未大规模工业化利用。
本研究在借鉴国外重组材的制造技术研究基础上,通过改进设备和生产工艺,达到全竹利用的目的。
重点研究了重组竹材的单元制备技术,重组竹材的浸胶工艺、组坯工艺和热压工艺及其性能的测试分析,得出如下结论:(1)通过对竹束的加工效果的对比分析和竹束预处理的研究,得到碾压疏解机对竹束的加工效果最好;对竹束表面进行砂光处理,提高了重组竹材的力学性能,而对竹束进行高温炭化处理,降低了重组竹材的胶合性能。
(2)通过对重组竹材浸胶工艺的研究,控制胶黏剂的固含量,竹束的浸胶量最易控制;浸胶时间的改变对竹束浸胶量影响较小;增大浸胶压力,可以较大的提高竹束的浸胶量;本试验范围内,随着竹束浸胶量的降低,重组竹材的物理力学性能呈下降趋势。
(3)组坯竹束全部使用条状竹束重组竹板材的密度变异系数最小,混合使用条状竹束和片状竹束的次之,全部使用片状竹束重组竹板材的密度变异系数最大;提出了一种重组竹材板坯组坯装置和组坯方法。
(4)竹种、胶黏剂固含量、热压温度和密度等对重组竹的物理力学性能具有明显影响。
其中重组竹的密度影响最大,密度从0.83g/cm3增大到1.05g/cm3,重组竹材的各项力学性能也随着增大,密度与MOR、MOE、IB成抛物线关系。
(5)利用本研究制备的不去竹青、竹黄的重组竹材的力学性能优于竹帘胶合板、竹材胶合板和其它三种重组竹材产品;本研究制备的重组竹材的耐循环水煮、干燥的能力优于其它三种重组竹材产品;循环湿热氙灯联合处理试验结果表明,本研究制备的重组竹材具有一定的耐室外老化性能。
重组竹子项目建议书重组竹子项目建议书1.项目背景和目标1.1 背景竹子作为一种可再生资源,具有广泛的应用潜力,如建筑材料、纺织品、家具等。
然而,传统的竹子加工方式存在着低效率、劳动强度大、环境污染等问题。
因此,通过重组竹子加工流程和引入先进技术,可以提高竹子加工的效率和质量,降低对环境的影响。
1.2 目标本项目旨在通过重组竹子加工流程,推动竹子加工行业的升级并降低生产成本,提高竹子产品的质量和竞争力。
具体目标如下:________●提高竹子材料的加工效率,达到每小时处理竹子数量的提升20%。
●降低竹子加工的能耗,减少每吨竹子的能耗消耗量10%。
●提高竹子产品的质量,使得产品合格率达到95%以上。
●减少竹子加工所产生的废弃物,使废弃物产生量减少30%。
2.方案详解2.1 竹子加工流程重组当前竹子加工流程中存在着环节繁多、流程冗长等问题,影响了加工效率。
为此,我们建议对竹子加工流程进行重组,简化流程,并引入自动化设备来提高加工效率。
2.2 技术引入为了提高竹子加工效率和质量,我们将引入先进的加工设备和技术。
具体包括:________●C竹材加工机:________通过自动化和精确控制,实现高效的竹子加工。
●竹子干燥设备:________通过控制湿度和温度,实现竹子干燥的自动化和高效率。
●竹子纤维提取技术:________利用先进的提取技术,提高竹子纤维的提取效率和纤维质量。
2.3 环境友好型竹子加工传统的竹子加工方式存在着对环境的污染问题,特别是废弃物的处理。
为了解决这一问题,我们将引入环境友好型竹子加工技术,包括:________●废弃物再利用:________对废弃物进行分类和处理,实现资源的回收利用。
●污水治理设备:________通过污水处理设备,减少竹子加工过程中产生的污水对环境的影响。
●噪音控制措施:________通过合理规划和设置隔音设备,减少竹子加工所产生的噪音对周边环境的影响。
3.实施计划和预算3.1 实施计划●第一阶段:________调研和设计(预计时间:________1个月)●第二阶段:________设备采购和安装(预计时间:________2个月)●第三阶段:________试生产和调整(预计时间:________3个月)●第四阶段:________正式生产(预计时间:________长期)3.2 预算预算总额:________万元预算包括设备采购、安装、工人培训、市场推广等费用。
硬头黄竹重组材制备工艺及性能研究本论文以硬头黄竹为生产原料,采用较优的热压工艺,分别探讨了竹材年龄、制备密度、浸胶量和竹秆高度四个因素对所制得的硬头黄竹重组材板材的水平剪切强度、抗压强度、抗弯强度、抗弯弹性模量、吸水宽度膨胀率和吸水厚度膨胀率的影响及其变异规律和内在成因。
研究所得主要结论如下:1、不同年龄硬头黄竹压制出的重组竹板材,其水平剪切强度和抗压强度随着竹材年龄的增长而增大,在第4年达到最大值,之后随着竹材材质本身的老化,板材的水平剪切强度和抗压强度出现下降;其抗弯强度和抗弯弹性模量在2-5年间表现出随竹材年龄增长而不断增加的趋势,但是增长幅度较小;板材的吸水宽度膨胀率(WSR)随竹材年龄的增长而减小;竹材年龄对板材的吸水厚度膨胀率(TSR)影响不明显。
2、不同制备密度下的硬头黄竹重组材,其水平剪切强度和抗压强度随着板材密度的增加表现出线性增长的趋势,制备密度较高的硬头黄竹重组材其强度显著高于制备密度较低的重组材;重组竹板材的抗弯强度和抗弯弹性模量也随着制备密度的增大而不断增加,但当板材密度超过1.1g/cm3之后继续增加,抗弯强度和抗弯弹性模量表现出下降趋势;随着重组竹板材制备密度的增加,其吸水厚度膨胀率(TSR)相应增加,吸水厚度膨胀率(WSR)不断减小,板材厚度方向上的尺寸稳定性下降,宽度方向上的尺寸稳定性得到提高。
3、利用不同施胶量的纤维化竹束压制的硬头黄竹重组材,其抗压强度变化不明显,平均抗压强度为90.32Mpa;水平剪切强度随浸胶量的增加表现出增长趋势并在浸胶量为13%时取得最大值,当浸胶量继续增加到15%,水平剪切强度出现下降趋势;在浸胶量从7%增加到15%的过程中,板材的抗弯强度和抗弯弹性模量先增加后减小,浸胶量为11%时,板材的抗弯强度和抗弯弹性模量最大;随着浸胶量的增加,板材的吸水宽度膨胀率(WSR)和吸水厚度膨胀率(TSR)均表现出线性下降的趋势,说明浸胶量的增加使板材的尺寸稳定性得到明显改善。
林业工程学报,2023,8(1):46-52JournalofForestryEngineeringDOI:10.13360/j.issn.2096-1359.202205030收稿日期:2022-05-24㊀㊀㊀㊀修回日期:2022-10-07基金项目:福建省科技厅国家科技项目备案类(2022L3006);福建省科技厅自然科学基金面上项目(2020J01579);福建省林业科技项目(闽林科(2020)29号)㊂作者简介:盛叶,女,副教授,研究方向为绿色建筑和组合结构㊂E⁃mail:qzrse@163.com重组竹抗拉力学性能分析盛叶,黄庚浪,叶小凡,杜瑞(福建农林大学交通与土木工程学院,福州350002)摘㊀要:重组竹是一种新型竹基复合材料,其力学性能优于落叶松等木材,易加工成梁㊁柱等结构构件㊂为评价重组竹在静态加载下的顺纹㊁横纹抗拉力学性能,对40个顺纹抗拉试件和40个横纹抗拉试件进行了单轴拉伸力学性能试验,研究了重组竹材料抗拉破坏形态㊁应力⁃应变关系曲线㊁弹性模量及抗拉强度的平均值,采用威布尔分布㊁正态分布和对数正态分布模型分别对试验结果进行了分布拟合分析,并进一步采用参数法和非参数法分别提取了重组竹抗拉强度的标准值㊂结果表明:重组竹顺纹抗拉破坏缘于纤维束断裂失效,重组竹横纹抗拉破坏缘于纤维束间胶体失效,呈脆性断裂破坏形态;重组竹顺纹抗拉应力⁃应变曲线呈线性关系,重组竹横纹抗拉应力⁃应变曲线表现出典型的线性与非线性2个阶段;重组竹顺纹抗拉弹性模量㊁抗拉极限强度平均值分别为9529.81和97.88MPa,横纹抗拉弹性模量㊁抗拉极限强度平均值分别为1864.29和5.21MPa;对数正态分布拟合重组竹顺纹抗拉弹性模量㊁顺纹抗拉极限强度及横纹抗拉弹性模量的概率分布优度最好,正态分布拟合重组竹横纹抗拉极限强度的概率分布优度最好;重组竹顺纹抗拉强度标准值取67.59MPa(对数正态分布拟合下75%置信度PTL),横纹抗拉强度标准值取3.73MPa(正态分布拟合下75%置信度PTL);重组竹顺纹抗拉强度标准值约为横纹抗拉强度标准值的18倍,工程中应尽量避免横纹抗拉㊂关键词:重组竹;抗拉;应力⁃应变关系;标准值中图分类号:TU531.3㊀㊀㊀㊀㊀文献标志码:A㊀㊀㊀㊀㊀文章编号:2096-1359(2023)01-0046-07AnalysisonmechanicalpropertiesofbambooscrimberundertensionstressSHENGYe,HUANGGenglang,YEXiaofan,DURui(CollegeofTransportationandCivilEngineering,FujianAgricultureandForestryUniversity,Fuzhou350002,China)Abstract:Bambooscrimberisanewtypeofbamboo⁃basedcompositematerial.Itsmechanicalpropertiesarebetterthanthoseofwoodsuchaslarch,anditiseasytobeprocessedintostructuralcomponentssuchasbeamsandcol⁃umns.Inordertoevaluatethetensilemechanicalpropertiesofthebambooscrimberalongandacrossthegrainunderstaticloading,theuniaxialtensilemechanicalpropertiesof40specimensunderlongitudinaltensileand40specimensundertransversetensileweretestedusingtheSANSuniversalmechanicaltestingmachine.Thefailuremodes,stress⁃straincurves,averageelasticmodulusandstrengthofthebambooscrimberundertensilewerestudiedandtheWeibulldistribution,normaldistributionandlognormaldistributionmodelswereusedtofitthetestresults.Thecharacteristicvaluesofstrengthofbambooscrimberundertensilewerefurtherexploredbytheparametricmethodandnon⁃paramet⁃ricmethod.Theresultsindicatedthatthefailureofspecimensunderlongitudinaltensileofthebambooscrimberwasduetothefailureofthefiberbundles.Thefailureofspecimensundertransversetensileofthebambooscrimberwasduetothefailureofcolloidbetweenthefiberbundles.Thestress⁃straincurvesofbambooscrimberunderlongitudinaltensileshowedalinearrelationship,andthestress⁃straincurvesofbambooscrimberundertransversetensileshowedtwotypicallinearandnonlinearstages.Theaveragevalueofelasticmodulusandultimatestrengthunderthelongitudi⁃naltensileofbambooscrimberwere9529.81and97.88MPa,respectively,andtheaveragevalueofelasticmodulusandultimatestrengthundertransverseofbambooscrimberwere1864.29and5.21MPa,respectively.Thelognormaldistributionfittingoftheelasticmodulusandultimatestrengthofbambooscrimberunderlongitudinaltensileandtheelasticmodulusofbambooscrimberundertransversetensilewasthebest.Thenormaldistributionfittingofultimatestrengthofbambooscrimberundertransversetensilewasthebest.Thecharacteristicvalueofstrengthunderthelongi⁃tudinaltensilewas67.59MPa(75%confidencelevelPTLunderlognormaltensiledistributionfitting),andthecha⁃racteristicvalueofstrengthundertransversetensilewas3.73MPa(75%confidencelevelPTLundernormaldistribu⁃㊀第1期盛叶,等:重组竹抗拉力学性能分析tionfitting).Thecharacteristicvalueofstrengthunderthelongitudinaltensilewasabout18timesthatofthestrengthunderthetransversetensile,andthetransversetensileofbambooscrimbershouldbeavoidedintheengineeringprac⁃ticeasfaraspossible.Keywords:bambooscrimber;tensile;stress⁃strainrelationship;characteristicvalues㊀㊀随着中国天然林的全面禁伐,木材资源日渐匮乏,而中国竹类资源相对丰富,成材周期远小于木材,以重组竹为代表的新型竹质工程材代替木材日益受到人们青睐,并已成功应用于建筑结构中,成为重要的绿色建筑材料[1-3]㊂重组竹具有良好的抗拉力学性能,自重小,弹塑性好,强重比高于木材和混凝土,易加工成梁㊁柱等结构构件[4-6]㊂作为梁构件时,重组竹下侧纤维纵向抗拉㊂作为梁柱节点时,销连接重组竹节点的承载能力会受到重组竹横纹抗拉强度的制约[7],成为结构中受力薄弱的部位㊂因此,重组竹纵㊁横向抗拉性能的研究对于其应用推广具有重要意义㊂Li等[8]㊁Huang等[9]和Wu等[10]分别研究了重组竹顺纹㊁横纹抗拉破坏形态及应力⁃应变关系曲线;Huang等[9]和Wu等[10]分别采用二次函数一体化模型㊁一次函数一体化模型对重组竹横纹抗拉应力⁃应变曲线进行拟合;Liu等[11]㊁张俊珍等[12]㊁盛宝璐等[13]和魏洋等[14]研究了重组竹顺纹抗拉破坏形态及应力⁃应变关系曲线,并采用一次函数一体化模型对重组竹顺纹抗拉应力⁃应变曲线进行拟合;束必清等[15]研究了重组竹顺纹抗拉强度标准值及强度设计值㊂以上研究主要针对重组竹顺纹抗拉的破坏形态及应力⁃应变关系曲线,而对重组竹横纹抗拉力学性能展开对比研究较少,相关规范尚未完善,针对重组竹抗拉力学性能尚需做很多研究工作㊂笔者通过40个重组竹顺纹试件和40个重组竹横纹试件的单轴抗拉试验,研究了重组竹抗拉破坏过程㊁破坏模式,分析重组竹试件的破坏机理;建立重组竹材料抗拉应力⁃应变关系模型,提出适于工程应用的简化本构公式;通过抗拉弹性模量和抗拉强度在正态分布㊁对数正态分布和威布尔分布3种分布模型中的拟合效果分析,进一步提取了重组竹抗拉强度的标准值㊂1㊀材料与方法1.1㊀试件制备试验原材料为浙江安吉的4 6年生毛竹,采用模压冷压工艺压制重组竹㊂具体生产过程:首先将竹条疏解1次成竹束;其次将竹束在酚醛树脂浸胶池中浸渍25min,浸胶量7%,并干燥至含水率8%;之后将竹束纵向放入110mmˑ110mmˑ2000mm尺寸的模具中,在压机上高压预成型,单位压力3.0MPa;最后将模具锁定并送入温度为200ħ的加热通道固化10h㊂参照JG/T199 2007‘建筑用竹材物理力学性能试验方法“测得重组竹试件的平均密度为1.15g/cm3,平均含水率为11.33%㊂根据ASTMD143-14 Standardtestmethodsforsmallclearspec⁃imensoftimber 设计加工重组竹顺纹抗拉和横纹抗拉试件,重组竹试件设计尺寸如图1所示㊂图1㊀试件设计尺寸Fig.1㊀Designsizeofspecimens1.2㊀测试方法参照ASTMD143-14进行重组竹抗拉测试并绘制其应力⁃应变曲线㊂抗拉试验在SANS万能力学试验机上进行,安放试件时要保证试件垂直,以确保试件处于轴心抗拉状态,使用DH3816N静态应变采集箱采集应变,采集频率为1Hz,试验装置如图2所示㊂采用位移控制加载制度对抗拉试件进行正式加载,加载速度为1mm/min,直至试件破坏,总加载持续时间控制为6 10min㊂根据式(1) (3)计算试件抗拉极限强度σtu㊁抗拉弹性模量Et和泊松比υij㊂σtu=Ftubt(1)Et=ΔFtbtΔεti(2)74林业工程学报第8卷υij=-ΔεtjΔεti(3)式中:Ftu为抗拉极限荷载,N;ΔFt为抗拉弹性阶段的荷载增量,N;Δεti㊁Δεtj为抗拉弹性阶段2个相互垂直方向的应变增量;b㊁t为试件有效区域的宽度与厚度,mm㊂图2㊀试验装置Fig.2㊀Testsetup2㊀结果与分析2.1㊀破坏形态重组竹顺纹抗拉试件的主要破坏形态如图3所示㊂当竹束分布均匀㊁试件中轴线与拉力作用线重合时,在抗拉过程中,竹束均匀受力,试件断裂面平齐,表现为平口破坏;当竹束分布不均匀,或者试件中轴线与拉力作用线不重合时,试件发生偏心抗拉,两侧竹束不均匀受力,试件破坏面与拉力作用线有一定倾斜角,表现为斜口破坏㊂重组竹顺纹抗拉破坏缘于纤维束断裂失效,呈脆性断裂破坏形态㊂图3㊀顺纹抗拉试件破坏形态Fig.3㊀Failurepatternsofspecimensunderlongitudinaltensile重组竹横纹抗拉试件的主要破坏形态如图4所示㊂加载初期,试件没有出现明显的裂缝;随着荷载的增大,试件最小截面处沿着竹纤维束方向出现细小裂缝;继续加载,裂缝逐渐变大并沿着水平方向延伸,最后贯穿整个截面,试件被拉断㊂重组竹横纹抗拉破坏缘于纤维束间胶体失效,呈脆性断裂破坏形态㊂图4㊀横纹抗拉试件破坏形态Fig.4㊀Failurepatternsofspecimensundertransversetensile2.2㊀抗拉性能分析在重组竹试件顺纹抗拉试验过程中,根据试验现象和试验数据发现,抗拉应力⁃应变曲线呈线性关系,断裂无征兆,试件属于脆性破坏㊂有效的35个重组竹顺纹抗拉试件极限抗拉试验结果统计值见表1㊂重组竹顺纹抗拉弹性模量均值为9529.81MPa,极限强度均值为97.88MPa,极限应变均值为0.0100%,泊松比均值为0.462㊂在重组竹试件横纹抗拉试验过程中,根据试验现象和试验数据发现,各个重组竹横纹抗拉试件试验结果与数据差异较大,抗拉应力⁃应变曲线呈典型的线性与非线性2个阶段,试件迅速破坏㊂有效的35个重组竹横纹抗拉试件极限抗拉试验结果见表2㊂重组竹横纹抗拉只有一种破坏形态,考虑到重组竹加工工艺(如温度㊁压力等)与材料(如竹节表1㊀顺纹抗拉试件试验结果统计值Table1㊀Statisticalvaluesoflongitudinaltensiletestresults统计指标顺纹抗拉弹性模量Et/MPa极限强度σtu/MPa极限应变εtu/%泊松比vt平均值9529.8197.880.01000.462标准差1310.7518.490.00180.062变异系数0.1380.1890.1720.135CI下限9270.4594.220.009940.450CI上限9789.16101.530.01060.474表2㊀横纹抗拉试件试验结果统计数值Table2㊀Statisticalvaluesoftransversetensiletestresults统计指标横纹抗拉弹性模量Etʅ/MPa比例极限应变εteʅ/%比例极限强度σteʅ/MPa极限应变εtuʅ/%极限强度σtuʅ/MPa泊松比vtʅ平均值1864.290.001723.040.004485.210.127标准差437.050.000570.740.001300.800.039变异系数0.230.328260.240.289140.150.305CI下限1777.810.001612.890.004235.050.119CI上限1950.770.001843.180.004745.370.13484㊀第1期盛叶,等:重组竹抗拉力学性能分析缺陷㊁纤维束密度等)等原因,试验数据离散性较大㊂重组竹横纹抗拉弹性模量均值为1864.29MPa,极限强度均值为5.21MPa,极限应变均值为0.00448%,泊松比均值为0.127㊂2.3㊀应力⁃应变关系2.3.1㊀重组竹顺纹抗拉应力⁃应变关系试验得到的重组竹试件顺纹抗拉应力⁃应变曲线如图5a所示,以顺纹抗拉试件的破坏过程㊁应力⁃应变曲线走势与参数值分析为基础,可以得出顺纹抗拉试件属于脆性破坏,应力⁃应变曲线关系可用线性模型表示:σt=Etε,㊀0ɤε<εtu(4)式中:σt为抗拉应力;ε为抗拉应变;εtu为顺纹抗拉极限应变㊂图5㊀抗拉应力⁃应变关系模型(平均值)Fig.5㊀Stress⁃strainrelationshipmodelundertension(averagevalue)2.3.2㊀重组竹横纹抗拉应力⁃应变关系试验得到的重组竹试件横纹抗拉应力⁃应变曲线如图5b所示,以横纹抗拉试件的破坏过程㊁应力⁃应变曲线走势与参数值分析为基础,可以得出横纹抗拉破坏过程分为线性与非线性2个阶段,线性阶段㊁非线性阶段应力⁃应变曲线关系分别用一次函数模型和三次函数模型表示:σ(ε)=Etʅε,0ɤε<εtʅλ1ε+λ2ε2+λ3ε3,εtʅɤε<εtuʅ{(5)λ1=2Etʅεtuʅ-Etʅεtʅ2(εtuʅ-εtʅ)(6)λ2=-Etʅ(5εtuʅ+εtʅ)2(εtuʅ-εtʅ)(7)λ3=Etʅ10εcuʅ(εtuʅ-εtʅ)(8)式中:εtuʅ为抗拉极限应变;σ(ε)为抗拉应力;λ1㊁λ2㊁λ3为待定系数㊂2.4㊀力学参数标准值2.4.1㊀分布模型拟合对于结构材的样本数据统计,通常采用威布尔分布模型㊁正态分布模型㊁对数正态分布模型进行分布拟合[16]㊂重组竹顺纹抗拉试件弹性模量和极限强度试验值分别用3种分布模型进行拟合的情况对比如图6所示㊂由图6可以看出,顺纹抗拉试件弹性模量和极限强度试验值服从偏态分布㊂在3种分布模型中,对数正态分布与弹性模量和极限强度试验数据直方图匹配效果最好㊂图6㊀顺纹抗拉试件弹性模量和极限强度分布Fig.6㊀Distributionofelasticmodulusandultimatestrengthofspecimensunderlongitudinaltensile94林业工程学报第8卷㊀㊀重组竹顺纹抗拉试件弹性模量和极限强度试验值拟合优度检验对比见表3,由表3可以得出:正态分布㊁对数正态分布㊁威布尔分布均可作为顺纹抗拉试件弹性模量和极限强度试验值的总体假设分布形式㊂根据P值判断3种分布的拟合优度效果为对数正态分布>正态分布>威布尔分布㊂表3㊀顺纹抗拉试验值拟合优度检验比较(5%水平)Table3㊀Comparisonofgoodnessoffittestoftestvaluesunderlongitudinaltensile(5%level)分布抗拉弹性模量抗拉极限强度优度检验统计P结论优度检验统计P结论K⁃S检验0.0621H0K⁃S检验0.08761H0正态K⁃S修正0.058>0.15H0K⁃S修正0.0876>0.15H0A⁃D检验0.1520.956H0A⁃D检验0.24600.738H0K⁃S检验0.0661H0K⁃S检验0.08271H0对数正态K⁃S修正0.049>0.15H0K⁃S修正0.0643>0.15H0A⁃D检验0.1460.964H0A⁃D检验0.19900.875H0威布尔K⁃S修正0.084>0.1H0K⁃S修正0.1160>0.1H0A⁃D检验0.329ȡ0.25H0A⁃D检验0.46600.243H0㊀注:H0代表不能排除原假设分布㊂下同㊂㊀㊀重组竹横纹抗拉试件弹性模量和极限强度试验值分别用3种分布模型进行拟合的情况对比见图7,由图7可以看出,横纹抗拉试件弹性模量和极限强度试验值服从偏态分布㊂在3种分布模型中,对数正态分布与弹性模量试验数据直方图匹配效果最好,正态分布与极限强度试验数据直方图匹配效果最好㊂图7㊀横纹抗拉试件弹性模量和极限强度分布Fig.7㊀Distributionofelasticmodulusandultimatestrengthofspecimensundertransversetensile㊀㊀重组竹横纹抗拉试件弹性模量和极限强度试验值拟合优度检验对比见表4,由表4可以得出,正态分布㊁对数正态分布㊁威布尔分布均可作为横纹抗拉试件弹性模量和极限强度试验值的总体假设分布形式㊂弹性模量根据P值判断3种分布的拟合优度效果为对数正态分布>正态分布>威布尔分布;极限强度根据P值判断3种分布的拟合优度效果为正态分布>威布尔分布>对数正态分布㊂表4㊀横纹抗拉试验值拟合优度检验比较(5%水平)Table4㊀Comparisonofgoodnessoffittestoftestvaluesundertransversetensile(5%level)分布抗拉弹性模量抗拉极限强度优度检验统计P结论优度检验统计P结论K⁃S检验0.09321H0K⁃S检验0.1070.834H0正态K⁃S修正0.0740>0.15H0K⁃S修正0.079>0.15H0A⁃D检验0.03270.508H0A⁃D检验0.3710.405H0K⁃S检验0.09690.974H0K⁃S检验0.1380.485H0对数正态K⁃S修正0.0683>0.15H0K⁃S修正0.109>0.15H0A⁃D检验0.03230.513H0A⁃D检验0.6590.078H0威布尔K⁃S修正0.0944>0.1H0K⁃S修正0.086>0.1H0A⁃D检验0.3730ȡ0.25H0A⁃D检验0.332ȡ0.25H005㊀第1期盛叶,等:重组竹抗拉力学性能分析2.4.2㊀强度标准值提取美国木结构设计相关标准的木材强度和弹性模量标准值依据木材无疵小试样的标准试验方法(ASTMD143-14)确定㊂根据ASTMD2915-17Standardpracticeforsamplinganddata⁃analysisforstructuralwoodandwood⁃basedproducts 采用参数法(正态分布㊁对数正态分布㊁威布尔分布)得出75%置信度(样本在总体中被抽取的概率)下,5%分位值的样本强度容差下限,并将此下限值作为强度标准值Fk㊂累积分布函数分位值(5%)与参数法容差下限(PTL,75%置信度下㊁5%分位值)计算过程如下㊂总体服从正态分布累积分布函数P分位值:φ(x-mσ)=P(9)φ(x)=12πʏx-ɕe-t22dt(10)总体服从正态分布PTL:Fk=m-Kσ(11)总体服从对数正态分布累积分布函数分位值:φ(x-mlnFσlnF)=P(12)总体服从对数正态分布PTL:Fk=emlnF-KσlnF(13)总体服从威布尔分布累积分布函数分位值:F(x)=1-e-(xa)b(14)总体服从威布尔分布PTL(K>2):Fk=m-Kσ(15)式中:m=a;σ=b㊂若Kɤ2,采用下式估算PTL值:Fk=a[-ln(1-0.05)]1b(16)式中:φ(x)为累积分布函数;P为累积分布函数分位值;K为特征系数;m为试件强度的平均值;mlnF为对数正态分布试件强度的平均值;σ为试件强度的标准差;σlnF为对数正态分布试件强度的标准差;a为威布尔分布尺度参数;b为威布尔分布形状参数㊂非参数法容差下限计算过程如下㊂通过插值法计算累积分布的5%分位值(NPE,公式中记为NPE):NPE=0.05(n+1)-(j-1)[]xj-x(j-1)[]+x(j-1)(17)式中:n为样本试件数;j为大于等于i的最小正整数,i/(n+1)ȡ0.05㊂采用上述方法,对重组竹抗拉强度标准值的统计结果分别见表5㊂顺纹抗拉强度标准值在对数正态分布时拟合优度最好,为偏于安全,取75%置信度PTL对应的数值(67.59MPa)为顺纹抗拉强度标准值;横纹抗拉强度标准值在正态分布时拟合优度最好,为偏于安全,取75%置信度PTL对应的数值(3.73MPa)为横纹抗拉强度标准值㊂顺纹抗拉强度标准值约为横纹抗拉强度标准值的18倍,工程中应尽量避免横纹抗拉㊂表5㊀参数法㊁非参数法统计强度标准值Table5㊀Statisticalcharacteristicvaluesofstrengthbyparametermethodandnon⁃parametricmethod单位:MPa样本试件参数法正态分布5%分位值正态分布75%置信度PTL对数正态分布5%分位值对数正态分布75%置信度PTL威布尔分布75%置信度PTL非参数5%NPE顺纹抗拉试件67.4763.7070.2867.5962.5764.91横纹抗拉试件3.903.733.963.833.683.68㊀注:参数法中采用各假设分布的累积分布函数提取5%分位值,采用计算公式计算容差下限PTL;采用极大似然法估计威布尔分布参数时,假设威布尔分布渐进正态来估计容差下限PTL的前提是kȡ2[17],否则PTL估计不可靠,故选择威布尔累积分布函数的5%分位值计算公式代替计算㊂3㊀结㊀论1)重组竹顺纹抗拉试件破坏形态主要有平口破坏和斜口破坏,抗拉弹性模量㊁抗拉极限强度平均值分别为9529.81和97.88MPa,抗拉应力⁃应变曲线呈线性关系;重组竹横纹抗拉弹性模量㊁抗拉极限强度平均值分别为1864.29和5.21MPa,抗拉应力⁃应变曲线可分为线性阶段和非线性阶段,非线性段曲线可以用三次函数模型表示㊂2)对数正态分布拟合顺纹抗拉弹性模量㊁顺纹抗拉极限强度㊁横纹抗拉弹性模量时总体分布满足误差精度要求,且在3种分布中拟合优度最高;正态分布拟合横纹抗拉试件极限强度时,在3种分布中拟合优度最好㊂3)参照美国木结构设计相关规范中关于木结构标准值的计算方法,采用参数法和非参数法分别提取了重组竹抗拉强度的标准值;顺纹抗拉强度标准值取67.59MPa(对数正态分布拟合下75%置信度PTL),横纹抗拉强度标准值取3.73MPa(正态分布拟合下75%置信度PTL);顺纹抗拉强度标准15林业工程学报第8卷值约为横纹抗拉强度标准值的18倍,工程中应尽量避免横纹抗拉㊂参考文献(References):[1]苏光荣,李贤军,胡嘉裕,等.重组竹尺寸稳定性及力学特性[J].中南林业科技大学学报,2022,42(2):159-168.DOI:10.14067/j.cnki.1673-923x.2022.02.017.SUGR,LIXJ,HUJY,etal.Dimensionalstabilityandme⁃chanicalpropertiesofbambooscrimber[J].JournalofCentralSouthUniversityofForestry&Technology,2022,42(2):159-168.[2]刘娇,周爱萍,盛宝璐,等.温度对重组竹短期受压蠕变性能的影响[J].林业工程学报,2021,6(2):64-69.DOI:10.13360/j.issn.2096-1359.202006003.LIUJ,ZHOUAP,SHENGBL,etal.Effectoftemperatureonshort⁃termcompressioncreeppropertyofbambooscrimber[J].JournalofForestryEngineering,2021,6(2):64-69.[3]伍希志,史金桥,李贤军,等.碳纤维增强聚合物⁃重组竹复合材的弯曲力学性能[J].林业工程学报,2020,5(3):41-47.DOI:10.13360/j.issn.2096-1359.201906049.WUXZ,SHIJQ,LIXJ,etal.Flexuralmechanicalpropertiesofcarbonfiberreinforcedpolymer⁃bambooscrimbercomposite[J].JournalofForestryEngineering,2020,5(3):41-47.[4]CHENJP,GUAGLIANOM,SHIMH,etal.AcomprehensiveoverviewofbambooscrimberanditsnewdevelopmentinChina[J].EuropeanJournalofWoodandWoodProducts,2021,79(2):363-379.DOI:10.1007/s00107-020-01622-w.[5]HUANGYX,JIYH,YUWJ.Developmentofbambooscrim⁃ber:aliteraturereview[J].JournalofWoodScience,2019,65(1):1-10.DOI:10.1186/s10086-019-1806-4.[6]冷予冰,许清风,陈玲珠.工程竹在建筑结构中的应用研究进展[J].建筑结构,2018,48(10):89-97.DOI:10.19701/j.jzjg.2018.10.018.LENGYB,XUQF,CHENLZ.Researchprogressofapplica⁃tionofengineeredbambooinbuildingstructures[J].BuildingStructure,2018,48(10):89-97.[7]LENGYB,WANGZL,XUM.Experimentalstudyandanalysisonrotationalbehaviorofbambooscrimberbeam⁃to⁃columnboltedconnections[J].JournalofStructuralEngineering,2021,147(9):04021122.DOI:10.1061/(asce)st.1943-541x.0003099.[8]LIHT,ZHANGHZ,QIUZY,etal.Mechanicalpropertiesandstressstrainrelationshipmodelsforbambooscrimber[J].JournalofRenewableMaterials,2020,8(1):13-27.DOI:10.32604/jrm.2020.09341.[9]HUANGDS,BIANYL,ZHOUAP,etal.Experimentalstudyonstress⁃strainrelationshipsandfailuremechanismsofparallelstrandbamboomadefromphyllostachys[J].ConstructionandBuildingMaterials,2015,77:130-138.DOI:10.1016/j.con⁃buildmat.2014.12.012.[10]WUMT,MEILD,GUON,etal.Mechanicalpropertiesandfailuremechanismsofengineeringbambooscrimber[J].Con⁃structionandBuildingMaterials,2022,344:128082.DOI:10.1016/j.conbuildmat.2022.128082.[11]LIUW,LIUMX,HUANGJK,etal.Constitutiverelationmo⁃delsofbambooscrimberunderuniaxialloadingalongthefibredi⁃rection[J].EuropeanJournalofWoodandWoodProducts,2021,79(4):811-820.DOI:10.1007/s00107-021-01680-8.[12]张俊珍,任海青,钟永,等.重组竹抗压与抗拉力学性能的分析[J].南京林业大学学报(自然科学版),2012,36(4):107-111.DOI:10.3969/j.issn.1000-2006.2012.04.022.ZHANGJZ,RENHQ,ZHONGY,etal.Analysisofcompres⁃siveandtensilemechanicalpropertiesofrecombinantbamboo[J].JournalofNanjingForestryUniversity(NaturalSciencesEdition),2012,36(4):107-111.[13]盛宝璐,周爱萍,黄东升,等.重组竹的顺纹拉压强度与本构关系[J].南京林业大学学报(自然科学版),2015,39(5):123-128.DOI:10.3969/j.issn.1000-2006.2015.05.020.SHENGBL,ZHOUAP,HUANGDS,etal.Uniaxialstrengthandconstitutivelawofparallelstrandbamboo[J].JournalofNanjingForestryUniversity(NaturalSciencesEdition),2015,39(5):123-128.[14]魏洋,纪雪微,端茂军,等.重组竹轴向应力⁃应变关系模型[J].复合材料学报,2018,35(3):572-579.DOI:10.13801/j.cnki.fhclxb.20170608.002.WEIY,JIXW,DUANMJ,etal.Modelforaxialstress⁃strainrelationshipofbambooscrimber[J].ActaMateriaeCompositaeSinica,2018,35(3):572-579.[15]束必清,张文娟,陶玉鹏,等.重组竹力学性能及设计强度取值研究[J].西北林学院学报,2022,37(2):216-222.DOI:10.3969/j.issn.10001-7461.2022.02.30.SHUBQ,ZHANGWJ,TAOYP,etal.Mechanicalpropertiesandstrengthdesignvalueofbambooscrimber[J].JournalofNorthwestForestryUniversity,2022,37(2):216-222.[16]上官蔚蔚.重组竹物理力学性质基础研究[D].北京:中国林业科学研究院,2015.SHANGGUANWW.Researchonphysicalandmechanicalpro⁃pertiesofbambooscrimber[D].Beijing:ChineseAcademyofForestry,2015.[17]赵秀.兴安落叶松规格材强度性质的基础研究[D].北京:中国林业科学研究院,2010.ZHAOX.Studyonthestrengthpropertiesoflarchdimensionlum⁃ber[D].Beijing:ChineseAcademyofForestry,2010.(责任编辑㊀莫弦丰)25。
工业技术科技创新导报 Science and Technology Innovation Herald68DOI:10.16660/ki.1674-098X.2104-5640-3423重组竹材抗拉强度统计分析方法研究李翰墨 孙嵩松*(南京林业大学汽车与交通工程学院 江苏南京 210037)摘 要:重组竹是一种新型的生物质纤维增强复合材料,前期研究表明该类材料的静态力学性能存在一定的随机性。
本文针对重组竹的抗拉强度进行研究,采用标准拉伸力学试验确定重组竹的抗拉强度,并对试验结果进行数理统计分析。
研究结果表明,重组竹的抗拉强度试验结果呈现明显的分散性,同时正态分布以及对数正态分布函数均能对其进行准确拟合,具有较好的工程适用性。
关键词:重组竹 抗拉强度 数理统计 正态分布函数中图分类号:TU311 文献标识码:A文章编号:1674-098X(2021)05(a)-0068-03Research on the Statistical Analysis Approach of the RecombinantBamboo Tensile StrengthLI Hanmo SUN Songsong*(College of Automobile and Traff ic Engineering, Nanjing Forestry University, Nanjing, Jiangsu Province,210037 China)Abstract : Recombinant bamboo is a new type of biomass f iber reinforced composites. Previous studies have shown that the static mechanical properties of this kind of materials have certain randomness. In this paper, the tensile strength of Reconstituted Bamboo was studied. The tensile strength of Reconstituted Bamboo was determined by standard tensile test, and the test results were analyzed by mathematical statistics. The results show that the tensile strength test results of Reconstituted Bamboo show obvious dispersion, and the normal distribution and lognormal distribution function can accurately f it it, which has good engineering applicability.Key Words : Recombinant bamboo; Tensile strength; Statistical analysis; Normal distribution function基金项目:2019年南京林业大学大学生实践创新训练计划(项目编号:2019NFUSPITP1126)。
重组竹纵向拉伸试验方案1. 试验目的对重组竹进行纵向抗拉试验,在比例极限内按应力与应变关系,确定重组竹纵向抗拉弹性模量;按最大加载力与面积的关系,确定重组竹纵向抗拉极限强度。
2. 试验设备本次试验所用设备有:SANS万能力学试验机、TDS-530静态数据采集系统。
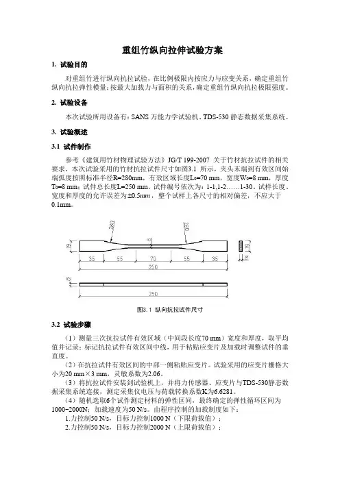
3. 试验概述3.1 试件制作参考《建筑用竹材物理试验方法》JG/T 199-2007 关于竹材抗拉试件的相关要求,本次试验采用的竹材抗拉试件尺寸如图3.1 所示,夹头末端到有效区间始端弧度按照标准半径R=280mm,有效区域长度L0=70 mm,宽度W0=8 mm,厚度T0=8 mm;试件总长度L=250 mm。
试件编号依次为:1-1,1-2……1-30。
试样长度、,整个试样上各尺寸的相对偏差,不应大于宽度和厚度的允许误差为0.5mm0.1mm。
图3.1 纵向抗拉试件尺寸3.2 试验步骤(1)测量三次抗拉试件有效区域(中间段长度70 mm)宽度和厚度,取平均值并记录;标记抗拉试件有效区间中线,用于粘贴应变片及加载时调整试件的垂直度。
(2)在抗拉试件有效区间的中部一侧粘贴应变片。
试验采用的应变片栅格大小为20 mm×3 mm,灵敏系数为2.06。
(3)将抗拉试件安装到试验机上,并将力传感器、应变片与TDS-530静态数据采集系统连接,测定采集仪电压与荷载转换系数K为6.6281。
(4)随机选取6个试件测定材料的弹性区间,最终确定的弹性循环区间为1000~2000N;加载速度为50 N/s。
由程序控制的加载制度如下:1.力控制50 N/s,目标力控制1000 N(下限荷载值);2.力控制50 N/s,目标力控制2000 N(上限荷载值);3.力控制50 N/s ,目标力控制800 N (0.8 倍下限荷载值);4.力控制50 N/s ,目标位移控制100 mm 。
其中,步骤1~3循环6次。
(5)计算。
计算弹性模量和极限拉应力。
重组竹抗拉强度设计值引言重组竹是一种由竹材经过加工处理后重新组合而成的新型建筑材料。
它具有轻质、高强度、环保等优点,在建筑和家具制造等领域有广泛的应用。
本文将介绍重组竹抗拉强度设计值的相关内容,包括定义、计算方法、影响因素等。
定义重组竹抗拉强度设计值是指在给定条件下,重组竹材料能够承受的最大拉力。
它是设计师在进行结构计算和材料选择时必须考虑的重要参数之一。
通常以标准单位MPa(兆帕)表示。
计算方法重组竹抗拉强度设计值的计算需要考虑多个因素,包括材料本身的性质、结构形式以及使用条件等。
以下是常用的计算方法:1.标准值法:根据国家相关标准规定,通过对大量试样进行实验测试,得到平均值和标准偏差,然后根据统计学原理确定合适的设计值。
2.经验公式法:根据历史数据和经验公式,通过简化计算得到近似的设计值。
这种方法适用于一些常见的结构和使用条件。
3.数值模拟法:利用计算机软件进行有限元分析,模拟重组竹材料在拉伸过程中的应力分布和变形情况,通过对模拟结果进行处理得到设计值。
影响因素重组竹抗拉强度设计值受多个因素的影响,下面列举了一些重要的影响因素:1.竹材种类:不同种类的竹材具有不同的力学性质,抗拉强度也会有所差异。
2.竹材处理方式:经过不同的加工处理,竹材的力学性质会发生变化,从而影响抗拉强度。
3.结构形式:重组竹可以采用不同的结构形式,如板材、梁柱等,在不同结构形式下抗拉强度也会有所差异。
4.使用条件:使用环境和条件对重组竹抗拉强度设计值也有一定影响。
例如,在高温、潮湿或震动等特殊环境下,重组竹的抗拉性能可能会发生变化。
提高重组竹抗拉强度设计值的方法为了提高重组竹抗拉强度设计值,可以采取以下方法:1.优化材料选择:选择具有较高抗拉强度的竹材种类,如毛竹、绿竹等。
2.合理处理加工:通过科学合理的加工处理,如热压、化学处理等,改善竹材的力学性质。
3.设计合理的结构形式:根据具体应用需求和使用条件,设计出合适的结构形式,以提高抗拉强度。
重组竹物理力学性质基础研究重组竹是将竹材疏解成通长、相互交联并保持纤维原有排列方式的疏松网状纤维束,经干燥、施胶、组坯成型后热压而成的板状或其他形式的材料。
重组竹强度高且原材料来源丰富,在建筑结构中有较好的推广应用前景。
虽然高强度重组竹已经在示范建筑中得到应用,但是由于其材料性能、力学性质影响因素以及特征值、设计值未知,因此在建筑中的推广受到限制,研究重组竹强度性质,对于重组竹材结构利用,以及在木结构中的推广具有重要的现实意义。
本论文采用工厂生产、竹纤维束经过碳化处理的成品重组竹,对其气干密度、全干密度、抗拉强度(UTS)、抗拉弹模、顺纹压缩强度(UCS)、横纹局部压缩强度、抗弯强度(MOR)、抗弯弹模(MOE)和剪切强度(SS)性质进行研究,探讨重组竹力学性质的影响因素,确定其力学性质特征值的取样方法和计算方法。
具体结论如下:1.采用非参数法选取各力学性质的49个百分位值,通过线性模型和非线性模型(幂函数、指数函数)的拟合,建立了重组竹不同力学性质间关系式,得到关系模型拟合优度,并对模型精度进行检验。
2.重组竹力学性质影响因素分析研究:(1)含水率对重组竹力学强度影响较大。
力学强度随含水率的增加而降低,降幅明显,呈直线下降,对弹性模量影响不大。
(2)重组竹密度与力学性质间关系拟合较好,幂函数与一元线性函数拟合精度均较高,推荐使用一元线性函数对密度和力学性质间关系进行拟合。
光学显微镜图片显示胶黏剂含量是影响重组竹密度的重要因素,竹材细胞壁撕裂程度影响胶黏剂渗入量。
(3)纹理角度影响重组竹力学性质。
重组竹力学强度随纹理角度的增加而降低,斜纹理承压试样破坏模式分0°-10°顺纹褶皱破坏,20°-50°剪切破坏,60°-90°横纹受压破坏。
斜纹理力学性质预测模型中,GB 50005预测值高于实测值,Norris公式低于预测值,Hankinson公式预测值与实测值接近,不推荐使用GB 50005对重组竹力学强度进行预测。
重组竹力学性能及设计强度取值研究
束必清;张文娟;陶玉鹏;李晨;张苏俊;肖忠平;傅乃强;俞君宝;顾一鸣;卢晓宁
【期刊名称】《西北林学院学报》
【年(卷),期】2022(37)2
【摘要】竹材为快速可再生材料,性能优越,用于建筑领域可提高长期固碳能力、增加经济附加值,且建筑业迫切需要寻找再生资源降低对环境的影响。
通过试验研究浙江省4~5年生毛竹枝下材制成的重组竹顺纹抗拉、顺纹抗剪、抗弯强度、抗弯弹性模量及其破坏模式,参照《木结构设计手册》分析其设计值,并将其与常见建筑材料进行对比。
结果表明,顺纹抗拉强度设计值为16.3 MPa,抗拉破坏属于脆性破坏,破坏模式有3种:受拉纤维拉断、锯齿状界面剪切破坏、纤维拉断和界面剪切破坏同时发生;顺纹抗剪强度设计值为3.69 MPa,抗剪破坏属于脆性破坏,破坏模式为纤维界面的剪切破坏;抗弯强度设计值和抗弯弹性模量分别为33.8 MPa和8.3 GPa,抗弯破坏属于塑性破坏,破坏模式为受拉纤维先拉断、受压纤维后压溃破坏。
重组竹可作为建筑结构主体受力材料使用,但须适当提高抗压和抗剪安全系数,用作受弯构件时以挠度控制较为准确。
【总页数】7页(P216-222)
【作者】束必清;张文娟;陶玉鹏;李晨;张苏俊;肖忠平;傅乃强;俞君宝;顾一鸣;卢晓宁【作者单位】南京林业大学材料科学与工程学院;扬州工业职业技术学院建筑工程学院
【正文语种】中文
【中图分类】S781.21
【相关文献】
1.重组竹轴心受压力学性能试验研究
2.新型钢框重组竹模板力学性能试验研究
3.基于重组竹的结构用胶合竹材力学性能试验研究
4.结构用侧压竹集成材强度取值研究
5.重组竹顺纹冲击力学性能研究
因版权原因,仅展示原文概要,查看原文内容请购买。
竹材原态仿生重组材抗压性能研究本研究源自于国家自然科学基金“竹材原态仿生重组胶合性能及关联力学特性研究”(31470582)。
本文研究目标为:基于仿生学原理,通过对竹材原态仿生重组材的强度和刚度的性能表征,充分理解蜂窝结构在竹材原态仿生重组材中体现的结构特性与力学特性,揭示竹单元对整体力学性能的贡献。
从而找到竹材原态仿生重组材竹单元个体与材料整体的力学关系,加快竹材原态仿生重组材在仿生领域的应用步伐,并为应用于建筑领域提供理论基础和数据支撑。
本文研究内容为:采用竹材原态仿生重组材连续成型工艺,通过研究竹材原态仿生重组材的长细比和竹单元直径对竹材原态仿生重组材抗压性能、破坏特征的影响,开展大规格、仿生竹质工程构件的制造和性能评价研究。
并对竹材原态仿生重组材成型机进行了优化设计。
为原生态竹材在竹质工程材料领域的应用提供行之有效的方案。
主要研究工作与成果:(1)完成了竹材原态仿生重组材竹单元的制造工艺与竹材原态仿生重组材的成型工艺,并利用轴向抗压的方法对制备的2种规格(长度1100mm和1500mm)的竹单元进行了破坏模式的研究、抗压性能的表征。
结果表明:2种竹单元均是屈曲破坏;竹单元长度1100mm和1500mm的竹单元最大抗压强度平均值分别为34.4kN和31.5kN,而其最大纵向变形平均值分别为9.7mm和13.4mm;2组竹单元均表现出了明显的弹性阶段、弹塑性阶段和塑性下降阶段。
并提出了竹单元的允许应力的计算公式。
通过力学计算公式,可在工程设计上对竹单元进行筛选,为竹材原态仿生重组材的制造提供符合力学性能要求的竹单元。
(2)通过轴向抗压的方法,研究了不同长细比的竹材原态仿生重组材的破坏模式、抗压性能。
得到如下结论:竹材原态仿生重组材的破坏大多发生在外围竹筒,以外鼓、劈裂为主要形式,粘结各竹筒的胶层未见明显破坏;短柱(竹材原态仿生重组材长度为368mm、736mm)以竹材材料的破坏为主要特征,而长柱(竹材原态仿生重组材长度为1840mm)则多发生屈曲破坏;随着竹材原态仿生重组材长细比的增加,5组试件的承载力略有降低,总体可预测;从长细比4到6(即竹材原态仿生重组材长度736mm到1104mm)竹材原态仿生重组材的极限载荷下降明显;竹材原态仿生重组材的最大轴压变形随着长细比的变化的规律与二次函数趋势一致。
重组竹纵向拉伸实验方案1. 实验目的对重组竹进行纵向抗拉实验,在比例极限内按应力与应变关系,肯定重组竹纵向抗拉弹性模量;按最大加载力与面积的关系,肯定重组竹纵向抗拉极限强度。
2. 实验设备本次实验所用设备有:SANS全能力学实验机、TDS-530静态数据收集系统。
3. 实验概述试件制作参考《建筑用竹材物理实验方式》JG/T 199-2021 关于竹材抗拉试件的相关要求,本次实验采用的竹材抗拉试件尺寸如图所示,夹头结尾到有效区间始端弧度依照标准半径R=280mm,有效区域长度L0=70 mm,宽度W0=8 mm,厚度T0=8 mm;试件总长度L=250 mm。
试件编号依次为:1-1,1-2……1-30。
,整个试样上各尺寸的相对误差,试样长度、宽度和厚度的允许误差为0.5mm不该大于0.1mm。
图纵向抗拉试件尺寸实验步骤(1)测量三次抗拉试件有效区域(中间段长度70 mm)宽度和厚度,取平均值并记录;标记抗拉试件有效区间中线,用于粘贴应变片及加载时调整试件的垂直度。
(2)在抗拉试件有效区间的中部一侧粘贴应变片。
实验采用的应变片栅格大小为20 mm×3 mm,灵敏系数为。
(3)将抗拉试件安装到实验机上,并将力传感器、应变片与TDS-530静态数据收集系统连接,测定收集仪电压与荷载转换系数K为。
(4)随机选取6个试件测定材料的弹性区间,最终肯定的弹性循环区间为1000~2000N;加载速度为50 N/s。
由程序控制的加载制度如下:1.力控制50 N/s,目标力控制1000 N(下限荷载值);2.力控制50 N/s,目标力控制2000 N(上限荷载值);3.力控制50 N/s,目标力控制800 N(倍下限荷载值);4.力控制50 N/s,目标位移控制100 mm。
其中,步骤1~3循环6次。
(5)计算。
计算弹性模量和极限拉应力。
在六次循环加载中,取后四次平均值别离按式3-1计算弹性模量。
按式3-2计算抗拉强度。
εA ΔΔFE t =(3-1)式中:t E ——抗拉弹性模量,MPa ;ΔF ——受拉荷载增量,N ; Δε——受拉纵向应变增量; A ——试件有效截面面积,2mm 。
AF σut =(3-2) 式中:t σ——抗拉强度,MPa ;u F ——极限拉力,N ;A ——试件抗拉截面积,2mm 。
参考GB1938-91《木材顺纹抗拉强度实验方式》,试样含水率为9%~15%时,顺纹抗拉强度按3-3式计算,准确至。
12=[1+0.015-12w W σσ()] (3-3) 式中:12σ——试样含水率为12%时的抗拉强度,可取12=t σσ; W ——试样含水率,%。
实验结果表重组竹纵向抗拉强度、弹性模量试件截面长截面宽截面积最大力抗拉强度弹性模量(MPa )编(mm)(mm)(mm2)(kN)(MPa)号1-11-21-31-41-51-61-71-81-91-11-111-121-131-141-11-1 61-1 71-1 81-1 91-2 01-2 11-2 21-2 31-2 41-2 51-21-271-281-291-3平均值标准差重组竹纵向紧缩实验方案1. 实验目的重组竹纵向紧缩实验时,在比例极限阶段内以应力、应变的关系,肯定重组竹纵向抗压弹性模量;按最大加载力与面积的关系,肯定重组竹纵向抗压强度。
2. 实验设备微机控制电液伺服压力实验机(最大负荷1000 kN)及TDS-530静态数据收集系统。
3. 实验概述试件制作参考ASTM D143-09 关于竹材抗压试件的相关要求,本次实验采用的竹材纵向抗压试件尺寸如图所示。
试件编号依次2-1,2-2……2-15。
试样长度、宽度,整个试样上各尺寸的相对误差,不该大于0.1mm。
和厚度的允许误差为0.5mm本实验设计尺寸为50 mm×50 mm×200mm。
图纵向抗压试件尺寸实验步骤(1)测量三次抗压试件截面长度、宽度和试件高度,精准至mm,取平均值并记录;称量每一个抗压试件质量,并记录。
(2)选取竹丝纹理清楚、大体无缺点的两对面,标记侧面中心线并粘贴应变片。
实验采用应变片栅格大小为20 mm×3 mm,灵敏系数为。
(3)将抗压试件安装到实验机,并将力传感器、应变片与TDS-530静态数据收集系统连接。
(4)随机选取6 个试件测定重组竹纵向抗压的弹性区间,最终肯定的弹性循环区间为30~150 kN;加载速度为700 N/s。
由程序控制的加载制度如下:1.力控制700 N/s,目标力控制30 kN(下限荷载值);2.力控制700 N/s,目标力控制150 kN(上限荷载值);3.力控制700 N/s,目标力控制24 kN(倍下限荷载值);4.力控制700 N/s,目标力控制1000 kN。
其中,步骤1~3循环6 次;全程加载时间约50分钟。
(5)计算。
计算弹性模量、泊松比和极限压应力。
在六次循环加载中,取后四次平均值别离按式3-1和3-2计算弹性模量和泊松比。
6次加载循环完后继续加载,加载制度700N/S ,试件进入非线性变形后,改用位移控制单调加载,加载速度为1mm/min,直至试件破坏。
按式3-3计算抗压强度。
εA ΔΔFE C =(3-1) 式中:C E ——弹性模量,MPa ; ΔF ——荷载增量,N ; Δε——纵向应变增量; A ——试件抗压截面积,2mm 。
12εευ-= (3-2) 式中:υ——泊松比; 2ε——横向应变;1ε——纵向应变。
AF σuc =(3-3) 式中:c σ——抗压强度,MPa ;u F ——极限压力,N ;A ——试件抗压截面积,2mm 。
3.2.3实验结果表3. 1重组竹纵向抗压强度、弹性模量和泊松比表试件边长a边长b抗压截面积(mm 2) 极限压力(kN) 极限压应 力(MPa )弹 性泊松比编号(mm)(mm)模量(MPa)2-12-22-32-42-52-62-72-82-92-102-102-122-132-142-15平均值标准差变异系数重组竹横向紧缩实验方案1.实验目的重组竹横向紧缩实验时,在比例极限阶段内以应力、应变的关系,肯定重组竹横向抗压弹性模量;按最大加载力与面积的关系,肯定重组竹横向抗压强度。
2.实验设备微机控制电液伺服压力实验机(最大负荷1000 kN)及TDS-530静态数据收集系统。
3.实验概述试件制作参考ASTM D143-09 关于竹材抗压试件的相关要求,本次实验采用的竹材横向抗压试件尺寸如图所示。
试件编号依次3-1,3-2……3-15。
试样长度、宽度,整个试样上各尺寸的相对误差,不该大于0.1mm。
和厚度的允许误差为0.5mm本实验设计尺寸为50 mm×50 mm×150mm。
图横向抗压试件尺寸实验步骤(1)测量三次抗压试件截面长度、宽度和试件高度,精准至mm,取平均值并记录;称量每一个抗压试件质量,并记录。
(2)选取竹丝纹理清楚、大体无缺点的两对面,标记侧面中心线并粘贴应变片。
实验采用应变片栅格大小为20 mm×3 mm,灵敏系数为。
(3)将抗压试件安装到实验机,并将力传感器、应变片与TDS-530静态数据收集系统连接。
(4)随机选取6 个试件测定重组竹纵向抗压的弹性区间,最终肯定的弹性循环区间为30~150 kN;加载速度为700 N/s。
由程序控制的加载制度如下:1.力控制700 N/s ,目标力控制30 kN (下限荷载值);2.力控制700 N/s ,目标力控制150 kN (上限荷载值);3.力控制700 N/s ,目标力控制24 kN ( 倍下限荷载值);4.力控制700 N/s ,目标力控制1000 kN 。
其中,步骤1~3循环6次;全程加载时间约50分钟。
(5)计算。
计算弹性模量、泊松比和极限压应力。
在六次循环加载中,取后四次平均值别离按式3-1和3-2计算弹性模量和泊松比。
6次加载循环完后继续加载,加载制度700N/S ,试件进入非线性变形后,改用位移控制单调加载,加载速度为1mm/min,直至试件破坏。
按式3-3计算抗压强度。
εA ΔΔFE C =(3-1) 式中:C E ——弹性模量,MPa ; ΔF ——荷载增量,N ; Δε——纵向应变增量; A ——试件抗压截面积,2mm 。
12εευ-= (3-2) 式中:υ——泊松比; 2ε——横向应变;1ε——纵向应变。
AF σuc =(3-3) 式中:c σ——抗压强度,MPa ;F ——极限压力,N ;A——试件抗压截面积,2mm。
3.2.3实验结果表3. 1重组竹横向抗压强度、弹性模量和泊松比表试件编号边长a(mm)边长b(mm)抗压截面积(mm2)极限压力(kN)极限压应力(MPa)弹性模量(MPa)泊松比3-13-23-33-43-53-63-783-93-103-103-123-133-143-15平均值标准差变异数重组竹横向拉伸实验方案11. 实验目的对重组竹进行横向抗拉实验,测得相应横向抗拉强度、弹性模量及拉伸应力应变曲线。
2. 实验设备SANS全能力学实验机、TDS-530静态数据收集系统。
3. 试样概述形状及尺寸参考ASTM D143-09 关于竹材抗拉试件的相关要求,本次实验采用的竹材横向抗拉试件尺寸如图所示。
试件编号依次4-1,4-2……4-35。
试样长度、宽度,整个试样上各尺寸的相对误差,不该大于0.1mm。
和厚度的允许误差为0.5mm试样平面具体尺寸见图3,厚度为50mm。
图横向紧缩构件尺寸图实验步骤(1)测量三次抗拉试件有效区域(中间段长度25 mm)宽度和厚度,取平均值并记录;标记抗拉试件有效区间中线,用于粘贴应变片及加载时调整试件的垂直度。
(2)在抗拉试件有效区间的中部一侧粘贴应变片。
实验采用的应变片栅格大小为20 mm×3 mm,灵敏系数为。
(3)将抗拉试件安装到实验机上,并将力传感器、应变片与TDS-530静态数据收集系统连接,测定收集仪电压与荷载转换系数K 为。
(4)随机选取6个试件测定材料的弹性区间,最终肯定的弹性循环区间为1000~2000N ;加载速度为50 N/s 。
由程序控制的加载制度如下:1.力控制50 N/s ,目标力控制1000 N (下限荷载值);2.力控制50 N/s ,目标力控制2000 N (上限荷载值);3.力控制50 N/s ,目标力控制800 N ( 倍下限荷载值);4.力控制50 N/s ,目标位移控制100 mm 。
其中,步骤1~3循环6次。
(5)计算。
计算弹性模量和极限拉应力。
在六次循环加载中,取后四次平均值别离按式3-1计算弹性模量。
按式3-2计算抗拉强度。
εA ΔΔFE t =(3-1)式中:t E ——抗拉弹性模量,MPa ;ΔF ——受拉荷载增量,N ; Δε——受拉纵向应变增量; A ——试件有效截面面积,2mm 。