同步带轮尺寸表
- 格式:doc
- 大小:800.50 KB
- 文档页数:20
HTD型半圆弧齿同步轮尺寸参数表槽型节距pb齿槽深hg齿槽圆弧半径R齿顶圆半角r1齿槽宽s两倍节顶距2δ齿形角3M3 1.280.910.26~0.35 1.900.762≈14°5M5 2.16 1.560.48~0.52 3.25 1.144≈14°8M8 3.54 2.570.78~0.84 5.35 1.372≈14°14M14 6.20 4.65 1.36~1.509.80 2.794≈14°20M208.60 6.84 1.95~2.2514.80 4.320≈14°同步带轮的节圆直径计算:Dp=p×Z/∏Dp: 节径Z : 齿数∏: 圆周率同步带轮实际外圆直径计算:De= Dp-2δDp:节径δ:节顶距同步轮主要部位尺寸允差值同步轮节距公差Picth tolerance (mm)带轮外径Outside diameter pitch允差偏差Tolerance任意两相临齿间Distance between twoclose gears90弧内约允差Within 90tolerance≤25.400.03+0.05-0>25.40-50.80 0.03+0.08-0>50.80-101.60 0.03+0.10-0>101.60-177.80 0.03+0.13-0>177.80-304.80 0.03+0.15-0>304.80-508.00 0.03 +0.18-0>508.00 0.03+0.20-0同步轮外径公差Tolerance of outisd dimeter of pullet (mm)允差Tolerance带轮外径Outsidedimeter≤25.40+0.05-0>25.40-50.80 +0.08-0>50.80-101.60 +0.10-0>101.60-177.80 +0.13-0>177.80-304.80 +0.15-0>304.80-508.00 +0.18-0>508.00 +0.2-0同步轮端面允许跳动量Allowable bounce of pulley end(mm)带轮外径Outside diameter pitch允许跳动量Bounce of tolerance≤101.60 0.10>101.60-254.00带轮外径×0.001>254.000.25+[(带轮外径-254.00)×0.005]同步轮径向允许跳动量Allowable bounce of pulley warp direction )带轮外径Outside diameter pitch允跳值Bounce of tolerance≤203.20 0.13>203.200.13+(带轮外径-203.20)×0.005型号节距pb齿高侧圆半径齿槽宽齿底角齿顶角S2M20.76 1.325 1.300.10.19S3M3 1.11 1.975 1.950.150.28 S4.5M 4.5 1.59 2.98 2.930.220.48 S5M5 1.77 3.275 3.250.250.55 S8M8 2.83 5.30 5.200.40.9 S14M14 4.959.289.100.7 1.6 STD半圆弧齿槽平底型同步轮尺寸参数表T型同步轮尺寸参数表型号节距pb 形状形状ygradrbSE br N br SE hg N hg 偏差 偏差 偏差mix±15°max 偏差T2.52.5 1.75+0.051.83+0.050.75+0.051250.2T5 5.0 2.96+0.053.32+0.051.25+0.051.95250.4T1010.0 6.02+0.16.57+0.12.6+0.13.4250.6T2020.011.65+0.1512.6+0.155.2+0.13625梯形直边齿同步轮尺寸参数表型号节距pb齿槽底宽bw齿槽深hg齿槽角度Ψ±1.5°齿根圆角半径rb齿顶角半径rt2δMXL2.0320.84±0.050.69200.350.130.508 XL 5.080 1.32±0.05 1.65250.410.640.508 L9.525 3.05±0.10 2.6720 1.19 1.170.762 H12.70 4.19±0.13 3.0520 1.60 1.6 1.372 XH22.2257.90±0.157.1420 1.98 2.39 2.794 XXH31.75012.17±0.1810.3120 3.96 3.18 3.048。
T型齿同步带之邯郸勺丸创作创作时间:二零二一年六月三十日欲参考每种型号的详细尺寸, 请点击“详细规格”型号节距(mm) 齿高(mm) 带厚(mm) 角度β°查看MXL 40 详细规格XL 50 详细规格L 40 详细规格H 40 详细规格XH 40 详细规格XXH 40 详细规格40 详细规格T5 5 40 详细规格T10 10 40 详细规格T20 20 40 详细规格AT5 5 50 详细规格AT10 10 50 详细规格AT20 20 50 详细规格同步带规格、型号、尺寸表MXL 型(节距= 2.032mm )规格节线长 (mm)模宽(mm)齿数21MXL6026 22MXL 6027 26MXL10033 28MXL16035同步带规格、型号、尺寸表XL 型(节距=5.080mm)同步带规格、型号、尺寸表L 型(节距=9.525mm)同步带规格、型号、尺寸表H 型(节距=12.70mm)同步带规格、型号、尺寸表XH 型(节距=22.225mm)同步带规格、型号、尺寸表XXH 型(节距=31.750mm)同步带规格、型号、尺寸表T2.5 型(节距=2.50mm)同步带规格、型号、尺寸表T 5 型(节距=5.00mm)同步带规格、型号、尺寸表T 10 型(节距=10.00mm)同步带规格、型号、尺寸表T20型(节距=20.00mm)同步带规格、型号、尺寸表AT5型(节距=5.00mm)同步带规格、型号、尺寸表AT10型(节距=10.00mm)同步带规格、型号、尺寸表AT20型(节距=20.00mm)圆弧齿工业同步带发表时间:1117 文字〖〗阅读次数:208齿型代号型号节距 (mm) 齿高(mm) 带厚(mm) 详细尺寸HTD2M 2 3M 3 5M5 8M 8 14M 14 20M 20 STPD/STSS2M 2 S3M 3S5M 5 S8M 8 S14M 14 RPP/HPPD 2M 2 3M3 5M5 8M 8 14M1410HTDSTPD / STSRPD / HPPDDA 型双面齿同步带, 其两面带齿呈对称排列DB 型双面齿同步带, 其两面带齿呈交错位置排双面齿同步带的总高度汽车同步带的结构组成:1、背胶2、芯线3、齿胶4、齿布汽车用同步带汽车用同步带相关指数汽车用同步带聚氨酯工业氯丁橡胶型工业用周节制同步带氯丁橡胶型工业氯丁橡胶型同步带氯丁橡胶型型号节距pb 齿高ht 带高hsMXLXLLHXHXXHT5 5T10 10T20 20AT5 5AT10 10同步带性能表试验项目节距代号MXL XL L H拉伸试验拉伸强度≥伸长率≤%伸长试验的载荷表注:伸长率是下表所示的载荷时伸长率.节距型号MXL XL L H 荷载分类型号厚度mm 最小轮径mm 延伸龙带主机带尼龙芯体假捻机倍捻机气流纺细纱机包覆丝机电线电缆牵伸机高强度马达皮带TFL6S 60 TFL7S 75 TFL10S 100 TFL15S 150 TFL20S 280 TFM7S 75 TFM10S 100 TFM15S 150 TFM20S 280 M1000GS 100 L(A)750 75 L(A)1000 100 L(A)1500 150 L(A)2000 200 M(A)750 75 M(A)1000 100 M(A)1500 150M(A)2000 200 H(A)500 75 H(A)750 95 H(A)1000 120 H(A)1500 170 H(A)2000 220龙带聚氨酯芯体CFTG27F 55 CFTG40F 70风机皮带IRS6S 60分类型号厚度mm 最小轮径mm 延伸轻型传动输送数控机床印刷装订SG250 25 SG350 35 SG500 50 SG750 75 SG1000 100一般传动输送纺织染色开棉梳棉L(A)250 25 L(A)350 35 L(A)500 50 M(A)250 30 M(A)350 40 M(A)500 50糊盒机折纸机数控机床电子工业SEAWN 80 SEAGN 80 SEANR 8045 XH5004 60 XH5006 80 XH7504 75 XH10004 75 XH10005 80村田假捻机小龙带假捻皮圈SEAPB 15 SEBPB 25 SETWS53 15 33H 8*320 15 33F 8*230 15年夜元机带IR500 60考每种型号的详细尺寸, 请点击“详细规格”型号楔距 Pb 带高 h 楔角a°查看PH 3 40 详细规格PJ 4 40 详细规格PK 6 40 详细规格PL 10 40 详细规格PM 17 40 详细规格多楔带兼有v带和平带二者的优点, 既有平带的柔软、强韧的特点, 又有v带紧凑、高效等优点.它的特点如下:1.传动功率年夜, 空间相同时比普通V带的传动功卒的高30%.2.传动系统结构紧凑,同的传动功率情况下, 传递装置所占空间比普通V带小25%.3.带体薄, 富有柔软性, 适应带轮直径传动, 也适应高速传动, 带速可达40m/s;振动小, 发热少, 运转平稳.4.耐热、耐油、耐磨, 使用伸小, 寿命长. 本公司生产的橡胶多楔带系列产物, 引进国外先进技术和生产设备, 产物的主要原资料骨架资料、橡胶等)均从国外领先的专业生产公司定点推销进口.产物已通过国家级技术鉴定, 获国家级重点新产物称号, 产物品质到达国外同类产物的先进水平.多楔带规格、型号、尺寸表PH型型号有效长度(mm)型号有效长度(mm)型号有效长度(mm)PH605PH1072PH2045PH607PH1082PH2067PH617PH1087PH2097PH621PH1092PH2117PH627PH1104PH2142PH631PH1113PH2196PH639PH1117PH2316PH641PH1127PH2324多楔带规格、型号、尺寸表PJ型多楔带规格、型号、尺寸表PK型多楔带规格、型号、尺寸表PL型PL739PL1298PL2862PL753PL1314PL2909PL760PL1364PL2923PL773PL1369PL1943PL779PL1390PL3013PL784PL1405PL3069PL792PL1429PL3133PL815PL1459PL3183PL830PL1462PL3399PL832PL1506PL3459PL846PL1534PL3555PL859PL1543PL3581PL868PL1565PL3669PL871PL1583PL4344PL876PL1628PL4439PL880PL1644PL4486PL925PL1669PL4629PL934PL1682PL4790PL944PL1707PL5360PL948PL1757PL5494PL959PL1795PL5909PL979PL1814PL6010PL997PL1847PL6179PL1001PL1872PL6259PL1022PL1924PL7039PL1026PL1980PL7124PL1031PL1999变速带窄V带切割式V带系列产物包括:切割式工业用变速宽V带(无级变速带)、切割式普通V带、切割式窄V带、切割式汽车V带、切割式摩托车V带、农业机械用变速(半宽)V带、年夜楔角V带, 及各种型号类型的V带产物, 广泛应用于石油、化1、轻工、矿山、冶金、纺织、汽车等机械设备传动装置上.切割式V带系列产物底面设计成结构合理的齿形, 使传动装置能使用外径更小的带轮, 从而进一步提高了V 带的耐热、耐屈挠性能.它还具有长度准确、伸长率小的特点, 使用寿命比普通V带明显提高, 是机械传动领域更新换代的最佳产物.为保证本公司伏龙牌切割式V带系列产物的优良品质, 其主要原资料(如骨架资料、橡胶等)均从国外领先的专业生产公司定点推销进口, 产物各项技术要求均按国际、国家和国外先进标准生产.产物质量接近国外同类产物水平.1、工业用变速宽V带注:变速带的节线长请参阅2、切割式普通V带和窄V带型号顶宽节宽带高角度普通V带Y 6 4 40 z 10 6 40A 13 11 8 40B 17 14 11 40C 22 19 14 40D 32 27 19 40E 38 32 23 40窄V带SPZ 10 8 8 40 SPA 13 11 10 40 SPB 17 14 14 40 SPC 22 19 18 40 3V(9N) 8 40 5V(15N) 16 40 8V(25N) 23 40HTD同步带轮齿型尺寸(mm)节距型号节距齿高底圆半径齿槽宽齿顶圆齿形角type pb ht R S 半径r angle 3M 3 ︽14°5M 5 ︽14°8M 8 ︽14°14M 14 ︽14°T型同步带轮齿形尺寸(mm)齿距型状type 型状type Yrb rt 2a S E N S E N Grad代号br br hg hg上下偏差上下偏差上下偏差miX max上下偏差1 250 0 0 0T25 25 10 0 0 0T10 25 20 0 0 0T20 6 25 30 0 0 0周节制同步带轮齿形尺寸(mm)节线代号bw hg £+1.5° rb rt 2 £typeMXL 20XXL 25XL 25L 20H 20XH 20XXH 20变速皮带公制英制??广角带(联组带)PGGT齿形同步带型号宽*高(mm)3M 3*25M 5*37M 7*511M 11*7POL YCHAIN齿形带多槽皮带RPP齿型同步带方齿形同步带创作时间:二零二一年六月三十日。
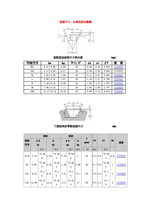
齿型尺寸、公差及技术参数齿轮直边齿形尺寸和公差(mm)节线代号bw hgΨ+1.5 °rb rt2δ查看MXL±20详细规格XXL±25详细规格XL±25详细规格L±20详细规格H±20详细规格XH±20详细规格XXH12.17 ±20详细规格T 型齿同步带轮齿型尺寸(mm)形状形状y齿距S E N S E N rb rt2agrad查察代号br br hg hg偏差偏差偏差mix±.15 °max偏差12500详细规格00T525100详细规格00T10252详细规格0000T206253详细规格0000HTD同步带轮齿型尺寸(mm)节距型号节距齿高底圆半径齿槽宽齿顶圆半径齿形角查看3M3≈14°详细规格5M5≈14°详细规格8M8≈14°详细规格14M14≈14°详细规格MXL型同步带轮尺寸表单位: (mm)规格齿数节径 d外径 do档边直径 df档边内径 db档边厚度 h 22MXL221812123MXL231812124MXL241812125MXL251812126MXL262211127MXL272211128MXL282211129MXL292211130MXL302211132MXL322515134MXL342515136MXL3626171 38MXL3829181 40MXL4029181 42MXL4229181 44MXL4432211 46MXL4632211 48MXL481 50MXL501 52MXL52281 60MXL6044321 72MXL7251361XL 型同步带轮尺寸表单位: (mm)规格齿数节径 d外径 do档边直径档边内径档边厚度 hdf db10XL102211111XL112211112XL122515113XL132515114XL142617115XL152918116XL162918117XL173221118XL183221119XL19120XL2028121XL214027122XL224027123XL234027124XL244432125XL254432126XL264929127XL274838128XL284838130XL305136132XL32584734XL34584736XL36614538XL38644840XL40685242XL42736144XL44786646XL46786648XL48826450XL50867060XL601027072XL72121109L型同步带轮尺寸表单位: (mm)规格齿数节径 d外径 do档边直径 df档边内径 db档边厚度 h 12L124027113L134432114L144929115L155136116L165439117L17614518L18614519L19614520L20644821L21685222L22755523L23755524L24806025L25826426L26867027L27867028L28907030L30987832L321029034L349036L361159538L3812310340L4013111142L4213811844L4414612646L4615313348L4850L5060L6072L7284L8496L96H型同步带轮尺寸表单位: (mm)规格齿数节径 d外径 do档边直径 df档边内径 db档边厚度 h 14H14644815H15685216H16755517H17755518H18806019H19826420H20867021H21907022H22987823H23987824H241068825H251068826H269027H271159528H2812310330H3013111132H3213811834H3414612636H3615313338H38164142240H40170150242H4244H4446H4648H4850H5060H6072H7284H8496H96XH 型同步带轮尺寸表单位: (mm)规格齿数节径 d外径 do档边直径档边内径档边厚度df db h 18XH1813911019XH1914611720XH2015312421XH2116013122XH2216713823XH2317414524XH2418115225XH2518815926XH2619516627XH2720217328XH2820918030XH3032XH3240XH4048XH4860XH6072XH7284XH8496XH96120XH120XXH 型同步带轮尺寸表单位: (mm)规格齿数节径 d外径 do档边直径档边内径档边厚度df db h18XXH1819915719XXH1920916720XXH2021917721XXH2122918722XXH2223919724XXH2425XXH2526XXH2627XXH2730XXH3040XXH4048XXH4860XXH6072XXH72型同步带轮尺寸表单位: (mm)规格齿数节径 d外径 do档边直径档边内径档边厚度df db h19181212018121211812122221112322111242211125221112625151272515128251512925151302918132291813432211363221138322114014228144402714640271484027150443216051361T5 型同步带轮尺寸表单位: (mm)规格齿数节径 d外径 do档边直径 df档边内径 db档边厚度 h 10-T5101812111-T5112211112-T5122515113-T5132515114-T5142515115-T5152617116-T5162918117-T5172918118-T5183221119-T519120-T520121-T52128122-T5224027123-T5234027125-T5254432126-T5264432127-T5274838128-T5284838129-T5295136130-T5305136132-T532543934-T534284736-T536614538-T538644840-T540685242-T542736144-T544736146-T546786648-T548826450-T550867060-T56010290T10 型同步带轮尺寸表单位: (mm)规格齿数节径 d外径 do档边直径 df档边内径 db档边厚度 h 12-T10124027113-T10134929114-T10144929115-T10155136116-T10165439117-T1017614518-T1018614519-T1019644820-T1020685221-T1021755522-T1022755523-T1023806024-T1024826425-T102526-T1026907027-T1027907028-T1028987829-T1029987830-T10301028332-T10321068836-T103612310338-T103813111140-T104013111142-T104213811844-T104414612646-T104615313348-T104850-T105060-T1060T20 型同步带轮尺寸表单位: (mm)规格齿数节径 d外径 do档边直径档边内径档边厚度df db h18-T20181249819-T201913010420-T202013611021-T202114311722-T202214912323-T202315613024-T202416213625-T202516814226-T202617514927-T202718115528-T202818716129-T202919416830-T203020017432-T203234-T203436-T203638-T203840-T204042-T204244-T204446-T204648-T204850-T205060-T20603M 型同步带轮尺寸表单位: (mm)规格齿数节径 d外径 do档边直径档边内径档边厚度 hdf db 15-3M1518101 16-3M1618101 17-3M1722111 18-3M1822111 19-3M1922111 20-3M2022111 21-3M2122111 22-3M2225151 23-3M2325151 24-3M2426171 25-3M2526171 26-3M2629181 27-3M2729181 28-3M28129181 30-3M3032211 32-3M321 34-3M34281 36-3M3640271 38-3M3840271 40-3M4044321 42-3M4244321 44-3M4448381 46-3M4648381 48-3M4848381 50-3M5051361 60-3M60614572-3M7273615M 型同步带轮尺寸表单位: (mm)规格齿数节径 d外径 do档边直径 df档边内径 db档边厚度 h 14-5M142515115-5M152918116-5M162918117-5M173221118-5M183221119-5M19120-5M20121-5M214027122-5M224027123-5M234027124-5M244432125-5M254432126-5M264432127-5M274929128-5M284838130-5M305136132-5M325439134-5M34584736-5M36614538-5M38644840-5M40685242-5M42736144-5M44736146-5M46786648-5M48826450-5M50867060-5M60102908M 型同步带轮尺寸表单位: (mm)规格齿数节径 d外径 do档边直径 df档边内径 db档边厚度 h 22-8M22614523-8M23644824-8M24685225-8M25755526-8M26755527-8M27755528-8M28806030-8M30826432-8M32907034-8M34987836-8M36987838-8M381068840-8M409042-8M421159544-8M4412310346-8M4612310348-8M4813111150-8M5013811864-8M6472-8M7280-8M8090-8M90112-8M11214M 型同步带轮尺寸表单位: (mm)规格齿数节径 d外径 do档边直径档边内径档边厚度df db h28-14M2813410829-14M2913811230-14M3014311732-14M3215212634-14M3416113536-14M3617014438-14M3817915340-14M4018716142-14M4219617044-14M4420517946-14M4648-14M4850-14M5056-14M5664-14M6472-14M7280-14M8090-14M90。
齿型尺寸、公差及技术参数齿轮直边齿形尺寸和公差(mm)节线代号bwhgΨ+1.5°rbrt2δ查 看MXL 0.84±0.05 0.69 20 0.35 0.13 0.508 详细规格XXL 1.14±0.05 0.84 25 0.35 0.30 0.508 详细规格 XL 1.32±0.05 1.65 25 0.41 0.64 0.508 详细规格L 3.05±0.10 2.67 20 1.19 1.17 0.762 详细规格H 4.19±0.13 3.05 20 1.60 1.6 1.372 详细规格XH 7.90±0.15 7.14 20 1.98 2.39 2.794 详细规格XXH12.17±0.1810.31203.963.183.048详细规格T 型齿同步带轮齿型尺寸(mm)齿距 代号形状形状 y gradrbrt2a查看S E br N br S E hgN hg偏差偏差 偏差 mix ±.15° max 偏差T2.5 1.75+0.05 0 1.83+0.05 0 0.75+0.05 0 1 25 0.2 0.3+0.05 0 0.6 详细规格T5 2.96 +0.05 0 3.32 +0.05 0 1.25 +0.05 0 1.95 25 0.4 0.6 +0.05 0 1 详细规格T10 6.02 +0.1 0 6.57 +0.1 0 2.6 +0.1 0 3.4 25 0.6 0.8 +0.1 0 2 详细规格T20 11.65 +0.15 012.6 +0.15 05.2 +0.13 06 25 0.8 1.2 +0.1 03 详细规格HTD同步带轮齿型尺寸(mm)节距型号节距齿高底圆半径齿槽宽齿顶圆半径齿形角查 看3M 3 1.28 0.91 1.90 0.3 ≈14° 详细规格5M 5 2.16 0.56 3.25 0.48 ≈14° 详细规格8M 8 3.54 2.57 5.35 0.8 ≈14° 详细规格14M 14 6.20 4.65 9.80 1.4 ≈14° 详细规格MXL型同步带轮尺寸表单位:(mm)规格齿数节径 d外径 do档边直径 df档边内径 db档边厚度 h 22MXL 22 14.23 13.72 18 12 123MXL 23 14.88 14.37 18 12 124MXL 24 15.52 15.02 18 12 125MXL 25 16.17 15.66 18 12 126MXL 26 16.82 16.31 22 11 127MXL 27 17.46 16.96 22 11 128MXL 28 18.11 17.60 22 11 129MXL 29 18.76 18.25 22 11 130MXL 30 19.40 18.90 22 11 132MXL 32 20.70 20.19 25 15 134MXL 34 21.99 21.48 25 15 136MXL 36 23.29 22.78 26 17 1 38MXL 38 24.58 24.07 29 18 1 40MXL 40 25.87 25.36 29 18 1 42MXL 42 27.17 26.66 29 18 1 44MXL 44 28.46 27.95 32 21 1 46MXL 46 29.75 29.25 32 21 1 48MXL 48 31.05 30.54 34.5 24.5 1 50MXL 50 32.34 31.83 34.5 24.5 1 52MXL 52 33.63 33.13 37.8 28 1 60MXL 60 38.81 38.30 44 32 1 72MXL 72 46.57 46.06 51 36 1XL型同步带轮尺寸表单位:(mm)规格齿数节径 d外径 do档边直径df 档边内径db档边厚度 h10XL 10 16.17 15.66 22 11 1 11XL 11 17.79 17.28 22 11 1 12XL 12 19.40 18.90 25 15 1 13XL 13 21.02 20.51 25 15 1 14XL 14 22.64 22.13 26 17 1 15XL 15 24.26 23.75 29 18 1 16XL 16 25.87 25.36 29 18 1 17XL 17 27.49 26.98 32 21 1 18XL 18 29.11 28.60 32 21 1 19XL 19 30.72 30.22 34.5 24.5 1 20XL 20 32.34 31.83 37.8 28 1 21XL 21 33.96 33.45 40 27 1 22XL 22 35.57 35.07 40 27 1 23XL 23 37.19 36.68 40 27 1 24XL 24 38.81 38.30 44 32 1 25XL 25 40.43 39.92 44 32 1 26XL 26 42.04 41.43 49 29 1 27XL 27 43.66 43.15 48 38 1 28XL 28 45.28 44.77 48 38 1 30XL 30 48.51 48.00 51 36 1 32XL 32 51.74 51.24 58 47 1.5 34XL 34 54.97 54.47 58 47 1.5 36XL 36 58.21 57.70 61 45 1.5 38XL 38 61.45 60.94 64 48 1.5 40XL 40 64.68 64.17 68 52 1.5 42XL 42 67.91 67.41 73 61 1.544XL 44 71.15 70.64 78 66 1.546XL 46 74.38 73.87 78 66 1.548XL 48 77.62 77.11 82 64 1.550XL 50 80.85 80.34 86 70 1.560XL 60 97.02 96.51 102 70 1.572XL 72 116.43 115.92 121 109 1.5L型同步带轮尺寸表单位:(mm) 规格齿数节径 d外径 do档边直径 df档边内径 db档边厚度 h 12L 12 36.38 35.62 40 27 113L 13 39.41 38.65 44 32 114L 14 42.45 41.68 49 29 115L 15 45.48 44.72 51 36 116L 16 48.51 47.75 54 39 117L 17 51.54 50.78 61 45 1.518L 18 54.57 53.81 61 45 1.519L 19 57.61 56.84 61 45 1.520L 20 60.64 59.88 64 48 1.521L 21 63.67 62.91 68 52 1.522L 22 66.70 65.94 75 55 1.523L 23 69.73 68.97 75 55 1.524L 24 72.77 72.00 80 60 1.525L 25 75.80 75.04 82 64 1.526L 26 78.83 78.07 86 70 1.527L 27 81.86 81.10 86 70 1.528L 28 84.89 84.13 90 70 1.530L 30 90.96 90.20 98 78 1.532L 32 97.02 96.26 102 90 1.534L 34 103.08 102.32 108.5 90 1.536L 36 109.15 108.39 115 95 1.538L 38 115.21 114.45 123 103 1.540L 40 121.28 120.51 131 111 1.542L 42 127.34 126.58 138 118 1.544L 44 133.40 132.64 146 126 1.546L 46 139.47 138.71 153 133 1.548L 48 145.53 144.7750L 50 151.60 150.8360L 60 181.91 181.1572L 72 218.30 217.5384L 84 254.68 253.9296L 96 291.06 290.30H型同步带轮尺寸表单位:(mm) 规格齿数节径 d外径 do档边直径 df档边内径 db档边厚度 h 14H 14 56.60 55.22 64 48 1.515H 15 60.64 59.27 68 52 1.516H 16 64.68 63.31 75 55 1.517H 17 68.72 67.35 75 55 1.518H 18 72.77 71.39 80 60 1.519H 19 76.81 75.44 82 64 1.520H 20 80.85 79.48 86 70 1.521H 21 84.89 83.52 90 70 1.522H 22 88.94 87.56 98 78 1.523H 23 92.98 91.61 98 78 1.524H 24 97.02 95.65 106 88 1.525H 25 101.06 99.69 106 88 1.526H 26 105.11 103.73 108.5 90 1.527H 27 109.15 107.78 115 95 1.528H 28 113.19 111.82 123 103 1.530H 30 121.28 119.90 131 111 1.532H 32 129.36 127.99 138 118 1.534H 34 137.45 136.07 146 126 1.536H 36 145.53 144.16 153 133 1.538H 38 153.62 152.24 164 142 240H 40 161.70 160.33 170 150 242H 42 169.79 168.4144H 44 177.87 176.5046H 46 185.96 184.5848H 48 194.04 192.6750H 50 202.13 200.7560H 60 242.55 241.1872H 72 291.06 289.6984H 84 339.57 338.2096H 96 388.08 386.71XH 型同步带轮尺寸表单位:(mm)规格齿数节径 d外径 do档边直径df 档边内径db档边厚度h18XH 18 127.34 124.55 139 110 4.5 19XH 19 134.41 131.62 146 117 4.5 20XH 20 141.49 138.69 153 124 4.521XH 21 148.56 145.77 160 131 4.5 22XH 22 155.64 152.84 167 138 4.5 23XH 23 162.71 159.92 174 145 4.5 24XH 24 169.79 166.99 181 152 4.5 25XH 25 176.86 174.07 188 159 4.5 26XH 26 183.94 181.14 195 166 4.5 27XH 27 191.01 188.22 202 173 4.5 28XH 28 198.08 195.29 209 180 4.5 30XH 30 212.23 209.4432XH 32 226.38 223.5940XH 40 282.98 280.1848XH 48 339.57 336.7860XH 60 424.47 421.6772XH 72 509.36 506.5784XH 84 594.25 591.4696XH 96 679.15 676.35120XH 120 848.93 846.14XXH 型同步带轮尺寸表单位:(mm)规格齿数节径 d外径 do档边直径df 档边内径db档边厚度h18XXH 18 181.91 178.87 199 157 5.5 19XXH 19 192.02 188.97 209 167 5.5 20XXH 20 202.13 199.08 219 177 5.5 21XXH 21 212.23 209.19 229 187 5.5 22XXH 22 222.34 219.29 239 197 5.5 24XXH 24 242.55 239.5025XXH 25 252.66 249.6126XXH 26 262.76 259.7227XXH 27 272.87 269.8230XXH 30 303.19 300.1440XXH 40 404.25 401.2148XXH 48 485.10 482.0660XXH 60 606.38 603.3372XXH 72 727.66 724.61T2.5 型同步带轮尺寸表单位:(mm)规格齿数节径 d外径 do档边直径df 档边内径db档边厚度h19-T2.5 19 15.12 14.59 18 12 120-T2.5 20 15.92 15.39 18 12 121-T2.5 21 16.71 16.18 18 12 122-T2.5 22 17.51 16.98 22 11 123-T2.5 23 18.30 17.77 22 11 124-T2.5 24 19.10 18.57 22 11 125-T2.5 25 19.89 19.36 22 11 126-T2.5 26 20.69 20.16 25 15 127-T2.5 27 21.49 20.96 25 15 128-T2.5 28 22.28 21.75 25 15 129-T2.5 29 23.08 22.55 25 15 130-T2.5 30 23.87 23.34 29 18 132-T2.5 32 25.46 24.93 29 18 134-T2.5 34 27.06 26.53 32 21 136-T2.5 36 28.65 28.12 32 21 138-T2.5 38 30.24 29.71 32 21 140-T2.5 40 31.83 31.30 34.5 24.5 142-T2.5 42 33.42 32.89 37.5 28 144-T2.5 44 35.01 34.48 40 27 146-T2.5 46 36.61 36.08 40 27 148-T2.5 48 38.20 37.67 40 27 150-T2.5 50 39.79 39.26 44 32 160-T2.5 60 47.75 47.22 51 36 1T5 型同步带轮尺寸表单位:(mm) 规格齿数节径 d外径 do档边直径 df档边内径 db档边厚度 h 10-T5 10 15.92 15.07 18 12 111-T5 11 17.51 16.66 22 11 112-T5 12 19.10 18.25 25 15 113-T5 13 20.69 19.84 25 15 114-T5 14 22.28 21.43 25 15 115-T5 15 23.87 23.02 26 17 116-T5 16 25.46 24.61 29 18 117-T5 17 27.06 26.21 29 18 118-T5 18 28.65 27.80 32 21 119-T5 19 30.24 29.39 34.5 24.5 120-T5 20 31.83 30.98 34.5 24.5 121-T5 21 33.42 32.57 37.8 28 122-T5 22 35.01 34.16 40 27 123-T5 23 36.61 35.76 40 27 125-T5 25 39.79 38.94 44 32 126-T5 26 41.38 40.53 44 32 127-T5 27 42.97 42.12 48 38 128-T5 28 44.56 43.71 48 38 129-T5 29 46.15 45.30 51 36 130-T5 30 47.75 46.90 51 36 132-T5 32 50.93 50.08 54 39 1.534-T5 34 54.11 53.26 28 47 1.536-T5 36 57.30 56.45 61 45 1.538-T5 38 60.48 59.63 64 48 1.540-T5 40 63.66 62.81 68 52 1.542-T5 42 66.85 66.00 73 61 1.544-T5 44 70.03 69.18 73 61 1.546-T5 46 73.21 72.36 78 66 1.548-T5 48 76.39 75.54 82 64 1.550-T5 50 79.58 78.73 86 70 1.560-T5 60 95.49 94.64 102 90 1.5T10 型同步带轮尺寸表单位:(mm) 规格齿数节径 d外径 do档边直径 df档边内径 db档边厚度 h 12-T10 12 38.20 36.35 40 27 113-T10 13 41.38 39.53 49 29 114-T10 14 44.56 42.71 49 29 115-T10 15 47.75 45.90 51 36 116-T10 16 50.93 49.08 54 39 117-T10 17 54.11 52.26 61 45 1.518-T10 18 57.30 55.45 61 45 1.519-T10 19 60.48 58.63 64 48 1.520-T10 20 63.66 61.81 68 52 1.521-T10 21 66.85 65.00 75 55 1.522-T10 22 70.03 68.18 75 55 1.523-T10 23 73.21 71.36 80 60 1.524-T10 24 76.39 74.54 82 64 1.525-T10 25 79.58 77.7326-T10 26 82.76 80.91 90 70 1.527-T10 27 85.94 84.09 90 70 1.528-T10 28 89.13 87.28 98 78 1.529-T10 29 92.31 90.46 98 78 1.530-T10 30 95.49 93.64 102 83 1.532-T10 32 101.86 100.01 106 88 1.534-T10 34 108.23 106.38 115 95 1.536-T10 36 114.59 112.74 123 103 1.538-T10 38 120.96 119.11 131 111 1.540-T10 40 127.32 125.47 131 111 1.542-T10 42 133.67 131.84 138 118 1.544-T10 44 140.06 138.21 146 126 1.546-T10 46 146.42 144.57 153 133 1.548-T10 48 152.79 150.9450-T10 50 159.15 157.3060-T10 60 190.99 189.14T20型同步带轮尺寸表单位:(mm)规格齿数节径 d外径 do档边直径df 档边内径db档边厚度h18-T20 18 114.59 111.76 124 98 4.5 19-T20 19 120.96 118.13 130 104 4.5 20-T20 20 127.35 124.49 136 110 4.5 21-T20 21 133.69 130.86 143 117 4.5 22-T20 22 140.06 137.23 149 123 4.5 23-T20 23 146.42 143.59 156 130 4.5 24-T20 24 152.79 149.96 162 136 4.5 25-T20 25 159.15 156.32 168 142 4.5 26-T20 26 165.52 162.69 175 149 4.5 27-T20 27 171.89 169.06 181 155 4.5 28-T20 28 178.25 175.42 187 161 4.5 29-T20 29 184.62 181.79 194 168 4.5 30-T20 30 190.99 188.16 200 174 4.5 32-T20 32 203.72 200.8934-T20 34 216.45 213.6236-T20 36 229.18 226.3538-T20 38 241.92 239.0940-T20 40 254.65 251.8242-T20 42 267.38 264.5544-T20 44 280.11 277.2846-T20 46 292.85 290.0248-T20 48 305.58 302.7550-T20 50 318.31 315.4860-T20 60 381.97 379.143M 型同步带轮尺寸表单位:(mm)规格齿数节径 d外径 do档边直径df 档边内径db档边厚度 h15-3M 15 14.32 13.56 18 10 1 16-3M 16 15.28 14.52 18 10 1 17-3M 17 16.23 15.47 22 11 1 18-3M 18 17.19 16.43 22 11 1 19-3M 19 18.14 17.38 22 11 1 20-3M 20 19.10 18.34 22 11 1 21-3M 21 20.05 19.29 22 11 1 22-3M 22 21.01 20.25 25 15 1 23-3M 23 21.96 21.20 25 15 1 24-3M 24 22.92 22.16 26 17 1 25-3M 25 23.87 23.11 26 17 1 26-3M 26 24.83 24.07 29 18 1 27-3M 27 25.78 25.02 29 18 1 28-3M 28 26.74 25.98 129 18 1 30-3M 30 28.65 27.89 32 21 1 32-3M 32 30.56 29.80 34.5 24.5 1 34-3M 34 32.47 31.71 37.8 28 1 36-3M 36 34.38 33.62 40 27 1 38-3M 38 36.29 35.53 40 27 1 40-3M 40 38.20 37.44 44 32 1 42-3M 42 40.11 39.35 44 32 1 44-3M 44 42.02 41.26 48 38 1 46-3M 46 43.93 43.17 48 38 1 48-3M 48 45.84 45.08 48 38 1 50-3M 50 47.75 46.99 51 36 1 60-3M 60 57.30 56.54 61 45 1.5 72-3M 72 68.75 67.99 73 61 1.55M 型同步带轮尺寸表单位:(mm) 规格齿数节径 d外径 do档边直径 df档边内径 db档边厚度 h 14-5M 14 22.28 21.14 25 15 115-5M 15 23.87 22.73 29 18 116-5M 16 25.46 24.32 29 18 117-5M 17 27.06 25.92 32 21 118-5M 18 28.65 27.51 32 21 119-5M 19 30.24 29.10 34.5 24.5 120-5M 20 31.83 30.69 34.5 24.5 121-5M 21 33.42 32.28 40 27 122-5M 22 35.01 33.87 40 27 123-5M 23 36.61 35.47 40 27 124-5M 24 38.20 37.06 44 32 125-5M 25 39.79 38.65 44 32 126-5M 26 41.38 40.24 44 32 127-5M 27 42.97 41.83 49 29 128-5M 28 44.56 43.42 48 38 130-5M 30 47.75 46.61 51 36 132-5M 32 50.93 49.79 54 39 134-5M 34 54.11 52.97 58 47 1.536-5M 36 57.30 56.16 61 45 1.538-5M 38 60.48 59.34 64 48 1.540-5M 40 63.66 62.52 68 52 1.542-5M 42 66.85 65.71 73 61 1.544-5M 44 70.03 68.89 73 61 1.546-5M 46 73.21 72.07 78 66 1.548-5M 48 76.39 75.25 82 64 1.550-5M 50 79.58 78.44 86 70 1.560-5M 60 95.49 94.35 102 90 1.58M 型同步带轮尺寸表单位:(mm) 规格齿数节径 d外径 do档边直径 df档边内径 db档边厚度 h 22-8M 22 56.02 54.65 61 45 1.523-8M 23 58.57 57.20 64 48 1.524-8M 24 61.12 59.75 68 52 1.525-8M 25 63.66 62.29 75 55 1.526-8M 26 66.21 64.84 75 55 1.527-8M 27 68.75 67.38 75 55 1.528-8M 28 71.30 69.93 80 60 1.530-8M 30 76.39 75.02 82 64 1.532-8M 32 81.49 80.12 90 70 1.534-8M 34 86.58 85.21 98 78 1.536-8M 36 91.67 90.30 98 78 1.538-8M 38 96.77 95.40 106 88 1.540-8M 40 101.86 100.49 108.5 90 1.542-8M 42 106.95 105.58 115 95 1.544-8M 44 112.05 110.68 123 103 1.546-8M 46 117.14 115.77 123 103 1.548-8M 48 122.23 120.86 131 111 1.550-8M 50 127.32 125.95 138 118 1.564-8M 64 162.97 161.6072-8M 72 183.35 181.9880-8M 80 203.72 202.3590-8M 90 229.18 227.81112-8M 112 285.21 283.8414M 型同步带轮尺寸表单位:(mm)规格齿数节径 d外径 do档边直径df 档边内径db档边厚度h28-14M 28 124.78 121.98 134 108 3.5 29-14M 29 129.23 126.43 138 112 3.5 30-14M 30 133.69 130.89 143 117 3.5 32-14M 32 142.60 139.80 152 126 3.5 34-14M 34 151.52 148.72 161 135 3.5 36-14M 36 160.43 157.63 170 144 3.5 38-14M 38 169.34 166.54 179 153 3.5 40-14M 40 178.25 175.45 187 161 3.5 42-14M 42 187.17 184.37 196 170 3.5 44-14M 44 196.08 193.28 205 179 3.5 46-14M 46 204.99 202.1948-14M 48 213.90 211.1050-14M 50 222.82 220.0256-14M 56 249.55 246.7564-14M 64 285.21 282.4172-14M 72 320.86 318.0680-14M 80 356.51 353.7190-14M 90 401.07 398.27。
同步带型号大全,收藏备用同步带轮的规格型号比较多,万峰工业皮带为您列举一些规格型号表格同步带是以钢丝绳或玻璃纤维为强力层,外覆以聚氨酯或氯丁橡胶的环形带,带的内周制成齿状,使其与齿形带轮啮合。
同步带传动时,传动比准确,对轴作用力小,结构紧凑,耐油,耐磨性好,抗老化性能好,一般使用温度-20℃―80℃,v<50m/s,P<300kw,i<10,对于要求同步的传动也可用于低速传动。
同步带传动具有以下特点:(1)传动准确,工作时无滑动,具有恒定的传动比;(2)传动平稳,具有缓冲、减振能力,噪声低;(3)传动效率高,可达 0.98,节能效果明显;(4)维护保养方便,不需润滑,维护费用低;(5)速比范围大,一般可达10,线速度可达50m/s,具有较大的功率传递范围,可达几瓦到几百千瓦;(6)可用于长距离传动,中心距可达 10m 以上。
工业同步带的型号:“T”型齿工业用同步带圆弧齿工业用同步带齿轮直边齿形尺寸和公差单位(mm)MXL--最轻型; XXL--超轻型; XL--特轻型; L--轻型; H--重型;XH--特重型;XXH--超重型。
同步带的标记为:带长代号带型带宽代号。
MXL 型同步带轮尺寸表单位:(mm)XL 型同步带轮尺寸表单位:(mm) L 型同步带轮尺寸表单位:(mm)H 型同步带轮尺寸表单位:(mm) XH 型同步带轮尺寸表单位:(mm) XXH 型同步带轮尺寸表单位:(mm) T 型齿同步带轮齿型尺寸单位:(mm) T2.5 型同步带轮尺寸表单位:(mm) T5 型同步带轮尺寸表单位:(mm)T10 型同步带轮尺寸表单位:(mm) T20 型同步带轮尺寸表单位:(mm)HTD 同步带轮齿型尺寸单位(mm)3M 型同步带轮尺寸表单位:(mm) 5M 型同步带轮尺寸表单位:(mm) 8M 型同步带轮尺寸表单位:(mm) 14M 型同步带轮尺寸表单位:(mm)。
项目梯形齿圆弧齿XL L H XH XXH 3M 5M 8M 14M 20M 拉伸强度N/mm≥80 120 270 380 450 90 160 300 400 520参考力伸长率参考力N60 90 220 300 360 70 130 240 320 410 伸长率%≤4.0硬度75±5包布粘合强度N/mm≥5 6.5 8 10 12 -6 10 12 15 芯绳粘合强度N/mm≥200 380 600 800 1500 - 400 700 1200 1600 齿体剪切强度N/mm≥50 60 70 75 90 - 50 60 80 100齿轮直边齿形尺寸和公差(mm)节线代号bw hg Ψ+1.5°rb rt 2δ查看MXL 0.84±0.050.69 20 0.35 0.13 0.508 详细规格XXL 1.14±0.050.84 25 0.35 0.30 0.508 详细规格XL 1.32±0.05 1.65 25 0.41 0.64 0.508 详细规格L 3.05±0.10 2.67 20 1.19 1.17 0.762 详细规格H 4.19±0.13 3.05 20 1.60 1.6 1.372 详细规格XH 7.90±0.157.14 20 1.98 2.39 2.794 详细规格XXH 12.17±0.1810.31 20 3.96 3.18 3.048 详细规格MXL--最轻型;XXL--超轻型;XL--特轻型;L--轻型;H--重型;XH--特重型;XXH--超重型。
同步带的标记为:带长代号带型带宽代号。
MXL型同步带轮尺寸表单位:(mm) 规格齿数节径 d 外径 do 档边直径 df 档边内径 db 档边厚度 h 22MXL 22 14.23 13.72 18 12 123MXL 23 14.88 14.37 18 12 124MXL 24 15.52 15.02 18 12 125MXL 25 16.17 15.66 18 12 126MXL 26 16.82 16.31 22 11 127MXL 27 17.46 16.96 22 11 128MXL 28 18.11 17.60 22 11 1XL型同步带轮尺寸表L型同步带轮尺寸表H型同步带轮尺寸表单位:(mm)XH 型同步带轮尺寸表XXH 型同步带轮尺寸表60XXH 60 606.38 603.3372XXH 72 727.66 724.61T型齿同步带轮齿型尺寸(mm)齿距代号形状形状ygradrb rt 2a查看S EbrNbrS EhgNhg偏差偏差偏差mix ±.15°max 偏差T2.5 1.75+0.050 1.83+0.050.75+0.051 25 0.2 0.3+0.050.6 详细规格T5 2.96+0.050 3.32+0.051.25+0.051.95 25 0.4 0.6+0.051 详细规格T10 6.02+0.10 6.57+0.12.6+0.13.4 25 0.6 0.8+0.12 详细规格T20 11.65+0.150 12.6+0.155.2+0.136 25 0.8 1.2+0.13 详细规格T2.5 型同步带轮尺寸表单位:(mm)规格齿数节径 d 外径 do 档边直径 df 档边内径 db 档边厚度 hT5 型同步带轮尺寸表T10 型同步带轮尺寸表T20型同步带轮尺寸表28-T20 28 178.25 175.42 187 161 4.529-T20 29 184.62 181.79 194 168 4.530-T20 30 190.99 188.16 200 174 4.532-T20 32 203.72 200.8934-T20 34 216.45 213.6236-T20 36 229.18 226.3538-T20 38 241.92 239.0940-T20 40 254.65 251.8242-T20 42 267.38 264.5544-T20 44 280.11 277.2846-T20 46 292.85 290.0248-T20 48 305.58 302.7550-T20 50 318.31 315.4860-T20 60 381.97 379.14HTD同步带轮齿型尺寸(mm)节距型号节距齿高底圆半径齿槽宽齿顶圆半径齿形角查看3M 3 1.28 0.91 1.90 0.3 ≈14°详细规格5M 5 2.16 0.56 3.25 0.48 ≈14°详细规格8M 8 3.54 2.57 5.35 0.8 ≈14°详细规格14M 14 6.20 4.65 9.80 1.4 ≈14°详细规格3M 型同步带轮尺寸表单位:(mm)规格齿数节径 d 外径 do 档边直径 df 档边内径 db 档边厚度 h 15-3M 15 14.32 13.56 18 10 116-3M 16 15.28 14.52 18 10 117-3M 17 16.23 15.47 22 11 118-3M 18 17.19 16.43 22 11 119-3M 19 18.14 17.38 22 11 120-3M 20 19.10 18.34 22 11 121-3M 21 20.05 19.29 22 11 122-3M 22 21.01 20.25 25 15 123-3M 23 21.96 21.20 25 15 124-3M 24 22.92 22.16 26 17 125-3M 25 23.87 23.11 26 17 126-3M 26 24.83 24.07 29 18 127-3M 27 25.78 25.02 29 18 15M 型同步带轮尺寸表单位:(mm)8M 型同步带轮尺寸表单位:(mm)14M 型同步带轮尺寸表单位:(mm)。
同步带是以钢丝绳或玻璃纤维为强力层,外覆以聚氨酯或氯丁橡胶的环形带,带的内周制成齿状,使其与齿形带轮啮合。
同步带传动时,传动比准确,对轴作用力小,结构紧凑,耐油,耐磨性好,抗老化性能好,一般使用温度-20℃―80℃,v<50m/s,P<300kw,i<10,对于要求同步的传动也可用于低速传动。
同步带传动具有以下特点:(1)传动准确,工作时无滑动,具有恒定的传动比;(2)传动平稳,具有缓冲、减振能力,噪声低;(3)传动效率高,可达0.98,节能效果明显;(4)维护保养方便,不需润滑,维护费用低;(5)速比范围大,一般可达10,线速度可达50m/s,具有较大的功率传递范围,可达几瓦到几百千瓦;(6)可用于长距离传动,中心距可达10m以上。
工业同步带的型号:“T”型齿工业用同步带型号节距(mm) 齿高(mm) 带厚(mm) 角度β°MXL 2.032 0.51 1.14 40XL 5.080 1.27 2.30 50L 9.525 1.91 3.60 40H 12.70 2.29 4.30 40XH 22.225 6.35 11.20 40 XXH 31.750 9.53 15.70 40 T2.5 2.5 0.7 1.30 40T5 5 1.20 2.20 40 T10 10 2.50 4.50 40 T20 20 5.00 8.00 40AT5 5 1.20 2.70 50 AT10 10 2.50 5.00 50 AT20 20 5.00 8.00 50圆弧齿工业用同步带齿型代号型号节距(mm) 齿高(mm) 带厚(mm)HTD 2M 2 0.75 1.363M 3 1.17 2.45M 5 2.06 3.88M 8 3.36 6.0014M 14 6.02 10.0020M 20 8.4 13.20STPD/STSS2M 2 0.76 1.36S3M 3 1.14 1.9S4.5M 4.5 1.71 2.81S5M 5 1.91 3.4S8M 8 3.05 5.3S14M 14 5.3 10.2RPP/HPPD2M 2 0.76 1.363M 3 1.15 1.95M 5 1.95 3.58M 8 3.2 5.514M 14 6.00 10梯形齿圆弧齿项目XL L H XH XXH3M5M8M14M20M 拉伸强度N/mm≥8012027038045090160300400520参考力 N609022030036070130240320410参考力伸长率伸长率4.0%≤硬度75±5包布粘合强度5 6.581012-6101215N/mm≥芯绳粘合强度 N/mm≥2003806008001500-40070012001600齿体剪切强度N/mm≥5060707590-506080100Pb=同步轮节圆或同步带节线上测得相邻两齿的距离。
齿型尺寸、公差及技术参数齿轮直边齿形尺寸和公差(mm)节线代号bwhgΨ+1.5°rbrt2δ查 看MXL 0.84±0.05 0.69 20 0.35 0.13 0.508 详细规格XXL 1.14±0.05 0.84 25 0.35 0.30 0.508 详细规格 XL 1.32±0.05 1.65 25 0.41 0.64 0.508 详细规格L 3.05±0.10 2.67 20 1.19 1.17 0.762 详细规格H 4.19±0.13 3.05 20 1.60 1.6 1.372 详细规格XH 7.90±0.15 7.14 20 1.98 2.39 2.794 详细规格XXH12.17±0.1810.31203.963.183.048详细规格T 型齿同步带轮齿型尺寸(mm)齿距 代号形状形状 y gradrbrt2a查看S E br N br S E hgN hg偏差偏差 偏差 mix ±.15° max 偏差T2.5 1.75+0.05 0 1.83+0.05 0 0.75+0.05 0 1 25 0.2 0.3+0.05 0 0.6 详细规格T5 2.96 +0.05 0 3.32 +0.05 0 1.25 +0.05 0 1.95 25 0.4 0.6 +0.05 0 1 详细规格T10 6.02 +0.1 0 6.57 +0.1 0 2.6 +0.1 0 3.4 25 0.6 0.8 +0.1 0 2 详细规格T20 11.65 +0.15 012.6 +0.15 05.2 +0.13 06 25 0.8 1.2 +0.1 03 详细规格HTD同步带轮齿型尺寸(mm)节距型号节距齿高底圆半径齿槽宽齿顶圆半径齿形角查 看3M 3 1.28 0.91 1.90 0.3 ≈14° 详细规格5M 5 2.16 0.56 3.25 0.48 ≈14° 详细规格8M 8 3.54 2.57 5.35 0.8 ≈14° 详细规格14M 14 6.20 4.65 9.80 1.4 ≈14° 详细规格MXL型同步带轮尺寸表单位:(mm)规格齿数节径 d外径 do档边直径 df档边内径 db档边厚度 h 22MXL 22 14.23 13.72 18 12 123MXL 23 14.88 14.37 18 12 124MXL 24 15.52 15.02 18 12 125MXL 25 16.17 15.66 18 12 126MXL 26 16.82 16.31 22 11 127MXL 27 17.46 16.96 22 11 128MXL 28 18.11 17.60 22 11 129MXL 29 18.76 18.25 22 11 130MXL 30 19.40 18.90 22 11 132MXL 32 20.70 20.19 25 15 134MXL 34 21.99 21.48 25 15 136MXL 36 23.29 22.78 26 17 1 38MXL 38 24.58 24.07 29 18 1 40MXL 40 25.87 25.36 29 18 1 42MXL 42 27.17 26.66 29 18 1 44MXL 44 28.46 27.95 32 21 1 46MXL 46 29.75 29.25 32 21 1 48MXL 48 31.05 30.54 34.5 24.5 1 50MXL 50 32.34 31.83 34.5 24.5 1 52MXL 52 33.63 33.13 37.8 28 1 60MXL 60 38.81 38.30 44 32 1 72MXL 72 46.57 46.06 51 36 1XL型同步带轮尺寸表单位:(mm)规格齿数节径 d外径 do档边直径df 档边内径db档边厚度 h10XL 10 16.17 15.66 22 11 1 11XL 11 17.79 17.28 22 11 1 12XL 12 19.40 18.90 25 15 1 13XL 13 21.02 20.51 25 15 1 14XL 14 22.64 22.13 26 17 1 15XL 15 24.26 23.75 29 18 1 16XL 16 25.87 25.36 29 18 1 17XL 17 27.49 26.98 32 21 1 18XL 18 29.11 28.60 32 21 1 19XL 19 30.72 30.22 34.5 24.5 1 20XL 20 32.34 31.83 37.8 28 1 21XL 21 33.96 33.45 40 27 1 22XL 22 35.57 35.07 40 27 1 23XL 23 37.19 36.68 40 27 1 24XL 24 38.81 38.30 44 32 1 25XL 25 40.43 39.92 44 32 1 26XL 26 42.04 41.43 49 29 1 27XL 27 43.66 43.15 48 38 1 28XL 28 45.28 44.77 48 38 1 30XL 30 48.51 48.00 51 36 1 32XL 32 51.74 51.24 58 47 1.5 34XL 34 54.97 54.47 58 47 1.5 36XL 36 58.21 57.70 61 45 1.5 38XL 38 61.45 60.94 64 48 1.5 40XL 40 64.68 64.17 68 52 1.5 42XL 42 67.91 67.41 73 61 1.544XL 44 71.15 70.64 78 66 1.546XL 46 74.38 73.87 78 66 1.548XL 48 77.62 77.11 82 64 1.550XL 50 80.85 80.34 86 70 1.560XL 60 97.02 96.51 102 70 1.572XL 72 116.43 115.92 121 109 1.5L型同步带轮尺寸表单位:(mm) 规格齿数节径 d外径 do档边直径 df档边内径 db档边厚度 h 12L 12 36.38 35.62 40 27 113L 13 39.41 38.65 44 32 114L 14 42.45 41.68 49 29 115L 15 45.48 44.72 51 36 116L 16 48.51 47.75 54 39 117L 17 51.54 50.78 61 45 1.518L 18 54.57 53.81 61 45 1.519L 19 57.61 56.84 61 45 1.520L 20 60.64 59.88 64 48 1.521L 21 63.67 62.91 68 52 1.522L 22 66.70 65.94 75 55 1.523L 23 69.73 68.97 75 55 1.524L 24 72.77 72.00 80 60 1.525L 25 75.80 75.04 82 64 1.526L 26 78.83 78.07 86 70 1.527L 27 81.86 81.10 86 70 1.528L 28 84.89 84.13 90 70 1.530L 30 90.96 90.20 98 78 1.532L 32 97.02 96.26 102 90 1.534L 34 103.08 102.32 108.5 90 1.536L 36 109.15 108.39 115 95 1.538L 38 115.21 114.45 123 103 1.540L 40 121.28 120.51 131 111 1.542L 42 127.34 126.58 138 118 1.544L 44 133.40 132.64 146 126 1.546L 46 139.47 138.71 153 133 1.548L 48 145.53 144.7750L 50 151.60 150.8360L 60 181.91 181.1572L 72 218.30 217.5384L 84 254.68 253.9296L 96 291.06 290.30H型同步带轮尺寸表单位:(mm) 规格齿数节径 d外径 do档边直径 df档边内径 db档边厚度 h 14H 14 56.60 55.22 64 48 1.515H 15 60.64 59.27 68 52 1.516H 16 64.68 63.31 75 55 1.517H 17 68.72 67.35 75 55 1.518H 18 72.77 71.39 80 60 1.519H 19 76.81 75.44 82 64 1.520H 20 80.85 79.48 86 70 1.521H 21 84.89 83.52 90 70 1.522H 22 88.94 87.56 98 78 1.523H 23 92.98 91.61 98 78 1.524H 24 97.02 95.65 106 88 1.525H 25 101.06 99.69 106 88 1.526H 26 105.11 103.73 108.5 90 1.527H 27 109.15 107.78 115 95 1.528H 28 113.19 111.82 123 103 1.530H 30 121.28 119.90 131 111 1.532H 32 129.36 127.99 138 118 1.534H 34 137.45 136.07 146 126 1.536H 36 145.53 144.16 153 133 1.538H 38 153.62 152.24 164 142 240H 40 161.70 160.33 170 150 242H 42 169.79 168.4144H 44 177.87 176.5046H 46 185.96 184.5848H 48 194.04 192.6750H 50 202.13 200.7560H 60 242.55 241.1872H 72 291.06 289.6984H 84 339.57 338.2096H 96 388.08 386.71XH 型同步带轮尺寸表单位:(mm)规格齿数节径 d外径 do档边直径df 档边内径db档边厚度h18XH 18 127.34 124.55 139 110 4.5 19XH 19 134.41 131.62 146 117 4.5 20XH 20 141.49 138.69 153 124 4.521XH 21 148.56 145.77 160 131 4.5 22XH 22 155.64 152.84 167 138 4.5 23XH 23 162.71 159.92 174 145 4.5 24XH 24 169.79 166.99 181 152 4.5 25XH 25 176.86 174.07 188 159 4.5 26XH 26 183.94 181.14 195 166 4.5 27XH 27 191.01 188.22 202 173 4.5 28XH 28 198.08 195.29 209 180 4.5 30XH 30 212.23 209.4432XH 32 226.38 223.5940XH 40 282.98 280.1848XH 48 339.57 336.7860XH 60 424.47 421.6772XH 72 509.36 506.5784XH 84 594.25 591.4696XH 96 679.15 676.35120XH 120 848.93 846.14XXH 型同步带轮尺寸表单位:(mm)规格齿数节径 d外径 do档边直径df 档边内径db档边厚度h18XXH 18 181.91 178.87 199 157 5.5 19XXH 19 192.02 188.97 209 167 5.5 20XXH 20 202.13 199.08 219 177 5.5 21XXH 21 212.23 209.19 229 187 5.5 22XXH 22 222.34 219.29 239 197 5.5 24XXH 24 242.55 239.5025XXH 25 252.66 249.6126XXH 26 262.76 259.7227XXH 27 272.87 269.8230XXH 30 303.19 300.1440XXH 40 404.25 401.2148XXH 48 485.10 482.0660XXH 60 606.38 603.3372XXH 72 727.66 724.61T2.5 型同步带轮尺寸表单位:(mm)规格齿数节径 d外径 do档边直径df 档边内径db档边厚度h19-T2.5 19 15.12 14.59 18 12 120-T2.5 20 15.92 15.39 18 12 121-T2.5 21 16.71 16.18 18 12 122-T2.5 22 17.51 16.98 22 11 123-T2.5 23 18.30 17.77 22 11 124-T2.5 24 19.10 18.57 22 11 125-T2.5 25 19.89 19.36 22 11 126-T2.5 26 20.69 20.16 25 15 127-T2.5 27 21.49 20.96 25 15 128-T2.5 28 22.28 21.75 25 15 129-T2.5 29 23.08 22.55 25 15 130-T2.5 30 23.87 23.34 29 18 132-T2.5 32 25.46 24.93 29 18 134-T2.5 34 27.06 26.53 32 21 136-T2.5 36 28.65 28.12 32 21 138-T2.5 38 30.24 29.71 32 21 140-T2.5 40 31.83 31.30 34.5 24.5 142-T2.5 42 33.42 32.89 37.5 28 144-T2.5 44 35.01 34.48 40 27 146-T2.5 46 36.61 36.08 40 27 148-T2.5 48 38.20 37.67 40 27 150-T2.5 50 39.79 39.26 44 32 160-T2.5 60 47.75 47.22 51 36 1T5 型同步带轮尺寸表单位:(mm) 规格齿数节径 d外径 do档边直径 df档边内径 db档边厚度 h 10-T5 10 15.92 15.07 18 12 111-T5 11 17.51 16.66 22 11 112-T5 12 19.10 18.25 25 15 113-T5 13 20.69 19.84 25 15 114-T5 14 22.28 21.43 25 15 115-T5 15 23.87 23.02 26 17 116-T5 16 25.46 24.61 29 18 117-T5 17 27.06 26.21 29 18 118-T5 18 28.65 27.80 32 21 119-T5 19 30.24 29.39 34.5 24.5 120-T5 20 31.83 30.98 34.5 24.5 121-T5 21 33.42 32.57 37.8 28 122-T5 22 35.01 34.16 40 27 123-T5 23 36.61 35.76 40 27 125-T5 25 39.79 38.94 44 32 126-T5 26 41.38 40.53 44 32 127-T5 27 42.97 42.12 48 38 128-T5 28 44.56 43.71 48 38 129-T5 29 46.15 45.30 51 36 130-T5 30 47.75 46.90 51 36 132-T5 32 50.93 50.08 54 39 1.534-T5 34 54.11 53.26 28 47 1.536-T5 36 57.30 56.45 61 45 1.538-T5 38 60.48 59.63 64 48 1.540-T5 40 63.66 62.81 68 52 1.542-T5 42 66.85 66.00 73 61 1.544-T5 44 70.03 69.18 73 61 1.546-T5 46 73.21 72.36 78 66 1.548-T5 48 76.39 75.54 82 64 1.550-T5 50 79.58 78.73 86 70 1.560-T5 60 95.49 94.64 102 90 1.5T10 型同步带轮尺寸表单位:(mm) 规格齿数节径 d外径 do档边直径 df档边内径 db档边厚度 h 12-T10 12 38.20 36.35 40 27 113-T10 13 41.38 39.53 49 29 114-T10 14 44.56 42.71 49 29 115-T10 15 47.75 45.90 51 36 116-T10 16 50.93 49.08 54 39 117-T10 17 54.11 52.26 61 45 1.518-T10 18 57.30 55.45 61 45 1.519-T10 19 60.48 58.63 64 48 1.520-T10 20 63.66 61.81 68 52 1.521-T10 21 66.85 65.00 75 55 1.522-T10 22 70.03 68.18 75 55 1.523-T10 23 73.21 71.36 80 60 1.524-T10 24 76.39 74.54 82 64 1.525-T10 25 79.58 77.7326-T10 26 82.76 80.91 90 70 1.527-T10 27 85.94 84.09 90 70 1.528-T10 28 89.13 87.28 98 78 1.529-T10 29 92.31 90.46 98 78 1.530-T10 30 95.49 93.64 102 83 1.532-T10 32 101.86 100.01 106 88 1.534-T10 34 108.23 106.38 115 95 1.536-T10 36 114.59 112.74 123 103 1.538-T10 38 120.96 119.11 131 111 1.540-T10 40 127.32 125.47 131 111 1.542-T10 42 133.67 131.84 138 118 1.544-T10 44 140.06 138.21 146 126 1.546-T10 46 146.42 144.57 153 133 1.548-T10 48 152.79 150.9450-T10 50 159.15 157.3060-T10 60 190.99 189.14T20型同步带轮尺寸表单位:(mm)规格齿数节径 d外径 do档边直径df 档边内径db档边厚度h18-T20 18 114.59 111.76 124 98 4.5 19-T20 19 120.96 118.13 130 104 4.5 20-T20 20 127.35 124.49 136 110 4.5 21-T20 21 133.69 130.86 143 117 4.5 22-T20 22 140.06 137.23 149 123 4.5 23-T20 23 146.42 143.59 156 130 4.5 24-T20 24 152.79 149.96 162 136 4.5 25-T20 25 159.15 156.32 168 142 4.5 26-T20 26 165.52 162.69 175 149 4.5 27-T20 27 171.89 169.06 181 155 4.5 28-T20 28 178.25 175.42 187 161 4.5 29-T20 29 184.62 181.79 194 168 4.5 30-T20 30 190.99 188.16 200 174 4.5 32-T20 32 203.72 200.8934-T20 34 216.45 213.6236-T20 36 229.18 226.3538-T20 38 241.92 239.0940-T20 40 254.65 251.8242-T20 42 267.38 264.5544-T20 44 280.11 277.2846-T20 46 292.85 290.0248-T20 48 305.58 302.7550-T20 50 318.31 315.4860-T20 60 381.97 379.143M 型同步带轮尺寸表单位:(mm)规格齿数节径 d外径 do档边直径df 档边内径db档边厚度 h15-3M 15 14.32 13.56 18 10 1 16-3M 16 15.28 14.52 18 10 1 17-3M 17 16.23 15.47 22 11 1 18-3M 18 17.19 16.43 22 11 1 19-3M 19 18.14 17.38 22 11 1 20-3M 20 19.10 18.34 22 11 1 21-3M 21 20.05 19.29 22 11 1 22-3M 22 21.01 20.25 25 15 1 23-3M 23 21.96 21.20 25 15 1 24-3M 24 22.92 22.16 26 17 1 25-3M 25 23.87 23.11 26 17 1 26-3M 26 24.83 24.07 29 18 1 27-3M 27 25.78 25.02 29 18 1 28-3M 28 26.74 25.98 129 18 1 30-3M 30 28.65 27.89 32 21 1 32-3M 32 30.56 29.80 34.5 24.5 1 34-3M 34 32.47 31.71 37.8 28 1 36-3M 36 34.38 33.62 40 27 1 38-3M 38 36.29 35.53 40 27 1 40-3M 40 38.20 37.44 44 32 1 42-3M 42 40.11 39.35 44 32 1 44-3M 44 42.02 41.26 48 38 1 46-3M 46 43.93 43.17 48 38 1 48-3M 48 45.84 45.08 48 38 1 50-3M 50 47.75 46.99 51 36 1 60-3M 60 57.30 56.54 61 45 1.5 72-3M 72 68.75 67.99 73 61 1.55M 型同步带轮尺寸表单位:(mm) 规格齿数节径 d外径 do档边直径 df档边内径 db档边厚度 h 14-5M 14 22.28 21.14 25 15 115-5M 15 23.87 22.73 29 18 116-5M 16 25.46 24.32 29 18 117-5M 17 27.06 25.92 32 21 118-5M 18 28.65 27.51 32 21 119-5M 19 30.24 29.10 34.5 24.5 120-5M 20 31.83 30.69 34.5 24.5 121-5M 21 33.42 32.28 40 27 122-5M 22 35.01 33.87 40 27 123-5M 23 36.61 35.47 40 27 124-5M 24 38.20 37.06 44 32 125-5M 25 39.79 38.65 44 32 126-5M 26 41.38 40.24 44 32 127-5M 27 42.97 41.83 49 29 128-5M 28 44.56 43.42 48 38 130-5M 30 47.75 46.61 51 36 132-5M 32 50.93 49.79 54 39 134-5M 34 54.11 52.97 58 47 1.536-5M 36 57.30 56.16 61 45 1.538-5M 38 60.48 59.34 64 48 1.540-5M 40 63.66 62.52 68 52 1.542-5M 42 66.85 65.71 73 61 1.544-5M 44 70.03 68.89 73 61 1.546-5M 46 73.21 72.07 78 66 1.548-5M 48 76.39 75.25 82 64 1.550-5M 50 79.58 78.44 86 70 1.560-5M 60 95.49 94.35 102 90 1.58M 型同步带轮尺寸表单位:(mm) 规格齿数节径 d外径 do档边直径 df档边内径 db档边厚度 h 22-8M 22 56.02 54.65 61 45 1.523-8M 23 58.57 57.20 64 48 1.524-8M 24 61.12 59.75 68 52 1.525-8M 25 63.66 62.29 75 55 1.526-8M 26 66.21 64.84 75 55 1.527-8M 27 68.75 67.38 75 55 1.528-8M 28 71.30 69.93 80 60 1.530-8M 30 76.39 75.02 82 64 1.532-8M 32 81.49 80.12 90 70 1.534-8M 34 86.58 85.21 98 78 1.536-8M 36 91.67 90.30 98 78 1.538-8M 38 96.77 95.40 106 88 1.540-8M 40 101.86 100.49 108.5 90 1.542-8M 42 106.95 105.58 115 95 1.544-8M 44 112.05 110.68 123 103 1.546-8M 46 117.14 115.77 123 103 1.548-8M 48 122.23 120.86 131 111 1.550-8M 50 127.32 125.95 138 118 1.564-8M 64 162.97 161.6072-8M 72 183.35 181.9880-8M 80 203.72 202.3590-8M 90 229.18 227.81112-8M 112 285.21 283.8414M 型同步带轮尺寸表单位:(mm)规格齿数节径 d外径 do档边直径df 档边内径db档边厚度h28-14M 28 124.78 121.98 134 108 3.5 29-14M 29 129.23 126.43 138 112 3.5 30-14M 30 133.69 130.89 143 117 3.5 32-14M 32 142.60 139.80 152 126 3.5 34-14M 34 151.52 148.72 161 135 3.5 36-14M 36 160.43 157.63 170 144 3.5 38-14M 38 169.34 166.54 179 153 3.5 40-14M 40 178.25 175.45 187 161 3.5 42-14M 42 187.17 184.37 196 170 3.5 44-14M 44 196.08 193.28 205 179 3.5 46-14M 46 204.99 202.1948-14M 48 213.90 211.1050-14M 50 222.82 220.0256-14M 56 249.55 246.7564-14M 64 285.21 282.4172-14M 72 320.86 318.0680-14M 80 356.51 353.7190-14M 90 401.07 398.27。
齿型尺寸、公差及技术参数齿轮直边齿形尺寸和公差(mm节线代号bwhgΨ+1.5°rbrt2δ查看MXL 0.84±0.05 0.69 20 0.35 0.13 0.508 详细规格XXL 1.14±0.05 0.84 25 0.35 0.30 0.508 详细规格 XL 1.32±0.05 1.65 25 0.41 0.640.508 详细规格L 3.05±0.10 2.67 20 1.19 1.17 0.762 详细规格H 4.19±0.13 3.05 201.60 1.6 1.372 详细规格XH 7.90±0.15 7.14 20 1.982.39 2.794 详细规格XXH12.17±0.1810.31203.963.183.048详细规格T 型齿同步带轮齿型尺寸(mm齿距代号形状形状 y gradrbrt2a查看S E br N br S E hgN hg偏差偏差偏差 mix ±.15° max 偏差T2.5 1.75+0.05 0 1.83+0.05 0 0.75+0.05 0 1 25 0.2 0.3+0.05 0 0.6 详细规格T5 2.96 +0.05 0 3.32 +0.05 0 1.25 +0.05 0 1.95 25 0.4 0.6 +0.05 0 1 详细规格T10 6.02 +0.1 0 6.57 +0.1 0 2.6 +0.1 0 3.4 25 0.6 0.8 +0.1 0 2 详细规格T20 11.65 +0.15 012.6 +0.15 05.2 +0.13 06 25 0.8 1.2 +0.1 03 详细规格HTD同步带轮齿型尺寸(mm节距型号节距齿高底圆半径齿槽宽齿顶圆半径齿形角查看3M 3 1.28 0.91 1.90 0.3 ≈14° 详细规格5M 5 2.16 0.56 3.25 0.48 ≈14° 详细规格8M 8 3.54 2.57 5.35 0.8 ≈14° 详细规格14M 14 6.20 4.65 9.80 1.4 ≈14° 详细规格MXL型同步带轮尺寸表单位:(mm规格齿数节径 d外径 do档边直径 df档边内径 db档边厚度 h 22MXL 22 14.23 13.72 18 12 123MXL 23 14.88 14.37 18 12 124MXL 24 15.52 15.02 18 12 125MXL 25 16.17 15.66 18 12 126MXL 26 16.82 16.31 22 11 127MXL 27 17.46 16.96 22 11 128MXL 28 18.11 17.60 22 11 129MXL 29 18.76 18.25 22 11 130MXL 30 19.40 18.90 22 11 132MXL 32 20.70 20.19 25 15 134MXL 34 21.99 21.48 25 15 136MXL 36 23.29 22.78 26 17 1 38MXL 38 24.58 24.07 29 18 1 40MXL 40 25.87 25.36 29 18 1 42MXL 42 27.17 26.66 29 18 1 44MXL 44 28.46 27.95 32 21 1 46MXL 46 29.75 29.25 32 21 1 48MXL 48 31.05 30.54 34.5 24.5 1 50MXL 50 32.34 31.83 34.5 24.5 1 52MXL 52 33.63 33.13 37.8 28 1 60MXL 60 38.81 38.30 44 32 1 72MXL 72 46.57 46.06 51 36 1XL型同步带轮尺寸表单位:(mm规格齿数节径 d外径 do档边直径df 档边内径db档边厚度 h10XL 10 16.17 15.66 22 11 1 11XL 11 17.79 17.28 22 11 1 12XL 12 19.40 18.90 25 15 1 13XL 13 21.02 20.51 25 15 1 14XL 14 22.64 22.13 26 17 1 15XL 15 24.26 23.75 29 18 1 16XL 16 25.87 25.36 29 18 1 17XL 17 27.49 26.98 32 21 1 18XL 18 29.11 28.60 32 21 1 19XL 19 30.72 30.22 34.5 24.5 1 20XL 20 32.34 31.83 37.8 28 1 21XL 21 33.96 33.45 40 27 1 22XL 22 35.57 35.07 40 27 1 23XL 23 37.19 36.68 40 27 1 24XL 24 38.81 38.30 44 32 1 25XL 25 40.43 39.92 44 32 1 26XL 26 42.04 41.43 49 29 1 27XL 27 43.6643.15 48 38 1 28XL 28 45.28 44.77 48 38 1 30XL 30 48.51 48.00 51 36 1 32XL 32 51.74 51.24 58 47 1.5 34XL 34 54.97 54.47 58 47 1.5 36XL 36 58.21 57.70 61 45 1.5 38XL 38 61.45 60.94 64 48 1.5 40XL 40 64.68 64.17 68 52 1.5 42XL 42 67.91 67.41 73 61 1.544XL 44 71.15 70.64 78 66 1.546XL 46 74.38 73.87 78 66 1.548XL 48 77.62 77.11 82 64 1.550XL 50 80.85 80.34 86 70 1.560XL 60 97.02 96.51 102 70 1.572XL 72 116.43 115.92 121 109 1.5L型同步带轮尺寸表单位:(mm 规格齿数节径 d外径 do档边直径 df档边内径 db档边厚度 h 12L 12 36.38 35.62 40 27 113L 13 39.41 38.65 44 32 114L 14 42.45 41.68 49 29 115L 15 45.48 44.72 51 36 116L 16 48.51 47.75 54 39 117L 17 51.54 50.78 61 45 1.518L 18 54.57 53.81 61 45 1.519L 19 57.61 56.84 61 45 1.520L 20 60.64 59.88 64 48 1.521L 21 63.67 62.91 68 52 1.522L 22 66.70 65.94 75 55 1.523L 23 69.73 68.97 75 55 1.524L 24 72.77 72.00 80 60 1.525L 25 75.80 75.04 82 64 1.526L 26 78.83 78.07 86 70 1.527L 27 81.86 81.10 86 70 1.528L 28 84.89 84.13 90 70 1.530L 30 90.96 90.20 98 78 1.532L 32 97.02 96.26 102 90 1.534L 34 103.08 102.32 108.5 90 1.5 36L 36 109.15 108.39 115 95 1.5 38L 38 115.21 114.45 123 103 1.5 40L 40 121.28 120.51 131 111 1.5 42L 42 127.34 126.58 138 118 1.5 44L 44 133.40 132.64 146 126 1.5 46L 46 139.47 138.71 153 133 1.5 48L 48 145.53 144.7750L 50 151.60 150.8360L 60 181.91 181.1572L 72 218.30 217.5384L 84 254.68 253.9296L 96 291.06 290.30H型同步带轮尺寸表单位:(mm 规格齿数节径 d外径 do档边直径 df档边内径 db档边厚度 h 14H 14 56.60 55.22 64 48 1.515H 15 60.64 59.27 68 52 1.516H 16 64.68 63.31 75 55 1.517H 17 68.72 67.35 75 55 1.518H 18 72.77 71.39 80 60 1.519H 19 76.81 75.44 82 64 1.520H 20 80.85 79.48 86 70 1.521H 21 84.89 83.52 90 70 1.522H 22 88.94 87.56 98 78 1.523H 23 92.98 91.61 98 78 1.524H 24 97.02 95.65 106 88 1.525H 25 101.06 99.69 106 88 1.526H 26 105.11 103.73 108.5 90 1.527H 27 109.15 107.78 115 95 1.5 28H 28 113.19 111.82 123 103 1.5 30H 30 121.28 119.90 131 111 1.5 32H 32 129.36 127.99 138 118 1.5 34H 34 137.45 136.07 146 126 1.5 36H 36 145.53 144.16 153 133 1.5 38H 38 153.62 152.24 164 142 2 40H 40 161.70 160.33 170 150 2 42H 42 169.79 168.4144H 44 177.87 176.5046H 46 185.96 184.5848H 48 194.04 192.6750H 50 202.13 200.7560H 60 242.55 241.1872H 72 291.06 289.6984H 84 339.57 338.2096H 96 388.08 386.71XH 型同步带轮尺寸表单位:(mm规格齿数节径 d外径 do档边直径df 档边内径db档边厚度h18XH 18 127.34 124.55 139 110 4.5 19XH 19 134.41 131.62 146 117 4.5 20XH 20 141.49 138.69 153 124 4.521XH 21 148.56 145.77 160 131 4.5 22XH 22 155.64 152.84 167 138 4.5 23XH 23 162.71 159.92 174 145 4.5 24XH 24 169.79 166.99 181 152 4.5 25XH 25 176.86 174.07 188 159 4.5 26XH 26 183.94 181.14 195 166 4.5 27XH 27 191.01 188.22 202 173 4.5 28XH 28 198.08 195.29 209 180 4.5 30XH 30 212.23 209.4432XH 32 226.38 223.5940XH 40 282.98 280.1848XH 48 339.57 336.7860XH 60 424.47 421.6772XH 72 509.36 506.5784XH 84 594.25 591.4696XH 96 679.15 676.35120XH 120 848.93 846.14XXH 型同步带轮尺寸表单位:(mm规格齿数节径 d外径 do档边直径df 档边内径db档边厚度h18XXH 18 181.91 178.87 199 157 5.5 19XXH 19 192.02 188.97 209 167 5.520XXH 20 202.13 199.08 219 177 5.5 21XXH 21 212.23 209.19 229 187 5.5 22XXH 22 222.34 219.29 239 197 5.5 24XXH 24 242.55 239.5025XXH 25 252.66 249.6126XXH 26 262.76 259.7227XXH 27 272.87 269.8230XXH 30 303.19 300.1440XXH 40 404.25 401.2148XXH 48 485.10 482.0660XXH 60 606.38 603.3372XXH 72 727.66 724.61T2.5 型同步带轮尺寸表单位:(mm规格齿数节径 d外径 do档边直径df 档边内径db档边厚度h19-T2.5 19 15.12 14.59 18 12 120-T2.5 20 15.92 15.39 18 12 121-T2.5 21 16.71 16.18 18 12 122-T2.5 22 17.51 16.98 22 11 123-T2.5 23 18.30 17.77 22 11 124-T2.5 24 19.10 18.57 22 11 125-T2.5 25 19.89 19.36 22 11 126-T2.5 26 20.69 20.16 25 15 127-T2.5 27 21.49 20.96 25 15 128-T2.5 28 22.28 21.75 25 15 129-T2.5 29 23.08 22.55 25 15 130-T2.5 30 23.87 23.34 29 18 132-T2.5 32 25.46 24.93 29 18 134-T2.5 34 27.06 26.53 32 21 136-T2.5 36 28.65 28.12 32 21 138-T2.5 38 30.24 29.71 32 21 140-T2.5 40 31.83 31.30 34.5 24.5 142-T2.5 42 33.42 32.89 37.5 28 144-T2.5 44 35.01 34.48 40 27 146-T2.5 46 36.61 36.08 40 27 148-T2.5 48 38.20 37.67 40 27 150-T2.5 50 39.79 39.26 44 32 160-T2.5 60 47.75 47.22 51 36 1T5 型同步带轮尺寸表单位:(mm 规格齿数节径 d外径 do档边直径 df档边内径 db档边厚度 h 10-T5 10 15.92 15.07 18 12 111-T5 11 17.51 16.66 22 11 112-T5 12 19.10 18.25 25 15 113-T5 13 20.69 19.84 25 15 114-T5 14 22.28 21.43 25 15 115-T5 15 23.87 23.02 26 17 116-T5 16 25.46 24.61 29 18 117-T5 17 27.06 26.21 29 18 118-T5 18 28.65 27.80 32 21 119-T5 19 30.24 29.39 34.5 24.5 1 20-T5 20 31.83 30.98 34.5 24.5 1 21-T5 21 33.42 32.57 37.8 28 1 22-T5 22 35.01 34.16 40 27 123-T5 23 36.61 35.76 40 27 125-T5 25 39.79 38.94 44 32 126-T5 26 41.38 40.53 44 32 127-T5 27 42.97 42.12 48 38 128-T5 28 44.56 43.71 48 38 129-T5 29 46.15 45.30 51 36 130-T5 30 47.75 46.90 51 36 132-T5 32 50.93 50.08 54 39 1.5 34-T5 34 54.11 53.26 28 47 1.5 36-T5 36 57.30 56.45 61 45 1.5 38-T5 38 60.48 59.63 64 48 1.5 40-T5 40 63.66 62.81 68 52 1.5 42-T5 42 66.85 66.00 73 61 1.5 44-T5 44 70.03 69.18 73 61 1.546-T5 46 73.21 72.36 78 66 1.548-T5 48 76.39 75.54 82 64 1.550-T5 50 79.58 78.73 86 70 1.560-T5 60 95.49 94.64 102 90 1.5T10 型同步带轮尺寸表单位:(mm 规格齿数节径 d外径 do档边直径 df档边内径 db档边厚度 h 12-T10 12 38.20 36.35 40 27 113-T10 13 41.38 39.53 49 29 114-T10 14 44.56 42.71 49 29 115-T10 15 47.75 45.90 51 36 116-T10 16 50.93 49.08 54 39 117-T10 17 54.11 52.26 61 45 1.518-T10 18 57.30 55.45 61 45 1.519-T10 19 60.48 58.63 64 48 1.520-T10 20 63.66 61.81 68 52 1.521-T10 21 66.85 65.00 75 55 1.522-T10 22 70.03 68.18 75 55 1.523-T10 23 73.21 71.36 80 60 1.524-T10 24 76.39 74.54 82 64 1.525-T10 25 79.58 77.7326-T10 26 82.76 80.91 90 70 1.527-T10 27 85.94 84.09 90 70 1.528-T10 28 89.13 87.28 98 78 1.529-T10 29 92.31 90.46 98 78 1.530-T10 30 95.49 93.64 102 83 1.532-T10 32 101.86 100.01 106 88 1.5 34-T10 34 108.23 106.38 115 95 1.5 36-T10 36 114.59 112.74 123 103 1.5 38-T10 38 120.96 119.11 131 111 1.5 40-T10 40 127.32 125.47 131 111 1.5 42-T10 42 133.67 131.84 138 118 1.5 44-T10 44 140.06 138.21 146 126 1.5 46-T10 46 146.42 144.57 153 133 1.5 48-T10 48 152.79 150.9450-T10 50 159.15 157.3060-T10 60 190.99 189.14T20型同步带轮尺寸表单位:(mm规格齿数节径 d外径 do档边直径df 档边内径db档边厚度h18-T20 18 114.59 111.76 124 98 4.5 19-T20 19 120.96 118.13 130 104 4.5 20-T20 20 127.35 124.49 136 110 4.5 21-T20 21 133.69 130.86 143 117 4.5 22-T20 22 140.06 137.23 149 123 4.5 23-T20 23 146.42 143.59 156 130 4.5 24-T20 24 152.79 149.96 162 136 4.5 25-T20 25 159.15 156.32 168 142 4.5 26-T20 26 165.52 162.69 175 149 4.5 27-T20 27 171.89 169.06 181 155 4.5 28-T20 28 178.25 175.42 187 161 4.5 29-T20 29 184.62 181.79 194 168 4.5 30-T20 30 190.99 188.16 200 174 4.5 32-T20 32 203.72 200.8934-T20 34 216.45 213.6236-T20 36 229.18 226.3538-T20 38 241.92 239.0940-T20 40 254.65 251.8242-T20 42 267.38 264.5544-T20 44 280.11 277.2846-T20 46 292.85 290.0248-T20 48 305.58 302.7550-T20 50 318.31 315.4860-T20 60 381.97 379.143M 型同步带轮尺寸表单位:(mm规格齿数节径 d外径 do档边直径df 档边内径db档边厚度 h15-3M 15 14.32 13.56 18 10 1 16-3M 16 15.28 14.52 18 10 1 17-3M 17 16.23 15.47 22 11 1 18-3M 18 17.19 16.43 22 11 1 19-3M 19 18.14 17.38 22 11 1 20-3M 20 19.10 18.34 22 11 1 21-3M 21 20.05 19.29 22 11 1 22-3M 22 21.01 20.25 25 15 1 23-3M 23 21.96 21.20 25 15 1 24-3M 24 22.92 22.16 26 17 1 25-3M 25 23.87 23.11 26 17 1 26-3M 26 24.83 24.07 29 18 1 27-3M 27 25.78 25.02 29 18 1 28-3M 28 26.74 25.98 129 18 1 30-3M 30 28.65 27.89 32 21 1 32-3M 32 30.56 29.80 34.5 24.5 1 34-3M 34 32.47 31.71 37.8 28 1 36-3M 36 34.38 33.62 40 27 1 38-3M 38 36.29 35.53 40 27 1 40-3M 40 38.20 37.44 44 32 1 42-3M 42 40.11 39.35 44 32 1 44-3M 44 42.02 41.26 48 38 1 46-3M 46 43.93 43.17 48 38 1 48-3M 48 45.84 45.08 48 38 1 50-3M 50 47.75 46.99 51 36 1 60-3M 60 57.30 56.54 61 45 1.5 72-3M 72 68.75 67.99 73 61 1.55M 型同步带轮尺寸表单位:(mm 规格齿数节径 d外径 do档边直径 df档边内径 db档边厚度 h 14-5M 14 22.28 21.14 25 15 115-5M 15 23.87 22.73 29 18 116-5M 16 25.46 24.32 29 18 117-5M 17 27.06 25.92 32 21 118-5M 18 28.65 27.51 32 21 119-5M 19 30.24 29.10 34.5 24.5 120-5M 20 31.83 30.69 34.5 24.5 121-5M 21 33.42 32.28 40 27 122-5M 23-5M 24-5M 25-5M 26-5M 27-5M 28-5M 30-5M 32-5M 34-5M 36-5M 38-5M 40-5M 42-5M 44-5M 46-5M 48-5M 50-5M 60-5M 22 23 24 25 26 27 28 30 32 34 36 38 40 42 44 46 48 50 60 35.01 36.61 38.20 39.79 41.38 42.97 44.56 47.75 50.93 54.11 57.30 60.48 63.66 66.85 70.03 73.21 76.39 79.58 95.49 33.87 35.47 37.06 38.65 40.24 41.83 43.42 46.61 49.79 52.97 56.16 59.34 62.52 65.71 68.89 72.07 75.25 78.44 94.35 40 40 44 44 44 49 48 51 54 58 61 64 68 73 73 78 82 86 102 27 27 32 32 32 29 38 36 39 47 45 48 52 61 61 66 64 70 90 1 1 1 1 1 1 1 1 1 1.5 1.5 1.5 1.5 1.5 1.5 1.5 1.5 1.5 1.5 8M 型同步带轮尺寸表单位:(mm 规格 22-8M 23-8M 24-8M 25-8M 26-8M 27-8M 28-8M 30-8M 32-8M 34-8M 36-8M 38-8M 40-8M 42-8M 44-8M 46-8M 48-8M 50-8M 64-8M 齿数 22 23 24 25 26 27 28 30 32 34 36 38 40 42 44 46 48 50 64 节径 d 56.02 58.57 61.12 63.66 66.21 68.75 71.30 76.39 81.49 86.58 91.67 96.77 101.86 106.95 112.05 117.14 122.23 127.32 162.97 外径 do 54.65 57.20 59.75 62.29 64.84 67.38 69.93 75.02 80.12 85.21 90.30 95.40 100.49 105.58 110.68 115.77 120.86 125.95 161.60 档边直径 df 61 64 68 75 75 75 80 82 90 98 98 106 108.5 115 123 123 131 138 档边内径 db 45 48 52 55 55 55 60 64 70 78 78 88 90 95 103 103 111 118 档边厚度 h 1.5 1.5 1.5 1.5 1.5 1.5 1.5 1.5 1.5 1.5 1.5 1.5 1.5 1.5 1.5 1.5 1.5 1.572-8M 80-8M 90-8M 112-8M 72 80 90 112 183.35 203.72 229.18 285.21 181.98 202.35 227.81 283.84 14M 型同步带轮尺寸表单位:(mm 规格齿数节径 d 外径 do 档边直径 df 134 138 143 152 161 170 179 187 196 205 档边内径 db 108 112 117 126 135 144 153 161 170 179 档边厚度 h 3.5 3.5 3.5 3.5 3.5 3.5 3.5 3.5 3.5 3.5 28-14M 29-14M 30-14M 32-14M 34-14M 36-14M 38-14M 40-14M 42-14M 44-14M 46-14M 48-14M 50-14M 56-14M 64-14M 72-14M 80-14M 90-14M 28 29 30 32 34 36 38 40 42 44 46 48 50 56 64 72 80 90 124.78 129.23 133.69 142.60 151.52 160.43 169.34 178.25 187.17 196.08 204.99 213.90 222.82 249.55 285.21 320.86 356.51 401.07 121.98 126.43 130.89 139.80 148.72 157.63 166.54 175.45 184.37 193.28 202.19 211.10 220.02 246.75 282.41 318.06 353.71 398.27。
同步带轮同步带是以钢丝绳或玻璃纤维为强力层,外覆以聚氨酯或氯丁橡胶的环形带,带的内周制成齿状,使其与齿形带轮啮合。
同步带传动时,传动比准确,对轴作用力小,结构紧凑,耐油,耐磨性好,抗老化性能好,一般使用温度-20℃―80℃,v<50m/s,P<300kw,i<10,对于要求同步的传动也可用于低速传动。
同步带传动具有以下特点:(1)传动准确,工作时无滑动,具有恒定的传动比;(2)传动平稳,具有缓冲、减振能力,噪声低;(3)传动效率高,可达0.98,节能效果明显;(4)维护保养方便,不需润滑,维护费用低;(5)速比范围大,一般可达10,线速度可达50m/s,具有较大的功率传递范围,可达几瓦到几百千瓦;(6)可用于长距离传动,中心距可达10m以上。
工业同步带的型号:“T”型齿工业用同步带型号 节距(mm) 齿高(mm) 带厚(mm) 角度 β°MXL 2.032 0.51 1.14 40XL 5.080 1.27 2.30 50L 9.525 1.91 3.60 40H 12.70 2.29 4.30 40XH 22.225 6.35 11.20 40XXH 31.750 9.53 15.70 40T2.5 2.5 0.7 1.30 40T5 5 1.20 2.20 40T10 10 2.50 4.50 40T20 20 5.00 8.00 40AT5 5 1.20 2.70 50AT10 10 2.50 5.00 50AT20 20 5.00 8.00 50圆弧齿工业用同步带齿型 代号 型号 节距(mm) 齿高(mm) 带厚(mm) HTD 2M 2 0.75 1.363M 3 1.17 2.45M 5 2.06 3.88M 8 3.36 6.0014M 14 6.02 10.0020M 20 8.4 13.20 STPD/STS S2M 2 0.76 1.36S3M 3 1.14 1.9S4.5M 4.5 1.71 2.81S5M 5 1.91 3.4S8M 8 3.05 5.3S14M 14 5.3 10.2 RPP/HPPD 2M 2 0.76 1.363M 3 1.15 1.95M 5 1.95 3.58M 8 3.2 5.514M 14 6.00 10项目 梯形齿 圆弧齿XL L H XH XXH 3M 5M 8M 14M 20M 拉伸强度80 120 270 380450 90 160300400 520 N/mm≥参考力 N 60 90 220 300360 70 130240320 410 伸长率 % ≤ 4.0硬 度 75±5包布粘合强5 6.5 8 10 12 -6 10 12 15 度 N/mm≥芯绳粘合强200 380 600 8001500- 4007001200 1600度 N/mm≥齿体剪切强50 60 70 75 90 - 50 60 80 100 度 N/mm≥齿轮直边齿形尺寸和公差 单位(mm) 节线代号 bw hg Ψ+1.5° rb rt 2δ MXL 0.84±0.05 0.69 20 0.350.130.508XXL 1.14±0.05 0.84 25 0.350.300.508XL 1.32±0.05 1.65 25 0.410.640.508L 3.05±0.10 2.67 20 1.19 1.170.762H 4.19±0.13 3.05 20 1.60 1.6 1.372XH 7.90±0.15 7.14 20 1.98 2.39 2.794XXH 12.17±0.18 10.31 20 3.96 3.18 3.048MXL--最轻型; XXL--超轻型; XL--特轻型; L--轻型; H--重型; XH--特重型; XXH--超重型。
同步带是以钢丝绳或玻璃纤维为强力层,外覆以聚氨酯或氯丁橡胶的环形带,带的内周制成齿状,使其与齿形带轮啮合。
同步带传动时,传动比准确,对轴作用力小,结构紧凑,耐油,耐磨性好,抗老化性能好,一般使用温度20℃―80℃,v<50m/s,P<300kw,i<10,对于要求同步的传动也可用于低速传动。
同步带传动具有以下特点:(1)传动准确,工作时无滑动,具有恒定的传动比;(2)传动平稳,具有缓冲、减振能力,噪声低;(3)传动效率高,可达0.98,节能效果明显;(4)维护保养方便,不需润滑,维护费用低;(5)速比范围大,一般可达10,线速度可达50m/s,具有较大的功率传递范围,可达几瓦到几百千瓦;(6)可用于长距离传动,中心距可达10m以上。
工业同步带的型号:“T”型齿工业用同步带型号节距 (mm) 齿高 (mm) 带厚(mm) 角度β°MXL 2.032 0.51 1.14 40XL 5.080 1.27 2.30 50L 9.5251.913.60 40H 12.702.29 4.30 40XH 22.2256.3511.20 40XXH 31.750 9.53 15.7040T2.5 2.50.7 1.30 40T5 5 1.202.20 40T1010 2.50 4.5040T20 20 5.008.00 40AT5 5 1.20 2.70 50AT10 10 2.50 5.00 50AT20 20 5.00 8.00 50圆弧齿工业用同步带齿型代号型号节距 (mm) 齿高(mm) 带厚 (mm)HTD 2M 2 0.75 1.363M 3 1.17 2.45M 5 2.06 3.88M 8 3.36 6.0014M 14 6.02 10.0020M 20 8.4 13.20STPD/STSS2M 2 0.76 1.36S3M 3 1.14 1.9S4.5M 4.5 1.71 2.81S5M 5 1.91 3.4S8M 8 3.05 5.3S14M 14 5.3 10.2RPP/HPPD2M 2 0.76 1.363M 3 1.15 1.95M 5 1.95 3.58M 8 3.2 5.5 14M 14 6.00 10时间:2021.03.03创作:欧阳学项目梯形齿圆弧齿XL L H XH XXH 3M 5M 8M 14M 20M拉伸强度N/mm≥ 80 120 270 380 450 90 160 300 400 520参考力伸长率参考力 N 60 90 220 300 360 70 130 240 320 410 伸长率%≤4.0硬度75±5包布粘合强度N/mm≥5 6.5 8 10 126 10 12 15芯绳粘合强度N/mm≥200 380 600 800 1500 400 700 1200 1600 齿体剪切强度N/mm≥50 60 70 75 90 50 60 80 100齿轮直边齿形尺寸和公差(mm)节线代号bw hg Ψ+1.5°rb rt 2δ查看MXL 0.84±0.050.69 20 0.35 0.13 0.508 详细规格XXL 1.14±0.050.84 25 0.35 0.30 0.508 详细规格MXL最轻型;XXL超轻型;XL特轻型;L轻型;H重型;XH特重型;XXH超重型。
同步带是以钢丝绳或玻璃纤维为强力层,外覆以聚氨酯或氯丁橡胶的环形带,带的内周制成齿状,使其与齿形带轮啮合。
同步带传动时,传动比准确,对轴作用力小,结构紧凑,耐油,耐磨性好,抗老化性能好,一般使用温度-20℃―80℃,v<50m/s,P<300kw,i<10,对于要求同步的传动也可用于低速传动。
同步带传动具有以下特点:
(1)传动准确,工作时无滑动,具有恒定的传动比;
(2)传动平稳,具有缓冲、减振能力,噪声低;
(3)传动效率高,可达0.98,节能效果明显;
(4)维护保养方便,不需润滑,维护费用低;
(5)速比范围大,一般可达10,线速度可达50m/s,具有较大的功率传递范围,可达几瓦到几百千瓦;
(6)可用于长距离传动,中心距可达10m以上。
工业同步带的型号:
“T”型齿工业用同步带
型号节距(mm) 齿高(mm) 带厚(mm) 角度β°
MXL 2.032 0.51 1.14 40
XL 5.080 1.27 2.30 50
L 9.525 1.91 3.60 40
H 12.70 2.29 4.30 40
XH 22.225 6.35 11.20 40
XXH 31.750 9.53 15.70 40
T2.5 2.5 0.7 1.30 40
T5 5 1.20 2.20 40
T10 10 2.50 4.50 40
T20 20 5.00 8.00 40
AT5 5 1.20 2.70 50
AT10 10 2.50 5.00 50
AT20 20 5.00 8.00 50
圆弧齿工业用同步带
齿型代号型号节距(mm) 齿高(mm) 带厚(mm)
HTD 2M 2 0.75 1.36
3M 3 1.17 2.4
5M 5 2.06 3.8
8M 8 3.36 6.00
14M 14 6.02 10.00
20M 20 8.4 13.20
STPD/STS
S2M 2 0.76 1.36
S3M 3 1.14 1.9
S4.5M 4.5 1.71 2.81
S5M 5 1.91 3.4
S8M 8 3.05 5.3
S14M 14 5.3 10.2
RPP/HPPD
2M 2 0.76 1.36
3M 3 1.15 1.9
5M 5 1.95 3.5
8M 8 3.2 5.5
14M 14 6.00 10
项目
梯形齿圆弧齿
XL L H XH XXH 3M 5M 8M 14M 20M 拉伸强度N/mm≥80 120 270 380 450 90 160 300 400 520
参考力伸长率参考力
N
60 90 220 300 360 70 130 240 320 410 伸长
率%≤
4.0
硬度75±5
包布粘合强度 5 6.5 8 10 12 - 6 10 12 15
N/mm≥
芯绳粘合强度
200 380 600 800 1500 - 400 700 1200 1600
N/mm≥
齿体剪切强度
50 60 70 75 90 - 50 60 80 100
N/mm≥
齿轮直边齿形尺寸和公差(mm)
节线代号bw hg Ψ+1.5°rb rt 2δ查看MXL 0.84±0.050.69 20 0.35 0.13 0.508 详细规格XXL 1.14±0.050.84 25 0.35 0.30 0.508 详细规格XL 1.32±0.05 1.65 25 0.41 0.64 0.508 详细规格L 3.05±0.10 2.67 20 1.19 1.17 0.762 详细规格
H 4.19±0.13 3.05 20 1.60 1.6 1.372 详细规格
XH 7.90±0.157.14 20 1.98 2.39 2.794 详细规格XXH 12.17±0.1810.31 20 3.96 3.18 3.048 详细规格
MXL--最轻型;XXL--超轻型;XL--特轻型;L--轻型;H--重型;XH--特重型;XXH--超重型。
同步带的标记
为:带长代号带型带宽代号。
MXL型同步带轮尺寸表
单位:(mm)
XL型同步带轮尺寸表
单位:(mm)
L型同步带轮尺寸表
单位:(mm)
H型同步带轮尺寸表
单位:(mm)
XH 型同步带轮尺寸表
单位:(mm)
XXH 型同步带轮尺寸表
单位:(mm)
规格齿数节径 d 外径 do 档边直径 df 档边内径 db 档边厚度 h 18XXH 18 181.91 178.87 199 157 5.5
19XXH 19 192.02 188.97 209 167 5.5
20XXH 20 202.13 199.08 219 177 5.5
21XXH 21 212.23 209.19 229 187 5.5
22XXH 22 222.34 219.29 239 197 5.5
24XXH 24 242.55 239.50
25XXH 25 252.66 249.61
26XXH 26 262.76 259.72
27XXH 27 272.87 269.82
30XXH 30 303.19 300.14
40XXH 40 404.25 401.21
48XXH 48 485.10 482.06
60XXH 60 606.38 603.33
72XXH 72 727.66 724.61
T型齿同步带轮齿型尺寸(mm)
齿距代号
形状形状
y
grad
rb rt 2a
查看S E
br
N
br
S E
hg
N
hg
偏差偏差偏差mix ±.15°max 偏差
T2.5 1.75
+0.05
0 1.83
+0.05
0.75
+0.05
1 25 0.
2 0.3
+0.05
0.6 详细规格
T5 2.96 +0.05 3.32 +0.05 1.25 +0.05 1.95 25 0.4 0.6 +0.05 1 详细规格
T2.5 型同步带轮尺寸表
单位:(mm)
T5 型同步带轮尺寸表
单位:(mm)
T10 型同步带轮尺寸表
单位:(mm)
T20型同步带轮尺寸表
单位:(mm)
规格齿数节径 d 外径 do 档边直径 df 档边内径 db 档边厚度 h 18-T20 18 114.59 111.76 124 98 4.5
19-T20 19 120.96 118.13 130 104 4.5
20-T20 20 127.35 124.49 136 110 4.5
21-T20 21 133.69 130.86 143 117 4.5
22-T20 22 140.06 137.23 149 123 4.5
23-T20 23 146.42 143.59 156 130 4.5
24-T20 24 152.79 149.96 162 136 4.5
25-T20 25 159.15 156.32 168 142 4.5
26-T20 26 165.52 162.69 175 149 4.5
27-T20 27 171.89 169.06 181 155 4.5
28-T20 28 178.25 175.42 187 161 4.5
29-T20 29 184.62 181.79 194 168 4.5
30-T20 30 190.99 188.16 200 174 4.5
32-T20 32 203.72 200.89
34-T20 34 216.45 213.62
36-T20 36 229.18 226.35
38-T20 38 241.92 239.09
40-T20 40 254.65 251.82
42-T20 42 267.38 264.55
44-T20 44 280.11 277.28
46-T20 46 292.85 290.02
48-T20 48 305.58 302.75
50-T20 50 318.31 315.48
60-T20 60 381.97 379.14
HTD同步带轮齿型尺寸(mm)
节距型号节距齿高底圆半径齿槽宽齿顶圆半径齿形角查看3M 3 1.28 0.91 1.90 0.3 ≈14°详细规格5M 5 2.16 0.56 3.25 0.48 ≈14°详细规格8M 8 3.54 2.57 5.35 0.8 ≈14°详细规格14M 14 6.20 4.65 9.80 1.4 ≈14°详细规格
3M 型同步带轮尺寸表
单位:(mm) 规格齿数节径 d 外径 do 档边直径 df 档边内径 db 档边厚度 h 15-3M 15 14.32 13.56 18 10 1
16-3M 16 15.28 14.52 18 10 1
17-3M 17 16.23 15.47 22 11 1
18-3M 18 17.19 16.43 22 11 1
19-3M 19 18.14 17.38 22 11 1
20-3M 20 19.10 18.34 22 11 1
5M 型同步带轮尺寸表
单位:(mm)
8M 型同步带轮尺寸表
单位:(mm)
14M 型同步带轮尺寸表
单位:(mm)。