钢轨每米重量表
- 格式:doc
- 大小:172.00 KB
- 文档页数:7
轨道钢理论重量表(轨道钢的理论重量)
轨都属重轨。
火车钢轨:用于铺设铁路,要承受火车营运时的压力、冲击载荷和摩擦,要求有足够的强度和一定的韧性。
质量要求严格,除保证其化学成分外,还要求检验力学性能、落锤试验和酸浸低倍组织等。
生产厂有武钢、鞍钢、包钢和攀钢等。
起重机轨:即吊车轨,其高度较低,头宽及腰厚尺寸较大,只要求检验化学成分和抗拉强度。
用于铺设起重机大于及小车轨道。
生产厂有鞍钢和攀钢。
(2)轻型钢轨知识:是每米公称重量小于或等于30kg 的钢轨。
轻轨的质量要求比重轨低,只要求检验其化学成分、抗拉强度、硬度和落锤试验等。
主要用途:轻轨主要用于林区、矿区、工厂及施工现场等处铺设临时运输线路和轻型机车用线路。
铁路钢轨型号:(1)轻型钢轨型号,材质: Q235,55Q ;规格:30kg/m,24kg/m,22kg/m,18kg/m,15kg/m,12 kg/m,8 kg/m。
(2)重型钢轨型号, 材质: 45MN,71MN;规格:50kg/m,43kg/m,38kg/m,33kg/m(2)起重钢轨型号, 材质: U71MN;规格:QU70 kg /m ,QU80 kg /m,QU100 kg /m,QU120 kg /m。
以上钢轨型号为常用钢轨型号。
创作编号:GB8878185555334563BT9125XW创作者:凤呜大王*钢轨理论重量表及尺寸(2008/06/27 10:38)一、钢轨的基本功能及基本要求钢轨是铁路轨道的主要组成部件。
它的功用在于引导机车车辆的车轮前进,承受车轮的巨大压力,并传递到轨枕上。
钢轨必须为车轮提供连续、平顺和阻力最小的滚动表面。
在电气化铁道或自动闭塞区段,钢轨还可兼做轨道电路之用。
钢轨的工作条件十分复杂。
车轮施加于钢轨上的作用力,其大小、方面和位置都具有很大的随机性。
这引起都有和机车车辆与轨道的相互作用有关。
除轮载外,气候及其他因素对钢轨受力也有影响,例如,轨温的变化可以使钢轨内部产生很大的温度力,特别是无缝线路上。
钢轨是作为一根支承在连续弹性基础或点支承上的无限长梁进行工作的。
它主要承受轮载作用下的弯曲应力,但是也必须有能力承担轮轨接触点上的接触应力,以及轨腰与轨头或轨底连接处可能产生的局部应力和温度变化作用下的温度应力。
在轮载和温度力的作用下,钢轨产生复杂的变形:压缩、伸长、弯曲、扭转、压溃、磨耗等。
为使列车能够安全、平稳和不间断地运行,钢轨除必须充分发挥上述诸功能外,还应保证在轮载和轨温变化作用下,应力和变形均不超过规定的限值。
这就要求钢轨具有足够的强度、韧性和耐磨性能。
机车依靠其动轮与钢轨顶面之间的摩擦作用牵引列车前进,这就要求钢轨顶面粗糙,使车轮与钢轨之间产生足够的摩擦力。
但对车辆来说,摩阻力太大会使行车阻力增加,这就又要求钢轨有一个光滑的滚动表面。
从这一矛盾的主要方面出发,钢轨仍应维持其光滑的表面,必要时,可用向轨面撒砂的方法提高机车动轮与钢轨之间的粘着力。
上一页下一页钢轨依靠本身的刚度抵抗轮载作用下的弹性弯曲,但是为了减轻车轮对钢轨的动力冲击作用,防止机车车辆步行部分及钢轨的折损,又要求钢轨具有必要的弹性。
车轮与钢轨之间接触面积很小,而来自车轮的的压力却十分巨大,为使钢轨不致被压陷或磨耗太快,钢轨应具有足够的硬度。
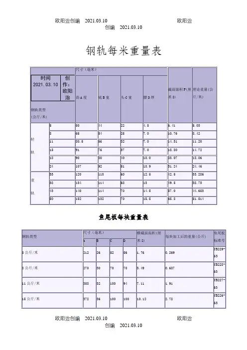
钢轨理论重量表及尺寸轨道钢尺寸米重(kg/m)备注规格a b c d9kg/m63.563.532.1 5.98.9412kg /m69.8569.8538.17.5412.2轻轨15kg/m79.3779.3742.868.3315.222kg/m93.6693.6650.810.7222.330kg/m107.95107.9560.3312.330.138kg/m134114681338.7343kg/m1401147014.544.65重轨50kg/m1521327015.551.5160kg/m1761507316.560.64QU70120120702852.8QU80130130803263.69吊车轨QU1001501501003888.96QU12017017012044118.1轨道钢尺寸米重(kg/m)备注规格a b c d9kg/m63.563.532.1 5.98.9412kg /m69.8569.8538.17.5412.2轻轨15kg/m79.3779.3742.868.3315.222kg/m93.6693.6650.810.7222.330kg/m107.95107.9560.3312.330.138kg/m134114681338.7343kg/m1401147014.544.65重轨50kg/m1521327015.551.5160kg/m1761507316.560.64QU70120120702852.8QU80130130803263.69吊车轨QU1001501501003888.96QU12017017012044118.1钢轨理论重量钢轨类型尺寸(毫米)截面面积F(厘米2)理论重量(公斤/米) (公斤/米)高A度底B宽头C宽腰D厚5504422 4.5 6.41 5.038655425710.768.4211816632714.3111.2轻轨159********.814.7189080401023.0718.12410792511131.2424.533120110601342.533.338134114681349.538.73重轨4314011470155744.750152132701665.851.51一、钢轨的基本功能及基本要求钢轨是铁路轨道的主要组成部件。
七、轨道材料重量表钢轨的类型,以每1米大致质量kg数表示。
目前,我国铁路的钢轨类型主要有75kg/m、60kg/m、50kg/m及43kg/m。
世界上最重型的钢轨已达到77.5kg/m,我国也在重载线路上逐步铺设75kg/m钢轨。
钢轨标准长度为12.5m和25m两种。
铁路钢轨知识:(1)重型钢轨知识:每米公称重量大于30kg的钢轨。
火车钢轨和起重机轨都属重轨。
火车钢轨:用于铺设铁路,要承受火车营运时的压力、冲击载荷和摩擦,要求有足够的强度和一定的韧性。
质量要求严格,除保证其化学成分外,还要求检验力学性能、落锤试验和酸浸低倍组织等。
生产厂有武钢、鞍钢、包钢和攀钢等。
起重机轨:即吊车轨,其高度较低,头宽及腰厚尺寸较大,只要求检验化学成分和抗拉强度。
用于铺设起重机大于及小车轨道。
生产厂有鞍钢和攀钢。
(2)轻型钢轨知识:是每米公称重量小于或等于30kg的钢轨。
轻轨的质量要求比重轨低,只要求检验其化学成分、抗拉强度、硬度和落锤试验等。
主要用途:轻轨主要用于林区、矿区、工厂及施工现场等处铺设临时运输线路和轻型机车用线路。
铁路钢轨型号:(1)轻型钢轨型号,钢轨材质: Q235,55Q ;钢轨规格:30kg/m,24kg/m,22kg/m,18kg/m,15kg/m,12 kg/m,8kg/m。
(2)重型钢轨型号, 钢轨材质: 45MN,71MN;钢轨规格:50kg/m,43kg/m,38kg/m,33kg/m。
(3)起重钢轨型号,钢轨材质: U71MN;钢轨规格:QU70kg/m ,QU80kg/m,QU100kg/m,QU120kg/m。
以上钢轨型号为常用钢轨型号。
在中国全都是标准的是1435CM的,还有1000CM的俗称米轨,现在仅存于云南昆明。
轻轨的理论重量型号截面尺寸(mm)截面面积(cm 2 )理论重量(kg/m)轨高A 底宽B 头宽C 头高D 腰高E 底高F 腰厚t 9 63.5 63.5 32.1 17.48 35.72 10.3 5.9 11.3 8.94 12 69.85 69.85 38.1 19.85 37.7 12.3 7.54 15.54 12.2 15 79.37 79.37 42.86 22.22 43.65 13.5 8.33 19.33 15.2 22 93.66 93.66 50.8 26.99 50 16.67 10.72 28.39 22.3 24 - - - - - - - - 24.95 30 107.95 107.95 60.33 30.95 57.55 19.45 12.3 38.32 30.1 重轨的理论重量型号截面尺寸(mm)截面面积(cm 2 )钢轨长度(m)理论重量(kg/m)轨高底宽头宽腰厚 60 176 150 73 16.5 9--12.5、25 50 152 132 70 15.5 65.8 12.5--25 51.514 45 145 126 67 14.5 12.5--25 45.546 43 140 114 70 14.5 57 12.5--25 44.653 38 134 114 68 13 49.5 12.5--25 38.733 重轨的理论重量及金属分配:钢轨类型理论重量,kg 钢轨的金属分配每米重量 12.5米长的重量 25.0米长的重量每根钢轨(各部分占总面积的百分数)螺栓孔未扣除每端扣除三未扣除每端扣除三部分重量轨头轨腰轨底螺栓孔个螺栓孔螺栓孔个螺栓孔50kg/m 51.514 643.925 643.429 1287.85 1287.354 0.493 38.68 23.77 37.55 43kg/m 44.653 558.162 557.69 1116.325 1115.853 0.472 42.83 21.31 35.86 38kg/m 38.733 484.162 483.739 968.325 967.902 0.423 43.68 21.63 34.69 轻轨用垫板理论重量轻轨用接头夹板理论重量钢号 80(785MPa)型号理论重量,kg/块 9kg/m轻轨用接头夹板 0.81 型号理论重量,kg/块 12kg/m轻轨用接头夹板 1.39 15kg/m轻轨用垫板1.5 15kg/m轻轨用接头夹板2.2 22kg/m轻轨用垫板2.2 22kg/m轻轨用接头夹板 3.8 30kg/m轻轨用垫板 2.7 30kg/m轻轨用接头夹板 5.54 起重机钢轨规格重量型号截面尺寸(mm)钢号80(785MPa)截面积(cm 2 )理论重量(kg/m)轨高顶宽顶下宽底宽腰厚 QU70 120 70 76.5 120 28 67.3 52.8 QU80 130 80 87 130 32 81.13 63.69 QU100 150 100 108 150 38 113.32 88.96 QU120 170 120 129 170 44 150.44 118.1。
轨道材料重量表钢轨每米重量表钢轨的类型,以每1米大致质量kg数表示。
目前,我国铁路的钢轨类型主要有75kg/m、60kg/m、50kg/m及43kg/m。
世界上最重型的钢轨已达到77.5kg/m,我国也在重载线路上逐步铺设75kg/m钢轨。
钢轨标准长度为12.5m和25m两种。
铁路钢轨知识:(1)重型钢轨知识:每米公称重量大于30kg的钢轨。
火车钢轨和起重机轨都属重轨。
火车钢轨:用于铺设铁路,要承受火车营运时的压力、冲击载荷和摩擦,要求有足够的强度和一定的韧性。
质量要求严格,除保证其化学成分外,还要求检验力学性能、落锤试验和酸浸低倍组织等。
生产厂有武钢、鞍钢、包钢和攀钢等。
起重机轨:即吊车轨,其高度较低,头宽及腰厚尺寸较大,只要求检验化学成分和抗拉强度。
用于铺设起重机及小车轨道。
生产厂有鞍钢和攀钢。
(2)轻型钢轨知识:是每米公称重量小于或等于30kg的钢轨。
轻轨的质量要求比重轨低,只要求检验其化学成分、抗拉强度、硬度和落锤试验等。
主要用途:轻轨主要用于林区、矿区、工厂及施工现场等处铺设临时运输线路和轻型机车用线路。
铁路钢轨型号:(1)轻型钢轨型号,钢轨材质: Q235,55Q ;钢轨规格:30kg/m,24kg/m,22kg/m,18kg/m,15kg/m,12 kg/m,8 kg/m。
(2)重型钢轨型号, 钢轨材质: 45MN,71MN;钢轨规格:50kg/m,43kg/m,38kg/m,33kg/m。
(3)起重钢轨型号,钢轨材质: U71MN;钢轨规格:QU70kg/m ,QU80kg/m,QU100kg/m,QU120kg/m。
以上钢轨型号为常用钢轨型号。
钢轨尺寸表钢轨理论重量钢轨规格5kg钢轨轨高:50mm 底宽:44mm 头宽:22mm 腰厚:4.5mm 理论重量:5.03kg/m6kg钢轨轨高:50.8mm 底宽:50.8mm 头宽:25.4mm 腰厚:4.76mm 理论重量:5.98kg/m8kg钢轨轨高:65mm 底宽:54mm 头宽:25mm 腰厚:7.0mm 理论重量:8.42kg/m9kg钢轨轨高:63.5mm 底宽:63.5mm 头宽:32.1mm 腰厚:5.9mm 理论重量:8.94kg/m12kg钢轨轨高:69.85mm 底宽:69.85mm 头宽:38.1mm 腰厚:7.54mm 理论重量:12.2kg/m15kg钢轨轨高:79.37mm 底宽:79.37mm 头宽:42.86mm 腰厚:8.33mm 理论重量:15.2kg/m18kg钢轨轨高:90mm 底宽:80mm 头宽:40mm 腰厚:10.0mm 理论重量:18.06kg/m22kg钢轨轨高:93.66mm 底宽:93.66mm 头宽:50.8mm 腰厚:10.72mm 理论重量:22.3kg/m24kg钢轨轨高:107mm 底宽:90mm 头宽:51mm 腰厚:10.9mm 理论重量:24.46kg/m30kg钢轨轨高:107.95mm 底宽:107.95mm 头宽:60.33mm 腰厚:12.3mm 理论重量:30.1kg/m38kg钢轨轨高:134mm 底宽:114mm 头宽:68mm 腰厚:13mm 理论重量:38.733kg/m43kg钢轨轨高:140mm 底宽:114mm 头宽:70mm 腰厚:14.5mm 理论重量:44.653kg/m45kg钢轨轨高:145mm 底宽:126mm 头宽:67mm 腰厚:14.5mm 理论重量:45.546kg/m50kg钢轨轨高:152mm 底宽:132mm 头宽:70mm 腰厚:15.5mm 理论重量:51.514kg/m60kg钢轨轨高:176mm 底宽:150mm 头宽:73mm 腰厚:16.5mm 理论重量:60.64kg/m70kg钢轨轨高:120mm 底宽:120mm 头宽:70mm 腰厚:28mm 理论重量:52.8kg/m80kg钢轨轨高:130mm 底宽:130mm 头宽:80mm 腰厚:32mm 理论重量:63.69kg/m100kg钢轨轨高:150mm 底宽:150mm 头宽:100mm 腰厚:38mm 理论重量:88.96kg/m120kg钢轨轨高:170mm 底宽:170mm 头宽:120mm 腰厚:44mm 理论重量:118.1kg/m。