加油站综合安全检查表
- 格式:doc
- 大小:85.50 KB
- 文档页数:2
加油站安全生产检查表加油站安全生产检查表一、安全通道1. 是否有设置安全通道?2. 安全通道的地面是否平整?是否有破损?3. 安全通道是否进行清洁?4. 安全通道中是否有杂物影响通行?二、易燃易爆物品储存1. 储油区和加油区是否有设置标志标明易燃易爆品?2. 是否有专人负责易燃易爆品的储存管理工作?是否定期检查储存情况?3. 储油罐、油枪等设施是否出现泄漏现象?4. 加油站内是否禁止吸烟、驾车、使用明火等操作?三、灭火器材1. 加油站内是否配备消防器材,例如灭火器、消防水管等?2. 消防器材是否设置在明显位置方便使用?3. 是否定期检查消防器材的有效性?四、电气设备安全1. 所有的电气设备是否有接地?2. 电气设备是否有正常使用、维护和保养记录?3. 电气设备是否存在过载现象?4. 电气线路、电器设备有没有损坏或老化?五、工作场所1. 工作场所意外通道和出口是否畅通无阻?2. 添加剂贮罐、油罐、油泵、加油枪等设施是否有良好的保护设施?3. 加油站是否有通风设备?4. 放置的物品是否规整,防止过度恒定造成倾斜?六、标志标牌1. 是否贴有24小时加油、禁止吸烟等标牌?2. 是否配备危险品车辆入口禁止标志牌?是否贴有易燃易爆标志?3. 是否贴有应急电话和加油站地址标志牌?七、安全管理1. 是否有明确的安全管理制度和责任划分?2. 是否对工作人员进行安全生产培训?3. 是否有完整的事故应急预案和演练?四、加油站环境1. 是否有无害化处理垃圾、油脂及其他废弃物品的设施及制度?2. 加油站周围环境是否清洁整洁或是否有垃圾漏油现象?3. 是否配备清洁工具、地垫、垃圾桶等保障基本设施之完善?以上就是加油站安全生产检查表,希望能对检查加油站安全作出一定的贡献。
加油站安全检查表(国标、行标)加油站安全检查表GB-2012规定了生产经营单位必须遵守的安全标准。
若违反规定,将会受到罚款或停产整顿等处罚。
以下是检查表中的具体内容:1.车辆入口和出口应分开设置,以确保车辆进出站时安全有序。
2.加油加气作业区内的停车位和道路路面不应采用沥青路面,以减少火灾的风险。
3.加油加气作业区与辅助服务区之间应有界线标识,以避免混淆。
4.加油加气作业区内,不得有明火地点或散发火花地点,以确保加油作业的安全。
5.经营性餐饮、汽车服务等非站房所属建筑物或设施不应布置在作业区内,以避免交叉感染和安全风险。
6.加油加气站的变配电间或室外变压器应布置在爆炸危险区域之外,且与爆炸危险区域边界线的距离不应小于3m。
变配电间的起算点应为门窗等洞口。
爆炸危险区不应超出站区围墙或可用地界线。
7.加油加气站内的爆炸危险区域,不应超出站区围墙和可用地界线。
8.工艺设备与站外建(构)筑物之间宜设置不低于2.2米高的不燃实体墙,以保证设备的安全运行。
9.汽车加油站的储油罐,应采用卧式油罐,以避免油料泄漏。
10.油罐应采用钢制人孔盖,以保证油罐的密封性。
11.埋地油罐的人孔应设操作井,设在行车道下面的人孔井应采用加油站车行道下专用的密闭井盖和井座。
油罐应采取卸油时的防满溢措施。
高液位报警装置应位于工作人员便于觉察的地点,以确保油料不会溢出。
2加油机上的油气回收接口应装设自闭式快速接头。
3加油油气回收管道的接口宜采用自闭式快速接头。
采用非自闭式快速接头时,应在靠近快速接头的连接管道上装设阀门。
条文说明]加油油气回收系统是指在加油时,将油气通过管道回收到油罐内,以减少环境污染和资源浪费。
真空辅助式油气回收系统是指通过真空泵将油气吸入油罐内。
2.汽油加油机与油罐之间应设置油气回收管道。
多台汽油加油机可以共用一根油气回收主管,但油气回收主管的公称直径不应小于50mm。
3.加油油气回收系统应采取措施,防止油气反向流至加油枪。
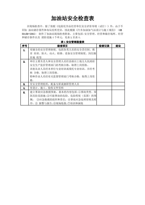
加油站安全检查表表3.5加油站安全检查表单位名称负责联人姓系名电话序检查检查内容检查号项目情况1安全有健全的安全管理制度,包括各类人管理员的安全责任制,教育培训、防火、动火、检修、检查、设备安全管理制度,岗位操作规程等。
单位主要负责人和安全管理人员绎具级以上地方人民政府安全生产监督管理部门的考核合格,取得上岗资格。
其他从业人需经本单位专业培训或委托专业培训,并经考核合格,取得上岗资格。
特种作业人员经有关监督管理部门考核合格,取得上岗资格。
有安全管理组织,配备专职(兼职)安全管理人员。
有设计、施工、验收文件资料。
特种作业人员经有关监督管理部门考核合格,取得上岗资格。
有安全管理组织,配备专职(兼职)安全管理人员。
有设计、施工、验收文件资料。
2 事故特种作业人员经有关监督管理部门应急考核合格,取得上岗资格。
救援有安全管理组织,配备专职(兼职)预案安全管理人员。
有设计、施工、验收文件资料。
特种作业人员经有关监督管理部门考核合格,取得上岗资格。
3-经营在城市建成区内不应建一级加油站1 和加油站内的站房及其他附属建筑物储存的耐火等级不应低于二级场所建筑物经公安消防部门验收合格加油加气站应在醒目的位置设置安全警示语、警示牌:“严禁烟火”、“熄火加油”、“不准使用手机”等标志加油站的油罐、加油机和通气管口与站外建筑物的防火距离、不应小于GB50156-2002中表4.0.4的规定。
加油站的工艺设施与站外建(构)筑物之间的距离小于或等于25m以及小于等于GB50156-2002中表4.0.4中防火距离的1.5倍时,相邻一侧应设置高度不低于2.2m的非燃烧实体围墙。
单位名称负责联人姓系名电话序检查检查内容检查号项目情况3-经营加油站的工艺设施与站外建筑物之2和储间的距离大于GB50156-2002表4.0.4 存场中防火距离的1.5倍且大于25m时,相所邻一侧应设置隔离墙,隔离墙可为非实体围墙。
加油站内设施之间的防火距离,不应小于GB50156-2002中表5.0.8的规定。
加油站安全检查表加油站安全评价现场检查表(修订版)一、安全管理1、制度规程:应有各级各职能部门及各类人员的安全生产责任制,并有健全的安全管理制度和岗位安全操作规程。
2、机构人员:应按国家、省法律法规规定设置安全生产管理机构或者配备专职安全生产管理人员。
3、从业人员资格:单位主要负责人和安全生产管理人员应经县级以上地方人民政府安全生产监督管理部门考核合格,取得上岗资格。
特种作业人员应经有关监督管理部门考核合格,取得上岗资格。
其他从业人员应经本单位专业培训或委托专业培训,并经考核合格,取得上岗资格。
4、事故应急救援预案:应按照《生产经营单位生产安全事故应急预案编制导则》(GB/T-2013)编制事故应急救援预案,并报安监部门备案。
应有应急救援组织或者应急救援人员,并配备必要的应急救援器材、设备。
5、重大危险源管理:构成重大危险源的应当采取监控措施,包括建立运行管理档案,对运行情况进行全程监控,定期对设施、设备进行检测、检验,定期检查重大危险源的安全状态,制定专门的应急救援预案,并定期组织应急救援演练。
应当至少每半年向安全生产监督管理部门和其他有关部门报告重大危险源监控措施的实施情况。
6、基础资料:新建、改建、扩建的加油站应有建设规划批文(或选址意见书)及土地使用手续。
新建、改建、扩建工程项目的安全设施必须与主体工程同时设计、同时施工、同时投入生产和使用。
设计、施工单位应具有相应资质,设计、施工、验收文件资料齐全。
新建、改建、扩建的工程项目必须经公安消防部门验收合格。
防雷、防静电设施应由有资质的部门出具检测合格报告。
7、安全标志:安全警示标志应符合要求。
车用乙醇汽油加油站应设置明显识别标识。
车用乙醇汽油储罐、加油机应单独设置识别标识。
二、站址选择及总平面布置8、在城市建成区不宜建一级加油站。
在城市中心区不应建一级加油站、一级加油加气合建站。
9、加油站、加油加气合建站的汽油设备与站外建、构筑物的安全间距,不应小于GB-2012(2014年局部修订版)表4.0.4的规定。
加油站安全检查表
一、人员安全
•每位员工必须佩戴安全帽和手套。
•禁止吸烟或使用明火。
•需定期进行员工安全意识培训。
二、设备安全
•加油机应每月进行一次全面检查,确保正常工作。
•车辆提取系统需定期维护,避免故障发生。
•警示标识牌应清晰可见,引导车辆停放位置。
三、场地安全
•应定期清理场地,确保无杂物堆积。
•地面需保持干燥,避免意外滑倒发生。
•出入口处需设置安全通道,紧急情况下能快速疏散人员。
四、风险防范
•建立应急预案,确保员工知晓如何应对紧急情况。
•定期检查消防设备,保持有效性。
•每月进行一次消防演练,提高员工应急能力。
五、安全记录
•每天定时记录安全巡查情况,及时发现问题并处理。
•定期汇总安全记录,制定改进措施。
•对安全记录进行归档,备查。
结语
通过对加油站的安全检查,能够有效降低事故风险,保障员工和顾客的安全。
安全意识始终是工作的首要任务,只有时刻警惕,才能让加油站环境更加安全可靠。
加油站现场安全检查表、安全管理
、总图布置
三、工艺及设施
四、电气装置
五、加油、卸油作业
说明:(1)类别栏标注“ A”的属否决项;类别栏标注“ B”的属非否决项(2)符合安全要求的条件是:根据现场实际确定的检查项目中,A项全部符合,且B项中不符合项不超过B项实际检查项数的10% (含等于10%。
(3)不符合安全要求的条件是:经整改后A项中有不符合,或者B项的不符合项超过B项实际检查项数的10%
加油站检查结论汇总表
检查结论汇总表
企业整改情况复查表
注:本表一式二份,一份送达企业,一份检查人留存。