3000吨每年花生蛋白饮料工艺设计
- 格式:docx
- 大小:217.54 KB
- 文档页数:15
植物蛋白饮料工艺流程图及关键控制点工艺流程图:1.原料处理:处理原材料(例如豆类、坚果等),去除杂质,清洗并浸泡。
2.研磨:将处理后的原料研磨成细粉,以增加可溶性和可消化性。
3.榨汁:将研磨后的原料加入适量的水,进行榨汁。
4.过滤:通过滤网或过滤器对榨出的液体进行过滤,去除悬浮物和固体颗粒。
5.分离:将过滤后的液体通过离心机等设备进行分离,得到蛋白质浆和植物蛋白饮料的废弃物。
6.加工:蛋白质浆经过加热、杀菌等处理工艺,以确保产品的卫生安全性。
7.调配:根据需要,将蛋白质浆和其他原料(如食用植物油、香料、甜味剂等)按照一定的配比进行混合。
8.加热:将混合后的物料进行加热,以改善口感和延长保质期。
9.灌装:将加热后的产品在无菌条件下灌装到包装容器中,如瓶子、纸盒等。
10.退温:将灌装好的产品进行退温处理,以避免瓶内产生露点水。
11.包装:对灌装好的产品进行包装和标识,以便于销售和消费。
12.库存:将包装好的产品存放在恰当的温度和湿度条件下,以维持产品的品质。
关键控制点:1.原材料质量控制:确保原料的质量符合食品卫生安全标准,避免潜在的食品安全风险。
2.过滤和分离控制:过滤和分离过程的操作条件和设备要保持良好,以确保产品的悬浮物和固体颗粒的去除。
3.加工控制:加工过程中的温度、压力和时间等参数要严格控制,以保证产品的品质和卫生安全。
4.调配精确控制:根据产品配方要求,准确配料,确保产品的口感和营养成分。
5.加热控制:加热的时间和温度要恰当控制,以保持产品的风味、质地和保质期。
6.灌装和退温控制:灌装过程要保持无菌条件,而且产品在退温过程中要控制好温度,避免产生露点水。
7.包装和标识控制:确保包装材料的质量符合食品安全标准,对产品进行合理的包装和标识,以便于消费和检验。
这些关键控制点是确保植物蛋白饮料生产过程中产品质量和安全性的关键环节。
企业应建立相应的监测和检验体系,通过严格控制这些关键控制点,来确保产品的质量和卫生安全,满足消费者的需求。
韶关学院毕业设计题目:年产3000吨花生乳饮料工厂设计学生姓名:刘婉莹学号:10102062029系(院):英东食品科学与工程学院专业:食品科学与工程班级:10食品2班指导教师姓名及职称:张俊艳讲师起止时间:2013 年 4 月——2014 年 4 月教务处制表年产3000吨花生乳饮料工厂设计摘要:本论文主要是对年产量3000吨的花生乳饮料工厂进行设计。
确定厂址之前,必须对工厂所建城市的市场经济、工厂周边的地理环境和当地的经济政策等各项指标进行考察。
再者,为了使本设计合理化和确定工艺流程图、生产车间平面图以及全厂总平面图,有必要对产品方案、工艺论证、设备选型、物料衡算进行分析。
同时为了确定工厂的经济效益和社会效益,需要进行经济衡算。
结果表明,年产3000吨花生乳饮料项目资金总投入为2500.08万元,年利润达到1491.49万元,投资回收期约为2年。
关键词:花生乳饮料;工厂设计;物料衡算;经济效益分析Design of a Plant with an Annual Output of 3000 Tons ofPeanut Milk Beverage ProductsAbstract:To design a plant with an annual output of 3000 tons of peanut milk beverage products is the purpose of this project. Before confirming the location of the factory, the market economy of the factory of this city, the geographical environment near the factory and the local economic policy and other conditions must be observed and studied. Then, in order to make this design reasonable and confirm the process flow diagram, production workshop flat plan and total flat plan of the plant, it’s necessary to analyze the product program, technological demonstration, equipment selection and material balance. At the same time, for the sake of determining the economic benefits and social benefits of the factory, economic balance is needed. The results show that, the project of an annual output of 3000 tons of peanut milk beverage products assets of investment 25.0008 million yuan totally and the profit can reach 14.9149 million yuan of the year. Its recovered period would be 2 years.Keywords: Peanut milk beverage products; Plant design; Material balance; Benefit analysis目录摘要 (I)Abstract (I)1前言 (1)1.1功能性乳制品的发展新趋势 (1)1.2花生乳的发展前景 (1)2 工厂选址分析和确定 (1)2.1工厂选址的原则 (1)2.2厂址的确定 (2)2.3建设规模 (3)3 原材料、辅料及花生乳产品的质量标准 (3)3.1原材料、辅料的质量标准 (3)3.1.1原材料的质量标准 (3)3.1.2加工用水特性及标准 (4)3.1.3辅料特性及标准 (4)3.2花生乳产品的质量标准 (4)3.2.1感官指标 (4)3.2.2理化指标 (4)3.2.3微生物指标 (5)4 产品方案和工艺设计 (5)4.1产品方案分析和产量的确定 (5)4.1.1产品方案分析 (5)4.1.2班产量确定 (6)4.2花生乳饮料产品配方 (6)4.3生产工艺流程及操作要点 (6)4.3.1花生乳工艺流程 (6)4.3.2花生乳生产操作要点 (6)4.4物料衡算的原理 (7)4.4.1原辅材料的用量估算 (8)4.4.2包装材料的用量估算 (8)4.5设备选型 (9)4.5.1设备选型的依据 (9)4.5.2主要设备的技术参数 (9)4.6水、电、汽的用量估算 (11)4.6.1用水量的估算 (11)4.6.2 用电量的估算 (12)4.6.3用汽量的估算 (13)4.7人员编制 (13)4.7.1人员编制的原则 (13)4.7.2人员编制的计算 (13)5 车间工艺布置 (14)5.1 构建生产车间注意事项 (14)5.2生产车间布置 (15)6 辅助部门 (16)6.1停车场 (16)6.2食堂 (16)6.3办公楼 (17)6.4研发化验室 (17)6.5成品室 (17)6.6机修车间 (17)7 卫生安全 (17)7.1厂库环境卫生 (17)7.2厂库设施卫生 (18)7.3加工卫生 (18)8 公用系统 (18)8.1给排水系统 (18)8.2供电系统 (19)8.3供汽系统 (19)8.4采暖与通风 (20)8.4.1采暖 (20)8.4.2通风 (20)8.5废水处理站 (20)9 全厂平面布置 (20)9.1全厂平面设计的基本原则 (20)10经济分析 (21)10.1投资指标 (21)10.1.1土地建设费用估算(B1) (21)10.1.2设备投资费用估算(B2) (21)10.1.3工程安装费用估算(B3) (21)10.1.4 其他费用估算(B4) (21)10.2年经营费用指标 (21)10.2.1折旧费估算(X) (21)10.2.2 维修费估算(Y) (21)10.3利润、投资回收期的估算 (22)10.3.1利润估算(按年计算) (22)10.3.2 投资回收期估算 (23)10.4 经营安全率(η)分析 (23)10.5综合评价 (23)11 结论 (24)致谢 (25)参考文献 (26)年产3000吨花生乳饮料工厂设计专业班级:10食品2班学生姓名:刘婉莹指导老师:张俊艳讲师1前言1.1功能性乳制品的发展新趋势功能性乳制品,是指除具有一般乳制品固有的化学成分和营养作用[1],除此以外,特殊营养物质和功能性成分也含有在内,同时乳制品也具有保健功能。
植物蛋白饮料(核桃花生露)生产工艺流程图
注:图中标注★的工艺为关键控制点
关键工序 主要设备 技术参数 原料 -------- 核桃应符合LY/T1922-2010的要求。
购买的花生应要求厂家提供生产
许可证和检验合格证并符合GB/T1532-2008
水处理
RO 系列反渗透纯
水机
纯净水电导率低于6us/cm,脱盐率大于97%
调配 冷热缸 将称量准确的原辅材料依次投入冷热缸,升温至90℃搅拌10分钟 。
灌装、封口 灌装封口机、灌装封口机组
按罐上标示重量进行罐装,日期打印清晰、完整、准确。
计量符合《定量包装商品计量检验规则》规定 杀菌
杀菌锅 杀菌升温时间:≤10分钟;恒温时间:30分钟;降温时间:10分钟;恒温温度:121℃;杀菌后产品温度≤40℃;
研磨制浆 过滤、均质 过滤调配★ ★原料
水处理★ 食品添加
灌装封口★ 杀菌★ 打码装箱、喷码 入库。
花生仁具有相当很高的营养价值。
用花生仁制成的花生乳饮料富含蛋白质、脂肪,碳水化合物以及维生素B1、-B2、E、尼克酸和钙、磷、铁等无机元素,人体必须脂肪酸等营养成分。
它可以在牛奶缺乏的地区作为奶制品的代用品或补品。
花生乳是以花生为主要原料,经加工制成的蛋白饮料,其中含有大量人体必需的氨基酸,种类齐全,可消化率高。
花生乳可冷饮、热饮,有花生的清香感.花生乳饮料将会有一个广阔的需求市场.生产工艺流程花生米-脱皮-浸泡-磨浆-蛋白质抽提-分离-配料-均质-灌装-杀菌-冷却-检测-包装-成品.生产工艺及技术要点原料:作为花生制品,如何避免黄曲霉素的污染却是个不可忽视的问题,首先对原料的选择上要严格要求,要选择气温低湿度小的地区产的花生,在购进原料前应抽样检测,以确定生产原料基地.购进原料后要妥善保存.使用时,应挑选无霉变、破损、虫咬及变色的花生为原料。
花生米脱衣浸泡:花生米经热水和冷水处理,使花生红衣呈微皱状态,用脱衣机脱去.按花生米:水=1:3的比例进行常温浸泡10小时,使花生米吸足水分.磨浆:浸泡后的花生米投入中速磨碎机研磨,使粒度约达80目筛孔大小,出料温度为60-70℃,过滤,把滤渣再一次研磨。
蛋白质抽提:把磨碎后的料与水按1:8投入水溶罐内,调pH值至8.5-9.0,同时缓慢升温至60℃左右,在不断搅拌下萃取2小时.离心分离:将提取液匀速输入碟式离心机,根据比重不同,使花生毛油、蛋白萃取液和花生粗渣进行液-液-固三相分离,取出其中的蛋白萃取液备用.花生毛油可再加工精制成高质量的食用油.花生粗渣可当饲料或进一步开发利用。
配料、均质:把分离出的蛋白液加热到70℃-80℃,加入已溶好的砂糖、乳化剂,搅拌均匀,配成一定的体积.经实验得到乳化剂的用量为:0.3%-0.4%,砂糖为6%-8%.把配好的料液送入均质机中均质2次,均质压力分别为25-28MPa、18-20MPa.罐装杀菌:产品装入瓶或三片罐中,送入高压灭菌锅中灭菌.结果与讨论花生蛋白在不同pH值下的溶解度结果表明:花生蛋白的溶解度随pH值而变化,至等电点(pH约在4.5)时蛋白溶液最不稳定,极易沉淀析出,制备花生蛋白饮料时,掌握蛋白的溶解性能,选择适当的pH值范围是研制花生蛋白饮料的关键.水溶液pH值对花生蛋白提取率的影响恒温定时的条件下.在不同的pH值进行花生蛋白提取试验,在等电点沉淀后,经2500转/分离心分离20分钟,将湿蛋白烘干,称重,得出提取率(蛋白/花生米)。
花生是世界上研究很广泛的食品蛋白资源之一,在国外有“绿色牛奶’,之称.花生蛋白的开发利用已引起国内外专家的高度重视,成为食品行业重要的开发性课题。
花生蛋白可说是一种完全蛋白质,它所含的氨基酸种类齐全,人体必需的八种氨基酸含量丰富。
据有关报道:花生蛋白的有效利用率高达98.24%,比大豆蛋白的有效利用率高。
花生蛋白的消化率也高,其消化系数达90%,极易被人体吸收利用。
所以合理开发花生蛋白资源将会有助于改善全世界人民的蛋白质供给。
花生蛋白溶解性能研究试验取等量的花生蛋白,分别溶解在pH为1-10,其中pH2与pH6之间的间隔为0.5,其它间隔为1的水溶液中,测定蛋白的百分溶解度。
pH值对花生蛋白饮料风味、色泽和稳定性影响的试验:在酸性,微酸性和碱性三个pH区段中进行蛋白饮料的配制试验,藉以掌握蛋白饮料的稳定性、外观和风味的特性。
花生蛋白饮料营养成分分析:①蛋白质含量按GB5009.5-85微址微量凯氏定氮气测定.②氨基酸用贝克曼System 6300型氨基酸分析仪测定。
③矿物质元索用日本岛津产AA-670型原子吸收分光光度计测定。
④脂肪含量用索氏提取法测定。
⑧维生素用日本岛津产LC-4A型高效液相色谱仪测定.结果与讨论(一)花生蛋白的溶解度试验结果:制备花生蛋白饮料首先要了解蛋白的溶解性能,才能使制备的蛋白饮料色泽理想,风味适口,性状稳定。
经研究试验,花生蛋白在不同pH条件下,花生蛋白的溶解度随pH值而变化,至等电点(pH值在4. 5左右)时蛋白溶液最不稳定,蛋白质最易沉淀析出.制备蛋白饮料时,掌握蛋白的溶解性能,选择适当的pH值范围是研制花生蛋白饮料的关键.(二)不同pH范田对蛋白饮料稳定性、外观及风味的影响:花生蛋白饮料是一种乳白色或稍带微黄色的乳状液,外观与牛乳相似,pH值范围直接影响到饮料的稳定性、外观和风味在酸性范围内的蛋白饮料不稳定,有蛋白质沉淀析出,味酸,品尝时无香味;碱性范围内饮料的稳定性好,但外观呈灰白色,味涩;只有在微酸性范围内蛋白饮料的稳定性、外观较理想,甜酸适口,并具有花生固有的清香味。
可行性研究报告:年产5000吨花生蛋白饮料项目一、项目背景及目标近年来,随着健康意识的提升,人们对于高蛋白、低糖、低脂的健康饮品需求逐渐增加。
花生蛋白饮料作为一种新兴的高蛋白低糖饮品,具有独特的营养价值和口感,市场潜力巨大。
本项目拟年产5000吨花生蛋白饮料,旨在满足市场需求,实现盈利。
二、市场分析1.市场需求:随着人们对健康饮食的追求,高蛋白低糖饮品市场需求不断增加。
花生蛋白饮料作为一种新兴产品,受到了消费者的广泛关注。
随着健康饮品市场的快速发展,本项目有良好的市场前景。
2.竞争环境:目前花生蛋白饮料市场上已经出现了一些竞争对手,主要以大型饮料企业和小型创业公司为主。
然而,由于花生蛋白饮料属于较新的产品类型,市场上的竞争相对较小,项目能够在市场中找到自己的定位和竞争优势。
三、技术要求和工艺流程1.技术要求:生产花生蛋白饮料需要具备合适的生产工艺和技术实力。
对原料的选取、营养配比、加工工艺等环节需与相关专家进行研究和实践,确保产品质量和口感。
2.工艺流程:花生蛋白饮料的生产工艺一般包括原料处理、研磨、营养配比、杀菌、灌装等环节。
项目需要建立完善的生产流程和质量控制体系,确保产品符合相关标准。
四、投资分析1.固定资产投资:包括生产线设备、厂房建设等,预计投资5000万元。
2.流动资金投资:包括原材料采购、工资、宣传推广等,预计投资2000万元。
3.预计年销售收入:根据市场需求分析,预计年销售收入为7000万元。
4.预计年利润:根据成本测算,预计年利润为1500万元。
五、风险分析1.市场竞争风险:虽然目前市场竞争较小,但随着市场的扩大,竞争对手可能会增加。
因此,项目需要保持技术创新和差异化竞争,提高产品质量和品牌影响力。
2.原材料供应风险:花生作为花生蛋白饮料的主要原料,其价格和供应情况可能会受到市场波动和季节因素的影响。
项目需要建立稳定的供应链,确保原材料的供应和价格的控制。
六、可行性结论综合上述分析,年产5000吨花生蛋白饮料项目具备一定的市场需求和竞争优势,预计能够取得良好的经济效益。
花生蛋白饮料工艺流程下载温馨提示:该文档是我店铺精心编制而成,希望大家下载以后,能够帮助大家解决实际的问题。
文档下载后可定制随意修改,请根据实际需要进行相应的调整和使用,谢谢!并且,本店铺为大家提供各种各样类型的实用资料,如教育随笔、日记赏析、句子摘抄、古诗大全、经典美文、话题作文、工作总结、词语解析、文案摘录、其他资料等等,如想了解不同资料格式和写法,敬请关注!Download tips: This document is carefully compiled by theeditor. I hope that after you download them,they can help yousolve practical problems. The document can be customized andmodified after downloading,please adjust and use it according toactual needs, thank you!In addition, our shop provides you with various types ofpractical materials,such as educational essays, diaryappreciation,sentence excerpts,ancient poems,classic articles,topic composition,work summary,word parsing,copy excerpts,other materials and so on,want to know different data formats andwriting methods,please pay attention!花生蛋白饮料工艺流程。
一、原料选择。
1. 花生,选择颗粒饱满、无病虫害、无霉变的花生。
水剂法生产花生浓缩蛋白的工艺流程及主要工艺参数
背景介绍
花生浓缩蛋白是一种高蛋白、低脂肪、低糖的健康食品。
目前,已经有众多企
业使用水剂法生产花生浓缩蛋白,其具有生产成本低、生产效率高等优点。
因此,深入掌握水剂法生产花生浓缩蛋白的工艺流程及主要工艺参数对于花生浓缩蛋白的生产具有重要意义。
工艺流程
原料处理
首先对花生进行清洗、净化、烘干等处理,然后将花生粉状物放入加热水中,
搅拌,达到一定的温度和时间后,进行过滤,得到花生浆。
蛋白提取
加入酸、碱或酶对花生浆进行蛋白质的提取。
之后进行离心分离,得到蛋白质。
浓缩
将蛋白质溶液进行浓缩,目前常用的方法是采用渗透压浓缩法。
冷冻
在浓缩物中加入防结冰剂,对浓缩物进行冷冻处理。
去水
经过冷冻后的浓缩物进行去水处理,得到花生浓缩蛋白。
主要工艺参数
温度和时间
在原料处理和蛋白质提取的过程中,温度和时间对生产效率和产品质量的影响
非常大。
酸碱度
在蛋白质的提取过程中,酸碱度也是非常重要的参数之一。
浓缩倍数
能够影响到花生浓缩蛋白糖化、氧化、硫化等性质,从而影响花生浓缩蛋白的产品质量。
冷冻条件
冷冻条件是花生浓缩蛋白的关键,对产品的口感和稳定性都有直接影响。
结论
水剂法生产花生浓缩蛋白工艺流程及主要工艺参数是影响花生浓缩蛋白质量的重要因素。
在提高生产效率的同时,更应该关注产品质量,不断优化工艺参数,提高花生浓缩蛋白在市场上的竞争力。
引言花生是世界上重要的油料作物,也是一种很好的植物蛋白资源。
在我国很多地区都有栽培,年产量仅次于印度,居世界第二位,是一项重要的食品资源。
随着人民消费水平的提高,对饮料的要求趋于营养保健、安全。
我国食品结构的突出缺陷是蛋白质偏低,奶源严重缺乏,人均奶乳占有率不足发达国家的1/10。
另外,在乳制品中,奶粉占75%左右,新的加工领域亟待开拓。
开发含乳蛋白饮料新品种,适应我国消费者的嗜好,丰富乳制品的市场,是食品工业的重要任务。
因地制宜,合理布局,在发展含乳饮料的同时,大力发展植物蛋白饮料是我国饮料工业发展的重要产业政策。
近年来,我国植物蛋白饮料发展也很快。
在目前我国牛乳供应严重不足的情况下,重点发展植物蛋白饮料,将是一条符合国情的多快好省之举。
植物蛋白饮料经过工艺调制加工,不仅营养全面,风味好,且有害因子去除彻底,产品经包装杀菌,可以常温下保存,食用方便安全,是一种比较理想的营养型饮料。
我国植物蛋白饮料工业化生产虽然起步较晚,但发展较快,自20世纪80年代初广东引进第一条豆乳生产线至今,国内已有数千家豆乳工厂,同时开发出了具有民族特色的椰子汁杏仁露花生乳核桃露等产品并进行了工业化规模化生产。
但从软饮料生产总量来看其产量仍然偏低,品种亦偏少。
随着人们消费水平的不断提高,对饮料的要求趋于营养保健安全卫生回归自然植物蛋白饮料必将受到广大消费者的青睐,发展前景广阔[5]。
花生乳饮料是植物蛋白饮料的一种,可以促使脑细胞发育、提高儿童智力,增加记忆力,并能防止人的过早衰老是适应国情,而且是提高国民蛋白质摄入量的一个补充措施[1]。
花生乳饮料是不可多得的保健佳品。
长期食用,对身体大有好处[1][4]。
第一章概述1.1 我国植物蛋白饮料的现状据饮料工业协会对我国114家饮料生产企业产量统计,目前我国软饮主要划分为瓶装饮用水、碳酸饮料、果汁及果汁饮料、蔬菜及蔬菜汁饮料、含乳饮料、植物蛋白饮料、茶饮料、固体饮料、特殊用途饮料及其他饮料共10类。
花生蛋白饮料加工的分析发布时间:2022-06-22T13:02:57.002Z 来源:《科技新时代》2022年6期作者:吕鹏[导读] 通过具体分析,总结了相关的技术要点,分析了常见的技术问题解决方法。
哈尔滨顶津食品有限公司摘要:随着新时期技术的不断发展,为了全面加强花生蛋白饮料制作水平,相关工作开展过程,要结合具体的加工技术,针对性地开展技术实践研究,总结更加高效的生产方案,提高花生蛋白饮料生产效率,保证花生蛋白饮料质量,从而为人们提供更加安全健康的饮料。
通过具体分析,总结了相关的技术要点,分析了常见的技术问题解决方法。
关键词:花生蛋白饮料;加工;方法引言在花生蛋白饮料加工过程,技术人员要全面地进行质量管理,加强加工技术应用与研究能力,从而构建更加完善的花生蛋白饮料加工体系,全面的实现花生蛋白饮料加工技术的不断发展。
希望通过实践研究,能进一步加强花生蛋白饮料加工工作水平。
1 花生蛋白饮料加工技术要点以花生仁作为原料,制成的乳浊型蛋白质饮料就是花生蛋白饮料,该饮料的成分与热能同牛能类似,具有口感浓郁的香味和洁白的色泽。
不只是其中的蛋白质含量很高,而且还含有人体需要的元素,包括糖,维生素A、铁,维生素B等,比较容易吸收,有利于血管的软件和有效降低血脂,更适合老年人,儿童和心血管患者饮用,可作为人体蛋白质补充的来源。
另外,花生蛋白饮料是优质的保健食品,长期饮用可以让身体新陈代谢得到促进,切实全面提高身体免疫能力。
因此,下面针对性地总结几点有效的加工技术方法。
1.1 原料从原料的角度来分析,食品级材料主要包括花生,白砂糖、食盐,复合稳定剂等。
1.2 主要设备花生蛋白饮料在加工技术的要点方面离不开相关设备的支持,尤其是烤箱,豆浆机和过滤网这样的设备。
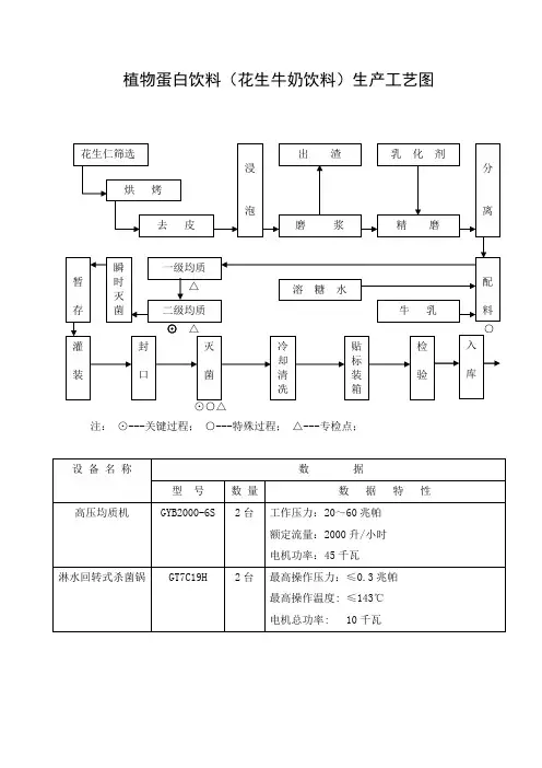
1.3 花生蛋白饮料的生产工艺在生产工艺方面,花生蛋白买饮料主要有下面几个环节的工艺,必须在平时生产中加强重视程度。
准备花生仁→实施浸烫→将花生仁去皮→去皮后再浸泡→完成磨浆→实施过滤→脱酶去涩→完成配料→均质→超高温瞬时灭菌→均质→实施装罐→完成二次杀菌→进行冷却→擦罐→保温或者是实施商业无菌检验→最后开始装箱1.4 工艺要点关于工艺要点要注意各个环节的操作。
食品工厂设计与环境保护大作业3000吨/年花生蛋白饮料工艺设计姓名:班级:专业:学号:指导教师:目录一.工艺流程图 ........................................................................... 错误!未定义书签。
二.概述 .. (4)2.1市场背景 (4)2.2生产规模 (4)2.3产品方案 (4)2.4 规格及班产量................................................................. 错误!未定义书签。
三.生产工艺流程简述 (5)3.1加工工艺流程 (5)3.2主要操作技术条件和关键工艺参数 (5)3.3产品配料工艺及检测方法 (6)3.4质量控制指标 (9)四.原料、辅料、包材、水、电、汽的消耗指标 (9)4.1原辅料的计算(年消耗量) (9)4.2包材 (10)4.3水、电、气消耗指标 (10)4.4非工业、普通工业电价 (10)4.5天然气销售价格表单位:元/立方米 (11)五.车间定员 (11)六.主要设备选型依据及计算,提供选型一览表 (11)七.成本估算 ................................................................................ 错误!未定义书签。
八.技术、经济评价 (14)8.1技术评价 (14)8.2经济评价 (14)一.工艺流程图花生蛋白饮料生产工艺流程配料↓花生蛋白饮料生产工艺流程图泡浆过滤配(20MPa)冲罐封铝膜(38MPa)菌二.概述2.1市场背景我国饮料市场近年来迅猛发展,饮料总产量不断增加,其中包装饮用水仍然占有最大比重,茶饮料、蛋白饮料的发展势头迅猛,比重将有所提高。
以椰子、大豆、花生、杏仁、花生等植物果仁、果肉为原料的植物蛋白饮料或将迎来高速发展期。
植物蛋白饮料天生具备的“天然、绿色、营养、健康”的品类特征,符合饮料市场发展潮流和趋势,越来越受消费者喜爱,消费人群正在快速增长。
不少企业看好植物蛋白饮料的市场纷纷进入该领域并取得不小的佳绩。
厦门银鹭花生牛奶销售额突破30亿;进入饮料行业的新军河北养元六个花生销售额一举突破了10亿大关,成为饮料行业的一匹黑马。
这再一次证明植物蛋白饮料具有巨大发展潜力,这领域也将成为饮料行业重点发展的细分市场及行业发展的新增长点。
花生不仅味美,而且营养价值很高。
其中含有蛋白质、脂肪、糖类、维生素A、维生素B6、维生素E、维生素K,以及矿物质钙、磷、铁等营养成分,含有8种人体所需的氨基酸及不饱和脂肪酸,含卵磷脂、胆碱、胡萝卜素、粗纤维等物质。
脂肪含量为44%-45%,蛋白质含量为24-36%,含糖量为20%左右。
含有丰富的维生素B2、PP、A、D、E,钙和铁等。
并含有硫胺素、核黄素、尼克酸等多种维生素。
有促进人的脑细胞发育,增强记忆的作用。
我国花生栽种面积广,总产量较高,随着我国经济的迅速发展,综合国力的增强和人民生活水平的提高。
花生的消费量会因为人们保健意识的增强而逐年上升。
同时花生加工产业的不断进步,多元化的花生产品的开发生产必定会促进花生消费的上升。
所以,花生蛋白饮料的市场潜力巨大。
2.2生产规模年产量3000吨。
按生产时间250~300天/年计,取300天,每天两班,由此可算出的平均每天的产量为:3000∕300=10(吨∕天)2.3产品方案2.4 规格及班产量按每天两班,则班产量为:10/2=5吨/班每天工作8小时,则每班每小时产量为:5000/8=625kg∕(班/小时)一盒花生蛋白饮料按250g计,则每天每班生产盒数:5000000/250=20000盒/天每件24盒,则每天每班生产件数:20000/24=833件/天三.生产工艺流程简述3.1加工工艺流程配料↓3.2主要操作技术条件和关键工艺参数选料:选择颗粒饱满、无损伤、无霉变的花生原料,并除去杂质。
烘烤:在130℃高温下烘烤10分钟,以钝化花生仁中的脂肪氧化酶,防止出现豆腥味,同时高温烘烤花生,有利于脱皮,还可赋于花生特殊的香味。
去红衣:人工脱去花生衣,使仁含衣率在2% 以下,以防止花生皮上的色素和单宁等在浸泡过程中附于花生仁上,使饮料色泽加深、口感发涩。
浸泡:用pH为7.5到8.0的温水并加入0.5%的碳酸氢钠浸泡24小时,使花生仁充分吸水膨胀,提高出浆率,同时可浸出一部分低聚糖、防止胀腹。
磨浆:将浸泡后的花生仁用清水冲洗3~4遍、沥干,再按照花生仁与水的比例1:8进行磨浆。
过滤:磨浆后的花生用120目的滤布过滤。
加热:将滤后的花生乳加热煮沸,当温度达80℃以后,液面起泡、假沸,产生不少汽泡沫,此时可撇去部分泡沫,以保证质量。
当温度达94℃~96℃时,液面翻液,维持1~2分钟,即可达到杀菌目的。
注意不要过久加热,以免蛋白质变性,产生分层、沉淀现象。
配料:花生10%~12%,蔗糖5%~7%,乳糖适量,冲稠剂0.03%,乳化剂0.4%~0.5%,软化过滤杀菌后的饮料水。
均质:把配好的料液在GYB5000-6S高压均质机经20~25MPa高压下进行均质处理以达均匀, 细腻, 提高分散性和乳化稳定性之目即可灌装,均质时料液温度为70℃~90℃。
杀菌、冷却:成品灌装封口后,在85℃的温度下保持15分钟进行杀菌,然后分段冷却。
注意事项:用磨浆机将花生进行磨浆时,注意调节好磨的间隙,以0.05毫米为最适,使之产生像天然乳那样均匀的悬浮粒度。
如间隙过大,花生浆颗粒过粗、影响其纤维组织彻底破碎,包在花生仁里的蛋白质不能充分地提出,从而使花生原浆浓度低,影响其质量,降低营养价值。
如果间隙小,颗粒细,在浆渣分离时部分花生渣混入乳中,其颗粒因重力作用,连同凝固蛋白质沉人底部,产生沉淀、分层现象,影响质量。
3.3产品配料工艺及检测方法以单因素试验选择原辅料的品种并确定水平取值,对产品口感和风味采用感官综合评价方法评价。
产品口感和风味综合评价标准见表1。
(1)感官评分标准见下表:稳定剂复合实验选择黄原胶、卡拉胶、蔗糖脂肪酸酯、分子蒸馏单甘酯作为稳定剂,总量控制在0.3%以内,对多组合复合稳定剂分别进行实验,从而确定稳定剂的最佳配比方案。
结果与分析主要原辅料配比对产品口感和风味影响十分显著,选取花生浆、蔗糖为主要原辅料,进行实验。
实验结果下表。
从下表的实验结果可知:最优组合是A2B2,即最佳配比为:花生浆用量12%,蔗糖含量6%。
实验表明上述配比所得的花生蛋白饮料的色泽、香味、滋味均较好,总评分为95分。
研究花生蛋白饮料的生产工艺,结果表明原辅料配比为12%花生浆(由花生仁和水按l:10的质量比研磨成,具体见工艺)和6%蔗糖.采用0.03%黄原胶、O.05%卡拉胶、0.10%蔗糖脂肪酸酯和0.10%分子蒸馏单甘酯组成的复合稳定剂可获得理想的稳定效果。
检验方法①蛋白质检验采用凯氏定氮法。
样品与硫酸和催化剂一同加热消化,使其内蛋白质分解,分解的氨与硫酸结合生成硫酸铵,然后间化蒸馏使氨游离,用硼酸吸收以后再用盐酸标准溶液滴定,根据酸的消耗量乘以换算系数,即为样品中蛋白质的大概含量。
②脂肪检验采用皂化法。
脂肪在KOH乙醇溶液中被皂化为钾肥皂,钾肥皂被盐酸酸化水解为脂肪酸,过剩的KOH被中和。
游离的脂肪酸用石油醚醚萃取。
吸取一定量的萃取液蒸去石油醚后以中性乙醇溶解脂肪酸后,用KOH标准溶液滴定。
更具KOH 的消耗量,加入石油醚萃取后,根据溶解于酒精层未被萃取出的残留脂肪酸的高尔风系数,即可算出脂肪酸含量。
③糖的检测采用菲林试剂法。
样品中的糖类水解成葡萄糖,用菲林试剂测定生成的单糖量,进而算出糖的总量。
④产品中添加剂山梨酸钾采用氧化比色法测定。
自样品中提取出山梨酸钾,与硫酸和重铬酸钾氧化作用下产生丙二醛。
丙二醛和硫代巴比妥酸作用产生红色化合物,其红色的深浅与丙二醛的浓度成正比,符合比尔定律,故可用分光光度计比色测定。
⑤重金属检测。
1)铅采用双硫腙法测定:双硫腙与铅在PH约为9是形成络合物。
该络合物溶于氯仿和四氯化碳等有机溶剂中,呈红色。
其深浅与铅离子浓度成正比,可用比色法测定。
2)铜采用二乙硫代氨甲酸钠比色法测定:在氨碱性溶液中(PH约9.0~9.2),铜离子与二乙硫代氨甲酸钠作用,生成黄色到棕黄色络合物,溶于四氯化碳中可于440nm波长处作比色测定。
3)砷采用古蔡氏法测定:样品中的砷被氢还原成砷化氢,通过醋酸铅棉花除去硫化氢后,遇溴化汞滤纸产生黄到黑色的斑点,色斑的深度和砷的浓度成正比。
⑥产品微生物的检测。
细菌总数的检测:将样品稀释至尽量低的浓度,采用平板涂布法将样品涂在培养基上,在一定条件下,一般为37℃左右24到48小时培养,后测定的菌落数即细菌总数。
致病菌检测:进行增菌培养—分离培养—生化反应—血清鉴定。
3.4质量控制指标(1)感官指标色泽:乳白色,均匀一致组织状态:均匀,不分层、略有沉淀现象。
滋味:口感细腻,有特有的花生香气。
(2)理化指标A.总糖5%~7%;蛋白质3.5%~4.3%;脂肪2.6%~3.3%.B.卫生指标 :细菌总数(个/ mL)≤100;大肠菌群(个/mL)≤6;铅≤1mg/kg;砷≤0.5mg/kg;铜≤ 5mg/kg;致病菌不得检出。
食品添加剂的使用要符合GB2760-2011规定。
四.原料、辅料、包材、水、电、汽的消耗指标4.1原辅料的计算(年消耗量)花生浆(花生: 3000吨×12%×1/11=32.73吨;水: 3000吨×12%×10/11=327.27吨)白砂糖 3000吨×6%=180吨;复合稳定剂(0.03%黄原胶、O.05%卡拉胶、0.10%蔗糖脂肪酸酯和0.10%分子蒸馏单甘酯) 3000吨×0.28%=8.4吨4.2包材纸箱=件数=833*2*300=500000个为了销售的方便和大众的认可度的问题,本生产线采用利乐包装。
利乐包成本为0.3元每盒。
包装后移至5℃以下的冷库保藏。
4.3水、电、气消耗指标4.4非工业、普通工业电价4.5天然气销售价格表单位:元/立方米五. 车间定员由年产量:3000吨/年,以300天/年生产计算日产量: 10吨/天每日班数:2班 8小时/班计算得:班产量为5吨/班, 2500盒/(班/小时)六.主要设备选型依据及计算,提供选型一览表班产量为5吨/班,每班每小时产量为3000000∕(300*8)/2=625kg∕h,每班每小时灌装的盒数为625000/250=2500盒/(班/小时),日产量为:2500×2×8=40000盒/天。
若每件24盒,则日产量为:40000/24,即约1666(件/天)。