实验五 梁的纯弯曲正应力测定
- 格式:doc
- 大小:60.00 KB
- 文档页数:3
梁的纯弯曲正应力实验报告梁的纯弯曲正应力实验报告一、实验目的本实验旨在通过对实验材料进行纯弯曲加载,测量其正应力和弯曲角度,从而掌握材料在纯弯曲状态下的应力特性,并探究材料性能的影响因素。
二、实验原理当梁在纯弯曲时,受到的载荷可以分解为一个弯矩和一个剪力。
由于实验中去除了外部作用力,剪力为零,因此我们只需要考虑弯矩作用下的应力情况。
在梁的截面上,由于受到弯曲,不同位置的应变不同,因此会形成不同大小的应力。
在正常情况下,当梁未发生破坏时,梁的内部应力呈线性分布,即受到的弯矩越大,所受到的应力也会相应增大。
三、实验设备本实验所使用的设备包括:1.纯弯曲实验台2.测力仪3.梁材料(一定长度的圆形钢管或方管)四、实验步骤1. 选择一段合适材质的梁进行实验。
2. 将梁固定在纯弯曲实验台上。
3. 在梁的一端加上一定荷载。
4. 通过测力仪测量在梁部位不同位置受到的正应力。
5. 在梁的另一端加上一定数量的荷载,并重复步骤4,记录正应力。
6. 重复以上操作,直到梁发生破坏。
五、实验结果在实验过程中,我们记录了梁不同位置受到的正应力,并根据实验数据分析了不同弯矩下的应力分布曲线。
实验结果表明,在纯弯曲状态下,梁的内部应力呈线性分布,随着弯矩的增大,所受应力也会逐渐增大,直到梁发生破坏。
六、实验分析根据实验结果,我们可以发现梁的性能会受到材料的影响。
不同的材料具有不同的弯曲特性,不同的性能和抗断性能。
而在实验中,我们也可以通过调整材料的材质和长度来控制弯曲的程度,从而控制梁的应力分布和破坏点位置。
七、实验结论本实验通过纯弯曲实验台对梁进行弯曲测试,得到了不同弯矩下的应力分布曲线。
实验结论表明,梁在纯弯曲状态下,其内部应力呈线性分布,随着弯矩的增大,所受应力也会逐渐增大,直到梁发生破坏。
同时,不同材质和长度的材料在弯曲状态下具有不同的弯曲特性和抗断性能。
梁的纯弯曲正应力实验
梁的纯弯曲正应力实验是为了确定梁在弯曲的情况下的受力机制以及测定梁的弯曲刚
度和受力性能的试验。
在这项实验中,主要是测试梁的弯曲刚度性能,这样可以更清楚地
了解梁的特性,并且可以判断梁受到外力时应如何反应。
这项实验是建筑结构设计中的重
要内容,当结构受外力时,梁的刚度将决定结构的中止和模态。
梁的纯弯曲正应力实验,通常需要两个或三个支撑点。
它们可以是球形、凸形或圆形
的轴承。
其中,球形轴承最常用,其支撑的特性是最佳的,最不容易产生不必要的侧向力,影响试验的准确性。
在一个纯弯曲正应力实验中,支撑一端的梁头会受到一个外载荷,即弯矩,使其变形。
强度和刚度试验系统通常由模拟电源、试验控制台、力传感器等设备组成,力导致模拟器
输出同时加载在梁上,并通过力数据计算出受力的曲率系数和强度系数。
该实验的基本步骤是:(1)在梁上安装支持设备,并将梁放在试验台上;(2)给各
支撑点安装传感器,并通过模拟器输出同时加载在梁上;(3)测量梁承受的外载荷以及
梁的变形量;(4)分析测量结果,并计算出梁在弯曲时的曲率系数和受力
总之,梁的纯弯曲正应力实验是非常重要的,它可以查明梁的强度系数,曲率和强度
系数,以及梁受外力时的变形性能和应力变化规律。
实验结果对于确定结构抗震性能等具
有重大意义,在建筑结构分析和设计中扮演着巨大的作用。
实验五 纯弯曲梁正应力实验一、试验目的1、熟悉电测法的基本原理。
2、进一步学会静态电阻应变仪的使用。
3、用电测法测定钢梁纯弯曲时危险截面沿高度分布各点的应力值。
二、试验装置1、材料力学多功能实验装置2、CM-1C 型静态数字应变仪三、试验原理本试验装置采用低碳钢矩形截面梁,为防止生锈将钢梁进行电镀。
矩形截面钢梁架在两支座上,加载荷时,钢梁中段产生纯弯曲变形最大,是此钢梁最危险的截面。
为了解中段危险截面纯弯曲梁应力沿高度方向分布情况,采用电测法测出加载时钢梁表面沿高度方向的应变情况,再由σ实=E ε实得到应力的大小。
试验前在钢梁上粘贴5片应变片见图5—1,各应变片的间距为4h,即把钢梁4等分。
在钢梁最外侧不受力处粘贴一片R 6作为温度补偿片。
图5—1 试验装置示意图对于纯弯曲梁,假设纵向纤维仅受单向拉伸或压缩,因此在起正应力不超过比例极限时,可根据虎克定律进行计算:σ实=E ε实E 为刚梁的弹性模量,ε实是通过电测法用电阻应变仪测得的应变值。
四、电测法基本原理1、电阻应变法工作原理电测法即电阻应变测试方法是根据应变应力关系,确定构件表面应力状态的一种实验应力分析法。
将应变片紧紧粘贴在被测构件上,连接导线接到电桥接线端子上 当构件受力 构件产生应变 应变片电阻值随之变化 应变仪内部的惠斯登电桥将电阻值的变化转变成正比的电压信号电阻应变仪内部的放大、相敏、检波电路转换显示器读出应变量。
2、电阻应变片1)电阻应变片的组成由敏感栅、引线、基底、盖层和粘结剂组成,其构造简图如图5—2所示。
敏感栅能把构件表面的应变转换为电阻相对变化。
由于它非常敏感,故称为敏感栅。
它用厚度为0.002~0.005mm的铜合金或铬合金的金属箔,采用刻图、制版、光刻及腐蚀等工艺过程制成,简称箔式应变。
它粘贴牢固、散热性能好、疲劳寿命长,并能较好的反映构件表面的变形,使测量精度较高。
在各测量领域得到广泛的应用。
图5—2 电阻应变片构造简图2)电阻应变片种类电阻应变片按敏感栅的结构形状可分为:单轴应变片:单轴应变片一般是指具有一个敏感栅的应变片。
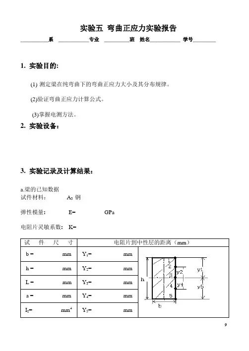
实验五弯曲正应力实验报告___________系____________专业__________班姓名____________ 学号_________ 1.实验目的:(1)测定梁在纯弯曲下的弯曲正应力大小及其分布规律。
(2)验证弯曲正应力计算公式。
(3)掌握电测方法。
2.实验设备:3.实验记录及计算结果:a.梁的已知数据试件材料:A3 钢弹性模量: E= GPa电阻片灵敏系数: K=试件尺寸电阻片到中性层的距离(mm)b = mm Y1= mmh = mm Y2= mmL = mm Y3= mma = mm Y4= mmI z= mm4Y5= mmb.实验记录:c.计 算:实验值计算:根据测得的应变增量平均值Δε平均,应用虎克定律算出各点对应的应力增量:平均实i i εσ∆•E =∆ (i=1,2,3,4,5)理论值计算:zii I y •∆M =∆理σ (i=1,2,3,4,5) 式中 : 123bh I z = ——惯性矩a 2∆P=∆M ——弯矩增量 y i ——各测点到中性层的距离d.正应力实验结果与理论计算值比较: 各测点正应力值(MPa )测点 1 2 3 4 5 实验值σ∆实 理论值σ∆理误差%100⨯∆∆-∆=理实理σσσe.按比例绘出(实测应力和理论计算应力)正应力分布图。
4.问题讨论:1)说明梁在纯弯曲时正应力沿梁高度的分布规律。
2)比较各测点的实测应力值与理论计算应力值,并分析产生误差的原因。
指导教师:________________________年_______月______日。
梁纯弯曲正应力测定实验(一)实验目的*在承受纯弯曲的钢梁上,测取其横截面上各点的正应力,验证梁的正应力公式和观察应力的分布规律;*熟悉电测初步知识和测量方法。
(二)实验原理*试件、尺寸、设备——见系网页中“教学资源栏目”之“实验指导” *操作步骤、仪器使用(同上) (三)数据处理 *测量过程记录表*注:应力平均值(增量)计算:=E 理论值计算:zM yI σ∆⋅∆=,对应载荷增量∆F 所产生的弯矩:∆M=0.5∆F .a (四)思考题*弯曲正应力的大小与材料的弹性模量E 是否有关?*分析理论值计算与实验值产生的误差原因。
(列出可能的几种) *若在实验中出现与中性层对应的点的数值为“非零”,是什么原因?临床实验室定量测定室内质量控制一术语和定义1偏倚 bias试验结果偏离可接受参考值的系统偏离(带有正负号)。
2不精密度 imprecision一组重复测定结果的随机离散,其值由统计量定量表示为标准差或变异系数。
3质量控制quality control质量管理的一部分,致力于满足质量要求。
[GB/T 19000-2000,]4 质量控制策略 quality control strategy质控品种类、每种检测频次、放置的位置,以及用于质控数据解释和确定分析批是在控还是失控的规则。
5 随机误差 random error测量结果与在重复性条件下对同一被测量进行无限多次测量所得结果的平均值之差。
6 系统误差 systematic error在重复性条件下,对同一被测量进行无限多次测量所得结果的平均值与被测量的真值之差。
7 可报告范围 reportable range在仪器、试剂盒或系统的测定响应之间的关系,显示是有效的期间内试验值范围。
8 标准差 standard deviation观察值或测定结果中不精密度的统计度量。
变异性/离散的度量是总体方差的正平方根。
二质量控制的目的质量控制方法是用来监测检验方法的分析性能,警告检验人员存在的问题。
梁的纯弯曲正应力实验一、 实验目的二、 1.了解电阻应变测试技术的基本原理,学会使用应力/三、2.测定矩形截面梁纯弯曲时横截面上的正应力分布规律,验证梁的平面弯曲正应力公式。
3.测定材料的泊松比。
二、实验仪器 1.CLDT -C2.XL -2118B 应力/三、实验原理在平面弯曲时,梁横截面上正应力公式为: 式中:M 为作用在横截面上的弯矩;I 为梁横截面对中性轴的惯性矩; y 为中性轴到测点之距; 实验装置:弯曲试验装置图电阻应变测量技术原理:Iy M ⋅=σεK R=∆()43214433221144εεεε-+-=⎪⎪⎭ ⎝-+-=∆R R R R U DBA测试仪器:XL -2118B 应力/应变综合参数测试仪⏹ 由测量各应变片应变值⏹ 由虎克定律求各测点的应力值:式中:E 为材料的弹性模量。
E =206 GPa⏹ 为提高测量精度,采用“增量法”,每增加一次载荷ΔP = 500N ,测出相应应变的增量,最后取应变增量的平均值∆ε,求出各测点的应力增量值: ∆σ实=E ⋅∆ε⏹ 把由实验得到的∆σ实,与由理论计算得到的 ∆σ理=∆M ⋅y/I 进行比较,以验证弯曲正应力公式的正确性。
四、实验步骤1.确定梁的尺寸b, h, l, a ;计算I ;检查梁支点,加载点位置是否正确。
2.接线:将六个应变片和温度补偿片接入应变仪各测点。
其中工作片接AB ,补偿片接BC(公共补偿)。
3.打开XL -2118B 应力/应变综合参数测试仪,按“N/kg”转换键使力显示单位为N ,检查螺旋加载装置,确认无力作用后按“清零”键。
4.预调平衡:按单点平衡键,对各测点进行桥路平衡。
5.加载测量(逆时针旋转为加载,每次加载500N ,最大载荷2kN ):记录各测点应变片的读数εi 。
6. 卸载,数据经教师审阅后方可离开。
)6,5,4,3,2,1( =⋅=i E i i εσ五、实验数据处理 1.原始数据2.实验数据3.计算结果:16εεμ∆∆=4.画出以梁高h 为纵坐标,∆σ为横坐标的实验∆σi 实和理论∆σi 理值曲线图。
实 验 报 告 (五) 纯弯曲梁正应力的测定时间 天气 小组 成绩一、目的(1). 测定直梁纯弯曲时横截面上正应力分布规律,并与理论计算结果进行比较,以验证弯曲正应力公式;(2). 了解电阻应变仪测量应变得方法。
二、实验仪器和设备和工具(1). 电阻应变仪和预调平衡箱; (2). 游标卡尺。
三、实验装置简图及应变片布置图四、实验原理梁受纯弯曲时,横截面上正应力σ在理论上沿梁的高度成线性分布,其计算公式为:y I M σz式中,M 为横截面上的弯矩,I z 为梁横截面对中性轴的惯性矩。
载荷F /2对称地加在一矩形截面直梁上,如图所示,梁中段产生纯弯曲变形。
若将电阻应变片贴在梁中段任一横截面处的不同高度上,当每增加一级载荷ΔF (用增量法)时,即可用电阻应变仪测出所贴应变片各点的纵向应变增量Δε,根据胡克定律求出各点实测正应力增量σ实为:σ实=E Δε。
此值与理论公式计算出的各点正应力的增量σ理进行比较,就可验证弯曲正应力计算公式。
五、实验报告要求(1)、画出电阻应变片布置图。
(2)、列表整理测量数据(见表)。
(3)、计算各纤维层的应力σ实,画出应力分布图。
(4)、对σ理和σ实进行比较,计算相对误差,并分析误差原因。
附表1 试件相关数据附表2 实验数据六、实验结果处理实验值和理论值的比较测点 理论值σi 理(MPa )实际值σi 实(MPa )相对误差(%)1 -14.06 -14.28 1.56 3 -10.55 -11.13 5.50 4 -7.03 -7.77 10.53 5 0.00 -0.42 ∞ 6 7.03 6.51 7.40 7 10.55 10.08 4.45 8 3.40 3.99 2.10 214.0614.704.55七、结论1、影响实验结果准确性的主要因素是什么?2、弯曲正应力的大小是否受弹性模量E 的影响?3、实验时没有考虑梁的自重,会引起误差吗?为什么?4、梁弯曲的正应力公式并未涉及材料的弹性模量E ,而实测应力值的计算却用上了弹性模量E ,为什么?1、是否进行温度补偿,梁的摆放位置,应变片的位置和方向的精确程度。
图2-2 梁的尺寸、测点布置及加载示意图图2-3半桥接线图 实验五 梁的纯弯曲正应力测定一、概述梁是工程中常用的构件和零件。
在结构设计和强度计算中经常要涉及到梁的弯曲正应力的计算。
而梁的弯曲正应力的理论公式是根据纯弯曲梁横截面变形保持平面的假设推导出来的,它的正确性以及能否推广到剪切弯曲梁,可以由本次实验提供的简便方法验证。
二、实验目的1.用电测法测量矩形截面梁在纯弯曲时横截面上正应力的大小及分布规律,并与理论计算值相比较,以验证弯曲正应力理论公式。
2.掌握电测法原理和电阻应变仪的使用方法。
三、实验设备、器材及试样1. 静态应变测试仪。
2. 多功能组合实验台。
四、实验原理弯曲梁为矩形截面钢梁,其弹性模量E =2.05×105MPa ,几何尺寸见图2-2,CD 段为纯弯曲段,梁上各点为单向应力状态,在正应力不超过比例极限时,只要测出各点的轴向应变ε实,即可按σ实=E ε实计算正应力。
为此在梁的CD 段某一截面的前后两侧面上,在不同高度沿平行于中性层各贴有五枚电阻应变片。
其中编号3和3′片位于中性层上,编号2和2′片与编号4和4′片分别位于梁的上半部分的中间和梁的下半部分的中间,编号1和1′片位于梁的顶面的中线上,编号5和5′片位于梁的底面的中线上(见图2-2),并把各前后片进行串接。
温度补偿片贴在一块与试件相同的材料上,实验时放在被测试件的附近。
上面粘贴有各种应变片和应变花,实验时根据工作片的情况自行组合。
为了便于检验测量结果的线性度,实验时采用等量逐级缓慢加载方法,即每次增加等量的荷载ΔP ,测出每级荷载下各点的应变增量Δε,然后取应变增量的平均值实ε∆,依次求出各点应力增量Δσ实=E 实实ε∆。
实验可采用半桥接法、公共外补偿。
即工作片与不受力的温度补偿片分别接到应变仪的A 、B 和B 、C 接线柱上(如图2-3),其中R 1为工作片,R 2为温度补偿片。
对于多个不同的工作片,用同一个温度补偿片进行温度补偿,这种方法叫做“多点公共外补偿”。
纯弯曲梁正应力电测实验报告纯弯曲梁正应力电测实验是一种常用的材料力学实验方法,用于测量梁在弯曲过程中的正应力分布情况。
本实验通过加载施加在金属横截面上的外力,测量由于弯曲产生的电势差,从而得到梁在各个截面上的正应力大小。
下面是一份纯弯曲梁正应力电测实验报告的参考内容。
实验目的:1. 理解材料在弯曲过程中的正应力分布特性;2. 掌握纯弯曲梁正应力电测实验的原理和方法;3. 学习使用实验仪器和数据处理软件。
实验仪器:1. 弯曲实验台;2. 弯曲应变计;3. 电压采集仪;4. 电压放大器;5. 计算机。
实验原理:在纯弯曲梁实验中,通过加载施加在梁上的外力,梁发生弯曲变形。
根据材料力学理论,梁在弯曲过程中会产生正应力。
实验中利用弯曲应变计测量梁在各个截面上的应变大小。
弯曲应变计通过压电效应将应变转化为电荷,产生电势差。
通过电压采集仪和电压放大器将电势差放大并记录下来,就可以得到梁在各个截面上的正应力大小。
实验步骤:1. 将要进行实验的梁固定在弯曲实验台上,调整梁的位置和姿态,使其能够正常受力并产生弯曲变形;2. 将弯曲应变计安装在梁的截面上,保证其能够准确测量应变;3. 连接弯曲应变计和电压采集仪,调整采集仪的参数,使其能够正常采集电势差;4. 将电压采集仪与电压放大器连接,调整放大器的增益,保证能够得到合适范围的电压信号;5. 开始加载外力,在加载过程中,实时记录电压采集仪采集到的电势差数据;6. 加载外力达到一定值后停止,记录下此时的电势差数据。
数据处理:1. 将采集到的电势差数据导入计算机;2. 对电势差数据进行处理,根据电压放大器的增益和弯曲应变计的灵敏度,将电势差数据转换为应变数据;3. 根据应变计的位置和梁的材料参数,计算出各个截面上的应变值;4. 利用梁的几何参数和材料参数,计算出各个截面上的正应力大小。
实验结果:根据数据处理的结果,可以得到梁在各个截面上的正应力大小的分布情况。
通过绘制应力-位置曲线,可以直观地观察梁在弯曲过程中正应力的变化趋势,并分析其特点和规律。
实验五 纯弯曲梁的正应力实验一、实验目的1、测定梁在纯弯曲时横截面上正应力大小和分布规律。
2、验证纯弯曲梁的正应力计算公式。
3、测定泊松比μ。
4、测量矩形截面梁在纯弯曲时最大应变值,比较和掌握运用不同组桥方式时提高测量灵敏度的方法。
二、实验设备1、材料力学组合实验台;2、电阻应变测力仪;三、实验原理和方法1、测定弯曲正应力 在纯弯曲条件下,根据平面假设和纵向纤维间无挤压的假设,可得到梁横截面上任一点的正应力计算公式为M =y zI σ (1)式中:M 为弯矩;I z 为横截面对中性轴的惯性矩;y 为所求应力点至中性轴的距离。
由上式可知,在弹性范围内,沿横截面高度,正应力按线性规律变化,其最大正应力产生在上下边缘,为max zMW σ=(2) W z 称为抗弯截面系数。
实验采用1/4桥公共补偿测量方法,加载采用增量法,载荷从100N 开始,每次增加700 N ,测出各点的应变增量ε∆,然后分别取各点应变增量的平均值ε∆实i ,依次求出各点的应力增量σ∆实i =E ε∆实i (3)四、实验步骤1.设计好本实验所需的数据表格;2.测量矩形截面梁的宽度b 和高度h 、载荷作用点到梁支点距离a 及各应变片到中性层的距离y i.3.拟定加载方案。
根据实验要求适当选取初载0100F N =,然后按照步长700N 分级加载,加到最大的载荷max 3600F N =。
4.根据加载方案,调整好实验加载装置。
5.按照实验要求接线(1/4桥),调整好电阻应变仪,检查整个系统是否处于正常工作状态;5.加载。
用均匀慢速加载至初载荷0100F N =,记下各点电阻应变仪得初读数,然后按照步长700F N ∆=分级加载,依次记录各点电阻应变片的应变度数,直到3600N 为止;6.完成全部试验内容后,卸掉载荷,关闭电源,整理所用仪器、设备,清理实验现场,将所有仪器设备复原。
五、实验结果处理1、 基本参数L=670 a=160 y 1=12.5 y 2=25 k=2.18 b=20 h=50 E=206Gpa2、原始数据在不同载荷作用下,六个应变片输出应变读数如表(a )所示。
姓名:班级:学号:实验报告纯弯曲梁的正应力实验一、实验目的:1.测定梁在纯弯曲时横截面上正应力大小和分布规律2.验证纯弯曲梁的正应力公式二、实验设备及工具:1.材料力学多功能试验台中的纯弯曲梁实验装置2.数字测力仪、电阻应变仪三、实验原理及方法:在纯弯曲条件下,根据平面假设和纵向纤维间无挤压的假设,可得到梁横截面上任意一点的正应力,计算公式:σ=My/I z为测量梁横截面上的正应力分布规律,在梁的弯曲段沿梁侧面不同高度,平行于轴线贴有应变片。
贴法:中性层一片,中性层上下1/4梁高处各一片,梁上下两侧各一片,共计五片。
采用增量法加载,每增加等量荷载△P(500N)测出各点的应变增量△ε,求的各点应变增量的平均值△ε实i,从而求出应力增量:σ实i=E△ε实i将实验应力值与理论应力值进行比较,已验证弯曲正应力公式。
四、原始数据:五、实验步骤:1.打开应变仪、测力仪电源开关2.连接应变仪上电桥的连线,确定第一测点到第五测点在电桥通道上的序号。
3. 检查测力仪,选择力值加载单位N或kg,按动按键直至显示N上的红灯亮起。
按清零键,使测力计显示零。
4.应变仪调零。
按下“自动平衡”键,使应变仪显示为零。
5.转动手轮,按铭牌指示加载,加力的学生要缓慢匀速加载,到测力计上显示500N,读数的学生读下5个测点的应变值,(注意记录下正、负号)。
用应变仪右下角的通道切换键来显示第5测点的读数。
以后,加力每次500N,到3000N 为止。
6.读完3000N应变读数后,卸下载荷,关闭电源。
六、实验结果及处理:1.各点实验应力值计算根据上表数据求得应变增量平均值△εPi,带入胡克定律计算各点实验值:σ实i=E△εPi×10-62.各点理论应力值计算载荷增量△P=500N弯矩增量△M=△P/2×a应力理论值计算σ理i=∆M∙YiI z(验证的就是它)3.绘出实验应力值和理论应力值的分布图以横坐标表示各测点的应力σ实和σ理,以纵坐标表示各测点距梁中性层的位置。
梁的纯弯曲正应力实验电测法是应力应变测量最常用的方法,其方法简便,技术成熟,已经成为工程中不可缺少的测量手段。
纯弯曲时正应力在横截面上线性分布,是弯曲中最简单的应力情况。
用电测法测定纯弯曲梁上的正应力,不仅可以验证材料力学理论,也可以熟悉电测法测量的原理、操作方法和注意的问题,为复杂的实验应力分析打下基础。
一、预习要求1、YJ —5电阻应变仪测量前如何进行预调平衡?2、采用半桥接法进行弯曲正应力测量时,如何进行温度补偿?说明原理。
二、 实验目的1、初步掌握电测应力分析方法,学习电测接线方法、仪器调试使用方法。
2、测定梁在纯弯曲下的弯曲正应力及分布规律,验证理论公式。
三、实验设备1、纯弯曲正应力试验台。
2、电阻应变仪及预调平衡箱。
3、矩形截面钢梁。
四、实验原理及方法纯弯曲梁如图1a 所示。
在载荷P 作用下,梁的CD 段为纯弯曲变形。
沿梁横截 面的高度方向每隔4h高度粘贴平行于轴线的测量应变片,共五片,其中第三片在中性层 上。
另外在梁外安置温度补偿块,其上贴一公共温度补偿应变片。
每一测量应变片与公共温度补偿片按图1b 接法接为半桥测量系统。
梁受到P 力作用后,产生弯曲变形。
通过电阻应变仪测出载荷作用下五个点处的应变,由于是单向拉压变形,由虎克定律εσE =即可算出各点的应力值。
另一方面,由弯曲正应力理论公式zI My=σ,可算出各点的应力理论值。
于是可将实测值和理论值进行比较,验证理论公式的正确性。
实验时,载荷由砝码经过20倍杠杆放大施加。
加载分四级,每增加一个砝码,产生P力的增量ΔP。
每加一级后测出五个点的应变,最后取力和应变的增量平均值计算理论值和实验值。
该实验也可用万能试验机加载进行测量。
五、实验步骤1、检查调整纯弯曲梁、电阻应变仪,使各部件和旋钮在正确位置,并打开应变仪进行预热。
2、接桥练习。
参照表1组桥,每种方式下按应变仪的使用方法进行预调平衡,平衡后加一个砝码读取应变。
读数方法为,当加载后应变仪的指针发生偏转,根据应变的大小选择并调节微调、中调、粗调读数盘使电表指针回零,这时各读数盘所指读数的代数和即是所测点的应变值。
梁弯曲正应力测定一、实验目的1.用电测法测定直梁纯弯曲时的正应力分布,并与理论计算结果进行比较,以验证弯曲正应力公式。
2.了解电阻应变测量的原理,初步掌握静态电阻应变仪的使用方法。
二、实验设备名称及型号1.WSG-80型纯弯曲正应力试验台。
2.YE2538A 程控静态应变仪。
3.应变片、导线、接线端子等。
三、实验原理1.试样的制备:用矩形截面钢梁,在其横截面高度上等距离地沿梁的轴线方向粘贴5枚电阻应变片。
2.弯曲正应力的测量原理:梁纯弯曲时,横截面上的正应力σ在理论上沿梁的高度成线性分布,其计算公式为z I y M ⋅=σ式中,σ的单位为MPa ;M 为梁横截面上的弯矩,单位为N ·mm ;y 为应力σ所在的点到中性轴的距离,单位为mm ; I z 为横截面对中性轴z 的面积二次矩,单位为mm 4。
面积二次矩对于矩形截面按下式计算123bh I z =式中,b 为梁横截面的宽度,单位为mm ;h 为梁横截面的高度,单位为mm 。
令使载荷P 对称地加在矩形截面直梁上(如图4-1所示)。
这时,梁的中段将产生纯弯曲。
若载荷每增加一级p ∆(用增量法),则可由电阻应变仪测出梁中段所贴应变片各点的纵向应变增量ε∆,根据虎克定律求出各点实测正应力增量εσ∆=E 实图4-1此值与理论公式计算出的各点正应力的增量即ZI My∆=理σ 进行比较,就可验证弯曲正应力公式。
这里,弯矩增量2paM ∆=∆。
梁上各点的应变测量,采用1/4桥接线,各工作应变片共用一个温度补偿块。
四、实验步骤1.记录实验台参数,设计实验方法。
2.准备应变仪:把梁上各测量点的应变片(工作应变片)按编号逐点接到电阻应变仪A 、B 接线柱上,将温度补偿片接到电阻应变仪接线柱上作公共补偿。
3.进行实验:把砝码托挂在杠杆上、加初载荷、调节应变仪,使各测量点均为零。
加载,加一次砝码,各测量点读一次数,记下各点的应变值,直到加完砝码读数完毕为止。
梁的纯弯正应力实验报告梁的纯弯正应力实验报告引言:梁是一种常见的结构元件,广泛应用于建筑、桥梁、机械等领域。
在实际工程中,梁的受力状态是非常重要的,而纯弯正应力是梁受力状态中的一种典型情况。
本实验旨在通过对梁的纯弯正应力进行实验研究,探究梁的受力规律,为工程设计和实践提供参考。
实验目的:1. 了解梁的受力特点,掌握梁的纯弯正应力的计算方法;2. 掌握实验仪器的使用,学会进行梁的纯弯正应力实验;3. 分析实验结果,验证梁的受力理论,提高实验操作和数据处理的能力。
实验原理:梁的纯弯正应力是指在梁的跨度方向上,上下表面受到相等大小、反向作用的弯矩,使得梁产生弯曲变形。
在梁的纯弯正应力状态下,梁上任意一点的应力是纯弯应力,即只有剪应力,没有正应力。
实验装置:1. 弯曲试验机:用于施加弯矩,产生梁的弯曲变形;2. 梁:选择合适的材料和尺寸,用于进行实验。
实验步骤:1. 准备工作:选择合适的梁材料和尺寸,根据实验要求调整弯曲试验机的参数;2. 实验操作:将梁固定在弯曲试验机上,施加适当的弯矩,记录梁的变形情况;3. 数据采集:使用应变计等仪器,测量梁上不同位置的应变值,并记录;4. 数据处理:根据实验数据,计算梁上不同位置的剪应力,并绘制应力分布曲线;5. 结果分析:对实验结果进行分析,验证梁的受力理论,探讨梁的纯弯正应力规律。
实验结果与讨论:通过实验测量得到的应变数据,可以计算出梁上不同位置的剪应力值。
根据剪应力的分布情况,可以绘制出应力分布曲线。
实验结果表明,在梁的纯弯正应力状态下,梁上的剪应力呈线性分布,且最大剪应力出现在梁的中心位置。
这与梁的受力理论相符合。
实验的误差主要来自于测量仪器的精度和实验操作的不确定性。
为了提高实验结果的准确性,可以采用更精密的测量仪器,并进行多次重复实验,取平均值。
此外,对于梁的材料和尺寸的选择也会对实验结果产生影响,需要根据具体情况进行合理的选择。
结论:通过对梁的纯弯正应力进行实验研究,我们了解了梁的受力特点,掌握了梁的纯弯正应力的计算方法。
梁的纯弯曲正应力实验报告梁的纯弯曲正应力实验报告引言:梁是一种常见的结构元件,广泛应用于建筑、桥梁和机械等领域。
在实际使用中,梁常常会承受弯曲载荷。
了解梁在弯曲载荷下的力学性能对于设计和优化结构非常重要。
本实验旨在通过纯弯曲实验,研究梁在弯曲过程中的正应力分布规律。
实验原理:在纯弯曲实验中,梁在两端受到相等大小的力矩作用,使梁产生弯曲变形。
根据梁的几何形状和力学性质,可以推导出梁在弯曲过程中的正应力分布规律。
根据梁的截面形状和材料性质,可以计算出梁在不同位置的正应力值。
实验装置:本实验使用了一台弯曲试验机和一根标准梁。
弯曲试验机通过施加力矩,使梁产生弯曲变形。
标准梁的截面形状和材料性质已知,可以用于测量和计算梁在不同位置的正应力。
实验步骤:1. 将标准梁放置在弯曲试验机上,并固定好。
2. 调整弯曲试验机的参数,使两端施加相等大小的力矩。
3. 在梁上选择几个不同位置,使用应变计测量该位置的应变值。
4. 根据应变值和标准梁的材料性质,计算出该位置的正应力值。
5. 重复步骤3和步骤4,测量和计算其他位置的正应力值。
6. 绘制出梁在不同位置的正应力分布曲线。
实验结果:通过实验测量和计算,得到了梁在不同位置的正应力值。
根据实验数据,可以绘制出梁在弯曲过程中的正应力分布曲线。
实验结果显示,梁在上表面受压,下表面受拉,且最大正应力出现在梁的截面中心位置。
正应力随着距离截面中心的距离增加而逐渐减小。
讨论和分析:通过实验结果的分析,可以得出以下结论:1. 梁在弯曲过程中受到的正应力分布规律符合理论推导的结果。
2. 梁的截面形状和材料性质对正应力分布有重要影响。
不同形状和材料的梁,在相同弯曲载荷下,其正应力分布可能存在差异。
3. 梁的弯曲变形会导致正应力集中。
在梁的截面中心位置,正应力达到最大值。
因此,在设计和优化梁结构时,需要考虑正应力集中问题。
结论:本实验通过纯弯曲实验,研究了梁在弯曲过程中的正应力分布规律。
实验结果表明,梁在上表面受压,下表面受拉,且最大正应力出现在梁的截面中心位置。
纯弯曲梁正应力电测实验报告一、实验目的本次实验旨在通过纯弯曲梁正应力电测实验,掌握梁的正应力计算方法以及电阻应变计的使用方法,并了解梁的受力特性和变形规律。
二、实验原理1.梁的受力特性当梁受到外力作用时,会产生内部应力和变形。
根据材料力学原理,内部应力可以分为正应力和剪应力。
在纯弯曲情况下,梁内部只存在正应力,且沿截面法线方向呈线性分布。
2.电阻应变计电阻应变计是一种常用的测量金属材料应变的仪器。
当金属材料发生形变时,其电阻值也会发生微小变化。
通过测量这种微小变化来计算金属材料的应变值。
3.纯弯曲梁正应力计算公式在纯弯曲情况下,梁内部只存在正应力。
根据受拉或受压状态下截面上某点处的正应力公式:σ = M*y/I其中,σ为该点处的正应力;M为作用于该点处剪跨截面上侧边缘的弯矩;y为该点到中性轴的距离;I为该截面的惯性矩。
三、实验器材和试件1.器材:纯弯曲梁实验台、电阻应变计、数字万用表等。
2.试件:长度为1.2m,宽度为20mm,厚度为2mm的钢板梁。
四、实验步骤1.将钢板梁放置在纯弯曲梁实验台上,并调整好实验台的支承距离。
2.将电阻应变计粘贴在梁上,保证其与梁表面紧密贴合,并接好电路。
3.通过旋钮调节实验台施加的力矩大小,使得钢板梁发生一定程度的弯曲变形,并记录下此时电阻应变计显示的电压值。
4.重复以上步骤,每次增加一定大小的力矩,直至达到最大载荷或者出现塑性变形等异常情况。
5.根据所得到的数据,计算出不同载荷下钢板梁各点处的正应力值,并绘制出正应力-距离曲线图和载荷-挠度曲线图。
五、实验结果分析1.正应力-距离曲线图通过计算所得到的正应力-距离曲线图,可以看出钢板梁内部正应力随着距离的增加而减小,且呈线性分布。
在最大载荷下,梁中心处的正应力最大,约为200MPa。
2.载荷-挠度曲线图通过实验数据计算得到的载荷-挠度曲线图,可以看出钢板梁的弯曲刚度随着载荷的增加而降低。
当达到最大载荷时,梁发生塑性变形并无法恢复原状。
图2-2 梁的尺寸、测点布置及加载示意图
图2-3半桥接线图 实验五 梁的纯弯曲正应力测定
一、概述
梁是工程中常用的构件和零件。
在结构设计和强度计算中经常要涉及到梁的弯曲正应力的计算。
而梁的弯曲正应力的理论公式是根据纯弯曲梁横截面变形保持平面的假设推导出来的,它的正确性以及能否推广到剪切弯曲梁,可以由本次实验提供的简便方法验证。
二、实验目的
1.用电测法测量矩形截面梁在纯弯曲时横截面上正应力的大小及分布规律,并与理论计算值相比较,以验证弯曲正应力理论公式。
2.掌握电测法原理和电阻应变仪的使用方法。
三、实验设备、器材及试样
1. 静态应变测试仪。
2. 多功能组合实验台。
四、实验原理
弯曲梁为矩形截面钢梁,其弹性模量E =2.05×105MPa ,几何尺寸见图2-2,CD 段为纯弯曲段,梁上各点为单向应力状态,在正应力不超过
比例极限时,只要测出各点的轴向应变ε实,即可按σ实
=E ε实计算正应力。
为此在梁的CD 段某一截面的前后
两侧面上,在不同高度沿平行于中性层各贴有五枚电阻
应变片。
其中编号3和3′片位于中性层上,编号2和2′
片与编号4和4′片分别位于梁的上半部分的中间和梁
的下半部分的中间,编号1和1′片位于梁的顶面的中线
上,编号5和5′片位于梁的底面的中线上(见图2-2),
并把各前后片进行串接。
温度补偿片贴在一块与试件相同的材料上,实验时放在
被测试件的附近。
上面粘贴有各种应变片和应变花,实验时根据工作片的情况自行组合。
为了便于检验测量结果的线性度,实验时采用等量逐级缓慢加载方法,即每次增加等量的荷载ΔP ,测出每级荷载下各点的应变增量Δε,然后取应变增量的平均值
实ε∆,依次求出各点应力增量Δσ实=E 实实ε∆。
实验可采用半桥接法、公共外补偿。
即工作片与不受力的温度补
偿片分别接到应变仪的A 、B 和B 、C 接线柱上(如图2-3),其中R 1
为工作片,R 2为温度补偿片。
对于多个不同的工作片,用同一个温度
补偿片进行温度补偿,这种方法叫做“多点公共外补偿”。
也可采用半桥自补偿测试。
即把应变值绝对值相等而符号相反的两个
工作片接到A 、B 和B 、C 接线柱上进行测试、但要注意,此时ε实=ε仪/2,ε仪
为应变仪所
测的读数。
实验采用等增量法。
即每增加等量的载荷ΔP,测定一次各测点相应的应变增量,并观察各测点应变值的线性程度。
载荷分为3级,最大载荷2000N。
当加载至最后一级,测取各测点应变值后,即卸载。
应变测量值的平均值来计算各测点实验应力值。
然后再与应力的理论值进行比较,以期检验理论公式σ理=My/I z的正确性(M为AA截面上弯矩,y为测点离中性轴的距离,I z为AA截面对中性轴的惯性矩)。
五、实验步骤
1、打开测力仪电源。
2、打开应变仪电源,预热10分钟,并对应变仪进行灵敏系数K值设定和应变片桥路电阻值选择(参见电阻应变仪的使用)。
3、接线:看清各测点应变片的引线颜色,将工作片的两根引出线按序号分别接到1—5个测点的AB接线柱上,温度补偿片接到补偿接线柱上并拧紧(可参考仪器面板)。
4、调零:仪器开机后自动调零,也可按数字键和“确定”键选择1~5点,按“平衡”按钮对各测点进行调零。
重复检查,直至全部测点的初应变在未加荷载之前均显示为“±0000”或“±0001”也行。
5、加载:分四级进行(500N→1000N→1500N→2000N),顺时针转动加载手轮,对梁施加荷载,注意观察测力仪读数,每级荷载ΔP=500N,并分别记录每级荷载作用下各点的应变值(注意数字前的符号,有“-”者为压应变,无“-”号者为拉应变)。
6、测试完毕,将荷载卸去,关闭电源。
拆线整理所用仪器、设备,清理现场,将所用仪器设备复原。
数据经指导教师检查签字。
注意事项:
1、切勿超载
....,所加荷载最大不能超过
..........3000N,否则损坏拉压力传感器
..........。
2、测试过程中
.....,不要震动仪器
......、设备和导线
.....,否则将影响测试结果
.........,造成较大的误差
.......。
3、注意爱护好贴在试件上的电阻应变片和导线
...................,不要用手指或其它工具破坏电阻应变
................
片的防潮层
.....,造成应变片损坏
.......。
六、实验结果的整理
(1)求出各测量点在等量载荷作用下,应变增量的平均值-
测ε∆。
(2)考虑到应变仪与应变片灵敏系数不同,按下式对应变增量的平均值-
测
ε∆进行修正
得到实际的应变增量平均值-
实
ε∆
-
测
片
仪
-
实
=ε
ε∆
∆
K
K
(2.1)
式中片仪、K K 分别为电阻应变仪和电阻应变片的灵敏系数。
(3)以各测点位置为纵坐标,以修正后的应变增量平均值-实ε∆为横坐标,画出应变随试件高度变化曲线。
(4)根据各测点应变增量平均值-实ε∆,计算测量的应力值-实实=εσ∆∆E 。
(5)根据实验装置的受力图和截面尺寸,先计算横截面对z 轴的惯性距z I ,再应用弯曲应力的理论公式,计算在等增量荷载作用下,各测点的理论应力增量值z
y I M ⋅∆∆=
-理σ。
(6)比较各测点应力的理论值和实验值,并按下式计算相对误差 %--理-实
-理100⨯∆∆∆=σσσe (2.2)
(7)在量的中性层内,因00=,
=-
理理σσ∆,故只需计算绝对误差。
(8)比较梁中性层的应力。
由于电阻应变片是测量一个区域内的平均应变,粘贴时又不可能正好贴在中性层上,所以只要实测的应变值是一个很小的数值,就可以认为测试是可靠的。
七、思考题
1.电阻应变片是粘贴在梁的表面上,为什么把测得的表面上的应变说成是梁横截面上的应变? 其依据是什么?
2.读者自行设计验证梁横截面上应力分布的布片方案,并与本实验布片进行分析和比较。