起重机轨道修理施工方案
- 格式:doc
- 大小:137.50 KB
- 文档页数:10
起重机轨道修理施工方案起重机维护施工方案XXX新庄孜矿综机厂房起重机轨道维修工程安全技术措施为确保XXX新庄孜矿综机厂房起重机轨道维修工程的安全和顺利进行,XXX制定了以下安全技术措施:一、工程概况本次维修工程是针对XXX新庄孜矿综机厂房起重机轨道的维修工程。
维修内容主要包括轨道修理、检查和调整。
二、轨道修理方案制定一)总则本轨道修理方案的制定是为了确保维修工程的安全和顺利进行,同时遵循国家相关标准和规定。
二)依据标准本轨道修理方案的制定依据国家相关标准和规定,包括《机械设备安装工程施工与质量验收规范》等。
三)轨道修理方案本轨道修理方案主要包括轨道清理、检查、调整和涂刷等工作内容。
三、修理施工组织计划一)管理模式本次维修工程采用项目管理模式,由项目经理负责统筹协调工程进展和安全管理等工作。
二)进厂计划维修人员需提前到达现场,进行现场勘察和准备工作。
进厂时间为2013年8月10日,进厂前需进行必要的安全培训。
三)现场施工组织机构现场施工组织机构包括项目经理、技术人员、操作人员和安全监督员等。
四)劳动力计划及施工总工期本次维修工程所需劳动力为20人,施工总工期为7天。
以上安全技术措施和组织计划的制定,为XXX新庄孜矿综机厂房起重机轨道维修工程的安全和顺利进行提供了保障。
本文介绍了起重机维护施工方案中的机具和检验器具,以及起重机改造的质量和安全承诺和保证措施,修理施工工艺和操作方法,质量要求和安装验收交验方法。
在本工程中,我们将投入以下机具和检验器具:起重机、吊篮、安全带、安全帽、手套、安全绳、电钻、螺丝刀、扳手、千斤顶、压力表、测量仪器等。
这些机具和检验器具将确保施工的安全和质量。
我们承诺,我们的工作质量将符合国家标准和客户要求。
我们将按照施工方案进行施工,确保施工质量和进度。
我们还承诺,现场作业将遵守安全规定和操作规程,确保现场安全。
我们将采取必要的安全措施,如使用安全带、安全绳等,以防止意外事故的发生。
起重机轨道修理施工方案一、施工背景起重机是工厂生产中常见的设备之一,承担着重要的物料搬运任务。
而起重机轨道作为支撑和引导起重机移动的重要基础设施,在长时间使用后难免会出现磨损、变形等情况,严重影响起重机的正常运行。
为了确保起重机的安全稳定运行,需要定期对轨道进行检修和维护,修理施工方案的制定显得尤为重要。
二、施工方案1. 施工前准备•确定维修范围与工时计划:根据实际情况确定需要修理的轨道长度和所需工时计划,合理安排施工进度。
•准备工具和材料:准备好润滑油、磨料、焊接设备等工具和材料,保障施工需要。
•进行安全检查:确保施工现场安全设施完善,施工人员穿戴好个人防护装备。
2. 施工步骤•清理轨道表面:使用清洁工具清理轨道表面,去除杂物和锈迹,确保维修面干净。
•修磨轨道:根据实际磨损情况,选择适当的磨料对轨道进行修磨,使其表面光滑。
•涂抹润滑油:在修磨后的轨道表面涂抹润滑油,减少磨损,延长轨道使用寿命。
•焊接维修:对严重变形或损坏的轨道进行焊接维修,确保轨道整体稳固。
•施工验收:施工完成后进行验收,确认修复效果符合要求。
3. 施工注意事项•施工质量:保证施工过程中严格按照工艺要求和标准操作,确保施工质量。
•安全第一:施工现场严禁吸烟、用火等行为,做好消防和安全防护工作。
•施工环境:尽量选择在停机或低峰期进行施工,减少对生产的影响。
三、施工效果评估施工完成后,定期对轨道进行检查,评估修复效果,确保轨道使用安全可靠。
同时,监测轨道使用过程中的情况,及时发现问题并进行维修处理,延长轨道的使用寿命。
四、总结起重机轨道修理是起重机维护保养的重要环节,合理制定和执行施工方案对于保障起重机的稳定运行至关重要。
在施工过程中,严格按照操作规程进行,注重施工质量和安全,才能确保维修效果和工作环境的安全。
2024年电动单梁起重机维修施工方案____年电动单梁起重机维修施工方案摘要:本文旨在对____年电动单梁起重机维修施工方案进行细致的规划和计划,确保起重机在日常维护和突发故障时能够保持正常运行。
本方案分为“日常维护”和“突发故障维修”两个部分,详细介绍了维护和维修的步骤、工具和时间安排。
此外,还考虑了安全措施和环保措施,以确保施工的安全性和可持续性。
关键词:电动单梁起重机,维修,施工,安全措施,环保措施1. 引言电动单梁起重机作为一种常见的起重设备,在建筑工地、工厂和仓库等场所广泛应用。
然而,由于长时间的工作和使用,起重机的部件可能会磨损或故障,导致设备无法正常运行。
因此,为了保证起重机的使用寿命和运行效率,及时的维护和维修非常关键。
2. 日常维护2.1 维护步骤日常维护是保持起重机正常运行的关键。
维护步骤如下:1) 检查起重机的各个部件是否正常运行,包括电机、钢丝绳、滑轮、制动器等。
2) 清洁起重机和运行轨道,确保不会有杂物或灰尘影响设备的正常运行。
3) 润滑起重机的各个部位,包括滚动轴承、齿轮、链条等。
4) 检查电气线路是否有松动或老化现象。
5) 检查遥控器和紧急停止按钮是否正常工作。
6) 其他特殊要求的维护步骤。
2.2 维护工具维护起重机需要使用一些特定的工具,包括:1) 清洁刷和吸尘器,用于清洁和除尘。
2) 润滑油和润滑脂,用于润滑起重机的各个部位。
3) 螺丝刀和扳手,用于拆卸和装配起重机的部件。
4) 电流表和电压表,用于检测电气线路的电流和电压。
5) 其他特定的工具,根据实际情况而定。
2.3 维护时间安排为了保证起重机的正常运行,建议每隔一段时间进行一次维护。
具体的时间安排可以根据起重机的使用情况和生产需求而定,一般而言,每月或每季度进行一次维护是比较合适的。
3. 突发故障维修3.1 故障判断当起重机发生故障时,需要快速判断故障原因,并采取相应的维修措施。
常见的故障判断方法包括:1) 观察故障现象,如起重机无法正常启动、起重机的移动速度变慢等。
单梁起重机修理施工方案1.修理前的准备工作在进行单梁起重机的修理之前,需要进行一些准备工作,确保修理施工的顺利进行。
首先,要做好对单梁起重机的检查,了解其故障情况和所需修理的部位。
其次,需要准备修理所需的工具和设备,包括常用的手动工具、起重机专用的工具,以及检测设备和安全保护装置。
另外,还需要确保修理施工现场的安全,清除施工区域的杂物和阻挡物,确保施工人员的安全。
2.故障分析和修理方案制定在进行单梁起重机的修理之前,需要对故障进行分析和确定修理方案。
根据故障的性质和程度,可以选择不同的修理方法。
常见的单梁起重机故障包括电气故障、机械故障和结构故障等。
针对不同的故障类型,制定相应的修理方案。
修理方案应包括修理的步骤、所需的材料和部件、修理所需的时间和人力成本等。
3.施工准备在进行单梁起重机的修理之前,需要进行相应的施工准备工作。
首先,要确保施工人员的安全,提供必要的安全防护装备,并进行相应的安全培训。
其次,需要准备好所需的材料和部件,以及相应的工具和设备。
还需要对施工现场进行布置,设置好修理区域和工作区域,确保施工的安全和顺利进行。
4.施工步骤4.1拆卸部件:根据修理方案,拆卸起重机的故障部件。
在拆卸过程中,要注意安全,避免损坏其他部件。
4.2清洁和检查:将拆卸下来的部件进行清洁,并进行仔细的检查。
检查时要注意细节,查找可能存在的故障和损坏。
4.3更换部件:根据检查结果,确定需要更换的部件,并进行更换。
要选择质量优良的配件,并按照规范进行更换。
4.4修理和调整:根据故障和机械调整的需要,对起重机进行修理和调整。
修理时要注意操作规范,确保修理的质量和效果。
4.5安装和测试:在修理完成后,将修理好的部件安装回原位,进行相应的测试和调试。
测试时要仔细检查各项功能和安全装置,确保其正常运行。
5.施工质量控制和验收在进行单梁起重机的修理之后,需要进行施工质量控制和验收工作。
质量控制包括对修理过程的监督和检查,确保修理工作按照要求进行。
起重机检修施工方案起重机的检修施工方案是确保起重机设备的正常运行和安全使用的重要环节。
下面是一份起重机检修施工方案的参考,详细说明了起重机检修的步骤和要求。
一、检修前准备工作1.检查起重机的使用记录和检修记录,了解起重机的使用情况和过去的检修情况。
2.检查起重机主要零部件的使用寿命和磨损程度,如起重钩、吊钩、钢丝绳等。
3.准备检修所需的工具、设备和材料,如扳手、润滑油、清洗剂等。
4.安排专业技术人员参与检修工作,并明确各人员的任务和责任。
二、检查起重机的工作状态1.检查起重机的外观是否完好,是否存在变形、裂纹或锈蚀等情况。
2.检查起重机的电气系统是否正常,包括电源接线、开关、保护装置等。
3.检查起重机传动系统的工作情况,如齿轮、刹车、离合器等。
4.检查起重机液压系统的运行情况,如油泵、油缸、阀门等。
5.检查起重机的安全装置是否完好,如限位器、起重量限制器、起升高度限制器等。
三、拆卸和清洗零部件1.拆卸起重机的主要零部件,包括起重钩、吊钩、下悬链条等。
2.对拆下的零部件进行清洗,去除表面的油污和灰尘,并进行维修和更换必要的零配件。
3.检查起重钩的磨损情况,如存在磨损严重的情况,及时更换新的起重钩。
4.清洗起重机的液压系统和传动系统,确保液体的清洁和通畅。
四、润滑和调整零部件1.对清洗后的零部件进行润滑处理,包括润滑油的加注、润滑点的涂抹等。
2.对润滑后的零部件进行调整,确保其工作状态和安装位置的准确性。
3.检查润滑油的质量和加注量,确保润滑系统的正常运行。
五、安装和调试起重机1.安装好清洗和润滑后的零部件,确保其位置和连接正确。
2.进行起重机的调试工作,包括检查传动系统的运行情况、液压系统的压力和流量等。
3.测试起重机的各项功能,确保其能够正常工作和安全运行。
4.对起重机的操作控制系统进行检查和调整,确保操作人员可以正确控制起重机的运行。
六、检查和试运行起重机1.对完工的起重机进行全面检查,包括外观、电气系统、传动系统、液压系统等。
起重机大修施工方案1. 引言起重机作为设备运行时间较长,容易出现故障的机械设备之一,定期进行大修是保证其安全稳定运行的关键。
本文档旨在详细介绍起重机大修的施工方案,以确保施工过程高效顺利、安全可靠。
2. 施工准备在开始施工之前,需要进行以下准备工作:2.1. 施工人员培训确保施工人员具备足够的技术能力和经验,了解大修过程中的各项安全措施和操作规程。
2.2. 施工设备检查对所有施工设备进行全面检查,确保其正常工作状态。
需要特别关注起重机的主要部件,如钢丝绳、滑轮系统、制动装置等,确保其完好无损。
2.3. 施工区域规划合理规划施工区域,确保设备可以顺利进入和离开施工现场,并保证施工过程中的安全和效率。
3. 施工步骤起重机大修的施工步骤主要包括以下几个方面:3.1. 拆卸起重机主要部件根据起重机的结构和施工要求,拆卸主要部件,如臂架、液压系统、电气控制系统等。
在拆卸过程中,要注意安全防护,并采取适当的解体工艺,以避免损坏起重机的其他部件。
3.2. 检修和更换部件对拆卸下来的主要部件进行检修和更换。
对于磨损严重、失效或不符合使用要求的部件,应及时更换。
同时,对于发现的任何缺陷或隐患,应立即修复或报告。
3.3. 清洁和涂漆在检修和更换部件完成后,对起重机进行彻底清洗,并进行必要的涂漆工作。
清洁和涂漆既能提高起重机的外观,又能延长其使用寿命。
3.4. 组装和调试在清洁和涂漆完成后,将各个部件按照正确的组装顺序进行组装。
在组装完毕后,对起重机进行全面检查,确保所有部件安装正确,并进行必要的调试工作,以确保起重机的正常运行。
3.5. 试运行和验收在起重机组装和调试完成后,进行试运行和验收工作。
通过对起重机的各项功能和安全性能进行测试,确保其满足施工要求和相关标准。
4. 施工安全措施在起重机大修施工过程中,必须严格遵守安全规程,以确保施工人员的人身安全和设备的安全稳定运行。
下面列举了一些常见的施工安全措施:•施工现场的必要防护措施,如施工区域划定、标示、警示牌等;•施工人员必须佩戴适当的安全防护装备,如安全帽、防护眼镜、防护手套等;•施工人员必须操作熟练,并按照安全操作规程进行作业;•施工现场必须保持整洁,并定期清理工具和杂物,防止意外发生;•施工现场必须设置专人负责安全监督和指导,及时解决施工中的安全问题。
起重机施工方案(仅供参考)为了XXX公司确保XXX起重机(安装、改造、修理),特制订安装改造、修理方案如下:一、起重机主要技术参数:二、施工准备1、起重机施工现场不得有易燃易爆物品,切断电源,并警示,安装时非工作人员严禁入内。
2、施工前,施工方安装队长须组织安装人员以及吊车司机等了解改造修理施工方案要求。
3、修理队准备安装过程的工具和辅助器材,领取劳保用品。
4、顾客要求办理动火手续,遵守顾客用电安全要求,请顾客无偿提供安装时所需电源。
5、施工组负责人应在安装前到当地质监局办理开工告知,并到当地特种设备检测机构申请安装改造重大维修过程监督检验。
三、施工安全防护措施1、严格按照安全操作规程和施工方案进行作业2、施工单位电工、焊工、安装工必须持国家工程上岗证上岗。
3、现场人员必须戴安全帽,高空作业人员必须系安全带。
4、安装现场配置灭火器防范于未然,在焊接、气割时,做到时时巡查,如发现有烯明火现扩散,人力无法控制扑灭,如出现重大火情时应立即地址拨打119警电话,当火力增大,面积扩散,人力无法控制扑救时,人员应马上撤离现场,确保人身安全。
5、吊装前,对重物捆扎钢丝绳套扣进行严格检查,防止吊装过程事发生松脱和滑移。
6、吊装时,听从专业人员统一指挥,各工种相互配合协调一致,吊装过程中,所吊重物必须平衡平稳,吊装到位后重物必须摆放平稳后,方可脱离起重设备。
7、事故应急操作措施(1)、安装过程中,若发生一般安全事故,事故现场负责人应报生产科,重大事故应及时上报总经理,事故发生后,生产科试应当迅速采取急救措施,防止事故扩大,减少人员伤亡和财产损失。
(2)重大安全事故应及时上服当地安全监督部门,保护现场相关证据。
(3)对事故进行调查分析,实事求是、及时准确的查清事故原因,查明事故性质和责任,总结事故教训,提出整改措施。
三、施工步骤(此为维修,每次安装应根据实际情况编制安装方案,比如进行吊装使用多大吨位汽车起重机,多大钢丝绳,以及吊装步骤,如何试验载荷等)1、对起重机主梁,支腿进行检测维护2、,对起重机大小车电机、减速机拆卸检修清洗、调试、加油,发现有缺陷要进行修理或更换3、对起重机整机电器、电路检测调试,对老化线路进行更换5、对起重机电动葫芦进行拆卸清洗、调试、加油,发现有缺陷要进行修补或更换。
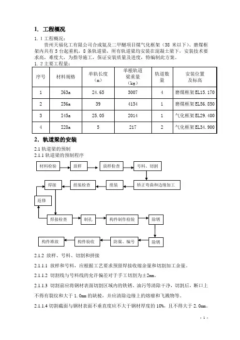
1. 工程概况1.1工程概况:贵州天福化工有限公司合成氨及二甲醚项目煤气化框架(38米以下)、磨煤框架内共有5台起重机,8条轨道梁,所有轨道梁均安装在混凝土梁下,安装技术要求高,难度大,为指导施工,保证安装质量及进度,特编制此方案。
2.轨道梁的安装2.1轨道梁的预制2.1.1轨道梁的预制程序2.1.2放样、号料、切割和拼接2.1.1.1放样和号料,应根据工艺要求预留焊接收缩余量和切割加工余量。
2.1.1.2 切割线与号料线的允许偏差对于手工切割为±2mm。
2.1.1.3 切割前应将钢材表面切割区域内的铁锈、油污等清除干净,切割后,断口上不得有裂纹和大于1.0mm的缺棱,并应清除边缘上的熔瘤和飞溅物等。
2.1.1.4切割截面与钢材表面不垂直度应不大于钢材厚度的10%,且不得大于2.0mm。
2.1.1.5 切割后的部件应根据施工图进行编号和堆放,以便施工组装防止混淆。
2.1.1.6 轨道接头拼接位置设在距支撑点1/3~1/4跨度范围内,轨道工字钢翼缘采用等强度透焊斜对接焊缝,腹板采用等强度透焊正对接焊缝,焊后将焊缝表面整平。
2.1.2构件矫正2.1.2.1对于工字钢翼缘的倾斜度△<b/80,b为工字钢翼缘宽。
2.1.2.2角钢、工字钢的挠曲矢高△h≤L/1000,但不得大于5mm。
2.1.2.3钢板的局部挠曲矢高在一定范围内f≤1.5mm。
2.1.2.4对于钢板的局部挠曲变形,可用锤击法进行矫正。
2.1.2.5对于型钢,应根据型钢制作专门的矫正胎具用千斤顶进行冷矫正,如果冷矫正有困难,对于普通碳素钢和低合金结构钢,可以进行热矫正,其加热温度严禁超过正火温度(900℃),加热矫正后的低合金结构钢必须缓慢冷却。
2.1.3制孔2.1.3.1 制孔应采用机械方法,严禁气割成孔,螺栓边缘不应有裂纹,毛刺和大于1mm的缺梭,成对的连接板在钻孔时,应配钻,所有构件的螺栓孔组,应采用样板放样以保证螺栓孔间距。
起重机轨道安装施工方案一、工程概述本次工程主要是对起重机轨道进行安装施工,确保起重机能够平稳、安全地运行。
具体工程包括轨道布置、轨道基础施工、轨道安装等。
二、施工准备1.清理施工现场,确保施工区域没有杂物和障碍物。
2.制定详细的施工方案,明确施工步骤和施工时间。
3.准备施工所需的各类材料和设备,包括轨道、焊接设备、测量仪器等。
三、施工方案1.轨道布置根据起重机的工作范围和要求,确定轨道的具体布置。
考虑到运输方便和安全性,轨道的布置需避开其他设备和施工区域。
2.轨道基础施工(1)根据轨道尺寸和布置,进行标线并确定基础位置。
(2)使用挖掘机或人工开挖基础坑,坑的深度和宽度需根据轨道的要求确定。
(3)在基础坑底铺设一层细石混凝土,保证基础坑底平整。
(4)在基础坑的两侧设置木模板,倒入混凝土,进行振捣和浇注,确保基础的牢固和平整。
3.轨道安装(1)根据轨道尺寸和布置,将轨道组装好,并进行预先试验,检查轨道的质量和性能。
(2)将轨道吊装到预先铺设的基础坑内,在基础上方平整地铺设垫木或压实土工作。
(3)安装完成后,使用水平仪器进行检测,确保轨道的水平度符合要求。
(4)使用焊接设备对轨道进行焊接,确保轨道的连接牢固。
四、安全措施1.施工现场设置标志牌和警示线,明确施工区域。
2.工人必须穿戴好安全帽、防护鞋等个人防护装备,并经过安全培训。
3.施工现场严禁吸烟、明火作业等违章行为。
4.施工期间,严禁任何无关人员进入施工区域。
5.施工结束后,对施工现场进行彻底清理,确保没有遗留物和隐患。
五、质量验收1.对轨道的尺寸、水平度、垂直度等进行检查,确保符合设计要求。
2.对轨道的焊接接头进行牢固性和质量检验。
3.对轨道的安装情况进行检查,确保没有松动和变形现象。
六、总结通过以上施工方案,起重机轨道的安装工程将能够有序、高效地进行。
在施工过程中,要严格遵守安全操作规程,确保施工人员的安全。
在质量验收中,要根据设计要求对轨道的各项指标进行检查,确保施工质量。
施工方案1、编制依据:《钢结构工程施工质量验收规范》GB50205-2001《建筑钢结构焊接技术规程》JGJ81-2002《吊车轨道连接及车档》05G525《钢筋混凝土结构预埋件》04G362《结构用高频焊接薄壁H型钢》J G/T137-20072、施工措施2、1吊车梁在跨中三分之一跨范围内应避免拼接,其余部位拼接时应加引弧板和引出板对接焊缝,并保证焊透,吊车梁对接焊缝的表面及所有引弧板和引出板割去处,均应采用机械加工,一般可用砂轮机修磨使之与主体金属平整。
2、2吊车梁拼接焊缝质量等级为二级,其余焊缝的外观质量标准为三级。
2、3吊车梁的角焊缝表面应做成直线型或凹形。
焊接中应避免咬肉和弧坑等缺陷,焊接的加劲肋的直角角焊缝的始末端必须连续施焊,绕角焊的长度为2倍直角角焊缝焊脚尺寸。
2、4吊车梁支座加劲肋的上下端和中间加劲肋的上端应刨平与翼缘顶紧(靠车档一端的支座加劲肋上端可不刨平,改用坡口焊)。
在与梁焊接时,必须保证加劲板与腹板的垂直度及加劲板上下端的水平度。
平板式支座的加劲板下端应与下翼缘刨平顶紧后焊接;梁的支座板应与下翼缘板加紧焊接。
2、5吊车梁的下翼缘板(受拉),不得焊接悬挂设备的零件,并不应在其上打火或焊接夹具。
吊车滑触线支架只允许焊接在中间加劲肋上。
2、6连接中采用的普通螺栓,于构件调整固定后,应采用双螺母,以防松动。
2、7吊车梁上翼缘板与柱的连接通过端部安装连接板连接,此安装连接板与柱的角钢的连接可采用10.9级摩擦型高强度螺栓连接。
2、8永久螺栓的螺母应放置2个垫圈,如结构表面有坡度时,应加放相应坡度的垫圈。
2、9构件在运输吊装过程中,应采取有效措施防止变形或捆绑钢绳时勒伤。
2、10钢结构件在涂装前,必须清除铁锈、焊渣、毛刺、油污、冰层、积水、积雪及泥土等,除锈等级为Sa2.5.2、11钢结构涂漆两底两面,漆膜总厚度125um,构件表面不应有漏涂、误涂,涂层不应脱皮、返锈。
涂层应均匀、无明显皱皮、流坠、针眼和气泡。
起重机维修安全管理制度一、施工前的准备1 、根据起重机维修合同,施工负责人及安全员赴施工现场,勘察作业环境、道路、电源及照明设施等。
2、根据施工现场情况,确定起重机拆卸方案,施工工器具存放地点。
3、施工负责人编制施工方案,确定进场施工日期,落实施工人员,进行技术交底,准备好施工机具、工器具和安全防护用品,必要时提前办理好动火证明。
二、施工人员的要求1、安全人员要身体健康,持证上岗,严格按照起重机安装条例安装。
2、工作人员进入安装现场,要佩戴好安全帽,登高时系好安装带,穿好工作服、工作鞋、防护手套等防护品。
3、工作人员进入现场杜绝喝酒、吸烟、乱运甲方的其它设备。
4、安装时在高空首先把安全带系在牢固的物体上,不允许上下投掷工具及其它物件。
三、现场准备1、施工人员进场,将产品及施工工器具卸车,存放在指定地点。
2、施工负责人带领工作人员察看作业现场,并讲解作业要求及安全注意事项。
3、检查起重机的主要零部件的完好情况,发现问题及时与主管部门联系解决。
4、各部件运输到位,处于待装状态。
5、按GB6067-85《起重机的安全规程》之规定,复查桥架尺寸。
四、安全承诺维修前做好警示标志及安全防护工作,保证无事故发生。
五、维修内容1、对双梁桥式起重机的桥架、大车运行机构、小车运行机构、起升机构、和电气设备进行全车检查,除锈防腐。
按起重机行业标准GB6067-85《起重机的安全规程》、GB5905-86《起重机的试验规范程序》、GB/T3811-83《起重机设计规范》、GB/T14405《通用格式起重机技术备件》进行维修和保养并保证维修质量。
2、桥架结构:对于主梁上拱度要实测数据,校正上拱度,使其达到上拱标准。
栏杆进行加固维修。
3、大小车运行机构:车轮有无啃轨,行走系统各零部件是否齐全,运转平稳,制动装置是否安全可靠。
传动系统各连轴器进行检查。
如达到国家报废标准的进行更换。
4、主起升机构:全面检修主起升机构零部件,调换钢丝绳。
起重机维修施工方案施工方案实施方案一、建立健全施工管理制度1、严格执行施工图纸会审制度,施工现场技术交底制度,精心组织,精心施工,以工作质量保证产品质量,从原材料、设备用附格的进厂开始把关,对关键部位和重点工序必须严格把关,严格按施工图纸、施工标准、标准和技术文件进行施工;2、特殊工种的施工人员必须持证上岗;3、严格执行质量“三检制〞,即自检、互检、专检工作,认真填写检验记录,并签字确认以备存档,对隐蔽工程必须经设备厂方现场指导人员、监理部门和专检人员共同检验确认合格,并做好记录前方可转入下道施工工序。
4、加强技术档案整理、归档制度,切实做到工程完资料清。
二、施工进度保证措施1、认真学习有关规程,加强平安技术培训,提高职工队伍素质。
2、将工程各局部层层分解,落实到责任人。
3、工程技术人员要保证使技术工作走到施工的前面,确保工程施工顺利进行。
4、严格贯彻施工组织及质量标准,作到施工人员施工方法知道,施工标准知道,确保各项工程一次成功,防止二次作业。
5、施工中出现特殊情况,须经主管厂领导批准前方可进行下一步操作。
三、平安技术保证措施1、严格遵守系统安装平安施工技术规程和相关劳动平安条例。
2、所有参与施工人员,必须认真学习本“施工组织方案〞,做到心知肚明。
牢固树立“平安第一〞思想,施工时必须有专人统一指挥,严格开好施工班前会,交代平安本卷须知,明确任务,施工方法和质量要求,全过程对施工进行平安大检查,消除事故隐患。
3、施工人员要配戴齐全平安劳动保护用品,正确使用平安带,但凡发现违章者,立即停止其工作。
4、切除厂房上部所有供电电源,并挂“严禁合闸、正在施工〞警示牌,待整机安装完成恢复。
5、安装现场设置平安警戒线和隔离墙,确保其他设备的正常运行,并有明显平安警示标语。
6、正确使用吊具并固定牢靠,密切注意安装设备用机具动作情况,特别是起吊设备、钢丝绳用捆扎接头等完好和牢固定联结情况,制动器的制动可靠情况等。
起重机轨道施工方案本文档旨在提供一种起重机轨道施工方案的详细介绍和操作步骤。
起重机轨道是用于起重机移动的重要基础设施,正确的施工方案对于保证起重机的安全和稳定运行具有重要意义。
施工准备在开始起重机轨道的施工之前,需要进行以下准备工作:1.材料准备:需要根据实际需求购买适量的钢轨、螺栓等材料。
2.工具准备:确保有足够的工具,包括电动工具、手动工具、测量工具等。
3.地基准备:确保起重机轨道的施工地点没有障碍物,地基坚实平整。
4.设计方案:根据起重机轨道的需要,制定详细的设计方案和绘图。
5.安全措施:施工现场应设置明显的安全警示标志,并配备必要的安全防护设施,如安全帽、安全绳等。
施工步骤步骤一:钢轨测量与标定1.在施工地点确定好起重机轨道的安装位置。
2.使用测量工具测量起重机轨道的长度和宽度,并据此计算出需要的钢轨长度。
3.标定起重机轨道的位置,使用标线工具在地面上标明钢轨的安装位置。
步骤二:钢轨安装1.根据设计方案的要求,从一侧开始安装起重机轨道的第一根钢轨。
2.使用螺栓将钢轨固定在地面上,确保其平整牢固。
3.逐渐安装剩余的钢轨,确保每根钢轨之间的间距和高度一致。
步骤三:连接与固定1.在钢轨的连接处使用连接件将钢轨连接在一起,确保连接牢固。
2.检查每个连接点,确保没有松动或者缺陷。
3.使用螺栓将钢轨固定在地面上,确保其稳定性和安全性。
步骤四:验收与调试1.完成起重机轨道的安装后,进行验收工作。
2.检查起重机轨道是否平整、牢固,并确保无明显的缺陷。
3.进行起重机轨道的调试工作,确保起重机的移动顺畅无阻。
维护与保养为了保证起重机轨道的功能和安全性,需要进行定期的维护和保养工作。
以下是一些建议:•定期检查起重机轨道的连接件和螺栓,确保其没有松动或者损坏。
•清理起重机轨道上的积水、尘埃等杂物,防止积水导致腐蚀和尘埃影响起重机运行。
•定期润滑起重机轨道上的滑轮和导轨,确保其运行顺畅。
•检查起重机轨道的工作面是否有裂纹或者变形,及时修复或更换受损部分。
起重机轨道施工方案起重机轨道施工方案起重机轨道施工是指在起重机使用过程中,为了确保起重机顺利行驶和举升工作的安全和稳定,需要对其运行轨道进行施工和维护的工作。
下面是起重机轨道施工方案的具体内容。
起重机轨道施工方案包括以下几个主要步骤:1. 确定施工范围:根据实际工作需要,确定起重机轨道的施工范围,包括轨道的长度、宽度、高度等参数。
2. 清理施工区域:将起重机轨道施工区域内的杂物、障碍物等清理干净,确保施工环境整洁。
3. 地基处理:对起重机轨道的基础地基进行处理,包括打造基础、填充土方等工作。
确保轨道的基础牢固稳定。
4. 安装轨道基础:根据实际需要,在地基处理完成后,开始安装轨道的基础,包括固定螺栓等。
5. 轨道安装:根据轨道的尺寸和形状,将轨道逐段安装在基础上,确保轨道的平整和水平。
6. 焊接和磨平:将轨道的各段进行焊接,确保连接牢固。
然后使用磨平机对焊缝进行磨平,使轨道表面平整。
7. 轨道调试:在轨道安装完成后,需要进行轨道的调试工作,包括调整轨道的位置、方向等,确保轨道的使用效果良好。
8. 封闭施工区域:在整个轨道施工过程中,需要对施工区域进行封闭,确保施工安全。
同时设置施工警告标志和导向标志,引导人员绕行。
9. 交付使用:等轨道施工全部完成后,进行最后的验收工作,确保轨道满足使用要求。
然后将轨道交付使用。
与此同时,为了确保起重机轨道施工的顺利进行,需要注意以下几个要点:1. 施工过程中要严格遵守施工操作规范,确保施工的安全和质量。
2. 施工前要对施工现场进行仔细勘测和测量,确保施工的准确定位。
3. 施工中要注意环境保护,防止对周围环境造成污染。
4. 施工过程中要定期检查轨道的安装质量,及时发现问题并进行处理。
5. 施工过程中要注意施工队伍的安全教育和培训,提高施工人员的安全意识。
通过以上的施工方案和注意事项,可以确保起重机轨道施工的顺利进行,为起重机的正常运行提供良好的保障。
起重机啃轨维修施工方案(新改)
1. 背景
起重机在日常使用中,不可避免地会出现轨道受损的情况,这不仅影响了起重机的正常运行,也对施工安全造成了威胁。
因此,制定一套科学的啃轨维修施工方案显得尤为重要。
2. 施工原则
•安全第一,严格按照操作规程进行作业;
•维修质量优先,确保维修后轨道平整、牢固;
•施工过程中保持沟通,协调施工人员与相关部门的合作。
3. 施工流程
3.1 前期准备
•验收维修设备和工具,保证完好无损;
•制定详细的施工计划,包括人力、物力、时间等要求;
•安排好工作人员,进行安全培训。
3.2 施工操作
•封锁施工区域,确保施工安全;
•清理轨道杂物,准确定位啃轨位置;
•使用专业设备进行啃轨作业,确保操作规范。
3.3 后期处理
•对啃轨后的轨道进行检测和修整,确保平整度;
•清理施工现场,恢复交通正常。
4. 施工注意事项
•确保起重机在啃轨过程中处于停机状态,避免危险发生;
•避免操作人员疲劳,定期休息保持精力充沛;
•施工过程中要时刻保持沟通,及时处理突发情况。
5. 施工效果评估
•经实际施工验证,新改起重机啃轨维修方案取得了良好效果;
•轨道平整度得到有效提升,起重机运行更加稳定;
•施工过程中未发生安全事故,得到了相关部门的好评。
6. 结语
起重机啃轨维修施工是一项复杂而细致的工作,需要全面考虑安全性和施工质量。
通过本次新改方案的实施,为起重机轨道的维护提供了可靠的技术支持,为未来的起重机维修工作奠定了坚实的基础。
起重机改造维修施工组织方案3) 技术准备1、施工前必须对相关技术文件、图纸及相关资料进行认真审核。
2、主要技术数据计算及设备选型。
3、技术负责人应做好安装前的技术交底,提出具体的安装工艺要求和施工质量措施。
4、参加施工人员的技术培训。
5.汽车起重机准备进入现场。
6、施工管理1)施工技术管理1. 计划的批准审图是技术准备工作的主要内容。
项目部组织工程施工技术人员,邀请业主主要技术人员对方案的遗漏、可能出现的错误和不合理之处进行审查和评论,使施工方案更加全面。
,准确成为施工的主要依据,所以审图要认真背诵。
2、技术交底开工前,项目部(经理)组织技术、质检、安全人员、班组长进行技术交底工作。
为了使现场施工人员对吊装工作有全面准确的感性和理性认识,对吊装工序、吊装过程、施工进度和安全注意事项有透彻的了解。
技术交底应在现场施工中发挥可靠、普及的作用,并认真做好技术交底记录。
3、技术方案审批鉴于本次吊装工作的难度和特殊性,项目部应严格遵守方案审批制度。
从施工准备阶段到施工过程,所有技术方案、图纸、技术书籍等均须经公司指定技术负责人及其他相应负责人批准,否则不得成为施工文件。
4. 技术资料的准备技术资料准备是指在施工前技术准备阶段、施工中和竣工后对技术资料的准备、讨论和制定。
技术资料的编制应严格按照质量体系标准的有关规定进行。
5. 设计变更当设计因故需要改变时,其格式、内容和方法应按照我方相关方案文件或工作手册执行。
2)项目质量管理1、加强现场施工质量管理是控制工程质量的重要环节。
施工前应进行图纸、技术交底、质量交底的联合审核,制定全面的质量计划。
2 、本工程采用大型吊车安装,地基验收工作尤为重要。
设备基础交付前,应当会同项目工程技术人员、专职质量检验人员、土建单位代表和业主代表进行验收。
验收合格,办理会签手续。
3、工序交接检查(测量):本项目工序交接为吊装(安装)工序的停止点检查和交接。
工艺的停止点检验(测量)仪器必须经过检验部门检验,检测方法也应正确合理。
起重机修理、安装施工方案一、背景介绍在各类工业场合中,起重机是一种常见的设备,用于搬运、吊装货物。
然而,随着使用时间的增长,起重机可能会出现故障,需要定期维护和修理。
同时,在新建工程中,起重机的安装施工也是一项重要的任务。
本文将介绍起重机的修理、安装施工方案。
二、起重机修理方案1. 定期检查定期检查是起重机维护的基础,包括检查电气系统、机械系统、润滑系统等部分。
检查电气系统时,需要检查电缆、开关、控制面板等是否有损坏或老化;检查机械系统时,需要检查钢丝绳、轮轴、传动系统等是否正常;检查润滑系统时,需要检查润滑油是否充足、润滑点是否通畅等。
2. 故障排查与修理当起重机出现故障时,需要进行及时的排查与修复。
常见的起重机故障包括电气故障、机械故障、液压故障等。
在排查故障时,需要按照起重机的维修手册逐步排查,找出故障原因并采取相应的修理措施。
3. 维护保养除了定期检查和故障修理,起重机还需要定期进行维护保养,包括清洗、润滑、调试等工作。
维护保养的目的是延长起重机的使用寿命,保证其正常运行。
三、起重机安装施工方案1. 施工准备在进行起重机安装施工前,需要做好充分的施工准备工作。
包括确定安装位置、准备所需的设备和工具、制定施工计划等。
2. 安装程序起重机安装的程序包括基础施工、吊装安装、接线调试等环节。
在进行基础施工时,需要确保基础牢固、平整;在进行吊装安装时,需要根据起重机的重量和尺寸选择合适的吊装设备;在接线调试时,需要按照电气图纸进行接线,逐步调试确保起重机的正常运行。
3. 安全措施在进行起重机安装施工时,需要严格遵守相关安全规定,使用防护装备,确保施工过程中的安全。
结语通过定期检查、故障修理、维护保养,可以保证起重机的正常运行;通过良好的施工准备、安装程序和安全措施,可以保证起重机的安装施工质量。
起重机在工业生产中扮演着重要的角色,正确的维护和安装施工方案对于保证其正常运行至关重要。
淮南矿业集团新庄孜矿综机厂房起重机轨道维修工程安全技术措施山东神力起重机械有限公司2013年8月6日目录一、工程概况................................................................... - 1 -二、轨道修理方案制定........................................................... - 1 -一)总则.................................................................... - 1 -二)依据标准................................................................ - 1 -三)轨道修理方案............................................................ - 1 -三、修理施工组织计划........................................................... - 1 -一)管理模式................................................................ - 1 -二)进厂计划................................................................ - 1 -三)现场施工组织机构........................................................ - 1 -四)劳动力计划及施工总工期.................................................. - 1 -五)拟投入本工程机具及检验器具.............................................. - 2 -四、起重机改造质量、安全承诺及保证措施......................................... - 2 -一) 工作质量承诺............................................................ - 2 -二) 现场作业承诺............................................................ - 2 -三) 现场安全管理承诺........................................................ - 3 -四)现场文明生产承诺........................................................ - 3 -五) 服务承诺................................................................ - 3 -六)质量保证体系及质量保证措施.............................................. - 3 -七)安全体系及安全技术措施.................................................. - 3 -五、修理施工工艺及操作方法..................................................... - 5 -一)旧轨道拆卸工艺顺序...................................................... - 5 -二)地平面承轨梁检查........................................................ - 5 -三)安装轨道................................................................ - 5 -四)轨道安装质量检测工序.................................................... - 5 -六、质量要求................................................................... - 7 -一)轨道安装技术要求........................................................ - 7 -七、安装验收交验方法........................................................... - 7 -起重机维护施工方案起重机轨道及滑触线维修施工技术措施一、工程概况淮南矿业集团新庄孜矿综机厂房桥式起重机大车运行轨道,行程长100m,轨道为P43㎏,由于年久失修,桥式起重机运行频繁,目前轨道高低不平,直线度超差,轨道两侧压板时常松动,为此大车运行啃轨,紧固螺栓松动严重,造成运行极不平稳,存有较大不安全隐患,现需要对轨道进行维修,要求维修后符合国家标准,确保起重机运行平稳。
二、轨道修理方案制定根据现场条件和技术要求,我方有关技术人员就贵方起重机运行轨道修理项目召开了专体会议,认真研究了修理方案,现将修理方案汇总如下,供贵方审核:一)总则严格按照国家标准和贵方技术要求,制定修理工艺,在保证安全和质量的情况下,以最短的时间完工,保证安装后完全符合标准,确保安全生产。
二)依据标准GB3811 起重机设计规范GB6067 起重机械安全规程GB/T14405 通用桥式起重机GB/T10183 起重机轨道安装公差GB50278 起重机安装工程施工及验收规范三)轨道修理方案根据该起重机大车运行轨道变形损坏情况,我方计划按以下方案进行修理矫正:1、把起重机轨道全部拆除移开,按标准重新检测承轨梁;2、由于承轨梁已无法移动,我方计划根据实测承轨梁的高度差和直线差,用钢垫板来调整轨道高度符合标准。
3、一切具备安装条件后,按轨道安装工艺重新安装调整;4、轨道安装竣工后,按标准进行检测和试验,确保完全符合标准规定。
三、修理施工组织计划一)管理模式我公司将在贵矿组建起重机轨道修理项目部,具体负责贵矿轨道修理的一切事务,我公司将选派具有丰富施工经验的人员担任项目部经理,负责工程质量、安全管理、文明生产等全面事务。
项目经理部下设现场技术负责人、安全负责人。
公司将选派有在外修理经验的工程技术人员在业主方的协助下,建立起完善的安全文明生产管理网络,在修理过程中严格按照质量管理体系标准和贵方要求认真进行组织、实施。
二)进厂计划根据贵方要求,我公司将按照计划或要求安排有关技术人员进入现场,根据现场实际情况对工器具按标准配置,对于调配到贵矿修理的工作人员进行上岗前培训工作,所有参加贵矿轨道修理工作的所有人员保证持证上岗。
熟悉所要承包的修理范围和设备,作好修理范围的界定工作,使我方入场人员在进场前就明确了解自己的工作范围。
组织有关人员深入了解业主方的管理制度,加快我方人员修理工作的顺利进行。
三)现场施工组织机构本工程施工组织机构见下图组织机构图12、施工工期:为了保证贵方早日投入使用,我方完全同意按贵方要求工期施工。
在施工起重机维护施工方案期间,贵方如因生产需要突击施工,我方可随时增加施工人员,保证按贵方规定工期完工。
五)拟投入本工程机具及检验器具一) 工作质量承诺1、我方提供的钢垫板保证符合有关标准和贵方设备的要求、安全要求和使用要求。
2、贵方有权对我方提供的钢垫板的质量进行监督。
3、保证参加施工的人员具有相应的资质,所有人员保证熟悉和了解该种起重机轨道修理的原理、构造和性能,熟悉检修、安装、维护保养工艺。
4、我方有多年的起重机轨道修理经验,并且有相应的有效措施,保证轨道修理质量符合技术规范及有关标准、规范的要求。
5、我方具有可操作的质量保证程序及相应的文件,在施工中严格执行质量程序文件。
6、起重机轨道修理装配保证提供技术先进的工艺。
7、严格进行各环节的检验和试验。
8、轨道修理保证符合有关标准。
9、轨道修理完毕后,按有关标准进行检验和试验。
10、试验和验收完毕后,我方提供相关文件移交给贵方,包括相关的检验记录。
二) 现场作业承诺1、我方保证在现场施工人员的数量和素质,保证能满足现场轨道修理和参与设备技术监督管理的需要。
2、我方保证严格遵守与执行甲方和生产技术部管理人员就有关该项工程任何事项所发出的合理指令(可能影响到安全和质量的事项以书面形式),无论这些事项在合同中写明与否。
3、在施工过程中,除由于法律或实际上不可能做到的情况外,我方保证严格按合同完成工起重机维护施工方案程,现场保持“安全文明达标”设备符合标准。
4、保证在现场的主要机具设备仪器与本合同计划用于本工程的机具设备仪器清单相符。
5、严格执行甲方的作业标准、技术标准以及行业标准及厂家说明书。
三) 现场安全管理承诺1、保证坚决贯彻执行党和国家及轨道修理工程所在地各级人民政府关于安全生产的一系列方针、政策、法规、条例和规定,保证采取一切必要措施和手段强化安全管理,提高安全水平,确定严格的安全秩序以保证现场人员和设备在工作中的安全与健康。
2、保证贯彻执行“安全第一、预防为主”的方针,严格执行国家《安全生产工作规定》和甲方有关安全规章制度的规定。
3、由于我方人员违反有关安全工作的规程、规定,造成人员伤亡和设备设施损坏事故,责任完全由我方独立承担。
4、我方负责人为本工程的安全第一责任人,保证亲自抓安全,确保人身、设备安全。
5、在工作中,保证制定出工作安全技术措施和防火防盗措施,经甲方安监管理人员审批后方开工。
同时,保证按规定听取甲方相关部门的安全技术交底。
7、我方人员在现场工作过程中,保证接受甲方公司安全各项考核制度和甲方管理人员的安全监督。
四)现场文明生产承诺1、保证在现场遵守甲方有关文明生产的文件、规定和核办法。
2、作业区域保证设置围栏或者警戒线,挂警示牌和标志牌。
3、作业人员进入生产现场保证带安全帽,特殊工种还保证穿专用防护工作服和面具,作业现场秩序井然。
4、作业人员联系工作、答问询,保证主动热情、心细致、貌待人。
5、作业现场有定置管理制度和现场定置图,各种图纸、记录本、登记本、工器具、材料、检修设备的部件均按图整齐摆放,保证公共物品不受损坏。
6、保证作业工作的各种技术图表、质量标准、安全标语统一、美观。
各种标示牌保证悬挂整齐, 按作业项目的实际情况,制定劳动保护措施,并监督实施。