维修人员任命书样板
- 格式:doc
- 大小:19.86 KB
- 文档页数:11
电梯技术支持人员任命书尊敬的{被任命者姓名}:基于你在电梯技术领域的卓越表现和专业知识,我们很高兴地任命你为我们公司的电梯技术支持人员。
你的职责将涵盖以下方面:1. 提供电梯技术方面的支持:你将负责解答客户关于电梯使用、故障排除、维护保养等方面的问题,并提供专业技术建议和指导。
2. 处理技术问题:你将协助客户解决电梯相关的技术问题,包括故障定位、维修指导、零部件更换等,确保电梯运行的顺利和安全。
3. 提供培训和支持:你将负责为公司员工提供电梯技术培训,分享你的专业知识和经验,并提供必要的技术支持。
4. 数据分析和报告:你将协助收集和分析电梯运行数据,定期向管理层提交相关报告,以便更好地了解电梯运行情况并提出改进方案。
你作为公司的电梯技术支持人员,需要具备以下技能和素质:- 扎实的电梯技术知识:熟悉电梯的工作原理、安全要求、故障排除等相关知识,并能够灵活运用于实际工作中。
- 优秀的沟通能力:能够与客户、同事有效地沟通和交流,解答他们的问题并提供满意的解决方案。
- 解决问题的能力:具备快速定位问题、分析原因并提供适当解决方案的能力,以确保电梯在最短时间内恢复正常运行。
- 团队合作意识:能够与其他团队成员密切合作,共同完成工作任务,并为公司的技术支持团队做出积极贡献。
这次任命是对你个人才能和能力的认可,也是对你未来发展的一次机遇。
我们相信你将以专业和负责的态度履行你的职责,并为公司的发展做出积极贡献。
请在收到该任命书后的三个工作日内向公司人力资源部确认你接受该任命,并准备好就职所需的相关材料。
再次祝贺你获得这个职位!希望你在新的职责下取得更大的成就!此致公司名称公司代表签名日期。
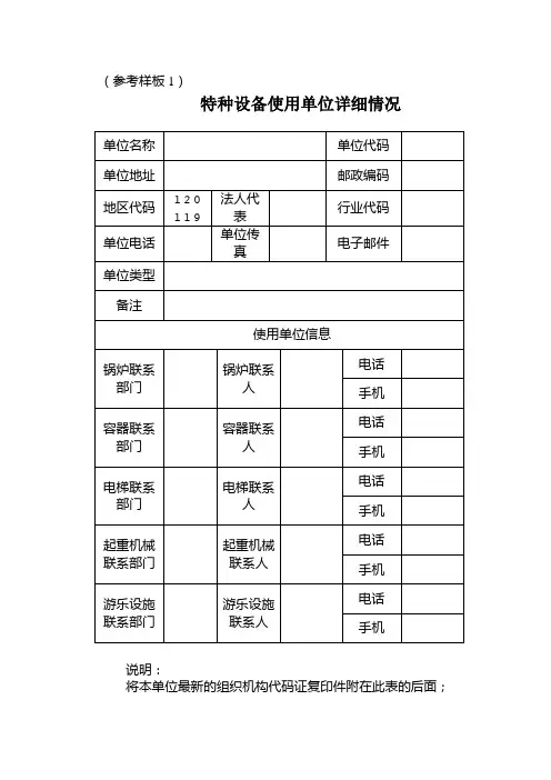
(参考样板1)特种设备使用单位详细情况说明:将本单位最新的组织机构代码证复印件附在此表的后面;(参考样板2)特种设备安全管理机构为确保本单位特种设备的运行安全,特成立特种设备安全管理小组,小组组成人员如下:组长:姓名:职务:联系电话副组长:1、姓名:职务:联系电话2、姓名:职务:联系电话组员:1、姓名:职务:联系电话2、姓名:职务:联系电话……(章)年月日附:特种设备安全管理小组职责:1、严格执行《特种设备安全监察条例》等法律法规的有关检定,制定本单位特种设备安全管理制度和操作规程,建立健全特种设备安全技术档案;2、督促特种设备使用部门及操作人员落实有关安全规定,确保特种设备安全运行;3、组织和指导开展特种设备专项活动;4、定期组织特种设备安全检查,对发现的安全问题制定整改措施并督促有关部门落实整改;5、定期对特种设备作业人员进行特种设备安全教育和培训,保证特种设备作业人员具备必要的特种设备安全作业知识;6、组织制定特种设备的事故应急措施和救援预案,并定期开展演练。
安全生产负责人任命书兹任命为安全生产负责人,依照特种设备管理的有关规定,对本单位特种设备安全工作全面负责。
任期×年。
(章)年月日附:特种设备安全生产负责人主要职责:1.对本企业安全生产工作负直接领导责任,协助法定代表人认真贯彻执行安全生产方针、政策、法规,落实本企业各项安全生产管理制度;2.组织实施本企业中长期、年度、特殊时期安全工作规划、目标及实施计划,组织落实安全生产责任制;3.参与编制和审核施工组织设计、特殊复杂工程项目或专业性工程项目施工方案。
审批本企业工程生产建设项目中的安全技术管理措施,制定施工生产中安全技术措施经费的使用计划;4.领导组织本企业的安全生产宣传教育工作,确定安全生产考核指标。
领导、组织外包工队长的培训、考核与审查工作,5.领导组织本企业定期和不定期的安全生产检查,及时解决施工中的不安全生产问题;6.认真听取、采纳安全生产的合理化建议,保证本企业安全生产保障体系的正常运转,7.在事故调查组的指导下,组织特大、重大伤亡事故的调查、分析及处理中的具体工作。
人员任命书技术负责人任命书公司各部门:经公司管理层会议讨论研究,决定对以下同志进行人事任命,现予以公布:任命_______同志为我检验检测机构的技术负责人,具体职责为:1、正确识别绿色链检测公司的管理体系并参与管理体系的建立,维护技术工作的正常运行;2、协助总经理开展对检测工作的技术管理;3、全面负责技术运作和确保管理体系运作所需技术资源的能力;4、保持和发展技术能力,组织新项目评审;5、落实各项技术管理的具体职责落实管理要求;6、组织相关人员编写、审核,技术负责人批准技术型程序文件并维护其有效性;7、负责技术作业指导文件、技术记录表格、第三层文件的批准及相关体系文件的审核;8、参与合同的评审;9、批准分包合同或协议;10、审核或批准供应品和服务采购申请中的技术内容;11、协助质量负责人开展技术性投诉的调查;12、识别对管理系统的偏离和对检测工作步伐的偏离,展开检测事故的调查,可受权中止、暂停不吻合检测工作,以及批准规复检测工作;13、组织技术性纠正和防备措施的施行;14、参加管理体系内审及管理评审;15、制定员工技术培训计划,负责组织展开员工培训和查核并评价技术方面培训活动的有效性,授权员工的技术工作范围;16、负责建立合格的检测设施和环境,并保持其完好性;17、负责检验人员技术能力和水平及其资格的确认;18、批准允许偏离的申请,批准仪器设备量值溯源计划,批准标准物质报废申请;19、组织有关人员解决检测活动中的技术问题,并保证资源的提供;20、审批年度质量监控计划、参加能力验证计划与实验室间比对计划;21、审批期间核查计划、方案、作业指导书及不确定度报告;以上任命决定自发布之日起即开始执行。
特此通告!总经理签名:(公章)签字日期:质量负责人任命书公司各部门:经公司管理层会议讨论研究,决定对以下同志进行人事任命,现予以公布:任命_______同志为我检验检测机构的质量负责人,具体职责为:1、接受总经理的授权分担绿色链检测公司的检测工作;2、正确识别检测公司的管理系统并参与管理系统的树立;3、负责质量管理体系的正确运行和维护;4、参与《质量手册》的编写,并维护其有效性;5、落实各项质量管理的具体职责和提出管理要求;6、制定管理系统文件宣贯计划,依照计划组织宣贯;7、树立质量文件的管理和控制系统;8、组织人员进行《质量手册》、《程序文件》和其他管理性文件的编写和修订工作,及确保体系文件的有效性;9、识别对管理体系的偏离,组织管理性纠正和预防措施的实施;10、组织展开客户满意度的调查,处置惩罚赞扬;11、制定内审计划,组织开展管理体系内审;12、参加管理评审,有权直接向XXX总经理报告管理体系存在的问题,并编制管理评审报告;13、参与合同的评审;14、制定员工管理类培训计划,负责组织开展员工培训和考核并评价管理方面培训活动的有效性;15、监督施行各项规章制度,和谐成员的关系和人事调配等事宜,和谐各部门工作使之纳入全面质量管理轨道;16、搜检检测人员的检测本领、工作质量;监督各检测室和检测人员按办法标准、施行细则、操纵规程等进行工作;17、负责质量记录格式及质量记录的审核工作及允许偏离申请的审核。
任命书范本10篇任命书范本1于工作职位的任命,这还是一件很严肃的事情,所以很多的单位企业都是会有形式上的一个任命书给予就职人员,这种仪式是不可以跳过不做的,那这任命书要怎么写呢?以下是我为大家整理的任命书范本(精选34篇)任命书范本2公司各项目部、各部门:经公司研究决定,总经理王永坤聘任姚国清同志任亿星商务大厦工程项目经理,黄林国同志任项目技术负责人,卫丽明同志任安全员。
项目部其他人员组建后报公司备案。
特此通知。
法定人签名:(公章)签字日期:任命书范本3经股东选举决定,现任命___________为___________有限公司执行董事、经理,任命_______________为公司监事。
(不设董事会小规模公司用)。
法定人签名:(公章)签字日期:任命书范本4根据《群众公司法》第四十五条、第四十七条、第五十七条、第五十八条及有限公司章程第二十二条、第条、第条、第二十五条、第三十一条的规则,经董事会选举并任命_______同志为_______有限公司董事长,董事长为公司的法定人。
本届董事长任期自公司_______成立之曰起_______年。
本届董事长:_______ 董事会成员签字:_______为适应新形势下公司经营发展需要,经公司管理层会议决议,决定对以下同志进行新的人事任命,现予以公布:一、任命_______同志为事业部总经理,主持事业部的日常工作;二、任命_______同志为事业部副总经理,负债协助总经理完整任务;三、任命_______同志为人事部总经理,主持人事部的日常工作四、任命_______同志为人力资源部经理,主持该部门的日常工作。
以命决定自发布之日起即开始执行。
总经理: (印章)____年____月____日任命书范本5经股东选举决定,现任命___________为珠海___________有限公司的执行董事、经理,任命_______________为公司监事。
(不设董事会的小规模公司用)。
XXXXX维修企业负责人任命书我企业任命XXX同志为我企业维修企业负责人。
执行国家、地方和行业相关法律、法规、规章、标准和规范,依法经营企业。
具体职责:1.负责企业的经营管理工作,对企业的经营和企业的发展全面负责。
2.负责制定企业的各项管理制度,并组织实施。
3.负责设置企业内部管理机构,领导、协调、监督各职能部门的工作。
4.负责建立健全维修质量保证体系,并组织实施。
5.负责建立健全安全生产、环境保护等管理体系,并组织实施。
.维修企业负责人(签字):后附证明材料:具有大专(含)以上文化程度证明材料、具有3年以上的机动车维修企业管理实践。
XXXXXXXX技术负责人任命书我企业任命同志担任技术负责人岗位。
具体职责:1.负责建立和实施企业机动车维修质量保证体系,对质量保证体系进行监控及文件修订。
2.负责制定企业各项技术质量管理制度和工艺文件,并组织实施、检查和修订。
3.负责企业日常技术管理工作,对机动车维修质量负责,组织解决机动车维修中出现的疑难技术问题,对机动车维修质量事故和质量纠纷提出处理意见和改进措施。
4.负责制定本企业技术开发、技术改造、技术革新方案并组织实施,对技术成果组织推广运用。
5.负责制定技术培训计划并组织实施。
6.贯彻执行机动车维修工时定额和收费标准。
技术负责人(签字):后附证明材料:具有机动车维修或相关专业的大专(含)以上学历,或具有机动车维修或相关专业的中级(含)以上专业技术职称。
具有在机动车维修企业 5 年以上的工作实践。
XXXXXXXXX质量检验员任命书我企业任命两名同志担任维修质量检验员岗位。
具体职责:1.负责机动车维修进厂进厂检验,确定维修项目,填写进厂检验单。
2.负责机动车维修过程的质量监控,填写过程检验单,并指导维修人员对维修车辆的故障进行深入诊断。
3.负责机动车维修竣工出厂检验,填写维修竣工出厂检验单,签发维修竣工出厂合格证。
4.协助技术负责人分析处理质量事故和纠纷,提出改进和预防措施,并组织实施。
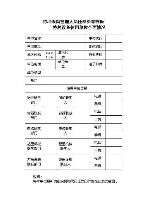
特种设备管理人员任命参考样板特种设备使用单位全面情况说明:将本单位最新的组织机构代码证复印件附在此表的后面;(参考样板2)特种设备安全管理机构为确保本单位特种设备的运行安全,特成立特种设备安全管理小组,小组构成人员如下:组长:姓名:职务:联系电话副组长:1、姓名:职务:联系电话2、姓名:职务:联系电话组员:1、姓名:职务:联系电话2、姓名:职务:联系电话……(章)年月日附:特种设备安全管理小组职责:1、严格执行《特种设备安全监察条例》等法律法规的有关检定,制定本单位特种设备安全管理制度与操作规程,建立健全特种设备安全技术档案;2、督促特种设备使用部门及操作人员落实有关安全规定,确保特种设备安全运行;3、组织与指导开展特种设备专项活动;4、定期组织特种设备安全检查,对发现的安全问题制定整改措施并督促有关部门落实整改;5、定期对特种设备作业人员进行特种设备安全教育与培训,保证特种设备作业人员具备必要的特种设备安全作业知识;6、组织制定特种设备的事故应急措施与救援预案,并定期开展演练。
安全生产负责人任命书兹任命为安全生产负责人,依照特种设备管理的有关规定,对本单位特种设备安全工作全面负责。
任期×年。
(章)年月日附:特种设备安全生产负责人要紧职责:1.对本企业安全生产工作负直接领导责任,协助法定代表人认真贯彻执行安全生产方针、政策、法规,落实本企业各项安全生产管理制度;2.组织实施本企业中长期、年度、特殊时期安全工作规划、目标及实施计划,组织落实安全生产责任制;3.参与编制与审核施工组织设计、特殊复杂工程项目或者专业性工程项目施工方案。
审批本企业工程生产建设项目中的安全技术管理措施,制定施工生产中安全技术措施经费的使用计划;4.领导组织本企业的安全生产宣传教育工作,确定安全生产考核指标。
领导、组织外包工队长的培训、考核与审查工作,5.领导组织本企业定期与不定期的安全生产检查,及时解决施工中的不安全生产问题;6.认真听取、采纳安全生产的合理化建议,保证本企业安全生产保障体系的正常运转,7.在事故调查组的指导下,组织特大、重大伤亡事故的调查、分析及处理中的具体工作。
维修企业负责人任命书我企业任命XXX同志为我企业维修企业负责人。
执行国家、地方和行业相关法律、法规、规章、标准和标准,依法经营企业。
具体职责:1.负责企业的经营管理工作,对企业的经营和企业的开展全面负责。
2.负责制定企业的各项管理制度,并组织实施。
3.负责设置企业内部管理机构,领导、协调、监视各职能部门的工作。
4.负责建立健全维修质量保证体系,并组织实施。
5.负责建立健全平安生产、环境保护等管理体系,并组织实施。
.维修企业负责人〔签字〕:后附证明材料:具有大专〔含〕以上文化程度证明材料、具有3年以上的机动车维修企业管理实践。
XXXX技术负责人任命书我企业任命同志担任技术负责人岗位。
具体职责:1.负责建立和实施企业机动车维修质量保证体系,对质量保证体系进展监控及文件修订。
2.负责制定企业各项技术质量管理制度和工艺文件,并组织实施、检查和修订。
3.负责企业日常技术管理工作,对机动车维修质量负责,组织解决机动车维修中出现的疑难技术问题,对机动车维修质量事故和质量纠纷提出处理意见和改良措施。
4.负责制定本企业技术开发、技术改造、技术革新方案并组织实施,对技术成果组织推广运用。
5.负责制定技术培训方案并组织实施。
6.贯彻执行机动车维修工时定额和收费标准。
技术负责人〔签字〕:后附证明材料:具有机动车维修或相关专业的大专〔含〕以上学历,或具有机动车维修或相关专业的中级〔含〕以上专业技术职称。
具有在机动车维修企业 5 年以上的工作实践。
XXXXXXXXX质量检验员任命书我企业任命两名同志担任维修质量检验员岗位。
具体职责:1.负责机动车维修进厂进厂检验,确定维修工程,填写进厂检验单。
2.负责机动车维修过程的质量监控,填写过程检验单,并指导维修人员对维修车辆的故障进展深入诊断。
3.负责机动车维修竣工出厂检验,填写维修竣工出厂检验单,签发维修竣工出厂合格证。
4.协助技术负责人分析处理质量事故和纠纷,提出改良和预防措施,并组织实施。
项目经理任命书我公司现任命胡朱攀同志担任天喔(福建)食品有限公司5#、6#中转仓库项目工程项目经理,其职责和权限为:一、代表企业实施施工项目管理。
贯彻执行国家法律、法规、方针、政策和强制性标准,指令企业的管理制度,维护企业的合法权益。
二、组织编制项目管理实施规划三、在授权范围内负责与企业管理层、劳务作业层、各协作单位、发包人、分包人和监理工程师等的协调。
解决项目中出现的问题。
处理项目经理部与国家、企业、分包单位以及职工之间的利益分配。
四、对进入现场的生产要素进行优化配置和动态管理。
五、进行现场文明施工管理,发现和处理突发事件。
六、参与工程竣工验收,准备结算资料和分析总结。
接受审计、协助企业进行项目的检查、鉴定和评奖申报、七、经授权组建项目经理部确定项目经理的组织结构,选择、聘任管理人员,确定管理人员的职责,并定期进行考核、评价和奖惩。
八、按照企业的规定选择、使用作业队伍。
主持项目经理部工作,组织制定施工项目的各项管理制度,协调和处理与施工项目管理有关的内容与外部事项、九、认真贯彻执行国家有关安全生产的方针、政策、法令、法规,严格执行《建设工程安全管理条例》,消除安全隐患,避免重大事故的发生。
德持建设集团有限公司(公章)项目技术负责人任命书我公司现任命卫杰同志担任天喔(福建)食品有限公司5#、6#中转仓库项目工程技术负责人,其职责和权限为:一、贯彻执行质量方针和质量目标。
二、负责组织《施工组织设计》的编写审核工作。
三、负责组织贯彻施工组织施工验收规范,操作规程,质量检验标准和有关技术规定,并对项目经理负责。
四、全服负责本工程项目的技术管理工作,对工程负责检查、监督、指导和把关的责任,领导工地技术员、质检员的工作。
五、组织项目部技术管理人员熟悉图纸、规范、标准和技术规定,参加图纸会审及重要单项工程的技术交底工作,负责审查设计变更和技术会议纪要。
六、组织技术会议及施工方案的讨论,负责新技术、新材料、新工艺的实验推广。
电梯安全检查人员任命书
根据公司对电梯安全管理的要求,为了保障员工和客户的安全,特任命以下人员负责进行电梯安全检查工作:
任命人员信息
职责和权限
1. 张三和李四将负责每月对公司所属建筑物中的电梯进行安全
检查。
2. 他们将检查电梯的机械部件、电气设备、紧急制动器、安全
门等关键部位,确保其正常运行和安全性。
3. 他们有权对电梯进行必要的维修、调整和封存,以确保电梯
符合安全标准。
4. 他们有权向公司领导汇报检查结果和提出必要的改进建议。
5. 他们应时刻关注电梯安全,及时采取措施排除潜在的安全隐患。
任命生效
该任命自即日起生效,持续有效期为一年。
在此期间,张三和李四应认真履行职责,积极维护电梯安全。
公司将为他们提供必要的培训和支持,确保他们对电梯安全检查流程和技术要求有深入的了解。
签字确认
公司负责人:
___________________
日期:_________________
任命人员:
___________________
日期:_________________。
工程项目技术负责人任命书恭敬的工程项目技术负责人:根据公司的安排和您在工程项目方面的丰富经验与专业知识,经过子细考虑和评估,我们决定任命您为本次工程项目的技术负责人。
您的职责将包括项目技术管理、技术方案制定、质量控制等方面的工作。
一、职责描述作为工程项目技术负责人,您将承担以下职责:1. 负责项目技术管理:组织并指导项目技术团队,制定技术管理方案,确保项目技术工作按时、高质量完成。
2. 技术方案制定:负责制定项目的技术方案,包括技术设计、施工方案等,确保方案符合项目要求和技术标准。
3. 质量控制:负责项目的质量控制工作,制定并执行质量管理计划,确保项目的施工质量达到要求。
4. 技术问题解决:及时解决项目中浮现的技术问题和难题,协调各方资源,保证项目技术的顺利推进。
5. 技术支持与培训:为项目团队提供技术支持与培训,提升团队的技术能力和素质。
二、任命理由我们选择您作为本次工程项目的技术负责人,有以下几个主要原因:1. 丰富的工程项目经验:您在工程项目领域积累了丰富的经验,熟悉项目管理流程和技术要求,具备较强的项目执行能力。
2. 专业的技术知识:您具备扎实的技术知识和专业背景,熟悉相关技术标准和规范,能够制定科学合理的技术方案。
3. 出色的团队管理能力:您在以往的工作中展现出出色的团队管理能力和协调能力,能够有效组织和指导团队成员,推动项目顺利进行。
三、工作要求作为工程项目技术负责人,我们希翼您能够满足以下工作要求:1. 具备良好的沟通能力:能够与项目团队、相关部门和合作火伴保持良好的沟通,及时解决问题,协调推进项目发展。
2. 具备较强的组织能力:能够合理安排项目工作,制定详细的工作计划,确保项目按时、高质量完成。
3. 具备较强的学习能力:能够不断学习和更新技术知识,关注行业发展动态,提升自身的专业素质和技术水平。
4. 具备团队合作精神:能够与项目团队密切合作,促进团队协作,共同完成项目目标。
四、任命生效时间和期限您的任命将于XX年XX月XX日生效,任期为XX个月。
技术负责人任命书公司各部门:经公司管理层会议讨论研究,决定对以下同志进行人事任命,现予以公布:任命_______同志为我检验检测机构的技术负责人,具体职责为:1、正确识别绿色链检测公司的管理体系并参与管理体系的建立,维护技术工作的正常运行;2、协助总经理开展对检测工作的技术管理;3、全面负责技术运作和确保管理体系运作所需技术资源的能力;4、保持和发展技术能力,组织新项目评审;5、落实各项技术管理的具体职责落实管理要求;6、组织相关人员编写、审核,技术负责人批准技术型程序文件并维护其有效性;7、负责技术作业指导文件、技术记录表格、第三层文件的批准及相关体系文件的审核;8、参与合同的评审;9、批准分包合同或协议;10、审核或批准供应品和服务采购申请中的技术内容;11、协助质量负责人开展技术性投诉的调查;12、识别对管理体系的偏离和对检测工作程序的偏离,开展检测事故的调查,可受权中止、暂停不符合检测工作,以及批准恢复检测工作;13、组织技术性纠正和预防措施的实施;14、参加管理体系内审及管理评审;15、制定员工技术培训计划,负责组织开展员工培训和考核并评价技术方面培训活动的有效性,授权员工的技术工作范围;16、负责建立合格的检测设施和环境,并保持其完好性;17、负责检验人员技术能力和水平及其资格的确认;18、批准允许偏离的申请,批准仪器设备量值溯源计划,批准标准物质报废申请;19、组织有关人员解决检测活动中的技术问题,并保证资源的提供;20、审批年度质量监控计划、参加能力验证计划与实验室间比对计划;21、审批期间核查计划、方案、作业指导书及不确定度报告;以上任命决定自发布之日起即开始执行。
特此通告!总经理签名:(公章)签字日期:质量负责人任命书公司各部门:经公司管理层会议讨论研究,决定对以下同志进行人事任命,现予以公布:任命_______同志为我检验检测机构的质量负责人,具体职责为:1、接受总经理的授权分管绿色链检测公司的检测工作;2、正确识别检测公司的管理体系并参与管理体系的建立;3、负责质量管理体系的正确运行和维护;4、参与《质量手册》的编写,并维护其有效性;5、落实各项质量管理的具体职责和提出管理要求;6、制定管理体系文件宣贯计划,按照计划组织宣贯;7、建立质量文件的管理和控制体系;8、组织人员进行《质量手册》、《程序文件》和其他管理性文件的编写和修订工作,及确保体系文件的有效性;9、识别对管理体系的偏离,组织管理性纠正和预防措施的实施;10、组织开展客户满意度的调查,处理投诉;11、制定内审计划,组织开展管理体系内审;12、参加管理评审,有权直接向绿色链检测公司总经理报告管理体系存在的问题,并编制管理评审报告;13、参与合同的评审;14、制定员工管理类培训计划,负责组织开展员工培训和考核并评价管理方面培训活动的有效性;15、监督实施各项规章制度,协调成员的关系和人事调配等事宜,协调各部门工作使之纳入全面质量管理轨道;16、检查检测人员的检测能力、工作质量;监督各检测室和检测人员按方法标准、实施细则、操作规程等进行工作;17、负责质量记录格式及质量记录的审核工作及允许偏离申请的审核。
工程项目技术负责人任命书恭敬的XXX先生/女士:根据公司的决定,您被任命为XXX工程项目的技术负责人。
您的任命将于XX年XX月XX日生效,任期为XX年。
一、职责和权力作为技术负责人,您将负责指导和管理工程项目的技术工作,确保项目按时、按质、按量完成。
具体职责和权力如下:1. 确定项目技术方案:根据项目需求和公司要求,制定项目的技术方案,并与相关部门进行沟通和协调,确保方案的可行性和有效性。
2. 技术指导和支持:为项目团队提供技术指导和支持,解决技术难题,确保项目发展顺利。
与项目经理密切合作,协调各个技术分支部门,确保项目的整体技术方向一致。
3. 资源管理:负责项目技术资源的合理安排和管理,包括人力、物力、财力等方面的资源。
确保项目所需资源的及时供应,以保证项目的正常进行。
4. 技术评估和风险控制:对项目技术方案进行评估和风险控制,及时发现和解决潜在的技术问题,确保项目的顺利进行。
5. 技术培训和团队建设:组织和开展相关的技术培训,提高团队成员的技术水平和综合素质。
同时,积极推动团队建设,营造良好的工作氛围。
二、任期和绩效考核您的任期为XX年,期满后将进行绩效考核。
绩效考核将根据您在任期内的工作表现和成果进行评估,评估结果将作为您继续任职的重要依据。
三、待遇和福利您将享受与您的职位和责任相匹配的薪资和福利待遇。
具体待遇将根据公司的相关规定执行,并与您签订正式的劳动合同。
四、保密义务作为技术负责人,您将接触到公司的商业机密和技术秘密。
您必须严格遵守公司的保密制度,保护公司的利益和机密信息。
在任期内和离职后,您都必须保持对公司机密信息的保密。
五、其他事项1. 您在履行职责过程中,应遵守公司的各项规章制度和工作要求,严格遵守法律法规,维护公司的形象和声誉。
2. 如有工作需要调动或者其他变动,将根据公司的安排进行调整,并及时通知您。
3. 本任命书一式两份,您和公司各保留一份,具有同等法律效力。
请您在收到本任命书后,签字确认,并将一份副本交回公司。
电信装维人员任命书模板电信装维人员任命书模板1. 前言在电信行业中,装维人员起着至关重要的作用。
他们负责维护和修复电信网络设施,确保网络的正常运行,以及及时处理客户报修的问题。
装维人员被认为是电信运营商中不可或缺的一部分,他们的工作精细且专业,直接影响到客户的满意度以及整个电信行业的发展。
2. 任命背景在某一特定项目或时期,我们需要任命一位装维人员来负责相关工作。
根据您在应聘中所表现出的专业素养、技能水平以及对工作的热情,我们很高兴地选择了您来担任这一职位。
经过严密的评估和选拔,您被认为是最适合这个职位的人选,并且有能力胜任这一重要的角色。
3. 任务描述作为装维人员,您将承担以下任务:- 负责对电信网络设备的安装、维修和调试。
- 处理客户报修,并快速解决网络问题,以确保网络运行的稳定性。
- 定期巡检电信设施,检查设备的运行状况,及时发现并修复潜在的问题。
- 配合相关部门进行巡检和维护计划的制定,并按计划进行安排和实施。
- 参与团队培训和知识共享,不断提升自身技术水平,保持行业领先地位。
4. 个人观点和理解装维人员的工作固然重要,但也需要面对一定的挑战。
由于电信设备和技术的不断更新换代,装维人员需要不断学习和适应新的技术,保持敏锐的触角。
装维人员需要具备良好的沟通能力,与客户保持良好的合作关系,了解和解决他们的问题。
装维人员还需要具备高效的工作能力和解决问题的能力,以及扎实的电子技术知识和维修经验。
5. 总结随着电信行业的不断发展和普及,装维人员的任命变得越来越重要。
他们的工作直接关系到网络服务的质量和客户的满意度。
通过合适的任命,我们相信您将能够胜任装维人员的职责,并为我们公司的发展做出贡献。
作为电信装维人员,您将面对许多挑战,但同时也将拥有无限的发展机会。
我们对您的加入感到非常期待,并相信您将成为我们团队中不可或缺的一员。
感谢您对我们公司的信任和支持!希望您能在这个岗位上取得成功,并且为行业发展做出重要贡献!祝愿您在未来的工作中取得更大的成就!1. 电信装维人员的重要性电信装维人员是电信行业中不可或缺的一环,他们的工作直接关系到网络服务的质量和用户体验。
车辆维修人员任命书模板本任命书由[公司名称]颁发,编号为[任命书编号],日期为[颁发日期]。
一、任命书对象1.1 姓名:[任命书对象姓名]1.2 职务:[任命书对象职务]二、任命书所涉及的车辆维修人员职位2.1 职位:[任命书所涉及的车辆维修人员职位,如:车辆维修工程师,车辆维修技师等]三、任命书有效期3.1 本任命书自[开始日期]起至[结束日期]止有效。
四、维修人员的职责与权限4.1 职责:4.1.1 负责公司车辆的日常维护和保养;4.1.2 负责车辆故障的诊断与维修;4.1.3 按照公司规定完成各项维修任务;4.1.4 配合其他部门完成相关工作。
4.2 权限:4.2.1 对公司车辆的维修具有建议权和执行权;4.2.2 对外代表公司处理与维修相关的业务。
五、维修人员的薪酬与福利5.1 薪酬:根据个人能力和工作表现,按照公司规定支付[具体薪酬水平]。
5.2 福利:[具体福利内容,如:五险一金、年终奖、节日福利等]六、维修人员的考核与评价方式6.1 考核:每季度进行一次工作考核,主要考核内容包括工作质量、工作效率、客户满意度等。
6.2 评价:由上级领导根据考核结果对维修人员进行综合评价,并提出改进意见。
七、任命书的变更与撤销条件7.1 变更:如需变更任命书内容,需提前向公司申请,经批准后方可执行。
7.2 撤销:如有下列情况之一,本任命书将被撤销:7.2.1 违反公司规定或国家法律法规;7.2.2 不胜任所任职位,经调整后仍不能胜任;7.2.3 因不可抗力因素导致不能继续履行职责。
八、其他注意事项与声明:8.1 本任命书是公司对维修人员的正式授权,请认真阅读并遵守相关规定。
8.2 在执行职责过程中,如遇到问题或需要协助,请及时与上级领导或相关部门沟通。
电梯安装、维修质保体系任命书技术负责人: XXX主要职责:一、组织项目部技术人员编制单位工程的施工组织设计与施工方案,并进行审批。
二、组织并会同项目部技术人员进行工程的图纸会审工作,技术核定工作。
三、检查、督促项目部技术人员技术质量资料的整理工作,保证资料整理的真实性、及时性、完整性。
四、帮助项目部技术人员解决工程当中的技术问题,对一般技术问题作出处理方案,对疑难问题上报公司技术部,由技术部会同总工程师作出处理意见或处理方案。
五、对关键、特殊工序以及易产生质量通病的工序进行技术交底,作到事前预防、事中控制、事后监督。
六、负责审核项目部上报的分部或分项工程施工方案。
七、组织项目部的技术人员学习贯彻有关标准、规范、规程和建设工程强制性条文。
贯彻执行公司下达的各项管理制度。
八、负责项目部上报的竣工资料的初审工作,初审合格上报公司技术部。
九、组织项目部技术人员绘制竣工图。
十、检查项目部施工组织设计与技术交底的执行情况,对不符合要求的提出整改措施。
十一、负责对项目部工程技术人员的考核。
焊接责任人: XXX主要职责:一、负责焊接质量控制系统的建立、运转、改进和提高工作,并定期向技术责任人汇报工作,对焊接系统的质量控制负全责。
二、参加编制、修订并负责贯彻《质量手册》中焊接质量控制系统的有关文件。
三、编审特种设备制造焊接工艺试验和焊接工艺评定方案,指导并参加焊接工艺评定工作,审核焊接工艺指导书和焊接工艺评定报告。
四、负责焊接工艺的审核,保证焊接工艺的正确性与合理性。
监督焊接工艺的执行,指导现场施焊中遇到的焊接技术问题;监督产品焊接试板的管理。
五、负责焊工的管理,包括焊工培训、施焊资格、焊工业绩登记等。
六、向技术负责人汇报工作,衔接并协调焊接质量控制系统与整个质量体系的管理工作;七、负责焊接材料的代用批准及其他材料代用的会签工作。
八、负责监督、指导焊材的保管、烘干、发放等管理工作。
计量责任人: XXX主要职责:一、认真学习掌握业主有关工程计量规定和要求,准确详细进行计量,并整理齐备的有关计量各项资料按时进行计量。
公司特种设备安全管理责任人员任命书
为了加强对特种设备使用管理、安全监督、维修养护等工作,保障职工群众生命和企业财产安全,认真贯彻执行《特种设备安全监察条例》及《关于征求﹤特种设备安全管理评价细则﹥(征求意见稿)意见的通知》(X质监特函[2019]233号)和单位各项特种设备管理制度,确保特种设备安全运行,决定由履行本单位特种设备安全日常安全管理职责,并对管理责任人员做如下任命:
1.特种设备安全管理负责人:
2.特种设备安全教育责任人:
3.特种设备管理制度责任人:
4.特种设备档案管理责任人:
5.特种设备维护保养责任人:
本任命自下发之日起执行。
使用单位主要负责人:
二0××年月日。
各人员任命书施工员质检员等文档编制序号:[KKIDT-LLE0828-LLETD298-POI08]项目经理任命书编号:我代表融水县建筑工程公司 ,兹任命王若谷先生担任融江水岸工程部的项目经理,其职责和权限为:1.代表企业实施施工项目管理。
贯彻执行国家法律、法规、方针、政策和强制性标准,执行企业的管理制度,维护企业的合法权益。
2.组织编制项目管理实施规划。
3.在授权范围内负责与企业管理层、劳务作业层、各协作单位、发包人、分包人和监理工程师等的协调,解决项目中出现的问题。
处理项目经理部与国家、企业、分包单位以及职工之间的利益分配。
4.对进入现场的生产要素进行优化配置和动态管理。
5.进行现场文明施工管理,发现和处理突发事件。
6.参与工程竣工验收,准备结算资料和分析总结,接受审计。
协助企业进行项目的检查、鉴定和评奖申报。
7.经授权组建项目经理部确定项目经理部的组织结构,选择、聘任管理人员,确定管理人员的职责,并定期进行考核、评价和奖惩。
8.按照企业的规定选择、使用作业队伍。
主持项目经理部工作,组织制定施工项目的各项管理制度,协调和处理与施工项目管理有关的内部与外部事项。
总经理签名:(公章)签字日期:2011年9月20日施工员任命书我代表融水县建筑工程公司 ,兹任命陈越秀先生担任融江水岸工程部的施工员,其职责和权限为:一、学习、贯彻执行国度和建立行政管理部门颁发的建立法律、标准、规程、技术规范;熟习根本建立程序、施工程序和施工规律,并在实践工作中详细运用。
二、熟习建立工程构造特征与关键部位,控制施工现场的四周环境、社会(含拆迁等)和经济技术条件;担任本工程的定位、放线、抄平、沉降观测记载等。
三、熟习检查图纸及有关材料,参与图纸会审;参与施工预算编制;编制月度施工作业方案及资源方案。
四、严厉执行工艺规范、验收和质量验评规范,以及各种专业技术操作规程,制定质量、平安等方面的措施,严厉依照图纸、技术规范、施工组织设计停止施工,经常停止催促检查;参与质量检验评定;参与质量事故调查。
XXXXX
维修企业负责人任命书
我企业任命XXX同志为我企业维修企业负责人。
执行国家、地方和行业相关法律、法规、规章、标准和规范,依法经营企业。
具体职责:
1.负责企业的经营管理工作,对企业的经营和企业的发展全面负责。
2.负责制定企业的各项管理制度,并组织实施。
3.负责设置企业内部管理机构,领导、协调、监督各职能部门的工作。
4.负责建立健全维修质量保证体系,并组织实施。
5.负责建立健全安全生产、环境保护等管理体系,并组织实施。
.
维修企业负责人(签字):
后附证明材料:具有大专(含)以上文化程度证明材料、具有3年以上的机动车维修企业管理实践。
XXXX
XXXX
技术负责人任命书
我企业任命同志担任技术负责人岗位。
具体职责:1.负责建立和实施企业机动车维修质量保证体系,对质量保证体系进行监控及文件修订。
2.负责制定企业各项技术质量管理制度和工艺文件,并组织实施、检查和修订。
3.负责企业日常技术管理工作,对机动车维修质量负责,组织解决机动车维修中出现的疑难技术问题,对机动车维修质量事故和质量纠纷提出处理意见和改进措施。
4.负责制定本企业技术开发、技术改造、技术革新方案并组织实施,对技术成果组织推广运用。
5.负责制定技术培训计划并组织实施。
6.贯彻执行机动车维修工时定额和收费标准。
技术负责人(签字):
后附证明材料:具有机动车维修或相关专业的大专(含)以上学历,或具有机动车维修或相关专业的中级(含)以上专业技术职称。
具有在机动车维修企业 5 年以上的工作实践。
XXXXX
XXXX
质量检验员任命书
我企业任命两名同志担任维修质量检验员岗位。
具体职责:1.负责机动车维修进厂进厂检验,确定维修项目,填写进厂检验单。
2.负责机动车维修过程的质量监控,填写过程检验单,并指导维修人员对维修车辆的故障进行深入诊断。
3.负责机动车维修竣工出厂检验,填写维修竣工出厂检验单,签发维修竣工出厂合格证。
4.协助技术负责人分析处理质量事故和纠纷,提出改进和预防措施,并组织实施。
5.配合业务员完成机动车或总成维修进厂和竣工出厂的交接工作。
6.负责对机动车配件的质量进行监控。
7.负责指导和培训相关人员对机动车维修质量进行检验。
维修质量检验员(签字):
后附证明材料:具有高中(含)以上学历,获得机修人员或电器维修人员职业资格并连续在该岗位工作2年以上及具有与本企业承修车型相适应的机动车驾驶证,并安全驾驶1年以上。
、
XXXX
XXXXXXX
机修人员任命书
我企业任命同志担任机修岗位。
具体职责:1.在生产过程中执行安全操作规程,按工艺规范正确完成机动车机械及其控制系统的维修作业。
2.协助质量检验员工作,对机修质量负责。
3.指导本岗位其他人员的技术操作。
4.配合协调其他岗位的工作。
5.负责本岗位技术问题的收集、整理和上报。
6.负责本岗位的现场管理。
机修人员(签字):
后附证明材料:具有初中(含)以上文化程度证明材料,连续从事机修工作3年以上,或本专业中职毕业连续从事机修工作2年以上,或本专业高职(含)以上毕业连续从事机修工作1年以上。
XXXXXXX
聊城润泓汽车销售服务有限公司
电器维修人员任命书
我企业任命同志担任电器维修岗位。
具体职责:1.负责机动车电器系统的检测诊断和维修作业。
2.在生产过程中执行安全操作规程,按工艺规范正确完成机动车电器系统的维修作业。
3.协助质量检验员工作,对机动车电器维修质量负责。
4.指导本岗位其他人员的技术操作。
5.配合协调其他岗位的工作。
6.负责本岗位技术问题的收集、整理和上报。
7.负责本岗位的设备的日常管理。
8.负责本岗位的现场管理。
电器维修人员(签字):
后附证明材料:具有初中(含)以上文化程度证明;连续从事机动车电器维修工作3年以上,或本专业中职毕业连续从事机动车电器维修工作2年以上,或本专业高职(含)以上毕业连续从事机动车电器维修工作1年以上。
XXXXXX
XXXXXX
钣金(车身修复)人员任命书
我企业任命同志担任钣金(车身修复)岗位。
具体职责:1.负责制定合理的车身修复工艺方案并实施车身修复作业。
2.配合协调其他岗位的工作。
3.指导本岗位其他人员的技术操作。
4.协助质量检验员工作,对车身修复质量负责。
5.负责本岗位技术问题的收集、整理和上报。
6.负责本岗位设备的日常管理、使用与维护。
7.负责本岗位的现场管理。
钣金(车身修复)签字:
后附证明材料:具有初中(含)以上文化程度证明材料,连续从事车身修复工作3年(含)以上,或相关专业中职毕业连续从事车身修复工作2年以上,或相关专业高职毕业连续从事车身修复工作1年以上。
XXXX
XXXX
涂漆(车身涂漆)人员任命书
我企业任命同志担任涂漆(车身涂漆)岗位。
具体职责:负责制定合理的车身涂装工艺方案并实施车身涂装作业。
4.7.1.2 配合协调其他岗位的工作。
4.7.1.3 指导本岗位其他人员的技术操作。
4.7.1.4 协助质量检验员工作,对车身涂装质量负责。
4.7.1.5 负责本岗位技术问题的收集、整理和上报。
4.7.1.6 负责本岗位的设备的日常管理。
4.7.1.7 负责本岗位的现场管理。
涂漆(车身涂漆)签字:
后附证明材料:具有初中(含)以上文化程度证明材料,连续从事车身涂装工作3年(含)以上,或相关专业中职毕业连续从事车身涂装工作2年以上,或相关专业高职毕业连续从事车身涂装工作1年以上。
XXXX
XXXX
车辆技术评估人员任命书
我企业任命同志担任车辆技术评估岗位。
具体职责:1.严格执行国家检测标准,把好质量关。
2. 负责实施机动车技术性能检测,对检测的机动车做出技术状态的评定。
3.负责向委托单位提供技术咨询,并提供客观真实的检测数据。
4.检测有疑问的车辆进行复检,对发生的检测质量问题及时处理解决。
后附证明材料:具有机动车维修或相关专业的高中(含)以上文化程度证明材料,具有机动车检测站连续3年以上的工作实践,具有相应机动车驾驶证,且2年以上驾龄。
XXXX
XXXX
维修业务员任命书
我企业任命同志担任维修业务员岗位。
具体职责:1.负责机动车维修业务接待工作。
2.负责对报修车辆进行初步诊断、估算维修费用、签订维修合同。
3.负责跟踪检查维修过程、维修进度和维修质量。
4.协助质量检验员对车辆进行竣工检查验收和车辆移交工作,协助办理维修费用结算手续。
5.负责客户的跟踪服务,建立和管理客户档案,接待及协助处理客户投诉。
后附证明材料:具有机动车维修专业中职(含)以上的文化水平,两年以上机动车维修工作经验,有机动车驾驶证。
维修业务员(签字):
XXXX
_
XXX
价格结算人员任命书
我企业任命同志担任价格结算人员岗位。
具体职责:
1.执行国家、地方有关汽车维修价格的政策和标准。
2.负责机动车维修价格的核算和结算。
后附证明材料:具有高中以上(含高中)文化程度,具有在机动车维修企业2年以上工作实践。
结算人员(签字):
XXXX。