人货电梯和卸料平台工字钢埋设交底75页PPT
- 格式:ppt
- 大小:6.45 MB
- 文档页数:75
人货电梯装卸拆工程安全技术交底随着城市的发展和建设,各类高层建筑和商业中心林立。
在这些建筑物中,电梯已经成为一个不可或缺的交通工具。
人货电梯是现代生活不可缺少的部分,在工程安全方面的要求也逐渐提高,安全交底也变得尤为重要。
本文主要讲述了人货电梯装卸拆工程安全技术交底的要点和细节,以确保人货电梯在装卸拆过程中的安全性。
1. 前期准备在进行人货电梯的装卸拆工程前,首先需要熟悉电梯的相关结构和工作原理。
在理解了其基本结构之后,需要进行严格的安全培训,明确操作流程和注意事项,以确保工作人员操作时的安全。
在许多情况下,需要先对电梯进行拆卸。
拆卸之前需要进行严格的检查和评估,确保拆卸前的安全性。
2. 材料准备在进行人货电梯的装卸拆工程时,需要准备的基本材料有:•专用工具:例如拆卸工具、电钻、扳手等。
•安全设备:如安全带、头盔、鞋子等。
•工作区的人员防护措施:如防护网、围栏等。
在选择专用工具时,需要根据电梯的种类和维修需求来进行选择。
在选择安全设备时,需要确保其能够确保工作人员的身体安全。
3. 操作要点3.1 电源关断在进行装卸拆工程之前,需要先停止电梯的电源供应。
在进行拆卸工程时,需要先对电源进行拆卸或遮盖,以确保工作人员的安全。
3.2 拆卸电缆在进行电梯的拆卸工程之前,需要先拆卸电缆。
拆卸电缆时,需要进行标记,以免在后续的工作中出现混淆。
3.3 拆卸轿厢拆卸轿厢时,需要遵循以下准则:•先使用专用工具卸下轿厢底板。
在离开电梯前,要确保将底板编号。
•连接轿门和驾驶仓的钢缆,只能通过特定工具进行拆卸。
•拆卸轿门时,一定要遵循工作人员之间的配合,以保证人员安全。
3.4 拆卸驾驶仓在拆卸驾驶仓时,要注意以下准则:•如果有电缆连接驾驶仓和电梯顶部,必须在拆卸电缆之前进行拆卸。
•进行诊断玻璃时必须注意安全防护,以防止玻璃的裂纹和碎片飞散。
3.5 拆卸主机室在进行主机室的拆卸时,需要遵循以下准则:•先断开电源,并使用特定工具打开主机室门。
卸料平台安全施工方案第一部分:工程概况工程名称:西环商贸中心8#、9#楼建设单位:安徽政和致业投资有限公司建设地点:黄山路与潜山路交口设计单位:岳阳建筑设计院施工单位:监理单位:外架分包单位:该建筑物为30层框剪结构,总建筑面积:20644.7m2,层高为2.9m,建筑高度为99.3m,建筑宽度为17.175m,建筑长度为67.855m。
第二部分:卸料平台搭设方法及计算1、概述:卸料平台搭设位置根据施工现场的要求设置,卸料平台平面与楼板面平齐。
其用途主要是接受垂直提升机运往高处的材料等无法直接运至室内,或将作业面上的物体等运往地面。
该料台设计总长度5m,宽度为1.9m,外挑长度为4m。
卸料平台材料选用主梁[16a 号槽钢,次梁为[14a号槽钢。
2、搭设方法:主梁槽钢采用4根,放置与卸料平台的外围,2根6m,2根1.9m。
次梁槽钢放置,纵横向在卸料平台中间部位各一根,纵向长3.8m,横向长为1.9m,分开于纵向焊接牢固。
主梁和次梁槽钢都应立面焊接,外围槽钢槽口向内,次梁应焊在主梁槽口内上口。
在槽钢主梁上面焊¢48钢管20cm高的立柱间距按38cm均匀布置,在卸料平台上面在设置横向¢48钢管填芯杆,填芯杆端头与¢48钢管20cm高的立柱用扣件扣牢。
分别在填芯杆方向每隔三根钢管填芯杆位置用铁丝绑一根5*10cm方木,在填芯杆及方木上面铺设木工板用元钉与方木钉牢。
在卸料平台的主槽钢梁伸进楼面2m的位置的下口用[14a号槽钢高度为10cm焊接一个挡板,以防在安装卸料平台或斜拉钢丝绳时,卸料平台整体向楼内滑动。
钢丝绳的设置,在卸料平台外围侧面的二根主槽钢梁的侧面焊接钢丝绳吊环,每边焊两个吊环。
第一道吊环在离外挑槽钢端头0.5m位置,第二道吊环在离外挑槽钢端头2m 的位置。
在2个吊环的位置安装好2根长度合适的¢20的钢丝绳,用钢丝绳卡扣扣紧。
吊挂于上两层的楼面预埋的吊环上,料台安装时应给室内提供5-10cm。
人货电梯技术交底咱今天就来好好唠唠这人货电梯的技术交底,这可是个大事儿!前几天,我去一个建筑工地转悠,正好碰上他们在安装人货电梯。
那场面,真是热火朝天!工人们忙前忙后,各种工具、零件摆了一地。
我就在旁边看着,越看越觉得这人货电梯的安装可不简单。
咱先说说这人货电梯的基础部分。
这就好比盖房子打地基,得扎实!基础的尺寸、强度那都得严格按照设计要求来。
要是基础没弄好,后面可就麻烦大了。
比如说,基础不牢固,电梯运行起来可能会晃动,那多吓人呐!再讲讲电梯的结构组件。
这一个个的零部件可都有讲究,就拿导轨来说吧,得保证笔直平滑,要是导轨歪歪扭扭的,电梯上升下降的时候能顺畅吗?肯定不行啊!还有那些连接件,螺丝啥的,一个都不能松,必须拧紧拧牢,不然指不定啥时候就出问题。
说到电气系统,那也是关键中的关键。
电线的铺设要规整,不能乱拉乱扯,不然看着就跟蜘蛛网似的,不仅不美观,还容易出故障。
控制按钮得灵敏可靠,别按半天没反应,那不是耽误事儿嘛。
还有安全装置,这可是重中之重!限速器、安全钳,那都得定期检查调试,确保在关键时刻能发挥作用。
我就听说过有个工地,因为安全装置没弄好,电梯出故障急速下坠,好在最后人没啥大事,可把大家吓得够呛。
在使用人货电梯的时候,也有不少要注意的。
每次使用前,得先检查一遍,看看有没有异常。
装货的时候,可别超重,别以为多装一点没事,超重了电梯运行起来可费劲了,还容易出危险。
而且货物得摆放整齐,不能一边重一边轻,不然电梯容易失衡。
操作人员也得经过专门的培训,得熟悉各种操作流程和应急措施。
不能随便找个啥都不懂的人就来开电梯,那不是瞎搞嘛。
最后,维护保养可不能马虎。
就像咱们的车一样,定期保养才能跑得顺溜。
人货电梯也一样,要定期给它做做“体检”,该加油的加油,该换零件的换零件。
总之,这人货电梯的技术交底可不是闹着玩的,每一个环节都得认真对待,一点都不能马虎。
只有这样,才能保证电梯安全可靠地运行,让咱们的施工顺利进行。
一、交底目的为确保人货梯的安全使用,预防事故发生,提高操作人员的安全意识,特制定本安全技术交底。
二、交底内容1. 人货梯的基本知识(1)人货梯的组成:包括基础、立柱、平台、导轨、传动装置、电气控制系统等。
(2)人货梯的分类:按用途分为载货梯和载人梯;按驱动方式分为电动梯、液压梯等。
(3)人货梯的适用范围:主要用于建筑施工、设备安装、高空作业等领域。
2. 人货梯操作前的安全检查(1)检查基础是否牢固,地面是否有积水、油污等杂物。
(2)检查立柱、平台、导轨等部件是否完好,连接是否牢固。
(3)检查电气控制系统是否正常,电缆、线路是否完好。
(4)检查吊笼、平台等部件的防坠安全器是否灵敏可靠。
(5)检查液压系统(如有)是否泄漏,油质是否合格。
3. 人货梯操作过程中的安全注意事项(1)操作人员必须经过专业培训,取得操作资格证书。
(2)操作人员应熟悉人货梯的操作规程,掌握紧急停机、救援等应急处理方法。
(3)操作过程中,严禁超载使用,吊笼内人数和载重量应符合规定。
(4)严禁站在吊笼边缘、平台边缘等危险部位,不得擅自打开防护栏。
(5)操作过程中,如发现异常情况,应立即停止使用,报告相关人员处理。
4. 人货梯操作后的安全措施(1)操作完毕后,应将吊笼降回地面,切断电源。
(2)清理现场,确保无杂物、油污等。
(3)对设备进行日常保养,检查各部件的磨损情况,及时更换易损件。
(4)定期对设备进行检验、检测,确保设备处于良好状态。
三、安全责任1. 操作人员:负责人货梯的安全操作,遵守操作规程,确保自身和他人的安全。
2. 维护人员:负责设备的日常保养、维修,确保设备处于良好状态。
3. 监督人员:负责对设备的使用情况进行监督检查,确保操作人员遵守安全规定。
四、交底时间本安全技术交底自发布之日起生效,有效期为一年。
五、附则1. 本安全技术交底如有未尽事宜,可由相关责任单位补充、修订。
2. 本安全技术交底的解释权归施工单位所有。
【注】:以上模板仅供参考,具体内容可根据实际情况进行调整。
一、交底目的为确保人货梯在安装与拆除过程中的安全,避免事故发生,特制定本安全技术交底,对施工人员进行详细的安全技术培训。
二、交底对象所有参与人货梯安装与拆除的施工人员。
三、交底时间(具体时间,如:2023年X月X日)四、交底内容1. 人货梯的基本知识(1)人货梯的定义:人货梯是一种用于垂直运输货物和人员的起重机械。
(2)人货梯的组成:主要包括架体、导轨、驱动装置、安全装置、电气控制系统等。
2. 安装前的准备工作(1)检查人货梯设备是否完好,配件齐全。
(2)确认安装现场是否符合安全要求,如:地面平整、牢固,周围环境无障碍物。
(3)安装人员必须熟悉人货梯的结构、性能和安全操作规程。
3. 安装过程中的安全注意事项(1)安装人员必须佩戴安全帽、安全带等个人防护用品。
(2)安装过程中,严禁操作人员站在架体上作业。
(3)安装过程中,注意架体稳定性,防止因振动、碰撞等原因导致架体倾覆。
(4)安装电气设备时,注意防止触电事故。
(5)安装完毕后,对安装质量进行检查,确保人货梯安全可靠。
4. 拆除过程中的安全注意事项(1)拆除前,对拆除区域进行清理,确保无障碍物。
(2)拆除人员必须佩戴安全帽、安全带等个人防护用品。
(3)拆除过程中,注意防止因振动、碰撞等原因导致架体倾覆。
(4)拆除电气设备时,注意防止触电事故。
(5)拆除完毕后,对拆除区域进行清理,确保无安全隐患。
5. 应急措施(1)如遇意外情况,立即停止作业,撤离现场。
(2)如发生人员伤亡,立即拨打急救电话。
(3)如发生设备损坏,立即通知设备供应商进行维修。
五、交底要求1. 施工人员必须认真听取安全技术交底,并做好记录。
2. 施工人员必须按照安全技术交底要求进行操作,确保安全。
3. 施工单位应定期对施工人员进行安全技术培训,提高安全意识。
4. 施工现场应设立安全警示标志,提醒施工人员注意安全。
六、附件1. 人货梯安装与拆除安全技术交底记录表2. 个人防护用品清单3. 应急预案注:本模板仅供参考,具体交底内容可根据实际情况进行调整。
人货电梯卸料平台搭设方案本工程脚手架1#2#楼从四层开始悬挑,落地架最高14.2m,悬挑架最高18m。
本工程进入楼层卸料平台外皮与脚手架外皮相齐,落地卸料平台和悬挑卸料平台与外架同步,采用独立脚手架体搭设,为使架体在受外界因素下满足其强度、刚度、稳定性,卸料平台的搭设参数同外悬挑脚手架。
平台在钢管上采用模板满铺,平台出外边缘与人货梯进入平台间的间隙小于50mm o人货梯悬挑卸料平台布置示意图工字钢预埋梅造示意图U型环构造Tp®图说R爪本工档.板厚丁于120EIH*输固如芯婚施:在•卜扑崩考010的宽中8剪欢向面江"畜,事用如楼祗•讨毛传位桢5.L人货电梯(施工升降机)及井架卸料平台安全门示意图:客3胡楼层卸料平台临边防护示意图架体斜律4停削管单位:mm施工电梯侧立面示意2移动刚平台搭设方案1、悬挑主梁16号槽钢,次梁型钢采用14号工字钢,型钢悬挑卸料平台宽为2m,悬挑长度为4.5m。
卸料限荷为1.0t(10KN)。
采用钢丝绳+安全绳悬挑式(后附有计算书)。
2、型钢悬挑卸料设多次,随主体结构逐层向上重复搭设。
3、悬挑主梁16号槽钢采用直径16的压环紧固。
4、采用钢丝绳+安全绳悬挑式,悬挑主梁每边采用2根钢丝绳吊拉(1根为悬吊主拉绳,另1根为悬吊安全绳)。
主教1勇工知|玲肝_ L虫俳玉蝴嶂3 ]二run----Z曰nzL-X ZK L "#w s -5EnjE 洲桢k魏114号丁询I/瞄、主策(16号工字锄鲤蝴土1U4号工朝Moo FJ.50D 藤5 LL 165。
]3QD ,脉rI 10 I 1Dr <10『30 4」 r 4•r<4尊30r/——;T沔定螺情L •型环构造小怎图说叫:装工程板厚小于120EE .锚囹加强措施:在锚闷^增加1。
定巾8般。
0成向询散.负舫网带*以增加榛板的整体杭拔性3危险源识别根据住房城乡建设部办公厅关于实施《危险性较大的分部分项工程安全管理规定》有关问题的通知:本工程移动刚平台及人货梯卸料平台搭设高度大于30m。
人货梯安全操作交底
工程名称四会市金沙海岸商住小区房地产项目一期
分部工程名称一期人货梯
交底时间2018 年月日工种人货梯操作工交底部位金沙海岸一期工程技术总工
安全交底人施工负责人班组长
交底内容:
起落机操作人员一定经过培训,熟习各零件的性能及操作技术,禁止无证人员操作。
当起落机顶部风速20 米 / 秒( 6 级狂风),以及恶劣天气下,不得开动起落机。
常常察看吊笼运转通道有无阻碍物。
起落机的基础不同意存有积水。
保持吊笼内及笼顶的洁净。
禁止起落机超载运转。
起落机运转时,禁止开门或将手及物件伸出笼外。
起落机启动前要提示全部人注意,运转中若发现异样状况,立刻按下急停按钮。
下班后,吊笼应停靠在地面站台,并切断供电电源。
起落机发生故障或有异样状况,务必实时通知相关维修人员,或通知生产厂家维修人员。
禁止酒后操作。
安装工况下,起落机一定采纳笼顶操作。
严格按要求按期进行检查、养护及做堕落试验。
高速起落机每次运转前,检查电扇能否转动,电阻能否发热正常。
高速起落机断主电后,运转前应先按启动按钮,在接通主电后起码 3 秒钟才能运转。
高速起落机检修电路前,一定先断主电,停机起码十分钟后才能检修。
接受交底
人署名。
人货电梯装拆工程安全技术交底一、总则本文档是为了确保人货电梯装拆工程的安全进行,在此对相关安全技术进行交底和说明。
所有参与本工程的人员必须严格遵守以下规定和要求。
二、作业前准备1. 所有参与人员必须具备相关电梯装拆工程技术资质,并通过相应的培训和考核。
2. 在作业前,必须对工作环境进行检查,确保设备和工具的完好无损。
3. 所有工作人员需佩戴符合要求的个人防护装备,包括安全帽、防护鞋、防护手套等。
三、装拆工程安全要求1. 现场安全- 确保作业现场通风良好,避免积尘和有害气体的累积。
- 在作业现场设置明显的安全警示标志,确保人员能够清晰识别危险区域。
- 避免作业现场拥挤,确保人员的安全距离和作业空间。
2. 操作安全- 在操作前,必须确认电梯的工作电源已经切断,并采取相应的措施进行电气隔离,确保操作人员的安全。
- 在拆卸电梯相关设备时,必须使用适当的工具和设备,并遵循相应的操作规程。
- 当作业过程中需要使用吊装设备时,必须确保相关吊装工作安全,并进行严格的吊装计划和操作控制。
- 在拆卸电梯零部件时,必须注意重物的稳定和防护,避免人员被压伤或设备受损。
3. 人员安全- 所有参与工程的人员必须经过安全培训,了解并遵守有关的安全规范和操作要求。
- 在工作过程中,所有人员必须保持警觉和注意力集中,严禁酒后操作或者疲劳驾驶。
- 若作业过程中出现突发状况或事故,必须立即报告并采取紧急措施,确保人员的安全。
四、应急措施1. 事故报告- 发生事故后,立即通知项目负责人和相关部门,并详细描述事故经过和损失情况。
- 如果发生人身伤害的事故,应立即进行急救,并将伤者送往医院进行治疗。
2. 紧急撤离- 在发生火灾、煤气泄漏、地震等紧急情况时,必须按照预先制定的紧急撤离计划进行行动,确保人员的生命安全。
- 在撤离过程中,应指定专人负责组织和指挥,确保人员有序撤离,并避免踩踏等险情发生。
五、工程验收1. 工程完工后,必须进行全面的安全检查和验收。
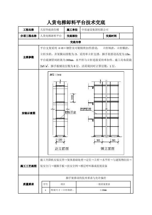
人货电梯卸料平台技术交底
工程名称天居华庭商住楼施工单位中原建设集团有限公司
分项工程名称人货电梯卸料平台交底部位交底时间
交底内容
主要参数平台支架采用φ48×钢管及可锻铸铁扣件搭设;立杆纵距,立杆横距,立杆步距,井架横向排数为:3,采用单立杆支撑,脚手架搭设高度为18m,平台底钢管间距离为300mm,水平杆与立杆连接采用单扣件。
施工均布荷载2kN/m2,脚手板铺设层数为6层,活荷载同时计算层数:1层。
安装示意图
施工工艺流程施工升降机安装完毕→架体基础处理→定位→立杆→水平杆→与建筑物拉结→装安全门→铺脚手板→挂安全网→楼层呼叫器或监视设备
质量要求
脚手架搭设的技术要求与允许偏差
序号项目一般质量要求1构架尺寸(立杆纵距、±20mm。
一、交底目的为确保人货梯搭设过程中的安全,提高施工人员的安全意识,防止安全事故的发生,特进行安全技术交底。
二、交底内容1. 施工人员安全培训(1)施工人员必须经过专业培训,具备相应的操作技能和安全生产知识。
(2)施工人员必须持证上岗,严禁无证操作。
(3)施工人员应熟悉人货梯的构造、性能和使用方法。
2. 施工现场安全管理(1)施工现场应设置明显的安全警示标志,如“当心坠落”、“禁止攀登”等。
(2)施工现场应配备必要的安全防护设施,如安全网、安全带、防护栏杆等。
(3)施工现场应设立专职安全员,负责现场安全监督和管理。
3. 人货梯搭设安全要求(1)搭设前,应对人货梯进行外观检查,确保其完好无损。
(2)搭设人货梯时,应按照规定的搭设顺序和步骤进行,严禁违章操作。
(3)人货梯搭设过程中,严禁超载使用,确保人货梯的承载能力。
(4)人货梯搭设时,应确保梯脚稳固,防止发生倾斜、倒塌等情况。
(5)人货梯搭设完成后,应对其进行验收,确保其符合安全要求。
4. 人货梯使用安全要求(1)人货梯使用前,应检查其是否处于良好状态,如有异常情况,应及时报修。
(2)人货梯使用过程中,严禁超载、超速,严禁载人攀爬。
(3)人货梯运行时,严禁在梯笼内进行清洁、检修等作业。
(4)人货梯运行过程中,严禁在梯笼周围进行攀爬、站立等危险动作。
(5)人货梯使用完毕后,应将其停放在指定位置,确保其安全。
5. 应急预案(1)如发生人货梯事故,应立即启动应急预案,迅速组织救援。
(2)事故发生后,应立即上报相关部门,并积极配合调查处理。
三、交底时间[填写交底时间]四、交底人[填写交底人姓名及职务]五、被交底人[填写被交底人姓名及职务]六、备注1. 施工单位应定期对人货梯进行维护保养,确保其安全可靠。
2. 施工人员应严格遵守安全操作规程,提高安全意识。
3. 本安全技术交底内容适用于人货梯搭设、使用全过程,如有变更,应及时更新。
4. 施工单位应将本安全技术交底内容纳入施工组织设计,确保安全施工。
人货电梯装卸拆工程安全技术交底内容人货电梯装卸拆工程安全技术交底内容:1.进入现场必须遵守安全生产六大纪律。
2.安装和拆卸人员必须按高处作业要求,挂好安全带。
3.装拆人员不准穿硬底、高跟鞋,衣着要灵便。
4.装拆前要检查吊索、吊环、吊钩等用具,不准带病操作。
5.电梯拆卸时无外脚手架严禁作业。
6.拆下的零部件禁止放在梯笼内。
7.在拆下附着锚固系统、过桥梁、导栓等部件时,悬空作业人员必须在各自的位置上与导轨架或建筑物上系好安全带。
8.安装和拆卸过程中,要有专人统一指挥,并熟悉图纸、安装程序及检查要点。
9.装上两节立柱后,要在其两个方向调整垂直度,并把平衡重、梯笼就位。
10.调试梯笼。
调试导向滚轮与导轨间隙,以电梯不能自动下滑为限,并在离地在10m高度以内,做上下运行试验。
11.随立柱的升高,必须按规定开展附壁连接,第一道附壁杆距地面应为10m左右,以后每隔6m(按说明书规定)做一道附壁连接,连接件必须紧固,随紧固随调整立柱的垂直度,每10m偏并不大于5mm。
顶部悬臂部分不得超过说明书规定的高度。
12.在立柱加节安装时,梯笼内可以载两个安装工人和安装工具运行使用,因此时尚没安装上限位保险,所以必须控制梯笼的上滚轮升至离齿条顶端50cm处。
另外因梯笼处于无配重运行,工作时,还必须用钢丝绳做保险,把梯笼顶部与钢丝绳牢固连在立柱上。
向下运行中,应靠梯笼自重分段逐节下滑,每下滑一个标准节,停车一次,以免超速刹车发热。
13.立柱接至全高后,装上天轮组,将梯笼升高到离开轮1.5m左右,钢丝绳绕过天轮其下端与平衡重用卡子(绳夹)固定,当钢丝绳直径为18.5mm时,就合用Yb—20型号的卡子,不少于4个,间距按100~120mm卡牢。
当配重碰到下面缓冲弹簧时,梯笼顶离天轮架的距离应不小于300mm。
14.安装完毕开展整机运行调试,荷载试验按照《建筑机械技术试验规程》开展,合格后方能投入使用。
15.在拆掉平衡重之前,必须对升降机及附壁杆制动器的间隙、主传动机构运行开展检查,确认正常后,方可拆掉。
分部(分项)工程及工种平安技术交底记录表之袁
州冬雪创作
交底内容:
1、卸料平台装置必须由具有专业上岗证的架子工操纵,进入现场必须带好平安帽,高处作业必须系好平安带并正确使用.
2、吊环选用直径20圆钢,锚入梁内不小于15d,端头做弯钩,必须放置在箍筋内,其中有一根主筋绑扎.上拉预埋吊环为四个,环端部做135º弯钩,上部弯拆为40-45º,两根水平间隔不小于70mm.
3、吊环位置必须与卸料平台垂直,使钢丝绳的拉结能起到杰出的受力状态.
4、卸料平台与钢丝绳连策应采调节器.当松紧纷歧致,受力不平均,易导致单根钢丝绳受力,存在平安隐患,应该调节到松紧一致为止.
5、钢丝绳卡应同一方向走向,且绳卡不得少于3个绳卡,间距应为直径的6~8倍,最后一道绳卡与前一道绳卡间距≥500mm.
6、悬挑结尾与钢丝绳连策应采取活动式,不该直接把钢丝绳固定在槽钢上,分歧理睬使钢丝绳容易受损.
7、紧固钢丝绳时,应使卸料平台外口应略高于内口不小于100mm.钢丝绳与布局毗连处不克不及用钢丝绳直接困绑在梁柱上,应使吊环与钢丝绳毗连.
8、操纵平台上应显著标明容许荷载,人员和物料总重量严禁超出容许荷载1吨),配专人监督.
9、装置前对卸料平台停止外观和钢丝绳等停止检查.
10、每次提升完成后须经专业人员验收合格后方可以使用.
11、使用中加强日常检查,每周检查一次.
12、当有六级以上大风和雾、雨、雪天气时应停止卸料平台的装置与裁撤作业.雨雪后作业应有防滑措施,并扫除积雪.
13、未交底事宜按现行有关规定执行.。