吹瓶产品缺陷与设备工艺指引
- 格式:xls
- 大小:54.50 KB
- 文档页数:18
故障1:PET瓶透明度不佳原因:1、加热温度过高2、加热时间过长3、压缩空气含有水份4、注塑胚管本身不透明5、胚管设计不适6、吹胀比例太小排除方法:1、降温2、缩短加热时间3、用干燥器除水4、改良胚管品质,选择用料及提高原料干燥度5、改善胚管尺寸设计6、缩小胚管直径故障2:PET瓶出现珍珠光泽泛白原因:1、加热温度过低2、胚管壁厚不均3、胚管厚度太厚,加温渗透不足排除方法:1、升温或放慢公转速度2、改善胚管品质3、减少胚管厚度,或尝试升高加热装置的外罩,以增加胚管表层温度散发故障3:PET瓶底水口位置偏移原因:1、开始吹气时间太早2、拉伸杆没下到底3、拉伸杆与瓶轴中心线偏移4、胚管壁厚不均匀或注射密度不均5、加热不均匀排除方法:1、延迟吹气时间或增加拉伸杆下降速度2、调整磁极开关的位置3、调整拉伸杆位置4、改善胚管品质5、改善加热条件,或检查胚管自转有否问题故障4:PET瓶壁厚不均原因:1、拉伸杆位置不在胚管中心2、吹气孔不对称,孔径不一3、拉伸倍率过低或吹胀比例太小4、胚管在加热炉中不自转5、胚管壁厚不均或注射密度不均排除方法:1、调整拉伸杆位置2、调整吹气孔位置及孔径3、加大拉伸倍率或吹胀比例4、检查自转装置5、改善胚管品质故障5:瓶上部太厚原因:1、上部温度过低2、模具排气孔位置距上部太远3、拉伸倍率过低4、瓶上部吹胀比过低5、拉伸杆速度太慢排除方法:1、上部加温2、调整排气孔位置3、加大拉伸倍率4.改变瓶形状5.调整拉伸杆速度故障6:瓶底太薄原因:1、开始吹气时间过早2、底部温度过高3、胚管底部太薄排除方法:1、延迟开始吹气时间2、降低底部温度3、增加胚管底部厚度故障7:瓶合模线明显原因:1、合模压力不够2、封口时间过早3、模具问题4、胚管牙口尺寸与模具配合不符排除方法: 1、加大合模压力,调整合模撑杆角度(<5度)2、后移合模行程开关位置3、修理模具或检查模具装配位置,如导柱有否松脱,或模具是否未压紧4、维修模具牙口配合位故障8:瓶底部或瓶颈卷起、积料原因:1、延时吹气时间太长2、一个卷,一个良好3、积料处温度太低4、动作用气压不稳定,影响拉伸杆下降速度排除方法:1、缩短延时吹气时间或减低拉伸杆下降速度2、调低卷瓶一边的气量3、增加胚管该处的加热温度4、加设储气罐于动作气源,或缩短供气管路故障9:瓶底拉伸穿孔原因:1、温度未够,未渗透2、延时拉伸时间太长3、拉伸比太大4、胚管底部太薄5、拉伸杆头太尖排除方法:1、加温2、缩短延时拉伸时间3、减少拉伸比4、改善胚管底部设计5、修圆拉伸杆头故障10:瓶底爆破原因:1、延时吹气时间太短2、延时开模时间太短3、温度太高4、排气阀不工作排除方法: 1、加长延时吹气时间或增加拉伸杆下降速度2、加长延时开模时间3、降温4、用汽油清洗排气阀故障11:瓶底不饱满原因:1、瓶底温度太高2、模具瓶底处排气孔不足或不均匀3、拉伸杆未到底部4、拉伸杆头设计不符合胚管底部形状5、吹气压力不足6、吹气阀流量不足7、瓶底曲线设计不佳排除方法: 1、降低加热区底部温度或用湿布降低胚管底部温度2、增加排气孔数量并使其分布均匀3、调整拉伸杆到瓶底4、更换拉伸杆头5、加大吹气压力6、用汽油清洗吹气阀7、增加瓶底曲线流线型设计故障12:1、若相对于胚管牙部在某一特定方位则为胚管厚薄不均的原因2、若相对模具合模线在某一特定方位则为模具排气问题3、胚管加热不均匀4、模具底部设计不佳排除方法: 1、改善胚管厚薄设计2、改善模具底部排气孔3、改善加热条件4、改善底部设计故障13:吹瓶机无电源指示原因:1、插座无电2、保险管坏3、线头脱落4、安全紧急掣未开启5、电源开关是否打开置于ON处6、指示灯损坏7、加热炉内控制插座的小型断路器是否合上排除方法:1、检查插座有无电,漏电开关是否跳闸2、检查线路有否短路,然后更换保险管3、接好接头4、打开紧急安全掣5、电源开关打在ON处6、更换指示灯7、合上断路器故障14:无封口及拉伸动作原因:1、合模行程不到位2、合模行程开关坏3、电线脱落4、延时拉伸时间继电器损坏5、升降电磁阀和拉伸电磁阀损坏6、气缸进、排气节流阀堵塞或关死7、相应电磁阀故障8、延时拉伸时间设定为“0”排除方法:1、前移合模碰块2、更换合模行程开关3、接好线头4、更换时间继电器5、更换电磁阀6、检查孔位,确保畅通7、检查有关电磁阀8、延时拉伸时间设定不可少于“0" 故障15:圆盘不转原因:1、保险丝断,圆盘不转2、交流接触器、热继电器损坏3、电机缺相(嗡嗡响)排除方法: 1、用万用表阻挡(R×1)测量保险管电阻,若为0,说明良好;若为∞,说明已断. 2、用万用表ACV250档测交流接触线圈两端的电压,若为0,再测交流接触器线圈上端与热继电器(96)之间的电压,若为220V,则说明热继电器损坏或过载3、接驳相线故障16:警报响原因:主电机电流过大,热继电器过载电流保护断电排除方法: 检查电机故障或调整热继电器过载电流量故障17:空气开关调闸原因:1、火线及调压电路短路2、电机烧坏排除方法:1、若合上开关就跳闸,先断开加热用空气开关,再合,若再跳,则说明主线路有短路接地,一个一个地合上空气开关,当合上某个时跳,则说明这个空气开关的某个调压电路有问题,再一个个检查2、若启动电机就跳闸,则说明电机支路有问题。
吹瓶容易出现的问题及分析解决办法)-标准化文件发布号:(9456-EUATWK-MWUB-WUNN-INNUL-DDQTY-KII吹瓶容易出现的问题及分析解决办法现在市面上高端的瓶子,一般都采用两步法吹制而成,两步法故明思意就是分两个步聚进行,也叫注拉吹,就是先注塑出瓶胚,然后再用瓶胚吹成瓶子。
因为是用瓶胚来加工吹制的瓶子,所以瓶胚的质量好坏就显得非常重要。
“巧妇难为无米之炊”,没有好的米,当然也不容易做出好的饭来,同理瓶胚不好也较难吹出好的瓶子。
通常吹瓶过程中容易出现几个问题。
吹破瓶子,底部聚料,底部不正,瓶身偏薄,瓶子发白等。
怎样分辨是吹的问题还是瓶胚的问题呢。
现在我从吹出瓶子上的不同状况进行分析;一、瓶子吹破的原因:1、胚管加热不够,没有烤透;2、拉伸杆没有拉到位(到底);3、拉伸杆速度太慢;4、开了温度保护但上下限温度设置得过高。
解决办法:1、产量不变的情况下加高电压。
电压不变情况下减少产量,也就是加长二次吹气的时间。
2、合模后排气,用手将拉伸杆推到模底与模底接触,扭紧限位螺母。
(只限于机械限气缸调节)。
3、将拉伸气缸上的节流阀调到最大。
4、将下限温度调低,一般PET瓶胚设置为85~95度,上限可设置到125~130度。
二、底部聚料,就是底有很厚的料聚在一起:1、一般为延时吹气时间太长,或一次吹气时间太长;2、就是瓶胚底部没有烤软,跟其它位置温差大。
解决办法:1、减小延时吹气的时间,一般用量为秒左右,可根据瓶子情况增加或减少。
2、用手捏胚管,看是否是底部还很硬,如是则加高对应底部灯管的电压。
三、底部不正原因:1、为拉伸杆速度太慢;2、延时吹气时间不够;3、瓶胚偏心严重。
解决办法:1、将拉伸气缸上的节流阀调到最大;2、加长延时吹气时间;3、测量胚管的偏心度。
(偏心较大时,加温到一定程度胚管会变得弯曲);4、含温度保护项。
四、瓶身偏簿的原因:1、如果瓶底水口位是正中的,那胚管偏心的可能较大,或跟注塑模具冷却水道有关系,冷却不均。
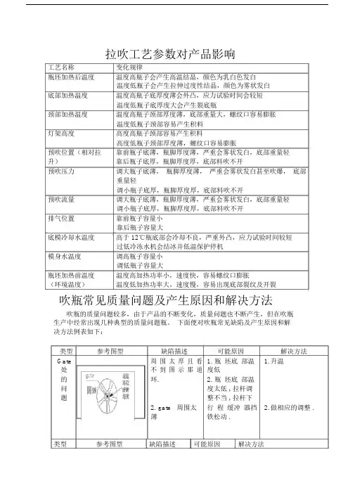
拉吹工艺参数对产品影响工艺名称变化规律瓶坯加热后温度温度高瓶子会产生高温结晶,颜色为乳白色发白温度低瓶子会产生拉伸过度性结晶,颜色为雾状发白底部加热温度温度高瓶子底厚度薄会外凸,应力试验时间会较短温度低瓶子底厚度大会产生裂底瓶颈部加热温度温度高瓶子颈部厚度薄,底部重量大,螺纹口容易膨胀温度低瓶子颈部容易产生积料灯架高度高度高瓶子颈部容易产生积料高度低瓶子颈部厚度薄,螺纹口容易膨胀预吹位置(相对拉靠前瓶子底薄,瓶脚厚度薄,严重会雾状发白,底部重量轻升)靠后瓶子底厚,瓶脚厚度厚,底部料吹不开预吹压力调大瓶子底薄,瓶脚厚度薄,严重会雾状发白甚至吹爆,底部重量轻调小瓶子底厚,瓶脚厚度厚,底部料吹不开预吹流量调大瓶子底薄,瓶脚厚度薄,严重会雾状发白,底部重量轻调小瓶子底厚,瓶脚厚度厚,底部料吹不开排气位置靠前瓶子容量小靠后瓶子容量大底模冷却水温度高于 12℃瓶底部会冷却不良,严重外凸,应力试验时间较短过低冷冻水机会结冰并低温保护停机模身水温度调高瓶子容量小调低瓶子容量大瓶坯加热前温度温度高加热功率小,速度快,容易螺纹口膨胀(环境温度)温度低加热功率大,速度慢,容易出现底部裂纹及开裂吹瓶常见质量问题及产生原因和解决方法吹瓶的质量问题较多,由于产品的不断变化,质量问题也不断产生,但在吹瓶生产中经常出现几种典型的质量问题瓶。
下面便对吹瓶常见缺陷及产生原因和解决方法例表如下:类型参考图型缺陷描述可能原因解决方法Gate 周围太厚且看 1. 瓶坯底部温 1. 升温处不到图示那道度低的环. 2. 瓶坯底部温问度太低 , 拉杆调题整不当 , 拉杆下2. gate 周围太行程缓冲器挡 2. 做相应的调整 .薄铁松动 .类型参考图型缺陷描述可能原因解决方法瓶坯本身Gategate 处过3. 底部中心烧. 3. 降温处有高度近视 3. 坯底区温4.降低坯底区温度的的“眼镜”度偏高 . 5.检查底模冷却问圈 4. 坯底区温题4. gate 处度高或底摸向外凸冷却不良 .个底角都薄预吹气压偏 1. 降低预吹气压或流量底且中心也薄高 2. 增大凸轮角度或 3 个底角预吹凸轮位3.检查拉伸杆或吹嘴角置太靠前薄且 gate 不预吹气压薄在中心处或气流偏大拉升杆弯曲或吹嘴气偏1.在标签到1.瓶坯身区1.提高 3,4 区温度pintch 部位温度太低白2.提高 4,5 区温度2.在 pintch 2.4,5 区温 3. 提高瓶坯底区温度下部度低3.在底角部3.瓶坯底区雾温度太低1. 炸裂的瓶 1. 瓶坯本身 1. 调整灯架高度瓶坯号相同的原因 2. 调整吹嘴高度3. 降低 1,2 区温度 , 提高口 2. 瓶子模具 2. 吹嘴下压oven 风量号相同力量太大炸3. 模具号不 3. 瓶口加热裂固定温度偏高1. 所有容积 1. 预吹气压 1. 升高预吹气压 , 调整预吹容都偏小低预吹时间凸轮短 2. 调整单向阀检查模身冷却积 2. 单个瓶子容积偏小 2. 单向阀流小量小或模身冷却不良类型参考图型缺陷描述可能的原因解决方法1. 在支撑环 1. 预吹压力 1. 降低预吹压力。
吹瓶质量纠正改善报告吹瓶质量纠正改善报告报告人:XXX报告日期:XXXX年XX月XX日摘要吹瓶作为食品包装的重要组成部分,其质量直接影响到食品的安全和卫生。
在过去的一段时间内,我们发现公司生产的部分吹瓶存在质量问题,如出现漏气、裂口等情况,这严重影响了产品的质量和客户的满意度。
为了解决这一问题,我们展开了一系列的改进和纠正措施,现将具体情况和效果进行汇报。
问题分析1.质量问题的出现原因我们对出现质量问题的吹瓶进行了分析,发现质量问题主要有以下原因:(1) 操作工人技术不够熟练,操作不当导致吹瓶质量不合格;(2) 生产线设备老化,存在一些技术问题,如温度控制不精准等;(3) 检验流程不完善,导致部分质量问题未能及时发现和处理。
2.质量问题对公司的影响质量问题严重影响了公司产品的质量和客户的满意度,给公司带来了如下影响:(1) 客户投诉率上升,导致客户流失率加剧;(2) 生产效率降低,维修成本增加;(3) 对公司声誉产生负面影响。
改进和纠正措施为了解决上述问题,我们采取了以下改进和纠正措施:1. 操作工人培训我们加强了操作工人的培训,让他们熟悉吹瓶的操作流程和注意事项,提高了工人操作技术水平。
2.设备维护我们对生产线设备进行了维护和更新,保证设备的正常运行,避免了设备老化带来的负面影响。
3.检验流程优化我们加强了对吹瓶的检验流程,包括提高检验员的素质和对检验流程的优化,避免质量问题在检验中被忽略。
效果评估我们对上述改进和纠正措施进行了实际操作,并在一段时间内对产品的质量进行了监测和评估。
经过我们的努力和改进,质量问题得到了有效的纠正和改善。
具体效果如下:1.产品合格率4. 纠正改善措施为了避免类似的质量问题再次发生,我们制定了以下纠正改善措施:4.1. 增强质量意识:公司将加强员工的质量意识培训,提高员工对产品质量的认识和责任感,确保每个环节的质量得到有效的保障。
4.2. 强化工艺管理:公司将完善吹瓶生产工艺流程,并严格执行,避免因工艺不当导致产品质量问题。