单向板配筋
- 格式:doc
- 大小:1.88 MB
- 文档页数:28
设计单位: 广东水利电力职业技术学院混凝土单向板计算书设计人:宋世科审核人:宋世科学号: 130604230班级:13建筑工程技术2班目录一、设计资料 (1)二、板设计 (1)2、1荷载计算 (2)2、2内力计算 (3)2、3配筋计算 (3)三、次梁的计算 (4)3、1荷载计算 (5)3、2内力计算 (5)3、3配筋计算 (6)四、主梁设计 (8)4、1荷载计算 (9)4、2内力计算 (9)4、3配筋计算 (12)五、附图 (15)次梁配筋图 (15)主梁配筋图 (16)某多层工业厂房的建筑平面图如图1、1所示,楼梯设置在旁边的附属房屋内。
拟采用现浇钢筋混凝土肋梁楼盖。
设计使用年限50年,结构安全等级为二级,环境类别为一类。
楼面做法:水磨石面层(0、65mKN/2);钢筋混凝土现浇板:20mm 石灰砂浆抹底。
楼面活荷载:均布可变荷载标准值q k=6、0KN/m2,准永久值系数ψq=0、8。
材料:混凝土强度等级C25;梁内受力钢筋为HRB335级,其她钢筋为HPB300级钢筋。
试对板、次梁与主梁进行设计。
图1、1 楼盖建筑平图板按考虑塑性内力重力分布方法计算,取1m宽板带为计算单元,有关尺寸及计算简图如图2、1所示,设板厚h=80mm。
图2、1 板的计算简图2、1 荷载计算水磨石面层:0、65KN/m²80mm厚钢筋混凝土板:25×0、08=2KN/m²20mm石灰砂浆抹底:17×0、02=0、34KN/m²恒载标准值:g k=0、65+2+0、34=2、99KN/m²活荷载标准值:q k=6KN/m²转化为线荷载:2、99×1m=2、99KN/m 6×1m=6KN/m荷载设计值:g+q=1、2×2、99+1、3×6=11、39KN/m《荷载规范》规定:对活荷载标准值大于4KN/m²的工业房屋楼面结构的活荷载,分项系数取1、32、2 内力计算初估次梁截面尺寸:高h=l/18~l/12=6600/18~6600/12=367~550 取h=450mm宽b=h/3~h/2=450/3~450/2=150~225 取b=200mm计算跨度取净跨:边跨 l0=2300-120-100+80/2=2120mm中间跨 l0=2300-200=2100mm因跨度差 (2120-2100)/2100=0、9%,在10%以内,故可按等跨计算。
钢筋混凝土单向板肋梁楼盖设计摘要:本文介绍了钢筋混凝土单向板肋梁楼盖设计,是土木工程学生设计学习的"居家良药".关键词:单向板肋梁楼盖设计1.设计资料本设计为一工业车间楼盖,采用整体式钢筋混凝土单向板肋梁楼盖,楼盖梁格布置如图T-01所示,柱的高度取9m,柱子截面为400mm×400mm。
(1)楼面构造层做法:20mm厚水泥砂浆面层,20mm厚混合砂浆顶棚抹灰。
(2)楼面活荷载:标准值为8kN/m2。
(3)恒载分项系数为1.2;活荷载分项系数为1.3(因为楼面活荷载标准值大于4kN/m2)。
(4)材料选用:混凝土:采用C20(,)。
钢筋:梁中架立钢筋、箍筋、板中全部钢筋采用HPB235()。
其余采用HRB335()。
2.板的计算。
板按考虑塑性内力重分布方法计算。
板的厚度按构造要求取。
次梁截面高度取,截面宽度,板的尺寸及支承情况如图T-02所示。
(1)荷载:恒载标准值:20mm水泥砂浆面层;80mm钢筋混凝土板;20mm混合砂浆顶棚抹灰;;恒载设计值;活荷载设计值;合计;即每米板宽设计承载力。
(2)内力计算:计算跨度:边跨;中间跨;跨度差,说明可以按等跨连续板计算内力。
取1m宽板带作为计算单元,其计算简图如图T-03所示。
各截面的弯矩计算见表Q-01。
,(根据钢筋净距和混凝土保护层最小厚度的规定,并考虑到梁、板常用的钢筋直径(梁设为20mm,板设为10mm),室内正常环境(即一类环境)的截面有效高度h。
和梁板的高度h有以下关系: 对于梁: h。
=h-35mm (一排钢筋) 或 h。
=h-60mm (两排钢筋);对于板 h。
=h-20mm 、h。
=h-(最小保护层厚度+d/2) ,其中最小保护层厚度依据环境类别和混凝土强度等级定, d 为纵向受力钢筋的直径。
一般的,对于梁可取20,板可取10),各截面的配筋计算见表Q-02。
中间板带②~⑤轴线间,其各区格板的四周与梁整体连接,故各跨跨中和中间支座考虑板的内拱作用,其弯矩降低20%。
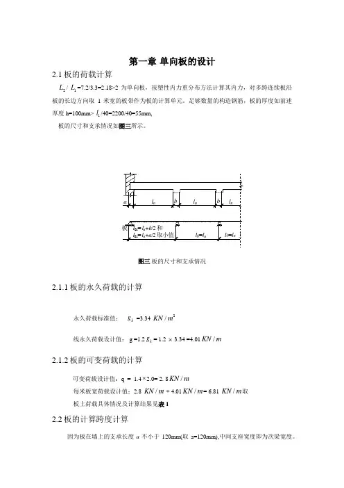
第一章 单向板的设计2.1板的荷载计算2L / 1L =7.2/3.3=2.18>2为单向板,按塑性内力重分布方法计算其内力,对多跨连续板沿板的长边方向取1米宽的板带作为板的计算单元。
足够数量的构造钢筋,板的厚度如前述厚度h=100mm> 1l /40=2200/40=55mm, 板的尺寸和支承情况如图三所示。
图三 板的尺寸和支承情况2.1.1板的永久荷载的计算永久荷载标准值: k g =3.34 2/KN m线永久荷载设计值: g =1.2k g = 1.2 ⨯ 3.34 =4.01/KN m2.1.2板的可变荷载的计算可变荷载设计值:q = 1.4⨯2.0= 2. 8/KN m每米板宽荷载设计值:2.8 /KN m + 4.01/KN m = 6.81 /KN m 取 板上荷载具体情况及计算结果见表12.2板的计算跨度计算因为板在墙上的支承长度a 不小于120mm(取a=120mm),中间支座宽度即为次梁宽度。
l nl n l nbb a l 0=l n l 0=l n板:l 01= l n +h /2 和 l 01= l n +a /2 取小值计算跨度按图三进行计算,其中,边跨: 取 201h l l n +=, 201al l n += 两式较小值 中间跨:n l l =02.2.1边跨的计算取0l =201hl l n += = 3.2 m 2.2.2中间跨度计算0l = n l = 2.2 - 0.2=3.0m 又边跨与中间跨计算跨度相差:(2.02-2)/2=1%<10%,故按等跨连续板计算内力,由于其多余五跨连续板,按五跨计算内力取1m 宽板作为计算单元, 计算简图见图四g+q=7.0/KN m图四 板的荷载计算简图2.2.3连续板各界面的弯矩计算板考虑塑性内力重分布后,各跨中及支座截面的弯矩系数α值按图五采用,各跨中及支座截面的弯矩按式20)(l q g M +=α计算, 而板一般均能满足斜截面抗剪承载力要求,所以只进行正截面承载力计算。
单向板及次梁的配筋计算单向板是指板的荷载主要作用在板的一个方向上的情况,通常采用单向配筋,即在板的一个方向上设置主筋,而在垂直方向上只设置少量的次筋,用来控制开裂和抗剪强度。
次梁是用来加强板的边缘部分,增加其刚度和承载能力的一种构造。
下面将分别介绍单向板和次梁的配筋计算方法。
一、单向板配筋计算:1.确定板的截面尺寸和受力情况:根据板的跨度和荷载确定板的厚度和宽度,并确定受力情况,如受力边界、荷载类型等。
2. 计算开裂控制筋的配筋量:根据截面受拉应变和开裂控制要求,计算主筋的配筋量。
可采用以下公式进行计算:As = (β1 * fctk,0.05* b * d) / (σs - 0.4 * fctk,0.05)其中,As为主筋面积,β1为开裂控制系数,fctk,0.05为0.05倍特征抗拉强度,b为板的宽度,d为板的有效高度,σs为主筋抗拉强度。
3. 计算抗剪配筋量:根据板的剪力以及抗剪设计公式,计算次筋的配筋量。
通常采用抗剪设计公式如下:VEd ≤ (VRd,max - VRd,cf)其中,VEd为设计剪力,VRd,max为剪力承载力的最大值,VRd,cf为剪力承载力的抗剪破坏控制值,可以通过以下公式计算:VRd,cf = VRd,c / γc + VRd,s / γs其中,VRd,c为混凝土的抗剪强度,VRd,s为主筋的抗剪强度,γc和γs为相应的安全系数。
4. 分布筋的配筋量计算:根据板的受力分布情况,计算分布筋的配筋量。
通常采用以下公式计算:Av,min = (0.12 * fctk,0.05 * b * s)/ (fyk / γs)其中,Av,min为分布筋的最小配筋量,fctk,0.05为0.05倍特征抗拉强度,b为板的宽度,s为分布筋的间距,fyk为钢筋的特征屈服强度,γs为安全系数。
5.检查截面尺寸:根据配筋量,检查截面尺寸是否满足要求,如不满足则重新调整板的截面尺寸并重新计算。
二、次梁配筋计算:1.确定次梁的受力情况:根据板的截面尺寸和边缘部分的受力情况,确定次梁的受力情况,如受拉或受压。
板板配筋规定:钢筋混凝土板是受弯构件,按其作用分为:底部受力筋、上部负筋、分布筋几种。
一、受力筋主要用来承受拉力。
悬臂板及地下室底板等构件的受力钢筋的配置是在板的上部。
当板为两端支承的简支板时,其底部受力钢筋平行跨度布置;当板为四周支承并且其长短边之比值大于2时,板为单向受力,叫单向板,其底部受力钢筋平行短边方向布置;当板为四周支承并且其长短边之比值小于或等于2时,板为双向受力,叫双向板,其底部纵横两个方向均为受力钢筋。
1、板中受力钢筋的常用直径:板厚h<100mm时为6~8mmm;h=100~150mm时为8~12mm;h>150mm时为12~16mm;采用现浇板时受力钢筋不应小于6mm,预制板时不应小于4mm。
2、板中受力钢筋的间距,一般不小于70mm,当板厚h≤150mm时间距不宜大于200mm,当h>150mm时不宜大于1.5h或250mm。
板中受力钢筋一般距墙边或梁边50mm开始配置。
3、单向板和双向板可采用分离式配筋或弯起式配筋。
分离式配筋因施工方便,已成为工程中主要采用的配筋方式。
当多跨单向板、多跨双向板采用分离式配筋时,跨中下部钢筋宜全部伸人支座;支座负筋向跨内的延伸长度a应覆盖负弯矩图并满足钢筋锚固的要求。
4、简支板或连续板跨中下部纵向钢筋伸至支座的中心线且锚固长度不应小于5d(d为下部钢筋直径)。
当连续板内温度收缩应力较大时,伸入支座的锚固长度宜适当增加。
对与边梁整浇的板,支座负弯矩钢筋的锚固长度应为La,见图2-21右侧支座负筋5、在双向板的纵横两个方向上均需配置受力钢筋。
承受弯矩较大方向的受力钢筋,布置在受力较小钢筋的外层。
二、分布钢筋它主要用来使作用在板面荷载能均匀地传递给受力钢筋;抵抗四温度变化和混凝土收缩在垂直于板跨方向所产生的拉应力;同时还与受力钢筋绑扎在一起组合成骨架,防止受力钢筋在混凝土浇捣时的位移。
1、单向板中单位长度上分布钢筋的截面面积不宜小于单位宽度上受力钢筋截面面积15%,且不宜小于该方向板截面面积的0.15%;分布钢筋的间距不宜大于250mm,直径不宜小于6mm。
注意部位参见规范受力钢筋间距《砼规》P112,9.1.3受力钢筋锚固《砼规》P112,9.1.4板中受力钢筋的间距,当板厚不大于150mm时不宜大于200mm;当板厚大于150mm时不宜大于板厚的1.5倍,且不宜大于250mm。
2、钢筋从砼梁边、柱边、墙边伸入板内的长度不宜小于l 0/4,砌体墙支座处钢筋伸入板边的长度不宜小于l 0/7,其中计算跨度l 0对单向板按受力方向考虑,对双向板按短板方向考虑。
板设计相关规定汇总相关规定1、两对边支承的板应按单向板计算;2、四边支承的板应按下列规定计算:1)当长边与短边长度之比不大于2.0时,应按双向板计算;2)当长边与短边长度之比大于2.0,但小于3.0时,宜按双向板计算;3)当长边与短边长度之比不小于3.0时,宜按沿短边方向受力的单向板计算,并应沿长边方向布置构造钢筋。
现浇砼板的尺寸宜符合下列规定:1、板的跨厚比:钢筋砼单向板不大于30,双向板不大于40;无梁支承的有柱帽板不大于35,无梁支承的无柱帽板不大于30。
预应力板可适当增加;当板的荷载、跨度较大时宜适当减小。
2、 现浇钢筋砼板的厚度不应小于附表1规定的数值。
《砼规》P111,9.1.1基本规定-计算原则采用管型内孔时,孔顶、孔底厚度均不应小于40mm,肋宽与内孔径之比不宜小于1/5,且肋宽不应小于50mm,对预应力板不应小于60mm。
按简支边或非受力边设计的现浇砼板,当与砼梁、墙整体现浇或嵌固在砌体墙内时,应设置板面构造钢筋,并符合下列要求:1、钢筋直径不宜小于8mm,间距不宜大于200mm,且单位宽度内的配筋面积不宜小于跨中相应方向板底钢筋截面面积的1/3。
与砼梁、砼墙整体浇筑单向板的非受力方向,钢筋截面面积尚不宜小于受力方向跨中板底钢筋截面面积的1/3。
采用分离式配筋的多跨版,板底钢筋宜全部深入支座;支座负弯矩钢筋向跨内延伸的长度应根据负弯矩图确定,并满足钢筋锚固的要求。
简支梁或连续板下部纵向受力钢筋深入支座的锚固长度不应小于钢筋直径的5倍,且宜伸过支座中心线。
LB-1矩形板计算一、构件编号: LB-1二、示意图三、依据规范《建筑结构荷载规范》 GB50009-2001《混凝土结构设计规范》 GB50010-2010四、计算信息1.几何参数计算跨度: Lx = 2000 mm; Ly = 6000 mm板厚: h = 100 mm2.材料信息混凝土等级: C25 fc=11.9N/mm2 ft=1.27N/mm2 ftk=1.78N/mm2Ec=2.80×104N/mm2钢筋种类: HRB400 fy = 360 N/mm2Es = 2.0×105 N/mm2最小配筋率: ρ= 0.200%纵向受拉钢筋合力点至近边距离: as = 40mm保护层厚度: c = 20mm3.荷载信息(均布荷载)永久荷载分项系数: γG = 1.200可变荷载分项系数: γQ = 1.400准永久值系数: ψq = 1.000永久荷载标准值: qgk = 4.100kN/m2可变荷载标准值: qqk = 2.000kN/m24.计算方法:弹性板5.边界条件(上端/下端/左端/右端):简支/简支/固定/固定6.设计参数结构重要性系数: γo = 1.00泊松比:μ = 0.200五、计算参数:1.计算板的跨度: Lo = 2000 mm2.计算板的有效高度: ho = h-as=100-40=60 mm六、配筋计算(ly/lx=6000/2000=3.000>2.000,所以选择多边支撑单向板计算):1.X向底板配筋1) 确定X向底板弯距Mx = (γG*qgk+γQ*qqk)*Lo2/24= (1.200*4.100+1.400*2.000)*22/24= 1.287 kN*m2) 确定计算系数αs = γo*Mx/(α1*fc*b*ho*ho)= 1.00*1.287×106/(1.00*11.9*1000*60*60)= 0.0303) 计算相对受压区高度ξ = 1-sqrt(1-2*αs) = 1-sqrt(1-2*0.030) = 0.0304) 计算受拉钢筋面积As = α1*fc*b*ho*ξ/fy = 1.000*11.9*1000*60*0.030/360= 60mm25) 验算最小配筋率ρ = As/(b*h) = 60/(1000*100) = 0.060%ρ<ρmin = 0.200% 不满足最小配筋要求所以取面积为As = ρmin*b*h = 0.200%*1000*100 = 200 mm26) 计算纵跨分布钢筋面积不宜小于横跨板底钢筋面积的15%,所以面积为:As1 = As*0.015 = 200.00*0.15 = 30.00mm2不宜小于该方向截面面积的0.15%,所以面积为:As1 = h*b*0.0015 = 100*1000*0.0015 = 150.00mm2取二者中较大值,所以分布钢筋面积As = 150mm2采取方案⌲8@200, 实配面积251 mm22.X向左端支座钢筋1) 确定左端支座弯距M o x = (γG*qgk+γQ*qqk)*Lo2/12= (1.200*4.100+1.400*2.000)*22/12= 2.573 kN*m2) 确定计算系数αs = γo*M o x/(α1*fc*b*ho*ho)= 1.00*2.573×106/(1.00*11.9*1000*60*60)= 0.0603) 计算相对受压区高度ξ = 1-sqrt(1-2*αs) = 1-sqrt(1-2*0.060) = 0.0624) 计算受拉钢筋面积As = α1*fc*b*ho*ξ/fy = 1.000*11.9*1000*60*0.062/360= 123mm25) 验算最小配筋率ρ = As/(b*h) = 123/(1000*100) = 0.123%ρ<ρmin = 0.200% 不满足最小配筋要求所以取面积为As = ρmin*b*h = 0.200%*1000*100 = 200 mm2采取方案⌲8@200, 实配面积251 mm23.X向右端支座钢筋1) 确定右端支座弯距M o x = (γG*qgk+γQ*qqk)*Lo2/12= (1.200*4.100+1.400*2.000)*22/12= 2.573 kN*m2) 确定计算系数αs = γo*M o x/(α1*fc*b*ho*ho)= 1.00*2.573×106/(1.00*11.9*1000*60*60)= 0.0603) 计算相对受压区高度ξ = 1-sqrt(1-2*αs) = 1-sqrt(1-2*0.060) = 0.0624) 计算受拉钢筋面积As = α1*fc*b*ho*ξ/fy = 1.000*11.9*1000*60*0.062/360= 123mm25) 验算最小配筋率ρ = As/(b*h) = 123/(1000*100) = 0.123%ρ<ρmin = 0.200% 不满足最小配筋要求所以取面积为As = ρmin*b*h = 0.200%*1000*100 = 200 mm2采取方案⌲8@200, 实配面积251 mm24.上边支座配筋1) 构造上边钢筋面积构造钢筋面积As = ρmin*b*h = 0.200%*1000*100 = 200 mm2用户选择了单向板上部板边构造钢筋截面面积不宜小于板跨中相应方向纵向钢筋截面面积的三分之一,所以:面积s = 纵跨板底钢筋面积/3 = 50 mm2我们去其中两个值较大者,所以构造钢筋面积为200 mm25.下边支座配筋1) 构造下边钢筋面积钢筋面积As = ρmin*b*h = 0.200%*1000*100 = 200用户选择了单向板下部板边构造钢筋截面面积不宜小于板跨中相应方向纵向钢筋截面面积的三分之一,所以:面积s = 纵跨板底钢筋面积/3 = 50 mm2我们去其中两个值较大者,所以构造钢筋面积为200 mm2七、跨中挠度计算:Mk -------- 按荷载效应的标准组合计算的弯矩值Mq -------- 按荷载效应的准永久组合计算的弯矩值1.计算标准组合弯距值M k:Mk = M gk+M qk = (qgk+qqk)*Lo2/24= (4.100+2.000)*22/24= 1.017 kN*m2.计算准永久组合弯距值M q:Mq = M gk+ψq*M qk = (qgk+ψq*qqk)*Lo2/24= (4.100+1.0*2.000)*22/24= 1.017 kN*m3.计算受弯构件的短期刚度 Bs1) 计算按荷载荷载效应的两种组合作用下,构件纵向受拉钢筋应力σsk = Mk/(0.87*ho*As) 混规(7.1.4-3)= 1.017×106/(0.87*60*251) = 77.595 N/mmσsq = Mq/(0.87*ho*As) 混规(7.1.4-3)= 1.017×106/(0.87*60*251) = 77.595 N/mm2) 计算按有效受拉混凝土截面面积计算的纵向受拉钢筋配筋率矩形截面积: Ate = 0.5*b*h = 0.5*1000*100= 50000mm2ρte = As/Ate 混规(7.1.2-4)= 251/50000 = 0.502%3) 计算裂缝间纵向受拉钢筋应变不均匀系数ψψk = 1.1-0.65*ftk/(ρte*σsk) 混规(7.1.2-2)= 1.1-0.65*1.78/(0.502%*77.595) = -1.870因为ψ不能小于最小值0.2,所以取ψk = 0.2ψq = 1.1-0.65*ftk/(ρte*σsq) 混规(7.1.2-2)= 1.1-0.65*1.78/(0.502%*77.595) = -1.870因为ψ不能小于最小值0.2,所以取ψq = 0.24) 计算钢筋弹性模量与混凝土模量的比值αEαE = Es/Ec = 2.0×105/2.80×104 = 7.1435) 计算受压翼缘面积与腹板有效面积的比值γf矩形截面,γf=06) 计算纵向受拉钢筋配筋率ρρ = As/(b*ho)= 251/(1000*60) = 0.418%7) 计算受弯构件的短期刚度 BsBsk = Es*As*ho2/[1.15ψk+0.2+6*αE*ρ/(1+ 3.5γf')](混规(7.2.3-1)) = 2.0×105*251*602/[1.15*-1.870+0.2+6*7.143*0.418%/(1+3.5*0.0)]= 2.966×102 kN*m2Bsq = Es*As*ho2/[1.15ψq+0.2+6*αE*ρ/(1+ 3.5γf')](混规(7.2.3-1)) = 2.0×105*251*602/[1.15*-1.870+0.2+6*7.143*0.418%/(1+3.5*0.0)]= 2.966×102 kN*m24.计算受弯构件的长期刚度B1) 确定考虑荷载长期效应组合对挠度影响增大影响系数θ当ρ'=0时,θ=2.0 混规(7.2.5)2) 计算受弯构件的长期刚度 BBk = Mk/(Mq*(θ-1)+Mk)*Bs (混规(7.2.2-1))= 1.017/(1.017*(2.0-1)+1.017)*2.966×102= 1.483×102 kN*m2Bq = Bsq/θ (混规(7.2.2-2))= 2.966×102/2.0= 1.483×102 kN*m2B = min(Bk,Bq)= min(148.305,148.305)= 148.3055.计算受弯构件挠度f max = (q gk+q qk)*Lo4/(384*B)= (4.100+2.000)*24/(384*1.483×102)= (4.100+2.000)*24/(384*1.483×102)= 1.714mm6.验算挠度挠度限值fo=Lo/200=2000/200=10.000mmfmax=1.714mm≤fo=10.000mm,满足规范要求!八、裂缝宽度验算:1.跨中X方向裂缝1) 计算荷载效应Mx = (qgk+ψq*qqk)*Lo2/24= (4.100+1.0*2.000)*22/24= 1.017 kN*m2) 光面钢筋,所以取值v i=0.73) 因为C > 65,所以取C = 654) 计算按荷载效应的准永久组合作用下,构件纵向受拉钢筋应力σsq=Mq/(0.87*ho*As) 混规(7.1.4-3)=1.017×106/(0.87*60*251)=77.595N/mm5) 计算按有效受拉混凝土截面面积计算的纵向受拉钢筋配筋率矩形截面积,Ate=0.5*b*h=0.5*1000*100=50000 mm2ρte=As/A te 混规(7.1.2-4)=251/50000 = 0.0050因为ρte=0.0050 < 0.01,所以让ρte=0.016) 计算裂缝间纵向受拉钢筋应变不均匀系数ψψ=1.1-0.65*ftk/(ρte*σsq) 混规(7.1.2-2)=1.1-0.65*1.780/(0.0100*77.595)=-0.391因为ψ=-0.391 < 0.2,所以让ψ=0.27) 计算单位面积钢筋根数nn=1000/dist = 1000/200=58) 计算受拉区纵向钢筋的等效直径d eqd eq= (∑n i*d i2)/(∑n i*v i*d i)=5*8*8/(5*0.7*8)=119) 计算最大裂缝宽度ωmax=αcr*ψ*σsq/Es*(1.9*C+0.08*Deq/ρte) (混规(7.1.2-1) =1.9*0.200*77.595/2.0×105*(1.9*20+0.08*11/0.0100)=0.0191mm ≤ 0.30, 满足规范要求2.左端支座跨中裂缝1) 计算荷载效应M o x = (qgk+ψq*qqk)*Lo2/12= (4.100+1.0*2.000)*22/12= 2.033 kN*m2) 光面钢筋,所以取值v i=0.73) 因为C > 65,所以取C = 654) 计算按荷载效应的准永久组合作用下,构件纵向受拉钢筋应力σsq=Mq/(0.87*ho*As) 混规(7.1.4-3)=2.033×106/(0.87*60*251)=155.190N/mm5) 计算按有效受拉混凝土截面面积计算的纵向受拉钢筋配筋率矩形截面积,Ate=0.5*b*h=0.5*1000*100=50000 mm2ρte=As/At e 混规(7.1.2-4)=251/50000 = 0.0050因为ρte=0.0050 < 0.01,所以让ρte=0.016) 计算裂缝间纵向受拉钢筋应变不均匀系数ψψ=1.1-0.65*ftk/(ρte*σsq) 混规(7.1.2-2)=1.1-0.65*1.780/(0.0100*155.190)=0.3547) 计算单位面积钢筋根数nn=1000/dist = 1000/200=58) 计算受拉区纵向钢筋的等效直径d eqd eq= (∑n i*d i2)/(∑n i*v i*d i)=5*8*8/(5*0.7*8)=119) 计算最大裂缝宽度ωmax=αcr*ψ*σsq/Es*(1.9*C+0.08*Deq/ρte) (混规(7.1.2-1) =1.9*0.354*155.190/2.0×105*(1.9*20+0.08*11/0.0100)=0.0676mm ≤ 0.30, 满足规范要求3.右端支座跨中裂缝1) 计算荷载效应M o x = (qgk+ψq*qqk)*Lo2/12= (4.100+1.0*2.000)*22/12= 2033333.333 kN*m2) 光面钢筋,所以取值v i=0.73) 因为C > 65,所以取C = 654) 计算按荷载效应的准永久组合作用下,构件纵向受拉钢筋应力σsq=Mq/(0.87*ho*As) 混规(7.1.4-3)=2.033×106/(0.87*60*251)=155.190N/mm5) 计算按有效受拉混凝土截面面积计算的纵向受拉钢筋配筋率矩形截面积,Ate=0.5*b*h=0.5*1000*100=50000 mm2ρte=As/Ate 混规(7.1.2-4)=251/50000 = 0.0050因为ρte=0.0050 < 0.01,所以让ρte=0.016) 计算裂缝间纵向受拉钢筋应变不均匀系数ψψ=1.1-0.65*ftk/(ρte*σsq) 混规(7.1.2-2)=1.1-0.65*1.780/(0.0100*155.190)=0.3547) 计算单位面积钢筋根数nn=1000/dist = 1000/200=58) 计算受拉区纵向钢筋的等效直径d eqd eq= (∑n i*d i2)/(∑n i*v i*d i)=5*8*8/(5*0.7*8)=119) 计算最大裂缝宽度ωmax=αcr*ψ*σsq/Es*(1.9*C+0.08*Deq/ρte) (混规(7.1.2-1) =1.9*0.354*155.190/2.0×105*(1.9*20+0.08*11/0.0100)=0.0676mm ≤ 0.30, 满足规范要求。
3.5板板配筋规定:钢筋混凝土板是受弯构件,按其作用分为:底部受力筋、上部负筋、分布筋几种。
一、受力筋主要用来承受拉力。
悬臂板及地下室底板等构件的受力钢筋的配置是在板的上部。
当板为两端支承的简支板时,其底部受力钢筋平行跨度布置;当板为四周支承并且其长短边之比值大于2时,板为单向受力,叫单向板,其底部受力钢筋平行短边方向布置;当板为四周支承并且其长短边之比值小于或等于2时,板为双向受力,叫双向板,其底部纵横两个方向均为受力钢筋。
1、板中受力钢筋的常用直径:板厚h<100mm时为6~8mmm;h=100~150mm 时为8T2mm;h>150mm 时为12~16mm;采用现浇板时受力钢筋不应小于6mm,预制板时不应小于4mm。
2、板中受力钢筋的间距,一般不小于70mm,当板厚h<150mm时间距不宜大于200mm,当h>150mm时不宜大于1.5h或250mm。
板中受力钢筋一般距墙边或梁边50mm开始配置。
3、单向板和双向板可采用分离式配筋或弯起式配筋。
分离式配筋因施工方便,已成为工程中主要采用的配筋方式。
当多跨单向板、多跨双向板采用分离式配筋时,跨中下部钢筋宜全部伸人支座;支座负筋向跨内的延伸长度a应覆盖负弯矩图并满足钢筋锚固的要求。
4、简支板或连续板跨中下部纵向钢筋伸至支座的中心线且锚固长度不应小于5d(d为下部钢筋直径)。
当连续板内温度收缩应力较大时,伸入支座的锚固长度宜适当增加。
对与边梁整浇的板,支座负弯矩钢筋的锚固长度应为La,见图2-21 右侧支座负筋5、在双向板的纵横两个方向上均需配置受力钢筋。
承受弯矩较大方向的受力钢筋,布置在受力较小钢筋的外层。
二、分布钢筋它主要用来使作用在板面荷载能均匀地传递给受力钢筋;抵抗四温度变化和混凝土收缩在垂直于板跨方向所产生的拉应力;同时还与受力钢筋绑扎在一起组合成骨架,防止受力钢筋在混凝土浇捣时的位移。
1、单向板中单位长度上分布钢筋的截面面积不宜小于单位宽度上受力钢筋截面面积15%,且不宜小于该方向板截面面积的0.15%;分布钢筋的间距不宜大于250mm,直径不宜小于6mm。
板0.4%一0.8%,矩形粱0.6%~1.5%,T形梁0.9%一1.8%,如取其平均值.则板为0.6%,矩形梁为1.05%,T形粱为1.35%一般情况下,粱板的配筋率应尽可能用其经济配筋率的平均值、但由于各种原因,不可能都如愿以偿、故经济配筋率的核心范围,建义扳取0.5%~0.7%,矩形粱取0.85%~1.25%,T形粱取1.1%~1.6%。
为了不使截面配筋过于拥挤,全部纵筋配筋率不宜超过0.05。
对于仓库、贮仓、料斗等贮料荷载经常占总荷载较大部分的结构物,若柱中纵向配筋率过大,在长期贮料突然卸载时,会使柱中混凝土出现拉应力甚至开裂。
若柱中的纵筋和混凝土之间有很强的黏结应力时,则能同时产生纵向裂缝,这种裂缝更为危险。
为了防止出现这种情况,要控制柱的配筋率,对于筒仓柱的全部配筋率不应大于0.02。
从经济和施工方面来考虑,一般常用的配筋率范围为0.005~0.02。
常用框架结构设计板、梁、柱的经济取值一、单向板肋梁楼板。
1、主梁:经济跨度一般为6~9米,截面高度为跨度的1/14~1/8,宽度为梁高的1/3~1/2;2、次梁:经济跨度(即主梁的间距)一般为4~7米,截面高度为次梁跨度的1/28~1/12,宽度为梁高的1/3~1/2。
3、板:经济跨度(即次梁的间距)一般为1.8~3.0米,板厚不小于其跨度的1/40,一般为70~100㎜。
二、井字梁楼板(正交式或斜交式)。
井字梁楼板梁的跨度可达30米,板的跨度一般为3米左右。
三、经济配筋率:1:板:0.4%一0.8%,如取其平均值.则板为0.6%;2:矩形粱:0.6%~1.5%,矩形梁平均值为1.05%,T形梁0.9%一1.8%,T形粱平均值为1.35%。
一般情况下,粱板的配筋率应尽可能用其经济配筋率的平均值、但由于各种原因,不可能都如愿以偿、故经济配筋率的核心范围,建义扳取0.5%~0.7%,矩形粱取0.85%~1.25%,T形粱取1.1%~1.6%。
钢筋混凝土梁、板是房屋建筑中典型的受弯构件。
按板的受弯情况,可分为单向板与双向板;梁(板)按支承情况分,可分为简支梁(板)与多跨连续梁(板)。
1.单向板与双向板的受力特点两对边支承的板是单向板,一个方向受弯,而双向板为四边支承,双向受弯。
若板两边均布支承,当长边与短边之比小于或等于2时,应按双向板计算;当长边与短边之比大于2但小于3时,宜按双向板计算;当按沿短边方向受力的单向板计算时,应沿长边方向布置足够数量的构造筋;当长边与短边长度之比大于或等于3时,可按沿短边方向受力的单向板计算。
2.连续梁(板)的受力特点现浇肋形楼盖中的板、次梁和主梁,一般均为多跨连续梁(板)。
连续梁(板)的内力计算是主要内容,配筋计算与简支梁相同。
连续梁、板的受力特点是,跨中有正弯矩,支座有负弯矩。
因此,跨中按最大正弯矩计算正筋,支座按最大负弯矩计算负筋。
钢筋的截断位置按规范要求截断。
(二)钢筋混凝土板的配筋要求板的厚度与计算跨度有关,应满足强度和刚度的要求,同时考虑经济和施工上的方便。
屋面板一般不小于60mm,楼板一般不小于80mm。
板中通常配制两种钢筋:受力主筋和分布钢筋。
1.一般配筋要求(1)受力钢筋受力钢筋沿板的跨度方向设置,位于受拉区,承受由弯矩作用产生的拉力,其数量由计算确定,并满足构造要求。
如:单跨板跨中产生正弯矩,受力钢筋应布置在板的下部;悬臂板在支座处产生负弯矩,受力钢筋应布置在板的上部。
受力钢筋常采用HPB235钢筋,也可采用HRB335钢筋,直径常采用6mm、8mm、10m、12mm。
在同一块板中钢筋直径相差应不小于2mm,钢筋直径种类不宜多于2~3种,以免引起施工时互相混淆。
当采用绑扎钢筋作配筋时,受力钢筋的间距一般不小于70mm,当板厚h≤150mm时,不宜大于200mm;当板厚h>150mm时,不宜大于1.5h,且不宜大于250mm。
(2)分布钢筋分布钢筋是与受力钢筋垂直均匀布置的构造钢筋,位于受力钢筋内侧及受力钢筋的所有转折处,并与受力钢筋用细钢丝绑扎或焊接在一起,形成钢筋骨架。
设计单位:广东********学院混凝土单向板计算书设计人:*****审核人:*****学号:13060***班级:13***技术2班单向板设计目录一、设计资料 (1)二、板设计 (1)2.1荷载计算 (2)2.2内力计算 (3)2.3配筋计算 (3)三、次梁的计算 (4)3.1荷载计算 (5)3.2内力计算 (5)3.3配筋计算 (6)四、主梁设计 (8)4.1荷载计算 (9)4.2内力计算 (9)4.3配筋计算 (12)五、附图 (15)次梁配筋图 (15)主梁配筋图 (16)一设计资料某多层工业厂房的建筑平面图如图1.1所示,楼梯设置在旁边的附属房屋内。
拟采用现浇钢筋混凝土肋梁楼盖。
设计使用年限50年,结构安全等级为二级,环境类别为一类。
楼面做法:水磨石面层(0.65mKN/2);钢筋混凝土现浇板:20mm 石灰砂浆抹底。
楼面活荷载:均布可变荷载标准值q k=6.0KN/m2,准永久值系数ψq=0.8。
材料:混凝土强度等级C25;梁内受力钢筋为HRB335级,其他钢筋为HPB300级钢筋。
试对板、次梁和主梁进行设计。
图1.1 楼盖建筑平图二板设计板按考虑塑性内力重力分布方法计算,取1m宽板带为计算单元,有关尺寸及计算简图如图2.1所示,设板厚h=80mm。
图2.1 板的计算简图2.1 荷载计算水磨石面层:0.65KN/m²80mm厚钢筋混凝土板:25×0.08=2KN/m²20mm石灰砂浆抹底:17×0.02=0.34KN/m²恒载标准值:g k=0.65+2+0.34=2.99KN/m²活荷载标准值:q k=6KN/m²转化为线荷载:2.99×1m=2.99KN/m 6×1m=6KN/m荷载设计值:g+q=1.2×2.99+1.3×6=11.39KN/m《荷载规范》规定:对活荷载标准值大于4KN/m²的工业房屋楼面结构的活荷载,分项系数取1.32.2 内力计算初估次梁截面尺寸:高h=l/18~l/12=6600/18~6600/12=367~550 取h=450mm宽b=h/3~h/2=450/3~450/2=150~225 取b=200mm计算跨度取净跨:边跨 l0=2300-120-100+80/2=2120mm中间跨 l0=2300-200=2100mm因跨度差(2120-2100)/2100=0.9%,在10%以内,故可按等跨计算。
一、 结构布置及板梁截面的选定和布置1.1结构布置因为在肋形楼盖结构中,结构布置包括柱网、承重墙、梁格和板的布置,且需注意:对承重墙、柱网和梁格布置应满足建筑使用要求,且柱网尺寸宜尽可能大,内柱在满足结构要求的情况下尽可能少设;根据设计经验,主梁的跨度一般为 5m~8 m ,次梁为 4m~6 m 。
而对于单向板肋形结构设计需满足板的长边比短边大于2,即21/2l l ,按照课程设计题目和以上结构设计要求及经验布置次梁和主梁如图一图一 主梁和次梁布置情况1.2初步选定板和梁的截面尺寸 1.2.1板厚度的选定根据题目要求,取板的厚度h=80mm 1.2.2次梁的截面尺寸因为次梁高度取011~1812h l ⎛⎫=⎪⎝⎭,宽度取h b ⎪⎭⎫⎝⎛=21~31,初设o l =2L =5700mm ,取h=400mm ,b=200mm1.2.3主梁截面尺寸因为主梁高度取011~148h l ⎛⎫=⎪⎝⎭,宽度取h b ⎪⎭⎫⎝⎛=21~31,初设o l =1L =6600mm ,取h=600mm ,b=250mm1.3结构平面布置图,如图二图二结构平面布置图第一章单向板的设计2.1板的荷载计算2L / 1L =2.59>2为单向板,按塑性内力重分布方法计算其内力,对多跨连续板沿板的长边方向取1米宽的板带作为板的计算单元。
足够数量的构造钢筋,板的厚度如前述厚度h=80mm> 1l /40=2200/40=55mm,次梁的厚度取前述初选高度h=400mm,截面宽度b=200mm板的尺寸和支承情况如图三所示。
图三 板的尺寸和支承情况2.1.1板的永久荷载的计算20mm 厚水泥砂浆面层:0.02 ⨯ 20 = 0.4 2/KN m 80mm 厚现浇板自重: 0.08 ⨯ 25 = 2 2/KN m 15mm 厚板底抹灰 : 0.015 ⨯17 = 0.2552/KN m永久荷载标准值:k g= 0.4 + 2 + 0.255 = 2.6552/KN m线永久荷载设计值: g =1.05k g ⨯1= 1.05 ⨯ 2.655 =2.788/KN m2.1.2板的可变荷载的计算可变荷载标准值:k q = 6 2/KN m可变荷载设计值:q = 1.2 ⨯ 6 ⨯ 1 = 7.2 /KN m 每米板宽荷载设计值:2.788 /KN m + 7.2 /KN m = 9.988/KN m板上荷载具体情况及计算结果见表12.2板的计算跨度计算因为板在墙上的支承长度a 不小于120mm(取a=120mm),中间支座宽度即为次梁宽度。
土木工程知识点-单向板和双向板主要区别
单向板和双向板主要是从以下三个方面考虑的:
所谓单向板:
从长短边比值不看,按弹性理论长短之比大于或等于3,弹塑性理论长短边之比大于或等于2。
从受力上来看,长跨方向的弯矩可以忽略不计,板上荷载近视认为只沿短跨方向传递给长边,板只在长边方向受到支撑。
从配筋来看,分布钢筋与受力钢筋垂直,并且布置在受力钢筋的内侧,主要的作用是固定受力钢筋,将荷载均匀传递给受力钢筋。
承担由于温度等原因引起的应力。
所谓双向板:
从长短边的比值看,按弹性理论长短边之比小于3,弹塑性理论长短边之比小于2。
从板的受力来看,是沿着板的两个方向传递给四边支撑的,直接把弯距分配给板的两个方向的钢筋。
从配筋来看,双向板的两个方向的钢筋都是主筋,没有付筋的,一般眯说双向板都要双向配筋的,不在配分布筋。
对于双层双向配筋,底筋和上部负筋都贯通。
在空间上双向板有更好的刚度。
主梁与次梁在看图时,主要看它们的截面与配筋量,主梁的截面一般会比次梁大,配筋比次梁多。
有人认为建立新形式的标准化始走向建筑和谐的唯一道路,并且能用建筑技术加以成功地控制.而我的观点不同,我要强调的是
建筑最宝贵的性质是它的多样化和联想到自然界有机生命的生长.我认为着才是真正建筑风格的唯一目标.如果阻碍朝这一方向发展,建筑就会枯萎和死亡.要使建筑结构适合于环境,要注意到气候,地位和四周的自然风光,在结合目的来考虑的一切因素中,创造出一个自由的统一的整体,这就是建筑的普遍课题,建筑师的才智就要在这个可提到完满解决上体现。
一、 结构布置及板梁截面的选定和布置1.1结构布置因为在肋形楼盖结构中,结构布置包括柱网、承重墙、梁格和板的布置,且需注意:对承重墙、柱网和梁格布置应满足建筑使用要求,且柱网尺寸宜尽可能大,内柱在满足结构要求的情况下尽可能少设;根据设计经验,主梁的跨度一般为 5m~8 m ,次梁为 4m~6 m 。
而对于单向板肋形结构设计需满足板的长边比短边大于2,即21/2l l ,按照课程设计题目和以上结构设计要求及经验布置次梁和主梁如图一图一 主梁和次梁布置情况1.2初步选定板和梁的截面尺寸 1.2.1板厚度的选定根据题目要求,取板的厚度h=80mm 1.2.2次梁的截面尺寸因为次梁高度取011~1812h l ⎛⎫=⎪⎝⎭,宽度取h b ⎪⎭⎫⎝⎛=21~31,初设o l =2L =5700mm ,取h=400mm ,b=200mm1.2.3主梁截面尺寸因为主梁高度取011~148h l ⎛⎫=⎪⎝⎭,宽度取h b ⎪⎭⎫⎝⎛=21~31,初设o l =1L =6600mm ,取h=600mm ,b=250mm1.3结构平面布置图,如图二图二结构平面布置图第一章单向板的设计2.1板的荷载计算2L / 1L =2.59>2为单向板,按塑性内力重分布方法计算其内力,对多跨连续板沿板的长边方向取1米宽的板带作为板的计算单元。
足够数量的构造钢筋,板的厚度如前述厚度h=80mm> 1l /40=2200/40=55mm,次梁的厚度取前述初选高度h=400mm,截面宽度b=200mm板的尺寸和支承情况如图三所示。
图三 板的尺寸和支承情况2.1.1板的永久荷载的计算20mm 厚水泥砂浆面层:0.02 ⨯ 20 = 0.4 2/KN m 80mm 厚现浇板自重: 0.08 ⨯ 25 = 2 2/KN m 15mm 厚板底抹灰 : 0.015 ⨯17 = 0.2552/KN m永久荷载标准值:k g= 0.4 + 2 + 0.255 = 2.6552/KN m线永久荷载设计值: g =1.05k g ⨯1= 1.05 ⨯ 2.655 =2.788/KN m2.1.2板的可变荷载的计算l nl n l nbb a l 0=l n l 0=l n板:l 01= l n +h /2 和 l 01= l n +a /2 取小值可变荷载标准值:k q = 6 2/KN m可变荷载设计值:q = 1.2 ⨯ 6 ⨯ 1 = 7.2 /KN m 每米板宽荷载设计值:2.788 /KN m + 7.2 /KN m = 9.988/KN m板上荷载具体情况及计算结果见表12.2板的计算跨度计算因为板在墙上的支承长度a 不小于120mm(取a=120mm),中间支座宽度即为次梁宽度。
计算跨度按图三进行计算,其中,边跨: 取201hl l n +=,201a l l n += 两式较小值中间跨:n l l =0 2.2.1边跨的计算201hl l n +==2.2 - 0.12 - 0.2/2 + 0.08/2 =2.02 m 201al l n +==2.2 - 0.12 - 0.2/2 + 0.12/2 =2.04 m取0l =201h l l n += = 2.02 m2.2.2中间跨度计算0l = n l = 2.2 - 0.2= 2 m边跨与中间跨计算跨度相差:(2.02-2)/2=1%<10%,故按等跨连续板计算内力,由于其多余五跨连续板,按五跨计算内力,即计算跨度统一取01l =0l =2.02m,取1m 宽板作为计算单元, 计算简图见图四g+q=9.988/KN m图四 板的荷载计算简图2.2.3连续板各界面的弯矩计算板考虑塑性内力重分布后,各跨中及支座截面的弯矩系数α值按图五采用,各跨中及支座截面的弯矩按式20)(l q g M +=α计算, 而板一般均能满足斜截面抗剪承载力要求,所以只进行正截面承载力计算。
计算B 支座负弯矩时,计算跨度取相邻两跨的较大值。
板的弯矩计算见表2图五 板的各跨中及支座截面的弯矩系数α值表2 板的弯矩计算表截 面边跨中M 1B 支座M B中间跨中M 2、M 3中间支座M C2.3板的正截面承载能力计算和配筋计算因为对于板取1m 宽计算,即b=1000mm ;而b=80mm ,0h =h-20=60mm ,d γ=1.2,对于20c 混凝土,c f =10 2/mm N ,I 级钢筋,y f =2102/mm N ,而中间区格中间板的四周与梁整体连接,由于拱效应,弯矩有所降低,故M 2、M 3及M C 应降低20%各截面计算过程见表3 ,min ρ=0.15%(见教材附录四表3),As 查教材附录三表2。
表3板正截面承载力计算表第三章 次梁的设计3.1次梁的荷载计算按考虑塑性内力重分布的方法设计次梁,根据厂房的实际情况,对于楼盖的次梁和主梁上的可变荷载都不考虑其从属面积的荷载折减。
永久荷载包括:板传来的恒荷载、次梁自重和次梁底及两侧的粉刷重量;可变荷载仅考虑板传来的楼面活荷载。
前述已取主梁的梁高=600mm,梁宽b=250mm,次梁及有关尺寸和支承情况如图六图六:次梁的有关尺寸和支承情况3.1.1次梁的永久荷载设计值计算由前述荷载计算已知板传荷载:2.788 ⨯ 2.2 = 6.134 /KN m 次梁传来荷载:1.05 ⨯25 ⨯0.2 ⨯(0.4-0.08) = 1.68 /KN m 梁侧及地面抹灰:1.05⨯17⨯0.015⨯0.2+1.05⨯17⨯0.015⨯(0.4-0.08) ⨯2=0.25/KN m 次梁承受永久荷载设计值:6.134 + 1.68 + 0.25 = 8.064 /KN m 3.1.2次梁承受可变荷载设计值g=7.2 ⨯ 2.2 = 15.84 /KN m3.1.3次梁承受荷载设计值g+q=8.064 /KN m + 15.84 /KN m = 23.904 /KN m为了方面查阅和检验计算和主梁的设计和主梁荷载计算,现将次梁荷载的具体计算情况及结果列于表4表4:次梁的荷载计算表3.2 次梁的内力计算取梁掀入墙壁距离为a=240mm 3.2.1次梁边跨计算n l =5.7-0.12-0.25/2=5.455m /2n l a +=5.455+0.24/2=5.575m0.025n n l l +=1.025⨯5.455=5.591m>5.575m故 取 01l =/2n l a +=5.575m3.2.2次梁中间跨计算0l =n l =5.7-0.25=5.45m边跨与中间跨计算跨度相差:(5.575-5.45)/5.45=2.3%<10%故按等跨连续梁计算内力,计算简图如图七:23.904KNg q+=图七:次梁的计算简图3.3.3次梁的弯矩设计值和剪力设计值的计算由于次梁考虑塑性内力重分布,各跨中及支座截面的弯矩系数αmp值按图5及表八采用,各跨中及支座截面的弯矩按式2()mpM g q lα=+计算,具体计算结果见表5:表5: 次梁的弯矩系数及弯矩计算表截面位置边跨中M1B支座M B中间跨中M2、M3中间支座M C αmp1/11 -1/11 1/16 -1/14 计算跨度l0(m) 5.575 5.575 5.45 5.45 M=αmp (g+q)l02(kN.m) 67.541 -67.541 42.872 -50.715 注:为了保证结构在支座两侧不致发生破坏,保证结构的安全,在B支座处计算跨度取大值计算弯矩。
而次梁各支座截面的剪力系数αvb值按表九采用,剪力按式()vb nV g q lα=+计算,具体计算结果见表6:表6 次梁的剪力系数及计算表截面位置边支座Q A第一内支座Q B l第一内支座Q B r中间支座Q C l、Q C r3.4次梁的承载力计算因为支座承受负弯矩,翼缘位于受拉区,故按矩形截面进行设计;而跨中翼缘位于受压区,则按T 形截面计算,翼缘计算宽度按教材<<水工钢筋混凝土结构学>>第二版表3-3进行计算。
3.4.1正截面受弯承载力计算对于矩形截面配筋,'20d s c fMf b hγα=,而对于T 形截面,'''020()()d c f f f s c M f b b h h h f bhγα---=,1ξ=又20c 混凝土,c f =102/mmN ,Ⅱ级钢筋,y f =3102/mmN ,一类环境,取a=35mm,梁高h=400mm,0h =400-35=365mm, 翼缘厚度'f h =80mm 。
3.4.2翼缘计算宽度的计算对于T 形梁截面计算,翼缘计算宽度为:边跨:'fb =03l =5.575/3=1.858<n b s +=200+2000=2200mm=2.2m中间跨 :'f b =03l=5.45/3=1.82m3.4.3 T 形梁截面类型的判定对边跨: '''0[()]2f d c ffh f bh h γ-=[10⨯1858⨯80⨯(365-80/2)]⨯310-/1.2=402.57KN m ⋅>67.541KN m ⋅对中跨:'''0[()]2f d c ffh f bh h γ-=[10⨯1820⨯80⨯(365-80/2)]⨯310-/1.2=394.33KN m ⋅>52.554KN m ⋅故,对于所有T 形截面都按第一类情况计算,,即计算同计算高度为'f b 的矩形,钢筋截面积0c S yf bh A f ξ=3.4.4次梁正截面承载能力计算次梁正截面承载力计算过程及结果见表7。
表7: 正截面承载力计算表3.4.5次梁斜截面受剪承载力计算因为该副厂房属于3级建筑物,结构安全系数0γ=1.0,设计状况为正常运行状况,ϕ=1.0,混凝土结构系数d γ=1.2。
截面尺寸验算:wh =h =400-35=365mmw h b=365/200=1.825<4.0由前述计算已知,在第一内支座处剪力最大,配置腹筋若以其为控制要求,如果它满足抗剪要求,那么其他支座处也满足。
现对第一内支座lB Q 进行计算配置箍筋:对第一内支座lB Q 而言, 前述已知:00.25c f bh =182.5 KN m ⋅> d Vγ=1.2 ⨯78.166=93.8KN m ⋅,满足抗剪要求;c V =00.07c f bh =51.1KN m ⋅<d Vγ=1.2⨯78.166=93.8KN m ⋅,由计算确定腹筋。
初选双肢箍筋 6.5@200φ,即SV A =66.42mm ,S=200mm ,查《水工钢筋混凝土结构学》第三版表4-1得max S =250>200,初选满足要求。