工程施工现场强制性条文执行情况检查记录表
- 格式:doc
- 大小:34.50 KB
- 文档页数:2
基本规范强制性条文检查记录表
MTJ304331 工程项目名称:时间:年月日
单位工程名称结构类型
受检部位开工日期
建设单位项目负责人
监理单位总监理工程师
施工单位项目负责人
项目经理技术负责人专职检查员
《建筑工程施工质量验收统一标准》(GB 50300-2001)
强制性条文条号强制性条文内容检查内容
判定
A B C D
3.0.3 建筑工程施工质量应按下列要求进行验
收:
1、建筑工程施工质量应符合本标准和相
关专业验收规范的规定。
施工技术标准储备、执行、
降低、验收
2、建筑工程施工应符合工程勘察、设计
文件的要求。
按图施工、技术交底、设
计变更、组织设计
3、参加工程施工质量验收的各方人员应
具备规定的资格。
项目经理、技术负责人、
质检员、监理工程师4、工程质量的验收均应在施工单位自行
检查评定的基础上进行。
施工自检、监理(建设单
位)验收
5、隐蔽工程在隐蔽前应由施工单位通知
有关单位进行验收,并应形成验收文件。
施工自检、监理(建设单
位)验收
6、涉及结构安全的试块、试件以及有关
材料,应按规定进行见证取样检测。
措施、制度、人员、报告、
结果分析
7、检验批的质量应按主控项目和一般项
目验收。
主控项目和一般项目的填
写制度及落实
8、对涉及结构安全和使用功能的重要分
部工程应进行抽样检测。
制度、检测结果。
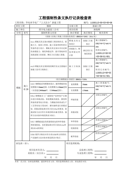
工程强制性条文执行记录检查表工程名称:华电奉节电厂“上大压小”新建工程编号:11000113-00-03-00-06单位工程烟囱分部工程基础工程施工单位四川电力建设三公司项目经理唐俊辉分项表号强制性条文内容执行要素执行情况相关资料模板施土表20《混凝土结构工程施工质量验收规范》GB50204-2002(2011版)4.1.1模板及其支架应根据工程结构形式、荷载大小、地基土类别、施工设备和材料供应等条件进行设计。
模板及其支架应具有足够的承载能力、刚度和稳定性,能可靠地承受浇筑混凝土的重量、侧压力以及施工荷载。
模板及其支架设计按施工方案执行施工措施编号:CSDJ-00-TJ-A61-0005检查记录编号:11000113-00-03-00-06-01-001承载能力、刚度和稳定性计算满足设计及规范要求4.1.3模板及其支架拆除的顺序及安全措施应按施工技术方案执行。
施工方案执行按施工方案执行施工措施编号:CSDJ-00-TJ-A61-0005检查记录编号:11000113-00-03-00-06-01-001《组合钢模板技术规范》GB50214-20012.2.2 钢模板采用模数制设计,通用模板的宽度模数以50mm进级,长度模数以150mm进级(长度超过900mm时,以300mm进级)。
宽度模数50mm施工措施编号:CSDJ-00-TJ-A61-0005长度模数150mm3.3.4 钢模板在工厂成批投产前和投产后都应进行荷载试验,检验模板的强度、刚度和焊接质量等综合性能,当模板的材质或生产工艺等有较大变动时,都应抽样进行荷载试验。
荷载试验标准应符合表3.3.4的要求,荷载试验方法应符合本规范附录E的要求,抽样方法应按本规范附录J执行。
焊接质量试验记录编号:荷载试验试验记录编号:3.3.5 钢模板成品的质量检验包括单件检验和组装检验,其质量标准应符合表3.3.5-1和表3.3.5-2的规定单件检验检查记录编号:组装检验检查记录编号:3.3.8 配件合格品应符合表3.3.8所示的要求,产品抽样方法应按本规范附录J执行。
强制性标准检查记录表表号:J01 施工单位编号:编号:页不够可增加,作为过程控制的依据之一。
检查时强制性标准尚应对照原文检查。
本表格的检查人员、检查情况栏目仅在阶段性检查时填写,并做为J04附表。
说明:本表用于过程中发现违反强制性标准问题的记录,处理情况中应说明监理单位的指令和问题处理闭环情况,处理人填写负责复查问题处理的监理人员,总(副)监理工程师对每一份记录进行签认(手签)。
表号:J03国电方家庄电厂2×1000MW机组工程(建筑工程施工质量验收统一标准)强制性条文执行检查表GB50300-2013受检单位:检查人员(签名):检查单位:检查人员(签名):附表:J04 国电方家庄电厂2×1000MW机组工程(地基处理)强制性条文执行检查表GB50202-2002工程名称:检查部位:检查日期:年月日附表:J05国电方家庄电厂2×1000MW机组工程(基坑支护)强制性条文执行检查表GB50202 -2002受检单位:受检查人(签名):检查单位:检查人员(签名):GB50330 -2013工程名称:检查部位:检查日期:年月日受检单位:受检查人(签名):检查单位:检查人员(签名):GB50202-2002工程名称:检查部位:检查日期:年月日受检单位:受检查人(签名):检查单位:检查人员(签名):(模板工程)强制性条文执行检查表GB50204-2015工程名称:检查部位:检查日期:年月日受检单位:受检查人(签名):检查单位:检查人员(签名):(钢筋工程)强制性条文执行检查表GB50204-2015工程名称:检查部位:检查日期:年月日受检单位:受检查人(签名)检查单位:检查人员(签名):附表:J10国电方家庄电厂2×1000MW机组工程(钢筋机械连接、焊接连接)强制性条文执行检查表JGJ18-2012工程名称:检查部位:检查日期:年月日受检单位:受检查人(签名)检查单位:检查人员(签名):附表:J11 国电方家庄电厂2×1000MW机组工程(混凝土工程)强制性条文执行检查表GB50204-2015工程名称:检查部位:检查日期:年月日附表:J12 国电方家庄电厂2×1000MW机组工程(钢结构工程)强制性条文执行检查表GB50205-2001工程名称:检查部位:检查日期:年月日附表:J13 国电方家庄电厂2×1000MW机组工程(砌体工程)强制性条文执行检查表GB50203-2011工程名称:检查部位:检查日期:年月日附表:J14 国电方家庄电厂2×1000MW机组工程(地面与楼面工程)强制性条文执行检查表GB50209-2010工程名称:检查部位:检查日期:年月日(装饰装修工程)强制性条文执行检查表GB50210-2001工程名称:检查部位:检查日期:年月日(屋面工程)强制性条文执行检查表GB50207-2012工程名称:检查部位:检查日期:年月日GB50243-2002GB50243-2002工程名称:检查部位:检查日期:年月日GB50303-2002附表:J20国电方家庄电厂2×1000MW机组工程(建筑给水、排水与采暖工程)强制性条文执行检查表GB50242-2002工程名称:检查部位:检查日期:年月日附表:J21 国电方家庄电厂2×1000MW机组工程(地下建筑防水工程)强制性条文执行检查表GB50208-2011工程名称:检查部位:检查日期:年月日国电方家庄电厂2×1000MW机组工程泵类设备安装分部工程强制性条文执行情况检查表表号:J21 编号:设备管道油漆分部工程强制性条文执行情况检查表表号:J22 编号:电气装置安装分部工程强制性条文执行情况检查表表号:J23 编号:国电方家庄电厂2×1000MW机组工程电气装置安装分部工程强制性条文执行情况检查表国电方家庄电厂2×1000MW机组工程电气装置安装分部工程强制性条文执行情况检查表国电方家庄电厂2×1000MW机组工程电气装置安装分部工程强制性条文执行情况检查表国电方家庄电厂2×1000MW机组工程电气装置安装分部工程强制性条文执行情况检查表国电方家庄电厂2×1000MW机组工程电气装置安装分部工程强制性条文执行情况检查表国电方家庄电厂2×1000MW机组工程国电方家庄电厂2×1000MW机组工程电气装置安装分部工程强制性条文执行情况检查表表号:J31 编号:。
建筑工程施工强制性条文检查全套记录表格————————————————————————————————作者:————————————————————————————————日期:建筑工程施工强制性条文实施指南(附件一)附表1 基本要求附件一建筑工程施工强制性条文检查记录“判定”填写说明:1、A表示符合强制性标准; B表示可能违反强制性标准,经检测单位检测,设计单位核定后,再判定;C表示违反强制性标准;D表示严重违反强制性标准。
2、由多项内容组成为一条的强制性条文,取最低级判定为条的判定。
附表3 混凝土结构工程“判定”填写说明:1、A表示符合强制性标准; B表示可能违反强制性标准,经检测单位检测,设计单位核定后,再判定;C表示违反强制性标准;D表示严重违反强制性标准。
2、由多项内容组成为一条的强制性条文,取最低级判定为条的判定。
“判定”填写说明:1、A表示符合强制性标准; B表示可能违反强制性标准,经检测单位检测,设计单位核定后,再判定;C表示违反强制性标准;D表示严重违反强制性标准。
2、由多项内容组成为一条的强制性条文,取最低级判定为条的判定。
“判定”填写说明:1、A表示符合强制性标准; B表示可能违反强制性标准,经检测单位检测,设计单位核定后,再判定;C表示违反强制性标准;D表示严重违反强制性标准。
2、由多项内容组成为一条的强制性条文,取最低级判定为条的判定。
“判定’’填写说明:1.A表示符合强制性标准;B表示可能违反强制性标准,经检测单位检测,设计单位核定后,再判定;C表示违反强制性标准。
2.由多项内容组成为一条强制性条文,取最低级判定为条的判定。
附件二建设部关于贯彻执行建筑工程勘察设计及施工质量验收规范若干问题的通知建标【2002】212号国务院各有关部门,各省、自治区建设厅,直辖市建委及有关部门,新疆生产建设兵团建设局,各有关协会:为了贯彻执行《建设工程质量管理条例》,加强工程建设标准化工作,我部最近批准发布了《建筑结构可靠度设计统一标准》等7项建筑工程勘察设计规范和《建筑工程施工质量验收统一标准》等14项建筑工程施工质量验收规范(以下简称“新版规范”,详见附件)。
国电桦川(中伏)风力发电场工程承台、箱变基础工程
《工程建设标准强制性条文》
执行记录表
西北水利水电工程有限责任公司
桦川项目部
二○○九年七月
专业:建筑工程
专业:建筑工程
专业:建筑工程
专业:建筑工程
执行《工程建设标准强制性条文》执行记录表专业:建筑工程
执行《工程建设标准强制性条文》执行记录表专业:建筑工程
专业:建筑工程
专业:建筑工程
专业:建筑工程
专业:建筑工程
专业:建筑工程
专业:建筑工程
专业:建筑工程
专业:建筑工程
专业:建筑工程。
SZLX23输变电工程施工强制性条文执行记录表
开工前施工准备强制性条文执行记录表
SZLX23输变电工程施工强制性条文执行记录表
基础工程开工前强制性条文执行记录表
项目部质检员(安全员):专业监理工程师:
年月日年月日SZLX23输变电工程施工强制性条文执行记录表
基础施工强制性条文执行记录表
SZLX23输变电工程施工强制性条文执行记录表
基础施工强制性条文执行记录表
年月日
SZLX23输变电工程施工强制性条文执行记录表
杆塔工程开工前强制性条文执行记录表
项目部质检员(安全员): 专业监理工程师:
年月日
年月日
SZLX23输变电工程施工强制性条文执行记录表
项目部质检员(安全员):
专业监理工程师:
年月日
杆塔施工强制性条文执行记录表
编号:SZLX23-GTSG- 项目部质检员(安全员): 专业监理工程师:
SZLX23输变电工程施工强制性条文执行记录表
架线工程开工前强制性条文执行记录表
SZLX23输变电工程施工强制性条文执行记录表
架线工程施工强制性条文执行记录表
SZLX23输变电工程施工强制性条文执行记录表
35kV及以下架空电力线路架线工程施工强制性条文执行检查表
SZLX23输变电工程施工强制性条文执行记录表
接地施工强制性条文执行记录表
精心整理
SZLX23输变电工程施工强制性条文执行记录表
竣工投产前强制性条文执行记录表
SZLX23输变电工程施工强制性条文执行记录表
架空送电线路工程施工安全强制性条文执行记录表
编号:SZLX23-XLAQ-
项目部质检员(安全员): 专业监理工程师:
年月日年月日。
建筑工程施工强制性条文检查全套记录表格概述建筑工程施工强制性条文检查全套记录表格是用于建筑工程施工过程中对强制性条文的检查,方便事后评估和整改的记录表格。
在建筑工程施工过程中,要遵守一定的强制性条文,保证工程的质量和安全。
本文档将会介绍建筑工程施工强制性条文的检查内容,并提供全套记录表格。
检查内容建筑工程施工过程中需要遵守的强制性条文众多,本文档将介绍其中的11项内容。
在施工过程中,需要对这些条文进行记录和检查,确保工程的质量和安全。
1. 安全生产法律法规建筑施工现场必须遵守《中华人民共和国安全生产法》以及其他相关法律法规,建立健全安全生产责任制度,确保施工过程中的安全生产。
在检查中需要记录施工现场是否符合相关法律法规的规定。
2. 建筑工程质量管理建筑工程施工过程中需要遵守国家标准和相关规定,建立健全工程质量管理制度,确保工程质量符合相关标准。
在检查中需要记录是否保证工程质量符合相关标准。
3. 建筑工程施工标准建筑工程施工需要符合国家标准和相关规定,确保建筑物的结构、耐火性能、隔声隔热、抗震性、防水防潮等性能符合规定。
在检查中需要记录是否符合国家标准和相关规定的要求。
4. 施工现场环境保护建筑工程施工过程中需要保护环境,遵守环保法律法规,减少对环境的影响。
在检查中需要记录是否符合相关环保法律法规的规定。
5. 消防安全建筑工程施工过程中需要符合国家消防法律法规,建立消防安全责任制度,保证施工现场的消防安全。
在检查中需要记录消防设施和消防通道等是否符合相关规定。
6. 劳动保护建筑工程施工过程中需要保障劳动者的合法权益,遵守劳动法律法规,预防职业病和事故的发生。
在检查中需要记录是否符合相关的劳动法律法规。
7. 施工组织设计建筑工程施工需要有相应的组织设计,保证施工安全,符合国家标准和相关规定。
在检查中需要记录是否有施工组织设计,并是否符合相关标准和规定。
8. 施工计划管理建筑工程施工需要有合理的施工计划,保证施工进度和质量。