热轧圆钢和方钢的尺寸规格
- 格式:doc
- 大小:103.00 KB
- 文档页数:2
建筑用钢材规格型号建筑用钢材可以分为钢结构用钢材,及土建用钢材。
钢结构用钢材主要为低合金钢(Q345系列)及普通结构钢(Q235系列)板材,部分重要结构设计中要求钢材采用带有z15,Z25,Z35等Z向性能要求的材料。
轻钢主结构多采用Q235材料,重钢主结构多采用Q345材料,预埋地脚螺栓多采用Q235圆钢,拉条多为热轧钢筋,另外角钢、槽钢、H型钢等型钢也有少量使用。
土建钢材主要为螺纹钢、圆钢、线材及型钢等。
1、螺纹钢热轧带肋钢筋的牌号由HRB和牌号的屈服点最小值构成。
H、R、B分别为热轧(Hotrolled)、带肋(Ribbbed)、钢筋(Bars)三个词的英文首位字母。
热轧带肋钢筋分为HRB335(老牌号为20MnSi)、HRB400(牌号为20MnSiV、20MnSiNb、20MnTi)、HRB500三个牌号。
钢筋混凝土用钢筋是指钢筋混凝土配筋用的直条或盘条状钢材,其外形分为光圆钢筋和变形钢筋两种,交货状态为直条和盘圆两种。
光圆钢筋实际上就是普通低碳钢的小圆钢和盘圆。
变形钢筋是表面带肋的钢筋,通常带有2道纵肋和沿长度方向均匀分布的横肋。
横肋的外形为螺旋形、人字形、月牙形3种。
用公称直径的毫米数表示。
变形钢筋的公称直径相当于横截面相等的光圆钢筋的公称直径。
钢筋的公称直径为8-50毫米,推荐采用的直径为8、12、16、20、25、 32、40毫米。
钢种:20MnSi、20MnV、25MnSi、BS20MnSi。
钢筋在混凝土中主要承受拉应力。
变形钢筋由于肋的作用,和混凝土有较大的粘结能力,因而能更好地承受外力的作用。
钢筋广泛用于各种建筑结构、特别是大型、重型、轻型薄壁和高层建筑结构。
产品标准:(GB1499-1991、BS4449:1988)规格:8、10、12、14、16、18、20、22、25、28、32、36、40、50mm 含钒新Ⅲ级螺纹钢筋(20MnSiV、400Mpa)在生产过程中加入了钒、铌、钛等合金,与普通Ⅱ级螺纹钢筋相比,具有强度高、韧性好、焊接性能和抗震性能良好的优点。
圆钢偏差规范要求热轧圆钢和方钢尺寸、外形、重量及允许偏差本标准规定了热轧圆钢和方钢的截面形状、截面尺寸、重量及允许偏差、长度及允许偏差、外形、钢材交货重量、标记示例等。
本标准适用于直径为5.5mm250mm的热轧圆钢和边长为5.5mm200mm的热轧方钢。
锻制钢棒尺寸、外形、重量及允许偏差本标准代替GB/T90-197《锻制圆钢和方钢尺寸、外形、重量及允许偏差》和GB/T-1997《锻制扁钢尺寸、外形、重量及允许偏差》本标准规定了锻制钢棒(包括圆钢、方钢、扁钢)尺寸、外形、重量及允许偏差。
本标准适用于直径或边长为50mm~400mm的圆钢和方钢及厚度为20mm~160mm、宽度40mm~300mm的扁钢。
本标准与原标准相比,主要修订内容如下:——标准名称修改为《锻制钢棒尺寸、外形、重量及允许偏差》——圆钢直径由250mm增加至400mm方钢的边长由250mm增加至400mm并相应增另了尺寸允许偏差;——取消了GB/T 90-197标准中工具钢和轴承钢的尺寸偏差应符合表组的规定——取消了GB/T -1997标准中工具钢的尺寸偏差应符号表组的规定银亮钢本标准代替GB/T 3207-19《银亮钢》本标准规定了银亮钢的术语及定义、分类代号、尺寸、外形、重量及允许偏差、技术要求、试验方法、检验规则、标志和质量证明书、包装、运输和贮存等要求。
本标准适用于对表面质量有较高要求的剥皮、磨光和抛光圆钢。
本标准与GB/T 3207-19相比,主要技术变化如下:———银亮钢直径范围由0.6mm~0mm扩大为1.0mm~10mm———增加银亮钢和剥皮材的定义,修改了磨光材的定义;———取消原标准交货状态中的磨拉———增加了直径大于0mm的参考截面积及参考重量;。
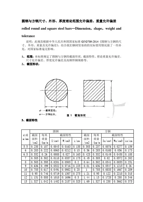
圆钢与方钢尺寸、外形、厚度理论范围允许偏差、重量允许偏差rolled round and square steel bars—Dimension,shape,weight and tolerance说明:此规范根据中华人民共和国国家标准GJ/G709-2014《圆钢与方钢的尺寸、外形、重量及允许偏差》,结合我们钢材贸易商的实际使用情况做了一些补充,对国家标准毫无影响。
1、范围:本标准规定了圆钢与方钢的截面形状、截面特性、理论重量允许偏差、尺寸允许偏差、厚度允许偏差及高频焊钢规格等。
2、截面形状:3、截面特性d或a/mm圆钢方钢截面面积/cm2每米重量/kg/m截面特性截面面积/cm2每米重量/kg/m截面特性I/cm4 W/cm3 i/cm Ix/cm4 Wx/cm3 ix/cm678910 1121314151617181920 421222324252627282930 9313233343536 143840 1 1642454850 255255565860 36 108 36 636568 10570 497580 2 6490 8195100 100105 1013110 121 1220115 1458120 1018 3 144 113 1728 288 125 1198 2035130 1402 169 2380140 1886 196 3201150 2485 225 4219160 3217 4 256 201 5461170 227 4100 289 6960180 5153 324 8748 972 190 6397 361 10860 1143 200 7854 5 400 314 13333 1333 210 9547220 11499 1045240 16286 1357 6250 19175 15344、理论重量与允许偏差圆钢直径d 理论重量/(kg/m)圆钢直径d 理论重量/(kg/m)方钢边长圆钢方钢方钢边长a/mm 圆钢方钢a/mm566 58607 638 65 269 6810 7011 7512 8013 8514 9015 9516 10017 105 6818 2 110 9519 115 10420 120 11321 125 12322 130 104 13323 135 112 14324 140 121 15425 145 130 16526 150 139 17727 155 148 18928 160 158 20129 165 168 21430 170 178 22731 180 200 25432 190 223 28333 200 247 31434 210 27235 220 29836 230 32638 240 35540 250 38542 260 41745 270 44948 280 48350 290 51853 22 300 55555 310 592截面公称尺寸尺寸允许偏差(圆钢直径或方钢1组2组3组边长)~7 ±±±>7~20 ±±±>20~30 ±±±>30~50 ±±±>50~80 ±±±>80~110 ±±±>110~150 ±±±>150~200 ±±±>200~280 ±±±>280~310 ——±6、圆钢与方钢(包括连轧钢板)厚度允许偏差公称厚度普通精度公称厚度普通精度>1200~1500>1500~1800 >1800>1200~1500>1500~1800>1800注:规定最小屈服强度≥345,厚度偏差应增加10%。
圆钢的直径标准是指圆钢的直径大小,通常以毫米(mm)为单位。
圆钢的直径标准是根据其用途和需求而确定的,不同的行业和领域对圆钢的直径要求也不同。
在中国,圆钢的直径标准是根据国家标准《GB/T 702-2008 热轧圆钢和方钢》来规定的。
根据该标准,圆钢的直径范围从3mm到100mm不等,每隔5mm为一个规格。
例如,直径为3mm、8mm、13mm、18mm、23mm、28mm、33mm、38mm、43mm、48mm、53mm、58mm、63mm、68mm、73mm、78mm、83mm、88mm、93mm、98mm和100mm等都是常见的圆钢直径规格。
除了国家标准外,不同行业和领域还有自己的圆钢直径标准。
例如,建筑行业中常用的圆钢直径规格为6.5mm、8mm、10mm、12mm等;机械制造行业中常用的圆钢直径规格为10mm、12mm、14mm、16mm等;汽车行业中常用的圆钢直径规格为5mm、6.5mm、8mm等。
需要注意的是,圆钢的直径标准只是一个参考值,实际使用时还需要根据具体需求进行选择。
同时,圆钢的直径也会受到生产工艺和设备的限制,因此在实际生产中可能会有一些偏差。
热轧钢板的规格型号
热轧钢板作为建筑业,机械制造及其他领域中最常用的材料,其使用规格型号也是十分繁多。
一般来说热轧钢材分为热轧钢板和热轧钢带、热轧钢圆筒。
热轧钢板常用的规格有:1.5-25mm厚度,600-2650mm宽度和500-12000mm长度。
主要材质有普通低碳钢、普通中碳钢、Q235、Q345等多种。
热轧钢圆筒的规格也有各种各样:内径從φ15mm至φ630mm以上,外径從φ30mm至φ1230mm以上,厚度可达10-90mm,材质有Q195,Q235,Q345,Q420,20# 45#等。
此外,还可以根据客户的要求,订制不同规格型号的热轧钢板、带和圆筒。
热轧钢板用于一些特殊用途,也具有不同的规格、材质和外形特征。
一、钢板
1、钢板
钢板系不固定边部变形的热轧扁平钢材,包括直接轧制的单轧钢板和由宽钢带剪切成的连轧钢板.
2、按厚度变成种类分
N类偏差:正偏差和负偏差相等;
A类偏差:按公称厚度规定负偏差;
B类偏差:固定负偏差为0。
3mm;
C类偏差:固定负偏差为零,按公称厚度规定正偏差。
3、尺寸
1、单轧钢板厚度允许偏差单位:mm
2、切边单轧钢板的宽度允许偏差单位:mm
3、长度允许偏差单位:mm
二、圆钢
适用于直径为5。
5mm~310mm的热轧圆钢和边长为5.5mm~200mm的热轧方钢。
1、热轧圆钢和方钢的尺寸允许偏差单位:mm
2、热轧圆钢和方钢通常长度及短尺寸长度单位:mm
3、热轧圆钢不圆度及方钢对角线长度单位:mm
三、刮板钢、槽帮钢
适用于制造刮板输送机用刮板钢和槽帮钢系列异型钢
1、品种、型号、尺寸、截面面积、理论重量及尺寸允许偏差
2、钢板钢和槽帮钢交货长度及允许偏差单位:mm
四、槽钢
1、工字钢、槽钢尺寸、外形允许偏差单位:mm。
热轧方钢规格
热轧方钢规格是指热轧生产工艺下所生产的方形截面钢材的规格尺寸。
热轧方钢具有较高的强度和韧性,广泛应用于建筑、桥梁、机械制造等领域。
下面将介绍几种常见的热轧方钢规格。
一、20mm×20mm的热轧方钢
这种规格的热轧方钢主要用于制造机械零件、建筑结构和桥梁等。
其截面形状为正方形,边长为20mm,具有较高的强度和刚性,适用于承受较大荷载的场合。
二、50mm×50mm的热轧方钢
这种规格的热轧方钢常用于制造建筑结构、机械零件和轴承等。
其截面形状为正方形,边长为50mm,具有较高的强度和耐磨性,适用于承受冲击和挤压等工作条件的场合。
三、100mm×100mm的热轧方钢
这种规格的热轧方钢常用于制造大型机械设备、建筑结构和桥梁等。
其截面形状为正方形,边长为100mm,具有较高的承载能力和抗压能力,适用于承受大荷载和剪切力的场合。
四、150mm×150mm的热轧方钢
这种规格的热轧方钢常用于制造重型机械设备、大型建筑结构和桥梁等。
其截面形状为正方形,边长为150mm,具有较高的强度和耐腐蚀性,适用于承受极大荷载和恶劣工作环境的场合。
五、200mm×200mm的热轧方钢
这种规格的热轧方钢常用于制造超大型机械设备、重型建筑结构和桥梁等。
其截面形状为正方形,边长为200mm,具有极高的承载能力和抗震能力,适用于承受极大荷载和地震力的场合。
热轧方钢规格多种多样,根据不同的使用需求选择合适的规格尺寸非常重要。
在使用热轧方钢时,还需注意其表面质量、化学成分和机械性能等指标,确保其满足工程要求。
常用钢材的种类与规格ΦΦ常用钢材的种类有型钢、钢板、钢管和钢丝等。
一、型钢常见的型钢有圆钢、方钢、扁钢、六角钢、八角钢、工字钢、槽钢、角钢、异型钢、盘条等。
每种型钢的规格都有一定的表示方法。
圆钢的规格以直径表示,如圆钢φ20mm。
方钢的规格以“边长×边长”表示,如方钢20mm×20mm。
扁钢的规格以“边宽×边厚”表示,例如扁钢20mm×10mm。
工字钢和槽钢的规格以“高×腿宽×腰厚”表示,如工字钢100mm×55mm×405mm,槽钢200mm×75mm×9mm。
等边角钢的规格以“边宽×边宽×边厚”表示;不等边角钢的规格以“长边宽×短边宽×边厚”表示,如80mm×50mm×6mm。
二、钢板钢板通常分为薄板(厚度≤4mm)、厚板(厚度>4mm)和钢带。
厚板经热轧而成,薄板有热轧和冷轧两种。
薄板可经热镀锌、电镀锡等处理,制成镀锌薄钢板(俗称白铁皮)和镀锡薄钢板(俗称马口铁)。
钢带是厚度较薄、宽度较窄、长度很长的钢板,也分热轧和冷轧两种。
三、钢管钢管分为无缝钢管和焊接钢管,断面多为圆形。
无缝钢管的规格以“外径×壁厚×长度” 表示,若无长度要求,则只写“外径×壁厚”。
四、钢丝钢丝的种类很多,其规格以直径表示。
钢铁材料现场鉴别方法一、火花鉴别火花鉴别是将钢铁材料轻轻压在旋转的砂轮上打磨,观察所迸射出的火花形状和颜色,以判断钢铁成分范围的方法。
材料不同,其火花也不同。
二、色标鉴别生产中为了表明金属材料的牌号、规格等,通常在材料上做一定的标记,常用的标记方法有涂色、打印、挂牌等。
金属材料的涂色标志用以表示钢种、钢号,涂在材料一端的端面或外侧。
成捆交货的钢应涂在同一端的端面上,盘条则涂在卷的外侧。
具体的涂色方法在有关标准中做了详细的规定,生产中可以根据材料的色标对钢铁材料进行鉴别。
圆钢与方钢尺寸、外形、厚度理论范围允许偏差、重量允许偏差rolled round and square steel bars—Dimension,shape,weight and tolerance说明:此规范根据中华人民共和国国家标准GJ/G709-2014《圆钢与方钢的尺寸、外形、重量及允许偏差》,结合我们钢材贸易商的实际使用情况做了一些补充,对国家标准毫无影响。
1、范围:本标准规定了圆钢与方钢的截面形状、截面特性、理论重量允许偏差、尺寸允许偏差、厚度允许偏差及高频焊钢规格等。
2、截面形状:3、截面特性d或a/mm圆钢方钢截面面积/cm2每米重量/kg/m截面特性截面面积/cm2每米重量/kg/m截面特性I/cm4 W/cm3 i/cm Ix/cm4 Wx/cm3 ix/cm5.5 0.238 0.187 0.0045 0.0163 0.138 0.303 0.237 0.0076 0.0277 0.1596 0.283 0.222 0.0063 0.0212 0.15 0.36 0.283 0.0108 0.036 0.1736.5 0.332 0.26 0.0088 0.027 0.163 0.423 0.332 0.0149 0.0458 0.1887 0.385 0.302 0.0118 0.0337 0.175 0.49 0.385 0.02 0.0572 0.2028 0.503 0.395 0.0201 0.0503 0.2 0.64 0.502 0.0341 0.0853 0.2319 0.636 0.499 0.0322 0.0716 0.225 0.81 0.636 0.0547 0.1215 0.2610 0.785 0.617 0.0491 0.0982 0.25 1 0.785 0.0833 0.1667 0.28911 0.95 0.746 0.0719 0.1307 0.275 1.21 0.95 0.122 0.2218 0.31812 1.131 0.888 0.1018 0.1696 0.3 1.44 1.13 0.1728 0.288 0.34613 1.327 1.042 0.1402 0.2157 0.325 1.69 1.327 0.238 0.3662 0.3754、理论重量与允许偏差6、圆钢与方钢(包括连轧钢板)厚度允许偏差GJ/G709-2014规定1、材质的牌号和化学成分应符合GB/T700(普碳)、GB/T1591(低合金)的规定。
热轧圆钢和方钢尺寸外形重量及允许偏差
摘要:
一、热轧圆钢和方钢的概述
二、热轧圆钢和方钢的尺寸、外形、重量范围
三、热轧圆钢和方钢的允许偏差
四、相关标准及实施时间
正文:
一、热轧圆钢和方钢的概述
热轧圆钢和方钢是建筑和机械制造等领域中常用的钢材类型。
热轧圆钢和方钢的特点是外形规整、尺寸精确、强度高、韧性好,广泛应用于建筑结构、机械制造、汽车制造等行业。
二、热轧圆钢和方钢的尺寸、外形、重量范围
1.热轧圆钢的尺寸范围为直径5.5mm 至380mm,方钢的边长范围为5.5mm 至300mm。
2.热轧圆钢和方钢的外形规整,表面光滑,无明显凸起和凹陷。
3.热轧圆钢和方钢的重量可通过公式:重量(kg/m)= 截面面积(mm)× 厚度(mm)× 密度(kg/mm)计算,其中密度一般取为7850 kg/mm。
三、热轧圆钢和方钢的允许偏差
1.尺寸偏差:根据国家标准GB/T 14981-2009《热轧圆盘条尺寸、外形、重量及允许偏差》,热轧圆钢和方钢的尺寸允许偏差包括公称直径、公称边长、厚度、宽度、长度等方面。
2.外形偏差:热轧圆钢和方钢的外形允许偏差包括直线度、平面度、圆度、角度等方面。
3.重量偏差:热轧圆钢和方钢的重量允许偏差为±5%。
四、相关标准及实施时间
1.热轧圆钢和方钢的尺寸、外形、重量及允许偏差的国家标准为GB/T 14981-2009,于2009 年12 月22 日发布,2010 年1 月1 日实施。