IC-IQC-04物料免检规定A2
- 格式:doc
- 大小:575.50 KB
- 文档页数:6
技术公司 IQC物料检验
规范
Document number:BGCG-0857-BTDO-0089-2022
FM-QM-XX-01 Ver: A0
8.1. 板弯:将PCB凸面朝上,放置于平板玻璃上,用塞规测量其凸起的高度。
(如图一)
8.2. 板翘与板扭:将PCB翘曲面朝上,放置于平板玻璃上,用塞规测量其翘起的高度。
(如图二)
6.2.1 I级面:
I级面应定义为操作人员随时可以看得见的区域,是外观要求最严格之处。
如:整机的顶面及正前面;
6.2.2 II级面:
II级面定义为操作人员偶尔可见的区域,其外观要求次于I级面的要求。
如:整机的背面及侧面;
6.2.3 III级面:
III级面定义为操作人员极少看见的区域,其外观要求次于II级面的要求。
如:整机的底面;
6.2.4 IV级面:
IV级面定义为操作人员看不见的区域,其外观要求最低。
如:整机的内部。
6.2.5 I,II,III等级面示意图:。
作业指导书
目的:
规定来料检验流程,确保采购进仓的原材料、辅助材料为合格品,符合本公司原材料质量要求。
适用范围:
适用于本公司原材料、辅助材料的进厂检验。
职责:
仓管员:原材料的验收、入帐、储存、发放;
IQC:按验收流程和《检验指导书》进行检验
定义:
IQC——来料检验
作业规定:
本公司的主要原材料有
电子元器件:电阻、电容、数字集成IC、模拟集成IC、其他IC、电感、磁珠、电子管等。
加工件: 贴片类、外购模块类、标贴、铭牌、薄膜开关
结构件: 结构半成品、产品专用结构件、国标件、企标件
包装材料: 纸箱、PE袋、仪器箱等
其他类: 插针、插头、插座、端子、接头
检查分为外观/尺寸检查、试验和工艺认证:
外观检查:
本公司内除特别规定外,目视外观检验方法:a.在距工作台面1米左右的高度,40W日光灯下进行检验。
B.不应使 部件对单一光源产生反射,以避免强化表面缺陷,目测时不应利用直接反射光。
C.检验时不应使用放大设备。
D.检验者视力必须是1.0以上或矫正后达到1.0以上,如检验物料为MSD敏感元件需配戴静电环
尺寸检查:
依本指导书指导之相关图纸或相关行业或国家标准为依据
试验认证:
依本指导书之试验要求进行相关实验验证
工艺认证:
依本指导书之相关要求进行相关实验验证。
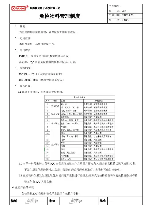
IQC检验作业规定1. 目的:规定IQC作业规范及检验标准、步骤,保证物料品质满足我司之要求。
2. 适用范围:本规定适用DXC工厂所有进料检验。
3. 权责:略4. 用语定义:略5. 规定:5.1 检验:5.1.1检验内容:主要检查包装、外观、尺寸参数及性能,依据《物料检验规范》(WI-IQC-XX)、《图纸》及样品检验;(检测工具不可使用已过校正期或贴了“禁止使用”标贴以及没有校正标贴的工具仪器)。
5.1.2抽样方案(严格度调整见附件):5.1.2.1 参照MIL-STD-105D单次抽检方式Ⅱ级水准正常检验;5.1.2.2 品质极不稳定可以加严采用MIL-STD-105D Ⅲ级水准;5.1.2.3 品质稳定时,生产线/客户无投诉可以放宽检验采用MIL-STD-105D Ⅰ级水准。
5.1.3合格质量水准规定(AQL)5.1.3.1不良分类定义:致命不良(CR):危害人体、引发灾难、对社会产生重大影响的不良。
主要不良(MA):不能达到产品预期目的,影响产品性能以及降低产品实用性的不良。
次要不良(MI):基本不影响产品的实用性、操作等的不良。
5.1.3.2接收水准CR: 0 MA:0.4 MI:1.05.1.4 材料检验LOT构成。
原则上以送货量为LOT的形式。
5.1.5 样本的抽检方式:随机。
5.1.6检验后合格以带月份的颜色PASS标识入库。
5.1.7不合格则采用《进料特采作业规定》(IC-IQC-02)作业。
5.1.8重要物料定期进行信赖性实验。
5.2检验步骤5.2.1 仓库清点暂收,并将物品状态标识后,送“待检单” (DXC-WRFM-10)给IQC;5.2.2 IQC接到“待检单” (DXC-WRFM-10)后,首先确认该来料是否在“合格供应商清单” (DXC-PUFM-03)之内的供应商所供,否则给予判退;5.2.3若物料属免检物料,则参照《物料免检规定》(IC-IQC-03)作业;5.2.4正常物料,参照抽检方案进行检验(来料检查流程、请参见附件);5.2.5物料检验合格,必须标识带月份的颜色PASS标签,且作成“来料检验单”(DXC-QDFM-30)交组长,课长审鉴阅;5.2.6来料检验不合格,则按《进料特采作业规定》(IC-IQC-02)作业后,再将“来料检验单” (DXC-QDFM-30)(不合格)反馈到IQC检验员处进行标识;5.2.7检验员在“待检单”(DXC-WRFM-10)IQC判定栏鉴定检验结果,再由文员“待检单”(DXC-WRFM-10)统一返回仓库;5.2.8文员将每天“来料检验单”(DXC-QDFM-30)分类归档,并作成“IQC每日检验品质现况”(DXC-QDFM-06)和“供应商交货品质履历表” (DXC-QDFM-14);5.2.9文员将检验结果做成“品质月报” (DXC-QDFM-50),并E-mail相关部门。
IQC来料检验标准一看采购订单,二看物料,三看标准,四才检,五出报告一、贴片类1)PCB板检验比例:每批次10片检验方发:目视检验项目:1)PCB丝印是否正确2)焊盘是否氧化3)P CB是否变型2) 电容、电阻、电感抽检比例:5PCS/盘检验方法:测试(万用表、电容表)及目视检验项目:1)检测料件实际数值与料盘标示数值是否相同或在误差范围内2)料件焊盘是否氧化3)料件表面有无断裂4)是否是按BOM要求的允许及供应商品牌。
3) 二极管、三极管、IC抽检比例:5PCS/盘检验方法:测试(测试架)及目视检验项目:1)性能测试(测试架)2)料件焊盘是否氧化3)料件表面有无断裂4)对照样品丝印.(实物)5)是否是按BOM要求4) CPU(2085.2051)检验比例:5PCS/盘检验方法:测试(测试架)检验项目:功能测试,引脚平整度,垂直度良好,无氧化5)按键、拨动开关、拨轮址抽检比例:每批号抽检5%(总数小于20PCS)检验方法:目视、高温测试(高温箱)及制具测试检验项目:1)焊盘是否氧化2)料件是否手感良好(高温前后)3)料件是否100%可以触发(老化220度、10分钟后,制具测试)6) 贴片USB接头检验比例:每批次10pcs检验方法:目视检验项目:1)焊盘有无氧化2)金手指折弯处是否有明显压痕3)定位柱是否正确4)焊盘引脚平整度是否良好二、手焊类:1)排线、晶振、免检注:如以上物料在生产中出现品质问题则针对问题点连续五批抽检、直至连续三批没有问题方可恢复免检。
2)电池(充电电池)抽检比例:每批号3%检验项目:1)尺寸、(a物料规格,b实际装机)2)电压大于3.7V3)电池充放电时间(按实际情况检测)4) 电池容量3)背光源抽检比例:每包2%(总数小于5PCS)检验项目:1)尺寸(料件使用规格)2)表面有无异物、污垢锡纸折弯是否过长3)发光是否艳丽光亮,七彩是否缺色偏色4)OLED抽检比例:10%检验方法:性能测试,目视检验项目:1)有无缺画、多画、偏暗、偏亮、偏色(测试架检验)2)有无划伤、压伤、焊盘有无氧化5)USB接头抽检比例:每批号2%(总数小于5PCS)检验方法:目视检验项目:1)焊盘有无氧化2)金手指折弯处是否有明显压痕3)尺寸宽12mm±0.30,高4.5mm±0.3,戴帽检查4)用USB线与USB接头进行试插,看是否合适6)耳机扦座:抽检比例:每批号2%检验方法:目视,组装检验项目:1)焊脚有无氧化,缺少,塑皎破裂2)插耳机10次看有无松动,接触不良等现象7)正负极检验比例:每批号10pcs.检验方法:目视实组检验项目:1)有无氧化和镀金不良2)确认是否与样品一致(圈数,软硬度)3)实组后电池是否松动8)LCM抽检比例:每批号:10%检验项目:1)有无缺画,多画2)有无屏划伤,压伤,焊盘有无氧化9)FM模块抽检比例:每批号10%检测项目:1)模块主IC是否按采购订单送货(检查型号规格)2)能自动收台,收台后有无杂音三、装配料1)机壳(塑胶、五金)抽检比例:每批号5%(实组二套)检验方法:目视,实组(装机芯)检验项目:1)外观:看有无划伤,掉油,色差,尘点,氧化不良2)有无变色、断字、漏字、印反(客户特殊丝印由销售部签样确认,IQC一定要用胶带粘扯看)3)实组2套检验缝隙(装配组配合)2)电镀件抽检比例:每批号5%(实组2套)检验方法:目视,实组检验项目:1)外观:有无划伤,漏电度,电度不良,绝缘油多。
电子元器件、锡膏、辅料、包材等物料入料检验规范1范围本检验标准适用于电子物料、半成品或成品、锡膏等进入公司资材室的物料。
2检验工具及仪器防静电手环、防静电手套、镊子、放大镜、显微镜、台灯、直尺、游标卡尺、LCR、万用表等。
3检验条件室内光线或照明良好条件下视物(距60W白炽灯或日光灯),必要时使用放大镜辅助检验。
凡接触静电敏感器件的人员必须采取防静电措施:佩戴防静电手套或手环并确认手环接地良好4检验项目4.1 通用检验项目:基本要求:1、包规要求每一批出货外包装都附有正确的标签。
如果标签因包装或容器的类型、形状或其他限制不能粘附,那么标签就应贴在一个附加标签上,锡膏、胶水等非客供物料,随同物料须提供经认可确认的出货检验报告。
2、包材、TRAY、锡膏、胶水等批次入料必须有ROHS2.0检测报告。
3、物料供方应为公司认可的合格供应商清单中。
4、MSL等级2及以上,必须真空包装,且包装符合防静电要求;包装内部须包含湿敏指示卡。
5、物料不得出现爆带、托盘错位、非防静电材质(如胶带、纸张、标签等)接触静电敏感器件(带防静电标识或集成IC类物料)。
物料不得出现相互挤压受力变形或产生摩擦造成表面损伤。
6、非客供物料,物料生产周期应当不超过3年;7、检验数量:同批次全部为整数包装时,检验数量可以从以下方案二选一:1)检验数量要求:按GB/T2828.1-2012一次抽样检验方案/一般检验水平Ⅱ,AQL=0.65 ;2)任意抽检2个最小包装数量(两个最小包装避免从一个外包装箱中抽取);如果存在尾数,尾数必须检验,同时LCR测试2pcs/盘;非尾数抽检任一最小包装数量。
8、检验质量目标:入料合格率≥99%。
4.2检验规程IQC检验不合格物料,按照不合格品处置流程进行,并通知到品质担当,由担当根据物料计划需求和对产品的影响程度进行复核判定。
4.3检验项目及要求电阻贴片电容(无极性)电容(有极性)电感/磁珠二极管(发光二极管)三极管(晶体管)IC芯片晶振接插件(插针/插座/TF卡座/USB接口等)线材包材锡膏、胶水免检物料:办公用品、耗材、劳保用品、标准件、设备配件、清洗液。
文件评审文件履历分发范围1、目的对来料的品质进行符合性确认,确保物料满足本公司规定的质量及产品HSF管理要求。
防止不合格品的非预期使用。
2、适用范围适用于电源系统事业部产品实现过程中所有原材料、辅料的来料检验管理(包括客户提供物料及公司自制材料)。
3、职责采购部负责新供应商的开发;负责主导供应商风险等级评估;负责新物料认可的申请;技术中心负责新物料的认可及物料技术要求的输出;参与不合格品评审;3.3 PMC部仓库来料的接收及送检;来料外包装和标识的检验,对不符合要求的包装,可直接拒绝接收;3.4 PMC部采购特采的申请,退货等与供方沟通事宜;3.5品质部来料的检验、记录及标识;检验文件及记录的归档管理;组织不合格品的评审;来料异常的反馈及跟进。
4、工作程序来料的送检供应商交货时,仓管员应按采购订单的要求,对照供应商的送货单确认来料实物型号、规格、数量符合采购订单的要求,来料的包装无破损且最小封装数量、箱唛标识符合我司要求,经初步验收无误后将所收物料放入待检区,在系统中录入《来料检验申请单》并打印交由IQC检验。
如仓管员经过初步确认以上信息与需求不符可直接将此批物料拒收。
检验执行物料环保符合性确认及检查a) IQC检验员在接到仓库《来料检验申请单》后,应确认该物料对应的第三方环保测试报告是否在有效期内(测试报告发布日期一年以内)。
如第三方环保测试报告已过期则此批物料判定为不合格,做批退处理;b)确认物料外包装是否黏贴有环保标识,环保标贴包括但不限于ROHS、HF、GP、REACH等,《来料检验申请单》上印有“HF”章时对应物料必须黏贴有“HF”标识;c)物料环保符合性检查应遵照“XRF”抽样计划对物料进行环保测试;d)对于不同环保要求的物料,在检验前应对取样工具、检验设备、仪器进行清洁,防止物料污染。
已认可物料的检验a) IQC检验员在接到仓库《来料检验申请单》后,确认该物料是否经过认可,若物料已经认可完成,则应遵循均匀分布的原则取样检验,抽样标准按《**抽样管理规定》执行;b)来料检验的项目及检测方法参照《**来料检验标准》,具体各型号的规格要求参照《原材料认可证书》、《规格书》、《图纸》。
●作業目的:
1.增加免檢機製,使得所有原物料必須經過IQC(包含免檢)後才能入庫。
2.使系統QC檢驗規則變換可以依系統設置進行(加嚴<-->正常<-->減量<-->免檢)。
●問題說明:
1.目前系統無免檢機製。
2.當料號+廠商為減量達到一定批數時,系統會設置該料號+廠商為不須檢驗,導致料號+
3.不需要檢驗的料號,系統無法導出質量檢驗記錄,造成記錄缺失。
4.當不需要檢驗的料號有質量問題時,系統無法直接轉換成正常檢驗狀態,需要人工維
●解決方法:
1.檢驗程度中加入F.免檢,規則變化數量依系統檢驗規則(加嚴<-->正常<-->減量<-->免
2.當料號+廠商為免檢時,但只要有一批為不合格,則更新料號+廠商檢驗程度為正常。
3.當料號+廠商為免檢時,在IQC Key檢驗單時,系統並不帶出單身檢驗項目,但User可以(如果無料號+廠商,則更新料件基本資料。
)
4.當為免檢驗時,此料號不可以特採。
5.當料號+廠商為免檢時,不再更新料號+廠商為不須檢驗,而是依檢驗規則變化,如解決辦法(2),如果不存在料號+廠商資料,則更新料號基本資料檔。
●注意事項
1.請品管提供所有,需要免檢的料件+廠商明細。
●待討論問題:。
1.目的:
为IQC提供检验判定依据,确保上线物料符合要求。
2.适用范围:
适用于所有购买原材料的进厂检验。
3.术语和定义: 无
4.相关文件:
4.1 来料检验管理程序YLT-QP-17 4.2 不合格控制程序YLT-QP-19 4.3 仓库管理程序YLT-QP-12 4.4 计数抽样检验程序QA-ED-023
4.5 特采管理办法QW17-04
5.流程与说明:(见下页)
5.1、保护板检验作业标准:
5.2、二/三极管检验作业标准
5.3、保险丝检验作业标准
5.4、塑胶件检验作业标准
5.5、电容器检验作业标准
5.6、线材检验作业标准
5.7、五金件检验作业标准
5.8、稳压二极管检验作业标准
5.9、电阻器检验作业标准
5.10、变压器、电感检验作业标准
5.11、拨动开关/自锁开关检验作业标准
5.12、轻触复位开关检验作业标准
5.13、PCB板检验作业标准
5.14、IC检验作业标准
5.15、包装材料检验作业标准
5.16、锂电芯检验作业标准
5.7说明:
5.7.1客户有特殊要求时,按客户的要求进行作业;
5.7.2 有短脚工艺要求的电容按照短脚工艺电容规定的结构尺寸检验;
5.7.3作业标准如出现与承认书规定不相符,以承认书规定的标准为主。
6.附件:
6.1 IQC检验日报表QR-065
6.2 IQC来料检验报告QR-066
编制:审核:批准:。