HSE周报月报模板
- 格式:doc
- 大小:229.50 KB
- 文档页数:14
HSE 工作月报2007 年第 7期总第 31期塔里木油田公司开发事业部HSE管理办公室内容提要★HSE基本情况★六月份安全生产重点工作综述★七月份安全生产重点工作安排★六月份环保重点工作综述★七月份环保重点工作安排★六月份职业卫生重点工作综述★七月份职业卫生重点工作安排★六月份HSE体系实施情况★七月份HSE体系推行安排六月份HSE基本情况六月份,事业部各单位认真落实油田和事业部领导有关加强安全生产工作的重要指示,采取各项有效措施,强化安全宣传培训和监督检查,扎实开展“安全生产月”活动,确保了各项生产安全平稳运行,全月未发生HSE事故。
六月份安全生产重点工作综述1、六月是“安全生产月”,事业部各单位按照油田公司和事业部的工作安排,紧紧围绕“推进安全文化建设,提高安全执行力”这一活动主题,结合自身实际,采取切实可行的措施,开展了系列卓有成效的活动。
桑吉作业区结合杜邦安全文化建设,发动员工开展习惯性“三违”讨论活动和“我当一天安全员”活动,让员工直接参与安全管理,交流分享安全经验;东河作业区编写发布了《东河作业区“三违”手册》,开展了作业区“安全宝贝”形象征集活动;哈得作业区开展了安全警句编写活动,各级直线主管每人编写两条警句并在生产会上进行交流;井下作业部开展了与修井队干部、员工安全座谈活动,通过座谈,宣传、交流安全文化知识,掌握基层安全动态,及时解决井队在工作中存在的问题;安全环保科邀请了石油交警大队专家赴前线对各作业区员工进行了交通安全培训。
与此同时,各单位还积极开展应急预案演练、安全隐患自查自改、安全行为审核,以及形式多样的宣传教育培训活动。
这些活动的开展,不仅提高了广大员工安全意识和安全素质,而且为下半年生产安全奠定了坚实基础。
2、按照上期经理办公会要求,事业部生产主管领导带领各职能科室分系统、分专业对前线各生产要害部位进行了一次全面的安全生产检查。
从检查情况来看,事业部各单位都对当前的安全生产工作给予了高度重视,根据夏季生产特点,认真制定并落实了防火、防爆、防洪、防中毒、防雷击、防中暑等安全措施,员工安全意识有了进一步提高。
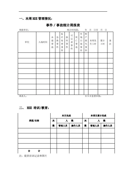
HSE周报20 年第期总第期编制审核批准单位:编码:××××(单位名称)-SDZB -VHGC-121127(日期)-(流水号)周HSE统计表NO. 原文编码:附录B(规范性附录)HSE月报广西XX核电厂XXX公司XX月份安全月报(此处可加单位标志)审批:审批时间:审核:审核时间:编制:编制时间:报表说明安全月报共含9个部分,每月25日前,各供方按本规定格式要求,将各类报表装订成册,经单位相关领导审核批准后报筹备处安全和工程管理组。
一、安全月报含以下内容:1、XX月份HSE管理情况统计表;2、XX月份人员统计表;3、XX月份安全培训考试情况统计表;4、XX月份施工机械使用情况统计表;5、XX月份安全设施、安全工器具、安全装备定期检验情况统计表;6、XX月份危险源辨识及控制措施;7、XX月份重大危险源及控制措施表;8、XX月份环境因素辨识及控制措施表;9、XX月份重要环境因素及控制措施表。
二、填报说明1、报表三填写当月培训教育情况;2、报表四至报表九监理单位可不用填报;3、所有报表标题一律为黑体小二加粗,填写内容一律用宋体小四填写,页数不够可增页填写;4、月报审核及批准要求:有监理的施工标段由本单位项目经理审核,监理公司批准;无监理的施工标段由本单位主管生产副经理审核,项目经理批准;5、各单位不得擅自修改报表内容和格式;6、本报表最终解释权由筹备处安全和工程管理组负责解释。
广西XX核电厂XXX公司XX月份HSE管理情况统计表报表二广西XXX核电厂XXX公司XX月份人员统计表可编辑制表:审核:批准:可编辑报表三广西XXX核电厂XXX公司XX月份安全培训情况统计表可编辑制表:审核:批准:报表四广西XXX核电厂XXX公司XX月份施工机械情况统计表可编辑制表:审核:批准:报表五广西XXX核电厂XXX公司XX月份安全设施、安全工器具、安全装备定期检验情况统计表制表:审核:批准:报表六广西XXX核电厂XXX公司XX月份危险源辨识及控制措施备注:控制措施:a、制定目标;b、制定管理方案;c、制定管理程序开展运行控制;d、增加设备设施等资源;e、组织培训与教育;f、制定应急计划;g、保持现有措施;h、加强现场监督检查。
主办:健康安全环保部签发人:黄彪斌本月中海福建燃气发电有限公司施工现场未发生人员伤亡事故、交通事故、机械设备事故和环境污染事故,健康安全环保工作处于受控状态。
自2005年8月10日工程开工到2005年12月30日,累计安全施工143天。
一、公司HSE管理工作情况:1、编制完成了《工作负责人安全手册》,送出版社印刷。
2、现场防寒服、工作服采购结束,并及时发放到每个员工手上。
3、与工程项目职业病危害预评价单位进行谈判,并签订了正式合同。
4、贯彻中海石油天然气及发电有限责任公司《关于转发国务院办公厅及海油总两个紧急通知的通知》文件精神。
5、加强现场HSE监督检查工作。
(1)继续加强对运输车辆和施工机械的安全管理,重点抓好车辆的超速和维护保养问题。
(2)要求承包商及时设立新开取土场的安全警示牌及警示标志。
(3)要求承包商加强现场洒水降尘工作。
二、安全事故记录本月无安全事故三、交通事故记录本月无交通事故。
四、安全报表1、2、五、贯彻落实总公司冬季安全会议精神情况汇报公司接到中海石油天然气及发电有限责任公司《关于转发国务院办公厅及海油总两个紧急通知》的通知后,立即组织召开安全工作会议认真学习国务院办公厅以及海油总文件,将文件精神贯彻落实到全体员工及监理单位和施工单位,并开展“吉化11.13双苯爆炸事故”的大讨论,使员工了解“吉化11.13双苯爆炸事故”的起因和次发事故的严重危害和恶劣影响,使全体员工深受教育。
12月28日,召集监理单位和施工单位等有关人员,按照海油总会议及国务院办公厅文件要求,结合工程进展情况,开展节前安全检查,检查主要内容:道路交通安全管理、冬季防火、防触电、防盗措施、安全设施、标志的设置及劳保用品的正确使用。
重点在于交通安全管理,司机遵守交通规则和职业道德,严禁酒后开车、超载超速,无照驾驶、疲劳驾驶,礼让“三先”确保行车安全。
对查出来的安全不符合项,要求施工单位按照“三定”原则(定人、定时间、定措施)完成整改。
HSE月度总结(5篇范文)第一篇:HSE月度总结公司··月份HSE总结暨··月份工作安排一、主要工作总结(一)坚持查漏补缺,总结经验,探讨2013年安全基础管理新办法为进一步加强安全生产基础管理,公司于11月16日组织召开安委会扩大会,公司领导、各科室负责人和18个基层单位领导共计43人参加了会议。
会议通报并讨论10.13事故,对基层单位安全环保工作中存在的5项问题及原因进行探讨,分管领导、经理助理和各单位对前期工作提出了改进建议和意见,安委会主任就当前的重点工作进行安排部署。
(二)持续开展“百日安全无事故”活动,严格规范安全基础管理1、活动领导小组在定边组织了···片区15个单位参加的“百日安全无事故”活动“安康杯”知识竞赛活动,此次比赛,进一步丰富了全员法律法规知识,全面掌握安全管理技能,强化了安全责任落实,加大安全环保管理工作的力度,达到预期效果。
2、认真落实公司《关于切实做好冬季安全生产工作的通知》,公司各基层单位认真研究部署冬季安全生产工作,结合每日安全讲话及安全活动,全面开展冬季安全教育,针对近期天气变化频繁,部分生产区域已有降雪等特点,重点分析行车过程中的安全隐患,各单位相继制定了针对性较强的防范措施,确保冬季安全生产平稳运行。
3、加大“百日安全无事故”第二阶段活动检查力度,对基层各单位活动情况进行严格考评,本月领导干部跟车36趟次,开展安全经验分享27人次,组织开展事故案例讨论分析14场次,参加讨论966人次;开展冬季安全教育培训15场次,参训1178人,开展交通安全专项检查9次,查出问题57项,已整改。
开展食堂、宿舍等专项安全检查4次,查出问题38项,已整改。
组织“三项禁令”考试171人次。
(三)加强特殊时期安全监管工作,确保平稳运行1、党的“十八大”召开期间,根据公司的统一的安排和部署,公司和基层单位成立了党政主要领导为组长的两级突发事件应急小组,确保在第一时间处置突发事件。
2023年()月份HSE管理报表
填报单位:填报日期:年月日
单位领导签字:填表人:
( )月份工程项目百万工时安全统计表
填报单位:填报日期:年月日
单位领导签字:填表人:
注:各作业单位、项目部按要求填写此统计表,于每月29日前将此表报送安全环保部,外地可传真形式上报。
传真:*************电话:*************。
()月份职工伤亡事故报表
本月发生死亡事故()起,重伤事故()起,轻伤事故()起,负伤职工歇工总日数()天。
填表单位(公章):填报日期:年月日
注:1、各作业单位、项目部按要求认真填写事故报表,于每月29日前将此报表报送安全环保部,外地可以传真形式上报, 传真:*************电话:*************;
2、其他伤亡人数包括项目合作施工单位及临时用工人员;
3、当月无任何事故均报空表。
HSE管理体系推进工作月报第一篇:HSE管理体系推进工作月报HSE管理体系推进工作月报(2014年10月)主办:宿迁实华运输有限责任公司根据江苏公司关于《零售公路承运商HSE管理体系推进工作会议》精神,结合我司安全管理的需求,建立安全生产长期有效管理机制,促进企业安全、健康、持续、稳定发展,认真贯彻HSE管理体系的推进工作。
强化职责的落实,提高企业HSE管理水平。
积极做好各项健康安全环保工作,使企业在2014年在管理上取得更大的进步,力争全年无上报事故,真正贯彻落实HSE体系管理理念。
十月份HSE运行工作情况:1.全面落实HSE管理体系工作。
公司安全管理小组根据岗位职责规定做好本职工作,总经理全面指导监督安全工作;安全调度副经理负责公司车辆人员合理调度;专职安全副经理分管安全工作,包括上级文件传达、安全工作计划与组织实施。
另外有GPS监控管理人员与现场车辆例检安全员分管专项安全检查工作。
根据市公安交通局文件关于打非治违专项行动,制定了公司专项行动方案,管理小组人员将根据行动方案执行具体管理工作,积极做好各项安全工作。
10月份共计自行组织HSE管理小组会议4次,提出并解决相关管理问题36项。
2.进一步完善与细化公司内部管理工作。
明确分工,HSE管理小组分工合作,在车队与黑鱼汪油库配备了专职人员进行日常检查,做好基本台账与日常维护,重点加强对车辆隐患排查与治理的管理,同时定期组织工作人员,对驾员日常行为(如驾驶室是否整洁、驾员是否佩戴防护工作服装鞋帽与工作证、车内是否带有烟、火、桶等违禁物品、每天出车或者收车是否有进行即时检查并且记录)进行督查、检查,本月共计检查3次,检查整改问题7项。
3.积极做好十月份安全生产教育工作。
在开展HSE管理体系运行过程中根据公司实际情况,通过短信以及会议方式对全体员工展开安全知识培训,截止10月25日,共计发送安全行驶与操作、防恐等提醒短信9次,QQ群上传防恐知识以及危险品车辆事故讯息、安全行车知识、法律法规知识、油品知识等信息42次以供驾押人员学习了解并提高安全防范意识。
HSE观察月报企业/单位名称:**石油分公司月份:2011年10月一、情况综述10月份**石油分公司全体职工认真学习文件精神,根据集团公司《关于做好国庆节期间安全生产工作的通知》文件精神,公司各部门、各单位都进行了认真的学习和全面的落实。
10月份被观察人数89人次,存在不安全问题数12项。
经过审核、分析、汇总,主要体现在各作业环节。
二、问题的分析处理情况经过汇总、分析,本月观察发现的问题相对9月份有所减少,但在现场操作作业中依然存在一些问题,主要表现在以下现象:1、加油作业在加油员给大型车辆加油时,车辆停在内侧泵岛时会挡住加油员的视线,当有车辆在外侧泵岛等候加油时,加油员在从前(后)方绕过大型车辆时可能会被从大型车辆外侧后(前)方进入加油场地的车辆或摩托车撞到,造成人员伤害,应提高员工的安全意识,做好自我保护,注意观察场地内的状况。
2、接卸油作业在进行接卸油作业时,员工未第一时间连接好静电接地装置,在接卸油前后未能做到稳油15分钟。
3、设备设施维护保养部分员工在对设备设施维护保养过程中敷衍了事,设备设施发生故障问题不能及时检查出来,导致不安全状态的发生。
三、改进建议和措施加强员工安全教育工作,提高员工安全意识,使员工认识到安全在工作中的重要性,同时也认识到安全工作也是自身人身安全的重要保证。
建议对老旧设备(如加油机、发电机、电脑等)加强维修保养或予以更换。
四、HSE观察卡统计表单位名称合计不安全行为不安全状态未遂事故推荐安全行为1 4 0 4 0 02 7 6 1 0 03 0 0 0 0 04 0 0 0 0 05 6 2 2 2 06 1 1 0 0 07 0 0 0 0 08 1 0 1 0 09 2 0 2 0 010 3 1 2 0 0总计24 10 12 2 0被观察人数:89 不安全行为人数:10不安全问题数:12填报人:*** 审批人:*** 日期:2011年11月4日。
HSE周报
20 年第期总第期
编制
审核
批准
单位:
编码:××××(单位名称)-SDZB -VHGC-121127(日期)-(流水号)
周HSE统计表
(规范性附录)
HSE月报
广西XX核电厂XXX公司XX月份安全月报
(此处可加单位标志)
审批:审批时间:审核:审核时间:编制:编制时间:
安全月报共含9个部分,每月25日前,各供方按本规定格式要求,将各类报表装订成册,经单位相关领导审核批准后报筹备处安全和工程管理组。
一、安全月报含以下内容:
1、XX月份HSE管理情况统计表;
2、XX月份人员统计表;
3、XX月份安全培训考试情况统计表;
4、XX月份施工机械使用情况统计表;
5、XX月份安全设施、安全工器具、安全装备定期检验情况统计表;
6、XX月份危险源辨识及控制措施;
7、XX月份重大危险源及控制措施表;
8、XX月份环境因素辨识及控制措施表;
9、XX月份重要环境因素及控制措施表。
二、填报说明
1、报表三填写当月培训教育情况;
2、报表四至报表九监理单位可不用填报;
3、所有报表标题一律为黑体小二加粗,填写内容一律用宋体小四填写,页数不够可增页填写;
4、月报审核及批准要求:有监理的施工标段由本单位项目经理审核,监理公司批准;无监理的施工标段由本单位主管生产副经理审核,项目经理批准;
5、各单位不得擅自修改报表内容和格式;
6、本报表最终解释权由筹备处安全和工程管理组负责解释。
广西XX核电厂XXX公司XX月份HSE管理情况统计表
报表二
广西XXX核电厂XXX公司
XX月份人员统计表
6 / 14
报表三
广西XXX核电厂XXX公司
XX月份安全培训情况统计表
7 / 14
报表四
广西XXX核电厂XXX公司
XX月份施工机械情况统计表
8 / 14
报表五
广西XXX核电厂XXX公司
XX月份安全设施、安全工器具、安全装备定期检验情况统计表
9 / 14
报表六
广西XXX核电厂XXX公司
XX月份危险源辨识及控制措施
育;f、制定应急计划;g、保持现有措施;h、加强现场监督检查。
10 / 14
制表:审核:批准:
报表七
广西XXX核电厂XXX公司
XX月份重大危险源及控制措施表
备注:控制措施:a、制定目标;b、制定管理方案;c、制定管理程序开展运行控制;d、增加设备设施等资源;e、组织培训与教育;f、制定应急计划;
11 / 14
g、保持现有措施;h、加强现场监督检查。
制表:审核:批准:报表八
广西XXX核电厂XXX公司
XX月份环境因素辨识及控制措施表
12 / 14
报表九
广西XXX核电厂XXX公司
XX月份重要环境因素及控制措施表
13 / 14
14 / 14。