安装工程符号大全
- 格式:doc
- 大小:20.00 KB
- 文档页数:8
电气工程图形符号在工程平面图中标注的各种符号与代表名称m——交流系统电源第三相;f-----交流系统设备端第一相;U-----交流系统设备端第二相;例:交流三相带中性线表示如下:3N~50 赫,380 伏N-----中性线标注照明变压器规格的格式在电话交接箱上标写的格式标注相序的代号t-a——一次电压(伏);b-----二次电压(伏); c——额定容量(伏. 安)C3a——编号;b-----型号;L1-----交流系统电源第一相;L2-----交流系统电源第二相;L3-----交流系统电源第三相;U-----交流系统设备端第一相;V-----交流系统设备端第二相;W-----交流系统设备端第三相;N-----中性线a-----灯具数;b-----型号或编号;c-----每盏灯的灯泡数或灯管数;d-----灯泡容量(瓦);L-----光源种类;e-----安装高度(米);f—安装方式注:1.安装高度:壁灯时,指灯具中心与地距离;吊灯时,为灯具底部与地距离。
2.灯具符号内已标注编号者,不再注明型号管道工程图形符号管道及附件I管道的连接I阀门I卫生器具及水池I设备及仪表管道及附件图形符号图形符号管道:用于一张图内只有一种管道管道:用汉语拼音字头表示管道类别导管:用图例表示管道类别交叉管:指管道交叉不连接,在下方和后面的管道应断开三通连接弧形伸缩器方形伸缩器防水套管软管XXX四通连接流向坡向套管伸缩器波形伸缩器管道滑动支架保温管也适用于防结露管多孔管拆除管可挠曲橡胶接头地沟管管道固定支架防护套管管道立管 1 _1检杳口排水明沟清扫口O 干|排水暗沟个甲通气帽o 7 雨水斗—Q弯折管表示管道向后弯90°弯折管—表示管道向前弯1踐Y排水漏斗90°UI |存水弯0 Y 圆形地漏[m &方型地漏阀门套筒亠甲]自动冲洗箱-r i挡墩乙字管正四通-H £喇叭口A斜四通阀门图形符号说明图形符号说明阀门&电动阀—OO—用于一张图内只有一种阀门r —1角阀液动阀I 9三通阀t£a气动阀四通阀S 减压阀—t>K]—闸阀旋塞阀—txl— -J-截止阀 A 底阀X球阀消声止回阀—囲—1隔膜阀碟阀温度调节阀弹簧安全阀禺压力调节阀J?平衡锤安全阀風1电磁阀 1 © Q自动排气阀止回阀浮球阀气开隔膜阀气闭隔膜阀延时自闭冲洗阀脚踏开关放水龙头疏水器皮带龙头室外消火栓洒水龙头室内消火栓(单口)化验龙头室内消火栓(双口)肘式开关水泵接合器消防喷头(开式)消防喷头(闭式)图形符号消防报警阀卫生器具及水池图形符号水盆水纸用于一张图只有一种水盆或水池BI立式洗脸盆洗脸盆浴盆化验盆、洗涤盆带蓖洗涤盆盥洗槽CM]挂式小便器蹲式大便器坐式大便器(5 R淋浴喷头设备及仪表 图形符号说 明 图形符号 说明泵厂©n 用于一张图只 有一种泵 管道泵匚H 离心水泵热交换器 ◎ L0 真空泵1 1 水-水热交换器 0壬■ 手摇泵© m 开水器 :3 [ 妇女卫生盆 m HC矩形化粪池 HC 为化粪池代号 [石1 立式小便器 co HC圆形化粪池除油池 m YCYC 为除油池 © 放气井 代号沉淀池 口 00CC 为沉淀池 泄水井 代号 1降温池「H : JC 1 JC 为降温池F ① 水封井 代号 中和池m zc ZC 为中和池跌水井代号 -a雨水口 E 水表井 本图例与流量计 相同 污水池定量泵 ^2*=磁水泵 过滤器 =] 喷射器集气罐除污器 上图:平面 下图:立面 上图:平面下图:立面水锤消除器暖风机 浮球液位器 搅拌器上图:平面 下图:立面 散热器 上图:平面下图:立面自动记录压力温度计水流指示器 压力表 自动记录压力 表自动记录流量 计 自动记录流量 电接点压力表 流量计 转子流量计 减压孔板 图形符号说 明 图形符号 说明粗实线细虚线中实线 细点划线细实线 细双点划线粗虚线1 ~V- 折断线风管测定孔 弯头 矩形三通 百叶窗通风工程图形符号风管及部件H7i ra E J ZO?排风管 上图为可见 剖面 下图为不可 见剖面异形管(天圆 地方)消声弯头筒形风帽图形符号图形符号 风管 送风管 上图为可见剖面 下图为不可见剖 面 异径管 柔性接头 中间部分也适用 于软风管 带导流片弯 头 圆形三通 风管检查孔 fi T 伞形风帽 锥形风帽-f- 插板阀 本图例也适用于 斜插板 送风口 卡乩+ — 蝶阀挡水板三通调节阀 通风空调设备风机流向:自三角形的 底边至顶点回风口 对开式多叶调节 阀 圆形散流器 上图为剖面 下图为平面 rm 光圈式启动调节阀 方形散流器 上图为剖面 下图为平面 风管止回阀 防火阀 电动对开多叶调 节阀 图形符号图形符号 通风空调设备 左图适用于带传动 部分的设备,右图 适用于不带传动部 分的设备 加湿器 空气过滤器 电加热器 消声器 减振器 空气加热器 离心式通 风机 空气冷却器 轴流式通 风机 风机盘管喷嘴及喷 雾排管压缩机喷雾式滤水器图形符号阀门图形符号安全阀膨胀阀散热放风门手动排气阀散热器三通阀。
一、导线穿管:SC-焊接钢管MT-电线管PC-塑料硬管FPC-阻燃硬管CT-桥架MR-金属线槽M-钢索PR-塑料线槽RC-水煤气管二、导线敷设方式:DB-直埋TC-电缆沟BC-暗敷梁内CLC-暗敷柱内WC-暗敷墙内CE-沿天棚顶板敷设CC-暗敷天棚顶板内SCE-吊顶内敷设F—底板及地面下敷设SR-沿钢索敷设BE-沿屋架,梁敷设三、动具安装方式:CS-链吊DS-管吊W-壁装C—吸顶R—嵌入S-支架CL-柱上标注安装方式的文字符号导线敷设方式的标注(新标准)1. K 瓷瓶或瓷柱敷设Wiring on porcelain knob or isolator2. PR 塑料线槽敷设Installed in P.V.C wireways3. MR 金属线槽敷设Installed in metallic wireways4. SC 穿焊接钢管敷设Run in welded steel conduit5. MT 穿焊接钢管敷设Run in electrical metallic tubing6. PC 穿硬聚氯乙烯管敷设Run in rigid P.V.C.conduit7. FPC 穿阻燃半硬聚氯乙烯管敷设Run in flame-retardant semiflexible P.V.C.conduit8. CT 用电缆桥架敷设Installed in cable tray9. PL 用瓷夹敷设Laying by porcelain clip10. PCL 用塑料夹敷设Laying by P.V.C.clip11. FMC 穿蛇皮管敷设Run in Flexible metal conduit12. DB 直接埋设Direct burial敷设部位的标注(新标准)序号文字符号中文名称英文名称1.M 用钢索敷设Supported by messenger wire2.AB 沿梁或跨梁敷设Along or across beam3.AC 沿柱或跨柱敷设Along or across column4.WS 沿墙面敷设On wallsurface5.CE 沿天棚面或顶板面敷设Along ceiling or slab surface6.SCE 吊顶内敷设Exposed laying in hollow spaces of ceiling7.BC 暗敷设在梁内Concealed in beam8.CLC 安敷设在柱内concealed in column9.W 墙内敷设In wall10.FR 地板或地面下敷设In floor or ground 暗敷设在屋面或顶板内Concealed in ceiling or slab安装方式的标注(新标准)序号文字符号中文名称英文名称1.W 壁挂式Wallmounted type2. C 吸顶式Ceiling moubted type3.FB 嵌入式Flush bonding4.DS 管吊式Conduit suspension type。
高压开关柜AH
高压计量柜AM
高压配电柜AA
高压电容柜AJ
低压电力配电箱柜AP
低压照明配电箱柜AL
应急电力配电箱柜APE
应急照明配电箱柜ALE
低压负荷开关箱柜AF
低压电容补偿柜ACC或ACP 直流配电箱柜AD
操作信号箱柜AS
控制屏台箱柜AC
继电保护箱柜AR
计量箱柜AW
励磁箱柜AE
低压漏电断路器箱柜ARC
双电源自动切换箱柜AT
多种电源配电箱柜AM
刀开关箱柜AK
电源插座箱AX
建筑自动化控制器箱ABC
火灾报警控制器箱AFC
设备监控器箱ABC
住户配线箱ADD
信号放大器箱ATF
分配器箱AVP
接线端子箱AXT
举例说明吧
GCK
第一个G 代表配电柜
第二个C 代表抽屉式
第三个K 代表控制
GGD
第一个G 代表配电柜
第二个G 代表固定式
第三个D 代表动力
AL-CK是低压照明配电箱柜(抽屉式控制) AT-DT是电梯控制箱
AP-DT低压电梯电力配电箱柜。
安装工程符号大全SR:沿钢线槽敷设BE:沿屋架或跨屋架敷设CLE:沿柱或跨柱敷设WE:沿墙面敷设CE:沿天棚面或顶棚面敷设ACE:在能进入人的吊顶内敷设BC:暗敷设在梁内CLC:暗敷设在柱内WC:暗敷设在墙内CC:暗敷设在顶棚内ACC:暗敷设在不能进入的顶棚内FC:暗敷设在地面内SCE:吊顶内敷设,要穿金属管一,导线穿管表示SC-焊接钢管MT-电线管PC-PVC塑料硬管FPC-阻燃塑料硬管CT-桥架MR-金属线槽M-钢索CP-金属软管PR-塑料线槽RC-镀锌钢管二,导线敷设方式的表示DB-直埋TC-电缆沟BC-暗敷在梁内CLC-暗敷在柱内WC-暗敷在墙内CE-沿天棚顶敷设CC-暗敷在天棚顶内SCE-吊顶内敷设F-地板及地坪下SR-沿钢索BE-沿屋架,梁WE-沿墙明敷三,灯具安装方式的表示CS-链吊DS-管吊W-墙壁安装C-吸顶R-嵌入S-支架CL-柱上沿钢线槽:SR沿屋架或跨屋架:BE沿柱或跨柱:CLE穿焊接钢管敷设:SC穿电线管敷设:MT穿硬塑料管敷设:PC穿阻燃半硬聚氯乙烯管敷设:FPC电缆桥架敷设:CT金属线槽敷设:MR塑料线槽敷设:PR用钢索敷设:M穿聚氯乙烯塑料波纹电线管敷设:KPC 穿金属软管敷设:CP直接埋设:DB电缆沟敷设:TC导线敷设部位的标注沿或跨梁(屋架)敷设:AB暗敷在梁内:BC沿或跨柱敷设:AC暗敷设在柱内:CLC沿墙面敷设:WS暗敷设在墙内:WC沿天棚或顶板面敷设:CE暗敷设在屋面或顶板内:CC吊顶内敷设:SCE地板或地面下敷设:FCHSM8-63C/3PDTQ30-32/2P 这两个应该是两种塑壳断路器的型号,HSM8-63C/3P 适用于照明回路中,为3极开关,额定电流为63A(3联开关)DTQ30-32/2P 也是塑壳断路器的一种,额定电流32A,2极开关其他那些符号都是关于导线穿管和敷设方式的一些表示方法,你对照着查一下矿用铠装控制电缆;MKVV22,MKVV32 2*0.5,3*0.75,4*4,------37*1.5mm铠装控制电缆;KVV22,KVV32,KVVR22 2*0.5,3*0.75,4*4,------37*1.5mm铠装屏蔽控制电缆KVVP-22,RVVP-22,KVVRP-22,KVVP2-22,KVVRP2-222*0.5,3*0.75,4*4,------37*1.5mm铠装阻燃控制电缆;ZR-KVV22,ZR-KVV32,ZR-KVVR222*0.5,3*0.75,4*4,------37*1.5mm铠装阻燃屏蔽控制电缆;ZR-KVVP22,ZR-KVVRP22,ZR-KVVP2-22,ZR-KVVRP2-222*0.5,3*0.75,4*4,------37*1.5mm铠装通信电缆;HYA22,HYA23,HYA53,HYV22,HYV23 5对,10对------2400对,0.4-0.5-0.6-0.7-0.8-0.9线径铠装充油通信电缆;HYAT22,HYAT23,NYAT53 5对,10对------800对0.4-0.5-0.6-0.7-0.8-0.9线径铠装阻燃通信电缆;ZR-HYA22,ZR-HYA23,ZR-HYA53,WDZ-HYA23,WDZ-HYA535对,10对------2400对,0.4-0.5-0.6-0.7-0.8-0.9线径矿用铠装阻燃通信电缆;MHYA22,MHYV22,MHYA32,MHYV325对,10对------200对,0.5-0.6-0.7-0.8-0.9-1.0线径铠装计算机电缆;DJYVP22,ZR-DJYVP22,DJYVRP22,DJYPV22,ZR-DJYPV22DJYPV R22DJYPVP22,DJYPVRP22,ZR-DJYPVP22,ZR-DJYPVPR221*2*0.75 2*2*1.0 3*2*1.5 ------30*2*1.5mm铠装铁路信号电缆;PZY23,PTY23,PZY22,PTY22,PZYH23,PTYH23PZYA23,PZYA22,PZYAH22,PTYAH22,PTYAH32,PZY324芯-6芯-8芯-9芯------6型号含义:R-连接用软电缆(电线),软结构。
安装工程符号大全安装工程符号大全SR:沿钢线槽敷设BE:沿屋架或跨屋架敷设CLE:沿柱或跨柱敷设WE:沿墙面敷设CE:沿天棚面或顶棚面敷设ACE:在能进入人的吊顶内敷设BC:暗敷设在梁内CLC:暗敷设在柱内WC:暗敷设在墙内CC:暗敷设在顶棚内ACC:暗敷设在不能进入的顶棚内FC:暗敷设在地面内SCE:吊顶内敷设,要穿金属管一,导线穿管表示SC-焊接钢管MT-电线管PC-PVC塑料硬管FPC-阻燃塑料硬管CT-桥架MR-金属线槽M-钢索CP-金属软管PR-塑料线槽RC-镀锌钢管二,导线敷设方式的表示DB-直埋TC-电缆沟BC-暗敷在梁内CLC-暗敷在柱内WC-暗敷在墙内CE-沿天棚顶敷设CC-暗敷在天棚顶内SCE-吊顶内敷设F-地板及地坪下SR-沿钢索BE-沿屋架,梁WE-沿墙明敷三,灯具安装方式的表示CS-链吊DS-管吊W-墙壁安装C-吸顶R-嵌入S-支架CL-柱上沿钢线槽:SR沿屋架或跨屋架:BE沿柱或跨柱:CLE穿焊接钢管敷设:SC穿电线管敷设:MT穿硬塑料管敷设:PC穿阻燃半硬聚氯乙烯管敷设:FPC电缆桥架敷设:CT金属线槽敷设:MR塑料线槽敷设:PR用钢索敷设:M穿聚氯乙烯塑料波纹电线管敷设:KPC 穿金属软管敷设:CP 直接埋设:DB电缆沟敷设:TC导线敷设部位的标注沿或跨梁(屋架)敷设:AB暗敷在梁内:BC沿或跨柱敷设:AC暗敷设在柱内:CLC沿墙面敷设:WS暗敷设在墙内:WC沿天棚或顶板面敷设:CE暗敷设在屋面或顶板内:CC吊顶内敷设:SCE地板或地面下敷设:FCHSM8-63C/3PDTQ30-32/2P 这两个应该是两种塑壳断路器的型号,HSM8-63C/3P 适用于照明回路中,为3极开关,额定电流为63A (3联开关)DTQ30-32/2P 也是塑壳断路器的一种,额定电流32A,2极开关其他那些符号都是关于导线穿管和敷设方式的一些表示方法,你对照着查一下矿用铠装控制电缆;MKVV22,MKVV32 2*0.5,3*0.75,4*4,------37*1.5mm铠装控制电缆;KVV22,KVV32,KVVR22 2*0.5,3*0.75,4*4,------37*1.5mm铠装屏蔽控制电缆KVVP-22,RVVP-22,KVVRP-22,KVVP2-22,KVVRP2-222*0.5,3*0.75,4*4,------37*1.5mm铠装阻燃控制电缆;ZR-KVV22,ZR-KVV32,ZR-KVVR222*0.5,3*0.75,4*4,------37*1.5mm铠装阻燃屏蔽控制电缆;ZR-KVVP22,ZR-KVVRP22,ZR-KVVP2-22,ZR-KVVRP2-222*0.5,3*0.75,4*4,------37*1.5mm铠装通信电缆;HY A22,HYA23,HYA53,HYV22,HYV23 5对,10对------2400对,0.4-0.5-0.6-0.7-0.8-0.9线径铠装充油通信电缆;HYAT22,HYAT23,NYAT53 5对,10对------800对0.4-0.5-0.6-0.7-0.8-0.9线径铠装阻燃通信电缆;ZR-HYA22,ZR-HYA23,ZR-HYA53,WDZ-HYA23,WDZ-HYA535对,10对------2400对,0.4-0.5-0.6-0.7-0.8-0.9线径矿用铠装阻燃通信电缆;MHYA22,MHYV22,MHYA32,MHYV32 5对,10对------200对,0.5-0.6-0.7-0.8-0.9-1.0线径铠装计算机电缆;DJYVP22,ZR-DJYVP22,DJYVRP22,DJYPV22,ZR-DJYPV22DJY PVR22DJYPVP22,DJYPVRP22,ZR-DJYPVP22,ZR-DJYPVPR221*2*0.75 2*2*1.0 3*2*1.5 ------30*2*1.5mm铠装铁路信号电缆;PZY23,PTY23,PZY22,PTY22,PZYH23,PTYH23PZYA23,PZYA22,PZYAH22,PTYAH22,PTYAH32,PZY324芯-6芯-8芯-9芯------6型号含义:R-连接用软电缆(电线),软结构。
安装工程常用图形符号
(一)电气工程图形符号
图形符号| 国家标准图形符号| 图集使用范例和说明| 在工程平面图中标注的各种符号与代表名称|
表达线路敷设方式标注的文字代号| 表达线路敷设部位标注的文字代号 | 表达照明灯具安
形符号| 国家标准图形符号| 图集使用范例和说明| 在工程平面图中标注的各种符号与代表名称|
表达线路敷设方式标注的文字代号| 表达线路敷设部位标注的文字代号 | 表达照明灯具安装方式标注的文字代号
(一)电气工程图形符号
图形符号| 国家标准图形符号| 图集使用范例和说明| 在工程平面图中标注的各种符号与代表名称|
表达线路敷设方式标注的文字代号| 表达线路敷设部位标注的文字代号 | 表达照明灯具安装方式标注的文字代号
(一)电气工程图形符号
图形符号| 国家标准图形符号| 图集使用范例和说明| 在工程平面图中标注的各种符号与代表名称|
表达线路敷设方式标注的文字代号| 表达线路敷设部位标注的文字代号 | 表达照明灯具安装方式标注的文字代号
(一)电气工程图形符号
图形符号| 国家标准图形符号| 图集使用范例和说明| 在工程平面图中标注的各种符号与代表名称|
表达线路敷设方式标注的文字代号| 表达线路敷设部位标注的文字代号 | 表达照明灯具安装方式标注的文字代号
(一)电气工程图形符号
图形符号| 国家标准图形符号| 图集使用范例和说明| 在工程平面图中标注的各种符号与代表名称|
表达线路敷设方式标注的文字代号| 表达线路敷设部位标注的文字代号 | 表达照明灯具安装方式标注的文字代号
七、安装工程常用图形符号(二)管道工程图形符号
管道及附件 | 管道的连接| 阀门| 卫生器具及水池| 设备及仪表。
安装工程符号大全SR:沿钢线槽敷设BE:沿屋架或跨屋架敷设CLE:沿柱或跨柱敷设WE:沿墙面敷设CE:沿天棚面或顶棚面敷设ACE:在能进入人的吊顶内敷设BC:暗敷设在梁内CLC:暗敷设在柱内WC:暗敷设在墙内CC:暗敷设在顶棚内ACC:暗敷设在不能进入的顶棚内FC:暗敷设在地面内SCE:吊顶内敷设,要穿金属管一,导线穿管表示SC-焊接钢管MT-电线管PC-PVC塑料硬管FPC-阻燃塑料硬管CT-桥架MR-金属线槽M-钢索CP-金属软管PR-塑料线槽RC-镀锌钢管二,导线敷设方式的表示DB-直埋TC-电缆沟BC-暗敷在梁内CLC-暗敷在柱内WC-暗敷在墙内CE-沿天棚顶敷设CC-暗敷在天棚顶内SCE-吊顶内敷设F-地板及地坪下SR-沿钢索BE-沿屋架,梁WE-沿墙明敷三,灯具安装方式的表示CS-链吊DS-管吊W-墙壁安装C-吸顶R-嵌入S-支架CL-柱上沿钢线槽:SR沿屋架或跨屋架:BE沿柱或跨柱:CLE穿焊接钢管敷设:SC穿电线管敷设:MT穿硬塑料管敷设:PC穿阻燃半硬聚氯乙烯管敷设:FPC电缆桥架敷设:CT金属线槽敷设:MR塑料线槽敷设:PR用钢索敷设:M穿聚氯乙烯塑料波纹电线管敷设:KPC 穿金属软管敷设:CP直接埋设:DB电缆沟敷设:TC导线敷设部位的标注沿或跨梁(屋架)敷设:AB暗敷在梁内:BC沿或跨柱敷设:AC暗敷设在柱内:CLC沿墙面敷设:WS暗敷设在墙内:WC沿天棚或顶板面敷设:CE暗敷设在屋面或顶板内:CC吊顶内敷设:SCE地板或地面下敷设:FCHSM8-63C/3PDTQ30-32/2P 这两个应该是两种塑壳断路器的型号,HSM8-63C/3P 适用于照明回路中,为3极开关,额定电流为63A (3联开关)DTQ30-32/2P 也是塑壳断路器的一种,额定电流32A,2极开关其他那些符号都是关于导线穿管和敷设方式的一些表示方法,你对照着查一下矿用铠装控制电缆;MKVV22,MKVV32 2*0.5,3*0.75,4*4,------37*1.5mm铠装控制电缆;KVV22,KVV32,KVVR22 2*0.5,3*0.75,4*4,------37*1.5mm铠装屏蔽控制电缆KVVP-22,RVVP-22,KVVRP-22,KVVP2-22,KVVRP2-222*0.5,3*0.75,4*4,------37*1.5mm铠装阻燃控制电缆;ZR-KVV22,ZR-KVV32,ZR-KVVR222*0.5,3*0.75,4*4,------37*1.5mm铠装阻燃屏蔽控制电缆;ZR-KVVP22,ZR-KVVRP22,ZR-KVVP2-22,ZR-KVVRP2-222*0.5,3*0.75,4*4,------37*1.5mm铠装通信电缆;HY A22,HYA23,HYA53,HYV22,HYV23 5对,10对------2400对,0.4-0.5-0.6-0.7-0.8-0.9线径铠装充油通信电缆;HYAT22,HYAT23,NYAT53 5对,10对------800对0.4-0.5-0.6-0.7-0.8-0.9线径铠装阻燃通信电缆;ZR-HYA22,ZR-HYA23,ZR-HYA53,WDZ-HYA23,WDZ-HYA535对,10对------2400对,0.4-0.5-0.6-0.7-0.8-0.9线径矿用铠装阻燃通信电缆;MHYA22,MHYV22,MHYA32,MHYV32 5对,10对------200对,0.5-0.6-0.7-0.8-0.9-1.0线径铠装计算机电缆;DJYVP22,ZR-DJYVP22,DJYVRP22,DJYPV22,ZR-DJYPV22DJY PVR22DJYPVP22,DJYPVRP22,ZR-DJYPVP22,ZR-DJYPVPR221*2*0.75 2*2*1.0 3*2*1.5 ------30*2*1.5mm铠装铁路信号电缆;PZY23,PTY23,PZY22,PTY22,PZYH23,PTYH23PZYA23,PZYA22,PZYAH22,PTYAH22,PTYAH32,PZY324芯-6芯-8芯-9芯------6型号含义:R-连接用软电缆(电线),软结构。
工艺管道施工图常用图例名称图例名称图例闸阀异径管压力调节阀偏心异径管升降式止回阀堵板旋启式止回阀法兰减压阀法兰连接电动闸阀丝堵滚动闸阀人口自动截门流量孔板带手动装置的截门放气管浮力调节阀防雨罩密闭式弹簧安全阀地漏开启式弹簧安全阀压力表放气阀U型压力表自动放气阀自动记录压力表立管及立管上阀门水银温度计挡住阀二次蒸发器疏水器室外架空管道固定支架∩型补偿器室外架空煤气道管单层支架套管补偿器室外架空煤气道管摇摆支架波型、鼓型补偿器漏气检查点离心水泵防火器手摇泵地沟∪型膨胀穴喷射泵地沟安装孔热交换器地沟及检查井立式油水分离器(用于压缩空气)Dg≤80弹簧支(吊)架卧式油水分离器(用于压缩空气)Dg ≥100单、双、三接头立式集水器(用于压缩空气)导向支架地沟排风口吊架流量表给排水、采暖常用图例名称图形名称图形闸阀化验盆洗涤盆截止阀污水池延时自闭冲洗阀带沥水板洗涤盆减压阀盥洗盆球阀妇女卫生盆止回阀立式小便器消音止回阀挂式小便器蝶阀蹲式大便器柔性防水套管坐式大便器检查口小便槽清扫口引水器通气帽淋浴喷头圆形地漏雨水口方形地漏水泵水锤消除器水表可曲挠橡胶接头防回流污染止回阀水表井水龙头消防工程基本图形符号名称图形名称图形手提式灭火器灭火设备安装处所推车式灭火器控制和指示设备固定式灭火系统(全淹没)报警息动固定式灭火系统(局部应用)火灾报警装置固定式灭火系统(指出应用区)消防通风口消防工程辅助符号名称图形名称图形水阀门手动启动泡沫或泡沫液出口电铃无水入口发声器BC类干粉热扬声器ABC类干粉烟电话卤代烷火焰光信号二氧化碳易爆气体消防工程灭火器符号名称图形名称图形清水灭火器卤代烷灭火器推车式ABC类干粉灭火器泡沫灭火器二氧化碳灭火器推车式卤代烷灭火器BC类干粉灭火器推车式泡沫灭火器水桶ABC类干粉灭火器推车式BC类干粉灭火器沙桶消防工程固定灭火器系统符号名称图形名称图形水灭火系统(全淹没)ABC类干粉灭火系统手动控制灭火系统泡沫灭火系统(全淹没)卤代烷灭火系统BC类干粉灭火系统二氧化碳灭火系统消防管路及配件符号名称图形名称图形干式立管消防水管线干式立管消防水罐(池)干式立管泡沫混合液管线报警阀干式立管消火栓开式喷头干式立管消防泵闭式喷头干式立管泡沫比例混合器水泵结合器湿式立管泡沫产生器泡沫混合器立管泡沫液管消防工程灭火设备安装处符号名称图形名称图形二氧化碳瓶站ABC干粉罐泡沫罐站BC干粉灭火罐站消防泵站消防工程自动报警设备符号名称图形名称图形消防控制中心火灾报警装置温感探测器感光探测器手动报警装置烟感探测器气体探测器报警电话火灾警铃火灾报警扬声器火灾报警发声器火灾光信号装置通风空调工程常用图例名称图形名称图形带导流叶片弯头消声弯头伞形风帽送风口回风口圆形散流器方形散流器插板阀蝶阀对开式多叶调节阀光圈式启动调节阀风管止回阀防火阀三通调节阀安装图例电气设备常用文字符号电线电缆各大类产品简介这里表示的是穿2根2.5mm2的线,采用PC16的管道沿墙体敷设。
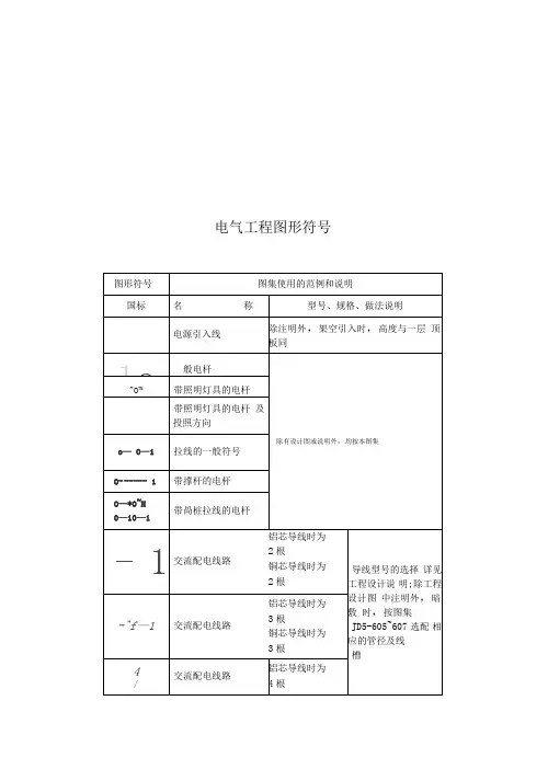
电气工程图形符号图形符号 图 集 使 用 的 范 例 和 说 明国 标名 称 型号、规格、做法说明 电源引入线 除注明外,架空引入时,高度与一层顶板同一般电杆 除有设计图或说明外,均按本图集带照明灯具的电杆 带照明灯具的电杆及投照方向拉线的一般符号带撑杆的电杆带高桩拉线的电杆交流配电线路铝芯导线时为2根ﻫ铜芯导线时为2根 导线型号的选择详见工程设计说明;除工程设计图中注明外,暗敷时,按图集J D5-605~607选配相应的管径及线槽交流配电线路铝芯导线时为3根铜芯导线时为3根 交流配电线路铝芯导线时为4根铜芯导线时为4根 交流配电线路铝芯导线时为5根ﻫ铜芯导线时为5根 交流配电线路铝芯导线时为6根铜芯导线时为6根支路编号电缆穿管(钢管、非金属管)保护管径规格见具体工程图注中途穿线盒或分线盒做法见伸缩缝穿线盒做法见电缆人孔除注明外,见电缆手孔管线引向符号引上,引下,由上引来,由下引来,引上并引下,由上引来再引下,由下引来再引上电缆桥架ﻫ封闭式母线引向符号线槽引上,引下,由上引来,由下引来,引上并引下,由上引来再引下,由下引来再引上避雷线除注明外,见避雷针双极带熔断器开关除注明外,均为HK1型单相胶壳闸三极带熔断器开关除注明外,均为HK1型三相胶壳闸双极带熔断器开关除注明外,均为HH3或HH4型单相铁壳开关三极带熔断器开关除注明外,均为HH3或HH4型三相铁壳开关双极三相转换开关除注明外,均为两电流切换开关三相低压断路器规格、型号详见工程图注跌落式熔断器除注明外,均为RW3-10型户外跌落式熔断器除注明外,均为RW4—10型户外跌落式熔断器熔断器式隔离开关除注明外,均为HR3型熔断器式隔离开关图形符号图集使用的范例和说明国标名称型号、规格、做法说明熔断器除注明外,均为RC1A瓷插式熔断器指示式电流表、电压表除注明外,为1T1—A型交流电流表除注明外,为1T1—V型交流电压表有功电能表除注明外,均由供电部门备料安装(虚线时为表位)无功电能表除注明外,均由供电部门备料安装(虚线时为表位)安培表的换相开关伏特表的换相开关壁龛电话交接箱除注明外,暗装距地0。
SC:钢管PC:PVC聚乙烯阻燃性塑料管CT:桥架WC:沿墙暗敷设WS:沿墙明敷设CC:沿顶板暗敷设F:暗敷在地板内CE:沿顶板明敷YJV:电缆SYV:电视线PE:接地(黄绿相兼)PEN:接零(蓝色)3项线(火线):A项(黄) B项(绿) C项(红) KV:(电压)千伏BV:散线MEB:总等电位LEB:局部等电位线路敷设方式代号PVC——用阻燃塑料管敷设DGL——用电工钢管敷设VXG——用塑制线槽敷设GXG——用金属线槽敷设KRG——用可挠型塑制管敷设⑦线路明敷部位代号LM—沿屋架或屋架下弦敷设ZM——沿柱敷设QM——沿墙敷设PL——沿天棚敷设③线路暗敷部位代号LA——暗设在梁内ZA—暗设在柱内QA—暗设在墙内PA——暗设在屋面内或顶棚内DA——暗设在地面或地板内PNA—暗设在不能进入的吊顶内④照明灯具安装方式代号D——吸顶式L——链吊式G———管吊式B——壁装式R———嵌入式BR———墙壁内安装(4)设备标注方法’⑦配电线路的标注方法a——b(c×d)e——f其中:a--回路编号b--导线型号c--导线根数d--导线截面e--敷设方式及穿管管径f--敷设部位表示2根导线表示3根导线表示n根导线⑦照明灯具标注方法一般标注方法:灯具吸顶安装标注方法:其中:a--灯数b--型号或编号c--每盏照明灯具的灯泡个数d--灯泡容量,We--灯泡安装高度,mf--安装方式L--光源种类,白炽灯或荧光灯。
安装工程符号我收集的电气安装符号表示方法我收集的电气安装符号表示方法一、电线穿线管一般有:PVC管:PC20、焊接钢管:SC20、扣压式镀锌薄壁电线管:KBG20、紧定式镀锌薄壁电线管:JDG20、二、电气设计施工图中常用线路敷设方式:SR:沿钢线槽敷设BE:沿屋架或跨屋架敷设CLE:沿柱或跨柱敷设WE:沿墙面敷设CE:沿天棚面或顶棚面敷设ACE:在能进入人的吊顶内敷设BC:暗敷设在梁内CLC:暗敷设在柱内WC:暗敷设在墙内CC:暗敷设在顶棚内ACC:暗敷设在不能进入的顶棚内FC:暗敷设在地面内SCE:吊顶内敷设,要穿金属管一,导线穿管表示SC-焊接钢管MT-电线管PC-PVC塑料硬管FPC-阻燃塑料硬管CT-桥架- MR-金属线槽M-钢索CP-金属软管PR-塑料线槽RC-镀锌钢管二,导线敷设方式的表示DB-直埋TC-电缆沟BC-暗敷在梁内CLC-暗敷在柱内WC-暗敷在墙内CE-沿天棚顶敷设CC-暗敷在天棚顶内SCE-吊顶内敷设F-地板及地坪下- SR-沿钢索BE-沿屋架,梁WE-沿墙明敷三,灯具安装方式的表示CS-链吊DS-管吊W-墙壁安装C-吸顶R-嵌入S-支架CL-柱上沿钢线槽:SR沿屋架或跨屋架:BE沿柱或跨柱:CLE穿焊接钢管敷设:SC-穿电线管敷设:MT穿硬塑料管敷设:PC穿阻燃半硬聚氯乙烯管敷设:FPC电缆桥架敷设:CT金属线槽敷设:MR塑料线槽敷设:PR用钢索敷设:M穿聚氯乙烯塑料波纹电线管敷设:KPC 穿金属软管敷设:CP直接埋设:DB电缆沟敷设:TC导线敷设部位的标注沿或跨梁(屋架)敷设:AB暗敷在梁内:BC沿或跨柱敷设:AC- 暗敷设在柱内:CLC沿墙面敷设:WS暗敷设在墙内:WC沿天棚或顶板面敷设:CE暗敷设在屋面或顶板内:CC吊顶内敷设:SCE地板或地面下敷设:FC。
安装工程符号我收集的电气安装符号表示方法我收集的电气安装符号表示方法一、电线穿线管一般有:PVC管:PC20、焊接钢管:SC20、扣压式镀锌薄壁电线管:KBG20、紧定式镀锌薄壁电线管:JDG20、二、电气设计施工图中常用线路敷设方式:SR: 沿钢线槽敷设BE:沿屋架或跨屋架敷设CLE:沿柱或跨柱敷设WE:沿墙面敷设CE:沿天棚面或顶棚面敷设ACE:在能进入人的吊顶内敷设BC: 暗敷设在梁内CLC:暗敷设在柱内WC: 暗敷设在墙内CC:暗敷设在顶棚内ACC:暗敷设在不能进入的顶棚内FC:暗敷设在地面内SCE:吊顶内敷设,要穿金属管一,导线穿管表示SC-焊接钢管MT-电线管PC-PVC塑料硬管FPC-阻燃塑料硬管CT-桥架MR-金属线槽M-钢索CP-金属软管PR-塑料线槽RC-镀锌钢管二,导线敷设方式的表示DB-直埋TC-电缆沟BC-暗敷在梁内CLC-暗敷在柱内WC-暗敷在墙内CE-沿天棚顶敷设CC-暗敷在天棚顶内SCE-吊顶内敷设F-地板及地坪下SR-沿钢索BE-沿屋架,梁WE-沿墙明敷三,灯具安装方式的表示CS-链吊DS-管吊W-墙壁安装C-吸顶R-嵌入S-支架CL-柱上沿钢线槽:SR沿屋架或跨屋架:BE沿柱或跨柱:CLE穿焊接钢管敷设:SC穿电线管敷设:MT穿硬塑料管敷设:PC穿阻燃半硬聚氯乙烯管敷设:FPC电缆桥架敷设:CT金属线槽敷设:MR塑料线槽敷设:PR用钢索敷设:M穿聚氯乙烯塑料波纹电线管敷设:KPC穿金属软管敷设:CP直接埋设:DB电缆沟敷设:TC导线敷设部位的标注沿或跨梁(屋架)敷设:AB暗敷在梁内:BC沿或跨柱敷设:AC暗敷设在柱内:CLC沿墙面敷设:WS暗敷设在墙内:WC沿天棚或顶板面敷设:CE 暗敷设在屋面或顶板内:CC 吊顶内敷设:SCE地板或地面下敷设:FC。
安装工程计量的管线符号
排水的图纸中,缩写符号含义:
给水管道-J,
如果分高低区通常用首字母表示即高区-G,低区-D。
排水管道-W,表示污水。
也有-F,就是废水。
很少见有用-P表示的。
消火栓管道-XH。
自动喷淋管道-Z或者-ZP.
雨水管道-Y.
采暖管道-R,一般实线表示供水管,虚线表示回水管。
压力排水-PY.
冷凝水管道-N。
管道立管-L.
另外设备的型号字母:
Q-流量或者风量。
H-扬程。
N-功率。
P-压力。
QW-潜污泵。
其他阀门、器具之类的都是用图形区分。
JL-给水管;
WL-污水管;
YL-雨水管;RJL-热给水;RHL-热回水。
安装工程符号大全
SR:沿钢线槽敷设
BE:沿屋架或跨屋架敷设CLE:沿柱或跨柱敷设
WE:沿墙面敷设
CE:沿天棚面或顶棚面敷设ACE:在能进入人的吊顶内敷设BC:暗敷设在梁内
CLC:暗敷设在柱内
WC:暗敷设在墙内
CC:暗敷设在顶棚内
ACC:暗敷设在不能进入的顶棚内FC:暗敷设在地面内
SCE:吊顶内敷设,要穿金属管一,导线穿管表示
SC-焊接钢管
MT-电线管
PC-PVC塑料硬管
FPC-阻燃塑料硬管
CT-桥架
MR-金属线槽
M-钢索
CP-金属软管
PR-塑料线槽
RC-镀锌钢管
二,导线敷设方式的表示DB-直埋
TC-电缆沟
BC-暗敷在梁内
CLC-暗敷在柱内
WC-暗敷在墙内
CE-沿天棚顶敷设
CC-暗敷在天棚顶内SCE-吊顶内敷设
F-地板及地坪下
SR-沿钢索
BE-沿屋架,梁
WE-沿墙明敷
三,灯具安装方式的表示CS-链吊
DS-管吊
W-墙壁安装
C-吸顶
R-嵌入
S-支架
CL-柱上
沿钢线槽:SR
沿屋架或跨屋架:BE
沿柱或跨柱:CLE
穿焊接钢管敷设:SC
穿电线管敷设:MT
穿硬塑料管敷设:PC
穿阻燃半硬聚氯乙烯管敷设:FPC
电缆桥架敷设:CT
金属线槽敷设:MR
塑料线槽敷设:PR
用钢索敷设:M
穿聚氯乙烯塑料波纹电线管敷设:KPC 穿金属软管敷设:CP
直接埋设:DB
电缆沟敷设:TC
导线敷设部位的标注
沿或跨梁(屋架)敷设:AB
暗敷在梁内:BC
沿或跨柱敷设:AC
暗敷设在柱内:CLC
沿墙面敷设:WS
暗敷设在墙内:WC
沿天棚或顶板面敷设:CE
暗敷设在屋面或顶板内:CC
吊顶内敷设:SCE
地板或地面下敷设:FC
HSM8-63C/3P
DTQ30-32/2P 这两个应该是两种塑壳断路器的型号,
HSM8-63C/3P 适用于照明回路中,为3极开关,额定电流为63A (3联开关)
DTQ30-32/2P 也是塑壳断路器的一种,额定电流32A,2极开关其他那些符号都是关于导线穿管和敷设方式的一些表示方法,你对照着查一下
矿用铠装控制电缆;MKVV22,MKVV32 2*0.5,3*0.75,4*4,------37*1.5mm
铠装控制电缆;KVV22,KVV32,KVVR22 2*0.5,3*0.75,4*4,------37*1.5mm
铠装屏蔽控制电缆KVVP-22,RVVP-22,KVVRP-22,KVVP2-22,KVVRP2-22
2*0.5,3*0.75,4*4,------37*1.5mm
铠装阻燃控制电缆;ZR-KVV22,ZR-KVV32,ZR-KVVR22
2*0.5,3*0.75,4*4,------37*1.5mm
铠装阻燃屏蔽控制电缆;
ZR-KVVP22,ZR-KVVRP22,ZR-KVVP2-22,ZR-KVVRP2-22
2*0.5,3*0.75,4*4,------37*1.5mm
铠装通信电缆;HY A22,HYA23,HYA53,HYV22,HYV23 5对,10对------2400
对,0.4-0.5-0.6-0.7-0.8-0.9线径
铠装充油通信电缆;HYAT22,HYAT23,NYAT53 5对,10对------800对
0.4-0.5-0.6-0.7-0.8-0.9线径
铠装阻燃通信电缆;
ZR-HYA22,ZR-HYA23,ZR-HYA53,WDZ-HYA23,WDZ-HYA53
5对,10对------2400对,0.4-0.5-0.6-0.7-0.8-0.9线径
矿用铠装阻燃通信电缆;MHYA22,MHYV22,MHYA32,MHYV32 5对,10对------200对,0.5-0.6-0.7-0.8-0.9-1.0线径
铠装计算机电缆;
DJYVP22,ZR-DJYVP22,DJYVRP22,DJYPV22,ZR-DJYPV22DJY PVR22
DJYPVP22,DJYPVRP22,ZR-DJYPVP22,ZR-DJYPVPR22
1*2*0.75 2*2*1.0 3*2*1.5 ------30*2*1.5mm
铠装铁路信号电缆;PZY23,PTY23,PZY22,PTY22,PZYH23,PTYH23
PZYA23,PZYA22,PZYAH22,PTYAH22,PTYAH32,PZY32
4芯-6芯-8芯-9芯------6
型号含义:
R-连接用软电缆(电线),软结构。
V-绝缘聚氯乙烯。
V-聚氯乙烯绝缘V-聚氯乙烯护套
B-平型(扁形)。
S-双绞型。
A-镀锡或镀银。
F-耐高温
P-编织屏蔽P2-铜带屏蔽P22-钢带铠装
Y—预制型、一般省略,或聚烯烃护套
FD—产品类别代号,指分支电缆。
将要颁布的建设部标准用FZ 表示,其实质相同
YJ—交联聚乙烯绝缘
V—聚氯乙烯绝缘或护套
ZR—阻燃型
NH—耐火型
WDZ—无卤低烟阻燃型
WDN—无卤低烟耐火型
例如:SYV 75-5-1(A、B、C)
S: 射频Y:聚乙烯绝缘V:聚氯乙烯护套A:64编B:96编C:128编
75:75欧姆5:线径为5MM 1:代表单芯
SYWV 75-5-1
S: 射频Y:聚乙烯绝缘W:物理发泡V:聚氯乙烯护套
75:75欧姆5:线缆外径为5MM 1:代表单芯
例如:RVVP2*32/0.2 RVV2*1.0 BVR
R: 软线VV:双层护套线P屏蔽
2:2芯多股线32:每芯有32根铜丝0.2:每根铜丝直径为0.2MM ZR-RVS2*24/0.12
ZR: 阻燃R: 软线S:双绞线
2:2芯多股线24:每芯有24根铜丝0.12:每根铜丝直径为0.12MM
型号、名称
RV 铜芯氯乙烯绝缘连接电缆(电线)
A VR 镀锡铜芯聚乙烯绝缘平型连接软电缆(电线)
RVB 铜芯聚氯乙烯平型连接电线
RVS 铜芯聚氯乙烯绞型连接电线
RVV 铜芯聚氯乙烯绝缘聚氯乙烯护套圆形连接软电缆
ARVV 镀锡铜芯聚氯乙烯绝缘聚氯乙烯护套平形连接软电缆RVVB 铜芯聚氯乙烯绝缘聚氯乙烯护套平形连接软电缆
RV-105 铜芯耐热105oC聚氯乙烯绝缘聚氯乙烯绝缘连接软电缆
AF-205AFS-250AFP-250 镀银聚氯乙氟塑料绝缘耐高温-60oC~250oC连接软电线
2、规格表示法的含义
规格采用芯数、标称截面和电压等级表示
①单芯分支电缆规格表示法:同一回路电缆根数*(1*标称截面),0.6/1KV,
如:4*(1*185)+1*95 0.6/1KV
②多芯绞合型分支电缆规格表示法:同一回路电缆根数*标称截面,0.6/1KV,
如:4**185+1*95 0.6/1KV
③多芯同护套型分支电缆规格表示法:电缆芯数×标称截面-T,如:4×25-T。