四川大学三相全桥整流及有源逆变实验报告
- 格式:docx
- 大小:8.87 MB
- 文档页数:22
实验报告课程名称: 电力电子技术 指导老师: 成绩:__________________ 实验名称: 三相桥式全控整流及有源逆变电路实验 实验类型:__________同组学生姓名:一、实验目的(1)熟悉三相桥式全控整流及有源逆变电路的接线及工作原理。
(2)了解集成触发器的调整方法及各点波形。
二、实验线路及原理实验线路如图1所示。
主电路由三相全控变流电路及作为逆变直流电源的三相不控整流桥组成。
触发电路为数字集成电路,可输出经高频调制后的双窄脉冲链。
三相桥式整流及有源逆变电路的工作原理可参见“电力电子技术”的有关教材。
三、实验内容(1)三相桥式全控整流电路。
(2)三相桥式有源逆变电路。
(3)观察整流状态下模拟电路故障现象时的波形。
图1 三相桥式全控整流及有源逆变电路图四、实验设备(1)MCL 现代运动控制技术实验台主控屏。
(2)给定、零速封锁器、速度变换器、速度调节器、电流调节器组件挂箱。
(3)三相芯式变压器。
(4)滑线变阻器。
(5)双踪记忆示波器。
(6)数字式万用表。
五、实验方法1、接线与调试(1)按图4-7接线,未上主电源之前,检查晶闸管的脉冲是否正常。
打开电源开关,给定电压Ug 有电压显示。
(2)用示波器观察双脉冲观察孔,应有间隔均匀,相互间隔60°的幅度相同的双脉冲。
(3)检查相序,用示波器观察1,2单脉冲观察孔,1脉冲超前2”脉冲60°,则相序正确,否则,应调整输入电源。
(4)用示波器观察每只晶闸管的控制极,阴极,应有幅度为1V ~2V 的脉冲。
注:将面板上的Ublf (当三相桥式全控变流电路使用I 组桥晶闸管VT1~VT6时)接地,将I 组桥式触发脉冲的六个按键设置到“接通”。
(5)将给定器输出Ug 接至Uct 端,调节偏移电压Ub ,在Uct=0时,使a=150o 。
此时的触发脉冲波形如图2所示。
图2 触发脉冲与锯齿波的相位关系2、三相桥式全控整流电路(1)按图1接线,将开关“S ”拨向左边的短接线端,给定器上的“正给定”输出为零(逆时针旋到底);合上主电路开关,调节给定电位器,使α角在30°~90°范围内调节(α角度可由晶闸管两端电压uT 波形来确定),同时,根据需要不断调整负载电阻Rd ,使得负载电流Id 保持在0.5A 左右(注意Id 不得超过1A)。
三相全控桥整流电路工作原理:三相全控桥整流电路三相全控桥整流电路是由两个三相半波整流电路发展而来,其中一组三相半波可控整流电路为共阴极连接,一组为共阳极连接。
其电路图如商上图所示,共阴极组晶闸管编号为1-3-5,共阳极晶闸管编号为4-6-2,这样编号的目的是为了和晶闸管的导通顺序一致,即晶闸管的导通按照1-2-3-4-5-6时,电路处于临界连续状态°时,带阻感性负载:°时,α=90°时,有源逆变原理:名称——电力电子及电气传动教学实验台型号——MCL-III型包括:降压变压器、MCL-35、两组晶闸管阵列,电力二极管阵列,大功率滑动变阻器,可调电感、导线若干。
:o 0=αUd的波形 U VT的波形Ud的波形 U VT的波形3、α=90°时Ud的波形 U VT的波形4、α=0°,封锁1只晶闸管的脉冲信号时,Ud=120V,其波形为:6、α=0°,封锁共阴极组的2只晶闸管(1号和3号)的脉冲信号时,Ud=67V,其波形为:(2)阻感负载(300Ω+700mH):1、α=30°时Ud的波形 U VT的波形2、α=90°时Ud的波形 U VT的波形3、α=0°,封锁1只晶闸管的脉冲信号时,Ud=122V,其波形为:二、逆变工作Ud的波形 U VT的波形Ud的波形 U VT的波形(2)测定电网实际吸收直流功率Pk=f(Ud)的函数曲线1、数据处理678910(α=30°)图1 带阻感负载时,以封锁VT2的触发信号为例。
由三相桥式全控整流电路(图2)可知,在U(ab)过零变负之前,其情况和带阻性负载时相同。
在U(ab)过零变负之后,由于有电感的存在,段时间内U= U。
,所以波形出现负值。
在下一个自然换相点到来后,通, VT1关断, U再次等于U。
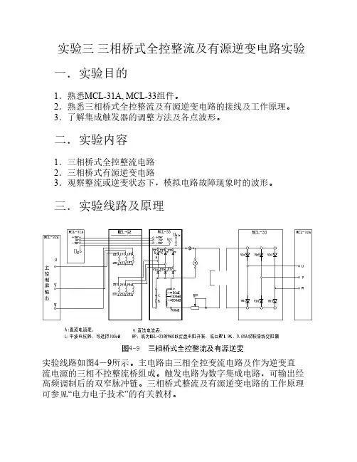
实验三三相桥式全控整流及有源逆变电路实验一.实验目的1.熟悉MCL-31A, MCL-33组件。
2.熟悉三相桥式全控整流及有源逆变电路的接线及工作原理。
3.了解集成触发器的调整方法及各点波形。
二.实验内容1.三相桥式全控整流电路2.三相桥式有源逆变电路3.观察整流或逆变状态下,模拟电路故障现象时的波形。
三.实验线路及原理实验线路如图4-9所示。
主电路由三相全控变流电路及作为逆变直流电源的三相不控整流桥组成。
触发电路为数字集成电路,可输出经高频调制后的双窄脉冲链。
三相桥式整流及有源逆变电路的工作原理可参见“电力电子技术”的有关教材。
四.实验所需挂件及附件序号型 号备 注1MCL—32A 电源控制屏该控制屏包含“三相电源输出”,“励磁电源”等几个模块。
2MCL-31A 低压电源和仪表该挂件包含“给定电源和±15V低压电源”等模块。
3MCL-33 晶闸管主电路和触发电路等该挂件包含“晶闸管”、“二极管”“电感”、“触发电路”等几个模块。
4MEL—03 三相可调电阻5MEL-02 芯式变压器6双踪示波器和万用表自备五.实验方法1.按图接线,未上主电源之前,检查晶闸管的脉冲是否正常。
(1)打开MCL-31A电源开关,给定电压有电压显示。
(2)用示波器观察MCL-33的脉冲观察孔,应有间隔均匀,相互间隔60o的幅度相同的双脉冲。
(3)检查相序,用示波器观察“1”,“2”脉冲观察孔,“1” 脉冲超前“2” 脉冲600,则相序正确,否则,应调整输入电源。
(4)用示波器观察每只晶闸管的控制极,阴极,应有幅度为1V—2V的脉冲。
注:将面板上的Ublf(当三相桥式全控变流电路使用I组桥晶闸管VT1~VT6时)接地,将I组桥式触发脉冲的六个开关均拨到“接通”。
(5)将给定器输出Ug接至MCL-33面板的Uct端,调节偏移电压Ub,在Uct=0时,使=150o。
2.三相桥式全控整流电路按图4-9接线,S拨向左边短接线端,将Rd调至最大(450)。
实验六三相桥式全控整流及有源逆变电路实验实验六三相桥式全控整流及有源逆变电路实验实验六三相桥式全控整流及有源逆变电路实验一、实验目的(1)加深理解三相桥式全控整流及有源逆变电路的工作原理。
(2)了解kc系列集成触发器的调整方法和各点的波形。
二、实验所需挂件及附件序号12345678型号djk01电源控制屏djk02晶闸管主电路djk02-1三相晶闸管触发电路djk06给定及实验器件djk10变压器实验d42三相可调电阻双踪示波器万用表该挂件包含“触发电路”,“正反桥功放”等几个模块。
该挂件包含“二极管”等几个模块。
该挂件包含“逆变变压器”以及“三相不控整流”。
自备自备备注该控制屏包含“三相电源输出”等几个模块。
三、实验线路及原理实验线路如图3-6及3-7所示。
主电路由三相全控整流电路及作为逆变直流电源的三相不控整流电路组成,触发电路为djko2-1中的集成触发电路,由kco4、kc4l、kc42等集成芯片组成,可输出经高频调制后的双窄脉冲链。
三相桥式整流及逆变电路的工作原理可参见电力电子技术教材的有关内容。
芯式变压器图3-6三相桥式全系列往下压整流电路实验原理图在三相桥式有源逆变电路中,电阻、电感与整流的一致,而三相不控整流及心式变压器均在djk10挂件上,其中心式变压器用作升压变压器,逆变输出的电压接心式变压器的中压端am、bm、cm,返回电网的电压从高压端a、b、c输出,变压器接成y/y接法。
图中的r均采用d42三相调节器电阻,将两个900ωK817并联形式;电感ld在djk02面板上,采用700mh,直流电甩、电流表由djk02赢得。
图3-7三相桥式有源逆变电路实验原理图四、实验内容(1)三相桥式全控整流电路。
(2)三相桥式有源逆变电路。
(3)在整流或有源低电压状态下,当引爆电路发生故障(人为演示)时观测主电路的各电压波形。
五、预习要求(1)写作电力电子技术教材中有关三相桥式全系列往下压整流电路的有关内容。
实验十一三相桥式全控整流及有源逆变电路实验一、实验目的(1)加深理解三相桥式全控整流及有源逆变电路的工作原理。
(2)了解KC系列集成触发器的调整方法和各点的波形。
二、实验所需挂件及附件序号型号备注1 DJK01 电源控制屏该控制屏包含“三相电源输出”等几个模块。
2 DJK02 晶闸管主电路3 DJK02-1三相晶闸管触发电路该挂件包含“触发电路”,“正反桥功放”等几个模块。
4 DJK06 给定及实验器件该挂件包含“二极管”等几个模块。
5 DJK10 变压器实验该挂件包含“逆变变压器”以及“三相不控整流”。
6 D42 三相可调电阻7 双踪示波器自备8 万用表自备三、实验线路及原理实验线路如图3-13及图3-14所示。
主电路由三相全控整流电路及作为逆变直流电源的三相不控整流电路组成,触发电路为DJKO2-1中的集成触发电路,由KCO4、KC4l、KC42等集成芯片组成,可输出经高频调制后的双窄脉冲链。
集成触发电路的原理可参考1-3节中的有关内容,三相桥式整流及逆变电路的工作原理可参见电力电子技术教材的有关内容。
图3-13 三相桥式全控整流电路实验原理图在三相桥式有源逆变电路中,电阻、电感与整流的一致,而三相不控整流及心式变压器均在DJK10挂件上,其中心式变压器用作升压变压器,逆变输出的电压接心式变压器的中压端Am、Bm、Cm,返回电网的电压从高压端A、B、C输出,变压器接成Y/Y接法。
图中的R均使用D42三相可调电阻,将两个900Ω接成并联形式;电感L d在DJK02面板上,选用700mH,直流电压、电流表由DJK02获得。
图3-14 三相桥式有源逆变电路实验原理图四、实验内容(1)三相桥式全控整流电路。
(2)三相桥式有源逆变电路。
(3)在整流或有源逆变状态下,当触发电路出现故障(人为模拟)时观测主电路的各电压波形。
五、预习要求(1)阅读电力电子技术教材中有关三相桥式全控整流电路的有关内容。
(2)阅读电力电子技术教材中有关有源逆变电路的有关内容,掌握实现有源逆变的基本条件。
一、实验背景整流是指将交流电变换为直流电的变换,而将交流电变换为直流电的电路称为整流电路。
整流电路是四种变换电路中最基本的变换电路,应用非常广泛。
对于整流电路,当其带不同负载情况下,电路的工作情况不同。
此外,可控整流电路不仅可以工作在整流状态,即将交流电能变换为直流电能,还可以工作在逆变状态,即将直流电能变换为交流电能,称为有源逆变。
在工业中,应用最为广泛的是三相桥式全控整流电路(Three Phase Full Bridge Converter),它是由两个三相半波可控整流电路发展而来。
该次试验即是针对三相桥式全控整流电路而展开的一些较为简单的学习与研究。
二、实验原理三相桥式全控整流及有源逆变该次实验连接电路图如下图所示整流有源逆变控制信号初始化约定:0°≤α≤π,u ct>0V,u d>0V整流2π≤α≤π,u ct<0V,u d<0V逆变2,u ct=0V,u d=0V临界α=π2注意事项:在接主电路过程中,晶闸管接入双刀双闸开关时一定要注意正负极必须正确匹配。
电容器用于吸收感性电流引起的干扰,使得示波器显示的波形更加标准、清晰。
双刀双掷开关在切换时主回路必须断电,否则很可能因切换时拉出电弧而损坏设备。
(一)整流电路1、整流的概念把交流电变换为直流电的变换称为整流(Rectifier),又叫AC-DC变换(AC-DC Converter)。
整流电路是一种把交流电源电压转换成所需的直流电压的电路。
AC-DC变换的功率流向是双向的,功率流向由交流电源流向负载的变换称之为“整流”,功率流向由负载流向交流电源的变换称之为“有源逆变”。
采用晶闸管作为整流电路的主控器件,通过对晶闸管触发相位的控制从而达到控制输出直流电压的目的,这样的电路称之为相控整流电路。
2、整流电路的分类(1)按电路结构分类①半波整流电路:半波整流电路中每根电源进线流过单方向电流,又称为零式整流电路或单拍整流电路。
2三相桥式全控整流及有源逆变电路实验报告
一、实验目的
本次实验的目的是研究三相桥式全控整流及有源逆变电路的工作原理,探讨电路结构和特性,并对实际应用进行探究。
二、实验原理
三相桥式全控整流及有源逆变电路是自主控制全三相调制半桥型整流,并用PGL线圈构成有源逆变电路,将全桥式整流和有源等效件结合,组成的智能放大型结构无功补偿电路。
独特的PGL(Pulse Generator and Logic)系统控制全桥式整流,实现有效的三相调制,并给消耗功率的用电仪表供电。
三、实验装置
本次实验主要使用德国LreUro制造的三相桥式全控整流及有源逆变电路装置,包括输出及控制模块、专用电源模块和保护模块等。
四、实验步骤
1.根据实验原理,组装实验电路。
2.检查电路的丝印和引脚序号是否完整,如有损坏,可以用万用表检查是否符合等电位要求。
3.使用专用电源模块向实验电路供电,将调制输出和有源输出供给恒定电压和频率。
4.测量三相电压输出电流,检查三相等电压,检验实验电路正常工作。
五、实验结果
实验中得出结论:三相桥式全控整流及有源逆变电路能够形成正确的三相输出,具有较高的调制率,输出电压、电流稳定,实际负载能有效的调制,满足有效的实际需求,可以用于智能放大型补偿系统。
实验四三相桥式全控整流及有源逆变电路实验1.实验目的(1)了解三相全控桥式整流电路的工作原理,研究可控整流电路在电阻—电感性负载时的整流输出电压u d、电流i d、晶闸管承受的电压u VT的波形及工作情况。
(2)了解三相全控桥式有源逆变电路的工作原理,研究在不同的控制角时输出的电压电流波形。
2.实验设备及仪器(1) MCL-Ⅱ型电机控制教学实验台主控制屏;(2) MCL-18控制和检测单元及过流过压保护组件;(3) MCL-33触发电路及晶闸管主回路组件;(4)MEL-03三相可调电阻器组件(900Ω,0.41A);(5)MEL-05波形测试及开关板组件;(6)双踪示波器;(7)万用电表;3.注意事项(1) 整流电路与三相电源连接时,一定要注意相序;(2) 整流电路的负载电阻不宜过小,应使i d不超过0.8A,同时负载电阻不宜过大保证i d超过0.1A,避免晶闸管时断时续;(3) 正确使用示波器,避免示波器的两根地线接在非等电位的端点上,造成短路事故。
4.实验步骤1)按图接线,未上主电源之前,检查晶闸管的脉冲是否正常a.用示波器观察MCL-33的双脉冲观察孔,应有间隔均匀,幅度相同的双脉冲。
b.检查相序,用示波器观察“1”“2”单脉冲观察孔,“1”脉冲超前“2”脉冲60°,则相序正确,否则,应调整输入电源。
c.用示波器观察每只晶闸管的控制极,阴极,应有幅值为1V—2V的脉冲。
=0时,触发脉冲滞后同步信号180︒d.调节MCL-33上锯齿波偏移电压,使Uct(即α=150︒)。
e.“交流电源输出调节”旋钮逆时针调到底,主回路串联电阻RP调至最大。
2) 研究三相桥式可控整流电路供电给阻感性负载时的工作情况:a) 将开关S 拨向左侧,接通主电源,顺时针旋转三相调压器,调节主控制屏输出电压UV U 、VW U 、WU U ,从0V 调至220V ;b) 将MCL-18组件上的开关S 1拨至正给定,S 2拨至给定;调节MCL —18上的脉冲移相电位器RP1旋钮,改变控制电压Uct ,观察在不同控制角α时的u d 、i d 、u VT 的波形;c) 记录α=30︒、α=60︒时u d 、i d 、u VT 的波形。
实验三、三相桥式全控整流及有源逆变电路实验一、实验目的(1)加深理解三相桥式全控整流及有源逆变电路的工作原理。
(3)了解KC系列集成触发器的调整方法和各点的波形。
二、实验线路的构成及原理(1)DDS02主电路挂箱配置原理DDS02挂箱包括脉冲和熔断丝指示、晶闸管(I组桥、Ⅱ组桥)电路、电抗器等内容。
脉冲有无指示为方便实验中判断对应晶闸管上门阴极上是否正常,若正常,则指示灯亮,否则则不亮;同样熔断丝指示也是同理。
主要分I组桥和Ⅱ组桥分别指示。
晶闸管电路装有12只晶闸管、6只整流二极管。
12只晶闸管分两组晶闸管变流桥,其中VTl~VT6为正组桥(I组桥),由KP5-8晶闸管元件构成,一般不可逆、可逆系统的正桥、交-直-交变频器的整流部分均使用正组元件;由VT1ˊ~VT6ˊ组成反组桥(Ⅱ组桥),元件为KP5-12晶闸管,可逆系统的反桥、交-直-交变频器的逆变部分使用反组元件;同时还配置了6只整流二极管VDl~VD6,可构成不可控整流桥作为直流电源,元件的型号为KZ5-10。
所有这些功率半导体元件均配置有阻容吸收、熔丝保护,电源侧、直流环节、电机侧均配置有压敏电阻或阻容吸收等过电压保护装置。
电抗器为平波电抗器L,共有4档电感值,分别为50mH、100mH、200mH、700mH,1200 mH可根据实验需要选择电感值。
续流二极管为桥式整流实验时电路续流用,型号为KZ5-10;另外挂箱还配有一组阻容吸收电路。
(2)DDS03控制电路挂箱配置原理DDS03挂箱包括三相触发电路及功放电路、FBC+FA(电流反馈与过流保护)、G(给定器)等内容。
面板上部为同步变压器,其连线已在内部接好,连接组为△/Y-1.可在“同步电源观察孔”观察同步电源的相位。
三相触发电路(GT)及功放电路(AP)包括有GTF正组(I组)触发脉冲装置和GTR 反组(Ⅱ组)触发脉冲装置,分别通过开关连至VF正组晶闸管和VR反组晶闸管的门极、阴极。
一、实验背景整流是指将交流电变换为直流电的变换,而将交流电变换为直流电的电路称为整流电路。
整流电路是四种变换电路中最基本的变换电路,应用非常广泛。
对于整流电路,当其带不同负载情况下,电路的工作情况不同。
此外,可控整流电路不仅可以工作在整流状态,即将交流电能变换为直流电能,还可以工作在逆变状态,即将直流电能变换为交流电能,称为有源逆变。
在工业中,应用最为广泛的是三相桥式全控整流电路(Three Phase Full Bridge Converter),它是由两个三相半波可控整流电路发展而来。
该次试验即是针对三相桥式全控整流电路而展开的一些较为简单的学习与研究。
二、实验原理三相桥式全控整流及有源逆变该次实验连接电路图如下图所示整流有源逆变控制信号初始化约定:,,整流,,逆变,,临界注意事项:在接主电路过程中,晶闸管接入双刀双闸开关时一定要注意正负极必须正确匹配。
电容器用于吸收感性电流引起的干扰,使得示波器显示的波形更加标准、清晰。
双刀双掷开关在切换时主回路必须断电,否则很可能因切换时拉出电弧而损坏设备。
(一)整流电路1、整流的概念把交流电变换为直流电的变换称为整流(Rectifier),又叫AC-DC变换(AC-DC Converter)。
整流电路是一种把交流电源电压转换成所需的直流电压的电路。
AC-DC变换的功率流向是双向的,功率流向由交流电源流向负载的变换称之为“整流”,功率流向由负载流向交流电源的变换称之为“有源逆变”。
采用晶闸管作为整流电路的主控器件,通过对晶闸管触发相位的控制从而达到控制输出直流电压的目的,这样的电路称之为相控整流电路。
2、整流电路的分类(1)按电路结构分类①半波整流电路:半波整流电路中每根电源进线流过单方向电流,又称为零式整流电路或单拍整流电路。
②全波整流电路:全波整流电路中每根电源进线流过双方向电流,又称为桥式整流电路或双拍整流电路。
(2)按电源相数分类①单相整流电路:又分为单脉波整流电路和双脉波整流电路。
电力电子技术三相桥式全控整流及有源逆变电路实验报告实验目的:1.熟悉三相桥式全控整流电路和有源逆变电路的工作原理;2.学习三相桥式全控整流电路和有源逆变电路的控制方法;3.通过实验验证三相桥式全控整流电路和有源逆变电路的性能。
实验器材:1.三相交流电源;2.三相桥式全控整流电路电路板;3.电阻箱;4.示波器。
实验原理:三相桥式全控整流电路是一种常见的电力电子设备,用于将三相交流电转换为直流电。
其基本原理是通过控制整流桥中的晶闸管开通角和关断角,控制电路中负载电流的方向和大小,从而实现对电流的整流和调节。
有源逆变电路是一种将直流电转换为交流电的电力电子设备。
其基本原理是通过控制逆变桥中的晶闸管开通角和关断角,控制电路中负载电流的方向和大小,从而实现对电流的逆变和调节。
实验过程:1.将三相交流电源连接到三相桥式全控整流电路电路板;2.根据实验要求调节电源电压和频率;3.设置适当的负载电阻;4.通过控制触发电路,控制晶闸管的开通和关断;5.使用示波器观察和记录整流电流和电压波形。
实验结果:根据实验数据和示波器观察结果,整流电流和电压波形基本符合预期,呈现出期望的整流和调节性能。
实验结论:通过本次实验,我们深入理解了三相桥式全控整流电路和有源逆变电路的工作原理和控制方法。
同时,我们也验证了这两种电路的性能和实际应用。
这项实验的结果对于电力电子技术的学习和应用具有重要意义,为我们掌握和应用电力电子技术提供了实验基础和理论指导。
同时,通过实验的过程,我们也提高了实验操作的能力和实验数据处理的技巧。
总结:本次实验对于我们理解和掌握电力电子技术中的三相桥式全控整流电路和有源逆变电路的工作原理、控制方法和性能具有重要意义。
通过实验,我们不仅加深了对电力电子技术的理解,提高了实验操作的能力,还培养了我们的团队合作精神和实验数据处理的技巧。
通过本次实验的学习,我们对于电力电子技术的应用和发展有了更加深入的了解,相信在今后的学习和工作中,我们将能够更好地应用电力电子技术解决实际问题,为电力电子技术的发展做出更大的贡献。
实验三、三相桥式全控整流及有源逆变电路实验一、实验目的(1)加深理解三相桥式全控整流及有源逆变电路的工作原理。
(3)了解KC系列集成触发器的调整方法和各点的波形。
二、实验线路的构成及原理(1)DDS02主电路挂箱配置原理DDS02挂箱包括脉冲和熔断丝指示、晶闸管(I组桥、Ⅱ组桥)电路、电抗器等内容。
脉冲有无指示为方便实验中判断对应晶闸管上门阴极上是否正常,若正常,则指示灯亮,否则则不亮;同样熔断丝指示也是同理。
主要分I组桥和Ⅱ组桥分别指示。
晶闸管电路装有12只晶闸管、6只整流二极管。
12只晶闸管分两组晶闸管变流桥,其中VTl~VT6为正组桥(I组桥),由KP5-8晶闸管元件构成,一般不可逆、可逆系统的正桥、交-直-交变频器的整流部分均使用正组元件;由VT1ˊ~VT6ˊ组成反组桥(Ⅱ组桥),元件为KP5-12晶闸管,可逆系统的反桥、交-直-交变频器的逆变部分使用反组元件;同时还配置了6只整流二极管VDl~VD6,可构成不可控整流桥作为直流电源,元件的型号为KZ5-10。
所有这些功率半导体元件均配置有阻容吸收、熔丝保护,电源侧、直流环节、电机侧均配置有压敏电阻或阻容吸收等过电压保护装置。
电抗器为平波电抗器L,共有4档电感值,分别为50mH、100mH、200mH、700mH,1200 mH可根据实验需要选择电感值。
续流二极管为桥式整流实验时电路续流用,型号为KZ5-10;另外挂箱还配有一组阻容吸收电路。
(2)DDS03控制电路挂箱配置原理DDS03挂箱包括三相触发电路及功放电路、FBC+FA(电流反馈与过流保护)、G(给定器)等内容。
面板上部为同步变压器,其连线已在内部接好,连接组为△/Y-1.可在“同步电源观察孔”观察同步电源的相位。
三相触发电路(GT)及功放电路(AP)包括有GTF正组(I组)触发脉冲装置和GTR 反组(Ⅱ组)触发脉冲装置,分别通过开关连至VF正组晶闸管和VR反组晶闸管的门极、阴极。
三相全桥整流及有源逆变实验【实验基本内容】一,实验已知条件及预备知识基于电力电子技术课程中学习的整流电路的知识,根据实验指导要求,进行本次试验。
本次实验是电力电子技术实验第二次实验。
因为已经有了一次的实验经验,我们这次的实验做得很快,也比较成功。
实验操作前,老师还是介绍了整个实验的原理和方法。
这次实验的仪器和上次一样。
◇MCL—III型电力电子及电气传动教学实验台MCL-Ⅲ型电力电子及电气传动教学实验台采用积木式结构,主要由以下几部分组成:1.电源(1)交流电源由三相电源从电网输入经三相保险丝、总钥匙开关、接触器、三相隔离变压器在面板上输出。
(2)直流励磁电源提供220V/0.5A直流电源, 作为直流电动机、发电机的励磁电源。
(3)低压直流电源输出,+15V/1A,-15V/0.5A.带有短路保护。
2.安全保护系统(1)隔离变压器将电网电压和学生实验用电进行隔离。
保证学生的人身安全。
(2)该系统有过流保护功能,有电流互感器对实验电流进行检测,一旦过流即断开总电源,保护功率器件不被损坏。
(3)设有电压型漏电保护装置,对实验过程中的漏电,能够告警断开总电源。
3.检测仪表(1)交流电流表(1只):测量范围为0~1A。
(2)直流安培表(1只):测量范围为0~±2A。
4.调速系统包括速度变换器、转速调节器和电流调节器。
实验装置提供二组PID调节器,分别对速度、电流反馈量进行调节。
5.输入给定通过多圈电位器,提供0 ~±13V的连续可调电压,并带有仪表监视。
MCL-Ⅲ型电力电子及电气传动教学实验台可以进行“电力电子技术”和“交、直流调速”的相关实验,能够满足“电力电子技术”和“电气传动自动控制系统”课程的实验要求。
还能进一步开发出新的实验项目用于程设计或为研究生开设相应的实验项目。
二,实验内容1、观测整流状态下阻性负载、阻-感性负载时Ud,Uvt波形:2、观测逆变状态下(阻-感性-反电动势负载)Ud,Uvt波形及逆变功率测量:【实验条件】一,实验设备和实验仪器设备名称设备型号技术指标电力及电气传动教学试验台MCL—Ⅲ型容量:1.5kV A 体积:1.6×0.75×1.6m2 Tektronix双踪示波器TDS1012 带宽:100MHz 最高采样率:1GS/s GW—Instek数字万用表GDM—8145二,实验组成员分工姓名学号完成实验工作1,读电路原理图分析实验台接线2,读取数据(主要操作人)1,实验电路接线操作2,读取数据(辅助操作人)1,检查接线(辅助操作人)2,读取数据1,数据记录2,撰写实验报告(实验基本内容,实验条件,实验过程,实验数据处理,数据曲线拟合实验过程和思考题,特别要求)1,示波器测量操作(主要操作人)2, 检查实验电路接线3,拍摄记录示波器波形我们组在实验后进行了三次讨论。
目录目录 (1)一、实训题目:三相桥式全控有源逆变电路实训 (2)二、设计目的 (3)三.设计理念与思路 (3)四.设计主要设备及仪器 (3)五.设计电路图及工作原理 (4)(一)电路结构 (4)(二)有源逆变电路工作原理: (4)(三)三相全控桥式整流及有源逆变主电路图 (5)六.电路调试 (6)七.注意事项 (13)八.最小逆变角的确定 (13)九.心得体会 (14)十.参考文献 (15)一、实训题目:三相桥式全控有源逆变电路实训任务:在已学的《电力电子技术》课程后,为了进一步加强对整流和有源逆变电路的认识。
可设计一个三相全控桥式整流电路及有源逆变电路。
分析两种电路的工作原理及相应的波形。
通过电路接线的实验手段来进行调试,绘制相关波形图要求:a. 要有设计思想及理论依据b. 设计出电路图即有源逆变电路的结构图d. 绘出有源逆变电路的u d(t)波形图e. 对控制角α和逆变β的最小值的要求二、设计目的1.熟悉NMCL-33组件。
2.研究三相全控桥式逆变电路的工作原理,并且验证全控桥式电路在有源逆变时的工作条件,了解逆变电路的用途。
三.设计理念与思路晶闸管是一种三结四层的可控整流元件,要使晶闸管导通,除了要在阳极—阴极间加正向电压外,还必须在控制级加正向电压,它一旦导通后,控制级就失去控制作用,当阴极电流下降到小于维持电流,晶闸管回复阻断。
因此,晶闸管的这一性能可以充分的应用到许多的可控变流技术中。
在实际生产中,直流电机的调速、同步电动机的励磁、电镀、电焊等往往需要电压可调的直流电源,利用晶闸管的单向可控导电性能,可以很方便的实现各种可控整流电路。
当整流负载容量较大时,或要求直流电压脉冲较小时,应采用三相整流电路,其交流侧由三相电源提供逆变是把直流电变为交流电,它是整流的逆过程,而有源逆变是把直流电经过直-交变换,逆变成与交流电源同频率的交流电反送到电网上去。
逆变在工农业生产、交通运输、航空航天、办公自动化等领域已得到广泛的应用,最多的是交流电机的变频调速。
计算公式:Pk=|Id*Ud|-|Id²*Rn|
误差分析:在实验操作过程中,有对于电流表以及电压表的观测操作带来的观测误差为主要偶然误差;而实验中,示波器上所得到的波形图存在很多毛刺,与理想情况下的波形图存在差异,主要原因是加入了较大的电感所引起的。
虽然实验中我们用电容加电阻串联来减少毛刺,但波形图差异依然比较明显。
特别要求:
1.分析比较整流工作时,阻性负载和阻感负载再缺相(丢失一路触发信号)故障下,Ud瞬时波形的差异性?
答:在缺相故障时,阻感负载由于存在较大的电感,因此Ud的波形还是可以过零点。
这是因为流过电感元件的电流不能突变,大电感会产生一个阻碍电流的电动势;而对于阻性负载,其波形就会受到缺相的影响,不会过零点。
2.整流状态下阻-感负载时,α=90°时,Ud的瞬时波形就一定会有正负半波吗,为什么?
答:
3.说明逆变状态下,逆变电源的负载波形是电路上哪两端的波形?为什么逆变输出电压Ud 越高,负载电流Id越小?
答: 逆变电源的负载波形是电路上晶闸管共阴极与共阳极两端的电压波形;已知Id=(|Em|-|Ud|)/RΣ,所以逆变输出电压Ud越高,负载电流Id越小。
趋势分析:
1.如图,随着Ud的减小,Pk也逐渐减小,最后曲线过零点。
2.如图,随着Ud的增大,曲线趋于平缓,当Ud大到一定程度时,Pk基本不变。
3.如图,当0<Ud<20V时,曲线大致呈线性变化,Pk随Ud变化而变化。
四川大学电气信息学院实验报告书课程名称:电力电子技术实验项目: 三相全桥整流及有源逆变实验专业班组:电气工程及其自动化105班实验时间:2013年12月16日成绩评定:评阅教师:报告撰写: 学号:同组人员:学号:同组人员:学号:同组人员:学号:电气信息学院专业中心实验室目录一.实验内容1.1实验项目名称 (3)1.2实验完成目标 (3)1.3实验内容及已知条件 (3)二.实验环境2.1 主要设备仪器············································42.2小组人员分工············································5三.电路分析与仿真3.1基本电路 (5)3.2 电路仿真 (6)四.实验过程4.1连接三相整流桥及逆变回路································114.2 整流工作···············································114.3 逆变工作 (14)五.实验数据处理与分析5.1 实验数据与处理 (15)5.2误差分析················································ 16六.思考讨论与感悟6.1 实验思考题··············································166.2实验讨论题·············································· 176.3实验方案、结果可信度分析 (19)6.4 实验感悟 (1)9附件一.实验内容1.1实验名称三相全桥整流及有源逆变实验1.2实验完成目标波形;①观测分析整流状态下(阻性负载、阻-感性负载)ud,uVT②观测分析逆变状态下(阻-感性-反电动势负载)ud,u波形及逆变功率测量;VT1.3实验内容及已知条件①连接三相整流桥及逆变回路◆由三相隔离变压器(MCL-32)二次绕组接至三相降压变压器(MCL-35),输出三相电源(线电压约110~130v)作为三相变流桥的交流输入;◆由三相隔离变压器(MCL-32)二次绕组接至由二极管组成的三相不可控全波整流桥,作为逆变时负载回路的电动势源(大小恒定的电压源);◆由双刀双置开关构成整流和逆变选择回路(严禁主回路带电时切换此开关);◆约定整流、逆变临界控制点为Uct = 0,当Uct﹥0时,处于整流移相控制;Uct﹤0时处于逆变移相控制:②整流工作◆阻性负载测试:双置开关选择整流回路,负载电阻设定为最大(约450 ),加正给定电压。
1)观测并记录整流状态下α≈0O,60O,90O时ud、u波形(注意限制Id≤0.8VTA);2)α≈0O时封锁任1只晶闸管的脉冲信号,记录ud的波形及大小值;3)α≈0O时封锁任2只晶闸管的脉冲信号,记录ud的波形及大小值;(一次:共阴极组2只;一次:阴极阳极组各1只)◆阻-感(300Ω+700mH )负载测试:双置开关选择整流回路,观测并记录α=30O,90O时ud、u波形(注意限制Id≤0.8A);α= 0O时任意封VT锁1只和2只晶闸管的脉冲信号,记录ud的波形及大小值。
③逆变工作断掉主回路电源,将负载回路切换到逆变条件,注意逆变电动势源的直流极性。
◆选负给定信号,保持负载为(450Ω+700mH),再合上电源,观测逆变状态下β=60O,90O时ud,u波形;VT◆在恒定负载情况下(电阻450Ω,电感700mH,直流反电动势E基本恒定),在最大逆变移相范围内,测定电网实际吸收直流功率Pk = f (Ud)的函数曲线(不低于8组数据点)。
已知,三相全控桥电源回路输出端等效内阻Rn=26Ω。
思考:如何近似估算电网吸收的电功率?二.实验环境2.1主要设备仪器实验台:华纬MCL-Ⅲ型电力电子及电气传动教学实验台(浙江大学求是公司)图2-1实验台示波器:Tektronix TDS1012示波器(带宽:100MHZ最高采样频率:1GS/s)图2-2示波器数字万用表:图2-3 数字万用表2.2 小组人员分工1.实验阶段线路连接及检查:移相可调电位器及电阻的调节:数字万用表的操作及测量:示波器操作的及测量:数据记录及计算:2.报告撰写报告主体撰写:实验仿真:数据处理分析:特性曲线与拟合:思考题的整理:讨论内容整理:图片整理与使用:讨论与拓展思考:三.实验仿真3.1 基本电路图3-1三相全桥整流及有源逆变实验3.2 电路仿真如果按照所做电力电子实验的实际电路图进行仿真,则需要考虑电路中隔离变压器和三相降压变压器的作用,以及保证实验安全的吸收功率电阻的作用。
所绘出的电路图进行仿真时总会出现各种仿真错误或者出现波形不一致。
故我们组从原理上给予Multisim的电路图,以及我们查阅资料获得的相关Matlab 仿真的实验图。
图3-2仿真电路整流工作连接图图3-3仿真电路逆变工作连接图我们先对阻性负载测试进行仿真,参照图3-2仿真连接图。
记录整流状态下α≈0°,60°,90°时Ud,Uvt波形(注意限制Id≤0.8A);图3-4 α≈0°时Id,Ud,Uvt波形图3-5 α≈60°时Id,Ud,Uvt波形图3-6 α≈90°时Id,Ud,Uvt波形模拟α≈0°时封锁任1只晶闸管的脉冲信号,记录Id,Ud,Uvt波形,如图3-7所示; 模拟α≈0°时封锁任2只晶闸管的脉冲信号,记录Ud的波形(一次:共阴极组2只,如图3-8所示;一次:阴极阳极组各1只,如图3-9所示)。
图3-7 α≈0°时封锁任1只晶闸管Id,Ud,Uvt波形图3-8 α≈0°时封锁任2只阴阳晶闸管Id,Ud,Uvt波形图3-9α≈0°时封锁任一阴一阳晶闸管Id,Ud,Uvt波形接着我们进行阻-感(300+ 700mH )负载仿真:记录α=30°,90°时Id,Ud, Uvt波形。
图3-10 α=30°时Id,Ud, Uvt波形图3-11α=90°时Id,Ud, Uvt波形模拟α= 0O时任意封锁1只,和2只共阴极晶闸管以及一阴一阳晶闸管的脉冲信号,记录Ud的波形。
图3-12 α= 0O时任意封锁1只晶闸管Ud波形图3-13 α= 0O时封锁2只共阴极晶闸管Ud波形图3-14 α= 0O时封锁一阴一阳晶闸管Ud波形最后按照图3-3接线逆变工作电路,选负给定信号保持负载为(450Ω+700mH),模拟记录逆变状态下β=60°,90°时Id,Ud,Uvt波形。
图3-15逆变状态下β=60°时Id,Ud,Uvt波形图3-16 逆变状态下β=90°时Id,Ud,Uvt波形四.实验过程4.1连接三相整流桥及逆变回路由三相隔离变压器(MCL-32)二次绕组接至三相降压变压器(MCL-35),输出三相电源(线电压约110~130v)作为三相变流桥的交流输入;由三相隔离变压器(MCL-32)二次绕组接至由二极管组成的三相不可控全波整流桥,作为逆变时负载回路的电动势源(大小恒定的电压源);由双刀双置开关构成整流和逆变选择回路(严禁主回路带电时切换此开关);约定整流、逆变临界控制点为Uct = 0,当Uct﹥0时,处于整流移相控制;Uct﹤0时处于逆变移相控制;本次实验的线路连接在实验前已由指导老师完成,实验电路图如图3-1所示,实验过程中的实际接线图如图2-1所示。