UPS电缆参数配线规格表
- 格式:docx
- 大小:48.95 KB
- 文档页数:14
152For the latest on Altech Power Supply specifications please visit /power.CBI245A DC UPS Features:•Input: Single-phase 115 - 277 VAC •Output Load: power supply 24 VDC; 5 A •Output: Battery charging 24 VDC; 5 A •Suited for the following battery types:Open Lead Acid, Sealed Lead Acid, lead Gel and Ni-Cd (option)•Automatic diagnostic of battery status.•Switching technology, output voltage 22-28.8 VDC •Three charging levels: Boost, trickle and recovery •Protection degree IP20 - DIN rail mountableOUTPUT INPUTBATTERY OUTPUTLOADOUTPUT PROTECTION OTHERSCat. No.CBI245A Nominal Input Voltage 115 ~ 230 ~ 277 VAC Voltage range 90 – 305 VAC Inrush Current (V n – I n nom. Load). I 2t ≤11 A ≤ 5 msec Frequency 47 – 63 Hz Input Current (115 – 230 VAC) 2.8 ~ 1.3 A Internal fuse (factory replaceable) 4 A External Fuse (recommended) MCB curve B 10 A Output Voltage (V n ) / Nominal Current (I n )24 VDC / 5A Output Current I n 5 A Efficiency (at 50% of rated current)≥ 90 % Turn-On delay after applying input voltage 1 sec. (max) Start up with Strong Load (capacitive load) Yes, Unlimited Dissipation power load max 17 W Short-circuit protection Yes Over Load protection Yes Over Voltage Output protection Yes (typ. 35 VDC) Over Temperature protection Yes Output voltage (at I n ) 22 ~ 28.8 VDC Nominal current I load 1.1 x In A ± 5% Continuous current (without battery) I load = I n 5 A Continuous current (with battery) I load = I n + I batt 10 A Max. Current Output Load (Main) I load (4 sec.) 15 A max. Max. Current Output Load (Back Up) I load (4 sec.) 10 A max. Push Button or Remote Input Control (RTCONN cable) Start From Battery Without Main Time Buffering; min (switch output off without main input) ∞: standard 5 min.: Require SW Protection alarm against total discharge 19-20V DC battery Threshold alarm for battery almost flat 20-21 V DC battery Boost charge (25 °C) (at I n ) 28.8 VDC Max. time Bust Charge 15 h Min. time Bust Charge 1 min. Trickle charge (25 °C) (at I n ) 27.5 VDC Jumper Configuration battery type (V cell) Ni-Cd (optional) 2.23; 2.25; 2.27; 2.30; NiCd: 1.50 (20 elem.) Recovery Charge 2 ~ 16 VDC Charging current max I batt 5 A ± 5% Charging current limiting I adj 20 – 100 % / Ibatt Reverse battery protection Yes Sulfated battery check Yes by Jumper Detection of element in short circuit Yes Quiescent Current ≤ 5 mA Charging Curve automatic: I UoUo 3 stage Remote Input Control (RTCONN cable) Boost /Trickle / Recovery Ambient temperature (operation) -25 – +70°C De Rating Ta > 50°C - 2.5%(In) / °C Ambient temperature Storage -40 – +85°C Humidity at 25°C no condensation 95% Cooling Auto convention MTBF (IEC 61709)> 300.000 h153Altech Corp.®• 35 Royal Road • Flemington, NJ 08822-6000 • Phone (908)806-9400 • FAX (908)806-9490CBI245ADC UPSThe Altech DC-UPS system is built to optimize powermanagement. The available power is automatically allocated between load and battery, supplying power to the load is the firstpriority. For high inrush applications the charging power will reroute automatically to the load. In this case the maximum available current on the load output is two times the value of the device rated current.The Battery Care concept based on algorithms that achieve rapid and automatic charging, battery optimization during charging time, flat batteries recovery and real time diagnostic The Real Time Auto-diagnostic system, monitors battery faults, sulfated battery, short circuit battery elements, reverse polarity connection,battery disconnect. This conditions are detected and identified by the number of blinks of the diagnosis Led.The Altech DC-UPS system is designed to charge and monitor all battery types, by selecting the battery type via jumpers. Thepredefined curves include Open Lead Acid, Sealed Lead Acid, Gel,Ni-Cd (optional) battery types. The charging curve areprogrammed to automatically switch between Recovery Charge,Boost charge and Trickle charge. The continuous battery efficiencymonitoring, reduces battery damage risk and allows a safeoperation in permanent connection.A compact and rugged metal case with DIN rail mounting bracketprovide an easy installation and an IP20 protection.Voltage CurrentFast / Boost Charge Recovery Charge Tickle / Float Charge V o ltage /C u rrent Jumper for Battery Type SelectionSignal Output Contacts Main or Backup Power Yes Battery Power Low Yes Battery Fault Yes Max. Current Rating (Resistive Load)1A 30 VDC/60 VAC Minimum Permissible Current Rating 1mA @ 5 VDC RJ45 Connection Input/Output Temp. Comp. Battery (with ext. probe) Yes - Optional Remote monitoring display Yes - Optional Can Bus NoEnvironmentInsulation voltage (IN/OUT) 3000 VACInsulation voltage (input / ground) 1605 VAC Insulation voltage (Output / ground) 500 VAC Protection Class (EN/IEC 60529) IP20Pollution Degree Environment 2Connection TB, Screw Terminal 2,5 mm² (24–14AWG)Protection class (Ground Connected) Class I Dimensions (WxHxD) 65x115x135 mm 2.56x4.53x5.32 inWeight (approx.)0.6 kg (1.35 Lbs)Safety and EMC Battery charger standard compliance IEC/EN 60335-2-29Safety standards compliance:EN60950 / UL1950 / CEFire Detection and alarm compliance EN54-4 EMC Directive 89/336/EECCharging cycle DIN41773Emission IEC 61000-6-4Immunity IEC 61000-6-2。
如何给UPS配置大小合适的电缆如何给UPS 配置大小合适的电缆?三进三出ups 电源的含义三进三出:UPS 的输入电压是380V,输出是380V 或者220v 。
比较稳定,负载底。
三进单出:UPS 的输入电压是380V ,输出是220V 。
负载重。
380V 指的是3根火线之间的电压,也称为线电压。
220V 指的是火线与零线之间的电压称为相电压。
UPS 电源的输入输岀基本上分为:单相进单相岀,三相进单相岀,三相进三相岀1. 当UPS 的进线只是单相时,且UPS 负载也是单相设备时,用单相进单相出UPS (一般是小功率UPS )2. 当UPS 的进线只是三相时,且UPS 负载也是单相设备时,用三相进单相出UPS 3. 当UPS 的进线只是三相时,且 UPS 负载是单相或三相设备时,用三相进三相出UPS 给UPS 配置大小合适的电缆很重要,若是电缆配小,可能会导致UPS 在长期使用的过程中导致电缆过热而发生燃烧,导致火灾等严重的后果。
电缆从理论上来讲越大越好,但是在实际的应用过程中也没有必要造成过多的浪费,同时也要考虑到机器的接线排,以及进线的孔位大小情况,通常情况下UPS 厂家会根据需要配置的线材大小设计了合适的进线孔以及接线排,线材用大了反而会给安装带来很多不必要的麻烦,所有线材的大小合适即可。
不必要本着越大越好去配线材。
如何计算线缆大小,间接来讲就是计算UPS 在各个环节的电流大小,然后再根据每平米的线径大小能够承受的电流来计算需要配置的电缆大小。
详情请见举例:UPS 配电线缆的计算方法三进三岀■三进单岀■单进单岀■UPS 电流计算(注:一般情下,每平方毫米线缆( 3-5A 电流))I:UPS 输入额定电流 Ai:UPS 输岀额定电流n :机效率P:UPS 额定功率,VAF:负载功率因数B :UPSt 入功率因数U : UPS 输入额定电压输入电流计算公式: PF TJ/3UX输岀电流计算公式: ? P I = ---- UX 电池电流计算公式: id = PF ~KV32 = 136^ X:单相=1,三相=3Id:电池最大电流K :逆变器效率V : UPS 电池关机点电压(每节取 10.5V )例问:30kVA UPS 三进三出 F=0.8,逆变效率=0.94,整机效率=0.9,输入功率因数=0.85,UPS 电池节数:节,请问配电线缆应选多大?例问:30kVA UPS 三进单出 F=0.8,逆变效率=0.94,整机效率=0.9,输入功率因数=0.85,UPS 电池节数:节,请问配电线缆应选多大?3000022030000220 =136 A 30000220*3 =45 A Aid — 30000+0,80.94+336323Q000 +0.80^4*336 注意:对于配线长度大于10米以上的,请将线径放大1.5-3倍。
1-2、三进三出系列(50节 600VDC)1-2-1、(160-600KVA)空开配置功率电池电压输入电流A输出电流A电池最大电流A输入空开A输出空开A电池空开A16 0KVA600VDC272242249250/3P250/3P250/3P20 0KVA600VDC340303311400/3P320/3P320/3P25 0KVA600VDC425379389500/3P400/3P400/3P30 0KVA600VDC510454466630/3P500/3P500/3P40 0KVA600VDC680606622800/3P630/3P630/3P50 0KVA600VDC8507587771000/3P800/3P800/3P60 0KVA600VDC10209099151250/3P1000/3P1000/3P注:实际开关容量不得小于表中开关容量;电池开关额定工作直流电压,不得低于600VDC;1-2-2、(160-600KVA)电缆配置功率输入电缆mm2输出电缆mm2电池电缆mm2零线mm2地线mm2160KVA505070525200KVA707095735250KVA7070120735300KVA9595150(70*2)955400KVA120120240(120*2)1207500KVA150150300(150*2)1507600KVA185185350(185*2)18595注:实际电缆线径不得小于表中线径;电缆的截面积是按铜芯电缆计算的(如果用铝芯电缆则需增加30%)同时考虑了温度的上升以及最多15米(交流回路)或10米(直流回路)的线路压降。
如果线路更长,则要选用截面积更大的电缆(具体可向技术支持部咨询),以保证线路的压降低于3%(交流)或1%(直流);300KVA及以上功率UPS,电池线需采用2-3根并联。
1-3、三进三出高频系列(40节 480VDC)1-3-1、(30-120KVA)空开配置功率电池电压输入电流A输出电流A电池最大电流A输入空开A输出空开A电池空开A30 KVA480VDC48456063/3P63/3P80/3P40 KVA480VDC646180100/3P100/3P100/3P50 KVA480VDC8076100100/3P100/3P125/3P60 KVA480VDC9691120125/3P125/3P160/3P80 KVA480VDC128121160160/3P160/3P200/3P90 KVA480VDC144136180160/3P160/3P200/3P10 0KVA480VDC160152200250/3P250/3P250/3P12 0KVA480VDC191182240250/3P250/3P320/3P注:实际开关容量不得小于表中开关容量;电池开关额定工作直流电压,不得低于480VDC;1-3-2、(30-120KVA)电缆配置功率输入电缆mm2输出电缆mm2电池电缆mm2零线mm2地线mm230KVA16162516140KVA16163516150KVA252535251660KVA 252550251680KVA353550351690KVA3535703525100KVA505070525120KVA707095735注:实际电缆线径不得小于表中线径;电缆的截面积是按铜芯电缆计算的(如果用铝芯电缆则需增加30%)同时考虑了温度的上升以及最多15米(交流回路)或10米(直流回路)的线路压降。
UPS空开、线缆、对应表一、UPS空开、电缆配置1、高频UPS1-1、输入、输出、电池电流计算方法1-1-1、输入电流计算方法UPS标称功率(VA)×输出功率因数输入电流(A)=输入临界电压(V)×整机效率×输入功率因数×SS:三相UPS=3,单相UPS=1例1:已知: UPS功率:100KVA,输入临界电压:176V,输入功率因数:0.99(高频机都可以近似取1),整机效率:0.95,S=3,输出功率因数:0.8计算结果如下:100000×0.8输入电流(A)= =160176×0.95×3例2:已知: UPS功率:6KVA,输入临界电压:176V,输入功率因数:0.99(高频机都可以近似取1),整机效率:0.90,S=1,输出功率因数:0.7计算结果如下:6000×0.8输入电流(A)= =30176×0.9×11-1-2、输出电流计算方法UPS标称功率输出电流(A)=输出电压×SS:三相UPS=3,单相UPS=1例1:已知: UPS功率:100KVA,输出电压:220V,S=3。
计算结果如下:100000输出电流(A)= =152220×3例2:已知: UPS功率:6KVA,输出电压:220V,S=1计算结果如下:6000输出电流(A)= =27220×11-1-3、电池逆变电流计算方法UPS标称功率(VA)×输出功率因数电池逆变电流(A)=电池临界电压(V)×逆变效率例1:已知: UPS功率:100KVA,输出功率因数:0.8,电池临界电压:420V,逆变效率:0.95计算结果如下:100000×0.8电池逆变电流(A)= = 200420×0.951-1-4、电缆大小计算方法交流电流一般按3-5A计算,直流电流一般按2-4A计算;例1: 100KVA 输入电流:160A,输出电流:152A,电池电流200A。
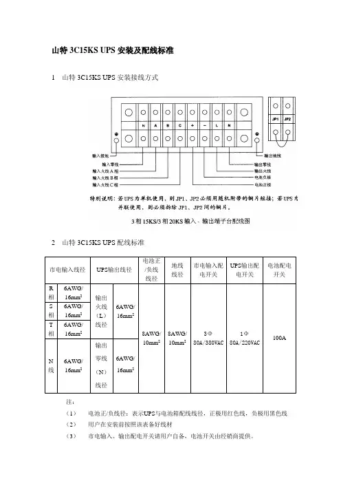
山特3C15KS UPS安装及配线标准
1 山特3C15KS UPS安装接线方式
2 山特3C15KS UPS配线标准
注:
(1)电池正/负线径:表示UPS与电池箱配线线径,正极用红色线,负极用黑色线(2)用户在安装前按照该表备好线材
(3)市电输入、输出配电开关请用户自备,电池开关由经销商提供。
3 山特3C15KS UPS 安装场地要求
为便于UPS 散热,UPS 必须放置在通风良好的地方,UPS 不能侧放,必须保证UPS 的进、出风孔风道畅通,同时为便于UPS 维护,UPS 的放置场所必须满足通风良好,进、出风孔畅通为原则。
还必须预留维护空间,UPS 以及电池与四周其他物体的距离如下示意图所示。
安装前需考虑楼层对机器和电池组的承重能力UPS 具体重量,请参考相应机种的使用手册或UPS 外包装箱。
D 2
D 2
50cm
50cm
3C15KS UPS技术参数
A20电池柜规格:960*470*1220(mm),共需用两个A20电池柜。
每个电池柜装满电池后重约650KG,占地约1平米,所以需要考滤地板承重问题。
如何给UPS配置大小合适的电缆?三进三出ups电源的含义三进三出:UPS的输入电压就是380V,输出就是380V或者220v。
比较稳定,负载底。
三进单出:UPS的输入电压就是380V,输出就是220V。
负载重。
380V指的就是3根火线之间的电压,也称为线电压。
220V指的就是火线与零线之间的电压称为相电压。
UPS电源的输入输出基本上分为:单相进单相出,三相进单相出,三相进三相出1、当UPS的进线只就是单相时,且UPS负载也就是单相设备时,用单相进单相出UPS(一般就是小功率UPS)2、当UPS的进线只就是三相时,且UPS负载也就是单相设备时,用三相进单相出UPS3、当UPS的进线只就是三相时,且UPS负载就是单相或三相设备时,用三相进三相出UPS给UPS配置大小合适的电缆很重要,若就是电缆配小,可能会导致UPS在长期使用的过程中导致电缆过热而发生燃烧,导致火灾等严重的后果。
电缆从理论上来讲越大越好,但就是在实际的应用过程中也没有必要造成过多的浪费,同时也要考虑到机器的接线排,以及进线的孔位大小情况,通常情况下UPS厂家会根据需要配置的线材大小设计了合适的进线孔以及接线排,线材用大了反而会给安装带来很多不必要的麻烦,所有线材的大小合适即可。
不必要本着越大越好去配线材。
如何计算线缆大小,间接来讲就就是计算UPS在各个环节的电流大小,然后再根据每平米的线径大小能够承受的电流来计算需要配置的电缆大小。
详情请见举例: UPS配电线缆的计算方法三进三出λ三进单出λ单进单出λUPS电流计算输入电流计算公式:输出电流计算公式:电池电流计算公式:(注:一般情下,每平方毫米线缆(3-5A电流))I:UPS输入额定电流Ai:UPS输出额定电流η:整机效率P:UPS额定功率,VAF:负载功率因数β:UPS输入功率因数U : UPS输入额定电压X:单相=1,三相=3Id:电池最大电流K:逆变器效率V:UPS电池关机点电压(每节取10、5V)例问:30kVA UPS 三进三出F=0、8,逆变效率=0、94,整机效率=0、9,输入功率因数=0、85,UPS电池节数:32节,请问配电线缆应选多大?例问:30kVA UPS 三进单出F=0、8,逆变效率=0、94,整机效率=0、9,输入功率因数=0、85,UPS电池节数:32节,请问配电线缆应选多大?注意:对于配线长度大于10米以上的,请将线径放大1、5-3倍。
UPS 电池线缆的计算导体截面积=流过导体电流I ×导线长度/导体的电阻率×导线上的压降电压UUPS 的逆变器额定的直流工作电压为384V ;要求每组蓄电池是由32块12V 的单元电池串联而成(电池组的标称电压为: 32×12=384V ), 该蓄电池的临界放电电压E 临界为32×10=320V 。
η是UPS 逆变器的效率, 取0.92, E 临界是蓄电池组的临界放电电压(12V 蓄电池的临界放电电压约为10V , 2V 蓄电池的临界放电电压约为1.67V )。
I 最大=32092.08.01000200⨯⨯⨯VA =4.294160000=543.48A 由于一台UPS 配置四组电池, 每组电池的放电电流为543.48/4=135.87A, 估计电池线长10米, 固定压降为0.3V 。
导体截面积=(135.87×10)/(57/0.3)=79.46, 应使用95mm2的铜电缆。
保护接地线的线径1.设备额定工作电流设备保护接地线线径选择主要考虑的因素是设备的工作电流大小。
通信设备的保护接地线线径的选择, 可以参考GB 4943-2001《信息技术设备的安全》中的规定进行选择。
一般来说, 实际设备的保护接地线线径选取应大于等于表中额定电流对应的截面积。
根据GB 4943-2001第2.6.3.2条的规定, 保护连接导体的尺寸, 按GB 4943-2001标准中的表7-1GB 进行选取:表7-1 GB 4943-2001的表3B" 导线规格"2.防雷从防雷方面考虑, 保护接地线的线径很容易被满足。
满足雷电流的泻放不是接地线线径需要考虑的主要方面。
IEC 61312-1按照单根接地线泻放的过电流是否达到25%直击雷电流作为防雷接地线线径选取的分界线。
通信设备的防雷是防感应雷, 如果直击雷直接打中设备, 设备的防雷即使做得再好也不可能防得住。
如何给UPS配置大小合适的电缆5篇范文第一篇:如何给UPS配置大小合适的电缆如何给UPS配置大小合适的电缆?三进三出ups电源的含义三进三出:UPS的输入电压是380V,输出是380V或者220v。
比较稳定,负载底。
三进单出:UPS的输入电压是380V,输出是220V。
负载重。
380V指的是3根火线之间的电压,也称为线电压。
220V指的是火线与零线之间的电压称为相电压。
UPS电源的输入输出基本上分为:单相进单相出,三相进单相出,三相进三相出1.当UPS的进线只是单相时,且UPS负载也是单相设备时,用单相进单相出UPS(一般是小功率UPS)2.当UPS的进线只是三相时,且UPS负载也是单相设备时,用三相进单相出UPS3.当UPS的进线只是三相时,且UPS负载是单相或三相设备时,用三相进三相出UPS 给UPS配置大小合适的电缆很重要,若是电缆配小,可能会导致UPS 在长期使用的过程中导致电缆过热而发生燃烧,导致火灾等严重的后果。
电缆从理论上来讲越大越好,但是在实际的应用过程中也没有必要造成过多的浪费,同时也要考虑到机器的接线排,以及进线的孔位大小情况,通常情况下UPS厂家会根据需要配置的线材大小设计了合适的进线孔以及接线排,线材用大了反而会给安装带来很多不必要的麻烦,所有线材的大小合适即可。
不必要本着越大越好去配线材。
如何计算线缆大小,间接来讲就是计算UPS在各个环节的电流大小,然后再根据每平米的线径大小能够承受的电流来计算需要配置的电缆大小。
详情请见举例:UPS配电线缆的计算方法三进三出λ三进单出λ单进单出λ UPS电流计算输入电流计算公式:输出电流计算公式:电池电流计算公式:(注:一般情下,每平方毫米线缆(3-5A电流))I:UPS输入额定电流 A i:UPS输出额定电流η:整机效率P:UPS额定功率,VA F:负载功率因数β:UPS输入功率因数U : UPS输入额定电压 X:单相=1,三相=3 Id:电池最大电流 K:逆变器效率V:UPS电池关机点电压(每节取10.5V)例问:30kVA UPS 三进三出 F=0.8,逆变效率=0.94,整机效率=0.9,输入功率因数=0.85,UPS电池节数:32节,请问配电线缆应选多大?例问:30kVA UPS 三进单出 F=0.8,逆变效率=0.94,整机效率=0.9,输入功率因数=0.85,UPS电池节数:32节,请问配电线缆应选多大?注意:对于配线长度大于10米以上的,请将线径放大1.5-3倍。
UPS空开、线缆、电池配置表贵州科睿电子有限公司目录一、UPS空开、电缆配置 (3)1、高频UPS (3)1-1、输入、输出、电池电流计算方法 (3)1-1-1、输入电流计算方法 (3)1-1-2、输出电流计算方法 (3)1-1-3、电池逆变电流计算方法 (4)1-1-4、电缆大小计算方法 (4)1-2、三进三出高频系列(50节600VDC) (5)1-2-1、160-600KV A)空开配置 (5)1-2-2、(160-600KV A)电缆配置 (5)1-2-3、电池空开接线图 (6)1-3、三进三出高频系列(40节480VDC) (7)1-3-1、(30-120KV A)空开配置 (7)1-3-2、(30-120KV A)电缆配置 (7)1-3-3、电池空开接线图 (8)1-4、三进三出高频系列(32节±192VDC ) (9)1-4-1、(10-60KV A)空开配置 (9)1-4-2、(10-60KV A)电缆配置 (9)1-4-3、电池空开接线图 (10)1-5、单进单出高频系列 (11)1-5-1、(6-20KV A)空开配置 (11)1-5-2、(6-20KV A)电缆配置 (11)1-5-3、电池空开接线图 (11)2、工频UPS (12)2-1、输入、输出、电池电流计算方法 (12)2-1-1、输入电流计算方法 (12)2-1-2、输出电流计算方法 (12)2-1-3、电池逆变电流计算方法 (12)2-1-4、电缆大小计算方法 (13)2-2、三进三出工频系列(29节348VDC) (14)2-2-1、(10-400KV A)空开配置 (14)2-2-2、(10-400KV A)电缆配置 (14)2-2-3、电池空开接线图 (15)2-3、三进三出工频系列(30节360VDC) (16)2-3-1、(10-60KV A)空开配置 (16)2-3-2、(10-60KV A)电缆配置 (16)2-3-3、电池空开接线图 (16)2-4、单进单出工频系列 (17)2-4-1、(4-40KV A)空开配置 (17)2-4-2、(4-40KV A)电缆配置 (17)2-4-3、电池空开接线图 (18)2-5、三进单出系列 (19)2-5-1、(4-40KV A)空开配置 (19)2-5-2、(4-40KV A)电缆配置 (19)2-5-3、电池空开接线图 (20)2-6、单进单出系列 (21)2-6-1、(1-30KV A)空开配置 (21)2-6-2、(1-30KV A)电缆配置 (21)2-6-3、电池空开接线图 (22)3、模块化UPS (23)3-1、输入、输出、电池电流计算方法 (23)3-1-1、输入电流计算方法 (23)3-1-2、输出电流计算方法 (23)3-1-3、电池逆变电流计算方法 (23)3-1-4、电缆大小计算方法 (24)3-2、模块化系列 (25)3-2-1、(10-200KV A)空开配置 (25)3-2-2、(10-200KV A)电缆配置 (25)3-2-3、电池空开接线图 (26)二、UPS电池配置 (27)1、电池配置计算方法 (27)1-1、电流法 (27)1-2、恒功率法 (27)1-3、举例说明 (28)1-4、UPS电池延时配置表 (29)一、UPS空开、电缆配置1、高频UPS1-1、输入、输出、电池电流计算方法1-1-1、输入电流计算方法UPS标称功率(VA)×输出功率因数输入电流(A)=输入临界电压(V)×整机效率×输入功率因数×SS:三相UPS=3,单相UPS=1例1:已知: UPS功率:100KVA,输入临界电压:176V,输入功率因数:0.99(高频机都可以近似取1),整机效率:0.95,S=3,输出功率因数:0.8计算结果如下:100000×0.8输入电流(A)= =160176×0.95×3例2:已知: UPS功率:6KVA,输入临界电压:176V,输入功率因数:0.99(高频机都可以近似取1),整机效率:0.90,S=1,输出功率因数:0.7计算结果如下:6000×0.8输入电流(A)= =30176×0.9×11-1-2、输出电流计算方法UPS标称功率输出电流(A)=输出电压×SS:三相UPS=3,单相UPS=1例1:已知: UPS功率:100KVA,输出电压:220V,S=3。
山特3C15KS UPS安装及配线标准1 山特3C15KS UPS安装接线方式2 山特3C15KS UPS配线标准市电输入线径UPS输出线径电池正/负线线径地线线径市电输入配电开关UPS输出配电开关电池配电开关R 相6AWG/16mm2输出火线(L)线径6AWG/16mm28AWG/10mm28AWG/10mm23Φ80A/380VAC1Φ80A/220VAC100AS 相6AWG/ 16mm2T 相6AWG/ 16mm2N 线6AWG/16mm2输出零线(N)线径6AWG/16mm2注:(1)电池正/负线径:表示UPS与电池箱配线线径,正极用红色线,负极用黑色线(2)用户在安装前按照该表备好线材(3)市电输入、输出配电开关请用户自备,电池开关由经销商提供。
3 山特3C15KS UPS安装场地要求为便于UPS散热,UPS必须放置在通风良好的地方,UPS不能侧放,必须保证UPS的进、出风孔风道畅通,同时为便于UPS 维护,UPS 的放置场所必须满足通风良好,进、出风孔畅通为原则。
还必须预留维护空间,UPS 以及电池与四周其他物体的距离如下示意图所示。
安装前需考虑楼层对机器和电池组的承重能力UPS 具体重量,请参考相应机种的使用手册或UPS 外包装箱。
3C15KS UPS 技术参数型号 3C15KS 并联冗余 电源容量 15 KVA / 10500W扩展电池功能 有 拓结构纯在线输入规格额定输入电压 三相380VAC额定输入频率 50Hz输入电压范围 304 ~ 478 VAC 三相四线+地线输入频率范围 46 ~ 54Hz功率因数校正>0.98输出规格输出波形 正弦波 转换时间零中断D 2 D 2 50cm50cmA20电池柜规格:960*470*1220(mm),共需用两个A20电池柜。
每个电池柜装满电池后重约650KG,占地约1平米,所以需要考滤地板承重问题。
感谢您使用本店文档您的满意是我们的永恒的追求!(本句可删)------------------------------------------------------------------------------------------------------------。
弱电工程UPS不间断电源中电缆大小及电池的配置计算关于ups方面的计算有很多,ups无论是接空开,还是连接电缆,以及选择电池,都可能需要计算它的电流或功率等,那么今天我们来详细了解下ups的相关计算。
一、UPS电源及电流一、高频ups与工频ups的区别ups从分类来说,分为高频ups与工频ups,高频机体积小、重量轻,价格低适合单个工作点的小功率设备保护,对干扰不敏感的设备和可靠性要求不很高的场合。
而工频机适合所有设备保护,无论是网点设备还是IDC(数据中心),可靠性较高,但工频机有体积大、重量重、价格高等缺点。
对电力品质和可靠性要求较高的地方,应使用工频机。
反之,则可使用高频机。
他们空开输入电流和输出电流的计算方法,都是一样的。
我们首先要看下,ups如何计算空开。
二、ups输入电流的计算方法我们首先要看下输入电流的计算公式:其中:S:三相UPS=3,单相UPS=1例1:已知:UPS功率:100KVA,输入临界电压:176V,输入功率因数:0.99(高频机都可以近似取1,工频机取值0.85),整机效率:0.95,S=3,输出功率因数:0.8。
计算结果如下:输入电流(A)=—————— =160A176×0.95×3*1这里以工频机输入功率因数作为计算。
例2:已知:UPS功率:6KVA,输入临界电压:176V,输入功率因数:0.99(高频机都可以近似取1,工频机取值0.85),整机效率:0.90,S=1,输出功率因数:0.7。
计算结果如下:6000×0.8输入电流(A)=—————— =30A176×0.9×1三、ups输出电流的计算方法我们先来看下输出电流的计算公式:S:三相UPS=3,单相UPS=1。
举例:已知:UPS功率:100KVA,输出电压:220V,S=3(三相ups)。
计算结果如下:输出电流(A)=————=152A220×3这里面补充下,什么是标称功率?标称功率是厂家标称的功率,,最大功率是产品的实际最大功率,产品的实际功率一般不是整数, 比如说是511.3瓦, 厂家不可能把这个小数都标出来的, 很有可能就标500瓦,那么标称功率就是500瓦,也就是就近取整。
U P S电缆参数配线规格表公司内部档案编码:[OPPTR-OPPT28-OPPTL98-OPPNN08]1-2、三进三出系列(50节 600VDC)1-2-1、(160-600KVA)空开配置功率电池电压输入电流A输出电流A电池最大电流A输入空开A输出空开A电池空开A160KVA600VDC272242249250/3P250/3P250/3P 200KVA600VDC340303311400/3P320/3P320/3P 250KVA600VDC425379389500/3P400/3P400/3P 300KVA600VDC510454466630/3P500/3P500/3P 400KVA600VDC680606622800/3P630/3P630/3P 500KVA600VDC8507587771000/3P800/3P800/3P 600KVA600VDC10209099151250/3P1000/3P1000/3P注:实际开关容量不得小于表中开关容量;电池开关额定工作直流电压,不得低于600VDC;1-2-2、(160-600KVA)电缆配置功率输入电缆mm2输出电缆mm2电池电缆mm2零线mm2地线mm2160KVA5050705025 200KVA7070957035 250KVA70701207035 300KVA9595150(70*2)9550 400KVA120120240(120*2)12070 500KVA150150300(150*2)15070 600KVA185185350(185*2)18595注:实际电缆线径不得小于表中线径;电缆的截面积是按铜芯电缆计算的(如果用铝芯电缆则需增加30%)同时考虑了温度的上升以及最多15米(交流回路)或10米(直流回路)的线路压降。
如果线路更长,则要选用截面积更大的电缆(具体可向技术支持部咨询),以保证线路的压降低于3%(交流)或1%(直流);300KVA及以上功率UPS,电池线需采用2-3根并联。
1-3、三进三出高频系列(40节 480VDC)1-3-1、(30-120KVA)空开配置功率电池电压输入电流A输出电流A电池最大电流A输入空开A输出空开A电池空开A30KVA480VDC48456063/3P63/3P80/3P 40KVA480VDC646180100/3P100/3P100/3P 50KVA480VDC8076100100/3P100/3P125/3P 60KVA480VDC9691120125/3P125/3P160/3P 80KVA480VDC128121160160/3P160/3P200/3P 90KVA480VDC144136180160/3P160/3P200/3P 100KVA480VDC160152200250/3P250/3P250/3P 120KVA480VDC191182240250/3P250/3P320/3P注:实际开关容量不得小于表中开关容量;电池开关额定工作直流电压,不得低于480VDC;1-3-2、(30-120KVA)电缆配置功率输入电缆mm2输出电缆mm2电池电缆mm2零线mm2地线mm230KVA1616251610 40KVA1616351610 50KVA2525352516 60KVA2525502516 80KVA3535503516 90KVA3535703525 100KVA5050705025 120KVA7070957035注:实际电缆线径不得小于表中线径;电缆的截面积是按铜芯电缆计算的(如果用铝芯电缆则需增加30%)同时考虑了温度的上升以及最多15米(交流回路)或10米(直流回路)的线路压降。
如果线路更长,则要选用截面积更大的电缆(具体可向技术支持部咨询),以保证线路的压降低于3%(交流)或1%(直流)。
1-4、三进三出高频系列(32节±192VDC )1-4-1、(10-60KVA)空开配置功率电池电压输入电流A输出电流A电池最大电流A输入空开A输出空开A电池空开A10KVA384VDC16152532/3P32/3P32/3P 20KVA384VDC32305063/3P63/3P63/3P 30KVA384VDC484575100/3P100/3P100/3P 40KVA384VDC6461100100/3P100/3P125/3P 50KVA384VDC8076125125/3P125/3P160/3P 60KVA384VDC9691150125/3P125/3P200/3P注:实际开关容量不得小于表中开关容量;电池开关额定工作直流电压,不得低于384VDC。
1-4-2、(10-60KVA)电缆配置功率输入电缆mm2输出电缆mm2电池电缆mm2零线mm2地线mm210KVA661066 20KVA101016106 30KVA161625161040KVA161635161050KVA252535251660KVA2525502516注:实际电缆线径不得小于表中线径;电缆的截面积是按铜芯电缆计算的(如果用铝芯电缆则需增加30%)同时考虑了温度的上升以及最多15米(交流回路)或10米(直流回路)的线路压降。
如果线路更长,则要选用截面积更大的电缆(具体可向技术支持部咨询),以保证线路的压降低于3%(交流)或1%(直流)。
1-5、单进单出系列1-5-1、(6-20KVA)空开配置功率电池电压输入电流A输出电流A电池最大电流A输入空开A输出空开A电池空开A6KVA240VDC30272532/2P32/2P32/2P 10KVA240VDC48453863/2P63/2P63/2P10KVA 3/1240VDC17454363/2P63/2P63/2P15KVA 3/1240VDC286865100/3P100/3P100/3P20KVA 3/1240VDC359185125/3P125/3P125/3P注:实际开关容量不得小于表中开关容量;电池开关额定工作直流电压,不得低于240VDC。
1-5-2、(6-20KVA)电缆配置功率输入电缆mm2输出电缆mm2电池电缆mm2零线mm2地线mm2备注6KVA1010610610KVA1616101610 10KVA 3/1161616161015KVA 3/1161616161020KVA 3/12525252510注:实际电缆线径不得小于表中线径;电缆的截面积是按铜芯电缆计算的(如果用铝芯电缆则需增加30%)同时考虑了温度的上升以及最多15米(交流回路)或10米(直流回路)的线路压降。
如果线路更长,则要选用截面积更大的电缆(具体可向技术支持部咨询),以保证线路的压降低于3%(交流)或1%(直流);2-2、三进三出工频系列(29节 348VDC)2-2-1、10-400KVA)空开配置功率电池电压输入电流A输出电流A电池最大电流A输入空开A输出空开A电池空开A10KVA348VDC28152832/3P32/3P32/3P 20KVA348VDC37305563/3P63/3P63/3P 30KVA348VDC56458380/3P80/3P100/3P 40KVA348VDC7561110100/3P100/3P125/3P 50KVA348VDC9476138100/3P100/3P160/3P 60KVA348VDC11291166125/3P125/3P200/3P 80KVA348VDC150121221160/3P160/3P250/3P 100KVA348VDC187152276250/3P250/3P320/3P 120KVA348VDC225182331250/3P250/3P320/3P 160KVA348VDC300242442320/3P250/3P500/3P 200KVA348VDC374303552400/3P400/3P630/3P 250KVA348VDC468379690500/3P500/3P800/3P300KVA348VDC561455828630/3P500/3P800/3P 400KVA 348VDC7486061105800/3P630/3P1250/3P注:实际开关容量不得小于表中开关容量;电池开关额定工作直流电压,不得低于348VDC。
2-2-2、(10-400KVA)电缆配置功率输入电缆mm2输出电缆mm2电池电缆mm2零线mm2地线 mm210KVA101010101020KVA161616161030KVA161625161040KVA252535251650KVA252535251660KVA353550351680KVA3535503516 100KVA5050705025 120KVA7070957035 160KVA9595959550 200KVA9595150(70*2)9550 250KVA120120185(95*2)12070 300KVA185185240(120*2)18595 400KVA 240240480(240*2)240120注:实际电缆线径不得小于表中线径;电缆的截面积是按铜芯电缆计算的(如果用铝芯电缆则需增加30%)同时考虑了温度的上升以及最多15米(交流回路)或10米(直流回路)的线路压降。
如果线路更长,则要选用截面积更大的电缆(具体可向技术支持部咨询),以保证线路的压降低于3%(交流)或1%(直流)。
2-3、三进三出工频系列(30节 360VDC)2-3-1、(10-60KVA)空开配置功率电池电压输入电流A输出电流A电池最大电流A输入空开A输出空开A电池空开A10KVA360VDC28152732/3P32/3P32/3P 20KVA360VDC37305463/3P63/3P63/3P 30KVA360VDC56458080/3P80/3P100/3P 40KVA360VDC7561107100/3P100/3P125/3P 50KVA360VDC9476134100/3P100/3P160/3P 60KVA360VDC11291160125/3P125/3P200/3P注:实际开关容量不得小于表中开关容量;电池开关额定工作直流电压,不得低于360VDC。
2-3-2、(10-60KVA)电缆配置功率输入电缆mm2输出电缆mm2电池电缆mm2零线mm2地线 mm210KVA10101010620KVA161616161030KVA161625161040KVA252535251650KVA252535251660KVA3535503516注:实际电缆线径不得小于表中线径;电缆的截面积是按铜芯电缆计算的(如果用铝芯电缆则需增加30%)同时考虑了温度的上升以及最多15米(交流回路)或10米(直流回路)的线路压降。