最新74HC573单片机应用
- 格式:doc
- 大小:207.50 KB
- 文档页数:5
74HC573在单片机中的简单应用基于Proteus仿真1、74HC573是8位数据锁存器.数据锁存的意思是指:当输入的数据消失时,在芯片的输出端,数据仍然保持;2、如右图所示,芯片各引脚功能如下:右图隐藏了VCC(接+5V电源)和GND(接地)两个引脚。
OE:output_enable,输出使能;LE:latch_enable,数据锁存使能,latch是锁存的意思;Dn:第n路数据输入端;(D的意思是Data input)Qn:第n路数据输出端;当OE=1是,无论Dn、LE为何,输出端为高阻态;当OE=0、LE=1时,输出端数据等于输入端数据,芯片可以当作不存在,相当于导线;当OE=0、LE=0时,输出端保持不变,处于数据锁存状态;在实际应用的时候是这样做的:a.令OE=0;LE=1b.将数据从单片机的口线上输出到Dn;c.令OE=0;LE=0;d.这时,你所需要输出的数据就锁存在Qn上了,输入的数据再变化也影响不到输出的数据了;3、74HC573简单应用(一)如下图所示,在P3口同时接了两个74HC573锁存器,两个芯片的输出使能端OE都接地,数据锁存使能端LE分别接P2^6和P2^7,锁存器的输出数据端Qn 都接LED条形显示器,本例通过对P3口赋不同的值来使U4的上四个LED灯点亮,U5的下四个LED灯点亮。
C程序如下:#include<reg51.h>sbit LE1=P2^6;sbit LE2=P2^7;void main(){LE1=1;P3=0X0F;LE1=0;//开启锁存功能,使U2输出端锁存数据0X0F LE2=1;P3=0XF0;LE2=0;//开启锁存功能,使U3输出端锁存数据0XF0 while(1);}仿真运行结果如下4、74HC573简单应用(二)如下图所示,两片74HC573的数据输入端同时接到P0口,输出使能端OE都接地,数据锁存端LE分别接到P2^6和P2^7,U2的数据输出端接六个数码管的段码,U3的数据输出端接六个数码管的位码。
74hc573中文资料参数
特点:
·三态总线驱动输出
·置数全并行存取
·缓冲控制输入
·使能输入有改善抗扰度的滞后作用
原理说明:
M54HC563/74HC563/M54HC573/74HC573的八个锁存器都是透明的D 型锁存器,当使能(G)为高时,Q 输出
将随数据(D)输入而变。
当使能为低时,输出将锁存在已建立的数据电平上。
输出控制不影响锁存器的内部工作,即老数据可以保持,甚至当输出被关闭时,
新的数据也可以置入。
这种电路可以驱动大电容或低阻抗负载,可以直接与系统总线接口并驱动总线,而不需要外接口。
特别适用于缓冲寄存器,I/O 通道,双向总线驱动器和工作寄存器。
HC573
图1 HC573引脚图图2 HC573 国际电工委员会逻辑符号图3 HC563引脚图图4 HC563 国际电工委员会逻辑符号
图5 HC563 逻辑图
图6 HC573 逻辑图
图7 输入输出等效电路
真值表:
应用电路图:点击图片查看大图
图8
图9。
74hc573在应用电路作用解析74hc573驱动数码管动态扫描74HC573D是8位三态锁存器,一般在实际应用电路中用于地址或数据的锁存。
本文主要探讨了74HC573D在实际应用电路中的作用以及如何驱动数码管动态显示,下面就来一一介绍74HC573D。
大家都知道74HC573D是一种锁存器,那么锁存器是干嘛用的呢?锁存器辨析所谓锁存器,就是输出端的状态不会随输入端的状态变化而变化,仅在有锁存信号时输入的状态被保存到输出,直到下一个锁存信号到来时才改变。
典型的锁存器逻辑电路是D 触发器电路。
PS:锁存信号(即对LE赋高电平时Data端的输入信号)。
锁存,就是把信号暂存以维持某种电平状态。
锁存器的最主要作用1:缓存、2:完成高速的控制其与慢速的外设的不同步问题、3:是解决驱动的问题(提供的电流比51IO口输出电流大)4:拓展I/O口(可以很猥琐的用锁存器幂叠加方法,即锁存器的Q再接锁存器~ 实现IO 口的无限拓展···)锁存器应用实例:I/O口复用:当单片机连接片外存储器时,要接上锁存器,这是为了实现地址的复用。
假设,MCU 端口其中的8 路的I/O 管脚既要用于地址信号又要用于数据信号,这时就可以用锁存器先将地址锁存起来。
(具体操作:先送地址信息,由ALE使能锁存器将地址信息锁存在外设的地址端,然后送数据信息和读写使能信号,在指定的地址进行读写操作)如果单片机的总线接口只作一种用途,不需要接锁存器;如果单片机的总线接口要作两种用途,就要用到锁存器。
例如:一个I/O口要控制两个LED,对第一个LED 送数据时,“打开”第一个锁存器而“锁住”第二个锁存器,使第二个LED 上的数据不变。
对第二个LED 送数据时,“打开”第二个锁存器而“锁住”第一个锁存器,使第一个LED 上的数据不变。
如果单片机的一个口要做三种用途,则可用三个锁存器,操作过程相似。
就。
74hc573可以驱动几位共阴数码管?74hc573驱动数码管应用解析74hc573能够驱动几位共阴数码管取决于你使用几片74hc573,如果用两片,一片锁存段码,一片锁存位码,就可以驱动8位数码管。
在讲解74hc573驱动数码管问题之前我们要清楚,什么是74hc573及什么是数码管?数码管数码管是一种半导体发光器件,其基本单元是发光二极管,文章用到的是2位连体共阴数码管。
这种数码管有8根段码引脚和2根位码引脚,段码决定了显示的是什么字符,位码决定了哪位数码管被点亮。
对于共阴数码管来讲,位码引脚为低电平时,相应的数码管被点亮。
74hc573锁存器74HC573是拥有八路输出的透明锁存器,输出为三态门,是一种高性能硅栅CMOS器件。
具有8个数据输入端、8个数据输出端和3个控制端。
1脚(OE)为输出使能端,11脚(LE)为锁存使能端。
锁存器的工作原理:当OE为高时,输出为高阻态,即锁存器不能正常工作。
当OE为低且LE为高时,输出Q将随输入D而变,此时锁存器工作在直通模式下。
当OE为低且LE为低时,输出Q将不随输入D而变,此时锁存器工作在锁存模式下,输出Q保持上一时刻数值不变。
74hc573可以驱动几位共阴数码管?理论上说只要你74hc573使用得够多,就能驱动更多的数码管,下面来分享74hc573驱动数码管的应用电路及程序分享74hc573驱动2位数码管在程序开头部分先定义1个数组,数组元素为数码管的段码:uchar+code+table[]={0x3f,0x06,0x5b,0x4f,0x66%,0x6d,0x7d,0x07,0x7f,0x6f}关键代码及注释如下。
数据拆分和显示函数该函数在具体实现时,不停地先送显个位数,然后送显十位数,即采用了数码管动态扫描法。
扫描间隔不宜太长,文章为1毫秒,用delay(1)实现这个间隔,若扫描间隔太长,会导致扫描刷新不及时,出现个位和十位交替闪烁的现象。
定时计数器的初始化及其中断函数结论本电路采用单片机作为主控制器,设计了0-99循环计数并显示的电路,采用了锁存器实现2位数码管动态扫描显示。
74hc573原理74HC573是一种常用的集成电路芯片,属于高速CMOS逻辑系列。
它是一种8位透明锁存器,可以实现数据的存储和传输功能。
本文将介绍74HC573的原理和应用。
我们来了解一下74HC573的基本结构。
它由8个锁存器单元组成,每个单元都具有一个数据输入端(D)、一个时钟输入端(CK)和一个数据输出端(Q)。
这些单元可以独立地将数据存储在内部存储器中,并在时钟脉冲到达时将数据传输到输出端。
除此之外,74HC573还具有一个输出使能端( OE ),通过控制该端口的高低电平,可以使输出端的数据有效或者无效。
接下来,我们来看一下74HC573的工作原理。
当时钟输入端接收到一个信号时,数据输入端的数据会被存储在内部存储器中。
存储的数据可以通过数据输出端输出。
当输出使能端为高电平时,数据输出端的数据有效;当输出使能端为低电平时,数据输出端的数据无效。
通过控制输出使能端的状态,我们可以实现数据的读取和屏蔽操作。
那么,74HC573的应用有哪些呢?它广泛应用于数字电路中,特别是在数据存储和传输方面。
例如,在微处理器系统中,我们可以使用74HC573将数据从外部设备传输到微处理器中,或者将数据从微处理器传输到外部设备中。
它还可以用于存储数据,以便在需要时进行读取。
除了数据存储和传输外,74HC573还可以用于地址译码。
通过将地址线连接到74HC573的数据输入端,我们可以根据地址信号的不同将数据传输到不同的输出端。
这在存储器和外设的选择和控制中起着重要作用。
74HC573还可以用于时序控制。
通过控制时钟输入端和输出使能端的状态,我们可以实现对数据传输的控制。
例如,可以根据特定的时序要求将数据传输到其他模块,并在需要时将其输出。
总结一下,74HC573是一种功能强大的集成电路芯片,可以实现数据的存储和传输功能。
它广泛应用于数字电路中,特别是在数据存储、传输、地址译码和时序控制等方面。
通过灵活的控制和应用,我们可以实现不同的功能需求。
74h c573完整中文资料74hc573中文资料参数-74hc573引脚图-功能原理-74hC573的作用-应用电路-74hC563-54hC57高性能硅门 CMOS器件SL74HC573跟 LS/AL573的管脚一样。
器件的输入是和标准CMOS输出兼容的;加上拉电阻,他们能和 LS/ALSTTL输出兼容。
当锁存使能端为高时,这些器件的锁存对于数据是透明的(也就是说输出同步)。
当锁存使能变低时,符合建立时间和保持时间的数据会被锁存。
×输出能直接接到CMOS,NMOS和 TTL接口上×操作电压范围:2.0V~6.0V×低输入电流:1.0uA×CMOS器件的高噪声抵抗特性·三态总线驱动输出·置数全并行存取·缓冲控制输入·使能输入有改善抗扰度的滞后作用原理说明:M54HC563/74HC563/M54HC573/74HC573的八个锁存器都是透明的D 型锁存器,当使能(G)为高时,Q 输出将随数据(D)输入而变。
当使能为低时,输出将锁存在已建立的数据电平上。
输出控制不影响锁存器的内部工作,即老数据可以保持,甚至当输出被关闭时,新的数据也可以置入。
这种电路可以驱动大电容或低阻抗负载,可以直接与系统总线接口并驱动总线,而不需要外接口。
特别适用于缓冲寄存器,I/O 通道,双向总线驱动器和工作寄存器。
HC563引脚功能表:HC573引脚功能表:1OE 3 State output Enable Input (Active LOW)3态输出使能输入(低电平)2, 3, 4, 5, 6, 7, 8, 9D0 to D7Data Inputs数据输入12,13,14,15,16,17,18,19Q0 to Q7 3 State Latch Outputs 3态锁存输出11LE Latch Enable Input 锁存使能输入10GND Ground接地(0V)20VCC Positive Supply Voltage电源电压图1 HC573引脚图图2 HC573 国际电工委员会逻辑符号图3 HC563引脚图图4 HC563 国际电工委员会逻辑符号图5 HC563 逻辑图图6 HC573 逻辑图图7 输入输出等效电路真值表:INPUTS 输入Outputs输出OE LE D Q (HC573) Q (HC563) H X X Z ZL L X NO CHANGE *NO CHANGE * L H L L HL H H H L ABSOLUTE MAXIMUM RATINGS绝对最大额定值:Symbol 符号Parameter 参数Value 数值Unit 单位VCC Supply Voltage电源电压-0.5 to +7VVI DC Input Voltage 直流输入电压-0.5 to VCC + 0.5VVO DC Output Voltage直流输出电压-0.5 to VCC + 0.5VIIK DC Input Diode Current直流输入二极管电流± 20mA IOK DC Output Diode Current直流输出二极管电流± 20mA IO DC Output Source Sink Current Per Output Pin± 35mA ICC or IGND DC VCC or Ground Current± 70mA PD Power Dissipation功耗500 (*)mW Tstg Storage Temperature贮藏温度-65 to +150℃TL Lead Temperature 焊接温度 (10 sec)300℃RECOMMENDED OPERATING CONDITIONS建议操作条件:Symbol 符号Parameter 参数Value 数值Unit单位VCC Supply Voltage电源电压 2 to 6V VI Input Voltage输入电压0 to VCC V VO Output Voltage输出电压0 to VCC VTop Operating Temperature: M54HC Series M74HC Series操作温度: M54HC系列M74HC系列-55 to +125 -40 to +85℃tr,tf Input Rise and Fall Time输入上升和下降时间VCC =2V0 to 1000ns VCC=4.5V0 to 500VCC =6V0 to 400VOHHigh Level Output Voltage输出高电平电压2.0 VI = VIH or VILIO=-20 μA1.92.0-1.9 -1.9 -V4.54.44.54.44.4---6.05.96.05.95.9-4.5IO=-6.0 mA4.184.314.134.10-6.0IO=-7.8 mA5.685.85.635.60-VOLLow Level Output Voltage输出低电平电压2.0 VI = VIH or VILIO=20 μA-0.0 0.1 -0.1-0.1V4.5-0.00.1 0.10.16.0-0.00.10.10.14.5IO= 6.0mA-0.170.260.330.406.0IO= 7.8mA-0.180.260.330.40IIInput Leakage Current输入漏电流6.0VI=VCC or GND--±0.1-±1±1μA IOZState Output Off State Current关断状态3态输出电流6.0VI =VIH or VIL VO =VCC or GND--±0.5-±5.0-±10μAICCQuiescent Supply Current静态电源电流6.0VI =VCC or GND--4-40-80μA应用电路图:点击图片查看大图图8。
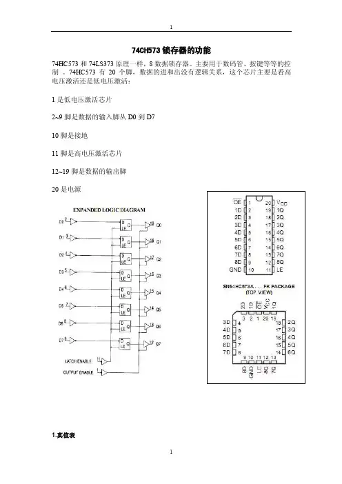
74CH573锁存器的功能74HC573和74LS373原理一样,8数据锁存器。
主要用于数码管、按键等等的控制。
74HC573有20个脚,数据的进和出没有逻辑关系,这个芯片主要是看高电压激活还是低电压激活:1是低电压激活芯片2~9脚是数据的输入脚从D0到D710脚是接地11脚是高电压激活芯片12~19脚是数据的输出脚74HC573真值表,意思如下:第一行/第二行:当OE=0、LE=1时,输出端数据等于输入端数据;第三行:当OE=0、LE=0时,输出端保持不变;第四行:当OE=1是无论Dn、LE为何,输出端为高阻态;2. 高阻态就是输出既不是高电平,也不是低电平,而是高阻抗的状态;在这种状态下,可以多个芯片并联输出;但是,这些芯片中只能有一个处于非高阻态状态,否则会将芯片烧毁。
高阻态的概念在RS232和RS422通讯中还可以用到。
3. 数据锁存当输入的数据消失时,在芯片的输出端,数据仍然保持;这个概念在并行数据扩展中经常使用到。
4. 数据缓冲加强驱动能力:74LS244/74LS245/74LS373/74LS573都具备数据缓冲的能力。
◆OE:output_enable,输出使能;◆LE:latch_enable,数据锁存使能,atch是锁存的意思;◆Dn:第n路输入数据;◆On:第n路输出数据;74HC573波形图,在实际应用的时候是这样做的:a.OE=0;b.先将数据从单片机的口线上输出到Dn;c.再将LE从0->1->0 ;d.这时,你所需要输出的数据就锁存在On上了,输入的数据在变化也影响不到输出的数据了;实际上,单片机现在在忙着干别的事情,串行通信、扫描键盘……单片机的资源有限啊。
在单片机按照RAM方式进行并行数据的扩展时,使用movx @dptr, A这条指令时,这些时序是由单片机来实现的。
后面的表格中还有需要时间的参数,你不需要去管它,因为这些参数都是几十ns级别的,对于单片机在12M下的每个指令周期最小是1us的情况下,完全可以实现;如果是你自己来实现这个逻辑,类似的指令如下:MOV P0,A ; //将数据输出到并行数据端口CLR LESETB LECLR LE ; //上面三条指令完成LE的波形从0->1->0的变化74LS573跟74LS373逻辑上完全一样,只不过是管脚定义不一样,数据输入和输出端.测量学试卷 第 4 页(共 7 页)《测量学》模拟试卷1.经纬仪测量水平角时,正倒镜瞄准同一方向所读的水平方向值理论上应相差(A )。
数据锁存器74HC573在模式锁存触发电路中的应用【任务引领】上一个任务中我们产生了一个1秒钟的延时信号,在此期间的过渡无效状态都不能引起后续继电器的动作,那就需要添加一个锁存器进行信号的锁存处理,我们利用数据锁存器74HC573完成此项任务。
1图锁存器认识(动画112)【知识目标】1.掌握寄存器的工作原理及分类。
2.掌握锁存器的工作原理。
【能力目标】1.能利用锁存器实现数据锁存。
【任务准备】1.触发器的原理及应用;8.2.1寄存器的特点和分类能存放二值代码的部件叫做寄存器。
寄存器按功能分为数码寄存器和移位寄存器。
数码寄存器只供暂时存放数码,可以根据需要将存放的数码随时取出参加运算或者进行数据处理。
移位寄存器不但可存放数码,而且在移位脉冲作用下,寄存器中的数码可根据需要向左或向右移位。
数码寄存器和移位寄存器被广泛用于各种数字系统和数字计算机中。
寄存器存入数码的方式有并行输入和串行输入两种。
并行输入方式是将各位数码从对应位同时输入到寄存器中;串行输入方式是将数码从一个输入端逐位输入到寄存器中。
从寄存器取出数码的方式也有并行输出和串行输出两种。
在并行输出方式中,被取出的数码在对应的输出端同时出现;在串行输出方式中,被取出的数码在一个输出端逐位输出。
并行方式与串行方式比较,并行存取方式的速度比串行存取方式快得多,但所用的数据线要比串行方式多。
构成寄存器的核心器件是触发器。
对寄存器中的触发器只要求具有置0、置1的功能即可,所以无论何种结构的触发器,只要具有该功能就可以构成寄存器了。
能存放二值代码的部件叫做寄存器。
寄存器按功能分为数码寄存器和移位寄存器。
数码寄存器只供暂时存放数码,可以根据需要将存放的数码随时取出参加运算或者进行数据处理。
移位寄存器不但可存放数码,而且在移位脉冲作用下,寄存器中的数码可根据需要向左或向右移位。
数码寄存器和移位寄存器被广泛用于各种数字系统和数字计算机中。
寄存器存入数码的方式有并行输入和串行输入两种。
74hc573锁存器作用
在LED和数码管显示方面,要维持一个数据的显示,往往要持续的快速的刷新。
尤其是在四段八位数码管等这些要选通的显示设备上。
在人类能够接受的刷新频率之内,大概每三十毫秒就要刷新一次。
这就大大占用了处理器的处理时间,消耗了处理器的处理能力,还浪费了处理器的功耗。
锁存器的使用可以大大的缓解处理器在这方面的压力。
当处理器把数据传输到锁存器并将其锁存后,锁存器的输出引脚便会一直保持数据状态直到下一次锁存新的数据为止。
这样在数码管的显示内容不变之前,处理器的处理时间和IO 引脚便可以释放。
可以看出,处理器处理的时间仅限于显示内容发生变化的时候,这在整个显示时间上只是非常少的一个部分。
而处理器在处理完后可以有更多的时间来执行其他的任务。
这就是锁存器在LED和数码管显示方面的作用:节省了宝贵的MCU时间。
锁存器和缓冲器的作用和区别
锁存器就是把当前的状态锁存起来,使CPU送出的数据在接口电路的输出端保持一段时间锁存后状态不再发生变化,直到解除锁定。
还有些芯片具有锁存器,比如芯片74LS244就具有锁存的功能,它可以通过把一个引脚置高后,输出就会保持现有的状态,直到把该引脚清0后才能继续变化。
缓冲寄存器又称缓冲器,它分输入缓冲器和输出缓冲器两种。
前者的作用是将外设送来的数据暂时存放,以便处理器将它取走;后者的作用是用来暂时存放处理器送往外设的数据。
有了数控缓冲器,就可以使高速工作的CPU与慢速工作的外设起协调和缓冲作用,实现数据传送的同步。
由于缓冲器接在数据总线上,故必须具有三态输出功能。
74HC573简介74HC573是一款集成电路芯片,属于74HC系列。
它是一个八位透明锁存器,可用于存储并输出数据。
该芯片具有广泛的应用范围,特别适用于数字系统中的数据存储和传输控制。
特性1.输入/输出电压高兼容性2.具有高噪声抑制特性3.3态输出(输出能力:15pF的负载)4.具有非常低的静电电流消耗5.可采用直接储存法或环形移位法进行数据输入6.异常条件下的保护功能7.符合RoHS标准引脚功能74HC573芯片有20个引脚,具体引脚功能如下:1.OE(输出使能):输出使能端口,高电平有效。
当OE为高电平时,输出开启;当OE为低电平时,输出关闭。
2.D(数据端口):数据输入端口,可输入二进制数据。
3.Q0-Q7(输出端口):数据输出端口,用于存储和输出数据。
4.LE(锁存控制):锁存控制端口,高电平有效。
当LE为高电平时,数据被锁存;当LE为低电平时,数据不被锁存。
5.GND(地):接地端口,连接至系统的地线。
6.VCC(电源):电源端口,连接至系统的电源。
工作原理数据锁存当LE为高电平时,数据输入到D端口,由于OE为高电平,数据透明地传输到输出端口Q0-Q7,实现了数据的锁存与输出。
当LE为低电平时,数据输入到D端口,数据不被锁存,输出端口Q0-Q7不受输入数据的影响。
指定输出状态当锁存器处于透明状态(LE为高电平)时,通过在输入端口D输入二进制数据,可以指定锁存器的输出状态。
输出使能控制通过控制OE端口的电平,可以控制输出使能状态。
当OE为高电平时,锁存器的输出端口Q0-Q7开启,数据可以正常传输。
当OE为低电平时,锁存器的输出端口Q0-Q7关闭,数据不能正常传输。
应用范围74HC573芯片具有广泛的应用范围,在数字系统中常用于以下方面:1.数据存储与传输:通过74HC573芯片,可以实现对数据的存储与传输控制,方便数据的处理和分析。
2.并行数据输入输出:通过控制锁存器的输入与输出端口,可以实现并行数据的输入与输出。
74hc573是什么芯片 74hc273特点和使用方法74HC573是拥有八路输出的透明锁存器,输出为三态门,是一种高性能硅栅CMOS器件。
74HC573包含八路D 型透明锁存器,每个锁存器具有独立的D 型输入,以及适用于面向总线的应用的三态输出。
所有锁存器共用一个锁存使能(LE)端和一个输出使能(OE)端。
由此得出74hc573芯片属于8位数码管驱动芯片。
关于“74hc573是什么芯片 74hc273特点和使用方法”的详细说明。
1.74hc573是什么芯片74HC573是拥有八路输出的透明锁存器,输出为三态门,是一种高性能硅栅CMOS器件。
74HC573包含八路D 型透明锁存器,每个锁存器具有独立的D 型输入,以及适用于面向总线的应用的三态输出。
所有锁存器共用一个锁存使能(LE)端和一个输出使能(OE)端。
由此得出74hc573芯片属于8位数码管驱动芯片。
当LE为高时,数据从Dn输入到锁存器,在此条件下,锁存器进入透明模式,也就是说,锁存器的输出状态将会随着对应的D输入每次的变化而改变。
当LE为低时,锁存器将存储D输入上的信息一段就绪时间,直到LE的下降沿来临。
当OE为低时,8个锁存器的内容可被正常输出;当OE为高时,输出进入高阻态。
OE端的操作不会影响锁存器的状态。
2.74hc273特点和使用方法74HC273具有八路边沿触发,D 型触发器,带独立的D输入和Q输出。
74HC273的公共时钟(CP)和主复位(MR)端可同时读取和复位(清零)所有触发器。
每个D输入的状态将在时钟脉冲上升沿之前的一段就绪时间内被传输到触发器对应的输出(Qn)上。
一旦MR输入电平为低,则所有输出将被强制置为低,而不依赖于时钟或者数据输入。
74HC273适用于要求原码输出或者所有存储元件共用时钟和主复位的应用。
74hc573中文资料参数-74hc573引脚图-功能原理-74hC573的作用-应用电路-74hC563-54hC57高性能硅门CMOS器件SL74HC573跟LS/AL573的管脚一样。
器件的输入是和标准CMOS输出兼容的;加上拉电阻,他们能和LS/ALSTTL输出兼容。
当锁存使能端为高时,这些器件的锁存对于数据是透明的(也就是说输出同步)。
当锁存使能变低时,符合建立时间和保持时间的数据会被锁存。
×输出能直接接到CMOS,NMOS和TTL接口上×操作电压范围:2.0V~6.0V×低输入电流:1.0uA×CMOS器件的高噪声抵抗特性·三态总线驱动输出·置数全并行存取·缓冲控制输入·使能输入有改善抗扰度的滞后作用原理说明:M54HC563/74HC563/M54HC573/74HC573的八个锁存器都是透明的D 型锁存器,当使能(G)为高时,Q 输出将随数据(D)输入而变。
当使能为低时,输出将锁存在已建立的数据电平上。
输出控制不影响锁存器的内部工作,即老数据可以保持,甚至当输出被关闭时,新的数据也可以置入。
这种电路可以驱动大电容或低阻抗负载,可以直接与系统总线接口并驱动总线,而不需要外接口。
特别适用于缓冲寄存器,I/O 通道,双向总线驱动器和工作寄存器。
HC563引脚功能表:HC573引脚功能表:图1 HC573引脚图图2 HC573 国际电工委员会逻辑符号图3 HC563引脚图图4 HC563 国际电工委员会逻辑符号图5 HC563 逻辑图图6 HC573 逻辑图图7 输入输出等效电路真值表:ABSOLUTE MAXIMUM RATINGS绝对最大额定值:Top Operating Temperature: M54HC Series M74HC Series 操作温度:M54HC系列M74HC系列-55 to +125 -40 to +85℃tr,tf Input Rise and Fall Time输入上升和下降时间VCC =2V0 to 1000ns VCC=4.5V0 to 500VCC =6V0 to 400VOHHigh Level Output Voltage输出高电平电压2.0 VI = VIH or VILIO=-20 μA1.92.0-1.9 -1.9 -V4.54.44.54.44.4---6.05.96.05.95.9-4.5IO=-6.0mA4.184.314.134.10-6.0IO=-7.8 mA5.685.85.635.60-VOLLow Level Output Voltage输出低电平电压2.0 VI = VIH or VILIO=20μA-0.0 0.1 -0.1-0.1V4.5-0.00.1 0.10.16.0-0.00.10.10.14.5IO=6.0mA-0.170.260.330.406.0IO=7.8mA-0.180.260.330.40IIInput Leakage Current输入漏电流6.0VI =VCC or GND--±0.1-±1±1μA IOZState Output Off State Current关断状态3态输出电流6.0VI =VIH or VIL VO =VCC or GND--±0.5-±5.0-±10μAICCQuiescent Supply Current静态电源电流6.0VI =VCC or GND--4-40-80μA应用电路图:点击图片查看大图图8。
74LS373与74HC573对比驱动共阴极数码管哪个更好?虽说74LS573和74HC573都是八D锁存器(三态),并且在逻辑上完全一样,但是它俩管脚定义不一样。
74LS373是TTL电路,电源电压是5V。
上拉弱而下拉强。
输入内部有上拉,输入开路时为高电平。
74HC573是CMOS电路,电源电压工作范围是2V ~ 6V。
上拉下拉能力相同。
输入电阻很高,输入开路时电平不定。
74LS573和74HC573的不同点还是有很多的,不管是从它俩的引脚图还是参数或者是应用上,不过虽说不同点很多,但在某种层面上它俩是一样的。
本文主要比较74LS573和74HC573的异同点,详解它俩的工作特性及性能参数,比较在驱动共阴数码管上它俩谁更合适。
74ls37374LS373是一款常用的地址锁存器芯片,由八个并行的、带三态缓冲输出的D触发器构成。
在单片机系统中为了扩展外部存储器,通常需要一块74LS373芯片。
本文将介绍74LS373的工作原理,内容涵盖引脚图、内部结构、主要参数以及在单片机扩展系统中的典型应用电路。
74HC57374HC573包含八路3态输出的非反转透明锁存器,是一种高性能硅栅CMOS器件。
SL74HC573跟LS/AL573的管脚一样。
器件的输入是和标准CMOS输出兼容的,加上拉电阻他们能和LS/ALSTTL输出兼容。
74LS573和74HC573在工作原理上的不同74ls373工作原理(1).1脚是输出使能(OE),是低电平有效,当1脚是高电平时,不管输入3、4、7、8、13、14、17、18如何,也不管11脚(锁存控制端,G)如何,输出2(Q0)、5(Q1)、6(Q2)、9(Q3)、12(Q4)、15(Q5)、16(Q6)、19(Q7)全部呈现高阻状态(或者叫浮空状态);(2)。
当1脚是低电平时,只要11脚(锁存控制端,G)上出现一个下降沿,输出2(Q0)、5(Q1)、6(Q2)、9(Q3)、12(Q4)、15(Q5)、16(Q6)、19(Q7)立即呈现输入脚3、4、7、8、13、14、17、18的状态。
以74HC573为架构的LED数码管应用在实际生活、工作过程中会用到大量的LED数码管,它主要显示数字、简单符号,用来表示时间、速度、系统状态等。
在单片机教学中,让学生掌握通过锁存器连接LED数码管,通过C语言编程控制锁存器的位选端和段选端的打开与关闭,让LED数码管显示0~9十个数字的方法。
在科技信息高速发展的今天,单片机技术应用到各行各业,并且在人们的日常生活中得到了越来越广泛的应用。
为了使人们很直观的了解相关设备当前的工作状态,很多时候需要将当前的时间、温度、工作程序、工作过程等状态通过显示器显示出来,这就涉及到单片机的显示技术[1]。
单片机中常用的显示器有LED发光二极管显示器、LCD 液晶显示器以及CRT阴极射线显示器等等,LED显示器的显示结构为段显示即7位段显示、8位段显示、米字型等产品,8位段显示比7位段显示多一位小数点显示位dp,例如:在单片机技术应用中常用的LED显示器如数码管,有一位数码管、两位数码、四位数码管。
LCD显示器的显示结构为点阵显示即8×8、16×16、32×32等产品,点阵的位数越多则显示的效果越好。
常用的LCD液晶显示器有LCD1602等等。
根据实际项目的需求可进行相应的选择,如只显示数字作为时间、温度、工作过程、项目选择时可选择数码管显示器,因为它具有低廉的价格、稳定的性能、硬件要求低、使用寿命长等特点而得到了广泛的应用。
一、LED数码管的结构与工作原理LED数码管的基本构成单位为半导体发光二极管,7段的LED数码管是将7个长条形的发光二极管排成“日”字,按照从最上边的横开始,顺时针排列用字母a~g表示,可以显示0~9十位数字,还可以显示简单的英文字母如l、o、a、g等等。
8段的LED数码管就是在7段的基础上再在数码管的右下角加个点用字母dp表示,用来显示小数位。
根据8个发光二极管的不同连接形式,可以将LED数码管分成共阳极和共阴极两种,将8个发光二极管的阳极都连在一起的称之为共阳极LED数码管;将8个发光二极管的阴极都连在一起的,称之为共阴极LED数码管[2]。
74HC573 8位数据锁存器资料
2、如右图所示,芯片各引脚功能如下:
OE:output_enable,输出使能; LE:latch_enable,数据锁存使能;
Dn:第n路数据输入端; Qn:第n路数据输出端;
当OE=1是,无论Dn、LE
为何,输出端为高阻态;
当OE=0、LE=1时,输出
端数据等于输入端数据,芯片可以当作不存在,相当于导线;
当OE=0、LE=0时,输出端保持不变,
处于数据锁存状态;
在实际应用的时候是这样做的:
a.令OE=0;LE=1
b.将数据从单片机的口线上输
出到Dn;
c.令OE=0;LE=0;
d.这时,你所需要输出的数据就锁存在Qn上了,输入的数据再变化也影响不到输出的数据了;
74HC573简单应用(一)
如下图所示,在P3口同时接了两个74HC573锁存器,两个芯片的输出使能端OE都接地,数据锁存使能端LE分别接P2^6和P2^7,锁存器的输出数据端Qn都接LED条形显示器,本例通过对P3口赋不同的值来使U4的上四个LED灯点亮,U5的下四个LED灯点亮。
C程序如下:
#include<reg51.h>
sbit LE1=P2^6;
sbit LE2=P2^7;
void main()
{
LE1=1;
P3=0X0F;
LE1=0; //开启锁存功
能,使U2输出端锁存数据
0X0F
LE2=1;
P3=0XF0;
LE2=0; //开启锁存功能,使U3输出端锁存数据0XF0
while(1);
}
74HC573简单应用(二)
两片74HC573的数据输入端同时接到P0口,输出使能端OE都接地,数据锁存端LE分别接到P2^6和P2^7,U2的数据输出端接六个数码管的段码,U3的数据输出端接六个数码管的位码。
本例使六个数码管同时循环点亮0到9十个数字。
C程序如下:
#include<reg51.h>
#define uchar unsigned
c har
#define uint unsigned int
//延时函数
void delay(uint x)
{
uchar i;
while(x--)
for(i=0;i<120;i++);
}
//0到9的共阴显示代码
uchar code dis[]={0x3f,0x06,0x5b,0x4f,0x66,0x6d,0x7d,0x07,0x7f,0x6f}; sbit LE1=P2^6;
sbit LE2=P2^7;
uchar i;
void main()
{ LE2=1;
P0=0XC0;
LE2=0;
while(1)
{
LE1=1;
P0=dis[i];
LE1=0;
delay(400);
//延时1s左右
i=(i+1)%10;
//i取值为0到9
}
}
木兰诗北朝民歌
唧(jī)唧复唧唧,木兰当户织。
不闻机杼(zhù)声,惟闻女叹息。
问女何所思,问女何所忆。
女亦无所思,女亦无所忆。
昨夜见军帖(tiě),可汗(kè hán)大点兵。
军书十二卷,卷卷有爷名。
阿爷无大儿,木兰无长兄。
愿为(wèi)市鞍(ān)马,从此替爷征。
东市买骏马,西市买鞍鞯(jiān),南市买辔(pèi)头,北市买长鞭。
旦辞爷娘去,暮宿黄河边。
不闻爷娘唤女声,但闻黄河流水鸣溅溅(jiān jiān)。
旦辞黄河去,暮至黑山头。
不闻爷娘唤女声,但闻燕山胡骑(jì)鸣啾啾(jiū jiū)。
万里赴戎(róng)机,关山度若飞。
朔(shuò)气传金柝(tuò),寒光照铁衣。
将军百战死,壮士十年归。
归来见天子,天子坐明堂。
策勋十二转,赏赐百千强(qiáng)。
可汗问所欲,木兰不用尚书郎,愿驰千里足,送儿还故乡。
爷娘闻女来,出郭相扶将(jiāng);阿姊(zǐ)闻妹来,当户理红妆;小弟闻姊来,磨刀霍霍(huò huò)向猪羊。
开我东阁门,坐我西阁床。
脱我战时袍,著(zhuó)我旧时裳(cháng)。
当窗理云鬓(bìn),对镜帖(tiē)花黄。
出门看火伴,火伴皆惊惶。
同行十二年,不知木兰是女郎。
雄兔脚扑朔,雌兔眼迷离;双兔傍(bàng)地走,安能辨我是雄雌?
《木兰诗》诗意画
译文
叹息声一声接着一声传出,木兰对着房门织布。
听不见织布机织布的声音,只听见木兰在叹息。
问木兰在想什么?问木兰在惦记什么?(木兰答道)我也没有在想什么,也没有在惦记什么。
昨天晚上看见征兵文书,知道君主在大规模征兵,那么多卷征兵文册,每一卷上都有父亲的名字。
父亲没有大儿子,木兰(我)没有兄长,木兰愿意为此到集市上去买马鞍和马匹,就开始替代父亲去征战。
在集市各处购买马具。
第二天早晨离开父母,晚上宿营在黄河边,听不见父母呼唤女儿的声音,只能听到黄河水流水声。
第二天早晨离开黄河上路,晚上到达黑山头,听不见父母呼唤女儿的声音,只能听到燕山胡兵战马的啾啾的鸣叫声。
不远万里奔赴战场,翻越重重山峰就像飞起来那样迅速。
北方的寒气中传来打更声,月光映照着战士们的铠甲。
将士们身经百战,有的为国捐躯,有的转战多年胜利归来。
胜利归来朝见天子,天子坐在殿堂(论功行赏)。
给木兰记很大的功勋,得到的赏赐有千百金还有余。
天子问木兰有什么要求,木兰说不愿做尚书郎,希望骑上千里马,回到故乡。
父母听说女儿回来了,互相搀扶着到城外迎接她;姐姐听说妹妹回来了,对着门户梳妆打扮起来;弟弟听说姐姐回来了,忙着霍霍地磨刀杀猪宰羊。
每间房都打开了门进去看看,脱去打仗时穿的战袍,穿上以前女孩子的衣裳,当着窗子、对着镜子整理漂亮的头发,对着镜子在面部贴上装饰物。
走出去看一起打
仗的伙伴,伙伴们很吃惊,(都说我们)同行数年之久,竟然不知木兰是女孩。
(提着兔子耳朵悬在半空中时)雄兔两只前脚时时动弹、雌兔两只眼睛时常眯着,所以容易分辨。
雄雌两兔一起并排跑,怎能分辨哪个是雄兔哪个是雌兔呢?。